Next Article in Journal
An Ergonomic Risk Assessment System Based on 3D Human Pose Estimation and Collaborative Robot
Previous Article in Journal
Period-1 Motions and Bifurcations of a 3D Brushless DC Motor System with Voltage Disturbance
 
 
Font Type:
Arial Georgia Verdana
Font Size:
Aa Aa Aa
Line Spacing:
Column Width:
Background:
Article

Bending Performance of a Prestressed Concrete Composite Girder Bridge with Steel Truss Webs

1
College of Civil Engineering, Fujian University of Technology, Fuzhou 350118, China
2
College of Civil Engineering, Fuzhou University, Fuzhou 350118, China
*
Author to whom correspondence should be addressed.
Appl. Sci. 2024, 14(11), 4822; https://doi.org/10.3390/app14114822
Submission received: 12 May 2024 / Revised: 26 May 2024 / Accepted: 27 May 2024 / Published: 2 June 2024
(This article belongs to the Section Civil Engineering)

Abstract

An experiment was conducted on a prestressed concrete (PC) composite girder bridge with steel truss webs to investigate its flexural performance. The mechanical characteristics and failure modes of a PC composite girder bridge with steel truss webs was clarified. Finite element (FE) analysis was carried out, and the influence of the girder height-to-span ratio and eccentric loading effect on the flexural performance of a composite beam bridge with a steel truss web was discussed. The method for calculating the cracking bending moment, the bending moment at the rebar yield stage, and the ultimate bending moment of a PC composite girder with steel truss webs was proposed. Key findings include that, in both the elastic and cracking elastic stages, the strain of the bottom and top conforms to the plane-section assumption. Throughout the loading process, there was no occurrence of joint failure or local buckling failure in the steel truss webs; the composite girder ultimately fails due to excessive deformation, indicating that the overall mechanical performance of the composite beam is good. The deflection and stress in the mid-span section decrease with an increasing height-to-span ratio, and there are significant impacts of eccentric loading on deflection and stress. Compared with the results of the FE analysis and test, the calculation methods of the cracking moment, reinforcement yield moment, and ultimate moment of PC composite girders with steel truss webs presented in this paper have a high accuracy.

1. Introduction

This study aims to address the issue of web cracking in prestressed concrete box girders by investigating the flexural performance of PC composite girder bridges with steel truss webs, focusing on their failure modes, strain distribution, and deflection characteristics. Researchers have suggested employing various alternatives to concrete webs, such as flat steel plate webs [1], corrugated steel webs [2], or steel truss webs [3], to enhance the mechanical performance of prestressed concrete box girders, as illustrated in Figure 1. Due to the large longitudinal stiffness of steel plate webs, the use of steel plate webs instead of concrete webs is not conducive to the application of the prestress of a box girder [4]. Although the ‘accordion’ effect of corrugated steel webs is beneficial to prestressing [5,6,7], when the span of box girder bridges is large, the stability problem of corrugated steel webs is prominent, and additional stiffening is required [8]. Replacing concrete webs with steel truss webs not only leads to a lighter dead weight but also mainly subjects bridges to axial force, with a clearer force transmission path and better stability than corrugated steel webs. Moreover, steel truss webs are discontinuous along the longitudinal direction, which can enhance bridge permeability, improve bridge wind resistance, and lead to a beautiful appearance [9]. Therefore, as a new type of composite bridge, composite girder bridges with steel truss webs have been widely used in practical engineering in recent years [10].
At present, there are relatively few research works on composite girder bridges with steel truss webs. Some scholars took an actual composite girder bridge with steel truss webs as the research object to analyze its mechanical performance. Liu [11] studied the Shuianbao overpass and used FEM analysis to investigate the mechanical properties of variable section PC composite continuous rigid frame box girder bridges with steel truss webs. However, this study did not address the overall flexural behavior comprehensively, which this research aims to do.
Some scholars use theory and FE analysis to study the shear lag effect of composite beams with steel truss webs. Based on the converted thin-walled box girder method, Xu [12] derived the theoretical formula of the flexural vibration frequency of composite girder bridges with steel truss webs, in which the shear deformation of the bridge and shear hysteresis effect of the box girder section are considered. Zhang [13,14], taking Nanjing Jiangshan Bridge as the engineering background, combined with FE analysis and theoretical derivation, studied the calculation formula of the shear lag coefficient, the variation law of the shear lag coefficient along the longitudinal direction of the bridge, and the calculation method of the effective cantilever width of the composite girder bridge with steel truss webs. Yang [15] carried out FE analysis and theoretical derivation on the deflection calculation method of a composite girder bridge with steel truss webs; the results show that the additional deflection caused by shear deformation and a shear-lag effect of the steel truss web cannot be ignored when calculating the deflection of a composite girder. Yang [16] and Yu Xiaoqin [17] adopted the torsion theory of a thin-walled box girder and proposed the calculation method of the torsion warping stress of composite girder bridges with steel truss webs, as well as the constrained torsion control differential equation. Zhang [18] used the FE analysis method to study the basic mechanical properties such as the shear lag effect of the concrete top and bottom plates and the stress of the steel web of the typical section in a composite girder bridge with steel truss webs.
Some researchers put forward the new joint structure of steel truss webs or the application of composite girders with steel truss webs in the new bridge type. Duan [19] proposed a new type of PPL-steel tube joint suitable for composite girder bridges with steel truss webs and conducted experimental research on the new type of joint, obtained the failure mode of the new type of PPL-steel tube joint, and proposed a calculation formula of the shear strength of the new type of PPL-steel tube joint. Chen [20,21] put forward the application of a steel truss web in the arch rib to form the composite arch with a steel truss web and concrete top and bottom plates and conducted an experiment study on this new type of composite arch bridge. The results show that this new type of arch bridge has good mechanical performance and can effectively reduce the self-weight of the main arch ring structure, which is helpful to reducing its axial force and shortening the construction period. Wei [22] conducted an elastic seismic response analysis for a steel truss web–concrete arch bridge with a span of 160 m, and the results show that the stiffness of the steel truss web–concrete arch is lesser than that of a concrete box arch, which can improve the horizontal seismic performance of the arch bridge to a greater extent and also has a certain effect on the resistance to vertical ground vibration.
In summary, the current research on composite girders with steel truss webs mainly focuses on the mechanical performance of the connecting parts between the steel truss web and concrete top and bottom plates, while there are few studies on the overall flexural performance of PC composite girder steel truss webs, and no relevant research has been found on the flexural design calculation method of PC composite girders with steel truss webs.
Therefore, an experiment and FE analysis were conducted on a prestressed concrete (PC) composite girder bridge with steel truss webs to investigate its flexural performance. The evolution process of the bending performance, the strain and deflection variation process with an applied load, and the strain distribution along the section height are discussed. The influence of the height-to-span ratio and eccentric loading effect on the flexural behavior of the PC composite girder with steel truss webs is analyzed. The method for calculating the cracking bending moment, the bending moment at the rebar yield stage, and the ultimate bending moment of a PC composite girder with steel truss webs is proposed.

2. Experiment Design

2.1. Test Specimen Design and Production

A 1:6 scale model of a PC composite girder bridge with steel truss webs was designed and tested. The specimen, with a total length of 820 cm and a height-to-span ratio of 1/13.4, was subjected to various loading conditions to evaluate its flexural performance. The specific size and layout of the specimen are shown in Figure 2. The angle between the two adjacent steel truss webs was 39.4°, the longitudinal distance between the intersection of the two steel truss webs was 36 cm, and the outer diameter and wall thickness of the steel truss web were, respectively, 45 mm and 3.5 mm. The steel truss webs were connected to the concrete top and bottom plates by connecting plates and studs. Steel truss webs were welded to connecting plates, and the joint shear force was transmitted by studs embedded in the concrete to the top and bottom plates. The stud is 10 mm in diameter and 60 mm in length. The gusset was welded between the steel truss webs to enhance their force transfer. Four diaphragms were arranged in the longitudinal direction, the thicknesses of the end diaphragm and the middle diaphragm were 30 cm and 10 cm, respectively, and they were used as the anchoring area and the deviator of the external prestressed reinforcement. The steel truss webs were welded with the gusset plates at their intersections, and the gusset plates were connected with the concrete top and bottom plates by studs so that the steel truss webs and the concrete top and bottom plates formed a whole and bore force together.
Four external prestressed steel strands were arranged in the test specimen. The concrete of C50 (the standard compressive strength is 50 MPa) and the steel tube of Q345 (the yield strength is 345 MPa) were used in the test specimen. The external prestressed reinforcement adopts a 1 × 7Φ12.5 section steel strand, in which the standard tensile strength is 1860 MPa, and the tensile stress in the test specimen is 1260 MPa, less than the commonly used tensile stress in design (75% of the standard tensile strength).
The specimen manufacturing process mainly includes setting up the temporary supports, making formwork and assembling reinforcement for the bottom plate and diaphragms, welding, lifting, and positioning the steel truss webs, pouring the concrete of the bottom plate, making the formwork and assembling reinforcement for the top plate, pouring the concrete of the top plate, removing the side formwork after 28 days of concrete curing, tensioning the prestressed strand, and, at last, removing the temporary supports and residual formworks. Photos of the main manufacturing process of the test specimen are shown in Figure 3.

2.2. Loading and Measuring Points Layout

In this experiment, a two-point symmetric loading method was employed, with the loading points positioned at the two middle diaphragms in the longitudinal direction and along the central axis in the transverse direction. Two 50 t hydraulic jacks were used to load synchronously. The top of the jacks was locked on the reaction beam, and the loading value was controlled by the force sensor. During the loading process, the load increased by 5 kN in different stages until the test specimen was damaged. In the elastic stage, the load at all steps remained unchanged, and the strain as well as the deflection were measured after loading for 3 min. During the elastoplastic stage, the displacement meter was monitored, and measurements were taken once the displacement value stabilized. Simultaneously, the initiation and propagation of cracks on the concrete top and bottom plates were observed.
Figure 4a shows the strain measuring section, displacement meter, and sectional strain measuring point layout in the test specimen. A total of five strain measuring sections were arranged in this test, namely, mid-span sections (I-I and II-II), L/4 sections (III-III and IV-IV), and 3 L/4 sections (V-V). Among them, section V-V was arranged for comparative analysis with section III-III, and the measuring points of each cross-section were arranged as shown in Figure 4b. Seven vertical displacement measuring sections were arranged at equal intervals. A longitudinal displacement measuring point was arranged at the right girder end.

3. Nonlinear Finite Element Model

3.1. Model Establishment

The FE analysis model of the test specimen was established by the software of ABAQUS/CAE 6.14-2, as shown in Figure 5. In the FE model, the linear fully integrated three-dimensional solid element (C3D4), three-dimensional linear interpolated beam element (B31), and three-dimensional two-node truss element (T3D2) were respectively used to simulate the concrete top and bottom plates, steel truss web, reinforcement, and prestressed strand. The solid element size was set to about 65 mm, and the FE model had a total of 84950 elements. Based on the simply supported boundary condition applied to the test specimen, the translational degrees of freedom in the vertical, longitudinal, and transverse bridge directions were constrained at the fixed hinge support position of the FE model. Additionally, the translational degrees of freedom in the vertical and transverse bridge directions were constrained at the sliding hinge support position.
This paper is mainly intended to investigate the overall flexural performance of PC composite girders with steel truss webs. Throughout the entire loading process, the performance of the studs was observed to be good, with no damage detected. Therefore, the relative slip effect between the studs and concrete was not considered in the FE model. Due to the ability of the external prestressed strand to slide freely between two anchorage points, when the composite girder is subjected to a load, the strand slips at the direction-changing block. This causes the tension in the external prestressed strand to redistribute and become more uniform. Consequently, the Interaction module of ABAQUS was employed to define the interaction, constraint, and connection relationships among the components. A truss element was used to simulate the external prestressed strand, and the anchor plate was coupled with the end nodes of the prestressed strand so that the coupling nodes in the constrained region undergo a rigid-body motion with respect to the constrained control point. The direction changing block only restricted the vertical and transverse displacement of the external prestressed strand and did not restrict the longitudinal slip. As a result, the SLOT connection function in the translation connector was used to make the nodes of the external prestressed strand slip only in the longitudinal bridge direction relative to the nodes of the direction changing blocks. The cooling method was used to simulate the tensile force of the external prestressed strand, that is, setting the linear expansion coefficient of prestressed strands and cooling them; then, the purpose of prestressing the composite girders was achieved through the cooling shrinkage of prestressed strands.

3.2. Material Constitutive Relationship

The tension and compression constitutive relations of the steel truss webs and longitudinal steel reinforcement were based on a three-fold model in Figure 6a, with the yield strengths and elastic moduli determined from material property tests; the yield strength of the steel truss webs σy is 375.6 MPa, the elastic modulus Es is 2.08 × 105 MPa, the Poisson ratio μs is 0.3, and the yield strength of the longitudinal steel reinforcement σy is 369.8 MPa. The elastic modulus Es = 2.04 × 105 MPa, the Poisson’s ratio μs = 0.3, and the strain limit εu = 0.01. In Figure 6a, εy is the steel yield strain and Es* = 0.3Es is the secant modulus of the steel strengthening stage [23]. The constitutive relationship of prestressed reinforcement is based on the double-broken line model in Figure 6b. The standard tensile strength σpk is 1860 MPa and the elastic modulus Es is 1.95 × 105 MPa. Poisson’s ratio μ is 0.3, and the strain limit εu is 0.015.
The compression and tension constitutive relationship of concrete is shown in Figure 6c. The Hongnestad model of reference [24] is adopted for the stress–strain relationship under uniaxial compression. The ascending stage is a parabola and the descending stage is an oblique straight line. The uniaxial tensile strength of concrete σt is 0.26σc2/3 [25].
The values of relevant parameters are determined according to the results of material property tests. The cube compressive strength of the bottom plate σc is 59.4 MPa, and the elastic modulus Ec is 3.19 × 104 MPa, while they are 56.0 MPa and 3.23 × 104 MPa, respectively, for the top plate. The Poisson ratio of concrete μ is 0.2, and other parameters are specified in the reference [26], in which σ0 is 0.68σc, ε0 is 0.002, and εu is 0.003. In ABAQUS software, the concrete damaged plasticity model was adopted to simulate the tensile fracture failure of concrete [27]. For the concrete in the tension area, when the fracture energy of the concrete reaches the limit value, the concrete cracks and goes out of work. Using the concept of brittle fracture, the energy Gfl required per unit opening area of the crack is taken as the material parameter, and the material strength is assumed to be changed linearly to zero after cracking. The value of Gfl is between 0.04 N/mm and 0.12 N/mm, and for concrete with a compressive strength of approximately 20 MPa and 50 MPa, the lower limit and upper limit values are taken, respectively [28].

4. Test and Finite Element Result Analysis

4.1. Evolution Process of the Bending Performance

The vertical deflection distribution of the composite girder test specimen along the longitudinal bridge direction under different load cases is shown in Figure 7. It can be seen in Figure 7 that under symmetrical loads, the vertical deformation of the test specimen is symmetric along the longitudinal bridge with respect to the mid-span section undergoing the maximum deformation. During the whole loading process, the load–deflection relationship curves at the L/12, L/6, and L/2 sections are shown in Figure 8. As can be seen from Figure 8, the evolution process of the flexural performance of the test specimen can be divided into the elastic stage, cracking elastic stage, elastoplastic stage, and structural failure stage.
In Figure 8, it can be seen that when the load is less than 95 kN, the structure is in the linear elastic stage where the load–deflection curve changes linearly. When the load reached 95 kN, cracks began to appear in the concrete bottom plate of the test specimen, and the flexural stiffness of the girder decreased slightly. However, before the load reaching 120 kN, that is, before the reinforcement in the bottom plate yields, the load–deformation curve of the specimen presented an approximately elastic relationship, and the structure was in the cracking elastic stage. When the load reached the value of 120 kN, the reinforcement in the concrete bottom plate yielded, and the crack growth rate increased sharply, the load–deformation curve had a relatively obvious turning point, indicating that the reduction rate of flexural stiffness and the increasing rate of deflection were further accelerated, and the structure entered the elastoplastic stage. When the load exceeded 165 kN, the readings from the load-monitoring sensors were no longer stable, but the deformation of the test specimen continued to increase until it exceeded the range of the dial indicator. Considering that the external prestressed strand may break, the loading was stopped, and the structure was considered to have failed.

4.2. Strain Analysis

Figure 9, in which the section numbers are the same as those in Figure 4a, shows the load–strain curves of the concrete bottom plate, top plate, and common steel bars for the specimen under a symmetrical load, obtained by the test and FE analysis. It can be seen in Figure 9a that when the structure loading was in the elastic stage, the tensile strain of the concrete bottom plate basically increased linearly. When the load value increased to 95 kN, the load–strain curve also increased linearly, although the mid-span section of the specimen was cracked. At a load of 120 kN, the test specimen entered the nonlinear growth stage, indicating the onset of significant plastic deformation in the bottom plate’s reinforcement. As can be seen in Figure 9b, when the load was less than 120 kN, the load–strain curves of the concrete top plate basically presented a linear growth trend throughout the whole process, indicating that micro-cracks may occur inside the concrete top plate, but no obvious crushing phenomenon occurred. As can be seen in Figure 9c, when the load value reached 120 kN, the reinforcement of the concrete bottom plate in the mid-span section of the specimen yielded.
The distribution of the concrete strain along the height direction in the mid-span section of the specimen during loading is shown in Figure 10. Figure 10 illustrates that during the elastic stage, the compressive and tensile strains of the top and bottom plates varied linearly with the section height. This indicates that the deformation of the top and bottom plates of the test specimen conforms to the ‘plane-section assumption’.
The steel truss web on each side of the test specimen was composed of 38 inclined steel tubes (seen in Figure 2a), numbered 1 to 38 from left to right. Figure 11a shows the strain distribution of the steel truss web of the test specimen along the longitudinal bridge direction when the load is 60 kN. As can be seen in Figure 11a, the maximum strain value of the steel truss web appeared at the L/6 position (#6 and #7 steel tubes). Figure 11b shows the load–strain curves of the steel truss web at the position of L/6. It can be seen that the strain of the steel truss web increased linearly with the increase in the load but was less than its yield strain before the reinforcement in the concrete bottom plate yielding. According to Section 2.1 of this paper, the yield strain of the steel tube is 1.81 × 10−3, and when the load reaches 120 kN, the maximum strain value of the steel truss web is 6.18 × 10−4, which is 34.1% of the yield strain value. When the loading was stopped, the strain of the steel truss web was 7.68 × 10−4, which is 42.4% of the yield strain, indicating that the steel truss web was basically in the elastic stage in the whole process of test loading, and the steel truss web was suitable for the composite girder with a large cross-section height.
The comparative analysis of the test and FE method results in Section 3.1 and Section 3.2 shows that the deformation of composite girders obtained by two methods is similar, and the deformation increase rates of each section are basically the same, indicating that the flexural stiffness of the composite girders obtained by both are basically the same. The load–strain curves of the top and bottom plate concrete and the steel reinforcement in the bottom plate are basically consistent with each other. The load–strain curves of steel truss webs #6 and #7 basically coincide. The maximum error between the test and the FE results is less than 10%. Therefore, the FE model established in this paper can simulate the test loading process more accurately.

4.3. Failure Mode

The crack distribution and failure mode photos of the concrete top and bottom plates for the test specimen after stopping the test are shown in Figure 12 and Figure 13, respectively. It can be seen in Figure 12 and Figure 13 that during the loading process, the crack distribution and vertical deformation of the test specimen were axisymmetric with respect to the mid-span section. As can be seen in Figure 12, the crack distribution area at the concrete bottom plate was 421 cm long, and the cracks in the mid-span position extended through the section side to the top plate, where the average distance between the cracks was about 9.5 cm. The cracks in the flexural shear zone were distributed within 90 cm from the middle diaphragm. Figure 13 shows that the steel truss web did not deform significantly throughout the entire loading process, and the joint connector remained undamaged. This indicates that the test specimen lost its bearing capacity due to excessive deformation while maintaining good overall mechanical performance.
Figure 14 shows the crack distribution region obtained by FE analysis when the load of 165 kN was applied. A comparative analysis of Figure 12 and Figure 14 shows that cracks in the bottom plate concrete of the composite girder were mainly distributed in the pure bending section due to the large bending moment. The measured cracking area of the bottom plate concrete was similar to that of the FE analysis, and the cracking range obtained by the FE analysis was about 470 cm wide, which was slightly larger than the test result.

5. Influence Analysis of Key Parameters

According to the existing research, the main parameter that affects the flexural performance of PC composite girders is the height-to-span ratio of girders. Therefore, the influence of the height-to-span ratio on the flexural performance of PC composite girders with steel truss webs was analyzed in this paper. Considering the light dead weight of this structure, the eccentric loading effect of the vehicle load is also taken into account in the analysis of the height–span ratio influence.

5.1. Height-to-Span Ratio of the Composite Girder

In this paper, it is calculated that the height-to-span ratios of 19 completed PC composite girder bridges vary between 1/10 and 1/20, as shown in Figure 15. In order to analyze the influence of the height-to-span ratio on the mechanical properties of the composite girder with steel truss webs, the bending properties of the PC composite girders with height-to-span ratios of 1/16.25, 1/13.5 (the test specimen), 1/11.5, 1/10, and 1/9 were obtained by only changing the height of the test specimen. In addition, in order to analyze the influence of the eccentrical effect of the vehicle load on the above five kinds of composite girders with different height–span ratios, the arrangement of the concentrated load P in the longitudinal bridge direction is consistent with the test. As for the transverse bridge direction loading, two conditions are considered: centric and eccentric loadings. Specifically, the concentrated force was applied to the center of the transverse bridge in the centric load, and the concentrated force was applied to one side of the steel truss web in the eccentric load. In the analysis of the eccentrical load effect, two cases of considering the girder dead load Pd or not were discussed. A total of 20 FE models with different parameters were analyzed in this paper.
In the elastic stage (where P = 60 kN), Figure 16 illustrates the variation in deformation and bottom plate stress with respect to the height-to-span ratio. A noticeable trend is observed where deformation and stress decrease with an increasing height-to-span ratio. The main reason for this is that when the span of the composite beam is unchanged, the height of the girder increases with the increase in the height-to-span ratio, resulting in an increase in the bending stiffness of the girder. Therefore, under the same applied load, the stress and deflection of the girder decrease.

5.2. Eccentric Loading Effect

The deformation and ratio of height-to-span under eccentric loading and central loading of concentrated force P are defined as the deformation coefficient, and the bottom plate stress ratio is defined as the stress coefficient, as shown in Figure 17. Figure 17 shows that both the deformation and stress coefficients increase with the height-to-span ratio. This indicates that the eccentricity effect caused by the concentrated load also increases. When the dead load effect of the girder is considered, the deformation and stress coefficients range from 1.083 to 1.231 and from 1.074 to 1.178, respectively. In other words, for the composite girder bridge with a small dead weight, the eccentric load has a greater influence on the deformation and stress of the composite girder.

6. Calculation Method of the Flexural Bearing Capacity

In this section, the calculation methods of the cracking bending moment, yielding bending moment, and ultimate bending moment of the PC composite girder with steel truss webs were derived.

6.1. Cracking Bending Moment Mcu

When the strain at the edge of the bottom plate reaches the concrete cracking strain, the bottom plate begins to crack. However, the composite girder remains in the elastic stress stage, and the section strain distribution conforms to the ‘plane cross-section assumption’. Figure 18 illustrates the force diagram of the girder section at the cracking stage.
According to the ‘plane-section assumption’ and the cracking strain εc of the bottom plate concrete, the stress increment of prestressed strands and steel reinforcements when the bottom plate cracks can be obtained from Formulas (1) and (2):
σ s = E s h x a s h x ε c
Δ σ p = E p h x a p h x ε c
According to the force balance of the section, the formula for calculating the cracking bending moment when the bottom plate cracks can be obtained, as shown in Formula (3),
M c u = σ p e + Δ σ p A p h p h c + σ s A s h s h c
In Formula (1) to Formula (3), Ap and As are the cross-sectional areas of the external prestressed strand and tensile reinforcement in the bottom plate, respectively, and Ep and Es are their elastic moduli. εc is the cracking strain of the bottom plate concrete. h, hc, hp, and hs are the section height, the distance between the resultant point of concrete pressure and the sectional top edge, the distance between the prestressed strand center and the sectional top edge, and the distance between the center of reinforcement in the bottom plate and the sectional top edge, respectively. x is the depth of the section compression zone. ap and as are the distances from the center of the external prestressed strand and the reinforcement in the bottom plate to the sectional bottom edge, respectively.

6.2. Reinforcement Yielding Bending Moment My

It can be determined based on the evolution process of the flexural properties of the PC composite girder with steel truss webs in Section 3.1 that the composite girder is in the cracking elastic stage after the cracking of the bottom plate concrete, but they still have a good elastic performance. The cross-sectional strain distribution of the composite girder meets the ‘pseudo assumption of the plane cross-section’—that the elastic analysis method can be used, as seen in Figure 19, for the force diagram of the main girder section when the reinforcements in the bottom plate are yielding.
According to the ‘pseudo assumption of the plane-section’ and the strain of tension steel reinforcements in the bottom plate, the stress increment of prestressed strands can be obtained according to Formula (4).
Δ σ p = h p x h s x σ y E s E p
The distance x from the neutral axis to the top edge of the crack section can be determined by Formulas (5) and (6).
σ p e + Δ σ p A p + σ y A s = σ c A c
σ y E s E c σ c = h s x x
The bending moment My when the tensile steel reinforcement in the bottom plate is yielding can be calculated using Formula (7).
M y = σ p e + Δ σ p A p h p h c + σ s A s h s h c

6.3. Breaking Bending Moment Mu

When the section of the composite girder is broken by bending, the contribution of the web plate (or web truss) to the bending capacity of the girder should be considered [11,13]. To calculate the contribution of steel truss webs to the compressive bearing capacity of the top plate in PC composite girders, the steel truss webs should be considered equivalent to concrete webs based on the principle of equivalent shear stiffness. This means the additional deflection caused by the axial deformation of the steel truss webs in the PC composite box, under the shear action, is equal to that caused by the shear deformation of the concrete web in the PC box girder.
According to the principle of equivalent shear stiffness, the formula for calculating the equivalent thickness t when the truss steel web arranged at a given interval is equivalent to the continuous closed concrete web is as follows:
t = E s G c d h c o r d 3 3 1 A c u + 1 A c l n e + l * 3 A s g
The parameters in Formula (8) are explained in Figure 20, where d is the horizontal projection length of the diagonal steel truss web member on the longitudinal bridge; hcor is the vertical projection height of the diagonal steel truss web member on the longitudinal bridge; l* is the length of the diagonal steel truss web and Acu is the section area of the joint between the steel truss web and the concrete top plate; Acl is the section area of the joint between the steel truss web and the concrete bottom plate; Asg is the section area of the steel truss web; Es is the elastic modulus of steel; and Gc is the shear modulus of concrete.
Due to the significant cracking of the concrete bottom plate in the PC composite girder at the point of bending failure, this paper does not consider the contribution of the steel truss web to the flexural bearing capacity. Instead, the contribution of the steel truss web to the compressive bearing capacity of the top plate is considered.
For either a bonded or unbonded prestressed concrete balanced-reinforced girder, it is assumed that the concrete in the compression zone reaches the compressive limit and the prestressed strand and reinforcement in the tension zone reach the tensile limit when bending failure occurs.
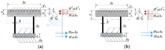
When the composite girder section is broken due to bending, the compression zone depth can be divided into two situations: in the top plate and in the web. The force diagram is shown in Figure 21. The depth of the compression zone can be judged according to Formula (9). When Formula (9) is satisfied, the depth of the compression zone is located on the top plate; otherwise, the depth of the compression zone is located in the equivalent web.
σ sd A s + σ p u A p σ cd b f t f + σ sd A s
The ultimate stress σpu of external prestressed reinforcement is the key value to calculating the flexural strength of unbonded prestressed concrete composite girders. There are many factors affecting the value of σpu, such as the effective prestress of external prestressed reinforcement, the reinforcement ratio, the height-to-span ratio of the girder, and the loading conditions.
In this paper, according to the Technical Regulations for Unbonded Prestressed Concrete Structures (JGJ 92-2016) [29], the ultimate stress design value of unbonded prestressed reinforcement used to obtain the flexural capacity of a girder with a steel strand is calculated according to Formulas (10) to (12).
σ pu = σ p e + Δ σ p
Δ σ p = 240 335 ξ 0 0.45 + 5.5 h L 0
When the depth of the compression zone is on the top plate,
ξ 0 = σ pe A P + σ sd A s σ cd b f h p
When the depth of the compression zone is within the web,
ξ 0 = σ pe A P + σ sd A s σ cd b f 2 b t f 2 σ cd b h p
According to the section force diagram in Figure 21, when the depth of the compression zone is on the top plate of the composite girder, the formula for calculating the breaking moment Mu is as follows:
σ sd A s + σ p u A p = σ cd b f x + σ sd A s
M u = σ cd b f x h 0 x 2 + σ sd A s h 0 a s
When the depth of the compression zone is in the equivalent web of the composite girder, the formula for calculating the breaking moment Mu is as follows:
σ sd A s + σ p u A p = σ cd 2 b x + b f 2 b t f + σ sd A s
M u = σ cd 2 b x h 0 x 2 + b f 2 b t f h 0 t f 2 + σ sd A s h 0 a s

6.4. Calculation Accuracy Analysis

The test and FE analysis results in Section 4 are compared with the calculated values of the cracking bending moment, yielding bending moment, and ultimate bending moment for the PC composite girder with steel truss webs proposed in this paper, as shown in Figure 21.
As shown in Figure 22, the error between the experimental results, the FE analysis results, and the calculated values using various bending moment formulas proposed in this paper is less than 11.2%. Therefore, the bending moment calculation method for PC composite girders with steel truss webs presented in this paper demonstrates high precision.

7. Conclusions

(1) The experiment reveals that the PC composite girder bridge with steel truss webs undergoes distinct stages of failure, including elastic, cracking elastic, elastoplastic, and failure stages. Practical implications suggest optimizing the height-to-span ratio to enhance performance and reduce stress concentrations. During the loading process, neither the failure of joint connections nor the local buckling of the steel truss webs occurred. The structure ultimately failed due to excessive deformation, but its overall mechanical performance was good. In the elastic stage, the strain of the top and bottom plates of the PC composite girders with steel truss webs conformed to the ‘plane-section assumption’.
(2) The comparative analysis of the experimental results and FE results demonstrates that in both the elastic and elastoplastic stages, the FE results for deflection, the strain of the top and bottom plates, and the strain of truss webs closely match the experimental results. This consistency verifies the high accuracy of the nonlinear FE modeling method for composite girders with steel truss webs presented in this paper.
(3) When the height-to-span ratio ranges between 1/16.25 and 1/9, the deformation and stress at the mid-span section of the composite girder with steel truss webs decrease as the height-to-span ratio increases. However, when the height-to-span ratio exceeds 1/11.5, the rate of the decrease in deformation and stress slows down. For the composite girder bridge with low dead weight, the deformation and stress are significantly affected by the excentric load, with the deformation and stress increase coefficients rising as the height-to-span ratio increases.
(4) The calculation methods of the bending moment at which the bottom plate cracks, the bending moment when the reinforcements on the bottom plate yield, and the ultimate bending moment of the PC composite girder are proposed and analyzed through comparison with the experimental and FE methods. The results demonstrate that the proposed method for calculating the bending moments of a PC composite girder with steel truss webs has a high accuracy.
This paper mainly studies the flexural performance of an external prestressing composite girder bridge with steel truss webs; a comparative study on composite girders with corrugated steel webs can be carried out in the future to clarify the flexural properties, the similarities and differences of the two different types of composite girder bridges, and their respective practical engineering application conditions.

Author Contributions

W.W. and K.C. conceived the analyses; W.W., Y.L. and K.C. performed the experiment and finite element analysis and analyzed the data; K.C. contributed materials/analysis tools; and W.W. wrote the paper. All authors have read and agreed to the published version of the manuscript.

Funding

This research was funded by the Natural Science Foundation of Fujian Province (No. 2021J011059) and the Research Start-up Fund of Fujian University of Technology (No. GY-Z20015).

Institutional Review Board Statement

Not applicable.

Informed Consent Statement

Not applicable.

Data Availability Statement

The original contributions presented in the study are included in the article, further inquiries can be directed to the corresponding author.

Conflicts of Interest

The authors declare no conflicts of interest.

References

  1. Zhang, Z.; Liu, Y.; Liu, J.; Xin, G.; Long, G.; Zhang, T. Experimental study and analysis for the long-term behavior of the steel–concrete composite girder bridge. Structures 2023, 51, 1305–1327. [Google Scholar] [CrossRef]
  2. Deng, W.; Zhang, J.; Zhou, M.; Hassanein, M.F.; Liu, D.; Zheng, H. Flexural behaviour of segmental prestressed composite beams with corrugated steel webs. Mag. Concr. Res. 2020, 72, 578–594. [Google Scholar] [CrossRef]
  3. Gao, Y.; Liu, Y.; Zhou, X.; Liu, B. High-performance CFST Composite Truss bridge. China Civ. Eng. J. 2018, 31, 174–187. [Google Scholar]
  4. Chen, Y.; Dong, J.; Xu, T. Composite box girder with corrugated steel webs and trusses—A new type of bridge structure. Eng. Struct. 2018, 166, 354–362. [Google Scholar] [CrossRef]
  5. Sebastiao, L.; Papangelis, J. Elastic local shear buckling of beams with sinusoidal corrugated webs. Structures 2023, 54, 684–692. [Google Scholar] [CrossRef]
  6. Chen, Y.; Dong, J.; Xu, T.; Xiao, Y.; Jiang, R.; Nie, X. The shear-lag effect of composite box girder bridges with corrugated steel webs and trusses. Eng. Struct. 2019, 181, 617–628. [Google Scholar] [CrossRef]
  7. Yang, T.; Chen, M.; Liu, Y.; Zhang, Y.; Chen, X.; Xu, X. Fatigue performance of stud connectors in joints between top slabs and steel girders with corrugated webs subjected to transverse bending moments. Eng. Struct. 2024, 310, 118132. [Google Scholar] [CrossRef]
  8. Zhang, B.; Yu, J.; Chen, W.; Wang, H.; Xu, J. Stress states and shear failure mechanisms of girders with corrugated steel webs. Thin-Walled Struct. 2020, 157, 617–628. [Google Scholar] [CrossRef]
  9. Dong, J.; Wu, Q.; Chen, K.; Xie, R.; Briseghella, B. Experiment and calculation on torsion bearing capacity of concrete composite box section with corrugated steel webs and steel truss webs. Eng. Mech. 2016, 33, 220–230. [Google Scholar]
  10. Tang, Y. Research review of steel web truss-concrete composite structure. Spec. Struct. 2019, 36, 75–82. [Google Scholar]
  11. Liu, Q. Research on Mechanical Properties of Variable Cross-Section Hybrid Truss Bridge. Master’s Thesis, Southeast University, Nanjing, China, 2018. [Google Scholar]
  12. Xu, J. Study on Dynamic Characteristics and Impact Factors of Composite Bridges with Steel Truss Webs. Master’s Thesis, Southeast University, Nanjing, China, 2016. [Google Scholar]
  13. Zhang, Y. Research on Mechanical Properties of Concrete Composite Box Girder with Steel Truss Webs. Master’s Thesis, Lanzhou Jiaotong University, Lanzhou, China, 2019. [Google Scholar]
  14. Zhang, Y.; Yang, X.; Ji, W. Research on calculation method of longitudinal stress on flange plate for concrete composite box girder with steel truss webs. Chin. J. Comput. Mech. 2019, 36, 642–649. [Google Scholar]
  15. Yang, X.; Yu, X.; Zhang, Y. Analysis on torsion effect of concrete composite box girder with steel truss webs. Chin. J. Comput. Mech. 2021, 38, 230–238. [Google Scholar]
  16. Yang, X.; Zhang, Y.; Ji, W. Deflection calculation of concrete composite box girder with steel truss webs. J. Lanzhou Univ. Technol. 2020, 46, 130–136. [Google Scholar]
  17. Yu, X. Analysis on Torsion and Distortion Effect of Concrete Composite Box Girder with Steel Truss Webs. Master’s Thesis, Lanzhou Jiaotong University, Lanzhou, China, 2020. [Google Scholar]
  18. Zhang, Y.; Zhang, J.; Li, X.; Liu, D. Research on basic mechanical properties of steel truss web prestressed concrete composite box girder bridge. Highway 2012, 11, 54–59. [Google Scholar]
  19. Duan, M.; Liu, Z.; Zhang, J.; Duo, L. Experimental study on new PBL-steel tube joint for steel truss-webbed concrete slab composite bridges. J. Southeast Univ. (Nat. Sci. Ed.) 2016, 46, 572–576. [Google Scholar]
  20. Chen, B.; Mou, T. Research on concrete arches with steel webs. In Proceedings of the 1st Chinese-Croatian Joint Colloquium on Long Arch Bridges, Brijuni Islands, Croatia, 10–14 July 2008. [Google Scholar]
  21. Wei, J.; Miao, F.; Chen, B.; Wu, Q. Seismic response analysis of steel web concrete arch bridge. In Proceedings of the 4th National Symposium on Earthquake Prevention and Disaster Mitigation Engineering, Fuzhou, China, 8–10 October 2009. [Google Scholar]
  22. Wei, J.; Mou, Y.; Miao, F.; Peng, G.; Chen, B. Trial-design on new-type composite box arch bridge with steel truss webs and concrete flanges. J. Transp. Sci. Eng. 2009, 25, 40–45. [Google Scholar]
  23. Liu, H.; Chen, W.; Guo, R.; Liao, W.; Du, X. Theoretical and numerical study on the bond behavior between reinforcing steel and concrete. J. Build. Eng. 2024, 90, 109398. [Google Scholar] [CrossRef]
  24. Cunha, R.N.; Amorim, D.L.N.F.; Proença, S.P.B.; Flórez-López, J. Modeling the initiation and propagation of complex networks of cracks in reinforced concrete plates. Eng. Struct. 2024, 308, 117993. [Google Scholar] [CrossRef]
  25. Androus, A.; Afefy, H.M.; Sennah, K. Investigation of free vibration and ultimate behavior of composite twin-box girder bridges. J. Constr. Steel Res. 2017, 130, 177–192. [Google Scholar] [CrossRef]
  26. Le Minh, H.; Khatir, S.; Wahab, M.A.; Cuong-Le, T. A concrete damage plasticity model for predicting the effects of compressive high-strength concrete under static and dynamic loads. J. Build. Eng. 2021, 44, 103239. [Google Scholar] [CrossRef]
  27. Farnam, S.M.; Rezaie, F. Simulation of crack propagation in prestressed concrete sleepers by fracture mechanics. Eng. Fail. Anal. 2019, 96, 109–117. [Google Scholar] [CrossRef]
  28. Yang, S.; Wang, M.; Lan, T.; Liu, S.; Sun, Z. Fracture model for predicting tensile strength and fracture toughness of concrete under different loading rates. Constr. Build. Mater. 2023, 365, 129978. [Google Scholar] [CrossRef]
  29. JGJ 92-2016; Technical Specification for Concrete Structures Prestressed with Unbonded Tendons. China Planning Press: Beijing, China, 2016.
Figure 1. Composite Girders with Different Plate (Truss) Webs: (a) Composite girders with steel plate webs; (b) Composite girders with corrugated steel webs; (c) Composite girders with steel truss webs.
Figure 1. Composite Girders with Different Plate (Truss) Webs: (a) Composite girders with steel plate webs; (b) Composite girders with corrugated steel webs; (c) Composite girders with steel truss webs.
Applsci 14 04822 g001
Figure 2. Dimensions of the test specimen (unit: cm): (a) Elevation view; (b) A-A section; (c) B-B section; (d) C-C section; (e) Steel truss web joint along the longitudinal direction; (f) Steel truss web joint along the transverse direction.
Figure 2. Dimensions of the test specimen (unit: cm): (a) Elevation view; (b) A-A section; (c) B-B section; (d) C-C section; (e) Steel truss web joint along the longitudinal direction; (f) Steel truss web joint along the transverse direction.
Applsci 14 04822 g002
Figure 3. Manufacture of the test specimen: (a) Assembling of bottom reinforcements and installation of the steel truss webs; (b) Assembling the formwork and reinforcement of the top plate; (c) Concrete pouring; (d) Completed test specimen; (e) Test specimen loading.
Figure 3. Manufacture of the test specimen: (a) Assembling of bottom reinforcements and installation of the steel truss webs; (b) Assembling the formwork and reinforcement of the top plate; (c) Concrete pouring; (d) Completed test specimen; (e) Test specimen loading.
Applsci 14 04822 g003
Figure 4. Layout of strain and displacement measurement points (unit: cm): (a) Elevation; (b) Strain measuring points.
Figure 4. Layout of strain and displacement measurement points (unit: cm): (a) Elevation; (b) Strain measuring points.
Applsci 14 04822 g004
Figure 5. Finite element model of the test specimen.
Figure 5. Finite element model of the test specimen.
Applsci 14 04822 g005
Figure 6. Material constitutive relationships: (a) Steel; (b) Prestressed steel strand; (c) Concrete.
Figure 6. Material constitutive relationships: (a) Steel; (b) Prestressed steel strand; (c) Concrete.
Applsci 14 04822 g006
Figure 7. Vertical deflection of the composite girder.
Figure 7. Vertical deflection of the composite girder.
Applsci 14 04822 g007
Figure 8. Comparison of the load–deflection curves in a typical section.
Figure 8. Comparison of the load–deflection curves in a typical section.
Applsci 14 04822 g008
Figure 9. Load–strain curves: (a) Bottom plate; (b) Top plate; (c) Reinforcement in the bottom plate.
Figure 9. Load–strain curves: (a) Bottom plate; (b) Top plate; (c) Reinforcement in the bottom plate.
Applsci 14 04822 g009
Figure 10. Mid-span strain distribution along the height: (a) Central axis; (b) The thickest part of the top plate.
Figure 10. Mid-span strain distribution along the height: (a) Central axis; (b) The thickest part of the top plate.
Applsci 14 04822 g010
Figure 11. Comparison of the load–strain curves of the steel truss webs: (a) Strain distribution of the steel truss webs along the longitudinal direction; (b) Load–strain curve of the steel truss webs.
Figure 11. Comparison of the load–strain curves of the steel truss webs: (a) Strain distribution of the steel truss webs along the longitudinal direction; (b) Load–strain curve of the steel truss webs.
Applsci 14 04822 g011
Figure 12. Crack distribution (unit: cm).
Figure 12. Crack distribution (unit: cm).
Applsci 14 04822 g012
Figure 13. Photo of failure mode: (a) Overall deformation; (b) Crack of specimen.
Figure 13. Photo of failure mode: (a) Overall deformation; (b) Crack of specimen.
Applsci 14 04822 g013
Figure 14. Crack distribution obtained by FE analysis.
Figure 14. Crack distribution obtained by FE analysis.
Applsci 14 04822 g014
Figure 15. Relationship between the height-to-span ratio and the span of the completed PC composite bridge with steel truss webs.
Figure 15. Relationship between the height-to-span ratio and the span of the completed PC composite bridge with steel truss webs.
Applsci 14 04822 g015
Figure 16. Influence of the height-to-span ratio on deflection and stress in the bottom of the mid-span section: (a) Deflection; (b) Stress.
Figure 16. Influence of the height-to-span ratio on deflection and stress in the bottom of the mid-span section: (a) Deflection; (b) Stress.
Applsci 14 04822 g016
Figure 17. Magnification factors caused by eccentric loading.
Figure 17. Magnification factors caused by eccentric loading.
Applsci 14 04822 g017
Figure 18. Mechanical schematic diagram at the cracking stage.
Figure 18. Mechanical schematic diagram at the cracking stage.
Applsci 14 04822 g018
Figure 19. Mechanical schematic diagram in the yield stage.
Figure 19. Mechanical schematic diagram in the yield stage.
Applsci 14 04822 g019
Figure 20. Cross-section parameter of the PC composite girder bridge with steel truss webs: (a) Section view; (b) Side view.
Figure 20. Cross-section parameter of the PC composite girder bridge with steel truss webs: (a) Section view; (b) Side view.
Applsci 14 04822 g020
Figure 21. Mechanical schematic diagram in the fracture stage: (a) Compression zone on the top plate; (b) Compression zone in the web.
Figure 21. Mechanical schematic diagram in the fracture stage: (a) Compression zone on the top plate; (b) Compression zone in the web.
Applsci 14 04822 g021
Figure 22. Analysis of calculating accuracy.
Figure 22. Analysis of calculating accuracy.
Applsci 14 04822 g022
Disclaimer/Publisher’s Note: The statements, opinions and data contained in all publications are solely those of the individual author(s) and contributor(s) and not of MDPI and/or the editor(s). MDPI and/or the editor(s) disclaim responsibility for any injury to people or property resulting from any ideas, methods, instructions or products referred to in the content.

Share and Cite

MDPI and ACS Style

Wang, W.; Liu, Y.; Chen, K. Bending Performance of a Prestressed Concrete Composite Girder Bridge with Steel Truss Webs. Appl. Sci. 2024, 14, 4822. https://doi.org/10.3390/app14114822

AMA Style

Wang W, Liu Y, Chen K. Bending Performance of a Prestressed Concrete Composite Girder Bridge with Steel Truss Webs. Applied Sciences. 2024; 14(11):4822. https://doi.org/10.3390/app14114822

Chicago/Turabian Style

Wang, Wenping, Yanqi Liu, and Kangming Chen. 2024. "Bending Performance of a Prestressed Concrete Composite Girder Bridge with Steel Truss Webs" Applied Sciences 14, no. 11: 4822. https://doi.org/10.3390/app14114822

APA Style

Wang, W., Liu, Y., & Chen, K. (2024). Bending Performance of a Prestressed Concrete Composite Girder Bridge with Steel Truss Webs. Applied Sciences, 14(11), 4822. https://doi.org/10.3390/app14114822

Note that from the first issue of 2016, this journal uses article numbers instead of page numbers. See further details here.

Article Metrics

Back to TopTop