Fragility Analysis of Step-Terrace Frame-Energy Dissipating Rocking Wall Structure in Mountain Cities
Abstract
1. Introduction
2. The Working Principle of Rocking Walls
3. The Fundamental Principles of Vulnerability Analysis
4. Model Establishment
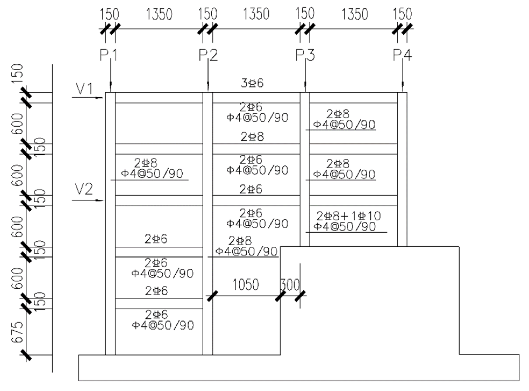
4.1. Model Information
4.2. Design Data
4.3. Selection and Input of Seismic Waves
4.4. Analysis Indicators
4.5. The Correlation between Selected IM Indicators and EDP
4.6. Experimental Validation of the Model
- (1)
 - Experimental Model and Loading System
 
- (2)
 - Numerical Simulation
 
5. The Influence of the Number of Dropped Layers and Spans on the Vulnerability of Mountain Step-Terrace Frame Structures with Energy Dissipation Rocking Walls
5.1. The Influence of the Number of Dropped Stories and Dropped Spans on the Structural IDA Percentile Curves
5.2. The Impact of the Number of Dropped Stories and Dropped Spans on the Seismic Probability Demand Model
- (1)
 - The mean values of and exhibited strong linear correlation for all three structures, with correlation coefficients, , exceeding 0.99. A value closer to 1 signifies a stronger correlation.
 - (2)
 - As increased, the distribution of data points gradually became more scattered, indicating an increase in the dispersion of . This is because as PGA increased, the plasticity of the structure further developed, stiffness further degraded, and the structure became more sensitive to seismic excitation, leading to increased variability in .
 - (3)
 - Regardless of whether the number of dropped spans or the number of dropped stories was changed, the distribution of data points did not undergo significant changes, and the dispersion of did not decrease. This indicates that changing the number of dropped stories or dropped spans did not have an effect on controlling the dispersion of .
 - (4)
 - The slopes of the six demand functions were all maintained around 1.1. This indicates that the function of the rocking wall is to homogenize the overall deformation of the structure. The structural failure mode of the mountain landslide frame structure with energy dissipation rocking walls changed from a story-by-story failure mode to a global failure mode at the ground layer.
 - (5)
 - In structures such as C2KXYBR, as the number of dropped spans increased, the y-intercept of the demand function gradually decreased. The maximum intercept was 3.5896, and the minimum intercept was 3.5269, with a decrease of 1.8%, which is less than 2%. This indicates that the change in the number of dropped spans had a relatively small impact on the maximum inter-story drift angle of the structure. As the number of dropped stories Increased, the y-intercept of the demand function gradually decreased. The maximum intercept was 3.7845, and the minimum intercept was 3.5071, with a decrease of 7.91%, which is less than 10%. Comparing the changes in intercept values of structures with different numbers of dropped stories and dropped spans, it can be observed that both changes were small. However, the change in the number of dropped stories had a greater impact on the seismic probability demand model of the structure compared to the change in the number of dropped spans.
 
5.3. The Impact of the Number of Dropped Stories and Dropped Spans on the Structural Vulnerability Function
- (1)
 - Under the design earthquake, for the C2KXYBR structures with the same number of dropped stories but different numbers of dropped spans, the exceedance probability of surpassing the IO limit state gradually increased with the number of dropped spans. Specifically, it increased to 23.73%, 24.53%, and 30.55% as the number of dropped spans increased. Similarly, for the CXK2YBR structures with the same number of dropped spans but different numbers of dropped stories, the exceedance probability of surpassing the IO limit state gradually increased with the number of dropped stories, reaching 9.79%, 24.53%, and 30.67%, respectively. These probabilities are all less than 50%, indicating that the structures can still be safely used, although minor repairs may be required after the earthquake. The exceedance probability of surpassing the LS limit state for all five structures was less than 5%, indicating that the structures had just begun to undergo damage, with low levels of damage. The exceedance probability of surpassing the CP limit state for all structures was very low, less than 1%.
 - (2)
 - Under a rare earthquake event, for the C2KXYBR structures with the same number of dropped stories but different numbers of dropped spans, the exceedance probability of surpassing the IO limit state gradually increased with the number of dropped spans. Specifically, it increased to 79.98%, 81.54%, and 85.65% as the number of dropped spans increased. Similarly, for the CXK2YBR structures with the same number of dropped spans but different numbers of dropped stories, the exceedance probability of surpassing the IO limit state gradually increased with the number of dropped stories, reaching 63.00%, 81.54%, and 85.38%, respectively. All structures exceeded the IO limit state, with probabilities exceeding half, indicating that they essentially surpassed the IO limit state. The exceedance probability of surpassing the LS limit state for the C2KXYBR structures with the same number of dropped stories but different numbers of dropped spans gradually increased to 30.04%, 31.72%, and 38.14%, respectively. Similarly, for the CXK2YBR structures with the same number of dropped spans but different numbers of dropped stories, the exceedance probability of surpassing the LS limit state gradually increased to 15.39%, 31.72%, and 36.98%, respectively. This indicates that structures with different numbers of dropped stories and dropped spans had already started to undergo damage. The exceedance probability of surpassing the CP limit state for structures with different numbers of dropped stories and dropped spans remained very low, at less than 5%.
 
5.4. The Impact of the Number of Dropped Stories and Dropped Spans on the Probability of Damage States
- (1)
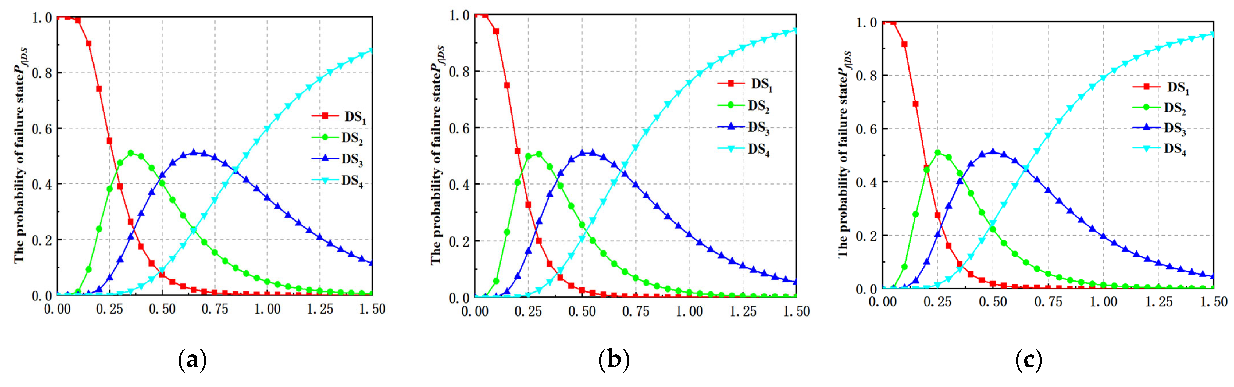
 - The trends of the probability curves for different numbers of dropped stories and dropped spans were similar, indicating that the change in the probability of damage states was consistent across different structural configurations. However, the trend of the probability curves for damage states differed from that of the vulnerability curves. Not only did the probabilities of damage states monotonically increase with the increase in seismic intensity, but there were also sections where they decreased. This suggests that as the seismic intensity increased, the structural damage states underwent continuous changes.
 - (2)
 - In the probability curves for structures with different numbers of dropped stories and dropped spans, there were six intersections between the four curves. Comparing the positions of these six intersections, for structures with the same number of dropped stories but different numbers of dropped spans, the intersections gradually shifted to the left with an increase in the number of dropped spans. However, the shift distance was very small, indicating that structures such as C2KXYBR required slightly lower seismic intensity to reach the corresponding damage states as the number of dropped spans increased. On the other hand, for structures with the same number of dropped spans but different numbers of dropped stories, the intersections also gradually shifted to the left with an increase in the number of dropped stories, and the shift distance significantly increased. This suggests that structures such as CXK2YBR required a noticeably lower seismic intensity to reach the corresponding damage states as the number of dropped stories increased.
 - (3)
 - Using a 40% probability of damage state as a threshold, it was easy to observe the probable damage states of each structure within different ranges of seismic intensity. For example, in the case of the C2K3YBR structure: Within the range, the structure was likely in the (slight damage) state. Within the range, the structure was likely in the (moderate damage) state. Within the range, the structure was likely in the (severe damage) state. At time , the structure was likely in the (collapse) state, and the probability of collapse increased monotonically with the increasing seismic intensity.
 
5.5. The Influence of the Number of Dropped Stories and Spans on the Vulnerability Index
- (1)
 - In the case of frequent earthquakes, the upper limit of the vulnerability index for structures with different numbers of dropped stories and spans remained around 30%, with lower limits below 1%, and averages around 15%. The damage range for each structure was less than 30%. This is because under relatively small seismic intensities, the structural seismic response was minimal, and the vulnerability index reflected the (slight damage) state. Referring to the seismic damage indices in Table 3, it can be inferred that under frequent earthquakes, the seismic damage to each structure will generally not exceed the level of slight damage.
 - (2)
 - In the case of design-level earthquakes, the average vulnerability index, , for structures such as C2KXYBR was as follows: 22.39%, 22.90%, and 25.33%, respectively, all below 30%. With an increase in the number of dropped spans, the average vulnerability index gradually increased, with a maximum increase of 13.13% compared to the minimum, indicating that when the number of dropped stories was the same, the increase in the number of dropped spans had a relatively small impact on the average vulnerability index, . Similarly, the trends for the upper limit, , and lower limit, , of the vulnerability index were also consistent, with consistently below 40% and consistently below 15%, maintaining a damage range of around 28.5%. The maximum change in the damage range compared to the minimum was less than 1%, indicating that the change in the number of dropped spans had a minimal effect on structural damage. For structures such as CXK2YBR, the average vulnerability index, , was as follows: 18.36%, 22.90%, and 24.63%, respectively, all below 30%. This indicates that with the same number of dropped spans, the average vulnerability index gradually increased with an increase in the number of dropped stories, with a maximum increase of 34.15% compared to the minimum, which is greater than 13.13%. This suggests that the change in the number of dropped stories had a greater impact on the vulnerability index of mountain-side dropped-frame structures with energy-dissipating sway walls. Similarly, the trends for the upper limit, , and lower limit, , of the vulnerability index were consistent, with consistently below 40% and consistently below 15%. The damage ranges were 28.60%, 28.79%, and 29.52%, respectively, with the maximum change in damage range compared to the minimum being 3%, which is less than 5%. This indicates that the change in the number of dropped stories had a minimal effect on the damage range of the structure. Referring to Table 3, it can be observed that under design-level earthquakes, the seismic damage to all structures was generally controlled within the level of moderate damage.
 - (3)
 - In the case of rare seismic events, the average vulnerability index, , for structures such as C2KXYBR was as follows: 45.92%, 47.03%, and 50.04%, respectively, approaching 50%. With an increase in the number of dropped spans, the vulnerability index gradually increased for structures with different numbers of dropped spans, with a maximum increase of 8.97%, which is less than 10%. This suggests that an increase in the number of dropped spans may slightly increase the average vulnerability index of the structure. The upper limit, , of the vulnerability index was as follows: 59.49%, 60.63%, and 63.26%, respectively, all exceeding 55%, while the lower limit remained below 40%. The damage range remained around 27%, indicating that structures with the same number of dropped stories but different numbers of dropped spans may have already reached a severe damage level. For structures such as CXK2YBR, the average vulnerability index, , was as follows: 36.81%, 47.03%, and 49.55%, respectively, all below 50%. With an increase in the number of dropped stories, the vulnerability index gradually increased for structures with different numbers of dropped stories, with a maximum increase of 34.6%. This also indicates that the change in the number of dropped stories had a greater impact on the vulnerability index of mountain-side dropped-frame structures with energy-dissipating sway walls. Similarly, the trends for the upper limit, , and lower limit, , of the vulnerability index were consistent, with consistently exceeding 50% and remaining below 40%. The damage ranges were 27.15%, 27.57%, and 28.41%, respectively, with the maximum change in damage range compared to the minimum being 4.6%, which is less than 5%. This also suggests that the change in the number of dropped stories had a relatively small impact on the structural damage. Referring to Table 3, it can be observed that under rare seismic events, the seismic damage to all structures may reach a severe damage level.
 - (4)
 - Comparing the damage ranges of any mountain-side dropped-frame structure with energy-dissipating sway walls under frequent, design, and rare seismic events, it can be observed that the damage range gradually decreased. This is because as the seismic intensity increased, the buckling-restrained braces (BRBs) came into play after yielding, reducing structural damage and optimizing energy dissipation.
 
5.6. The Influence of Number of Dropped Stories and Span Reduction on the Collapse Resistance Ability
- (1)
 - Under different seismic intensities, the safety margin ratios of mountainous layer frame-energy dissipation swing wall structures with different stiffness ratios corresponded to different limit states, as follows: collapse prevention > life safety > immediate occupancy .
 - (2)
 - In a rare earthquake scenario, for structures of the C2KXYBR type with the same number of dropped floors and different spans, the safety margin ratio () at the immediate occupancy (IO) limit state followed the order: C2K1YBR > C2K2YBR > C2K3YBR. Conversely, for structures of the CXK2YBR type with the same span but different numbers of dropped floors, the order of the safety margin ratio () was: C1K2YBR > C2K2YBR > C2K3YBR. For structures of the C2KXYBR type with the same number of dropped floors and different spans, the safety margin ratio () at the life safety (LS) limit state followed the order: C2K1YBR > C2K2YBR > C2K3YBR in a rare earthquake scenario. Conversely, for structures of the CXK2YBR type with the same span but different numbers of dropped floors, the order of the safety margin ratio () was: C1K2YBR > C2K2YBR > C2K3YBR. For structures of the C2KXYBR type with the same number of dropped floors and different spans, the safety margin ratio () at the collapse prevention (CP) limit state followed the order: C2K1YBR > C2K2YBR > C2K3YBR in a rare earthquake scenario. Conversely, for structures of the CXK2YBR type with the same span but different numbers of dropped floors, the order of safety margin ratio () was: C1K2YBR > C2K2YBR > C2K3YBR. It can be observed that under different limit states, the trends in the safety margin ratio for structures with varying numbers of dropped floors and spans remained consistent.
 - (3)
 - The relationship between the slopes of the SMR values’ lines for structures with different numbers of dropped floors and spans under different limit states was as follows: the slope of structures with different numbers of dropped floors was greater than that of structures with different spans, indicating that changes in the number of dropped floors had a greater impact on the structure’s resistance to various degrees of damage compared to changes in span.
 
6. Conclusions
- (1)
 - The change in the number of dropped floors had a greater impact on the vulnerability of the mountainous dropped-floor frame-energy dissipation brace structure system compared to the change in the number of spans.
 - (2)
 - The variation in the numbers of dropped floors and spans did not effectively control the discreteness of , as observed from the comparison between the data distribution of the seismic probability model and the demand function. Under the same input seismic intensity, the slopes of the five demand functions remained around 1.1, indicating that the energy dissipation braces could uniformly distribute the structural deformation. The failure mode of the mountainous dropped-floor frame-energy dissipation brace structure system at the ground-connected side transitioned from a floor-by-floor failure mode to a global failure mode.
 - (3)
 - In frequent earthquakes, the exceedance probabilities of surpassing the immediate occupancy (IO) limit state for the mountainous dropped-floor frame-energy dissipation brace structures were all less than 0.5%, indicating that the structures can be safely occupied without the need for post-earthquake repairs. Similarly, for the life safety (LS) and collapse prevention (CP) limit states, the exceedance probabilities were both 0, signifying that the structures will not surpass the life safety and collapse prevention limit states, thus meeting the performance requirement of “minor earthquakes do not cause damage”. In design basis earthquakes, the exceedance probabilities of surpassing the LS limit state for all structures were less than 5%, suggesting that the structures were only beginning to incur damage with a low level of destruction. Under the maximum considered earthquakes, the probabilities of surpassing the CP limit state for all structures were less than 5%, significantly lower than the acceptable collapse probability of 10%, as proposed in the ATC-63 report. This indicates that structures with varying numbers of dropped floors and spans can all meet the performance requirement of “major earthquakes do not result in collapse”.
 - (4)
 - The trend of the damage state probability curve differed from that of the structural vulnerability curve. It did not simply increase monotonically with the increase in seismic intensity but exhibited a descending segment, indicating that as seismic intensity increased, the structural damage state continuously changed. Under design basis earthquakes, mountainous dropped-floor frame-energy dissipation brace structures were predominantly in the DS1 damage state, with little risk of collapse. Under maximum considered earthquakes, these structures were unlikely to exceed the DS3 damage state, meeting the performance criterion of “resistance to major earthquakes”. Even under extremely rare earthquakes, these structures were mostly in the DS2 or DS3 damage states, with an extremely low probability of collapse.
 - (5)
 - According to the design specifications in China, for mountainous dropped-floor frame-energy dissipation brace structures with varying numbers of dropped floors and spans, under frequent earthquakes, the upper limit of the vulnerability index remained around 30%, with a lower limit of less than 1% and an average of about 15%. The damage ranges were all below 30%. The seismic damage of these structures was generally limited to minor damage levels. Under design basis earthquakes, the upper limit of the vulnerability index was less than 40%, and the damage range was below 30%. The seismic damage of these five structures was mostly controlled at a moderate damage level. Under maximum considered earthquakes, the average vulnerability index was less than 50%. Except for the C1K2YBR structure, the upper limit of the vulnerability index for the remaining structures was greater than 55% but less than 85%. The seismic damage for structures with different numbers of dropped floors and spans could also be controlled at a moderate or severe damage level without collapse damage occurring.
 - (6)
 - Structures with different numbers of dropped floors and spans met different limit states of safety margins, in the following order: collapse prevention > life safety > immediate occupancy . The change in dropped spans had less influence on the structure’s resistance to varying degrees of damage compared to the change in dropped floors.
 
Author Contributions
Funding
Institutional Review Board Statement
Informed Consent Statement
Data Availability Statement
Conflicts of Interest
References
- Li, Y.; Ji, S.; Tang, Y.; Jiang, B.; Liu, L.; Han, J. Special problems and research progress of structure on a slope. J. Build. Struct. 2019, 49, 76–82. [Google Scholar]
 - Yang, Y.; Wang, Y.; Li, Y.J. Study on seismic resistance behavior of the frame connected with ground by not only the first floor. J. Vib. Shock 2007, 6, 36–41. [Google Scholar]
 - Narayanan, A.V.; Goswami, R.; Murty, C. Performance of RC Buildings along Hill Slopes of Himalayas during 2011 Sikkim Earthquake; EERI Special Earthquake Report; EERI: Oakland, CA, USA, 2012; pp. 1–14. [Google Scholar]
 - Wang, L.; Li, Y.; Zheng, N.; Liu, L.; Han, J.; Liu, J. Seismic damage investigation on typical slope building in 5.12 Wenchuan earthquake. Sci. Technol. J. Xian Build. Univ. 2009, 41, 822–826. [Google Scholar]
 - Yang, B. Quasi-Static Experimental Study on Seismic Performance of Typical Mountain Cliff-Structure. Ph.D. Thesis, Chongqing University, Chongqing, China, 2014. [Google Scholar]
 - Li, Y.; Tang, Y.; Jiang, B. Shaking table test of RC frame structure on a slope and supported by foundations with different elevations. J. Build. Struct. 2020, 41, 68–78. [Google Scholar]
 - Welsh-Huggins, S.J. Seismic Vulnerability of Hillside Buildings in Northeast India; University of Colorado at Boulder: Boulder, CO, USA, 2016. [Google Scholar]
 - Jun, H.; Yingmin, L.; Gelin, T. Influence of ground support types on the seismic performance of structures supported by foundations at different ground levels. China Civ. Eng. J. 2014, 47 (Suppl. S2), 93–100. [Google Scholar]
 - Yang, Y.; Chen, Y.; Ling, L.; Li, S. Study of seismic mitigation effect of viscoelastic frame structure with special-shaped columns connected with ground by multiple-floor in mountion region. J. Ind. Build. 2014, 44, 91–98. [Google Scholar]
 - Zhang, L.; Tao, Z.; Pan, W.; Wu, Z.; Lan, X. Shaking table test on isolated step-terrace frame structure in mountainous area. J. Build. Struct. 2020, 41, 24–32. [Google Scholar]
 - Zengjia, W. Study on the Torsional Effect and Experiment of Isolation Structures on the Slope; Kunming University of Science and Technology: Kunming, China, 2018. [Google Scholar]
 - Wu, S.-J.; Pan, P.; Zhang, X. Characteristics of frame rocking wall structure and its application in aseismic retrofit. J. Eng. Mech. 2016, 33, 54–60, 67. [Google Scholar]
 - Shang, Q.; Huang, S.; Gao, S.; Chen, X.; Wang, T. Experimental study on seismic performance of prefabricated rocking wall frame structure. J. Build. Struct. 2022, 43, 12–19. [Google Scholar]
 - Yang, Y.; Liu, Y.; Liang, T. Seismic performance of step-terrace frame-rocking wall structure. J. Build. Struct. 2020, 41, 210–220. [Google Scholar]
 - Zhang, W.; Li, G.; Sun, F. Seismic Behavior of Rocking-Truss-Frame with Dampers. J. Tongji Univ. Nat. Sci. 2019, 47, 1235–1243. [Google Scholar]
 - Xie, L. Probabilistic Seismic Vulnerability Analysis of Mountainous Dropped Floor Frame Structures. Master’s Thesis, Chongqing University, Chongqing, China, 2021. [Google Scholar]
 - Yu, X.; Lu, D. Seismic collapse fragility analysis considering structural uncertainties. J. Build. Struct. 2012, 33, 8–14. [Google Scholar]
 - Shi, W.; Ye, L.-P.; Lu, X.-Z.; Tang, D.-Y. Study on the collapse-resistant capacity of RC frames with different seismic fortification levels. Eng. Mech. 2011, 28, 41–048. [Google Scholar]
 - Lu, X.-Z.; Shi, W.; Zhang, W.-K.; Ye, L.-P.; Ma, Y.-H. Influence of three-dimensional ground motion input on IDA-based collapse fragility analysis. Earthq. Resist. Eng. Retrofit. 2011, 33, 1–7. [Google Scholar]
 - Dagang, L.; Xiaohui, Y. Theoretical study of probabilistic seismic risk assessment based on analytical functions of seismic fragility. J. Build. Struct. 2013, 34, 41–48. [Google Scholar]
 - Yu, X.-H.; Lü, D.-G.; Feng, F. Seismic damage assessment of RC frame structures based on vulnerabilty index. J. Eng. Mech. 2017, 34, 69–75, 100. [Google Scholar]
 - Federal Emergency Management Agency. NEHRP Guidelines for the Seismic Rehabilitation of Buildings; Federal Emergency Management Agency: Oakland, CA, USA, 2009. [Google Scholar]
 - Cao, H.; Pan, P.; Wu, S.; Ye, L.; Qu, Z. Experimental study of connections of frame-rocking wall system. J. Build. Struct. 2012, 33, 38–46. [Google Scholar]
 - GB 50010-2010; [2015 Edition] Code for Design of Concrete Structures. China Building Industry Press: Beijing, China, 2010.
 - GB 50011-2010; Code for Seismic Design of Buildings. Ministry of Housing and Urban-Rural Development: Beijing, China, 2010.
 - Yakut, A.; Yılmaz, H. Correlation of deformation demands with ground motion intensity. J. Struct. Eng. 2008, 134, 1818–1828. [Google Scholar] [CrossRef]
 - Bo, J.; Zhang, J.; Sun, P.; Li, W.; Li, P. Discussion on seismic damage index and relevant problems. J. Nat. Disasters 2012, 21, 37–42. [Google Scholar]
 - Xiaohui, Y. Probabilistic Seismic Vulnerability and Risk Analysis of Reinforced Concrete Frame Structures; Harbin Institute of Technology: Harbin, China, 2012. [Google Scholar]
 





















| Number | Earthquake Name | Time | Station | Duration(s) | Magnitude | 
|---|---|---|---|---|---|
| 1 | NorthwestCalif-02 | 1941 | Ferndale City Hall | 38.98 | 6.6 | 
| 2 | Borrego | 1942 | El Centro Array #9 | 50 | 6.5 | 
| 3 | Kern County | 1952 | Santa Barbara Courthouse | 75.44 | 7.36 | 
| 4 | Northern Calif-03 | 1954 | Ferndale City Hall | 40 | 6.5 | 
| 5 | El Alamo | 1956 | El Centro Array #9 | 59.98 | 6.8 | 
| 6 | Borrego Mtn | 1968 | San Onofre–So Cal Edison | 45.2 | 6.63 | 
| 7 | San Fernando | 1971 | Fairmont Dam | 61.1 | 6.61 | 
| 8 | San Fernando | 1971 | Santa Anita Dam | 29.72 | 6.61 | 
| 9 | Friuli-Italy-01 | 1976 | Tolmezzo | 36.38 | 6.5 | 
| 10 | Tabas-Iran | 1978 | Sedeh | 40 | 7.35 | 
| 11 | Imperial Valley-06 | 1979 | Cerro Prieto | 40 | 6.53 | 
| 12 | Imperial Valley-06 | 1979 | Parachute Test Site | 39.36 | 6.53 | 
| 13 | Loma Prieta | 1989 | Hayward City Hall–North | 39.42 | 6.93 | 
| 14 | Loma Prieta | 1989 | SF–Presidio | 39.98 | 6.93 | 
| 15 | Kobe-Japan | 1995 | Sakai | 139 | 6.9 | 
| Calculate the Structure | PGA | PGV | PGD | |
|---|---|---|---|---|
| BD | 0.81 | 0.95 | 0.80 | 0.66 | 
| ND | 0.73 | 0.91 | 0.82 | 0.66 | 
| FR | 0.74 | 0.93 | 0.82 | 0.69 | 
| Seismic Damage Index | Damage State | |||
|---|---|---|---|---|
| Slight Damage ) | Moderate Damage ) | Severe Damage ) | Collapse ) | |
| Extent (%) | [0, 30] | [30, 55] | [55, 85] | [85, 100] | 
| Mean Value (%) | 15 | 42.5 | 70 | 92.5 | 
| Structure Abbreviation | CMR | ||
|---|---|---|---|
| C2K1YBR | 0.75 g | 0.31 g | 2.42 | 
| C2K2YBR | 0.73 g | 0.31 g | 2.35 | 
| C2K3YBR | 0.69 g | 0.31 g | 2.23 | 
| C1K2YBR | 0.90 g | 0.31 g | 2.90 | 
| C3K2YBR | 0.68 g | 0.31 g | 2.19 | 
Disclaimer/Publisher’s Note: The statements, opinions and data contained in all publications are solely those of the individual author(s) and contributor(s) and not of MDPI and/or the editor(s). MDPI and/or the editor(s) disclaim responsibility for any injury to people or property resulting from any ideas, methods, instructions or products referred to in the content.  | 
© 2024 by the authors. Licensee MDPI, Basel, Switzerland. This article is an open access article distributed under the terms and conditions of the Creative Commons Attribution (CC BY) license (https://creativecommons.org/licenses/by/4.0/).
Share and Cite
Yang, Y.; Jia, Y.; Jin, H. Fragility Analysis of Step-Terrace Frame-Energy Dissipating Rocking Wall Structure in Mountain Cities. Appl. Sci. 2024, 14, 4731. https://doi.org/10.3390/app14114731
Yang Y, Jia Y, Jin H. Fragility Analysis of Step-Terrace Frame-Energy Dissipating Rocking Wall Structure in Mountain Cities. Applied Sciences. 2024; 14(11):4731. https://doi.org/10.3390/app14114731
Chicago/Turabian StyleYang, Youfa, Yingwei Jia, and Hongshen Jin. 2024. "Fragility Analysis of Step-Terrace Frame-Energy Dissipating Rocking Wall Structure in Mountain Cities" Applied Sciences 14, no. 11: 4731. https://doi.org/10.3390/app14114731
APA StyleYang, Y., Jia, Y., & Jin, H. (2024). Fragility Analysis of Step-Terrace Frame-Energy Dissipating Rocking Wall Structure in Mountain Cities. Applied Sciences, 14(11), 4731. https://doi.org/10.3390/app14114731
        
