Abstract
The west coast of Great Britain has the potential for barrages to create tidal range reservoirs that both facilitate electricity generation and prevent flooding from sea level rise. Seawater flows into and out of the reservoir, or impoundment, through turbines and sluices. The impounded water follows the natural tidal sequence but with a delay which creates a head between the two bodies of water. Traditional designs for barrages use earth embankments, with impermeable cores and rockfill protection. More recently, breakwaters and jetties have been constructed using precast concrete vertical caissons. A novel design using horizontal precast caissons is described and evaluated. Wave forces are estimated using Goda’s method for a vertical breakwater to assess their impact on stability and ground-bearing pressures. The stability of the barrage is checked for hydrostatic and wave forces. The volumes of materials and relative costs are presented. Precast caissons are found to be viable financially and should be both quicker and easier to construct and install. The horizontal caissons show advantages over the vertical type, and although untried, they should be easier to construct than submerged tube tunnels. Further work is needed to validate the design, including dynamic modelling and detailed construction assessment to confirm the cost rates.
1. Introduction
Tidal range electrical generation schemes have been and are being considered at several locations around the coast of Great Britain (GB) using either estuarine barrages or coastal lagoons. Two sites have been used by the authors in previous case studies, which are on the northern English and Welsh coasts of the Irish Sea and are relatively close to each other (see Figure 1), with barrage lengths between 17 and 32 km. They all require a barrage, or bund, to separate two bodies of water so that a hydraulic head can be created. The crest, or top, of the barrage will be a flat surface with an access road, or possibly a public highway in the case of an estuarine barrage. The level of the crest will be based on the sum of the statistically forecast highest tide, positive storm surge, and wave height. The height of the expected storm surge estimated for the Heysham tidal gauge station is typically 2 m. The design wave height is assumed to be 1 m for the Liverpool Bay area. Occasional overtopping would be permitted for a service road (which can be closed), but a greater height or other protection would be required for a public highway.

Figure 1.
Location map for North Wales Coastal Lagoon and Morecambe Bay Estuarine Barrage.
The overall height of the barrage from base to crest will vary along its length due to the depth of the seabed. A generic design for barrages is demonstrated with seabed depths of 10, 14, and 18 m below the Ordnance Datum (OD). Traditionally, barrages have been constructed as earth embankments with impermeable cores and rock or concrete armour protection. More recently, vertical cellular caissons have been used for breakwaters and jetties []. These are reinforced concrete cells cast vertically on jack-up rigs moored offshore or in deep-water docks. They are floated into position and then ballasted with sand or gravel to aid stability. Precast concrete overcomes most of the difficulties in constructing an embankment in a marine environment. Damage and delays can occur to partially complete embankments before the rock armour protection is in place. To date, vertical caissons have been built with constant width from top to bottom. The base width is chosen for stability against the water pressures. The width of the crest may be greater than is required for operational or stability reasons. The authors consider a form of open-top longitudinal caisson that could be floated into position and ballasted in the same way as the vertical caissons but in shallower water. This may reduce material quantities and costs. Typical cross-sections and cost estimates are given.
2. Imposed Loads
For tidal range power generation, a barrage is used to control the water level inside an impounded body of water. In simple terms, the water inside the impoundment is held back from high and low tides to create a difference in water levels between the sea and the impoundment; this is called the head of water. For example, if starting from high tide, the gates on turbines, sluices, and locks are closed. The impounded water remains at a high tide level, while the sea level reduces. After two or three hours, the head can be two to five meters depending on the phase of the moon and the location of the barrage. The gates on the turbines are opened so that water rushes through and turns the blades, which are typically 7.5 m in diameter. As the sea level nears low tide, the head reduces, and when it reaches the turbine’s low generation limit of about 1.5 m, the turbines are set to run free (no generation), and the sluices and locks are opened to equalise the water levels quickly. Once the water levels are equal, the gates are shut. At this point, the turbines can be used as pumps to lower the impoundment water to low tide levels. This allows for a higher head for the next flood phase. This process is repeated by holding the impounded water at a low tide level whilst the sea rises. This is called two-way generation.
The head across the barrage creates an imbalance in the horizontal hydrostatic force that must be resisted by the barrage. The level at which the horizontal force acts also creates an overturning moment on the barrage, which must be resisted by bearing pressures and the weight of the barrage.
The loads on the barrage are considered under the two following cases:
- Normal operating conditions: The difference in surface water levels between the sea and impoundment creates a horizontal force on the barrage, which will alternate direction with each tide.
- Storm conditions: The magnitude, timing, and duration of extreme weather events require complex statistical calculations involving site-specific data. The probability of a high storm surge occurring at the same time as high onshore winds and waves is relatively high, but the odds of this occurring during a high spring tide are somewhat less. A simple analysis is included below for this initial comparison of options.
Tidal range schemes have a minimum design life of 120 years, probably much longer for civil works, which include flood protection. Thus, the design storm will need to be a 1 in 250- or 500-year event. The following analysis is based on characteristic loads and factors of safety for the stability of 1.6 and 1.4 for the operational and storm loads, respectively.
Two contrasting schemes used in previous papers are used to provide data for the following analysis, namely the North Wales Coastal Lagoon (NW) and Morecambe Bay Estuarine Barrage (MB) []. Another paper [] describes the effects of sea level rise on tidal range generation.
2.1. Maximum Operating Heads
The head at the start of generation marks the end of the hold period where the impoundment water surface level is equal to or close to the peak sea levels (high and low tide). Depending on the number of turbines and sluices, at spring tides, the volume of water flowing through the turbines may not match the natural sea flows. When this occurs, the head continues to increase for a period after the start of generation (see Figure 2 and Figure 3 for NW and MB, respectively). For the operational case, it is the maximum difference in surface levels (head) between the sea and impoundment that provides the greatest horizontal force on the barrage.

Figure 2.
Plots of sea and impoundment water levels and head at a typical spring tide for North Wales Lagoon.

Figure 3.
Plots of sea and impoundment water levels and head at a typical current spring tide for Morecambe Bay.
The mean spring tidal ranges for NW and MB are 7.20 m and 8.49 m, respectively []. For the design, the highest spring tide in the year should be selected rather than the mean. The maximum operating head can be read from the 0D model. Figure 2 and Figure 3 show examples of daily spring tide cycles. The blue lines represent the sea surface levels, the red lines indicate the impoundment surface levels, and the green lines are the head differences available to generate electricity.
As shown in Figure 2, for NW, the highest starting head of 4.05 m occurs on the spring tide. The highest generating head of 4.98 m also occurs on the ebb of the same spring tide. The head initially increases during generation because the volume of water flowing through the turbines is less than that needed to match the natural sea flows, i.e., the gradient of the red line (impoundment level) is lower than the blue line (sea level). At the time of the highest operating head, the sea level is 3.95 m below OD, and the impoundment level is 1.03 m above OD.
The highest starting head for MB of 4.47 m occurs on day 6 of the modelled 32-day period (see Figure 3), but the highest generating head is 6.28 m and occurs on the ebb tide later in the day. At the time of the highest operating head, the sea level is 3.89 m below OD, and the barrage level is 2.42 m above OD.
Figure 4 and Figure 5 show the same situation as in Figure 2 and Figure 3 with a modelled 1 m sea level rise (SLR) and constraints to maintain the pre-SLR levels inside the impoundment. According to the Institution of Mechanical Engineers (IMechE), a 1 m rise in average sea levels is likely to occur by the end of this century [], although they recommend planning for a 3 m rise over the same period. The Lancaster zero-dimensional (0D) model is set to maintain the current tide limits where possible.

Figure 4.
Plots of sea and impoundment water levels at a typical spring tide for North Wales with 1 m SLR.

Figure 5.
Plots of sea and impoundment water levels and head for Morecambe Bay with a typical spring tide for and 1 m SLR and constraints to match the current tidal range.
As shown in Figure 4, for NW, the highest starting head increases to 4.47 m on the spring tide. The highest generating head rises to 5.47 m around 2 h later, which is the highest value for a spring tide. At the time of the highest operating head, the sea level is 3.95 m below OD. Around the spring tides, some pumping is still needed to reach the existing high tide level because the equalisation of water levels occurs 2 h after high tide, when the sea level has dropped by 2.1 m from the high tide level. However, for most of the lower tidal ranges, no pumping is required at high tide as the impoundment curve more closely matches that of the sea levels.
The highest starting head for MB with 1 m SLR is 4.61 m on day 5 of a 32-day period, as shown in Figure 5. The highest generating head of 5.05 m also occurs on the same day near the end of the flood tide. At the time of the highest operating head, the sea level is 2.60 m below OD when the impounded level is 2.45 m above OD. The fall in the maximum operating head appears due to the shorter generating on the ebb to allow sluicing to reach the lower tide level. A little pumping is required to meet all existing high tide levels, and there is considerable sluicing followed by pumping on the ebb tides to meet the existing low tide levels.
Ebb generation at existing spring tides produces the highest operating head for MB. With 1.0 m SLR, flood generation produces the highest head in both cases; however, due to the differences in surface areas, this does not mean that the electricity generated exceeds the ebb tide. For brevity, in the following calculations, the maximum operating head with 1 m SLR is taken as 5.8 m, and it is assumed to occur at high tide, which is conservative.
Hydrostatic conditions occur when the surface of the water is level and there is no flow. The water pressure increases with depth due to the weight of the water above. Figure 6 shows the balance of hydrostatic forces during normal operation and the out-of-balance overturning and sliding force, which must be resisted by foundation friction and bearing pressures.

Figure 6.
Hydrostatic pressures from the maximum operating head, after Brinch Hanson (1961).
2.2. Storm Surges
Storm surges are changes to sea level driven by meteorological variations in air pressure and wind; whilst not random, the chaotic occurrence of these events is only predictable a few days ahead. Surges can be positive or negative, but they have little effect on the annual power generation or income unless they persist over several tides. However, over the duration of the storm, they affect the sea level and, consequently, the timing and amount of electricity generated. S Baker [] investigated storm surges for Morecambe Bay using data from measured and forecast tide levels at Heysham between 1990 and 2018. Baker considered the difference to be due to storm surges. The distribution of peak events over 28 years is shown in Figure 7. This illustrates how much the tide can be raised or suppressed by sea surges driven by air pressure and the prevailing winds. A high surge coinciding with a very high spring tide maximises the threat. If the predictions for SLR come to fruition, then existing flood defences will be stretched and probably inadequate, requiring upgrading, or coastal areas will be flooded.

Figure 7.
Historic storm surges at Heysham in Morecambe Bay [].
A tidal barrage can be used to control the impounded water levels during a storm surge or when one is predicted in the next tide cycle. In general, a low surge (high pressure) does not present any problems inland. A high surge (low pressure) coupled with heavy rain can aggravate riverine flooding. The barrage can be used to keep the impounded water levels sufficiently low to allow the rivers to drain, even at high tide.
2.2.1. Hydrostatic Forces
A 2 m storm surge is added to the highest astronomical tide (HAT) along with an allowance for SLR (1 m) to calculate the highest sea level. The probability of the storm occurring in conjunction with the HAT will need statistical treatment for a 1:250 or 1:500-year event. At such times, the impounded water level may be restricted to mean high water springs (MHWS) minus a freeboard (potentially 1 m) to allow rivers to drain and include waves overtopping the barrage.
Uplift water pressure on the base of the bund is more nebulous. If the material below the base were very porous, then the hydrostatic pressures would govern, and there would be a flow of water from the sea to impoundment. This would not be permitted as it could undermine the foundation. If the foundation stratum is clay, or an impermeable barrier is installed, there will be little or no horizontal water flow. For the purposes of this paper, it is assumed that the distribution of uplift pressures is hydrostatic, as shown in Figure 8.

Figure 8.
Hydrostatic pressures under storm conditions.
2.2.2. Quasi-Static Wave Force
Before 1975, the estimation of wave forces on a vertical wall was based on the deep-water theory of a standing wave by Sainflou [] or shallow-water breaking wave following Hiroi []. In 1975, Goda published a unified formulation to estimate the wave forces [,]. The estimation of wave forces striking a vertical breakwater starts with the estimated or measured period of the wave regime in seconds (T1/3) and the maximum wave height (Hmax). The equivalent wavelength in deep water (Lo) is approximately calculated as follows:
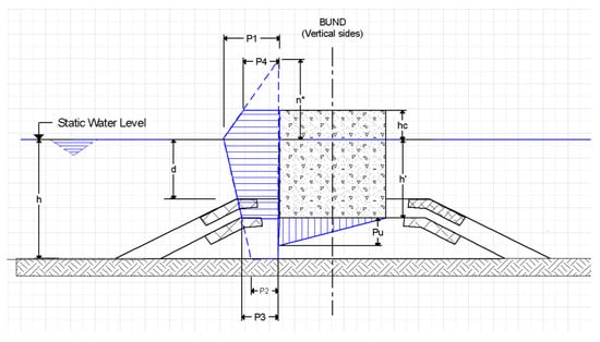
As the wave approaches the shore and the water depth reduces, the wavelength also reduces accordingly. The wavelength L at a water depth is determined from published tables based on the wave period T1/3 of Goda []. Figure 9 shows Goda’s notation of the breakwater geometry and estimated wave pressures. Equations (1)–(13) are from Goda, with the variables defined in the list of notations.

Figure 9.
Wave forces from Goda [].
The elevation to which the wave pressure is exerted is given as follows:
The above pressure intensities are deemed not to change even if overtopping takes place.
The uplift pressure (Pu) in Figure 9 assumes that the breakwater is installed on a rubble blanket above the seabed. For tidal range barrages, this will need to be an impermeable layer; the pore water pressure in the foundation material is likely to be the average sea level. The hydrostatic forces shown in Figure 8 are deemed to apply.
The total horizontal wave force is given by the following equation:
The moment of this horizontal wave force about the base of the caisson is given as follows:
In which
The height at which the horizontal wave force acts above the base is given as follows:
3. Embankment Construction
Granular Embankment
A stable embankment slope is normally between 1:2 and 1:3 batter; a figure of 1:2.5 will be used, which gives α = 68.2°. Wc is the width of the embankment crest, which is assumed to be a minimum of 12 m for a service road, verges, and parapets. Wc is significantly wider for a public road, and the overall level is raised to avoid wave overtopping. Sliding and overturning are not significant for an embankment. The limiting factor of safety is usually governed by slip circles. However, an embankment is included in the following analysis for comparison purposes (Figure 10).

Figure 10.
Traditional construction embankment section.
4. Precast Concrete Caissons
Fay [] pointed out that there is a choice to be made between the cost of cofferdams and the cost of precast concrete construction of civil projects. A C Baker [] advocated precast concrete construction for all elements of tidal range schemes, including precast turbine halls. Precasting technology has developed significantly since then. Also, from a safety perspective, the industry should not consider working deeper than 20 m below sea level if there is a viable alternative. It is believed that with today’s technology, all concrete structures would be precast to a high degree.
The proposed construction requires dredging to a firm foundation stratum, and for the North Wales area, this is mainly slightly gravelly sand over glacial till. A graded granular sub-base may be constructed with a close tolerance to the upper surface. The precast concrete caissons are then floated into position with the final placing assisted by winches. The granular sub-base will then be grouted to ensure stability and impermeability.
4.1. Vertical Caissons
The Spanish construction company Dragados [] has built several breakwaters and docks by forming precast vertical caissons using a specially developed floating barge. At Abra Exterior Port, Bilbao, Spain, they built a 2.4 km breakwater in water depths of more than 33 m. Martinez [] reported details from a project at the Port of Valencia, Spain (see Figure 11). In addition to a detailed description of the fabrication, they provided the following details regarding the caissons:

Figure 11.
Cross-section of Dragados floating caisson [].
Each floating caisson was 42 m long, 15.6 m in width, and 16.5 m in height; its concrete volume was 2857 m3, weighing approximately 6860 metric tons, including 116 metric tons of rebar. The ratio of the concrete volume to the gross volume was 0.26.
Unfortunately, the cost of the unit is not given, but the price can be estimated from the net volume of reinforced concrete and a suitable rate for precasting, floating into position, and final installation. The amount of ballast can be adjusted to obtain the best balance between stability and foundation-bearing pressures. The width-to-depth ratio of the cross-section will depend on the hydrostatic pressures and wave regime. The worst case is likely to be maximum sea level with storm surge and waves outside and the water level inside at the rated head below sea level. For preliminary analysis, the minimum width-to-depth ratio (W/D) is likely to be at least 1.2. The average gross weight is given by Equation (14).
4.2. Horizontal Caissons
A disadvantage of the vertical caissons for offshore bunds in GB’s shallower waters is that the width of the crest can be more than required. Also, construction requires a “jack-up” platform or a deep-water dock. An alternative could be horizontal caissons, which are stacked in a pyramid fashion. Caissons would be cast close to the shore, floated into position, and then ballasted to sink into place. The process would have advantages when “closing the gap” in the barrage, which is the final phase in completing civil projects. Even with all the turbine races, sluice gates, and locks open, there will be significant volumes of water passing through the final gap. With horizontal caissons, only the smaller top section needs to be installed at slack tide. Assuming a typical caisson size of 10 m wide by 30 m long by 5 m deep, with 0.5 m thick walls and a bottom slab, it would weigh 960 tonnes. This could be floated out empty with a draft of only 3.2 m (Figure 12).

Figure 12.
Cross-section of longitudinal caissons.
5. Stability
Bunds are gravity structures whose weight resists the sliding and overturning forces produced by hydrostatic pressure and waves. Wind on the exposed structure is a secondary force and is usually not significant. It is necessary to check the factor of safety against sliding and overturning at all levels of the structure, although the greatest forces will normally be at the base. For vertical caissons, α = 0°. The stability of horizontal caissons will be governed by the width of the crest (Wc) and the slope angle (α); angles of 25, 35, and 45 degrees are considered.
The following constants are used:
- Average density of water (ρ) = 1030 kg/m3, Weight = 10.1 kN/m3;
- Weight of reinforced concrete = 24.0 kN/m3;
- Bulk weight of sand and gravel fill = 19.0 kN/m3;
- The average weight of caissons with ballast = 20.3 kN/m3, assumed the same for both types of caissons;
- The minimum width of the crest is 12.0 m to accommodate an 8 m service road and edge parapets.
Net ground bearing pressures are calculated as a uniform pressure following Brinch Hansen [] and as described by Tomlinson and Boorman []. The maximum foundation pressure is limited to 250 kN/m2 (250 kPa), on the assumption that the seabed will be excavated to a firm stratum and backfilled with dredged granular fill and cement grout. The width of the sub-base will be wider to allow the caissons to disperse the bearing pressures; rock protection will be required for the seabed next to the caissons. To ensure there is no uplift, the eccentricity of the foundation force must remain in the middle third of the base to avoid the pumping of the foundation strata and possible failure. For vertical caissons, the average ground bearing pressure is dictated by the depth of the caisson and the average density, so the variable ground pressure at the toe and heel is limited to 50% of the average pressure.
A generic form of bund and system of forces is shown in Figure 13; d1 and d2 represent the average water levels of the sea and impoundment, respectively. H1 and H2 are the corresponding horizontal hydrostatic forces. Ph is the total horizontal wave force, which acts at a height of hPh above the base.

Figure 13.
System of forces acting on a generic bund.
5.1. Case Study for North Wales Coastal Lagoon (NW)
For the operational case, the maximum sea level is taken as MHWS = 3.51 m OD +1 m SLR. Using MHWS is conservative. As shown in Figure 2, the maximum head occurs on the flood tide when the sea level is below high tide. In the case of a tidal range barrage, the highest hydrostatic pressure will occur when a spring tide coincides with a positive storm surge.
For the storm case, the highest astronomic tide (HAT) at Llandudno is 4.74 m OD []. The wave formulae described above are used to examine the wave forces on a vertical caisson for NWCL with seabed levels of 10.0, 14.0, and 18.0 m below OD. The consulting engineers Ramboll [] estimated the maximum wave height (Hs) with a 1 in 250-year return period, which was 6.0 m, with a linked wave period (T1/3) of 8.8 s. A 2 m positive storm surge is added to the 1:250-year maximum wave height; the probability of the design wave and storm surge occurring at the same time will need detailed analysis.
Table 1 suggests a crest level of approximately 8.5 m to allow for most waves. Some overtopping is permissible in a storm event. The bund design should include a provision for raising the crest level if or when SLR exceeds the assumed level in the future.

Table 1.
Design static water levels for North Wales Coastal Lagoon.
5.2. Wave Forces
Based on the maximum levels from Table 1, the wave input data are given in Table 2, Table 3 and Table 4. The resulting wave force for each seabed depth is represented by the horizontal force Ph, which acts at hPh above the seabed.

Table 2.
Design wave input data.

Table 3.
Design wave output data.

Table 4.
Example of stability calculation input.
The width of the crest (Wc) and the caisson slope angle (α) are adjusted in a spreadsheet, which gives a conservative minimum factor of safety (FoS) of 1.6 against sliding and overturning for the operational case and 1.4 for the storm case.
Table 5 and Table 6 include a vertical wave force component to balance the system of forces; it is taken as the horizontal force multiplied by the tangent of the slope angle. The estimate is excessive for shallow slopes, and the earth embankment as the horizontal force is based on waves impacting vertical walls. So, the vertical component is limited to the horizontal wave force. More work is required on modelling wave forces on sloping or stepped structures.

Table 5.
Example of stability calculation output.

Table 6.
Example of stability calculation output continued.
It is clear from Table 7 that the design of the vertical caissons is limited by high bearing pressures (note that 25° and 45° results are omitted for clarity). The design of the horizontal caissons in storm conditions is limited by the factor of safety against sliding, but the ground bearing pressures are less than those for vertical caissons. There is no risk of the embankment sliding, but circular slip analysis should be carried out for the final design. Overturning is a low risk for all cases in the relatively shallow waters along the west coast of GB.

Table 7.
Summary of factors of safety for different depths and types of bunds.
6. Cost Estimates
To estimate costs, the rates are taken from the 2008 government-sponsored study by Parson Brinckerhoff for the Severn Estuary proposals [,]. The “all-up” rate for precast concrete plain caissons was £130/m3, but higher rates apply to sluice or turbine caissons, which are more complicated to construct. If the schemes currently under consideration along the west coast of GB move to development, semi-permanent facilities would be created that would reduce precasting costs. The embankment rate includes rock armour protection. To convert Apr 2008 prices to Apr 2023 costs, it is necessary to combine the UK Construction Price Index (CPI) 2005 series [] with the UK Construction Output Price Indices for New Infrastructure []. The indexing factor is 1.52 (see Table 8).

Table 8.
Indexed all-up rates for embankment and caisson construction from the 2008 Severn Estuary proposals.
Multiplying the volume rate by the cross-sectional area of construction gives the cost per metre length of each option (see Table 9).

Table 9.
Cost estimates based on sectional area.
The estimated cost of a horizontal caisson is lower than that for a vertical caisson but still slightly higher than that for the earth embankment using available costing rates. The caissons reduce the total volume of materials used to half of that for an earth embankment; there are environmental benefits to be assessed. The authors suggest that horizontal caissons would be easier to float out and position. Caissons are less susceptible to wave damage during construction than the embankment option. However, despite these benefits, the uncertainty of the design and estimated costs suggest that these options should be considered but need far more in-depth analysis before they are included in the final design.
7. Discussion
Earth embankments are a tried and tested method for forming a barrage but not necessarily for the lengths and depths required for tidal range schemes. They require more materials than caissons, but most comprise dredged sand and gravel, plus an impermeable core. They can be prone to storm damage during construction until the final rock armour is positioned.
- The armour weight will vary with design wave height; as the seabed increases in depth, the weight and hence cost will increase.
- The loss of fill due to erosion by tides and waves during construction could be significant.
- Settlement of an embankment could be significant on granular soils, possibly in the order of a metre, or more especially if there is clay and/or silt content in the strata below.
Vertical caissons are becoming more popular for docks and breakwaters, especially in deep water. They require precasting cells in a deep-water dock or on a jack-up barge. They are towed into position and held by winches. The ballast of dredged sand and gravel is gradually added so that the caisson sinks slowly onto its prepared foundation. The crest is wider than required solely for stability but would suit a barrage that includes a road or rail link across an estuary. Horizontal construction also offers the potential to provide routes to carry pipes and cables between the coastal docking points of the barrage. Recent interest in a barrage across Morecambe Bay was spurred by the need to provide a route for a high-voltage cable linking Heysham Nuclear Power Plant to the planned nuclear facility at Moorside in West Cumbria.
Horizontal caissons are like those used for immersed tube tunnels except for the open tops. A removable roof covering will be required when floating out to sea. The positioning and ballasting are the same as for vertical caissons. These units can be precast in coastal sites and floated out in shallower water than the vertical units. The relative quantity of reinforced concrete may be less than that for vertical caissons as they form an outer inclined face.
Good-quality marine concrete should last for 120 years without major problems, especially if new materials can be used to avoid traditional steel reinforcement. These are gravity structures, so there is little stress within the concrete members. The surface of the precast concrete slopes can be overlaid with new slabs at a future time when it is necessary to raise the height and width to accommodate greater SLR.
8. Conclusions
This paper gives a preliminary assessment of three different designs of barrages for tidal range generation. Three depths have been analysed and studied under operational and storm conditions. The operational conditions result in different water levels across the barrage. Storm conditions include wave forces and a storm surge raising the sea level. Much more detailed research and wave testing is required before final designs can be considered. Working copies of the spreadsheets developed can be obtained for free from the corresponding author.
For all the options considered, the factor of safety against sliding is lower than the factor against overturning. The limiting factor for the earth embankment is to be found from slip circle analysis. Bearing pressures govern the size of the caissons, with the pressures from horizontal caissons being significantly lower than those of vertical caissons but more than the earth embankment.
Wave forces on horizontal caissons have been based on the theory for vertical walls. It is likely that the forces on an inclined or curved wall will be less. Wave modelling tests are required to provide a better understanding of the forces on inclined walls. The angle of each face of the horizontal caissons need not be the same; they can be steeper on the seaward side.
In terms of material usage, the cross-section area of the vertical caissons is about half that of the earth bund. The area of the horizontal caissons is about half that of the vertical caissons. Minimising the cross-sectional area of the barrage reduces the environmental impact, cost, and construction time.
The benefits of precast concrete caissons for tidal barrages have been demonstrated, and these should be considered as a viable alternative to earth bunds. However, the cost rates used for this work are speculative pending a detailed feasibility study and cost analysis.
Author Contributions
Conceptualization, D.V.; Formal analysis, D.V.; Data curation, S.B.; Writing—original draft, D.V.; Writing—review & editing, S.B., D.H. and G.A.; Supervision, G.A.; Project administration, G.A. All authors have read and agreed to the published version of the manuscript.
Funding
This research received no external funding.
Data Availability Statement
Working copies of the spreadsheets can be obtained for free by emailing the corresponding author.
Acknowledgments
We thank David Kerr, former chair of ICE Energy committee and former Chief Design Engineer for Sir Robert McAlpine, for construction advice and cost information. Also, thanks are owed to the referees for their helpful comments.
Conflicts of Interest
The lead author is also a director of North Wales Tidal Energy (NWTE). None of the information included in this paper is directly from or can be attributed to NWTE.
Abbreviations
d | Depth above the armour layer of the rubble foundation (m) |
g | Gradient of seabed, 1 in g |
h | Water depth in front of the breakwater (m) |
h′ | The distance from the design water level to the bottom of the upright section (m) |
hb | Water depth at which the breaker height is to be evaluated (m) |
hc | The height of the crest above the static water level (m) |
Hmax | Highest wave in the design sea state. =1.8 H1/3 seaward of the surf zone (m) |
hPh | Height at which the total horizontal wave force acts above the base of the caisson (m) |
L | Wavelength of the design wave (m) |
L0 | Wavelength in deep water (m) |
MPh | Moment of total horizontal wave force about the base of the caisson (kNm) |
n* | The maximum height to which the wave pressure is exerted above the static water level (m) |
p1 | The maximum wave pressure at the static sea level (kN/m2) |
p2 | The maximum wave pressure at the seabed if the caisson is founded on fill above the seabed (kN/m2) |
p3 | The maximum wave pressure at the base of the caisson if above the seabed (kN/m2) |
P4 | The maximum wave pressure at the crest of the barrage (kN/m2) |
Ph | Total horizontal wave force (kN) |
T1/3 | Period of the wave regime (s) |
Wc | Width of the bund crest (m) |
α | Caisson slope angle from vertical (degrees) |
α1, α2, α3 | Coefficients of wave pressure based on wavelength and height of static sea level above the seabed |
β | Angle of wave approach measured from the normal to the bund (degrees), max 15 |
ρ | Specific weight of water, 10.1 kN/m3 |
References
- Dragados. Precast Concrete Breakwaters & Harbors. 2024. Available online: https://www.dragados.co.uk/html/portProject.html?new=1#carouselMultimedia (accessed on 21 May 2024).
- Vandercruyssen, D.; Aggidis, G.A.; Howard, D.C. Tidal range generation: Combining the Lancaster zero-dimension generation and cost models. Proc. Inst. Civ. Eng.-Energy 2023, 177, 49–62. [Google Scholar] [CrossRef]
- Vandercruyssen, D.; Baker, S.; Howard, D.; Aggidis, G. Tidal Range into the 22nd Century. 2023. Available online: https://www.icevirtuallibrary.com/doi/10.1680/jener.23.00031 (accessed on 22 May 2024).
- The National Oceanography Centre. National Tidal and Sea Level Facility. 2023. Available online: https://www.ntslf.org/data/uk-network-real-time (accessed on 11 October 2023).
- Institution of Mechanical Engineers. Rising Seas: The Engineering Challenge. 2019. Available online: https://www.imeche.org/policy-and-press/reports/detail/rising-seas-the-engineering-challenge (accessed on 11 January 2022).
- Baker, S. Development of Tidal Energy Generation Modelling Using Morecambe Bay as a Case Study under Different Environmental, Storage and Demand Scenarios. 2021. Available online: https://eprints.lancs.ac.uk/id/eprint/151442/1/2020bakermres.pdf (accessed on 21 May 2024).
- Sainflou, G. Essai sur les digues maritimes verticales. Ann. Ponts Chaussées 1928, 98, 5–48. [Google Scholar]
- Hiroi, I. The force and power of waves. Engineer 1920, 130, 184–185. [Google Scholar]
- Goda, Y. New wave pressure formulae for composite breakwaters. Coast. Eng. Proc. 1974, 14, 100. [Google Scholar] [CrossRef]
- Goda, Y. Random Seas and Design of Maritime Structures; World Scientific: Singapore, 2000. [Google Scholar]
- Fay, J.A.; Smachlo, M.A. Capital cost of small-scale tidal power plants. J. Energy 1983, 7, 536–541. [Google Scholar] [CrossRef]
- Baker, A.C. Tidal_Power, Chp 04, Caissons; Institution of Engineering & Technology: London, UK, 1990; pp. 58–76. [Google Scholar]
- Martinez, L.; Rodriguez, I. Floating Caissons. In Report for the Advanced Construction Methods Course; Purdue University: West Lafayette, IN, USA, 1997. [Google Scholar]
- Brinch Hansen, J. A General Formula for Bearing Capacity; Bulletin No. 11; Danish Geotechnical Institute: Copenhagen, Denmark, 1961; pp. 38–46. [Google Scholar]
- Tomlinson, M.J.; Boorman, R. Foundation Design and Construction; Pearson Education: Upper Saddle River, NJ, USA, 2001. [Google Scholar]
- Ramboll. Impoundment Pre-Feasibility Study for North Wales Tidal Energy; Confidential Report 1620004385-RAM-CW/GT-RPT-001; Ramboll: Tokyo, Japan, 2018. [Google Scholar]
- Department of Energy and Climate Change (DECC); Parsons Brinckerhoff Ltd. Interim Options Analysis Report. 2008; Volume 2. Available online: https://webarchive.nationalarchives.gov.uk/ukgwa/20101209161511/http://www.decc.gov.uk/publications/basket.aspx?FilePath=What+we+do%2fUK+energy+supply%2fEnergy+mix%2fRenewable+energy%2fSevern+Tidal+Power+feasibility+study%2f1_20090715085116_e_%40%40_OptionsforTidalPowerDevelopmentintheSevernEstuartyAnalysisReportVolume2.pdf&filetype=4 (accessed on 21 May 2024).
- Department of Energy and Climate Change (DECC); Parsons Brinckerhoff Ltd. Strategic Environmental Assessment of Proposals for Tidal Power Development in the Severn Estuary; Options Definition Report; DECC: London, UK, 2009; Volume 2. [Google Scholar]
- BEIS. UK CPI 2005 Series. 2021. Available online: https://www.gov.uk/government/statistics/bis-prices-and-cost-indices (accessed on 21 May 2024).
- Office for National Statistics. UK Construction Price Index. 2023. Available online: https://www.ons.gov.uk/businessindustryandtrade/constructionindustry/datasets/interimconstructionoutputpriceindices (accessed on 21 May 2024).
Disclaimer/Publisher’s Note: The statements, opinions and data contained in all publications are solely those of the individual author(s) and contributor(s) and not of MDPI and/or the editor(s). MDPI and/or the editor(s) disclaim responsibility for any injury to people or property resulting from any ideas, methods, instructions or products referred to in the content. |
© 2024 by the authors. Licensee MDPI, Basel, Switzerland. This article is an open access article distributed under the terms and conditions of the Creative Commons Attribution (CC BY) license (https://creativecommons.org/licenses/by/4.0/).