Solar–Hydrogen Storage System: Architecture and Integration Design of University Energy Management Systems
Abstract
1. Introduction
2. Solar–Hydrogen Storage System
2.1. Solar–Hydrogen Technologies and Storage System
2.2. Hydrogen Storage System Components
2.3. Workflow of Solar–Hydrogen Storage System
- Solar Energy Harvesting: Using solar panels or concentrators, solar energy is first captured to start the process. Through the process of the photovoltaic effect, solar panels, which are made up of photovoltaic cells, directly transform sunlight into electricity. Solar dishes and parabolic troughs are examples of concentrators that direct sunlight onto a receiver in order to produce heat [130,131,132].
- Electricity Generation and Heat Production: Depending on the solar energy harvesting technology being employed, the solar energy collected by the solar panels or concentrators is transformed into either heat or electricity. The following phase of the operation is then fed with the produced heat or energy [133,134,135].
- Electrolysis for Hydrogen Production: Once the electrolyzer, which separates water (H2O) into its component parts of hydrogen (H2) and oxygen (O2), is powered by the electricity or heat produced, water in the electrolyzer undergoes electrolysis when an electric current flows through it. At the cathode, hydrogen gas is released, and at the anode, oxygen gas is released [136,137,138].
- Hydrogen Gas Collection and Purification: After being generated, the hydrogen gas is collected and refined to get rid of any moisture or contaminants. By adopting this purification method, hydrogen gas is guaranteed to meet storage and use requirements without contaminating or harming components further down the supply chain [139,140,141].
- Hydrogen Storage: The hydrogen gas that has been purified is kept in storage tanks or containers until it is required for energy production or other uses. Hydrogen can be kept in three different states: liquid, compressed gas, or adsorbed onto a solid substance like metal hydrides, depending on the storage method employed [142,143,144].
- Energy Generation or Utilization: The hydrogen gas that has been stored is supplied into a fuel cell or other hydrogen-consuming device to generate or use energy when needed. Hydrogen and airborne oxygen react in fuel cells to produce electricity, with the byproducts being heat and water vapor. In order to meet energy demand, this electricity can be sent into the grid and used to power buildings or power electric cars [145,146,147].
- Monitoring and Controlling: Monitoring and control systems supervise the actions of several components during the workflow, guaranteeing their safe and effective functioning. In order to maximize system performance, control units manage the flow of energy, water, and hydrogen, while monitoring sensors measure variables like solar irradiance, electrolyzer efficiency, hydrogen purity, and storage tank conditions [148,149,150].
- Maintenance and Optimization: The solar–hydrogen storage system is maintained and optimized on a regular basis to guarantee its efficiency and dependability. To enhance system performance over time, this may entail checking storage tanks, cleaning solar panels, examining electrolyzer components, and upgrading control algorithms [151,152,153].
2.4. Implementation of Solar–Hydrogen Storage System
- System Design: The solar–hydrogen storage system’s design is the first step in the execution process. To ascertain the ideal system layout, this entails evaluating the energy requirements, site circumstances, and technical viability. The choice of solar energy harvesting technologies, electrolysis apparatus, hydrogen storage techniques, and utilization devices like fuel cells or hydrogen generators are important factors to take into account. The arrangement of the component parts, the integration of the control and monitoring systems, and safety considerations are all included in the system design [160,161,162].
- Component Procurement: Obtaining the required parts and machinery is the next stage after the system design is complete. Obtaining solar panels or concentrators, electrolyzers, storage tanks or vessels, pipework and connectors, control units, monitoring sensors, and safety equipment may be necessary for this. Budgetary restrictions, quality requirements, and performance requirements all play a role in the selection of components. Purchasing directly from producers, suppliers, or contractors is one method of procurement [163,164,165].
- Installation: Assembling and integrating the various components in accordance with the system design is the installation process for the solar–hydrogen storage system. To collect sunlight, solar panels or concentrators are placed, and the electrolysis apparatus is set up to generate hydrogen gas. The generated hydrogen is placed in storage tanks or other containers, and pipelines are set up to deliver the hydrogen gas to equipment for use. To supervise its functioning and guarantee safety, control and monitoring systems are also included in the system [166,167,168].
- Testing and Commissioning: After installation, the system is put through a rigorous testing process to make sure all of the parts work properly and that the system performs as intended. This entails doing integrated system tests to confirm overall system operation in addition to testing individual components for functionality, performance, and safety. A variety of operational scenarios, including varying solar irradiation levels, electrolysis rates, and hydrogen storage capacity, may be simulated during testing. Prior to commissioning, any problems or shortcomings found during testing are addressed and fixed [169,170,171].
- Commissioning and Operation: The solar–hydrogen storage system is put into service following successful testing. This entails putting the system online formally and starting regular operations. System performance is continuously checked during the commissioning phase to make sure it satisfies performance goals and design standards. Operators are trained in safety measures, maintenance techniques, and system operation. After it is put into service, the system runs constantly, creating and storing hydrogen as needed to meet demand for energy [172,173,174].
- Monitoring and Maintenance: The solar–hydrogen storage system is routinely observed over its operating life in order to track performance, identify any problems or abnormalities, and improve system performance. To guarantee the system’s continuous dependability and effectiveness, maintenance tasks like testing storage tanks, cleaning solar panels, and examining electrolysis equipment are performed. To alleviate wear and tear or enhance system performance, any necessary modifications or repairs are made [175,176,177].
3. Research Approach and Design
3.1. Research Approach
- Literature Review: Perform a thorough analysis of the body of knowledge about solar–hydrogen systems, energy management, the integration of renewable energy sources, and university sustainability programs. This includes reading research articles, books, and pertinent studies. In order to identify knowledge gaps, build a firm grasp of the state-of-the-art, and guide the creation of research objectives and procedures, this phase is necessary.
- Needs Assessment and System Requirements: Examine the university’s energy needs and requirements to ascertain the proposed solar–hydrogen storage system’s scope and specifications. This entails looking at campus infrastructure, energy sources, and sustainability objectives, in addition to evaluating past data on energy use and peak demand times. To ensure congruence with institutional priorities, stakeholder meetings may also be held with university officials, faculties, students, and facilities management staff.
- System Design and Modeling: Formulate a conceptual design for the solar–hydrogen storage system in accordance with the determined goals and specifications. This entails choosing suitable electrolysis apparatus, hydrogen storage techniques, solar energy gathering technology, and usage devices. To analyze system performance, optimize component sizing and configuration and to determine whether the suggested system is economically feasible, use modeling and simulation techniques.
- Component Procurement and Integration: Purchase the equipment and parts required for the solar–hydrogen storage system in accordance with the approved design parameters. To find premium components that satisfy performance standards and financial limitations, this may entail working with manufacturers, suppliers, and contractors. Make sure that the components are installed, connected, and functionally correct by integrating them into the system in accordance with the design plan.
- Experimental Setup and Testing: Install pilot-scale or experimental prototype systems to evaluate the solar–hydrogen storage system’s operation and performance in real-world scenarios. To assess system performance overall as well as energy output, hydrogen generation, storage efficiency, and system operation, this may entail field testing, laboratory studies, or on-site demonstrations. For analysis and validation, gather data on energy output, environmental effects, and system characteristics.
- Data Analysis and Optimization: Examine the gathered data to determine areas in need of improvement and to evaluate the solar–hydrogen storage system’s efficacy and efficiency. To improve energy conversion efficiency, optimize system performance, and fix any operational issues or deficiencies, apply modeling strategies, statistical analysis, and optimization algorithms. To attain desired results and fulfill project objectives, make necessary iterations to the design and implementation.
- Documentation and Reporting: Complete reports, research papers, and technical documents should contain the research findings, methods, and results. Through papers, conferences, and seminars, share the findings with industrial partners, academic audiences, and stakeholders. Discuss best practices, takeaways, and suggestions for further study, the creation, and the application of solar–hydrogen storage systems in academic and other environments.
3.2. Case Study
4. Modeling a Solar–Hydrogen System in the University
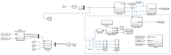
4.1. Designing Energy Management System Model
4.2. Simulation Result
- Energy Management Flexibility: As seen by the changes in SOC, PStorage, and PElectrolyzer in response to variations in PSolar, the system demonstrates flexibility in controlling energy inputs and outputs. This adaptability enables effective use of renewable energy sources and conditions for energy generation to change.
- Optimal Energy Utilization: The link between PElectrolyzer, PStorage, and PSolar shows how best to use energy in the system. In times of plentiful solar power generation, higher PSolar values ensure efficient storage of excess energy and hydrogen production through improved energy storage and electrolyzer operation.
- Balanced Energy Storage and Production: Energy storage and hydrogen generation have a balanced relationship, as shown by the analysis of PStorage, PElectrolyzer, and mH2. PElectrolyzer and mH2 rise in tandem with higher PStorage values, suggesting effective conversion of stored energy into hydrogen. This equilibrium preserves sufficient energy reserves while guaranteeing steady hydrogen generation.
- Dynamic Response to Demand: The system has the ability to adapt dynamically to changes in energy consumption. Variations in SOC, PStorage, and mH2 show how the system can adapt energy storage capacities and hydrogen production rates to changing energy needs, guaranteeing a consistent and sustainable energy supply.
- Efficiency Optimization Opportunities: The analysis’s findings offer perceptions into possible avenues for enhancing system effectiveness. The energy storage capacity, electrolyzer efficiency, control techniques, and other factors can be adjusted to optimize the system’s performance and make the most use of renewable energy sources.
5. Future Prospects
5.1. The Development of AIoT (Artificial Intelligence of Things)
5.2. Smart Energy Generation for a Smart Campus
6. Conclusions
Author Contributions
Funding
Institutional Review Board Statement
Informed Consent Statement
Data Availability Statement
Conflicts of Interest
References
- Marouani, I.; Guesmi, T.; Alshammari, B.M.; Alqunun, K.; Alzamil, A.; Alturki, M.; Hadj Abdallah, H. Integration of Renewable-Energy-Based Green Hydrogen into the Energy Future. Processes 2023, 11, 2685. [Google Scholar] [CrossRef]
- Song, H.; Luo, S.; Huang, H.; Deng, B.; Ye, J. Solar-Driven Hydrogen Production: Recent Advances, Challenges, and Future Perspectives. ACS Energy Lett. 2022, 7, 1043–1065. [Google Scholar] [CrossRef]
- Hassan, Q.; Algburi, S.; Sameen, A.Z.; Salman, H.M.; Jaszczur, M. A review of hybrid renewable energy systems: Solar and wind-powered solutions: Challenges, opportunities, and policy implications. Results Eng. 2023, 20, 101621. [Google Scholar] [CrossRef]
- Trattner, A.; Kleli, M.; Radner, F. Sustainable hydrogen society e Vision, findings and development of a hydrogen economy using the example of Austria. Int. J. Hydrogen Energy 2022, 47, 2059–2079. [Google Scholar] [CrossRef]
- Chel, A.; Kaushik, G. Renewable energy technologies for sustainable development of energy efficient building. Alex. Eng. J. 2018, 57, 655–669. [Google Scholar] [CrossRef]
- Megía, P.J.; Vizcaíno, A.J.; Calles, J.A.; Carrero, A. Hydrogen Production Technologies: From Fossil Fuels toward Renewable Sources. A Mini Review. Energy Fuels 2021, 35, 20. [Google Scholar] [CrossRef]
- Worku, A.K.; Ayele, D.W.; Deepak, D.B.; Gebreyohannes, A.Y.; Agegnehu, S.D.; Kolhe, M.L. Recent Advances and Challenges of Hydrogen Production Technologies via Renewable Energy Sources. Adv. Energy Sustain. Res. 2024, 5, 2300273. [Google Scholar] [CrossRef]
- Mohammadi, Y.; Monavvarifard, F.; Salehi, L.; Movahedi, R.; Karimi, S.; Liobikienė, G. Explaining the Sustainability of Universities through the Contribution of Students’ Pro-Environmental Behavior and the Management System. Sustainability 2023, 15, 1562. [Google Scholar] [CrossRef]
- Dawodu, A.; Dai, H.; Zou, T.; Zhou, H.; Lian, W.; Oladejo, J.; Osebor, F. Campus sustainability research: Indicators and dimensions to consider for the design and assessment of a sustainable campus. Hellyon 2022, 8, e11864. [Google Scholar] [CrossRef]
- Altassan, A. Sustainable Integration of Solar Energy, Behavior Change, and Recycling Practices in Educational Institutions: A Holistic Framework for Environmental Conservation and Quality Education. Sustainability 2023, 15, 15157. [Google Scholar] [CrossRef]
- Chapagain, M.R.; Mikkelsen, B.E. Is a Living Lab Also a Learning Lab?—Exploring Co-Creational Power of Young People in a Local Community Food Context. Youth 2023, 3, 753–776. [Google Scholar] [CrossRef]
- Kamalov, F.; Santandreu Calonge, D.; Gurrib, I. New Era of Artificial Intelligence in Education: Towards a Sustainable Multifaceted Revolution. Sustainability 2023, 15, 12451. [Google Scholar] [CrossRef]
- Pyae, A.; Ravyse, W.; Luimula, M.; Pizarro-Lucas, E.; Sanchez, P.L.; Dorado-Diaz, I.P.; Thaw, A.K. Exploring User Experience and Usability in a Metaverse Learning Environment for Students: A Usability Study of the Artificial Intelligence, Innovation, and Society (AIIS). Electronics 2023, 12, 4283. [Google Scholar] [CrossRef]
- Morandini, S.; Fraboni, F.; Angelis, M.D.; Puzzo, G.; Guisino, D.; Pietrantoni, L. The Impact of Artificial Intelligence on Workers’ Skills: Upskilling and Reskilling in Organisations. Informing Sci. Int. J. Emerg. Transdicipline 2023, 26, 39–68. [Google Scholar] [CrossRef] [PubMed]
- Jamil, H.; Qayyum, F.; Iqbal, N.; Khan, M.A.; Naqvi, S.S.A.; Khan, S.; Kim, D.H. Secure Hydrogen Production Analysis and Prediction Based on Blockchain Service Framework for Intelligent Power Management System. Smart Cities 2023, 6, 3192–3224. [Google Scholar] [CrossRef]
- Song, H.; Kim, Y.; Yang, H. Design and Optimization of an Alkaline Electrolysis System for Small-Scale Hydropower Integration. Energies 2024, 17, 20. [Google Scholar] [CrossRef]
- Eppinger, J.; Huang, K.W. Formic Acid as a Hydrogen Energy Carrier. ACS Energy Lett. 2017, 2, 188–195. [Google Scholar] [CrossRef]
- Yao, Z.; Lum, Y.; Johnston, A.; Mendoza, L.M.M.; Zhou, X.; Wen, Y.; Guzik, A.A.; Sargent, E.H.; Seh, Z.W. Machine learning for a sustainable energy future. Nat. Rev. Mater. 2023, 8, 202–215. [Google Scholar] [CrossRef]
- Nwokediegwu, Z.Q.S.; Ibekwe, K.I.; Ilojianya, V.I.; Etukudoh, E.A.; Ayorinde, B.O. Renewable Energy Technologies in Engineering: A Review of Current Developments and Future Prospects. Eng. Sci. Technol. J. 2024, 5, 367–384. [Google Scholar] [CrossRef]
- Pavlov, D. Renewable Energy Sources and Third Generation University. Int. J. Emerg. Transit. Econ. 2010, 3, 285–299. [Google Scholar]
- Almasri, R.A.; Hamdeh, N.H.A.; Tamimi, N.A. A State-of-the-Art Review of Energy-Efficient and Renewable Energy Systems in Higher Education Facilities. Front. Energy Res. Sec. Process Energy Syst. Eng. 2023, 11, 1344216. [Google Scholar] [CrossRef]
- Couraud, B.; Andoni, M.; Robu, V.; Norbu, S.; Chen, S.; Flynn, D. Responsive FLEXibility: A smart local energy system. Renew. Sustain. Energy Rev. 2023, 183, 113343. [Google Scholar] [CrossRef]
- Debrah, J.K.; Vidal, D.G.; Dinis, M.A.P. Raising Awareness on Solid Waste Management through Formal Education for Sustainability: A Developing Countries Evidence Review. Recycling 2021, 6, 6. [Google Scholar] [CrossRef]
- Vieira Nunhes, T.; Viviani Garcia, E.; Espuny, M.; Homem de Mello Santos, V.; Isaksson, R.; José de Oliveira, O. Where to Go with Corporate Sustainability? Opening Paths for Sustainable Businesses through the Collaboration between Universities, Governments, and Organizations. Sustainability 2021, 13, 1429. [Google Scholar] [CrossRef]
- Lerman, L.V.; Gerstiberger, W.; Lima, M.F.; Frank, A.G. How governments, universities, and companies contribute to renewable energy development? A municipal innovation policy perspective of the triple helix. Energy Res. Soc. Sci. 2021, 71, 101854. [Google Scholar] [CrossRef]
- Marques, J.; Franco, M.; Rodriques, M. International universities-firms cooperation as a mechanism for environmental sustainability: A case study of EdgeWise. J. Appl. Res. High. Educ. 2023, 15, 966–987. [Google Scholar] [CrossRef]
- Maestre, V.M.; Ortiz, A.; Ortiz, I. Challenges and prospects of renewable hydrogen-based strategies for full decarbonization of stationary power applications. Renew. Sustain. Energy Rev. 2021, 152, 111628. [Google Scholar] [CrossRef]
- Nowotny, J.; Bak, T.; Chu, D.; Fiechter, S.; Murch, G.E.; Veziroglu, T.N. Sustainable practices: Solar hydrogen fuel and education program on sustainable energy systems. Int. J. Hydrogen Energy 2014, 39, 4151–4157. [Google Scholar] [CrossRef]
- Kumar, C.R.; Majid, M.A. Renewable energy for sustainable development in India: Current status, future prospects, challenges, employment, and investment opportunities. Energy Sustain. Soc. 2020, 10, 2. [Google Scholar] [CrossRef]
- Tang, X.; Zhang, Y.; Xu, S. Temperature sensitivity characteristics of PEM fuel cell and output performance improvement based on optimal active temperature control. Int. J. Heat Mass Transf. 2023, 206, 123966. [Google Scholar] [CrossRef]
- Yan, S.; Yang, M.; Sun, C.; Xu, S. Liquid Water Characteristics in the Compressed Gradient Porosity Gas Diffusion Layer of Proton Exchange Membrane Fuel Cells Using the Lattice Boltzmann Method. Energies 2023, 16, 6010. [Google Scholar] [CrossRef]
- Sun, C.; Negro, E.; Vezzù, K.; Pagot, G.; Cavinato, G.; Nale, A.; Bang, Y.H.; Noto, V.D. Hybrid inorganic-organic proton-conducting membranes based on SPEEK doped with WO3 nanoparticles for application in vanadium redox flow batteries. Electron. Acta 2019, 309, 311–325. [Google Scholar] [CrossRef]
- Andrews, J.; Shaban, B. The role of hydrogen in a globalsustainable energy strategy. WIREs Energy Environ. 2014, 3, 5. [Google Scholar] [CrossRef]
- Acar, C.; Dincer, I. The potential role of hydrogen as a sustainable transportation fuel to combat global warming. Int. J. Hydrogen Energy 2020, 45, 3396–3406. [Google Scholar] [CrossRef]
- Jia, J.; Seitz, L.C.; Benck, J.D.; Huo, Y.; Chen, Y.; Ng, J.W.D.; Bilir, T.; Harris, J.S.; Jaramillo, T.F. Solar water splitting by photovoltaic-electrolysis with a solar-to-hydrogen efficiency over 30%. Nat. Commun. 2016, 7, 13237. [Google Scholar] [CrossRef] [PubMed]
- Leal Filho, W.; Emblen-Perry, K.; Molthan-Hill, P.; Mifsud, M.; Verhoef, L.; Azeiteiro, U.M.; Bacelar-Nicolau, P.; de Sousa, L.O.; Castro, P.; Beynaghi, A.; et al. Implementing Innovation on Environmental Sustainability at Universities around the World. Sustainability 2019, 11, 3807. [Google Scholar] [CrossRef]
- Lv, Y. Transitioning to sustainable energy: Opportunities, challenges, and the potential of blockchain technology. Energy Res. 2023, 11, 1258044. [Google Scholar] [CrossRef]
- Giesenbauer, B.; Müller-Christ, G. University 4.0: Promoting the Transformation of Higher Education Institutions toward Sustainable Development. Sustainability 2020, 12, 3371. [Google Scholar] [CrossRef]
- Roy, S.K. Green university initiatives and undergraduates’ reuse intention for environmental sustainability: The moderating role of environmental values. Environ. Chall. 2023, 13, 100797. [Google Scholar] [CrossRef]
- Hasan, M.M.; Hossain, S.; Mofijur, M.; Kabir, Z.; Badruddin, I.A.; Yunus Khan, T.M.; Jassim, E. Harnessing Solar Power: A Review of Photovoltaic Innovations, Solar Thermal Systems, and the Dawn of Energy Storage Solutions. Energies 2023, 16, 6456. [Google Scholar] [CrossRef]
- Hassan, Q.; Azzawi, I.D.J.; Sameen, A.Z.; Salman, H.M. Hydrogen Fuel Cell Vehicles: Opportunities and Challenges. Sustainability 2023, 15, 11501. [Google Scholar] [CrossRef]
- Hassan, Q. Optimisation of solar-hydrogen power system for household applications. Int. J. Hydrogen Energy 2020, 45, 33111–33127. [Google Scholar] [CrossRef]
- Bossink, B. Learning strategies in sustainable energy demonstration projects: What organizations learn from sustainable energy demonstrations. Renew. Sustain. Energy Rev. 2020, 131, 110025. [Google Scholar] [CrossRef]
- Findler, F.; Schönherr, N.; Lozano, R. The impacts of higher education institutions on sustainable development: A review and conceptualization. Int. J. Sustain. High. Educ. 2019, 20, 1. [Google Scholar] [CrossRef]
- Rotzek, J.N.; Scope, C.; Günther, E. What energy management practice can learn from research on energy culture? Sustain. Account. Manag. Policy J. 2018, 9, 4. [Google Scholar] [CrossRef]
- Stern, N.; Valero, A. Innovation, growth and the transition to net-zero emissions. Res. Policy 2021, 50, 104293. [Google Scholar] [CrossRef] [PubMed]
- Raihan, A.; Pavel, M.I.; Muhtasim, D.A.; Farhana, S.; Faruk, O.; Paul, A. The role of renewable energy use, technological innovation, and forest cover toward green development: Evidence from Indonesia. Innov. Green Dev. 2023, 2, 100035. [Google Scholar] [CrossRef]
- Kabeyi, M.J.B.; Olanrewaju, O.A. Sustainable Energy Transition for Renewable and Low Carbon Grid Electricity Generation and Supply. Energy Res. 2022, 9, 743114. [Google Scholar] [CrossRef]
- Eriksen, T.E.; Hajizadeh, A.; Sabrina, S. Hydrogen-based systems for integration of renewable energy in power systems: Achievements and perspectives. Int. J. Hydrogen Energy 2021, 46, 31963–31983. [Google Scholar] [CrossRef]
- Rosen, M.A.; Fayegh, S.K. The prospects for hydrogen as an energy carrier: An overview of hydrogen energy and hydrogen energy systems. Energy Ecol. Environ. 2016, 1, 10–29. [Google Scholar] [CrossRef]
- Rampai, M.M.; Mtshali, C.B.; Seroka, N.S.; Khotseng, L. Hydrogen production, storage, and transportation: Recent advances. R. Soc. Chem. 2024, 14, 6699–6718. [Google Scholar] [CrossRef] [PubMed]
- Joshua, S.R.; Mogea, T. Agile analytics: Adoption Framework for Business Intelligence in Higher Education. J. Theor. Appl. Inf. Technol. 2020, 98, 1032–1042. [Google Scholar]
- Joshua, S.R.; Mogea, T. Reliability management: Setting-up cloud Server in Higher Education. J. Theor. Appl. Inf. Technol. 2019, 9, 654–661. [Google Scholar] [CrossRef]
- Salaki, R.J.; Ratnam, K.A. Agile analytics: Applying in the Development of Data Warehouse for Business Intelligence System in Higher Education. Adv. Intell. Syst. Comput. 2018, 745, 1038–1048. [Google Scholar]
- Joshua, S.R.; Park, S.; Kwon, K. H2 URESONIC: Design of a Solar-Hydrogen University Renewable Energy System for a New and Innovative Campus. Appl. Sci. 2024, 14, 1554. [Google Scholar] [CrossRef]
- Joshua, S.R.; Park, S.; Kwon, K. H2 EMS: A Simulation Approach of a Solar-Hydrogen Energy Management System. In Proceedings of the IEEE 14th Annual Computing and Communication Workshop and Conference (CCWC), Las Vegas, NV, USA, 8–10 January 2024; pp. 403–408. [Google Scholar]
- Joshua, S.R.; Park, S.; Kwon, K. Knowledge-Based Modeling Approach: A Schematic Design of Artificial Intelligence of Things (AIoT) for Hydrogen Energy System. In Proceedings of the IEEE 14th Annual Computing and Communication Workshop and Conference (CCWC), Las Vegas, NV, USA, 8–10 January 2024; pp. 235–241. [Google Scholar]
- Casarejos, F.; Frota, M.N.; Gustavson, L.M. Higher education institutions: A strategy towards sustainability. Int. J. Sustain. High. Educ. 2017, 18, 7. [Google Scholar] [CrossRef]
- Araújo, I.; Nunes, L.J.R.; Curado, A. Preliminary Approach for the Development of Sustainable University Campuses: A Case Study Based on the Mitigation of Greenhouse Gas Emissions. Sustainability 2023, 15, 5518. [Google Scholar] [CrossRef]
- Mohammadalizadehkorde, M.; Weaver, R. Universities as Models of Sustainable Energy-Consuming Communities? Review of Selected Literature. Sustainability 2018, 10, 3250. [Google Scholar] [CrossRef]
- Zena, R.; Tang, X.; Deng, Y.; Zhang, X.; Li, H.; Yin, W.; Zhang, G. Design and optimization of solar energy system with hydrogen energy storage and alkaline fuel cell. Energy Convers. Manag. 2023, 295, 117628. [Google Scholar]
- Saleem, M.S.; Abas, N.; Kalair, A.R.; Rauf, S.; Haider, A.; Tahir, M.S.; Sagir, M. Design and optimization of hybrid solar-hydrogen generation system using TRNSYS. Int. J. Hydrogen Energy 2020, 45, 15814–15830. [Google Scholar] [CrossRef]
- Daiyan, R.; MacGill, L.; Amal, R. Opportunities and Challenges for Renewable Power-to-X. ACS Energy Lett. 2020, 5, 3657–3890. [Google Scholar] [CrossRef]
- Hai, T.; Alhaider, M.M.; Ghodratallah, P.; Singh, P.K.; Alhomayani, F.M.; Rajab, H. Techno-economic-environmental study and artificial intelligence-assisted optimization of a multigeneration power plant based on a gas turbine cycle along with a hydrogen liquefaction unit. Appl. Therm. Eng. 2024, 237, 121660. [Google Scholar] [CrossRef]
- Hassan, Q.; Abbas, M.K.; Tabar, V.S.; Tohidi, S.; Jaszczur, M.; Abdulrahman, I.S.; Salman, H.M. Modelling and analysis of green hydrogen production by solar energy. Energy Harvest. Syst. 2023, 10, 229–245. [Google Scholar] [CrossRef]
- Li, Y.; Xu, X.; Bao, D.; Rasakhodzhaev, B.; Jobir, A.; Chang, C.; Zhao, M. Research on Hydrogen Production System Technology Based on Photovoltaic-Photothermal Coupling Electrolyzer. Energies 2023, 16, 7982. [Google Scholar] [CrossRef]
- Moriarty, P.; Honnery, D. Intermittent renewable energy: The only future source of hydrogen? Int. J. Hydrogen Energy 2007, 32, 1616–1624. [Google Scholar] [CrossRef]
- Younis, A.; Benders, R.; Ramírez, J.; de Wolf, M.; Faaij, A. Scrutinizing the Intermittency of Renewable Energy in a Long-Term Planning Model via Combining Direct Integration and Soft-Linking Methods for Colombia’s Power System. Energies 2022, 15, 7604. [Google Scholar] [CrossRef]
- Widera, B. Renewable hydrogen implementations for combined energy storage, transportation and stationary applications. Therm. Sci. Eng. Prog. 2020, 16, 100460. [Google Scholar] [CrossRef]
- Kyriakopoulos, G.L.; Aravossis, K.G. Literature Review of Hydrogen Energy Systems and Renewable Energy Sources. Energies 2023, 16, 7493. [Google Scholar] [CrossRef]
- Strielkowski, W.; Civín, L.; Tarkhanova, E.; Tvaronavičienė, M.; Petrenko, Y. Renewable Energy in the Sustainable Development of Electrical Power Sector: A Review. Energies 2021, 14, 8240. [Google Scholar] [CrossRef]
- Mitali, J.; Dhinakaranb, S.; Mohamad, A.A. Energy storage systems: A review. Energy Storage Sav. 2022, 1, 166–216. [Google Scholar] [CrossRef]
- Barlev, D.; Vidu, R.; Stroeve, P. Innovation in concentrated solar power. Sol. Energy Mater. Sol. Cells 2011, 95, 2703–2725. [Google Scholar] [CrossRef]
- Alami, A.H.; Olabi, A.G.; Mdallal, A.; Rezk, A.; Radwan, A.; Rahman, S.M.A.; Khaleduzzaman Shah, S.K.; Abdelkareem, M.A. Concentrating solar power (CSP) technologies: Status and analysis. Int. J. Thermofluids 2023, 18, 100340. [Google Scholar] [CrossRef]
- Wang, S.; Tonge, E.; Sekanyo, I.; Portmann, E.; Azzouz, S.M. On the State-of-the-Art of Solar, Wind, and Other Green Energy Resources and Their Respective Storage Systems. Eng 2023, 4, 857–883. [Google Scholar] [CrossRef]
- Sen, R.; Das, S.; Nath, A.; Maharana, P.; Kar, P.; Verpoort, F.; Liang, P.; Roy, S. Electrocatalytic Water Oxidation: An Overview with an Example of Translation From Lab to Market. Front. Chem. 2022, 10, 861604. [Google Scholar] [CrossRef] [PubMed]
- Biswas, S.; Kulkarni, A.P.; Giddey, S.; Bhattacharya, S. A Review on Synthesis of Methane as a Pathway for Renewable Energy Storage with a Focus on Solid Oxide Electrolytic Cell-Based Processes. Front. Energy Res. 2020, 8, 570112. [Google Scholar] [CrossRef]
- Du, N.; Roy, C.; Peach, R.; Turnbull, M.; Thiele, S.; Bock, C. Anion-Exchange Membrane Water Electrolyzers. Chem. Rev. 2022, 122, 13. [Google Scholar] [CrossRef] [PubMed]
- Al-Ezzi, A.S.; Ansari, M.N.M. Photovoltaic Solar Cells: A Review. Appl. Syst. Innov. 2022, 5, 67. [Google Scholar] [CrossRef]
- Machín, A.; Márquez, F. Advancements in Photovoltaic Cell Materials: Silicon, Organic, and Perovskite Solar Cells. Materials 2024, 17, 1165. [Google Scholar] [CrossRef] [PubMed]
- Vodapally, S.N.; Ali, M.H. A Comprehensive Review of Solar Photovoltaic (PV) Technologies, Architecture, and Its Applications to Improved Efficiency. Energies 2023, 16, 319. [Google Scholar] [CrossRef]
- Andersson, J.; Gronkvist, S. Large-scale storage of hydrogen. Int. J. Hydrogen Energy 2019, 44, 11901–11919. [Google Scholar] [CrossRef]
- Aziz, M. Liquid Hydrogen: A Review on Liquefaction, Storage, Transportation, and Safety. Energies 2021, 14, 5917. [Google Scholar] [CrossRef]
- Tashie-Lewis, B.C.; Nnabuife, S.G. Hydrogen Production, Distribution, Storage and Power Conversion in a Hydrogen Economy—A Technology Review. Chem. Eng. J. Adv. 2021, 8, 100172. [Google Scholar] [CrossRef]
- Staffell, I.; Scamman, D.; Abad, A.V.; Balcombe, P.; Dodds, P.E.; Ekins, P.; Shahd, S.; Warda, K.R. The role of hydrogen and fuel cells in the global energy system. Energy Environ. Sci. 2019, 12, 463. [Google Scholar] [CrossRef]
- Manoharan, Y.; Hosseini, S.E.; Butler, B.; Alzhahrani, H.; Senior, B.T.F.; Ashuri, T.; Krohn, J. Hydrogen Fuel Cell Vehicles; Current Status and Future Prospect. Appl. Sci. 2019, 9, 2296. [Google Scholar] [CrossRef]
- Fawzy, S.; Osman, A.I.; Doran, J.; Rooney, D.W. Strategies for mitigation of climate change: A review. Environ. Chem. Lett. 2020, 18, 2069–2094. [Google Scholar] [CrossRef]
- Hosseini, S.E.; Wahid, M.A. Hydrogen from solar energy, a clean energy carrier from asustainable source of energy. Int. J. Energy Res. 2020, 44, 4063–5034. [Google Scholar]
- Renssen, S.V. The Hydrogen Solution? Nat. Clim. Chang. 2020, 10, 799–801. [Google Scholar] [CrossRef]
- Farghali, M.; Osman, A.I.; Chen, Z.; Abdelhaleem, A.; Ihara, I.; Mohamed, I.M.A.; Yap, P.S.; Rooney, D.W. Social, environmental, and economic consequences of integrating renewable energies in the electricity sector: A review. Environ. Chem. Lett. 2023, 21, 1381–1418. [Google Scholar] [CrossRef]
- Alasali, F.; Abuashour, M.I.; Hammad, W.; Almomani, D.; Obeidat, A.M.; Holderbaum, W. A review of hydrogen production and storage materials for efficient integrated hydrogen energy systems. Energy Sci. Eng. Early View 2024, 12, 1–35. [Google Scholar] [CrossRef]
- Ahad, M.T.; Bhuiyan, M.M.H.; Sakib, A.N.; Becerril Corral, A.; Siddique, Z. An Overview of Challenges for the Future of Hydrogen. Materials 2023, 16, 6680. [Google Scholar] [CrossRef]
- Yue, M.; Lambert, H.; Pahon, E.; Roche, R.; Jemei, S.; Hassle, D. Hydrogen energy systems: A critical review of technologies, applications, trends and challenges. Renew. Sustain. Energy Rev. 2021, 146, 111180. [Google Scholar] [CrossRef]
- Lasher, S.; McKenney, K.; Sinha, J. Technical Assessment of Compressed Hydrogen Storage Tank Systems for Automotive Applications. United States Dep. Energy Off. Energy Effic. Renew. Energy Hydrog. Fuel Cells Infrastruct. Technol. Program 2009, 1, 1. [Google Scholar]
- Shin, H.K.; Ha, S.K. A Review on the Cost Analysis of Hydrogen Gas Storage Tanks for Fuel Cell Vehicles. Energies 2023, 16, 5233. [Google Scholar] [CrossRef]
- Swidler, D.S. Life Cycle Assessment of Hydrogen as a Transportation Fuel in the California Market; University of Pennsylvania: Philadelphia, PA, USA, 2020; pp. 1–57. [Google Scholar]
- Aktas, D. DA-II Electric-P A-II Electric-Powered Sport Aircraft Utilizing Fuel Cell and Liquid Hydrogen Technologies. Master’s Thesis, University of Tennessee, Knoxville, TN, USA, 2010; pp. 1–91. [Google Scholar]
- Zhang, L.; Allendrof, M.D.; Xicohténcatl, R.B.; Broom, D.P.; Fanourgakis, G.S.; Froudakis, G.E.; Gennett, T.; Hurst, K.E.; Ling, S.; Milanese, C.; et al. Fundamentals of hydrogen storage in nanoporous materials. Prog. Energy 2022, 4, 042013. [Google Scholar] [CrossRef]
- Holley, P.G.; Schweitzer, B.; Islamoglu, T.; Liu, Y.; Lin, L.; Rodriguez, S.; Weston, M.H.; Hupp, J.T.; Gómez-Gualdrón, D.A.; Yildirim, T.; et al. Benchmark Study of Hydrogen Storage in Metal–Organic Frameworks under Temperature and Pressure Swing Conditions. ACS Energy Lett. 2018, 3, 3. [Google Scholar]
- Klopcic, N.; Grimmer, I.; Winkler, F.; Sartory, M.; Trattner, A. A review on metal hydride materials for hydrogen storage. J. Energy Storage 2023, 72, 108456. [Google Scholar] [CrossRef]
- Dematteis, E.M.; Amdisen, M.B.; Autrey, T.; Barale, J.; Bowden, M.E.; Buckley, C.E.; Cho, Y.W.; Deledda, S.; Dornheim, M.; De Jongh, P.; et al. Hydrogen storage in complex hydrides: Past activities and new trends. Prog. Energy 2022, 4, 032009. [Google Scholar] [CrossRef]
- Chu, C.; Wu, K.; Luo, B.; Cao, Q.; Zhang, H. Hydrogen storage by liquid organic hydrogen carriers: Catalyst, renewable carrier, and technology—A review. Carbon Resour. Convers. 2023, 6, 351. [Google Scholar] [CrossRef]
- Bermudez Aponte, N.A.; Meille, V. Use of Biosourced Molecules as Liquid Organic Hydrogen Carriers (LOHC) and for Circular Storage. Reactions 2024, 5, 195–212. [Google Scholar] [CrossRef]
- Elberry, A.M.; Thakur, J.; Santasalo-Aarnio, A.; Larmi, M. Large-scale compressed hydrogen storage as part of renewable electricity storage systems. Int. J. Hydrogen Energy 2021, 46, 15671–15690. [Google Scholar] [CrossRef]
- Zhang, T.; Uratani, J.; Huang, Y.; Xu, L.; Griffiths, S.; Ding, Y. Hydrogen liquefaction and storage: Recent progress and perspectives. Renew. Sustain. Energy Rev. 2023, 176, 113204. [Google Scholar] [CrossRef]
- Yang, M.; Hunger, R.; Berrettoni, S.; Sprecher, B.; Wang, B. A review of hydrogen storage and transport technologies. Clean Energy 2023, 7, 190–216. [Google Scholar] [CrossRef]
- Le, T.T.; Sharma, P.; Bora, B.I.; Tran, V.D.; Truong, T.H.; Le, H.C.; Nguyen, P.Q.P. Fueling the future: A comprehensive review of hydrogen energy systems and their challenges. Int. J. Hydrogen Energy 2024, 54, 791–816. [Google Scholar] [CrossRef]
- Ma, N.; Zhao, W.; Wang, W.; Li, X.; Zhou, H. Large scale of green hydrogen storage: Opportunities and challenges. Int. J. Hydrogen Energy 2024, 50, 379–396. [Google Scholar] [CrossRef]
- Osman, A.I.; Mehta, N.; Elgarahy, A.M.; Hefny, M.; Al-Hinai, A.; Al-Muhtase, A.K.; Rooney, D.W. Hydrogen production, storage, utilisation and environmental impacts: A review. Environ. Chem. Lett. 2022, 20, 153–188. [Google Scholar] [CrossRef]
- Dawood, F.; Anda, M.; Shafiullah, G.M. Hydrogen production for energy: An overview. Int. J. Hydrogen Energy 2020, 45, 3847–3869. [Google Scholar] [CrossRef]
- Rivard, E.; Trudeau, M.; Zaghib, K. Hydrogen Storage for Mobility: A Review. Materials 2019, 12, 1973. [Google Scholar] [CrossRef] [PubMed]
- Aziz, M.; Wijayanta, A.T.; Nandiyanto, A.B.D. Ammonia as Effective Hydrogen Storage: A Review on Production, Storage and Utilization. Energies 2020, 13, 3062. [Google Scholar] [CrossRef]
- Cheng, Q.; Zhang, R.; Shi, Z.; Lin, J. Review of common hydrogen storage tanks and current manufacturing methods for aluminium alloy tank liners. Int. J. Lightweight Mater. Manuf. 2024, 7, 269–284. [Google Scholar] [CrossRef]
- Nachtane, M.; Tarfaoui, M.; Abichou, M.a.; Vetcher, A.; Rouway, M.; Aâmir, A.; Mouadili, H.; Laaouidi, H.; Naanani, H. An Overview of the Recent Advances in Composite Materials and Artificial Intelligence for Hydrogen Storage Vessels Design. J. Compos. Sci. 2023, 7, 119. [Google Scholar] [CrossRef]
- Ustolin, F.; Paltrinieri, N.; Berto, F. Loss of integrity of hydrogen technologies: A critical review. Int. J. Hydrogen Energy 2020, 45, 23809–23840. [Google Scholar] [CrossRef]
- Shen, C.; Ma, L.; Huang, G.; Wu, Y.; Zheng, J.; Liu, Y.; Hu, J. Consequence assessment of high-pressure hydrogen storage tank rupture during fire test. J. Loss Prev. Process Ind. 2018, 55, 223–231. [Google Scholar] [CrossRef]
- Yu, Y.; Chen, M.; Zaman, S.; Xing, S.; Wang, M.; Wang, H. Thermal management system for liquid-cooling PEMFC stack: From primary configuration to system control strategy. eTransportation 2022, 12, 100165. [Google Scholar] [CrossRef]
- Srinath, A.N.; Pena López, Á.; Miran Fashandi, S.A.; Lechat, S.; di Legge, G.; Nabavi, S.A.; Nikolaidis, T.; Jafari, S. Thermal Management System Architecture for Hydrogen-Powered Propulsion Technologies: Practices, Thematic Clusters, System Architectures, Future Challenges, and Opportunities. Energies 2022, 15, 304. [Google Scholar] [CrossRef]
- Hirscher, M.; Yartys, V.A.; Baricco, M.; Colbe, J.B.V.; Blanchard, D.; Bowman Jr, R.C.; Broom, D.P.; Buckley, C.E.; Chang, F.; Chen, P.; et al. Materials for hydrogen-based energy storage e past, recent progress and future outlook. J. Alloys Compd. 2020, 827, 153548. [Google Scholar] [CrossRef]
- Ustolin, F.; Campari, A.; Taccani, R. An Extensive Review of Liquid Hydrogen in Transportation with Focus on the Maritime Sector. J. Mar. Sci. Eng. 2022, 10, 1222. [Google Scholar] [CrossRef]
- Andrade, P.; Laadjal, K.; Alcaso, A.N.; Cardoso, A.J.M. A Comprehensive Review on Condition Monitoring and Fault Diagnosis in Fuel Cell Systems: Challenges and Issues. Energies 2024, 17, 657. [Google Scholar] [CrossRef]
- Genovese, M.; Blekhman, D.; Fragiacomo, P. An Exploration of Safety Measures in Hydrogen Refueling Stations: Delving into Hydrogen Equipment and Technical Performance. Hydrogen 2024, 5, 102–122. [Google Scholar] [CrossRef]
- Muthukumar, P.; Kumar, A.; Afzal, M.; Bhogilla, S.; Sharma, P.; Parida, A.; Jana, S.; Kumar, E.A.; Pai, R.K.; Iain, I.P. Review on large-scale hydrogen storage systems for better sustainability. Int. J. Hydrogen Energy 2023, 48, 33223–33259. [Google Scholar] [CrossRef]
- Gómez, J.A.; Santos, D.M.F. The Status of On-Board Hydrogen Storage in Fuel Cell Electric Vehicles. Designs 2023, 7, 97. [Google Scholar] [CrossRef]
- Xu, Z.; Zhao, N.; Hillmansen, S.; Roberts, C.; Yan, Y. Techno-Economic Analysis of Hydrogen Storage Technologies for Railway Engineering: A Review. Energies 2022, 15, 6467. [Google Scholar] [CrossRef]
- Li, F.; Liu, D.; Sun, K.; Yang, S.; Peng, F.; Zhang, K.; Guo, G.; Si, Y. Towards a Future Hydrogen Supply Chain: A Review of Technologies and Challenges. Sustainability 2024, 16, 1890. [Google Scholar] [CrossRef]
- Fan, L.; Tu, Z.; Chan, S.W. Recent development of hydrogen and fuel cell technologies: A review. Energy Rep. 2021, 7, 8421–8446. [Google Scholar] [CrossRef]
- Panayiotou, G.; Kalogirou, S.; Tassou, S. Solar Hydrogen Production and Storage Techniques. Recent Pat. Mech. Eng. 2010, 3, 154–159. [Google Scholar]
- Ates, A.; Shekadasht, S.Z.; Canli, E. Solar Energy Supported Hydrogen Production: A Theoretical Case Study. Selcuk. Univ. J. Eng. Sci. Tech. 2017, 5, 536–554. [Google Scholar] [CrossRef]
- Sharma, V.K.; Singh, R.; Gehlot, A.; Buddhi, D.; Braccio, S.; Priyadarshi, N.; Khan, B. Imperative Role of Photovoltaic and Concentrating Solar Power Technologies towards Renewable Energy Generation. Int. J. Photoenergy 2022, 2022, 852484. [Google Scholar] [CrossRef]
- Hong, J.; Xu, C.; Deng, B.; Gao, Y.; Zhu, X.; Zhang, X.; Zhang, Y. Photothermal Chemistry Based on Solar Energy: From Synergistic Effects to Practical Applications. Adv. Sci. 2022, 9, 3. [Google Scholar] [CrossRef] [PubMed]
- Soomar, A.M.; Hakeem, A.; Messaoudi, M.; Musznicki, P.; Iqbal, A.; Czapp, S. Solar Photovoltaic Energy Optimization and Challenges. Front. Energy Res. 2022, 10, 879985. [Google Scholar] [CrossRef]
- Modi, A.; Bühler, F.; Andreasen, J.G.; Haglind, F. A review of solar energy based heat and power generation systems. Renew. Sustain. Energy Rev. 2017, 67, 1047–1064. [Google Scholar] [CrossRef]
- Alghamdi, H.; Maduabuchi, C.; Okoli, K.; Alobaid, M.; Alghassab, M.; Alsafran, A.S.; Makki, E.; Alkhedher, M. Latest Advancements in Solar Photovoltaic-Thermoelectric Conversion Technologies: Thermal Energy Storage Using Phase Change Materials, Machine Learning, and 4E Analyses. Int. J. Energy Res. 2024, 2024, 1050785. [Google Scholar] [CrossRef]
- Rhodes, C.J. Solar energy: Principles and possibilities. Sci. Prog. 2010, 93, 37–112. [Google Scholar] [CrossRef] [PubMed]
- Santos, D.M.; Sequeira, C.A.C. Hydrogen Production by Alkaline Water Electrolysis. Quim. Nova 2013, 36, 1176–1193. [Google Scholar] [CrossRef]
- El-Shafie, M. Hydrogen production by water electrolysis technologies: A review. Results Eng. 2023, 20, 101426. [Google Scholar] [CrossRef]
- Wang, S.; Lu, A.; Zhoung, C.J. Hydrogen production from water electrolysis: Role of catalysts. Nano Converg. 2021, 8, 4. [Google Scholar] [CrossRef] [PubMed]
- Du, Z.; Liu, C.; Zhai, J.; Guo, X.; Xiong, Y.; Su, W.; He, G. A Review of Hydrogen Purification Technologies for Fuel Cell Vehicles. Catalysts 2021, 11, 393. [Google Scholar] [CrossRef]
- Sánchez-Bastardo, N.; Schlögl, R.; Ruland, H. Methane Pyrolysis for Zero-Emission Hydrogen Production: A Potential Bridge Technology from Fossil Fuels to a Renewable and Sustainable Hydrogen Economy. Ind. Eng. Chem. Res. 2021, 60, 32. [Google Scholar] [CrossRef]
- Kabeyi, M.J.B.; Olanrewaju, O.A. Biogas Production and Applications in the Sustainable Energy Transition. J. Energy 2022, 2022, 8750221. [Google Scholar] [CrossRef]
- Ulucan, T.H.; Akhade, S.A.; Ambalakatte, A.; Autrey, T.; Cairns, A.; Chen, P.; Cho, Y.W.; Gallucci, F.; Gao, W.; Grinderslev, J.B.; et al. Hydrogen storage in liquid hydrogen carriers: Recent activities and new trends. Prog. Energy 2023, 5, 012004. [Google Scholar] [CrossRef]
- Orlova, S.; Mezeckis, N.; Vasudev, V.P.K. Compression of Hydrogen Gas for Energy Storage: A Review. Latv. J. Phys. Tech. Sci. 2023, 2, 4–16. [Google Scholar] [CrossRef]
- Rolo, I.; Costa, V.A.F.; Brito, F.P. Hydrogen-Based Energy Systems: Current Technology Development Status, Opportunities and Challenges. Energies 2024, 17, 180. [Google Scholar] [CrossRef]
- Bapu, B.R.R.; Karthikeyan, J.; Reddy, K.V. Hydrogen fuel generation and storage. Indian J. Sci. Technol. 2011, 4, 6. [Google Scholar] [CrossRef]
- Chatterjee, S.; Parsapur, R.K.; Huang, K.W. Limitations of Ammonia as a Hydrogen Energy Carrier for the Transportation Sector. ACS Energy Lett. 2021, 6, 12. [Google Scholar] [CrossRef]
- Aki, H.; Yamamoto, S.; Kondoh, J.; Maeda, T.; Yamaguchi, H.; Murata, A.; Ishii, I. Fuel cells and energy networks of electricity, heat, and hydrogen in residential areas. Int. J. Hydrogen Energy 2006, 31, 967–980. [Google Scholar] [CrossRef]
- Gimeno-Sales, F.J.; Orts-Grau, S.; Escribá-Aparisi, A.; González-Altozano, P.; Balbastre-Peralta, I.; Martínez-Márquez, C.I.; Gasque, M.; Seguí-Chilet, S. PV Monitoring System for a Water Pumping Scheme with a Lithium-Ion Battery Using Free Open-Source Software and IoT Technologies. Sustainability 2020, 12, 10651. [Google Scholar] [CrossRef]
- Althaus, P.; Redder, F.; Ubachukwu, E.; Mork, M.; Xhonneux, A.; Müller, D. Enhancing Building Monitoring and Control for District Energy Systems: Technology Selection and Installation within the Living Lab Energy Campus. Appl. Sci. 2022, 12, 3305. [Google Scholar] [CrossRef]
- Ayele, E.D.; Gonzalez, J.F.; Teeuw, W.B. Enhancing Cybersecurity in Distributed Microgrids: A Review of Communication Protocols and Standards. Sensors 2024, 24, 854. [Google Scholar] [CrossRef]
- Wei, D.; Li, H.; Ren, Y.; Yao, X.; Wang, L.; Jin, K. Modeling of hydrogen production system for photovoltaic power generation and capacity optimization of energy storage system. Front. Energy Res. 2022, 10, 1004277. [Google Scholar] [CrossRef]
- Ali, Z.M.; Calasan, M.; Aleem, S.H.E.A.; Jurado, F.; Gandoman, F.H. Applications of Energy Storage Systems in Enhancing Energy Management and Access in Microgrids: A Review. Energies 2023, 16, 5930. [Google Scholar] [CrossRef]
- Esmaeilion, F. Hybrid renewable energy systems for desalination. Appl. Water Sci. 2020, 10, 84. [Google Scholar] [CrossRef]
- Das, D.; Chakraborty, I.; Bohre, A.K.; Kumar, P.; Agarwala, R. Sustainable Integration of Green Hydrogen in Renewable Energy Systems for Residential and EV Applications. Int. J. Energy Res. 2024, 2024, 8258624. [Google Scholar] [CrossRef]
- Farghali, M.; Osman, A.I.; Mohamed, I.M.A.; Chen, Z.; Chen, L.; Ihara, I.; Yap, P.S.; Rooney, D.W. Strategies to save energy in the context of the energy crisis: A review. Environ. Chem. Lett. 2023, 21, 2003–2039. [Google Scholar] [CrossRef] [PubMed]
- Kalak, T. Potential Use of Industrial Biomass Waste as a Sustainable Energy Source in the Future. Energies 2023, 16, 1783. [Google Scholar] [CrossRef]
- Zini, G.; Tartarini, P. Hybrid systems for solar hydrogen: A selection of case-studies. Appl. Therm. Eng. 2009, 29, 2585–2595. [Google Scholar] [CrossRef]
- Byrne, R.H.; Nguyen, T.A.; Copp, D.A.; Chalamala, B.R.; Gyuk, I. Energy Management and Optimization Methods for Grid Energy Storage Systems. IEEE Access 2017, 6, 2169–3536. [Google Scholar] [CrossRef]
- Moa, E.H.Y.; Go, Y.L. Large-scale energy storage system: Safety and risk assessment. Sustain. Energy Res. 2023, 10, 13. [Google Scholar] [CrossRef]
- Nnabuife, S.G.; Johnson, J.U.; Okeke, N.E.; Ogbonnaya, C. Present and Projected Developments in Hydrogen Production: A Technological Review. Carbon Capture Sci. Technol. 2022, 3, 100042. [Google Scholar] [CrossRef]
- Sayed, E.T.; Olabi, A.G.; Alami, A.H.; Radwan, A.; Mdallal, A.; Rezk, A.; Abdelkareem, M.A. Renewable Energy and Energy Storage Systems. Energies 2023, 16, 1415. [Google Scholar] [CrossRef]
- Chakraborty, S.; Dash, S.K.; Elavarasan, R.M.; Kaur, A.; Elangovan, D.; Meraj, S.T.; Kasinathan, P.; Said, Z. Hydrogen Energy as Future of Sustainable Mobility. Front. Energy Res. 2022, 10, 893475. [Google Scholar] [CrossRef]
- Alsharif, M.H.; Kim, J.; Kim, J.H. Opportunities and Challenges of Solar and Wind Energy in South Korea: A Review. Sustainability 2018, 10, 1822. [Google Scholar] [CrossRef]
- Solomin, E.; Sirotkin, E.; Cuce, E.; Selvanathan, S.P.; Kumarasamy, S. Hybrid Floating Solar Plant Designs: A Review. Energies 2021, 14, 2751. [Google Scholar] [CrossRef]
- Mohammed, M.I.; Al-Naib, A.M.T.I. Design of SCADA System for a Solar Photovoltaic Power Plant. NTU J. Eng. Technol. 2023, 2, 55–62. [Google Scholar]
- Lin, Y.C.; Wyżga, P.; Macyk, J.; Macyk, W.; Guzik, M.N. Solar-driven (photo)electrochemical devices for green hydrogen production and storage: Working principles and design. J. Energy Storage 2024, 82, 110484. [Google Scholar] [CrossRef]
- Gentle, I.H.; Tembhurne, S.; Suter, C.; Haussener, S. Kilowatt-scale solar hydrogen production system using a concentrated integrated photoelectrochemical device. Nat. Energy 2023, 8, 586–596. [Google Scholar] [CrossRef]
- Habib, M.A.; Haque, M.A.; Imteyaz, B.; Hussain, M.; Abdelnaby, M.M. Potential of Integrating Solar Energy into Systems of Thermal Power Generation, Cooling-Refrigeration, Hydrogen Production, and Carbon Capture. J. Energy Resour. Technol. 2023, 145, 11. [Google Scholar] [CrossRef]
- Couty, P. First solar hydrogen storage in a private building in western Switzerland: Building energy analysis and schematic design. J. Phys. Conf. Ser. 2019, 1343, 012089. [Google Scholar] [CrossRef]
- Şevik, S. Techno-economic evaluation of a grid-connected PV-trigeneration-hydrogen production hybrid system on a university campus. Int. J. Hydrogen Energy 2022, 47, 23935–23956. [Google Scholar] [CrossRef]
- Kharel, S.; Shabani, B. Hydrogen as a Long-Term Large-Scale Energy Storage Solution to Support Renewables. Energies 2018, 11, 2825. [Google Scholar] [CrossRef]
- Agbossou, K.; Kolhe, M.; Hamelin, J.; Bose, T.K. Performance of a Stand-Alone Renewable Energy System Based on Energy Storage as Hydrogen. IEEE Trans. Energy Convers. 2004, 19, 3. [Google Scholar] [CrossRef]
- Chaparro, A.M.; Soler, J.; Escudero, M.J.; Daza, L. Testing an isolated system powered by solar energy and PEM fuel cell with hydrogen generation. Fuel Cells Bull. 2003, 11, 10–12. [Google Scholar] [CrossRef]
- Ofualagba, G.; Charles, I.K.; Okiemute, O.A. Solar Hydrogen Fuel Cell Technology, Principle, Applications and Market. J. Energy Technol. Policy 2012, 2, 2. [Google Scholar]
- Nižetić, S.; Šolić, P.; González-de-Artaza, D.L.P.I.; Patrono, L. Internet of Things (IoT): Opportunities, issues and challenges towards a smart and sustainable future. J. Clean. Prod. 2020, 274, 122877. [Google Scholar] [CrossRef] [PubMed]
- Li, J.; Chai, X.; Gu, Y.; Zhang, P.; Yang, X.; Wen, Y.; Xu, Z.; Jiang, B.; Wang, J.; Jin, G.; et al. Small-Scale High-Pressure Hydrogen Storage Vessels: A Review. Materials 2024, 17, 721. [Google Scholar] [CrossRef] [PubMed]
- Dornheim, M.; Baetck, L.; Akiba, E.; Ares, J.R.; Autrey, T.; Barale, J.; Baricco, M.; Brooks, K.; Chalkiadakis, N.; Charbonnier, V.; et al. Research and development of hydrogen carrier based solutions for hydrogen compression and storage. Prog. Energy 2022, 4, 042005. [Google Scholar] [CrossRef]
- Erdemir, D.; Dincer, I. A new solar energy-based system integrated with hydrogen storage and heat recovery for sustainable community. Sustain. Energy Technol. Assess. 2022, 52, 102355. [Google Scholar] [CrossRef]
- Nijsse, F.J.M.M.; Mercure, J.F.; Ameli, N.; Larosa, F.; Kothari, S.; Rickman, J.; Vercoulen, P.; Pollitt, H. The momentum of the solar energy transition. Nat. Commun. 2023, 14, 6542. [Google Scholar] [CrossRef]
- Agyekum, E.B.; Nutakor, C.; Agwa, A.M.; Kamel, S. A Critical Review of Renewable Hydrogen Production Methods: Factors Affecting Their Scale-Up and Its Role in Future Energy Generation. Membranes 2022, 12, 173. [Google Scholar] [CrossRef]











| No | Hydrogen Storage | Description |
|---|---|---|
| 1 | Gaseous | In tanks composed of lightweight materials like carbon fiber or composite materials, hydrogen gas is kept at high pressures, usually between 350 and 700 bar (5000 and 10,000 psi). Compression is appropriate for applications like fuel cell vehicles since it permits a comparatively high energy density and quick refueling times. The processes of compression and decompression can cause energy losses and demand a large amount of energy. Taking safety into account is essential because of the enormous pressure involved. |
| 2 | Liquid | The process of turning hydrogen gas into a liquid involves cooling it to extremely low temperatures (−253 °C or −423 °F), which greatly boosts the gas’s energy density. Compared to compressed gas storage, liquid hydrogen has a higher energy density, allowing for more effective storage and transmission. Boil-off losses over time owing to heat leakage occur, and liquefaction necessitates a significant energy input for cooling. It takes insulated storage tanks to keep the temperature down. |
| 3 | Solid | Hydrogen molecules attach themselves physically to the surface of solids like metal–organic frameworks (MOFs), activated carbon, and nanoporous materials. Compared to compression or liquefaction, adsorption offers the possibility of large storage capacities at lower pressures and temperatures. It can also be effective and reversible. It is still difficult to achieve quick kinetics and high efficiency in reversible adsorption–desorption cycles. Important considerations include the stability and durability of the adsorbent material as well as its selection. |
| 4 | Chemical | Metal hydrides and other hydride compounds are created when hydrogen forms a chemical bond with a solid substance. Hydrides provide stable storage at moderate temperatures and pressures and can store considerable amounts of hydrogen by weight. The efficiency of a system may be impacted by hydrides that require heating or cooling during cycles of hydrogen absorption and desorption. Important factors to take into account are the kinetics of hydrogen release and uptake as well as the stability and reversibility of the material. |
| 5 | Liquid Organic Hydrogen Carriers (LOHCs) | A liquid organic substance, such as an aromatic compound or a heterocycle containing nitrogen, is chemically linked to hydrogen. Transporting and storing hydrogen at room temperature and pressure is made safe and effective with LOHCs. Additionally, they have a high volumetric energy density. The kinetics of hydrogen uptake and release, as well as the requirement for catalysts or energy input, are crucial considerations. It is also necessary to take into account the carrier molecules’ regeneration and recycling. |
| No | Component | Description |
|---|---|---|
| 1 | Storage Vessel | Depending on the manner of storage, the storage vessel is a container made to keep hydrogen gas at either high pressure or low temperature. Carbon fiber, composite materials, and high-strength metals like steel or aluminum are frequently used to make storage vessels. For the purpose of storing compressed gas or liquid hydrogen, the vessel has to be designed to endure high pressures and low temperatures. In order to stop leaks or ruptures, it must also adhere to safety regulations. |
| 2 | Pressure Relief Device | The storage vessel has a pressure relief mechanism designed to guard against overpressurization and guarantee safe functioning. In order to prevent damage to the vessel and lower the possibility of mishaps, this device releases excess pressure from the storage vessel if it goes beyond the design limitations. Depending on the particular application and storage system requirements, pressure relief devices can be rupture discs, burst diaphragms, or pressure relief valves. |
| 3 | Thermal Management System | A thermal management system is essential in systems that use liquid hydrogen storage in order to maintain the low temperatures needed to keep hydrogen in its liquid condition. Typically, this system uses cooling mechanisms to eliminate any heat that enters the storage tank and insulation to reduce heat transfer. In order to reduce boil-off losses and guarantee the long-term stability of liquid hydrogen storage, effective thermal control is essential. |
| 4 | Hydrogen Delivery System | To move hydrogen gas from the storage vessel to the point of use, such as fuel cells or other hydrogen-consuming devices, the hydrogen delivery system is made up of pipes, valves, and connectors. The system needs to be built to withstand the high pressures and high purity needs of hydrogen gas. Additional parts like filters, regulators, and safety devices may be included in the distribution system, depending on the application, to manage the hydrogen flow and guarantee a secure and effective delivery. |
| 5 | Monitoring and Control System | Systems for monitoring and controlling the hydrogen storage system’s operation are crucial for guaranteeing its dependable and safe functioning. Sensors that measure variables like temperature, pressure, and hydrogen purity are commonly included in these systems, along with control devices to manage the functioning of pumps, valves, and other system parts. Through real-time monitoring and control, operators may minimize the likelihood of accidents and optimize system performance by identifying and addressing any anomalies or safety concerns. |
| No | Prospects | Description |
|---|---|---|
| 1 | Enhanced Energy Management with AIoT Integration | The energy management capabilities of solar–hydrogen storage systems can be greatly improved by integrating AIoT technologies. In order to optimize energy generation, storage, and distribution depending on dynamic environmental conditions, energy demand, and user preferences, artificial intelligence (AI) algorithms can assess real-time data from a variety of sensors and devices. Predictive maintenance, defect detection, and adaptive control strategies are made possible by this integration, which raises the overall effectiveness and dependability of the system. |
| 2 | Intelligent Energy Forecasting and Optimization | Advanced forecasting models can be used by AIoT-enabled solar–hydrogen storage systems to more accurately estimate solar power generation patterns, energy demand trends, and hydrogen production requirements. Through the continual learning of past data and environmental parameters, machine learning algorithms can optimize storage and energy consumption strategies, guaranteeing optimal resource allocation and system performance under a variety of operating scenarios. |
| 3 | Autonomous Operation and Decision-Making | AIoT gives solar–hydrogen storage systems the ability to operate autonomously and make decisions. Energy storage levels, hydrogen production rates, and electrolyzer operation are just a few examples of the factors that smart algorithms can dynamically modify in real time to maximize energy efficiency, save expenses, and lessen environmental effects. This self-sufficient feature minimizes the need for human involvement, improves the resilience of the system, and facilitates a smooth integration into smart grid networks. |
| 4 | Predictive Maintenance and Asset Management | Predictive maintenance and asset management in solar–hydrogen storage systems are made easier by AIoT integration. Through the analysis of sensor data, machine learning algorithms are able to foresee possible problems or breakdowns, schedule maintenance tasks in advance, and spot early indicators of equipment degradation. AIoT improves system reliability, decreases downtime, and saves maintenance costs over the course of the system’s lifecycle by anticipating maintenance needs and maximizing asset longevity. |
| 5 | Data-Driven Insight and Continuous Improvement | Analytics powered by AIoT offer insightful data about how solar–hydrogen storage systems operate and behave. Large datasets can contain hidden patterns, correlations, and optimization opportunities that can be found with advanced analytics tools. This allows for constant innovation and improvement in system design, operation, and energy management techniques. These revelations speed up the shift to sustainable energy systems, promote efficiency gains, and help decision-makers make well-informed choices. |
| No | Prospects | Description |
|---|---|---|
| 1 | Integrated Energy Systems | More integrated and networked energy systems will probably be the focus of future smart campuses with smart energy generation technologies. Energy management systems, smart grid infrastructure, energy storage technologies, and a variety of renewable energy sources are all included in this integration. Smart campuses can optimize resource use, minimize environmental impacts, and achieve better energy resilience, efficiency, and sustainability by smoothly merging these components. |
| 2 | Decentralized Energy Generation | Decentralized energy production and distribution will be given more importance in the future development of smart energy generation for smart campuses. Micro-hydro systems, wind turbines, and solar PV arrays are examples of distributed energy resources that will be crucial in supplying campus buildings with localized energy. In times of emergency or grid failure, decentralization promotes energy resilience, reduces transmission losses, and permits self-sufficiency. |
| 3 | Hydrogen Integration and Fuel Cells | Incorporating hydrogen technologies, including fuel cells and solar–hydrogen storage systems, has enormous promise for smart campuses with smart energy generation in the future. Because of its versatility as an energy carrier, hydrogen can be used for zero-emission transportation, long-term energy storage, and backup power supplies. By producing electricity, heating, and cooling efficiently and sustainably, fuel cell technologies further improve energy resilience and sustainability in campus operations. |
| 4 | Advanced Energy Management Systems | Artificial intelligence (AI) and Internet of Things (IoT) technology will be used to power sophisticated energy management systems in future smart energy generation solutions for smart campuses. Energy generation, storage, and consumption across campus facilities can be monitored, optimized, and controlled in real-time, thanks to AI-driven analytics, machine learning algorithms, and predictive modeling. Costs are decreased, efficiency is increased, and proactive reaction to shifting energy dynamics and user preferences is made possible by smart energy management. |
| 5 | Sustainability Education and Engagement | On smart campuses, future smart energy generation projects will emphasize community involvement, environmental education, and awareness. Technology innovation, cooperative research projects, and experiential learning are encouraged when energy systems are incorporated into interdisciplinary curricula, research projects, and campus sustainability efforts. Building a culture of environmental stewardship and empowering future leaders in clean energy can be achieved by involving students, teachers, staff, and community members in energy conservation, renewable energy adoption, and sustainability practices. |
| 6 | Demonstration and Showcase Projects | Upcoming smart energy generation projects on smart campuses will function as initiatives to showcase and demonstrate cutting edge energy practices and technologies. These initiatives demonstrate the viability, efficiency, and advantages of sustainable energy solutions, encouraging their acceptance and replication in other educational settings, local communities, and commercial sectors. Smart campuses encourage greater societal change in the direction of a sustainable energy future by setting an example. |
Disclaimer/Publisher’s Note: The statements, opinions and data contained in all publications are solely those of the individual author(s) and contributor(s) and not of MDPI and/or the editor(s). MDPI and/or the editor(s) disclaim responsibility for any injury to people or property resulting from any ideas, methods, instructions or products referred to in the content. |
© 2024 by the authors. Licensee MDPI, Basel, Switzerland. This article is an open access article distributed under the terms and conditions of the Creative Commons Attribution (CC BY) license (https://creativecommons.org/licenses/by/4.0/).
Share and Cite
Joshua, S.R.; Yeon, A.N.; Park, S.; Kwon, K. Solar–Hydrogen Storage System: Architecture and Integration Design of University Energy Management Systems. Appl. Sci. 2024, 14, 4376. https://doi.org/10.3390/app14114376
Joshua SR, Yeon AN, Park S, Kwon K. Solar–Hydrogen Storage System: Architecture and Integration Design of University Energy Management Systems. Applied Sciences. 2024; 14(11):4376. https://doi.org/10.3390/app14114376
Chicago/Turabian StyleJoshua, Salaki Reynaldo, An Na Yeon, Sanguk Park, and Kihyeon Kwon. 2024. "Solar–Hydrogen Storage System: Architecture and Integration Design of University Energy Management Systems" Applied Sciences 14, no. 11: 4376. https://doi.org/10.3390/app14114376
APA StyleJoshua, S. R., Yeon, A. N., Park, S., & Kwon, K. (2024). Solar–Hydrogen Storage System: Architecture and Integration Design of University Energy Management Systems. Applied Sciences, 14(11), 4376. https://doi.org/10.3390/app14114376

