Mechanical Properties of Disconnectable Coupling Joints for Steel Bracing under Eccentric Load
Abstract
1. Introduction
2. Numerical Model and Verification
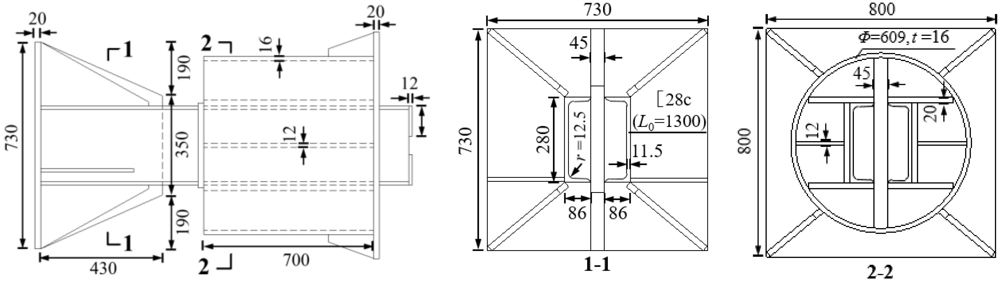
2.1. Finite Element Model
2.2. Validation of Finite Element Model
2.2.1. Failure Mode
2.2.2. Load-Displacement Curve
3. Response Feature under Eccentric Load
3.1. Loading Method of Eccentric Load
3.2. Results of Numerical Simulation
3.2.1. Deformation
3.2.2. Stress Distribution
4. Bearing Capacity under Eccentric Load
4.1. Value Criteria of Bearing Capacity Indexes
4.2. Parameter Analysis of Bearing Capacity
4.2.1. Influence of Eccentricity
4.2.2. Influence of Steel Wedge Length
4.2.3. Influence of Steel Wedge Width
4.2.4. Influence of Steel Wedge Height
4.2.5. Influence of Steel Tube Wall Thickness
4.2.6. Influence of Channel Steel Thickness
4.2.7. Influence of the Middle-Rib Plate Height
5. Flexural Performance under Eccentric Load
5.1. Selection Criteria of Flexural Performance Indexes
5.2. Parameters Analysis on Flexural Performance
5.2.1. Influence of Eccentricity
5.2.2. Influence of Steel Wedge Length
5.2.3. Influence of Steel Wedge Width
5.2.4. Influence of Steel Wedge Height
5.2.5. Influence of Steel Tube Wall Thickness
5.2.6. Influence of Channel Steel Thickness
5.2.7. Influence of Middle-Rib Plate Height
6. Moment–Rotation Model
6.1. Building Model
6.2. Determination of Parameters
6.2.1. Determination of Mi
6.2.2. Determination of θ0
- (1)
- Calculation of Δ1
- (2)
- Calculation of Δ2
6.2.3. Determination of n
6.2.4. Determination of λ
6.3. Comparative Analysis of Numerical Results and Analytical Solutions
6.3.1. Comparative Analysis of Complete Curve
6.3.2. Comparative Analysis of Flexural Performance Indexes
7. Conclusions
- (1)
- The load-displacement curve and failure mode of DC joints obtained by numerical analysis are in good agreement with those of the experimental results. The finite element model can accurately simulate both the bearing capacity and flexural performance of DC joints under eccentric load.
- (2)
- Eccentricity significantly affects the flexural performance of DC joints. Flexural performance is reduced to 53% of the original, as eccentricity increases from 0 mm to 36.5 mm, so the effective control of eccentricity is beneficial in improving flexural performance.
- (3)
- The bearing capacity and flexural performance of DC joints decreases with eccentricity, steel wedge height and middle-rib plate height; they increase with steel wedge length, steel wedge width, channel steel thickness and steel tube wall thickness.
- (4)
- The calculation methods for both Mi and θ0 in the moment–rotation model are deduced, and the calculation formulas of both n and λ in the moment–rotation model are fitted. The correctness of the calculation formulas of the four parameters is verified by comparison with the bending resistance index of the numerical model of DC joints.
- (5)
- The thickness of channel steel has a significant effect on the flexural performance of DC joints. Therefore, in practical projects, appropriate strengthening of channel steel should be considered to effectively improve the flexural performance of DC joints.
Author Contributions
Funding
Institutional Review Board Statement
Informed Consent Statement
Data Availability Statement
Conflicts of Interest
Nomenclature
| e | eccentricity |
| l | steel wedge length |
| w | steel wedge width |
| h | steel wedge height |
| t | wall thickness of steel pipe |
| tc | channel steel thickness |
| hm | middle-rib plate height |
| Fy | yield load |
| k | initial compression stiffness |
| I | inertial moment |
| F | concentrated force |
| θ | rotation |
| Mi | idealized elastic-plastic mechanism moment |
| Sini | initial rotation stiffness |
| n | shape parameter |
| H | web height of channel |
| Sini, Eq | initial rotation stiffness of calculation |
| Mu, Eq | moment resistance of calculation |
| fu | ultimate stress |
| E | Young’s modulus |
| fy | yield stress |
| δ | ultimate deformation rate |
| ρ | density |
| υ | poisson’s ratio |
| μ | coefficient of friction |
| L | calculated length of the bar |
| W | bending section coefficient |
| M | moment |
| θ0 | reference rotation |
| Fi | ultimate bending load |
| Mu | moment resistance |
| λ | correction coefficient |
| A | effective compression area |
| tw | width of channel flange |
| RE | relative errors |
| Spinned | lower limit of rotation stiffness |
References
- Luo, Z.; Li, Y.; Zhou, S.; Di, H. Effects of vertical spatial variability on supported excavations in sands considering multiple geotechnical and structural failure modes. Comput. Geotech. 2018, 95, 16–29. [Google Scholar] [CrossRef]
- Cui, X.; Ye, M.; Zhuang, Y. Performance of a foundation pit supported by bored piles and steel struts: A case study. Soils Found. 2018, 58, 1016–1027. [Google Scholar] [CrossRef]
- Li, Z.; Han, M.; Liu, L.; Li, Y.; Yan, S. Corner and partition wall effects on the settlement of a historical building near a supported subway excavation in soft soil. Comput. Geotech. 2020, 128, 103805. [Google Scholar] [CrossRef]
- Ding, Z.; Wang, D.; Yu, X.F.; Wang, J.Y.; Jiang, J.Q. Monitoring and analysis of deep foundation pit at Xintang Road-JingfangRoad cross of Hangzhou metro. J. Geotech. Eng. 2013, 35, 445–451. (In Chinese) [Google Scholar]
- Lan, W.; Li, B.; Zhang, Z. Seismic performance of steel-concrete composite structural walls with prestressed internal bracing. J. Constr. Steel Res. 2018, 140, 11–24. [Google Scholar] [CrossRef]
- Zhang, M.J.; Yang, M.; Li, P.; Gao, Y.H. Mechanical behaviours of a symmetrical bolt fasten wedge active joint for braced excavations. Symmetry 2020, 12, 140. [Google Scholar] [CrossRef]
- Cheng, X.; Zheng, G.; Diao, Y.; Huang, T.; Deng, C.; Nie, D.; Lei, Y. Experimental study of the progressive collapse mechanism of excavations retained by cantilever piles. Can. Geotech. J. 2017, 54, 574–587. [Google Scholar] [CrossRef]
- Lam, E.S.-S.; Li, B.; Xue, Z.-H.; Leung, K.-T.; Lam, J.Y.-K. Experimental studies on reinforced concrete interior beam-column joints strengthened by unsymmetrical chamfers. Eng. Struct. 2019, 191, 575–582. [Google Scholar] [CrossRef]
- Yang, Y.; Xue, Y.; Wang, N.; Yu, Y. Experimental and numerical study on seismic performance of deficient interior RC joints retrofitted with prestressed high-strength steel strips. Eng. Struct. 2019, 190, 306–318. [Google Scholar] [CrossRef]
- Sasmal, S.; Voggu, S. Performance evaluation of differently designed beam-column joints under cyclic shear-torsion loading. Eng. Struct. 2019, 197, 109447. [Google Scholar] [CrossRef]
- Zeng, Q.; Guo, X.; Huang, Z.; Zong, S. Uniaxial compression bearing capacity of bolted ball-cylinder joint. Eng. Struct. 2019, 183, 976–986. [Google Scholar] [CrossRef]
- Özkılıç, Y.O. Cyclic and monotonic performance of unstiffened extended end-plate connections having thin end-plates and large-bolts. Eng. Struct. 2023, 281, 115794. [Google Scholar] [CrossRef]
- Özkılıç, Y.O. Interaction of flange and web slenderness, overstrength factor and proposed stiffener arrangements for long links. J. Constr. Steel Res. 2022, 190, 107150. [Google Scholar] [CrossRef]
- Feng, R.; Lin, J.; Mou, X. Experiments on hybrid tubular K-joints with circular braces and square chord in stainless steel. Eng. Struct. 2019, 190, 52–65. [Google Scholar] [CrossRef]
- Jin, D.; Hou, C.; Shen, L.; Han, L.-H. Numerical investigation of demountable CFST K-joints using blind bolts. J. Constr. Steel Res. 2019, 160, 428–443. [Google Scholar] [CrossRef]
- Pandey, M.; Young, B. Tests of cold-formed high strength steel tubular T-joints. Thin-Walled Struct. 2019, 143, 106200. [Google Scholar] [CrossRef]
- Özkılıç, Y.O. The capacities of unstiffened T-stubs with thin plates and large bolts. J. Constr. Steel Res. 2021, 186, 106908. [Google Scholar] [CrossRef]
- Özkılıç, Y.O. The capacities of thin plated stiffened T-stubs. J. Constr. Steel Res. 2021, 186, 106912. [Google Scholar] [CrossRef]
- Chen, Y.; Hu, Z.; Guo, Y.; Wang, J.; Tong, G.; Liu, Q.; Pan, Y. Effects of chord pre-load on strength of CHS X-joints stiffened with external ring stiffeners and gusset plates. Eng. Struct. 2019, 195, 125–143. [Google Scholar] [CrossRef]
- Zhang, M.J.; Xie, Z.T.; Liu, Y.X.; Li, P.F.; Yang, M. Mechanical properties and improvement measures of the active node in steel braced foundation pit engineering for subway. J. Beijing Jiaotong Univ. 2019, 43, 66–73. (In Chinese) [Google Scholar]
- Wang, S.J.; Zhang, Y.Y.; Li, J.W.; Huang, D. Field test verification of new flexible head steel support and deep foundation excavation support effect. Constr. Technol. 2019, 48, 72–77. (In Chinese) [Google Scholar]
- Zhang, M.; Xie, Z.; Li, P. Experimental and numerical investigation on the bearing capacity of disconnectable coupling (DC) joints for prestressed internal bracing in subway excavations. Tunn. Undergr. Space Technol. 2020, 104, 103501. [Google Scholar] [CrossRef]
- Ye, S.H.; Ding, S.H.; Gong, X.N.; Gao, S. Monitoring and numerical simulation of deep foundation pit of a subway station in Lanzhou. Chin. J. Geot. Eng. 2018, 40, 177–182. (In Chinese) [Google Scholar]
- Halder, K.; Chakraborty, D. Effect of inclined and eccentric loading on the bearing capacity of strip footing placed on the reinforced slope. Soils Found. 2020, 60, 791–799. [Google Scholar] [CrossRef]
- Franza, A.; Sheil, B. Pile groups under vertical and inclined eccentric loads: Elastoplastic modelling for performance based design. Comput. Geotech. 2021, 135, 104092. [Google Scholar] [CrossRef]
- Liu, J.; Shi, C.; Cao, C.; Lei, M.; Wang, Z. Improved analytical method for pile response due to foundation pit excavation. Comput. Geotech. 2020, 123, 103609. [Google Scholar] [CrossRef]
- Sun, J.C.; Bai, T.H. Research on the bearing capacity of the flexible head of the steel support system of the subway foundation excavation. Constr. Technol. 2020, 49, 119–125. (In Chinese) [Google Scholar]
- Zhang, M.J.; Yuan, Y.; Wang, X.J. Mechanical properties of BFW active node of steel brace in foundation pit engineering under eccentric load. J. Beijing Univ. Technol. 2018, 44, 251–258. (In Chinese) [Google Scholar]
- Lui, E.; Chen, W.-F. Analysis and behaviour of flexibly-jointed frames. Eng. Struct. 1986, 8, 107–118. [Google Scholar] [CrossRef]
- Wu, F.-H.; Chen, W.-F. A design model for semi-rigid connections. Eng. Struct. 1990, 12, 88–97. [Google Scholar] [CrossRef]
- Ang, K.M.; Morris, G.A. Analysis of three-dimensional frames with flexible beam–column connections. Can. J. Civ. Eng. 1984, 11, 245–254. [Google Scholar] [CrossRef]
- Shi, G.; Shi, Y.Y.; Wang, Y.Q. Calculation method on moment-rotation curves ofbeam-to-column semirigid end-plate connections. Eng. Mech. 2006, 23, 67–73. (In Chinese) [Google Scholar] [CrossRef]
- GB/T 700–2006; Carbon Structural Steels. China Architecture and Building Press: Beijing, China, 2006. (In Chinese)
- Guo, X.; Huang, Z.; Xiong, Z.; Yang, S.; Peng, L. Numerical studies on behaviour of bolted ball-cylinder joint under axial force. Steel Compos. Struct. 2016, 20, 1323–1343. [Google Scholar] [CrossRef]
- Tian, F.; Liu, C.X.; Liu, F. Research on the true stress-strain curves of Q235 steel. J. Cent. South Univ. For. Technol. 2011, 31, 182–186. (In Chinese) [Google Scholar]
- Xia, Z.B.; Yao, J. Principle and Design of Steel Structure, 2nd ed.; China Construction Industry Press: Beijing, China, 2011; pp. 9–10. (In Chinese) [Google Scholar]
- BS EN 1993-1-8:2005; CEN Eurocode 3: Design of Steel Structures-Part 1-8: Design of Joints. British Standards Institution: London, UK, 2005; pp. 54–56.
- Guo, X.N.; Zeng, Q.; Huang, Z.W.; Peng, L.; Chen, Y. Numerical study on flexural behavior of bolted ball-cylinder joint. J. Hunan Univ. 2020, 47, 53–65. (In Chinese) [Google Scholar]
































| Material | E (GPa) | fy (MPa) | fu (MPa) | δ (%) | ρ (g/cm3) | υ | μ |
|---|---|---|---|---|---|---|---|
| Q235 | 209.511 | 235.7 | 372 | 14.3 | 7.85 | 0.3 | 0.2 |
| Stress (MPa) | 0 | 215.7 | 250 | 325 | 372 | 402 |
| Strain | 0 | 0.1 | 0.3 | 10 | 17.7 | 34.3 |
| Number | e/mm | h/mm | l/mm | w/mm | t/mm | tc/mm | hm/mm |
|---|---|---|---|---|---|---|---|
| 1 | 36.5 | 100 | 350 | 45 | 16 | 13 | 430 |
| 2 | 73 | ||||||
| 3 | 109.5 | ||||||
| 4 | 146 | ||||||
| 5 | 73 | 100 | 300 | 45 | 16 | 13 | 430 |
| 6 | 400 | ||||||
| 7 | 450 | ||||||
| 8 | 73 | 100 | 350 | 25 | 16 | 13 | 430 |
| 9 | 30 | ||||||
| 10 | 35 | ||||||
| 11 | 40 | ||||||
| 12 | 73 | 50 | 350 | 45 | 16 | 13 | 430 |
| 13 | 150 | ||||||
| 14 | 200 | ||||||
| 15 | 250 | ||||||
| 16 | 73 | 100 | 350 | 45 | 10 | 13 | 430 |
| 17 | 12 | ||||||
| 18 | 14 | ||||||
| 19 | 18 | ||||||
| 20 | 20 | ||||||
| 21 | 73 | 100 | 350 | 45 | 16 | 7 | 430 |
| 22 | 10 | ||||||
| 23 | 16 | ||||||
| 24 | 19 | ||||||
| 25 | 73 | 100 | 350 | 45 | 16 | 13 | 330 |
| 26 | 380 | ||||||
| 27 | 480 |
Disclaimer/Publisher’s Note: The statements, opinions and data contained in all publications are solely those of the individual author(s) and contributor(s) and not of MDPI and/or the editor(s). MDPI and/or the editor(s) disclaim responsibility for any injury to people or property resulting from any ideas, methods, instructions or products referred to in the content. |
© 2023 by the authors. Licensee MDPI, Basel, Switzerland. This article is an open access article distributed under the terms and conditions of the Creative Commons Attribution (CC BY) license (https://creativecommons.org/licenses/by/4.0/).
Share and Cite
Xie, Z.; Niu, X.; Li, P.; Zhang, M.; Liu, X. Mechanical Properties of Disconnectable Coupling Joints for Steel Bracing under Eccentric Load. Appl. Sci. 2023, 13, 5596. https://doi.org/10.3390/app13095596
Xie Z, Niu X, Li P, Zhang M, Liu X. Mechanical Properties of Disconnectable Coupling Joints for Steel Bracing under Eccentric Load. Applied Sciences. 2023; 13(9):5596. https://doi.org/10.3390/app13095596
Chicago/Turabian StyleXie, Zhitian, Xiaokai Niu, Pengfei Li, Mingju Zhang, and Xiao Liu. 2023. "Mechanical Properties of Disconnectable Coupling Joints for Steel Bracing under Eccentric Load" Applied Sciences 13, no. 9: 5596. https://doi.org/10.3390/app13095596
APA StyleXie, Z., Niu, X., Li, P., Zhang, M., & Liu, X. (2023). Mechanical Properties of Disconnectable Coupling Joints for Steel Bracing under Eccentric Load. Applied Sciences, 13(9), 5596. https://doi.org/10.3390/app13095596

