A New Instrument Monitoring Method Based on Few-Shot Learning
Abstract
1. Introduction
2. Methods and Dataset
2.1. Dataset
2.2. Data Augmentation
2.3. Data Annotation Methods
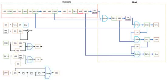
2.4. Improved YOLOv5 Structure
2.5. Training
2.6. Comparison Method
3. Results and Discussion
4. Conclusions
Author Contributions
Funding
Institutional Review Board Statement
Informed Consent Statement
Data Availability Statement
Acknowledgments
Conflicts of Interest
Abbreviations
| ACC | Average accuracy |
| CNN | Convolutional neural networks |
| FLIMM | Few-shot Learning Instrument monitoring method |
| FADGAM | Few-shot learning digital generation and annotation method |
| Mask R-CNN | Mask Regional Convolutional neural networks |
| RGB | Red, green, and blue |
| YOLOv3 | You only look once version 3 |
| YOLOv5 | You only look once version 5 |
References
- Manabu, O.; Fujioka, T.; Hashimoto, N.; Shimizu, H. The application of RTK-GPS and steer-by-wire technology to the automatic driving of vehicles and an evaluation of driver behavior. IATSS Res. 2006, 30, 29–38. [Google Scholar]
- Khan, A.K. Monitoring power for the future. Power Eng. J. 2001, 15, 81–85. [Google Scholar] [CrossRef]
- Alfa, M.J. Medical instrument reprocessing: Current issues with cleaning and cleaning monitoring. Am. J. Infect. Control 2019, 47, A10–A16. [Google Scholar] [CrossRef] [PubMed]
- Prabhu, G.R.D.; Yang, T.H.; Hsu, C.Y.; Shih, C.P.; Chang, C.M.; Liao, P.H.; Ni, H.T.; Urban, P.L. Facilitating chemical and biochemical experiments with electronic microcontrollers and single-board computers. Nat. Protoc. 2020, 15, 925–990. [Google Scholar] [CrossRef] [PubMed]
- Lollino, G.; Manconi, A.; Giordan, D.; Allasia, P.; Baldo, M. Infrastructure in geohazard contexts: The importance of automatic and near-real-time monitoring. In Environmental Security of the European Cross-Border Energy Supply Infrastructure; Springer: Berlin/Heidelberg, Germany, 2015; pp. 73–89. [Google Scholar]
- Angeli, M.G.; Pasuto, A.; Silvano, S. A critical review of landslide monitoring experiences. Eng. Geol. 2000, 55, 133–147. [Google Scholar] [CrossRef]
- Arora, M.; Jain, A.; Rustagi, S.; Yadav, T. Automatic number plate recognition system using optical character recognition. Int. J. Sci. Res. Comput. Sci. Eng. Inf. Technol. 2019, 5, 986–992. [Google Scholar] [CrossRef]
- Xu, P.; Zeng, W.; Shi, Y.; Zhang, Y. A Reading Recognition Algorithm of Pointer Type Oil—level Meter. Comput. Technol. Dev. 2018, 28, 189–193. [Google Scholar]
- Shizhou, S.; Kai, S.; Hui, L. A robust method for automatic identification of electricity pointer meter. Comput. Technol. Dev. 2018, 28, 192–195. [Google Scholar]
- Puranic, A.; Deepak, K.; Umadevi, V. Vehicle number plate recognition system: A literature review and implementation using template matching. Int. J. Comput. Appl. 2016, 134, 12–16. [Google Scholar] [CrossRef]
- Alegria, E.C.; Serra, A.C. Automatic calibration of analog and digital measuring instruments using computer vision. IEEE Trans. Instrum. Meas. 2000, 49, 94–99. [Google Scholar] [CrossRef]
- Huang, Z.; Wang, C. Reading Recognition of Digital Display Instrument Based on BP Neutral Network. In Proceedings of the 2008 International Conference on Computer Science and Software Engineering, Washington, DC, USA, 12–14 December 2008; IEEE: Piscataway, NJ, USA, 2008; Volume 1, pp. 106–109. [Google Scholar]
- Gong, R.; Nian, S.; Chen, L.; Zhang, G.; Tian, Y. Real-time reading recognition of digital display instrument based on BP neural network. In Proceedings of the IEEE ICCA 2010, Xiamen, China, 9–11 June 2010; IEEE: Piscataway, NJ, USA, 2010; pp. 1233–1238. [Google Scholar]
- Mariappan, M.; Ramu, V.; Ganesan, T.; Khoo, B.; Vellian, K. Virtual Medical Instrument for OTOROB based on LabView for acquiring multiple medical instrument LCD reading using optical charcater recognition. In Proceedings of the International Conference on Biomedical Engineering and Technology (IPCBEE), Kuala Lumpur, Malaysia, 4–5 June 2011; Volume 11, pp. 70–74. [Google Scholar]
- Wang, Y.; Xu, C.B.; Wang, J.; Gao, P.; Gao, J.P.; Xin, M.Y.; Zheng, J.L.; Shi, X.L. Automatic Recognition of Indoor Digital Instrument Reading for Inspection Robot of Power Substation. In Proceedings of the 2017 International Conference on Wireless Communications, Networking and Applications, Shenzhen, China, 20–22 October 2017; pp. 251–255. [Google Scholar]
- Lei, L.; Zhang, H.; Li, X. Research and Application of Instrument Reading Recognition Algorithm Based on Deep Learning. In Proceedings of the 2021 3rd International Conference on Artificial Intelligence and Advanced Manufacture (AIAM), Manchester, UK, 23–25 October 2021; IEEE: Piscataway, NJ, USA, 2021; pp. 535–539. [Google Scholar]
- Li, D.; Hou, J.; Gao, W. Instrument reading recognition by deep learning of capsules network model for digitalization in Industrial Internet of Things. Eng. Rep. 2022, 4, e12547. [Google Scholar] [CrossRef]
- Lin, Y.; Zhong, Q.; Sun, H. A pointer type instrument intelligent reading system design based on convolutional neural networks. Front. Phys. 2020, 8, 618917. [Google Scholar] [CrossRef]
- Lei, B.; Wang, N.; Xu, P.; Song, G. New crack detection method for bridge inspection using UAV incorporating image processing. J. Aerosp. Eng. 2018, 31, 04018058. [Google Scholar] [CrossRef]
- Kavzoglu, T. Increasing the accuracy of neural network classification using refined training data. Environ. Model. Softw. 2009, 24, 850–858. [Google Scholar] [CrossRef]
- Beini, Z.; Xuee, C.; Bo, L.; Weijia, W. A new few-shot learning method of digital PCR image detection. IEEE Access 2021, 9, 74446–74453. [Google Scholar] [CrossRef]
- Li, S.; Zhao, X. Image-based concrete crack detection using convolutional neural network and exhaustive search technique. Adv. Civ. Eng. 2019, 2019, 6520620. [Google Scholar] [CrossRef]
- Bradski, G.; Kaehler, A. OpenCV. Dr. Dobb’s Journal of Software. 2000. Available online: http://roswiki.autolabor.com.cn/attachments/Events(2f)ICRA2010Tutorial/ICRA_2010_OpenCV_Tutorial.pdf (accessed on 10 April 2023).
- Zhang, B.; Luo, X.; Lyu, Y.; Wu, X.; Wen, W. A defect detection method for topological phononic materials based on few-shot learning. New J. Phys. 2022, 24, 083012. [Google Scholar] [CrossRef]








| Method | Train | Validation | Test |
|---|---|---|---|
| Mask R-CNN | 280 (all real) | 120 (all real) | 390 (all real) |
| Pure YOLOv5 | 280 (all real) | 120 (all real) | 390 (all real) |
| FLIMM | 1015 (all simulation) | 435 (all simulation) | 390 (all real) |
| Method | TP | FP | FN | ACC | Detection Time/s |
|---|---|---|---|---|---|
| Human | 2581 | 0 | 0 | 100% | 22.925 |
| Template Matching | 1672 | 815 | 909 | 49.2% | 15.971 |
| Pure YOLOv5 | 2170 | 0 | 411 | 84.1% | 0.107 |
| Mask R-CNN | 2361 | 53 | 220 | 89.6% | 4.131 |
| FLIMM | 2560 | 0 | 21 | 99.2% | 0.092 |
Disclaimer/Publisher’s Note: The statements, opinions and data contained in all publications are solely those of the individual author(s) and contributor(s) and not of MDPI and/or the editor(s). MDPI and/or the editor(s) disclaim responsibility for any injury to people or property resulting from any ideas, methods, instructions or products referred to in the content. |
© 2023 by the authors. Licensee MDPI, Basel, Switzerland. This article is an open access article distributed under the terms and conditions of the Creative Commons Attribution (CC BY) license (https://creativecommons.org/licenses/by/4.0/).
Share and Cite
Zhang, B.; Li, L.; Lyu, Y.; Chen, S.; Xu, L.; Chen, G. A New Instrument Monitoring Method Based on Few-Shot Learning. Appl. Sci. 2023, 13, 5185. https://doi.org/10.3390/app13085185
Zhang B, Li L, Lyu Y, Chen S, Xu L, Chen G. A New Instrument Monitoring Method Based on Few-Shot Learning. Applied Sciences. 2023; 13(8):5185. https://doi.org/10.3390/app13085185
Chicago/Turabian StyleZhang, Beini, Liping Li, Yetao Lyu, Shuguang Chen, Lin Xu, and Guanhua Chen. 2023. "A New Instrument Monitoring Method Based on Few-Shot Learning" Applied Sciences 13, no. 8: 5185. https://doi.org/10.3390/app13085185
APA StyleZhang, B., Li, L., Lyu, Y., Chen, S., Xu, L., & Chen, G. (2023). A New Instrument Monitoring Method Based on Few-Shot Learning. Applied Sciences, 13(8), 5185. https://doi.org/10.3390/app13085185

