Abstract
To explore the influences of microwave irradiation on the rock-breaking efficiency of tunnel boring machine (TBM) cutters, a multimode cavity with a microwave power of 2100 W was used to conduct microwave irradiation tests on Chifeng basalt for different durations. A combined abrasion test device for the reduced-scale SP3-I TBM cutter was adopted to conduct cutter wear and rock-breaking tests on basalt samples before and after microwave irradiation. Influences of microwave irradiation on the wear loss of the reduced-scale TBM cutter, rock removal, cutting force, and specific energy were investigated. The results show that the wear loss of the reduced-scale TBM cutter linearly reduces while the rock removal linearly increases with increasing exposure to microwave irradiation. When the penetration depth and the cutter spacing are fixed, the cutting force and the work done by the cutting force exerted by the reduced-scale TBM cutter decrease linearly with increasing exposure to microwave irradiation. The rock-breaking specific energy decreases with increasing exposure to microwave irradiation in an exponential manner. These results indicate that microwave irradiation can prolong the service life of the TBM cutter in the rock-breaking process, reduce the required thrust and torque of the cutter, and improve the rock-breaking efficiency of the TBM.
1. Introduction
Tunnel boring machines (TBMs) are efficient, safe machines used for constructing tunnels and are widely used in engineering practice, including the excavation of rock tunnels and underground passages [1]. Cutters, as the teeth of a TBM to excavate soil, play a key role in breaking rocks. However, the wear of the cutter has become a key factor that limits the progress of construction under complex strata conditions, taking extremely hard rocks, for example [2,3]. Therefore, how to increase the service life and improve the rock-breaking efficiency of the cutter has become a focus of research into TBM excavation of tunnels in hard rock.
Scholars have conducted much research into the rock-breaking mechanism of TBM cutters. Evans et al. [4] considered that a cutter rolls over and damages rocks because the stress applied to the rocks exceeds their uniaxial compressive strength. Ozdemir et al. [5] conducted experimental research on rock breakage using a wedged cutter and pointed out that the shear force produced in rocks by vertical force applied by the cutter on the rocks causes rock spalling. Sanio [6] believed that rock breakage by a cutter is a result of the joint action of tension and compression effects of blades on rocks. By conducting numerical analysis, Zhang et al. [7] found that rock breakage by a cutter is mainly achieved by the shear effect. At AGH University of Science and Technology, laboratory tests were carried out to determine the effect of temperature on cutting resistance and the selected mechanical properties of rock salt. The selected mechanical parameters (compressive, tensile, and shear strength) of rock salt for the same temperature values were compared and described [8,9]. In the Department of Mining, Dressing and Transport Machines, AGH UST in Krakow, innovative and atypical mining tools were developed as crown picks and asymmetrical mini disk tools, especially for hard and very hard rock mining. A special solution of lubricated holder was also developed for cutting tools, allowing to facilitate and increase the number of pick rotations in the holder and, as a consequence, reducing the wear of the tool [10]. Xia et al. [11] performed numerical analysis to reveal that the rock-breaking process and the formation process of cuttings are the results of the propagation of tensile and shear cracks. Researchers at Central South University (Changsha City, China) [12] developed a linear cutting test bench for disc cutters to study the rock-breaking effect under impact and rolling action of the cutters. A combined abrasion test device was independently developed in the State Key Laboratory of Shield Machine and Boring Technology, which has been used to reveal the mechanism underlying the interaction between rocks and mechanical tools [13,14].
Microwave heating is instantaneous, integrative, and selective [15,16,17]. Microwave-assisted mechanical rock breakage, as a new rock-breaking method, can reduce tool wear and improve rock-breaking efficiency if rocks are fractured by microwave heating before being cut using a cutter [18,19,20]. By using a method integrating physical tests and numerical simulation, Hartlieb et al. [21,22,23] explored the conditions for the formation of cracks in rocks under microwave irradiation. Qin et al. [24] studied crack propagation in rocks containing different shapes of minerals under microwave irradiation using a numerical method, and the results show that cracks formed under microwave irradiation are mainly tensile cracks. Lu et al. [25,26] developed an open test facility for microwave-assisted fracturing of hard rocks, which was used to achieve microwave-induced fracturing of large rock samples and engineering rock mass. They also conducted cutting tests on different rock samples subjected to microwave irradiation using a TBM cutter to investigate the influence of microwave energy on the cutting performance of the TBM cutter.
Although there are abundant studies on rock breakage using TBM cutters and microwave-induced rock fracturing, research that combines the two is poorly researched, justifying the study of the influences of microwave irradiation on the rock-breaking efficiency of TBM cutters. The researchers selected a high-strength rock, Chifeng basalt, to conduct microwave irradiation tests and rock-breaking tests using a reduced-scale TBM cutter. Influences of microwave irradiation on the rock-breaking efficiency of the TBM cutter were evaluated by analyzing changes in the wear loss of the reduced-scale TBM cutter, rock removal, stress characteristics, energy consumption during rock breakage, and specific energy.
2. Test Device, Samples, and Test Methods
2.1. Test Device
A Midea EMB17G4V-SS commercial microwave oven was used in the microwave irradiation tests. In the commercial resonant cavity, an infrared temperature measuring device and a data acquisition device were added, which could real-timely measure and record temperatures at a certain point on the sample surface, with the temperature measurement range of 0 to 1300 °C, as shown in Figure 1. The rated voltage, rated frequency, and rated power input of the commercial microwave oven were 220 V, 50 Hz, and 3200 W, respectively. The operating frequency and the maximum power output of microwaves were separately 2450 MHz and 2100 W, and the power was continuously adjustable within the range from 100 to 2100 W.
Figure 1.
The modified EMB17G4V-SS commercial microwave oven.
The combined abrasion test device (Figure 2) [13,14] for a reduced-scale SP3-I TBM cutter in the State Key Laboratory of Shield Machine and Boring Technology was used to study the influences of the microwave irradiation on the machinability of rocks using a TBM cutter. On this basis, cutting tests were conducted on basalt samples subjected to microwave irradiation for different durations using the reduced-scale TBM cutter. The test device could simulate cutter wear during rock breakage and abrasion of the rock, providing conditions akin to those prevailing on a TBM tunnelling site where rocks are cut using a TBM cutter. The design ratio of the size of the model cutter to that of an actual cutter was 1:10.
Figure 2.
The combined abrasion test device for the reduced-scale SP3-I TBM cutter.
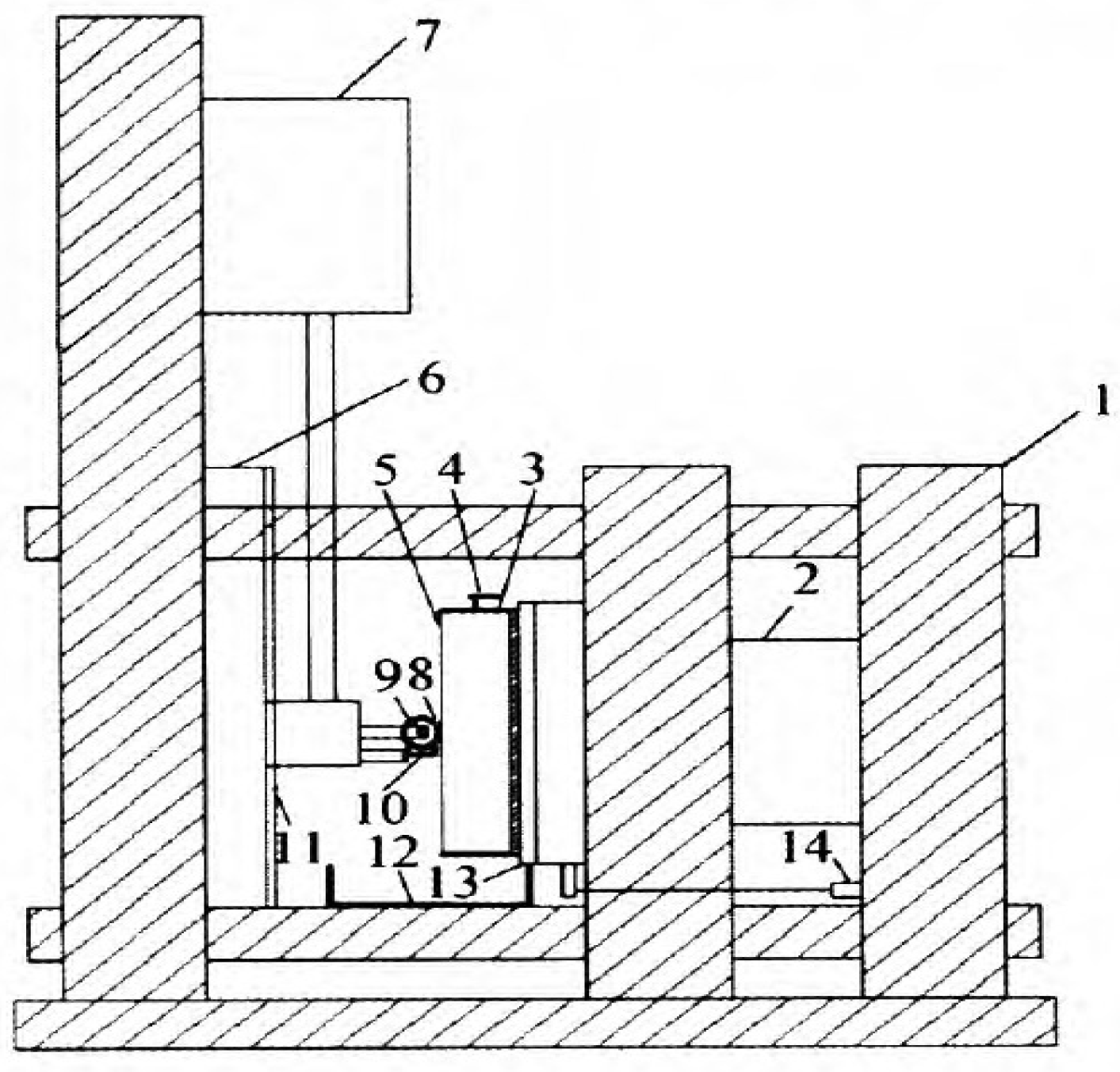
The test device comprised a measurement and control subsystem for horizontal loading, a measurement and control subsystem for vertical loading, a wear mechanism for rock samples and the model cutter, a measuring component of the model cutter, and a system integration and tested automatic control component. The schematic diagram of the test device is illustrated in Figure 3. Measurement and closed-loop servo control were adopted; these could achieve servo-motor control of the horizontal displacement or pressure, and closed-loop servo control was used for the vertical speed. The collected test data included the driving force and horizontal displacement, as well as the vertical displacement of the tool, the mass of rock debris, and the mass of the cutter [13]. The multimode cavity microwave device is used in the laboratory test. In the field of engineering applications, an open-type microwave cracking device is needed.
Figure 3.
The schematic diagram of the combined abrasion test device for the reduced-scale SP3-I TBM cutter: 1—Loading frame; 2—Servo-actuated pressure cylinder; 3—Fixture for the rock sample; 4—Wrench for fixing the rock sample; 5—Rock sample; 6—Bearing platform for the guide rail; 7—AC servo motor actuator; 8—Model cutter; 9—Shaft of the model cutter; 10—Box to collect rock debris; 11—Horizontal guide rail; 12—Box to collect excess rock debris; 13—Load sensor; 14—Horizontal displacement sensor.
2.2. Samples and Test Methods
The test samples were cuboid test blocks of Chifeng basalt measuring (300 ± 5 mm) × (70 ± 2 mm) × (70 ± 2 mm) (length × width × height). The sample preparation met the requirement for surface evenness recommended by the International Society for Rock Mechanics (ISRM). Samples were prepared through two processes: cutting and polishing. The rock was dense basalt, and X-ray diffraction (XRD) results show that it was mainly composed of feldspar, pyroxene, olivine, and a small amount of ilmenite. The average density, average wave velocity, and average uniaxial compressive strength of the rock samples were 2.90 g/mm3, 5900 m/s, and 282.50 MPa, respectively [27].
The microwave heating tests were performed in the modified commercial microwave oven. In the microwave oven, a mullite cushion (a microwave-insensitive material used to elevate the sample) was placed, on which the basalt sample was put to be heated by microwaves. The used microwave heating power was 2100 W, and the preset microwave heating durations were 0 (blank control), 3, 6, 9, 12, and 15 min (the microwave heating duration was relatively long due to the large volume of the rock samples in the tests, while in practical production, an industrial microwave oven is generally used). After microwave heating, the samples were removed and naturally cooled to room temperature.
The cutter wear and cutting tests were conducted on the combined abrasion test device for the SP3-I TBM cutter. The material of the reduced-scale TBM cutter used is H13, the diameter of the cutter ring is 48.26 mm, the surface hardness of the cutter ring is 58HRC, the blade width is 1.5 mm, and the ratio of the prototype TBM cutter is 1:10. The bearing specification is 6800ZZ deep groove ball bearing with an inner diameter of 10 mm and outer diameter of 19 mm. Before testing, the reduced-scale cutter was first wiped with acetone and then weighed using a balance with a resolution of 0.001 g after being dried. Thereafter, the reduced-scale cutter was fixed on the fixture (Figure 4), which was then mounted on the test device. After adjusting the reduced-scale TBM cutter to the lower part of the sample, a basalt sample was fixed on the fixture (Figure 5). In the process of cutting rocks, the three-dimensional cutting forces (driving force and rolling force) applied on the reduced-scale TBM cutter were measured by the three-way force sensor on the tool apron.
Figure 4.
Installation of the reduced-scale TBM cutter and the fixture: (a) Reduced-scale TBM cutter; (b) Cutter weighing; (c) Cutter shaft; (d) Cutter fixture.
Figure 5.
The abrasion process of the reduced-scale cutter.
In the cutter wear and cutting tests, the penetration speed, penetration depth, single rolling stroke, rolling speed, cumulative number of rolling events, and cumulative rolling distance of the reduced-scale cutter were set to be 0.08 mm/min, 3 mm, 250 mm, 17.8 mm/min, 150, and 37.5 m, respectively. The cutting marks of the reduced-scale TBM cutter with different spacings could be set by adjusting the horizontal installation location of the rock sample. In the tests, each sample was cut twice, on which two cutting marks were left, and the cutter spacing was set to 20 mm. After cutting the basalt samples with the reduced-scale cutter, the cutter was removed from the fixture and then weighed. The rock debris falling therefrom was also collected, weighed, and screened.
3. Test Results and Analysis
3.1. Microwave Heating Effect
After microwave irradiation, the surface temperature of the samples increases with prolonged increasing exposure to microwave irradiation in a linear manner (Figure 6). After 15 min of microwave irradiation, the highest surface temperature of the sample reached 242 °C, and the temperature increased at 18.83 °C/min. Microwave irradiation increased the temperature of the rock sample because different mineral components in the rock transformed the microwave energy into thermal energy after absorbing microwave energy, which was related to the comprehensive dielectric properties of the rock. Basalt, as a mineral with strong microwave absorption capacity, experiences a significant increase in temperature after microwave irradiation [20].
Figure 6.
Relationship between the surface temperature of samples and increasing exposure to microwave irradiation.
After microwave irradiation for different durations, cracks propagate to different degrees on the surface of basalt samples. The longer the exposure to microwave irradiation, the more significant the crack propagation. After 16 min of microwave irradiation, the samples burst apart and fractured (to ensure that cutting tests of the reduced-scale TBM cutter could be conducted, and the longest microwave heating exposure was set to 15 min in the tests), as shown in Figure 7. After microwave irradiation, the bursting and fracturing of samples were caused by different degrees of thermal expansion of different mineral components in the rock after absorbing microwave energy and being heated. As a result, intergranular and transgranular fractures occur in and between minerals in the samples [25]. With increasing exposure to microwave irradiation, the microcracks occurring in the rock develop to form macrocracks. After the thermal expansion of minerals in the rock accumulates to a certain extent, the thermal stress generated in the rock enables the bursting and fracturing of the rock [26].
Figure 7.
Bursting and fracturing of the sample after microwave irradiation.
3.2. Cutter Wear
The reduced-scale TBM cutter after cutting the rock was weighed, and the results are displayed in Table 1 and Figure 8. As the increasing exposure to microwave irradiation increases, the wear loss of the reduced-scale TBM cutter gradually reduces in a linear relationship with the increasing exposure to microwave irradiation. This is to some extent because microwave irradiation damages the internal structure of the basalt sample. With the increase in the increasing exposure to microwave irradiation, the damage to the internal structure of the rock is intensified, which results in a gradual reduction in the wear loss of the reduced-scale TBM cutter when reaching the same penetration depth and cutting distance. Microwave irradiation reduces the wear loss of the cutter, indicating that microwave irradiation can prolong the service life of the cutter. In practice, this can shorten the time taken changing tools and decrease the repair frequency of TBM equipment, reduce the number of cutters used, and therefore save money.
Table 1.
Changes in the mass loss of the reduced-scale TBM cutter with increasing exposure to microwave irradiation.
Figure 8.
Changes in the average mass loss of the reduced-scale TBM cutter with increasing exposure to microwave irradiation.
3.3. Cutting and Rock-Breaking Effects
The cutting effects of two cutting marks on the rock samples subjected to microwave irradiation for different durations are listed in Table 2. Only two normal cutting marks were left on the untreated basalt sample, and the basalt sample was subjected to 3 min of microwave irradiation in the cutting process using the reduced-scale TBM cutter. As the exposure to microwave irradiation increased to 6 min, cracks between the two cutting marks began to coalesce in the cutting process using the reduced-scale TBM cutter. With the further increase in the exposure to microwave irradiation to 9 and 12 min, the area of coalesced cracks in the basalt samples gradually expanded in the cutting process using the reduced-scale TBM cutter. For the basalt sample subject to 15 min of microwave irradiation, not only did the area of coalesced cracks enlarge, but also the cross-section of the sample was cracked in the cutting process, as shown in Figure 9.
Table 2.
Cutting effects of the reduced-scale TBM cutter on the samples subjected to different durations of microwave irradiation.
Figure 9.
The end face of the sample cracked after two cutting marks.
3.4. Rock Removal
According to the macroscopic states of broken rock debris in Table 2, the large-particle rock debris first increases and then decreases during the cutting of the basalt samples using the reduced-scale TBM cutter. This is because certain microwave irradiation can induce microcracks in the rock, which renders the rock more prone to breakage, so the formed fragments are larger. When microwaves further heat the rock, more intergranular and transgranular fractures occur, and the mineral structure in the rock is changed, which leads to decreased cohesion in the rock [25]. Therefore, the broken rock debris begins to become smaller. Hence, with increasing exposure to microwave irradiation, the removal of rock from the basalt samples increases when using the reduced-scale TBM cutter and exhibits an approximately linear increasing trend over time (Figure 10). After 15 min of microwave irradiation, the removal of rock using a reduced-scale TBM cutter increases by 42%.
Figure 10.
Changes in rock removal using a reduced-scale TBM cutter with the microwave exposure time.
3.5. Cutting Force of the Cutter
The reduced-scale TBM cutter is subjected to forces in three directions during the cutting of basalt samples, namely, the driving force, rolling force, and lateral force, among which the lateral force is negligible. According to the working principle of the combined abrasion test bench for the reduced-scale TBM cutter used in the research, the rock is broken under the reciprocating rolling of the cutter. Therefore, the research mainly explored the relationships of the driving force and rolling force with increasing exposure to microwave irradiation. Table 3 and Table 4 show the average driving force and average rolling force at different microwave exposure times. Figure 11 and Figure 12 illustrate the relationships of the average driving force and the average rolling force of the reduced-scale TBM cutter with different exposures to microwave irradiation.
Table 3.
The average driving force at different microwave exposure times.
Table 4.
The average rolling force at different microwave exposure times.
Figure 11.
Relationship between the average driving force and the microwave exposure time.
Figure 12.
Relationship between the average rolling force and the microwave exposure time.
Figure 11 and Figure 12 show that the average driving force and the average rolling force of the reduced-scale TBM cutter decrease in a quasi-linear manner with increasing exposure to microwave irradiation when the penetration and cutter spacing are fixed. After 15 min of microwave irradiation, the average driving force and the average rolling force are separately decreased by 33% and 32%. This finding suggests that microwave irradiation can reduce the driving force and rolling force needed by the TBM disc cutter to cut the rock. The average driving force and average rolling force can be used separately to predict the thrust and torque of the TBM cutter head in the tunnelling process [28]. This indicates that microwave irradiation reduces the thrust and torque of the cutter during TBM tunnelling and allows the disc cutter to cut the rock more easily from surface to interior under the preset penetration degree and thus fracture the internal part of the rock. This reduces the pretorque needed by the cutter and drives the cutter to roll forward to break the rock continuously.
3.6. The Work Done by Cutting Force and the Specific Energy Associated Therewith
The rock-breaking energy of a cutter is defined as the energy needed by a cutter to break a unit volume of rock (and is expressed by the specific energy). The lower the specific energy, the lower the energy needed to break a unit volume of rock and the more efficient the process [28,29]. The energy required by the reduced-scale TBM cutter in breaking rocks manifests as the work done by the driving force and that done by the rolling force, which can be calculated using Equation (1). The specific energy is calculated using Equations (2) and (3) [28,29]:
where W is the work done by the cutting force (J); F denotes the cutting force of the cutter (kN); L represents the motion distance of the cutter (m); SE denotes the specific energy (MJ/m3); ∆V is the volume of rock debris falling off in the rock-breaking process (m3); m stands for the mass of rock debris (kg); ρ is the density of basalt samples (kg/m3).
Table 5 and Table 6 show the work done by the average driving force and average rolling force at different microwave exposure times. Figure 13 and Figure 14 illustrate changes in the work done by the average driving force and that done by the average rolling force of the reduced-scale TBM cutter calculated using Equation (1) with increasing exposure to microwave irradiation. The energy consumed by the work done by the driving force and that done by the rolling force is both linearly reduced with increasing exposure to microwave irradiation. That is, as the increasing exposure to microwave irradiation prolongs, the energy associated with the work done by the driving and rolling forces decreases. After 15 min of microwave irradiation, the work done by the driving and rolling forces separately decrease by 33% and 32%. This indicates that microwave irradiation can reduce the energy consumption of the TBM cutter. In addition, a comparison of energy consumption of the work done by the driving force and that done by the rolling force shows that the energy associated with the driving force is about 0.08% of that associated with the rolling force. This indicates that the energy used by the TBM cutter in breaking rocks is associated mainly with the rolling force. When designing and setting a microwave antenna on the TBM cutter, one can follow the principle of mainly reducing the torque delivered by the TBM cutter.
Table 5.
The work done by the driving force at different microwave exposure times.
Table 6.
The work done by the rolling force at different microwave exposure times.
Figure 13.
Relationship between the work done by the driving force and the microwave exposure time.
Figure 14.
Relationship between the work done by the rolling force and the microwave exposure time.
Table 7 and Table 8 show the specific energy by the average driving force and average rolling force at different microwave exposure times. Figure 15 and Figure 16 show the specific energy of the driving force and rolling force of the reduced-scale TBM cutter calculated using Equations (1)–(3). When cutting the basalt samples, the specific energy of the reduced-scale TBM cutter constantly decreases with increasing exposure to microwave irradiation. The specific energy of the driving force and that of the rolling force both reduce with increasing exposure to microwave irradiation in an exponential manner. After microwave irradiation for 15 min at 2100 W, the specific energy of the driving force and that of the rolling force separately decrease by 53% and 52%. This indicates that, when breaking the same volume of rock, microwave irradiation can gradually reduce the energy consumption of the reduced-scale TBM cutter. The reduction in specific energy suggests that microwave irradiation can improve the energy-utilization rate of the TBM cutter when breaking rocks; that is, the rock-breaking efficiency is improved. Under a fixed microwave power, the longer the exposure to microwave irradiation, the greater the reduction in the specific energy and the greater the promotion of the rock-breaking efficiency of the TBM cutter.
Table 7.
The specific energy of driving force at different microwave exposure times.
Table 8.
The specific energy of rolling force at different microwave exposure times.
Figure 15.
Relationship between the specific energy of the driving force and the microwave exposure time.
Figure 16.
Relationship between the specific energy of the rolling force and the microwave exposure time.
4. Discussion
In this paper, a low-power multimode cavity microwave oven is used in the microwave heating test, and a reduced-scale TBM cutter is used in the cutter cutting rock breaking test. In practical engineering applications, because of the limitation of the microwave cavity, the cavity equipment cannot be directly applied to the engineering site. In order to realize the engineering application of microwave-assisted TBM cutter rock breaking, the open-type microwave cracking device of hard rock should be adopted.
As for energy consumption, some scholars have analyzed the energy consumption of indoor microwave-assisted rock breaking [30]. For the actual field application, the energy consumption is complicated, and it should be analyzed according to the actual situation of the field. Regarding the construction process, two construction methods can be proposed based on actual geological conditions. One is to apply microwave radiation and cutter action concurrently if the rock mass is readily fractured. The other is to irradiate the rock mass to prefracture it and then use the TBM cutter head to cut the rock. Apart from these, technical issues such as the power and water supply, dustproofing, shockproofing, and equipment stability also need to be considered. If necessary, the structural fabrication of the TBM cutter head also requires modification.
5. Conclusions
- (1)
- Microwave irradiation causes some damage to both the surface and interior of the basalt samples. Under a fixed microwave power input, the wear loss of the reduced-scale TBM cutter is decreased, while the amount of rock removed increases upon prolonged exposure to microwave irradiation. This indicates that microwave irradiation can reduce wear, prolong service life, and increase the amount and rate of rock removal of the cutter.
- (2)
- After microwave irradiation of the rock, the cutting force of the reduced-scale TBM cutter decreases linearly with increasing exposure to microwave irradiation, and the average driving force and the average rolling force separately reduce by 33% and 32% (at most). This suggests that microwave irradiation can reduce the thrust and torque on the cutter head in the TBM tunnelling process.
- (3)
- The work done by the driving force and that done by the rolling force decrease linearly with increasing exposure to microwave irradiation, implying that microwave irradiation can decrease the energy consumption of the TBM cutter. The energy associated with the work done by the driving force is 0.08% of that associated with the work done by the rolling force, suggesting that the energy consumption of the TBM cutter is mainly attributed to the rolling force.
- (4)
- After microwave irradiation of rock, the specific energy of the reduced-scale TBM cutter to reach the same penetration depth constantly decreases with increasing exposure to microwave irradiation. The rock-breaking specific energy decreases with increasing exposure to microwave irradiation in an exponential manner. This indicates that microwave irradiation can reduce the specific energy consumption of the TBM cutter when breaking rock, thus also improving the efficiency of the process.
Author Contributions
Conceptualization, G.L. and J.Z.; methodology, G.L. and C.D.; experiment, C.D. and C.L.; formal analysis, H.L.; investigation, G.L. and H.L.; writing—original draft preparation, C.D.; writing—review and editing, C.L.; supervision, J.Z.; funding acquisition, G.L., J.Z. and H.L. All authors have read and agreed to the published version of the manuscript.
Funding
This research was funded by the National Natural Science Foundation of China (grant number 42002281), the Natural Science Foundation of Henan Province (grant number 212300410325), the Science and Technology Research and Development Plan of China Railway Group Limited (grant number 2020-Zhongda-06), and the Science and Technology Innovation Plan of China Railway Tunnel Group (grant number Suiyanhe 2020-11). The APC was funded by the Science and Technology Innovation Plan of China Railway Tunnel Group.
Institutional Review Board Statement
Not applicable.
Informed Consent Statement
Informed consent was obtained from all subjects involved in the study.
Data Availability Statement
The datasets used during the current study are available from the corresponding author upon reasonable request.
Acknowledgments
Thanks to the North China University of Water Resources and Electric Power for its human, experimental, and technical support.
Conflicts of Interest
The authors declare that they have no known competing financial interests or personal relationships that could have appeared to influence the work reported in this paper.
References
- Hong, K.R.; Feng, H.H. Development and thinking of tunnels and underground engineering in china in recent 2 years. Tunn. Constr. 2021, 41, 1259–1280. [Google Scholar]
- Entacher, M.; Lorens, S.; Galler, R. Tunnel boring machine performance prediction with scaled rock cutting tests. Int. J. Rock Mech. Min. Sci. 2014, 70, 450–459. [Google Scholar] [CrossRef]
- Rostami, J. Performance prediction of hard rock Tunnel Boring Machines (TBMs) in difficult ground. Tunn. Undergr. Space Technol. 2016, 57, 173–182. [Google Scholar] [CrossRef]
- Evans, I.; Pomeroy, C.D. The Strength, Fracture and Workability of Coal; Elsevier: Amsterdam, The Netherlands, 1966. [Google Scholar]
- Ozdemir, L.; Wang, F.D. Mechanical tunnel boring prediction and machine design. Nasa Sti./Recon. Tech. Rep. N. 1979, 15, 332. [Google Scholar] [CrossRef]
- Sanio, H.P. Prediction of the performance of disc cutters in anisotropic rock. Int. J. Rock Mech. Min. Sci. Geomech. Abstr. 1985, 22, 153–161. [Google Scholar] [CrossRef]
- Zhang, Z.H.; Fei, S. The three-dimension model for the rock-breaking mechanism of disc cutter and analysis of rock-breaking forces. Chin. J. Mech. Mech. Engl. Ed. 2012, 28, 8. [Google Scholar] [CrossRef]
- Kotwica, K.; Stopka, G. The Cutting Resistance of Rock Salt in Function of Temperature. New Trends Prod. Eng. 2020, 3, 211–220. [Google Scholar] [CrossRef]
- Makowski, P.; Bednarek, U.; Kotwica, K.; Stopka, G. The Effect of Temperature on Mechnical Properties and Cuttability of Rock Salt. New Trends Prod. Eng. 2019, 2, 384–393. [Google Scholar] [CrossRef]
- Kotwica, K. Atypical and innovative tool, holder and mining head designed for roadheaders used to tunnel and gallery drilling in hard rock. Tunn. Undergr. Space Technol. 2018, 82, 493–503. [Google Scholar] [CrossRef]
- Xia, Y.M.; Xue, J.; Zhou, X.W. Rock fragmentation process and cutting characteristics on shield cutter. J. Cent. South Univ. 2011, 42, 954–959. [Google Scholar]
- Ou, Y.T. Development and Application of Cutting Performance Test Bench for Disk Cutter; Central South University: Changsha, China, 2014. [Google Scholar]
- Han, W.F.; Chen, K.; Li, F.Y.; Zhang, B. Development of composite hob abrasion test bench. Constr. Mech. 2015, 36, 53–56. [Google Scholar]
- Sun, Z.C.; Zhao, H.L.; Hong, K.R.; Chen, K.; Zhou, J.J.; Li, F.Y.; He, R. A practical TBM cutter wear prediction model for disc cutter life and rock wear ability. Tunn. Undergr. Space Technol. 2019, 85, 92–99. [Google Scholar] [CrossRef]
- Chen, T.T.; Dutrizac, J.E.; Haque, K.E.; Wyslouzil, W.; Kashyap, S. Relative transparency of minerals to microwave radiation. Can. Metall. Q. 1984, 23, 349–351. [Google Scholar] [CrossRef]
- Walkiewice, J.W.; Kazonich, G.; Mcgill, S.L. Microwave heating characteristics of selected minerals and compounds. Miner. Metall. Process 1988, 39, 39–42. [Google Scholar]
- Walkiewicz, J.W.; Lindroth, D.P.; Mcgill, S.L. Microwave assisted grinding. IEEE Trans. Ind. Appl. 1991, 27, 239–242. [Google Scholar] [CrossRef]
- Xu, T.; Yuan, Y.; Heap, M.J.; Zhou, G.L.; Perera, M.S.A.; Ranjith, P.G. Microwave-assisted Damage and Fracturing of Hard Rocks and Its Implications for Effective Mineral Resources Recovery. Miner. Eng. 2021, 160, 106663. [Google Scholar] [CrossRef]
- Zheng, Y.L.; He, L. TBM tunneling in extremely hard and abrasive rocks: Problems, Solutions and Assisting Methods. J. Cent. South Univ. 2021, 28, 454–480. [Google Scholar] [CrossRef]
- Lu, G.M.; Zhou, J.J.; Li, Y.H.; Zhang, X.; Gao, W. The influence of minerals on the mechanism of microwave-induced fracturing of rocks. J. Appl. Geophys. 2020, 180, 1–11. [Google Scholar] [CrossRef]
- Hartlieb, P.; Leindl, M.; Kuchar, F.; Antretter, T.; Moser, P. Damage of basalt induced by microwave irradiation. Miner. Eng. 2012, 31, 82–89. [Google Scholar] [CrossRef]
- Hartlieb, P.; Kuchar, F.; Moser, P.; Kargl, H.; Restner, U. Reaction of different rock types to low-power (3.2 kW) microwave irradiation in a multimode cavity. Miner. Eng. 2018, 118, 37–51. [Google Scholar] [CrossRef]
- Hartlieb, P.; Toifl, M.; Kuchar, F.; Meisels, R.; Antretter, T. Thermo-physical properties of selected hard rocks and their relation to microwave-assisted comminution. Miner. Eng. 2016, 91, 34–41. [Google Scholar] [CrossRef]
- Qin, L.K.; Dai, J. Analysis on the growth of different shapes of mineral microcracks in microwave field. Frat. Ed. Integrità Strutt. 2016, 10, 342–351. [Google Scholar]
- Lu, G.M.; Feng, X.T.; Li, Y.H.; Zhang, X. The microwave-induced fracturing of hard rock. Rock Mech. Rock Eng. 2019, 52, 3017–3032. [Google Scholar] [CrossRef]
- Lu, G.M.; Zhou, J.J.; Zhang, L.M.; Gao, W.Y. Experimental investigation on the influence of microwave exposure on the cutting performance of TBM disc cutter cutting of hard rocks. Results Eng. 2021, 12, 100285. [Google Scholar] [CrossRef]
- Lu, G.M.; Feng, X.T.; Li, Y.H.; Zhang, X. Influence of microwave treatment on mechanical behaviour of compact basalts under under different confining pressures. J. Rock Mech. Geotech. Eng. 2020, 12, 213–222. [Google Scholar] [CrossRef]
- Gong, Q.M.; Wu, F.; Duan, L.J. Experimental study on the rock mixed ground under disc cutter by linear cutting. Hazard Control Tunn. Undergr. Eng. 2019, 1, 67–73. [Google Scholar]
- Pan, Y.C.; Liu, Q.S.; Peng, X.X.; Liu, Q.; Liu, J.P.; Huang, X.; Cui, X.Z.; Tao, C. Full-scale linear cutting tests to propose some empirical formulas for TBM disc cutter performance prediction. Rock Mech. Rock Eng. 2019, 52, 4763–4783. [Google Scholar] [CrossRef]
- Hassani, F.; Shadi, A.; Rafezi, H.; Sasmito, A.P.; Ghoreishi-Madiseh, S.A. Energy analysis of the effectiveness of microwave-assisted fragmentation. Miner. Eng. 2020, 159, 106642. [Google Scholar] [CrossRef]
Disclaimer/Publisher’s Note: The statements, opinions and data contained in all publications are solely those of the individual author(s) and contributor(s) and not of MDPI and/or the editor(s). MDPI and/or the editor(s) disclaim responsibility for any injury to people or property resulting from any ideas, methods, instructions or products referred to in the content. |
© 2023 by the authors. Licensee MDPI, Basel, Switzerland. This article is an open access article distributed under the terms and conditions of the Creative Commons Attribution (CC BY) license (https://creativecommons.org/licenses/by/4.0/).







































