Time Domain Investigation of Hybrid Intelligent Controllers Fed Five-Phase PMBLDC Motor Drive
Abstract
1. Introduction
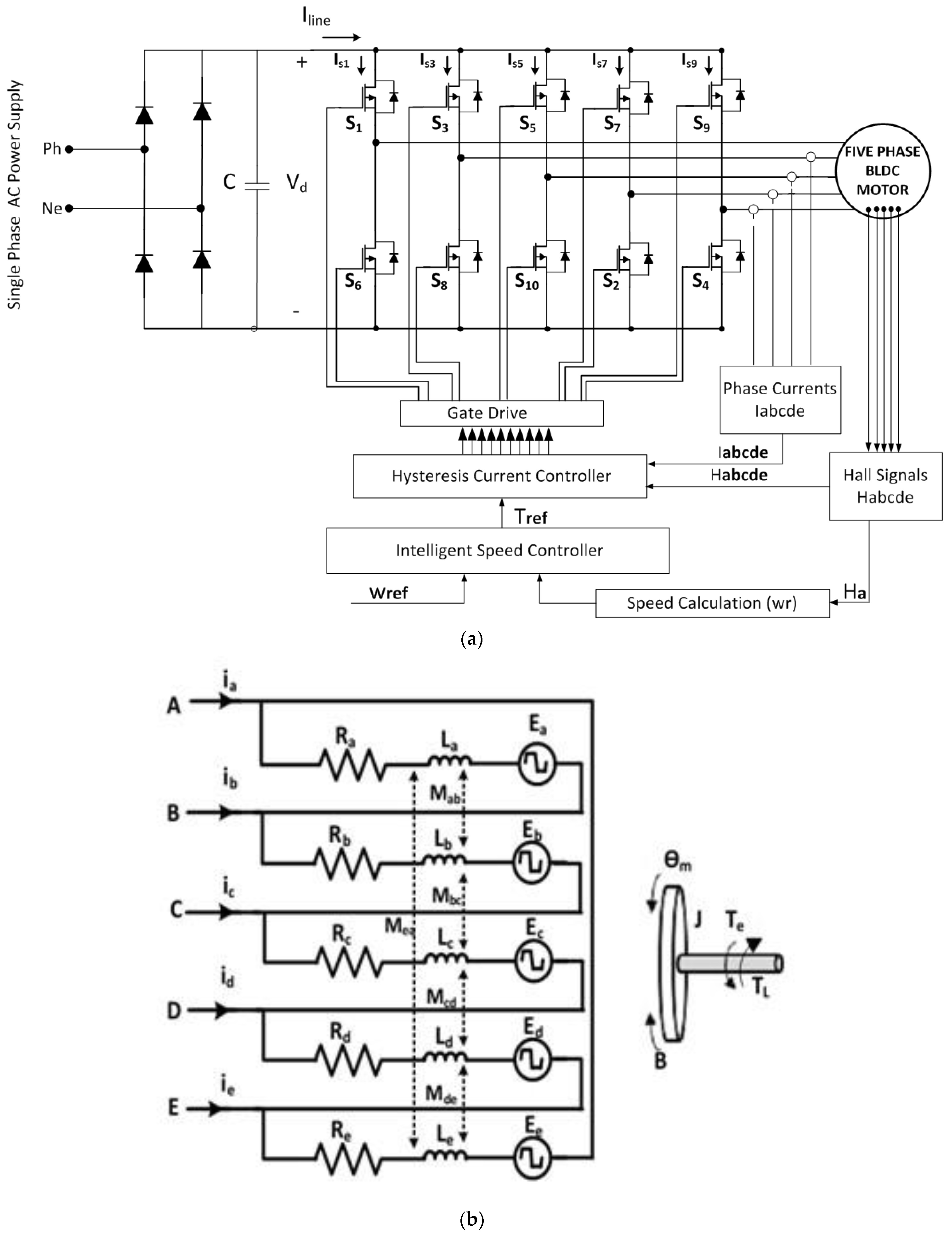
2. Modeling of Five-Phase PMBLDC Motor Drive SYSTEM
- The stator field winding is unsaturated;
- Stator per phase resistance in all the windings is the same;
- Mutual and self-inductances are fixed;
- Ideal power semiconductor switches in the inverter;
- Negligible iron losses.
3. Design of Controllers
3.1. PI Controller
3.2. Fuzzy Logic Controller
3.3. Adaptive Hybrid Fuzzy-PI Controller
3.4. ANFIS Controller
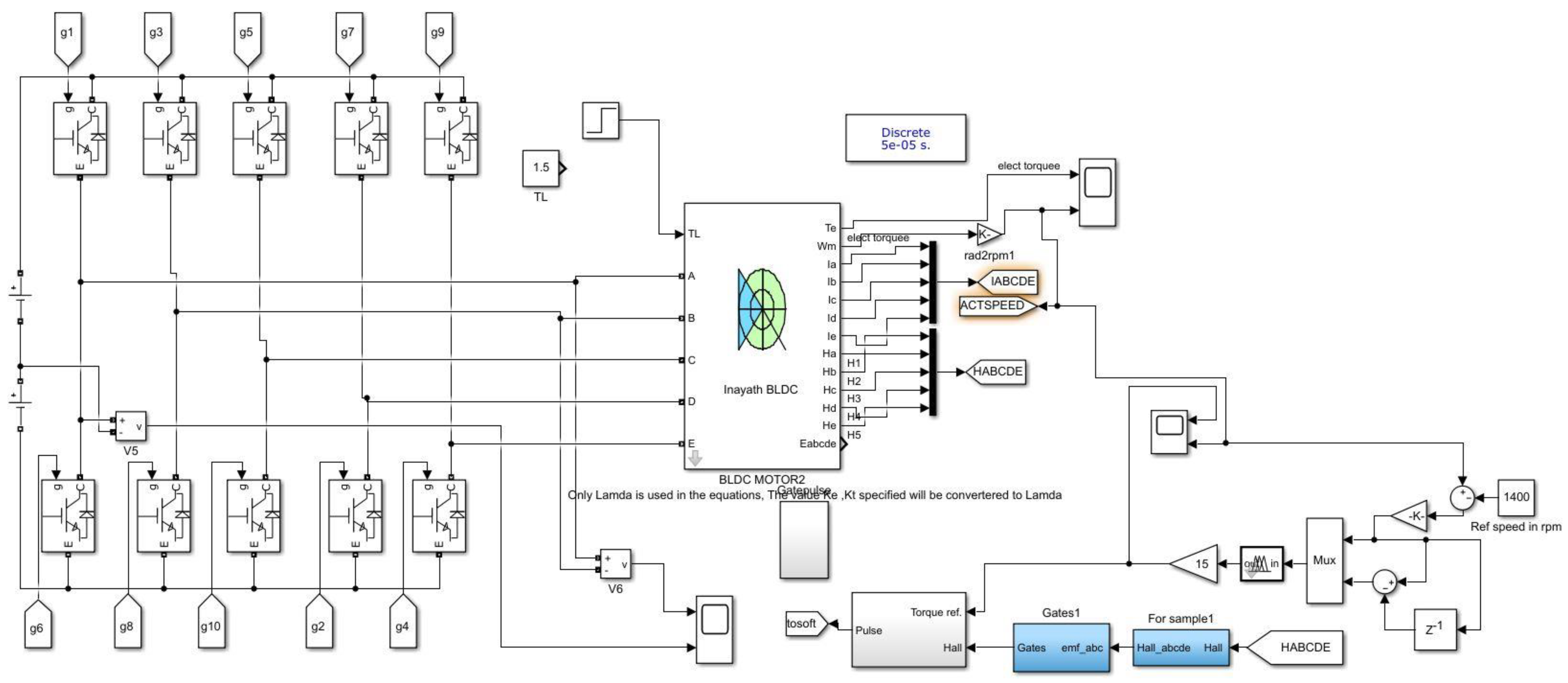
4. Simulation and Discussion
4.1. Load Variation Characteristics
4.1.1. Step Load Variation
4.1.2. Linear Load Variation
4.2. PI Controller Drive
4.2.1. Starting Characteristics
4.2.2. Step or Gradual Application and Removal of Load
4.3. Fuzzy Controller Drive
4.3.1. Starting Characteristics
4.3.2. Applying or Removal of Step or Linear Load
4.4. Fuzzy-PI Controller Driven Drive
4.4.1. Starting Characteristics
4.4.2. Step or Gradual Application and Removal of Load
4.5. ANFIS-Controller-Driven Drive
4.5.1. Starting Characteristics
4.5.2. Step or Gradual Application and Removal of Load
5. Experiment and Discussions
6. Conclusions
Author Contributions
Funding
Institutional Review Board Statement
Informed Consent Statement
Data Availability Statement
Conflicts of Interest
References
- Henderson, J.R.; Miller, J.E. Design of Brushless Permanent Magnet Motor; Motor Design Books LLC: Venice, FL, USA, 1994. [Google Scholar]
- Duran, M.J.; Gonzalez-Prieto, I.; Gonzalez-Prieto, A.; Aciego, J.J. The Evolution of Model Predictive Control in Multiphase Electric Drives: A Growing Field of Research. IEEE Ind. Electron. Mag. 2022, 16, 29–39. [Google Scholar] [CrossRef]
- Khamitov, A.; Severson, E.L. Analysis and design of multi-phase combined windings for bearingless machines. In Proceedings of the 2021 IEEE Energy Conversion Congress and Exposition (ECCE), Vancouver, BC, Canada, 10–14 October 2021; pp. 3949–3956. [Google Scholar]
- Wei, Y.; Qiao, M.; Zhu, P. Fault-Tolerant Operation of Five-Phase Permanent Magnet Synchronous Motor with Independent Phase Driving Control. CES Trans. Electr. Mach. Syst. 2022, 6, 105–110. [Google Scholar] [CrossRef]
- Wu, Y.; Zhang, Z.; Li, Y.; Sun, Q. Open-circuit fault diagnosis of six-phase permanent magnet synchronous motor drive system based on empirical mode decomposition energy Entropy. IEEE Access 2021, 9, 1137–1147. [Google Scholar] [CrossRef]
- Xiong, C.; Xu, H.; Guan, T.; Zhou, P. A constant switching frequency multiple-vector-based model predictive current control of five-phase PMSM with nonsinusoidal back EMF. IEEE Trans. Ind. Electron. 2019, 67, 1695–1707. [Google Scholar] [CrossRef]
- Harikrishnan, P.; Pandey, P.; Titus, J.; Hatua, K. Fault Tolerant Operation of an LCI and VSI fed Hybrid Induction Machine Drive for Medium Voltage High Power Applications. In Proceedings of the IEEE Energy Conversion Congress and Exposition (ECCE), Detroit, MI, USA, 9–13 October 2022; pp. 1–7. [Google Scholar]
- Kammermann, J.; Bolvashenkov, I.; Herzog, H.G.; Brazhnikov, A.V. Design Features and Benefits of Advanced Multiphase Inverter-Fed Electric Drives. In Proceedings of the Second International IEEE Conference on Sustainable Mobility Applications, Renewables and Technology (SMART), Cassino, Italy, 23–25 November 2022; pp. 1–7. [Google Scholar]
- Sun, X.; Liu, Z.; Jiang, D.; Li, A.; Wang, P.; Qu, R. Switch Short-Circuit Fault-Tolerant Control of Five-Phase Open-Winding Motor Drive with a Floating Capacitor. IEEE Trans. Ind. Electron. 2022, 1–11. [Google Scholar] [CrossRef]
- Huang, J.; Sui, Y.; Yin, Z.; Yang, S.; Zheng, P. Five-Phase Hybrid Single-/Double-Layer Fractional Slot-Winding PMSM for Torque Improvement Under Third Harmonic Current Injection Condition. IEEE Trans. Magn. 2022, 58, 1–6. [Google Scholar] [CrossRef]
- Zhou, Y.; Liu, M.-S.; Hu, L.-S.; Zhang, Z.-D. Application of fuzzy five states control system base on phase plane in steer by wire system of loader. In Proceedings of the Seventh International Conference on Fuzzy Systems and Knowledge Discovery (FSKD), Yantai, China, 10–12 August 2010; pp. 10–12. [Google Scholar]
- Islam, M.T.; Islam, M.S. Design and optimization of a self-tuning PID controller based on Fuzzy Logic for Temperature Control System of Furnace. In Proceedings of the International IEEE Conference on Electronics, Communications and Information Technology (ICECIT), Khulna, Bangladesh, 14–16 September 2021; pp. 1–4. [Google Scholar]
- De Viaene, J.; Ceulemans, D.; Derammelaere, S.; Stockman, K. Sensorless load angle control for energy optimal sinusoidal driven BLDC motor applications. IEEE/ASME Trans. Mechatron. 2021, 27, 2290–2300. [Google Scholar] [CrossRef]
- Du, Y.; Ji, J.; Zhao, W.; Tao, T.; Xu, D. Self-adapted model predictive current control for five-phase open-end winding PMSM with reduced switching loss. IEEE Trans. Power Electron. 2022, 37, 11007–11018. [Google Scholar] [CrossRef]
- Menon, M.; Jacob, B. A New Space Vector Pulse Density Modulation Scheme for Two-Level Five Phase Induction Motor Drive. IEEE Trans. Ind. Electron. 2022, 69, 12077–12085. [Google Scholar]
- Reddy, V.S.; Devabhaktuni, S. Enhanced Low-Speed characteristics with Constant Switching Torque Controller-based DTC Technique of Five-Phase Induction Motor Drive with FOPI Control. IEEE Trans. Ind. Electron. 2022, 12, 1–10. [Google Scholar] [CrossRef]
- Iffouzar, K.; Amrouche, B.; Cherif, T.O.; Benkhoris, M.-F.; Aouzellag, D.; Ghedamsi, K. Improved direct field oriented control of multiphase induction motor used in hybrid electric vehicle application. Int. J. Hydrogen Energy 2017, 42, 19296–19308. [Google Scholar] [CrossRef]
- Park, H.; Kim, T.; Suh, Y. Fault-Tolerant Control Methods for Reduced Torque Ripple of Multiphase BLDC Motor Drive System Under Open-Circuit Faults. IEEE Trans. Ind. Appl. 2022, 8, 7275–7285. [Google Scholar] [CrossRef]
- Echeikh, H.; Trabelsi, R.; Iqball, A.; Mimouni, M.F. Real time implementation of indirect rotor flux oriented control of a five-phase induction motor with novel rotor resistance adaption using sliding mode observer. J. Frankl. Inst. 2018, 355, 2112–2141. [Google Scholar] [CrossRef]
- Chikondra, B.; Muduli, U.R.; Behera, R.K. Improved DTC technique for THL-NPC VSI fed five-phase induction motor drive based on VVs assessment over a wide speed range. IEEE Trans. Power Electron. 2021, 37, 1972–1981. [Google Scholar] [CrossRef]
- Chhlonh, C.; Kim, B.; Chrin, P.; Am, S.; Seng, T. Four in-wheel bldc motors speed control in EV based on hybrid fuzzy-pi controller visual on GUI. In Proceedings of the International Symposium on Electrical and Electronics Engineering (ISEE), Ho Chi Minh, Vietnam, 15–16 April 2021; pp. 166–171. [Google Scholar]
- El-Zohri, E.H.; Mosbah, M.A. Speed control of inverter-fed induction motor using hybrid fuzzy-PI controller. In Proceedings of the International IEEE Conference on Innovative Trends in Communication and Computer Engineering (ITCE), Aswan, Egypt, 8–9 February 2020; pp. 216–221. [Google Scholar]
- Mazibukol, N.; Akindejil, K.T.; Sharma, G. Implementation of a FUZZY logic controller (FLC) for improvement of an Automated Voltage Regulators (AVR) dynamic performance. In Proceedings of the IEEE Power Electronic Society/IAS PowerAfrica, Kigali, Rwanda, 22–26 August 2022; pp. 1–5. [Google Scholar]
- Murdianto, F.D.; Ashari, M. Comparison of ANFIS and FLC for CC-CV Precise Charging. In Proceedings of the International IEEE Seminar on Intelligent Technology and Its Applications (ISITIA), Surabaya, Indonesia, 20–21 July 2022; pp. 395–400. [Google Scholar]
- Suhail, M.; Akhtar, I.; Kirmani, S.; Jameel, M. Development of progressive fuzzy logic and ANFIS control for energy management of plug-in hybrid electric vehicle. IEEE Access 2021, 9, 62219–62231. [Google Scholar] [CrossRef]
- Guo, Y.; Mohamed, M.E. Speed control of direct current motor using ANFIS based hybrid PID configuration controller. IEEE Access 2020, 8, 125638–125647. [Google Scholar] [CrossRef]
- Baidya, D.; Dhopte, S.; Bhattacharjee, M. Sensing System Assisted Novel PID Controller for Efficient Speed Control of DC Motors in Electric Vehicles. IEEE Sens. Lett. 2023, 7, 6000604. [Google Scholar] [CrossRef]
- Liu, F.; Wang, H.; Shi, Q.; Wang, H.; Zhang, M.; Zhao, H. Comparison of an ANFIS and fuzzy PID control model for performance in a two-axis inertial stabilized platform. IEEE Access 2017, 5, 12951–12962. [Google Scholar] [CrossRef]
- Tariq, M.; Bhattacharya, T.K.; Varshney, N.; Rajapan, D. Fast response Antiwindup PI speed controller of Brushless DC motor drive: Modeling, simulation and implementation on DSP. J. Electr. Syst. Inf. Technol. 2016, 3, 1–13. [Google Scholar] [CrossRef]
- Mohanraj, D.; Gopalakrishnan, J.; Chokkalingam, B.; Mihet-Popa, L. Critical Aspects of Electric Motor Drive Controllers and Mitigation of Torque Ripple-Review. IEEE Access 2022, 10, 73635–73674. [Google Scholar] [CrossRef]
- Kumar, D.; Gupta, R.A.; Gupta, N. Modelling and simulation of four switch three-phase BLDC motor using anti-windup PI controller. In Proceedings of the IEEE Innovations in Power and Advanced Computing Technologies (i-PACT), Vellore, India, 21–22 April 2017; pp. 1–6. [Google Scholar]
- Ziegler, J.G.; Nichols, N.B. Optimum setting for automatic controllers. ASME Trans. 1942, 64, 759–768. [Google Scholar] [CrossRef]
- Do, C.P.; Le, D.K. Improved of Dynamic Torque by Field Oriented Control based Fuzzy Logic for BLDC Motor. In Proceedings of the IEEE 7th National Scientific Conference on Applying New Technology in Green Buildings (ATiGB), Da Nang, Vietnam, 11–12 November 2022; pp. 92–97. [Google Scholar]
- Tripathy, S.N.; Kundu, S.; Pradhan, A. Modelling of Dynamic Fuzzy-PID based Speed Controller for BLDC Motor. In Proceedings of the 1st IEEE International Conference on Industrial Electronics: Developments & Applications (ICIDeA), Bhubaneswar, India, 15–16 October 2022; pp. 110–115. [Google Scholar]
- Rifai, A.F.; Rudiansyah, H.; Milanto, R. Design and Implementation of Auto-limit Riding Speed System for Electric Motorcycles Based on Battery Level with Fuzzy PID. In Proceedings of the 7th IEEE International Conference on Electric Vehicular Technology (ICEVT), Bali, Indonesia, 14–16 September 2022; pp. 27–33. [Google Scholar]
- Vellingiri, M. Design of Shell Game Optimization based Adaptive Neuro Fuzzy Controller for Brushless DC Drives Lifetime Maximization. In Proceedings of the Third International IEEE Conference on Inventive Research in Computing Applications (ICIRCA), Coimbatore, India, 2–4 September 2021; pp. 205–212. [Google Scholar]
- Zhai, R.; Xiao, P.; Zhang, R.; Ju, J. In-wheel motor control system used by four-wheel drive electric vehicle based on whale optimization algorithm-proportional–integral–derivative control. Adv. Mech. Eng. 2022, 14, 1–16. [Google Scholar] [CrossRef]
- Pal, S.; Patel, A.; Jabade, A.M.; Miduthuru, K.; Sahu, G.; Botre, B.A.; Verma, B.K.; Akbar, S.A. Parameter Estimation and Comparative Analysis of Control Design Techniques for BLDC Hub Motor. In Proceedings of the 17th IEEE India Council International Conference (INDICON), New Delhi, India, 10–13 December 2020; pp. 1–8. [Google Scholar]
- Rahimi, T.; Ding, L.; Peyghami, S.; Kheshti, M.; Blaabjerg, F.; Davari, P. Time domain simulation of a five-phase BLDC motor drive. In Proceedings of the 11th IEEE Power Electronics, Drive Systems, and Technologies Conference (PEDSTC), Tehran, Iran, 4–6 February 2020; pp. 1–6. [Google Scholar]
- Inayathullaah, M.A.; Anita, R. Experimental Evaluation of Fuzzy Logic Based Five Phase PMBLDC Motor Drive. Int. Rev. Electr. Eng. 2014, 5, 757–763. [Google Scholar] [CrossRef]
- Hidayat, H.; Sasongko, P.H.; Sarjiya, S.; Suharyanto, S. Performance analysis of Adaptive Neuro Fuzzy Inference Systems (ANFIS) for speed control of brushless DC motor. In Proceedings of the International IEEE Conference on Electrical Engineering and Informatics (ICEEI), Bandung, Indonesia, 7–19 July 2011; pp. 1–6. [Google Scholar]
















| ΔM | NL | NM | NS | Z | PS | PM | PL | |
|---|---|---|---|---|---|---|---|---|
| M | ||||||||
| NL | NL | NL | NL | NM | NS | NS | Z | |
| NM | NL | NM | NM | NM | NS | Z | PS | |
| NS | NL | NM | NS | NS | Z | PS | PM | |
| Z | NL | NM | NS | Z | PS | PM | PL | |
| PS | NM | NS | Z | PS | PS | PM | PL | |
| PM | NS | Z | PS | PM | PM | PM | PL | |
| PL | Z | PS | PS | PM | PM | PL | PL | |
| Load Variation | Characteristics | Time Interval (s) | Overshoot % | Peak Time (s) | Rise Time (s) | Settling Time (s) | Steady State Error |
|---|---|---|---|---|---|---|---|
| Step load variation | Starting | 0–1 | 22.50 | 0.3214 | 0.1069 | 0.4350 | −2 rpm |
| Loading | 1–1.2 | −3.429 | 1.0056 | 0.1948 | 1.1996 | 42.2 rpm | |
| Unloading | 3.3–3.5 | 0 | 3.5 | 0.00059 | 3.4989 | −163 rpm | |
| Load removal | 3.5–5 | 22.27 | 3.6020 | 0.0288 | 4.2401 | −1.5 rpm | |
| Linear load variation | Starting | 0–1 | 22.50 | 0.3214 | 0.1069 | 0.4350 | −2 rpm |
| Gradual increases of load | 1–2.5 | 11.11 | 1.0850 | 0.3325 | 2.4838 | 135 rpm | |
| Constant Max Load | 2.5–3.5 | 0.4088 | 3.1671 | 0.0365 | 3.4975 | 2.3 rpm | |
| Gradual decrease in load | 3.5–4.5 | 14.28 | 4.2666 | 0.0216 | 4.4988 | 2.8 rpm | |
| No Load | 4.5–5 | 14.28 | 4.2666 | 0.0216 | 4.4988 | 2.8 rpm |
| Load Variation | Characteristics | Time Interval (s) | Overshoot % | Peak Time (s) | Rise Time (s) | Settling Time (s) | Steady State Error |
|---|---|---|---|---|---|---|---|
| Step load variation | Starting | 0–1 | −0.0722 | 0.7664 | 0.0697 | 0.0881 | 1 rpm |
| Loading | 1–1.2 | −0.1424 | 1.0003 | 0.00024 | 1.2 | 2 rpm | |
| Unloading | 3.3–3.5 | −0.1213 | 3.3932 | 0.00025 | 3.5 | 3 rpm | |
| Load removal | 3.5–5 | −0.1177 | 3.8204 | 0.00019 | 5.0000 | 2 rpm | |
| Linear load variation | Starting | 0–1 | −0.0722 | 0.7664 | 0.0697 | 0.0881 | 1 rpm |
| Gradual increases of load | 1–2.5 | −0.2328 | 1.0131 | 0.0026 | 2.499 | 3 rpm | |
| Constant Max Load | 2.5–3.5 | −0.1517 | 2.6278 | 0.000207 | 3.499 | 4 rpm | |
| Gradual decrease in load | 3.5–4.5 | −0.0679 | 4.4920 | 0.1789 | 4.500 | 1 rpm | |
| No Load | 4.5–5 | −0.0679 | 4.4920 | 0.1789 | 4.500 | 1 rpm |
| Load Variation | Characteristics | Time Interval (s) | Overshoot % | Peak Time (s) | Rise Time (s) | Settling Time (s) | Steady State Error |
|---|---|---|---|---|---|---|---|
| Step load variation | Starting | 0–1 | 4.9 | 0.1599 | 0.0993 | 0.1778 | −2 rpm |
| Loading | 1–1.2 | −5.5 | 1.001 | 0.1271 | 1.1950 | 71 rpm | |
| Unloading | 3.3–3.5 | 0.2011 | 3.3146 | 0.00012 | 3.499 | 84 rpm | |
| Load removal | 3.5–5 | 5.155 | 3.5404 | 0.0165 | 4.999 | −2 rpm | |
| Linear load variation | Starting | 0–1 | 4.9 | 0.1559 | 0.0993 | 0.1778 | −2 rpm |
| Gradual increases of load | 1–2.5 | −4.5 | 2.1742 | 0.1962 | 2.4980 | 59 rpm | |
| Constant Max Load | 2.5–3.5 | 2.25 | 2.5008 | 0.1884 | 3.4988 | 87 rpm | |
| Gradual decrease in load | 3.5–4.5 | 3.033 | 3.8669 | 0.1992 | 4.497 | 1 rpm | |
| No Load | 4.5–5 | 0.033 | 4.5778 | 0.0025 | 4.999 | −1 rpm |
| Load Variation | Characteristics | Time Interval (s) | Overshoot (%) | Peak Time (s) | Rise Time (s) | Settling Time (s) | Steady State Error |
|---|---|---|---|---|---|---|---|
| Step load variation | Starting | 0–1 | −1.07 | 1 | 0.2046 | 0.5742 | 37 rpm |
| Loading | 1–1.2 | −2.214 | 1.2 | 0.1599 | 1.1952 | 31 rpm | |
| Unloading | 3.3–3.5 | −1 | 3.5 | 0.1599 | 3.4957 | 13 rpm | |
| Load removal | 3.5–5 | −0.857 | 5 | 1.1858 | 4.957 | 9 rpm | |
| Linear load variation | Starting | 0–1 | −1.07 | 1 | 0.2046 | 0.5742 | 37 rpm |
| Gradual increases of load | 1–2.5 | −2.42 | 2.5 | 1.097 | 2.422 | 16 rpm | |
| Constant Max Load | 2.5–3.5 | −1.07 | 3.5 | 0.7919 | 3.4720 | 12 rpm | |
| Gradual decrease in load | 3.5–4.5 | −0.928 | 4.5 | 0.8014 | 4.477 | 10 rpm | |
| No Load | 4.5–5 | −0.922 | 5 | 0.3996 | 4.988 | 9 rpm |
| At the Time of | Parameters | PI Controller | Fuzzy Controller | Fuzzy-PI Controller | ANFIS Controller | |||||||
|---|---|---|---|---|---|---|---|---|---|---|---|---|
| Step Load | Linear Load | Step Load | Linear Load | Step Load | Linear Load | Step Load | Linear Load | |||||
| Starting | Peak torque (Nm) | 7.0 | 7.0 | 12.43 | 12.43 | 10 | 10.68 | 12.11 | 12.12 | |||
| Speed at peak torque (rpm) | 254 | 256 | 247 | 264 | 220 | 205 | 126 | 127 | ||||
| Load removal | Maximum speed attained | 1708 | 1710 | 1398 | 1399 | 1471 | - | 1390 | 1390 | |||
| jerks (rpm) | 1708–1321 (387 rpm) | - | 1398–1396 (2 rpm) | - | 1347–1399 (52 rpm) | - | 1383–1387 (4 rpm) | - | ||||
| Rated Motor Parameters | Symbol | Value | Units |
|---|---|---|---|
| Power | P | 210 | Watt |
| Input Voltage | Vin | 24 | Volt |
| Armature Current | Ia | 10.8 | Amps |
| Rotor speed | N | 1500 | rpm |
| Per phase resistance | Ra | 0.305 | ohm |
| Inductance of Armature | La | 0.32 | mH |
| Air-gap Flux | Φ | 0.02 | Wb |
| Rotor Pole | P | 4 | - |
| Torque | T | 1.5 | Nm |
| Winding Pattern | - | Delta | - |
| Controller | Delay Time (sec) | Rise Time (sec) | Peak Time (sec) | Percentage Overshoot (%) | Settling Time (sec) | Torque Ripple (Nm) |
|---|---|---|---|---|---|---|
| PI | 0.18 | 0.25 | 0.5 | 37.5 | 2.5 | 0.49 |
| Fuzzy | 0.13 | 0.2 | 0.61 | 8 | 1 | 0.04 |
| Hybrid Fuzzy-PI | 0.15 | 0.24 | 0.63 | 19.54 | 1.5 | 0.38 |
| Controllers | Delay Time (sec) | Rise Time (sec) | Peak Time (sec) | Percentage Overshoot (%) | Settling Time (sec) | Torque Ripple (Nm) | ||||||
|---|---|---|---|---|---|---|---|---|---|---|---|---|
| Experimental Value | Simulated Value | Experimental Value | Simulated Value | Experimental Value | Simulated Value | Experimental Value | Simulated Value | Experimental Value | Simulated Value | Experimental Value | Simulated Value | |
| PI | 0.18 | 0.04 | 0.25 | 0.10 | 0.5 | 0.324 | 37.5 | 20.19 | 2.5 | 4.07 | 0.49 | 1.72 |
| Fuzzy | 0.13 | 0.03 | 0.2 | 0.07 | 0.61 | 0.096 | 8 | 0.334 | 1 | 0.09 | 0.04 | 2 |
| Hybrid Fuzzy-PI | 0.15 | 0.038 | 0.24 | 0.104 | 0.63 | 0.168 | 19.54 | 5.127 | 1.5 | 0.19 | 0.38 | 2 |
| ANFIS | - | 0.03 | - | 0.05 | - | 0.07 | - | 0.217 | - | 0.06 | - | 0.06 |
Disclaimer/Publisher’s Note: The statements, opinions and data contained in all publications are solely those of the individual author(s) and contributor(s) and not of MDPI and/or the editor(s). MDPI and/or the editor(s) disclaim responsibility for any injury to people or property resulting from any ideas, methods, instructions or products referred to in the content. |
© 2023 by the authors. Licensee MDPI, Basel, Switzerland. This article is an open access article distributed under the terms and conditions of the Creative Commons Attribution (CC BY) license (https://creativecommons.org/licenses/by/4.0/).
Share and Cite
Inayathullaah, M.A.; Sivakumar, N.; Balasundaram, A.; Arul, R.; Angalaeswari, S. Time Domain Investigation of Hybrid Intelligent Controllers Fed Five-Phase PMBLDC Motor Drive. Appl. Sci. 2023, 13, 3281. https://doi.org/10.3390/app13053281
Inayathullaah MA, Sivakumar N, Balasundaram A, Arul R, Angalaeswari S. Time Domain Investigation of Hybrid Intelligent Controllers Fed Five-Phase PMBLDC Motor Drive. Applied Sciences. 2023; 13(5):3281. https://doi.org/10.3390/app13053281
Chicago/Turabian StyleInayathullaah, M. A., N. Sivakumar, Ananthakrishnan Balasundaram, R. Arul, and S. Angalaeswari. 2023. "Time Domain Investigation of Hybrid Intelligent Controllers Fed Five-Phase PMBLDC Motor Drive" Applied Sciences 13, no. 5: 3281. https://doi.org/10.3390/app13053281
APA StyleInayathullaah, M. A., Sivakumar, N., Balasundaram, A., Arul, R., & Angalaeswari, S. (2023). Time Domain Investigation of Hybrid Intelligent Controllers Fed Five-Phase PMBLDC Motor Drive. Applied Sciences, 13(5), 3281. https://doi.org/10.3390/app13053281

