Next Article in Journal
Spectral Splitting Sensing Using Optical Fiber Bragg Grating for Spacecraft Lateral Stress Health Monitoring
Next Article in Special Issue
Generalized Super-Twisting Backstepping Sliding Mode Control for Electro-Hydraulic Servo Systems Considering the Coexistence of Matched and Mismatched Uncertainties
Previous Article in Journal
Rich Dynamics of a General Producer–Grazer Interaction Model under Shared Multiple Resource Limitations
Previous Article in Special Issue
Time Domain Investigation of Hybrid Intelligent Controllers Fed Five-Phase PMBLDC Motor Drive
 
 
Font Type:
Arial Georgia Verdana
Font Size:
Aa Aa Aa
Line Spacing:
Column Width:
Background:
Article

A New Modified Non-Approximative Method for Dynamic Systems Direct Calculation

by
Branislav Dobrucký
1,*,
Roman Koňarik
1,
Mariana Beňová
2 and
Michal Praženica
1,*
1
KME—Department of Mechatronics and Electronics, University of Žilina, 010 26 Zilina, Slovakia
2
KTEBI—Department of Electromagnetic Field and Biomedical Engineering, University of Žilina, 010 26 Zilina, Slovakia
*
Authors to whom correspondence should be addressed.
Appl. Sci. 2023, 13(7), 4162; https://doi.org/10.3390/app13074162
Submission received: 15 February 2023 / Revised: 14 March 2023 / Accepted: 20 March 2023 / Published: 24 March 2023
(This article belongs to the Special Issue Computer Simulation of Electric Power and Electromechanical Systems)

Abstract

This scientific paper presents a novel modified non-approximative method for instantaneously calculating state variables in a compact form. The method provides a direct solution in the discrete time domain, allowing for the specification of state variable values at any discrete time instant without requiring knowledge of previous variable values. This approach is useful for estimating voltage and current stresses of semiconductor elements and circulating energy within power electronic circuits, which is crucial for the correct design and operation of such systems. The paper utilized the z-transform with a long repetitive period to accelerate the calculation time and applies a method to solve the Steinmetz circuit using Matlab. The paper includes detailed simulations and a comparison of time consumption using both Euler implicit and the proposed direct non-approximative methods. Theoretical and simulation results were validated using Matlab/Simulink circuit simulator, demonstrating the effectiveness and efficiency of the proposed method.

1. Introduction

On the basis of the previous literature [1,2,3], this paper explores the determination of state variables of dynamic systems, including both linear and non-linear continuous systems and linear and non-linear discrete systems. For the latter, difference equations with specific mathematical difference solutions or solutions by functional transformations sequence [1], ref. [4], can be employed, which enable the conversion from the space of time-dependent function subjects to the space of complex functions or frequency function frames. The discrete Laplace transform, discrete Fourier transform, and lesser-known Z-transformation [5,6,7,8], are some examples of these transformations, representing a power series of a complex variable.
The focus of this paper is on the numerical solution of ordinary differential equations. While this is a continuously evolving area of research, we present a selection of basic algorithms and underlying theories for a new modified non-approximative method of direct calculation for state variables of dynamic systems. We begin by discussing Euler’s method, which is the natural starting point for any discussion of numerical methods. Although it is not the most accurate method studied, it is by far the simplest, and much of what we learn from analyzing Euler’s method in detail carries over to other methods without significant difficulties. For continuous systems, differential equations are used to describe them, and mathematical methods, including classical and numerical methods and operator methods [3,6], are employed to solve them. Other methods, such as the theory of series and spectral analysis, can also be used in particular and predigested cases [5,9]. Instantaneous energies of the state variables are proved in [10,11].
The proposed method exhibits good accuracy and brings significant computation time savings. We demonstrated the method’s effectiveness through its application to the solution of the Steinmetz circuitry model [12,13,14] using the Matlab environment, which can be verified by the Matlab/Simulink circuit simulator [15,16].
This article consists of the following five sections: problem formulation, a new non-approximative method of calculation and a comparison with the Laplace–Carson and implicit Euler solutions, an example in the field of electrical engineering, specifically the Steinitz model solution, simulation and verification, and a discussion and conclusion.

2. Problem Formulation

2.1. Linear ODE System in Matrix State-Space Form

Consider a classical dynamic system equation,
d x 1 t d t a 11 x 1 t a 1 n x n t = + b 11 u 1 t + + b 1 n u n t d x n t d t a n 1 x 1 t a n n x n t = + b n 1 u 1 t + + b n n u n t }
which can be also presented in matrix state-space form (2):
d x t d t = a 11 a 1 n a n 1 a n n x t + b 11 b 1 n b n 1 b n n u t
where
a 11 a 1 n a n 1 a n n = A ,
b 11 b 1 n b n 1 b n n = B  
are system and transition matrices, and
x t = x 1 t x n t   and   u t = u 1 t u n t
are state variables and exciting vectors, respectively. Thus,
d x t d t = A x t + B u t ,
x t 0 = x 0
Such a system of ODE can be solved analytically; it can also be solved using integral transforms (Laplace or Laplace–Carson [3,6]) or numerically [1,2]. For the numerical solution, we consider the one-step implicit Euler’s method, although it is also possible to use any other numerical method (Taylor’s expansion, Runge–Kutta, etc.).

Numerical Solution—Time Discretization

The one-step explicit Euler method yields:
x k + 1 = E + h A x k + h B u k
where h is the integration step and E is the unity or Eye matrix, respectively. The method is sensitive to the integration step. The stability condition is that h should be smaller than 2/|Re { λ i }|max [2], where λ i is the i -root of the characteristic polynomial of the system matrix.
The one-step implicit Euler method yields:
x k + 1 = inv E h A x k + h B u k
where inv E h A = F is a fundamental matrix of the system. Contrary to above this method, for the negative real part of eigenvalues, it is absolutely stable (A-stabile) for any positive step h [2]. Another possibility for calculation is to use the well-known Taylor expansion or Runge–Kutta methods. Similar to the Euler implicit method above, these methods are also A-stabile.
All discrete equations carried out by Euler explicit, implicit, and Taylor expansion methods are easily solvable by numerical computing using Equation (8):
x k + 1 = F x k + G u k
The compact form of this equation,
x k = f F , x 0 , G , u 0
is often needed and is derived in Section 3. Therefore, the direct calculation of x k is our problem for the next solution.

3. Problem Solution and Simulation Example

The resulting relations for determination of the instant value x k depend on the system matrices F Δ , G Δ or A , B , respectively, and the initial conditions x 0 .
Consider a second-order ODE system (1) in state-space notation:
d x 1 t d t = a 11 x 1 t + a 12 x 2 t + b 11 u 1 t
d x 2 t d t = a 21 x 1 t + a 22 x 2 t + b 22 u 2 t
where a 11 a 22 , b 11 b 22 are symbolic constants corresponding to the electrical parameters of the substituted equivalent circuit, a 11 ,   b 22 = 0 , a 12 = 1 / L , a 21 = 1 / C , a 22 = 1 / R C , b 11 = 1 / L , and R = 10   W ,   L = 0.1 × 10 3 H ,   C = 1   ×   10 3 F .

3.1. Case of Constant Excitation Function

Furthermore, assume that u 1 t = U ,   i . e . ,   constant   equal   to   100   V ,   and   u 2 t = 0 .   Regarding time domain investigation, the Laplace–Carson operator method has been used [3,6]. Applying the Laplace–Carson transform, we obtain the operator form of variables the X 1 p ,   X 2 p of Equation (10a,b)
p X 1 p = a 11 X 1 p + a 12 X 2 p + b 11 U
p X 2 p = a 11 X 1 p + a 12 X 2 p + 0
with the initial conditions X 1 0 = 0 ,     X 2 0 .
After the separation of X 1 p and X 2 p
X 1 p = U A p B p ;     X 2 p = U C p D p
and using the inverse transform and lemma of residua [4,6],
x 1 t = U A 0 B 0 + k = 1 N A p k p k B p k e p k t
x 2 t = U A 0 B 0 + k = 1 N C p k p k D p k e p k t
we obtain, under zero initial conditions,
x 1 t = [ 1 cos Ω t . e t τ C 1 Ω . 1 τ C 1 τ L   sin Ω t . e t τ C ]   U / R
x 2 t = 1 cos Ω t + 1 τ C Ω . sin Ω t e t τ C U
where τ C 2 R C = 20 × 10 3 sec ,   τ L L / R = 0.1 × 10 3 sec , Ω 1 L C 1 τ C 2 = 3154.36   1 / sec .
For the time waveforms of x 1 t and x 2 t , see Figure 1.
These waveforms are the response of the system to a unit step of U . During the calculation, continuous time is substituted by the discrete time instants k . h , where h is the integration step and k is the step order. The numerical values of the variables at the discrete time instant n.t are listed in Table 1 when the time constant t = RC equals 10 msec.
x 10 t = cos Ω t + 1 Ω τ C   sin Ω t e t τ C   X 1 0 + 1 Ω C 1   sin Ω t . e t τ C   X 2 0 ,
x 20 t = cos Ω t 1 Ω τ C   sin Ω t e t τ C   X 2 0 + 1 Ω C 2   sin Ω t . e t τ C   X 1 0 .
The total response is:
x 1 t = [ 1 cos Ω t . e t τ C 1 Ω . 1 τ C 1 τ L   sin Ω t . e t τ C ]   U / C 3 + x 10 t ,
x 2 t = 1 cos Ω t + 1 τ Ω . sin Ω t e t τ C U + x 20 t ,
where C 1 = 0.1 × 10 3 ,   C 2 = 1 × 10 3 ,   C 3 = 10 ,   and   U = 100 .
Now, the values in Table 1, worked out by solving the system Equation (14a,b), are the reference values for the comparison with the numerical solution using the direct discrete method.

3.2. Case of the Nonharmonic Periodical Excitation Function

Regarding time domain investigation, the Laplace–Carson operatory method has been used [5,6] when the input exciting function is known. Function u 1 t on the right side of the Equation (14a,b) can be any nonharmonic one, but it must be the periodical function, e.g., the single-phase-rectified output voltage
u 1 t = U abs sin 2 π T t .
For simplicity, consider the excitation u 1 t rectangular waveform derived by the z-transform in the form:
u 1 t = U 2 sin integer 4 T t π 2 + π 4
or simply algebraically:
u 1 t = U sign sin 2 π T t .
Now, the notation in the Laplace–Carson form is:
U 1 p = U 1 T / 2 p 1 + e p T / 2 ,  
where
U 1 T / 2 p = U 1 e p T 2 .
The next solution is for the time range 0 to T/2:
X 1 p = a 12 X 2 p + b 11 U 1 T / 2 p p a 11 = U A p B p ,
X 2 p = a 21 a 12 X 2 p + b 11 U 1 T / 2 p p a 11 p a 22 = U C p D p .
Because U 1 T / 2 p is a constant U , the time waveforms of variables x1(t) and x2(t) are the same as those in Equation (14a,b) in the range 0 T / 2 .
In a similar way, the transient component of x 1 t ,   x 2 t can be calculated:
x 1 t r a n s t = U A 0 B 0 + k = 1 N 1 e p k T / 2 1 + e p k T / 2 A p k p k B p k e p k t ,
x 2 t r a n s t = U A 0 B 0 + k = 1 N 1 e p k T 2 1 + e p k T 2 C p k p k D p k e p k t .
along with the steady-state component for one half-period:
x 1 , 2 s t e a d y 0 T / 2 t = x 1 , 2 0 T / 2 t x 1 , 2 t r a n s 0 T 2 t .
Finally, the total transient waveforms in the entire time range can be calculated:
x 1 , 2 t = x 1 , 2 t r a n s t ± x 1 , 2 s t e a d y 0 T / 2 t .  
The results of the simulation of x 1 t and x 2 t for three half-periods are shown in Figure 2.
The numerical values of variables at the discrete time instant n.t are listed in Table 2 when the time constant τ = RC equals 10 ms.

3.3. Comparison with Numeric Solution

Now, we compare the values in Table 1 and Table 2 with those obtained by solving Equation system (10a,b) using Euler’s implicit method.
Equation (10a,b) was used, knowing u 1 t ,   u 2 t and the response of the system under unit step U. By substituting U with u 1 t in response to Equation (14a,b), we see that the results are the same as those in Table 2, and the time waveforms are the same as those in Figure 2. However, the solution using the Laplace–Carson operator method has the advantage of showing both the transient and steady-state components in addition to the overall course of the variables x1(t) and x2(t).
Equation (10a,b) can be expressed in matrix form and state-space notation:
d d t x 1 t x 2 t = a 11 a 12 a 21 a 22 x 1 t x 2 t + b 11 0 0 b 22 u 1 t u 2 t
After implicit Euler forward implementation, we obtain:
x 1 x 2 k + 1 = x 1 x 2 k + h a 11 a 12 a 21 a 22 x 1 x 2 k + 1 + h b 11 0 0 b 22 u 1 u 2 k
In symbolic matrix form and simplification, we obtain Equation (7):
x k + 1 = inv E h A x k + h B u k ,
which can be further simplified as Equation (8):
x k + 1 = F Δ x k + G Δ u k
The results are shown in Table 3 and Table 4. In order to make the results comparable, the integration step should be significantly smaller than the smallest time constant of the circuit; we chose h = 1 × 10 8   s .
Although the accuracy seems to be sufficient for an extended target time, the computational complexity can be considerable. Therefore, in the next section, we introduce a new innovative modified method.

3.4. Direct Non-Approximative Method of Calculation

By successive derivation of Equations (8) and (24a), we gradually obtain:
x k = F Δ k x 0 + l = 0 k 1 F Δ k l 1 G Δ u l .
where the F Δ and G Δ matrices can be determined by Equation (24b). Thus,
Proof:
x 1 = F Δ 1 x 0 + F Δ 0 G Δ u 0 x 2 = F Δ 2 x 0 + F Δ 1 G Δ u 0 + F Δ 0 G Δ u 1 x k = F Δ k x 0 + F Δ k 1 G Δ u 0 + F Δ k 2 G Δ u 1 + + F Δ k k 1 G Δ u k 2 + F Δ k k G Δ u k 1 } .
Therefore, we have to know the exciting vector u as a function of k or l . Since the functions of u vector are analytics, it is sufficient to replace continuous times with discrete ones. If not, then a lookup table must be used. The relation (25) can be also used for non-linear systems when all non-stationary elements of F Δ non   and G Δ non are transferred into the vectors of the input exciting functions u Δ f i c t :
x k = F Δ f i c t k x 0 + l = 1 k F Δ f i c t k l G Δ f i c t u Δ f i c t ,     l
where matrices F Δ f i c t ,   G Δ f i c t are stationary ones, and there is no need to count them in each calculation step. □
If the excitation function is fictitiously ( τ ) or truly periodically ( T / 2 ) repeating, then we can use “the long jumps” approach. Outgoing from Equation (23), we substitute the fundamental and transition matrices with the small integration step (h) by matrices with periodically repeating a long jump, for example, τ or T / 2 and index k by n, where discrete time is equal to n   .   τ or n   .   T / 2 , respectively.
F τ = F Δ k     ;       G τ = l = 0 k 1 F Δ k l 1 G Δ
The relations (27) for F τ ,   G τ for k = τ h . are also valid for F T / 2 ,   G T / 2 for k = T / 2 h .
Figure 3 shows the courses of total system energies represented by the instantaneous energy of the state variables x1 and x2 [10,11] as a function of k , Equation (3a,b), calculated by the direct DNM method in equidistance instants k . h . Thus,
E τ = 1 2 C 1 x 1 2 τ + C 2 x 2 2 τ .
where C 1 and C 2 are electrical constants (inductance L and capacitance C ). Therefore, Equation (28) expresses a direct relationship between the total energy E τ and the matrices F τ and G τ because of
x 1 x 2 τ = F τ x 1 x 2 0
for Figure 3a, and
x 1 x 2 τ = G τ u 1 u 2 0
for Figure 3b.
Going back, consequently, the calculation for x n using F τ ,   G τ is:
x n = F τ n x 0 + m = 0 n 1 F τ n m 1 G τ u m .
Combining Equations (26) and (29), we can obtain [9]:
x n + k = F k F τ n x 0 + F k m = 0 n 1 F τ n m 1 G τ u m .
where F k = F Δ k .
Thus, it is sufficient to compute the matrices F τ ,   G τ (27) for the first long jump ( τ or T / 2 ) .
The time of calculation using the above equations is a rather big one.
Therefore, a modified approach was used. Therefore, starting from Equation (24a) but considering step n equal to the repetitive period ( τ or T / 2 ) of the sequence of the excitation function, we obtain:
x n + 1 = F per x n + G per u n
where F per ,   G per are F τ ,   G τ or F T / 2 ,   G T / 2 .
Now, we can imply the z-transform for the direct determination of x n vector [6,7,9,11].
z X z = F τ X z + G τ U z  
or
z X z = F T / 2 X z + G T / 2 U z
Thus,
X z = G τ U z z E F τ
or
X z = G T / 2 U z z E F T / 2 ,
where z E z .
A.
Case of  u 1 t = U ,   u 2 t = 0
Applying the z-transform (Equation (31a)) yields:
X z = U G τ z z F τ z E
Applying the inverse z-transform using the Cauchy residue theorem gives:
x n = U G τ j = 1 2 res z z j z j z j F τ z j E z j n 1 = U G τ j = 1 2 lim z z j z z j 1 z j F τ z j E z j n
where z j is the j-th root of the denominator of Equation (30b), i.e., z 1 = F τ , z 2 = E .
Then,
x n = U inv E F τ E n F τ n G τ .  
Pseudo-code for the computational algorithm is as follows, Algorithm 1.
Algorithm 1: Direct non-approximative method of calculation
Input:
A —system matrix
B —input matrix
      E identity   matrix
x 0 —initial conditions vector
u —excitation function
d T —small time step size
τ —large time step size
T s i m —simulation time
Output:
x —state vector
x 1 ,   x 2 ,   ,   x i state variables
t —time vector
1       F Δ = E d T · A 1
2       G Δ = F Δ · d T · B
3 k = τ / d T
4
5       G sum = 0 , , 0 T
6
7for  n = 1   to   k  do
8                     G s u m = G sum + F Δ k n 1 × G Δ
9end
10
11       F τ = F Δ k 1
12       G τ = G sum
13
14       m = T s i m / τ
15
16for  n = 1   t o   m  do
17                   x = U E F τ 1 E n F τ n G τ
18                   x 1 n = x 1
19                   x 2 n = x 2
20                  
21                   x i n = x i
22                   t n = n 1 · τ
23end
The results of this case using Equation (31) are given in Table 5.
In this case, when u 1 t = U ,   u 2 t = 0 , it is also possible to perform the calculation with step k and matrix F Δ , G Δ instead of F τ , G τ . Then,
x k = U inv E F Δ E k F Δ k G Δ .
Such a calculation (35) is optimized, and the calculation time is minimized because of the term total sum in Equation (26b), so there is no need to perform it. Therefore, using Equations (35) or (26), we can easily calculate matrices F τ , G τ for step k = τ / h and, consequently, calculate the state variables x n at discrete instants n   x   τ by using Equation (35).
Table 6 lists the values of variables x1(t) and x2(t) at discrete time instant t = k . h for u 1 t   =   U .
By comparing it with Table 5, we find that the differences in the values of the variables are negligible, but the calculation time is reduced against Table 5.
Time circumstances: computation time tcomp (s) is shown in Table 7 for the Laplace–Carson method (first line), implicit Euler method (Eul−1—second line), and direct non-approximative method DNM (third line).
We can also obtain—still for u 1 t = U —a steady-state solution by inverse transform and using the finite value theorem (if needed). The lemma of finite value can be used to compute steady-state values of the x n :
x = lim z E j = 1 2 z z j G τ U z z E F τ        
or
x = lim z E j = 1 2 z z j G T / 2 U z z E F T / 2     ,
where z j are the roots of the denominator of the fraction z-function.
B.
Case of  u 1 t = U sign sin 2 π T t ,   u 2 t = 0
Applying the z-transform (Equation (31b)) yields:
X z = U G T / 2 z z F T / 2 z + E .
Applying the inverse z-transformation using the lemma of residua gives:
x n = U G T 2 j = 1 2 res z z j z j z j F T 2 z j + 1 z j n 1 = U G T / 2 j = 1 2 lim z z j z z j 1 z j F T 2 z j + E z j n
where z j is the j-th root of the denominator of Equation (30b), i.e., z 1 = F T / 2 , z 2 = E .
Then,
x n = U inv E + F T / 2 E n + F T / 2 n G T / 2 .  
In this case, the matrices F T / 2 ,   G T / 2 can be calculated using Equations (35) or (25) for step k = T / 2 h . The results of this case are shown in Table 8.
C.
Case of harmonic function, e.g.,  u 1 t = U sin 2 π T t
In this case, the matrices F T / 2 ,   G T / 2 can be calculated using Equation (25) for step k = T / 2 h or the z-transform for the function u 1 k = U sin 2 π T h . k and the subsequent inverse z-transformation when:
U 1 z = U z . sin 2 π T h z 2 2 z . cos 2 π T h + 1 .  
When calculating the state variable vector X z ,
X z = U G Δ z . sin 2 π T h z F Δ z 2 2 z . cos 2 π T h + 1 ,                                                                                              
we must know matrices F Δ , G Δ . Unlike the previous case matrices. F T / 2 ,   G T / 2 cannot be directly calculated with the help of Equations (35a,b) but should be calculated using the z-transform:
x k = U G Δ j = 1 3 lim z z j z z j sin 2 π T h 1 z j z 1 z j + z 2 z j + z 3 z j k
for step k = T / 2 h , where z 1 z 3 are roots of the denominator of the fraction z-function. Then, we can calculate matrices F T / 2 ,   G T / 2 and vector x n .
D.
Case of a nonharmonic function, e.g., that in Figure 4
The time waveform of the nonharmonic exciting function is shown in the following figure.
Taking a discrete state-space model for the three-phase converter output, the state-variable vector can be calculated [12]:
x n + 1 = F T 6 x n + G T 6 U   sin n π 3 + π 6
where   F T 6 ,   G T 6 are fundamental and transition matrices (in general) of system parameters. The solution for x n , which is rather complicated, is given in Appendix A. However, a better—simpler—solution is to perform it with the T/2 repetition period with Equations (29)–(34):
x n + 1 = F T 2 x n + G T 2 U n .
and
x n = U inv E + F T / 2 E n + F T / 2 n G T / 2 .
The matrices F T / 2 ,   G T / 2 or ( F T 6 ,   G T 6 ) cannot be directly calculated with the help of Equation (27), but they can be calculated using Equation (25), where u l is:
u l = U sin integer 6 T h . l π 3 + π 6 .  

4. Example from the Field of Electrical Engineering—Simulation and Validation

According to the fundamental features of power electronics systems (each power electronics device has a discrete character), their input and output values represent sequences of impulses that are separated by discrete instants of conductivity changes of switching elements (commutation of semiconductor components). At the time between switching states, in other words, in their intervals of activity, the electric quantities are continuous [13].
The output, which means the voltage of the power electronics system, can be different:
-
continuous (battery + pulse converters with filter),
-
ripple voltage (rectifiers without filter),
-
harmonic (grid or resonant converters),
-
nonharmonic (inverters without filter), see, e.g., Figure 4.
Each of these types was used to supply voltage for the Steinmetz model of overhead lines, as analyzed in the following text.
A.
Modelling given electric circuit
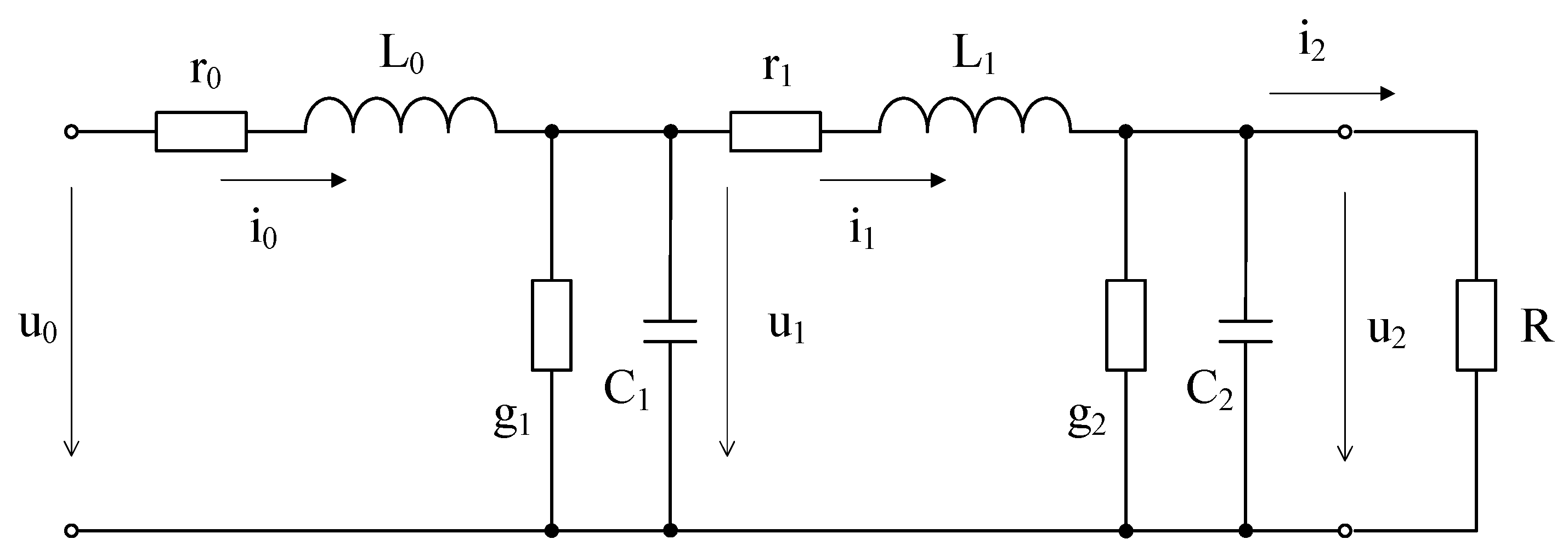
Consider a system by the circuit diagram using the Steinmetz π-term [14,15], Figure 5.
The parameters of the schematics in Figure 5 are given in Table 9.
A continuous dynamic model can be derived from the circuitry equations for u 0 = U = const . , and g 1 ,   g 2 is negligible:
U = r 0 i 0 t + L 0 d i 0 t d t + u 1 t u 1 t = r 1 i 1 t + L 1 d i 1 t d t + u 2 t i 0 t = C 1 d u 1 t d t + i 1 t i 1 t = C 2 d u 2 t d t + 1 R u 2 t } ,
Thus, the state-space form is:
d i 0 t d t = r 0 L 0 i 0 t 1 L 0 u 1 t + 1 L 0 U d i 1 t d t = r 1 L 1 i 1 t + 1 L 1 u 1 t 1 L 1 u 2 t d u 1 t d t = 1 C 1 i 0 t 1 C 1 i 1 t d u 2 t d t = 1 C 2 i 1 t 1 R C 2 u 2 t } .
and the shorter matrix form is:
x k + 1 = F Δ x n + G Δ U k .  
After time discretization with the h -step (see Appendix B), we obtain fundamental and transition matrices F Δ , G Δ . Then, we can calculate matrices F T / 2 ,   G T / 2 (or F T / 6 ,   G T / 6 ) , and we obtain:
x n + 1 = F T 2 x n + G T 2 U n
or
x n + 1 = F T 6 x n + G T 6 U n
and, consequently, by the DNM method, we obtain the state variables vector x n using Equations (38) or (A1), respectively.
In the case of harmonic supply voltage or rectified harmonic voltage, instead of u 0 = U , it is in its discrete format:
u 0 = U sin 2 π T h . k
or
u 0 = U abs sin 2 π T h . k .
A similar method can be used for a nonharmonic impulse supply exciting voltage [12]:
u 0 = U sin π 3 n + π 6 .
where n is an order of the period of the impulse switching function ( π 3 ); replacing n with a new variable n = integer 6 T h . k , we obtain the following for the input exciting voltage:
u 0 = U sin integer 6 T h . k π 3 + π 6 .  
where   h , k are the same as in previous cases.
Simulations have been worked out for a given electric circuit model (Figure 4) with stationary matrices F Δ , G Δ and F τ , G τ or F T / 2 ,   G T / 2 , under
u 0 = U = const . ,  Figure 6,
u 0 = U abs sin 2 π T h . k , Figure 7,
u 0 = U sin 2 π T h . k , Figure 8, and
u 0 = U sin integer 6 T h . k π 3 + π 6 ,   Figure 9.
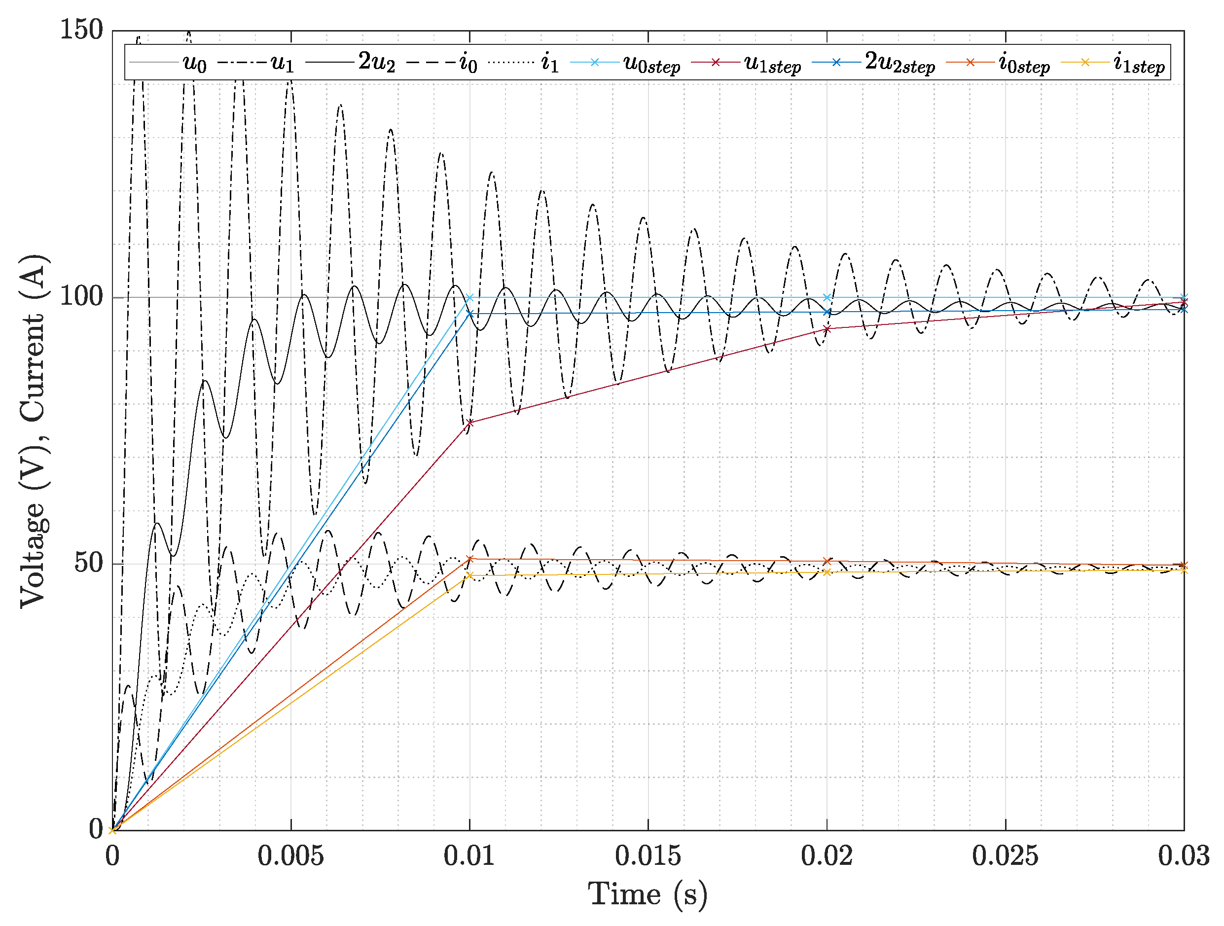
Figure 6. Time waveforms during the first three multiple t for u 0 t   U = const .
Figure 6. Time waveforms during the first three multiple t for u 0 t   U = const .
Applsci 13 04162 g006
Figure 7. Time waveforms during the first three half-periods for u 0 t   =   U abs sin 2 π T h . k .
Figure 7. Time waveforms during the first three half-periods for u 0 t   =   U abs sin 2 π T h . k .
Applsci 13 04162 g007
Figure 8. Time waveforms during the three half-periods for u 0 = U sin 2 π T h . k .
Figure 8. Time waveforms during the three half-periods for u 0 = U sin 2 π T h . k .
Applsci 13 04162 g008
Figure 9. Time waveforms during the first three half-periods for u 0 = U sin integer 6 T h . k π 3 + π 6 .
Figure 9. Time waveforms during the first three half-periods for u 0 = U sin integer 6 T h . k π 3 + π 6 .
Applsci 13 04162 g009
The results of each case using the direct numeric method are shown in Table 8, Table 10, Tables 12 and 14. The time waveforms during the first three multiple t under u 0 t U = const . are shown in Figure 6.
The values of state variables i0, i1, u1, and u2 at discrete time instant t = n.t are given in Table 10.
Time circumstances: computation time tcomp (sec) is shown in Table 11 for the implicit Euler method (Eul−1—first line) and the direct non-approximative method DNM (second line).
Comparison of computation time: as we can see in Table 11, the computation time for the first three multiples t was lower using the Euler implicit method. However, over about 30 times t, the computation time was lower using the direct numerical method. The higher the multiple, the greater the difference in calculation time in favor of the DNM method.
The time waveforms during the first three half-periods for u 0 t = U abs sin 2 π T h . k are shown in Figure 7.
The values of state variables i0, i1, u1, and u2 at discrete time instant t = n T 2 are given in Table 12.
Time circumstances: computation time tcomp (s) is shown in Table 13 for the implicit Euler method (first line) and direct DNM method (second line).
Comparison of computation time: as we can see in Table 13, the computation time for the first three multiples t is lower using the Euler implicit method. However, over about 30 times t, the computation time was lower using the direct numerical method. The higher the multiple, the greater the difference in the calculation time in favor of the DNM method.
The time waveforms during the first three half-period under for u 0 = U sin 2 π T h . k are shown in Figure 8.
The values of state variables i0, i1, u1, and u2 at discrete time instant t = n T 2 are given in Table 14.
Time circumstances: the computation time tcomp (s) is shown in Table 15 for the implicit Euler method (first line) and the direct DNM method (second line).
Comparison of computation time: the time circumstances were very similar to those in Table 13 when the supply voltage was u 0 t   =   U .
The time waveforms for the first three half-period under for u 0 = U sin integer 6 T h . k π 3 + π 6 are shown in Figure 9.
The values of state variables i0, i1, u1, and u2 at discrete time instant t = n T 2 are given in Table 16.
Time circumstances: computation time tcomp (s) is shown in Table 17 for the implicit Euler method (first line) and the direct non-approximative method DNM (second line).
Comparison of computation time: the time circumstances are very similar to those in Table 13 when the supply voltage is u 0 t   =   U abs sin 2 π T h . k .
B.
Validation of chosen configuration using circuit simulator (Matlab/Simulink)
This study presents a validation case in which a single-phase uncontrolled rectifier is fed by a sinusoidal voltage u 0 t   =   U abs sin 2 π T h . k . The circuit simulator used in this research enables the implementation of rectifiers with realistic electronic switch models, specifically diodes. Figure 10 illustrates the validated circuit’s schematic, with the load parameters remaining consistent with those utilized in previous figures. Rectifier switch parameters were obtained from the catalog values of the diodes used in the experiment. However, the network voltage had to be slightly increased to produce an output voltage similar to that depicted in Figure 7, accounting for rectifier power losses. The achieved efficiency (97.26%) was computed using [15,16] as the ratio of the mean value of active output power to active input power.
The time waveforms resulting from the simulation are illustrated in Figure 11. The simulated waveforms exhibit similarities to those obtained in Figure 7 and the values documented in Table 12 when the supply voltage is u 0 t   =   U abs sin 2 π T h . k . Differences between the waveforms are practically negligible.
Overall, the validation case indicates that the proposed simulation method produces results that are highly consistent with experimental results. These findings lend credibility to the proposed simulation method and offer assurance that it may be employed in a range of practical applications. Future studies may investigate more complex rectifiers and examine the potential of this method for optimizing the design and performance of rectifier circuits.

5. Discussion and Conclusions

In conclusion, this paper introduced a novel direct non-approximative method for computing state variables in any discrete step, which enables the direct calculation of variable values without requiring knowledge of previous variable values. The method uses the successive derivation of the state variable vector to gradually obtain the values at the target time, and to speed up the calculation, the z-transformation method is further used.
The paper demonstrates that the proposed method is advantageous for long periods of stabilization of the system or when the shortest time constant in the system is greater than the repetition period of the excitation function. As evidenced by the example with the Steinmetz model, which shows steady-state behavior for tens of half-periods, the DNM method reduced the calculation time by up to 70% compared with the approximative implicit Euler method.
The results were validated using Matlab/Simulink, and the proposed method offers several advantages over traditional methods, including improved accuracy, reduced computational time, and simplified calculations. This makes it a valuable tool for the correct design and operation analysis of power electronic systems.
In summary, the direct non-approximative method presented in this paper represents a significant advancement in the field of power electronics and offers practical applications in industry. Future research could focus on applying the method to more complex systems and exploring its potential for optimizing the design and operation of power electronic systems.

Author Contributions

B.D.: conceptualization, supervision, writing—original draft preparation, investigation. R.K.: conceptualization, software, writing—original draft preparation, investigation. M.B.: investigation, project administration, writing—original draft preparation. M.P.: conceptualization, validation, review and editing, funding acquisition. All authors have read and agreed to the published version of the manuscript.

Funding

This publication was realized with the support of the Ministry of Education, Science, Research, and Sport of the Slovak Republic as part of the project “Modern education methods in analysis, modeling, and control of Power Semiconductor Systems,” code: KEGA 018ŽU-4/2021.

Institutional Review Board Statement

Not applicable.

Informed Consent Statement

Not applicable.

Data Availability Statement

Not applicable.

Conflicts of Interest

The authors declare no conflict of interest.

Nomenclature

xstate variables vector
uvector of exciting function
A, B, F, Gmatrices of the system
A(p), B(p), C(p), D(p)operator functions (polynomials)
R, L, C, Uconstants of given electrical circuit
τtime constant
Ωangular frequency
ttime (time variable)
Ttime period
others are explained directly in the text.

Appendix A

Applying the z-transform and considering the repetition frequency of the exciting function equal to 6 T :
z X z = F T 6 X z + G T 6 U z .  
Thus,
X z = U G T 6 z 3 + 2 z 2 + z z E F T 6 z 3 + 1 = U G T 6 z z + 1 z E F T 6 z 2 z + 1 .  
Finally, we obtain a direct non-approximative form of state variables at the discrete time instant n . T 6 :
x n = U 1 + F T 6 F T 6 2 F T 6 + 1 . F T 6 n + 3 1 F T 6 1 + F T 6 sin n π 3 cos n π 3 E G T 6
or after adapting:
x n = U . inv F T 6 3 + E 1 + F T 6 2 . F T 6 n + 3 . inv E + F T 6 E F T 6 sin n π 3 cos n π 3 G T 6 .        

Appendix B

After time discretization Equation (40) with the h -step, we obtain:
i 0 h = i 0 + h r 0 L 0 i 0 1 L 0 u 1 + 1 L 0 U i 1 h = i 1 + h r 1 L 1 i 1 + 1 L 1 u 1 1 L 1 u 2 u 1 h = u 1 + h 1 C 1 i 0 1 C 1 i 1 u 2 h = u 2 + h 1 C 2 i 1 1 R C 2 u 2 }
and after generalizing in matrix form:
i 0 i 1 u 1 u 2 k + 1 = 1 h r 0 L 0 0 h L 0 0 0 1 h r 1 L 1 h L 1 h L 1 h C 1 h C 1 0 0 0 h C 2 0 1 h R C 2 i 0 i 1 u 1 u 2 k + + h L 0 0 0 0 0 0 0 0 0 0 0 0 0 0 0 0 U 0 0 0 k = F Δ i 0 i 1 u 1 u 2 k + G Δ U 0 0 0 k . }
where F Δ and G Δ matrices are already known.

References

  1. Epperson, J.F. An Introduction to Numerical Methods and Analysis, 2nd ed.; John Wiley & Sons, Inc.: Hoboken, NJ, USA, 2013; Chapter 6; pp. 329–359. [Google Scholar]
  2. Esfandiari, R.S.; Lu, B. Numerical Methods for Engineers and Scientists Using MATLAB, 2nd ed.; CRC Press Taylor & Francis Inc.: Boca Raton, FL, USA, 2017; pp. 95–146. ISBN 9781498777421. [Google Scholar]
  3. Beerends, R.J.; Morsche, H.G.; Berg, J.C.; Vrie, E.M. Fourier and Laplace Transforms; Cambridge University Press: Cambridge, UK, 2003; Part 4; pp. 267–330. [Google Scholar]
  4. Ušák, E. Transient Phenomena Solution Using Integral Transforms; Textbook; STU Bratislava: Bratislava, Slovakia, 2011; Chapter 4; pp. 4.1–4.30. (In Slovak) [Google Scholar]
  5. Dobrucký, B.; Pokorný, M.; Beňová, M.; Abdamula, M.A.R. Modeling of power converters using z-transform. Commun. Sci. Lett. Univ. Zilina 2013, 15, 43–47. [Google Scholar]
  6. Moudgalya, K.M. Digital Control; John Wiley & Sons: Hoboken, NJ, USA, 2007; Chapter 4; pp. 61–109. [Google Scholar]
  7. Palamides, A.; Veloni, A. Signals and Systems Laboratory with Matlab; CRC Press: Boca Raton, FL, USA, 2011; Chapter 10; pp. 443–469. [Google Scholar]
  8. Dobrucký, B.; Štefanec, P.; Beňová, M.; Chernoyarov, O.V.; Pokorný, M. Analysis of higher order system with impulse exciting functions in z-domain. Circuits Syst. 2016, 7, 3951–3970. [Google Scholar] [CrossRef]
  9. Strejc, V. State-Space Theory of Linear Discrete Control; Academia Publisher: Prague, Czech Republic, 1978; Chapter 7; pp. 54–84. (In Czech) [Google Scholar]
  10. Dobrucký, B.; Štefanec, P.; Koňarik, R.; Chernoyarov, O.V. Modelling of transient phenomena of complex electrical circuits under periodic non-harmonic converter supply. Electr. Eng. 2017, 99, 1429–1438. [Google Scholar] [CrossRef]
  11. Brandao, J.A.F. Electromagnetic Foundations of Electrical Engineering; John Wiley & Sons: Hoboken, NJ, USA, 2008; Chapter 2; pp. 99–129. ISBN 978-0-470-69748-1. [Google Scholar]
  12. Gönen, T. Electric Power Transmission System Engineering Analysis and Design, 2nd ed.; CRC Press: Boca Raton, FL, USA, 2011; Chapter 6; pp. 281–333. [Google Scholar]
  13. Peretyatko, L.; Spinul, L.; Shcherba, M. Theoretical Fundamentals of Electrical Engineering, Part I; IS Polytechnic Institute: Kiev, Ukraine, 2021; Chapters 5 and 6; pp. 36–54. [Google Scholar]
  14. Nagsarkar, T.K.; Sukhija, M.S. Power System Analysis, 2nd ed.; Oxford University Press: Oxford, UK, 2014; Chapter 4; pp. 118–131. [Google Scholar]
  15. Dobrucký, B.; Kaščák, S.; Šedo, J.; Praženica, M.; Resutík, P. Single-Step Response and Determination of Power Components Mean Values of PES Using p-q Method during Transients. Appl. Sci. 2022, 12, 11659. [Google Scholar] [CrossRef]
  16. Hu, J.; Yang, Y.; Guan, Y.; Peng, T. A Novel Energy Optimization Control Strategy for Electric Drive System Based on Current Angle. Appl. Sci. 2020, 10, 3778. [Google Scholar] [CrossRef]
Figure 1. Time waveforms of variables x1(t) and x2(t) for one half-period (a) and steady state (b).
Figure 1. Time waveforms of variables x1(t) and x2(t) for one half-period (a) and steady state (b).
Applsci 13 04162 g001
Figure 2. Time waveforms of variables x1(t) and x2(t) under rectangular excitation.
Figure 2. Time waveforms of variables x1(t) and x2(t) under rectangular excitation.
Applsci 13 04162 g002
Figure 3. Waveforms of system energy under switching off (a) and switching on of excitation function (b).
Figure 3. Waveforms of system energy under switching off (a) and switching on of excitation function (b).
Applsci 13 04162 g003
Figure 4. Time waveform of nonharmonic exciting function u 1 t as discrete sequence presentation.
Figure 4. Time waveform of nonharmonic exciting function u 1 t as discrete sequence presentation.
Applsci 13 04162 g004
Figure 5. Circuit diagram of the one Steinmetz π-term with input r 0 ,   L 0 and output R.
Figure 5. Circuit diagram of the one Steinmetz π-term with input r 0 ,   L 0 and output R.
Applsci 13 04162 g005
Figure 10. Schematic of the validating configuration with u 0 t   =   U abs sin 2 π T h . k .
Figure 10. Schematic of the validating configuration with u 0 t   =   U abs sin 2 π T h . k .
Applsci 13 04162 g010
Figure 11. Time waveforms during the first three half-periods for u 0 t   =   U abs sin 2 π T h . k in Simulink.
Figure 11. Time waveforms during the first three half-periods for u 0 t   =   U abs sin 2 π T h . k in Simulink.
Applsci 13 04162 g011
Table 1. Values of variables x1(t) and x2(t) at the multiples of the repetition period ( n . τ ).
Table 1. Values of variables x1(t) and x2(t) at the multiples of the repetition period ( n . τ ).
n0123…-…¥
x1(n.t)042.694252.525348.5001…-…10
x2(n.t)040.397865.970081.4927…-…100
Note: with respect to non-zero initial conditions, we obtained the response to internal state change.
Table 2. Values of variables x1(t) and x2(t) at discrete time instant n . τ .
Table 2. Values of variables x1(t) and x2(t) at discrete time instant n . τ .
n0123…-…¥
x1(n.t)042.6942−32.851328.8109…-…±32.6973
x2(n.t)040.3978−14.825730.3481…-…±24.5804
Table 3. Values of variables x1(t) and x2(t) at discrete time instant n.τ, u 1 t   = U.
Table 3. Values of variables x1(t) and x2(t) at discrete time instant n.τ, u 1 t   = U.
n0123…-…¥
x1(n.t)042.671850.687148.2844…-…10
x2(n.t)040.427466.003581.5198…-…100
Table 4. Values of variables x1(t) and x2(t) at discrete time instant t = n.t, u 1 t   U sign sin 2 π T t .
Table 4. Values of variables x1(t) and x2(t) at discrete time instant t = n.t, u 1 t   U sign sin 2 π T t .
n0123…-…¥
x1(n.t)042.6718−32.870328.8305…-…±32.6923
x2(n.t)040.4274−14.851330.3676…-…±24.6039
Table 5. Values of variables x1(t) and x2(t) at discrete time instant t = n.t, u 1 t =   U .
Table 5. Values of variables x1(t) and x2(t) at discrete time instant t = n.t, u 1 t =   U .
n0123…-…¥
x1(n.t)042.678952.488548.4534…-…10
x2(n.t)040.427166.003081.5195…-…100
Table 6. Values of variables x1(t) and x2(t) at discrete time instant t = n.t.
Table 6. Values of variables x1(t) and x2(t) at discrete time instant t = n.t.
k0 1   τ / h 2   τ / h 3   τ / h …-…¥
x1(k.h)042.680852.482848.4414…-…10
x2(k.h)040.427866.004081.5202…-…100
Table 7. Computation time at discrete time instant t = n.t for u 0 t = U = const .
Table 7. Computation time at discrete time instant t = n.t for u 0 t = U = const .
n033370…-…100
L-CT (s) 0.0070 0.30342.77546.2100…-…10.0811
Eul−1 (s)00.30312.94606.2905…-…9.0285
DNM (s)02.29142.30892.2983…-…2.4048
Table 8. Values of variables x1(t) and x2(t) at discrete time instant t = n.t, u 1 t = U sign sin 2 π T t .
Table 8. Values of variables x1(t) and x2(t) at discrete time instant t = n.t, u 1 t = U sign sin 2 π T t .
n0123…-…¥
x1(n.t)042.6789−32.869228.8341…-…±32.7009
x2(n.t)040.4271−14.851130.3676…-…±24.6025
Table 9. Load parameters of the one Steinmetz π-term.
Table 9. Load parameters of the one Steinmetz π-term.
Loadr0 [mΩ]r1 (Ω)L0 (mH)L1 (mH)C1 (µF)C2 (µF)R (Ω)
1.001.0351.002.6270701.00
Table 10. Values of state variables i0, i1, u1, and u2 at discrete time instant t = n.t.
Table 10. Values of state variables i0, i1, u1, and u2 at discrete time instant t = n.t.
nu0 (V)i0 (A)i1 (A)u1 (V)u2 (V)i2 (V)
010000000
310049.76763848.85386399.14315548.88485548.884855
3310049.11491449.11591499.95088449.11591449.115914
7010049.11491449.11591499.95088449.11591449.115914
¥10049.11491449.11591499.95088449.11591449.115914
Table 11. Computation time at discrete time instant t = n.t, for u 0 t   = U = const .
Table 11. Computation time at discrete time instant t = n.t, for u 0 t   = U = const .
n033370…-…100
Eul−1 (s)00.38893.94168.0398 11.5492
DNM (s)03.09543.01403.0747 3.1429
Table 12. Values of state variables i0, i1, u1, u2, at discrete time instant t = n. T 2 .
Table 12. Values of state variables i0, i1, u1, u2, at discrete time instant t = n. T 2 .
nu0 (A)i0 (A)i1 (A)u1 (V)u2 (V)i2 (V)
0000000
3017.95370621.3329349.69839922.21040222.210402
33017.95532021.3263859.29616822.21430022.214300
70017.95532021.3263859.29616822.21430022.214300
¥ 17.95532021.3263859.29616822.21430022.214300
Table 13. Computation time at discrete time instant t = n.t for u 0 t   =   U abs sin 2 π T h . k .
Table 13. Computation time at discrete time instant t = n.t for u 0 t   =   U abs sin 2 π T h . k .
n033370…-…100
Eul−1 (s)00.43304.502910.4044 13.0423
DNM (s)03.22603.04733.1037 3.1211
Table 14. Values of state variables i0, i1, u1, and u2 at discrete time instant t = n T 2 .
Table 14. Values of state variables i0, i1, u1, and u2 at discrete time instant t = n T 2 .
nu0 (V)i0 (A)i1 (A)u1 (V)u2 (V)i2 (V)
0000000
3018.78551920.87177411.80001221.70232221.702322
33018.80063520.86901912.00606721.69446121.694461
700−18.800635−20.869019−12.006067−21.694461−21.694461
¥0±18.800635±20.869019±12.006067±21.694461±21.694461
Table 15. Computation time at discrete time instant t = n. T 2 , for u 0 = U sin 2 π T h . k .
Table 15. Computation time at discrete time instant t = n. T 2 , for u 0 = U sin 2 π T h . k .
n033370…-…100
Eul−1 (s)00.40484.87119.9838 12.7618
DNM (s)03.14423.18953.2579 3.1139
Table 16. Values of state variables i0, i1, u1, and u2 at discrete time instant t = n T 2 .
Table 16. Values of state variables i0, i1, u1, and u2 at discrete time instant t = n T 2 .
nu0 (V)i0 (A)i1 (A)u1 (V)u2 (V)i2 (V)
05000000
35021.55779029.31463728.72159329.93870529.938705
335021.73237329.25920829.49979329.86580329.865803
7050−21.732373−29.259208−29.499793−29.865803−29.865803
¥0±21.732373±29.259208±29.499793±29.865803±29.865803
Table 17. Computation time at discrete time instant t = n T 2 , for u 0 = U sin integer 6 T h . k π 3 + π 6 .
Table 17. Computation time at discrete time instant t = n T 2 , for u 0 = U sin integer 6 T h . k π 3 + π 6 .
n033370…-…100
Eul−1 (s)00.45124.662310.0333 13.1001
DNM (s)03.12473.25583.1953 3.1477
Disclaimer/Publisher’s Note: The statements, opinions and data contained in all publications are solely those of the individual author(s) and contributor(s) and not of MDPI and/or the editor(s). MDPI and/or the editor(s) disclaim responsibility for any injury to people or property resulting from any ideas, methods, instructions or products referred to in the content.

Share and Cite

MDPI and ACS Style

Dobrucký, B.; Koňarik, R.; Beňová, M.; Praženica, M. A New Modified Non-Approximative Method for Dynamic Systems Direct Calculation. Appl. Sci. 2023, 13, 4162. https://doi.org/10.3390/app13074162

AMA Style

Dobrucký B, Koňarik R, Beňová M, Praženica M. A New Modified Non-Approximative Method for Dynamic Systems Direct Calculation. Applied Sciences. 2023; 13(7):4162. https://doi.org/10.3390/app13074162

Chicago/Turabian Style

Dobrucký, Branislav, Roman Koňarik, Mariana Beňová, and Michal Praženica. 2023. "A New Modified Non-Approximative Method for Dynamic Systems Direct Calculation" Applied Sciences 13, no. 7: 4162. https://doi.org/10.3390/app13074162

APA Style

Dobrucký, B., Koňarik, R., Beňová, M., & Praženica, M. (2023). A New Modified Non-Approximative Method for Dynamic Systems Direct Calculation. Applied Sciences, 13(7), 4162. https://doi.org/10.3390/app13074162

Note that from the first issue of 2016, this journal uses article numbers instead of page numbers. See further details here.

Article Metrics

Back to TopTop