Long-Term Pre-Treatment of Municipal Sewage Sludge with Solidified Carbon Dioxide (SCO2)—Effect on Anaerobic Digestion Efficiency
Abstract
1. Introduction
2. Materials and Methods
2.1. Experimental Design
2.2. Materials
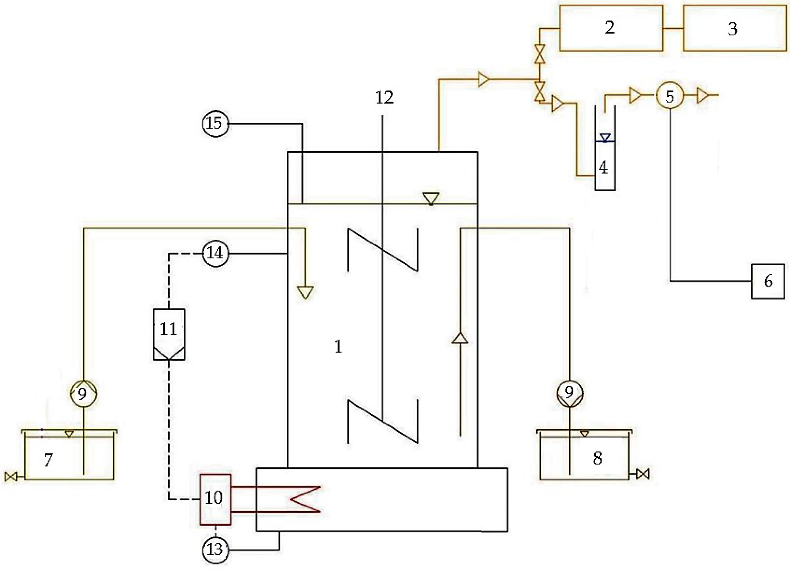
2.3. Research Station
2.4. Analytical Methods
2.5. Formulas and Calculations
2.6. Statistical Methods
3. Results and Discussion
3.1. Dissolved Phase
3.2. Biogas and Methane
3.3. Organic Matter and Digestion Coefficient
3.4. pH and FOS/TAC
3.5. Bacterial Community
3.6. Estimated Energy Production
4. Conclusions
Author Contributions
Funding
Institutional Review Board Statement
Informed Consent Statement
Data Availability Statement
Conflicts of Interest
Abbreviations
| AS | anaerobic sludge |
| CH4 | methane |
| COD | chemical oxygen demand |
| CVmethane | methane calorific value |
| Eout | energy output |
| MMSS | mass of MSS |
| MS | mineral solids |
| MSS | municipal sewage sludge |
| MW | microwave |
| N-NH4 | ammonia nitrogen |
| OLR | organic load rate |
| P-PO4 | orthophosphates |
| S1 | stage 1 |
| S2 | stage 2 |
| SCO2 | solidified carbon dioxide |
| TC | total carbon |
| TN | total nitrogen |
| TOC | total organic carbon |
| TP | total phosphorus |
| TPAD | temperature phased anaerobic digestion |
| TS | total solids |
| US | ultrasonication |
| VFA | volatile fatty acid |
| VS | volatile solids |
| Ymethane | methane yield |
| ηF | digestion coefficient |
References
- Bin Khawer, M.U.; Naqvi, S.R.; Ali, I.; Arshad, M.; Juchelková, D.; Anjum, M.W.; Naqvi, M. Anaerobic Digestion of Sewage Sludge for Biogas & Biohydrogen Production: State-of-the-Art Trends and Prospects. Fuel 2022, 329, 125416. [Google Scholar] [CrossRef]
- Ghaleb, A.A.S.; Kutty, S.R.M.; Ho, Y.C.; Jagaba, A.H.; Noor, A.; Al-Sabaeei, A.M.; Almahbashi, N.M.Y. Response Surface Methodology to Optimize Methane Production from Mesophilic Anaerobic Co-Digestion of Oily-Biological Sludge and Sugarcane Bagasse. Sustainability 2020, 12, 2116. [Google Scholar] [CrossRef]
- Ghangrekar, M.M. Sludge Management. In Wastewater to Water; Springer: Berlin/Heidelberg, Germany, 2022; pp. 619–691. [Google Scholar] [CrossRef]
- Di Capua, F.; Spasiano, D.; Giordano, A.; Adani, F.; Fratino, U.; Pirozzi, F.; Esposito, G. High-Solid Anaerobic Digestion of Sewage Sludge: Challenges and Opportunities. Appl. Energy 2020, 278, 115608. [Google Scholar] [CrossRef]
- Kazimierowicz, J.; Dzienis, L.; Dębowski, M.; Zieliński, M. Optimisation of Methane Fermentation as a Valorisation Method for Food Waste Products. Biomass Bioenergy 2021, 144, 105913. [Google Scholar] [CrossRef]
- Llano, T.; Arce, C.; Finger, D.C. Optimization of Biogas Production through Anaerobic Digestion of Municipal Solid Waste: A Case Study in the Capital Area of Reykjavik, Iceland. J. Chem. Technol. Biotechnol. 2021, 96, 1333–1344. [Google Scholar] [CrossRef]
- Almahbashi, N.M.Y.; Kutty, S.R.M.; Ayoub, M.; Noor, A.; Salihi, I.U.; Al-Nini, A.; Jagaba, A.H.; Aldhawi, B.N.S.; Ghaleb, A.A.S. Optimization of Preparation Conditions of Sewage Sludge Based Activated Carbon. Ain Shams Eng. J. 2021, 12, 1175–1182. [Google Scholar] [CrossRef]
- Ambrose, H.W.; Chin, C.T.L.; Hong, E.; Philip, L.; Suraishkumar, G.K.; Sen, T.K.; Khiadani, M. Effect of Hybrid (Microwave-H2O2) Feed Sludge Pretreatment on Single and Two-Stage Anaerobic Digestion Efficiency of Real Mixed Sewage Sludge. Process Saf. Environ. Prot. 2020, 136, 194–202. [Google Scholar] [CrossRef]
- Gahlot, P.; Balasundaram, G.; Tyagi, V.K.; Atabani, A.E.; Suthar, S.; Kazmi, A.A.; Štěpanec, L.; Juchelková, D.; Kumar, A. Principles and Potential of Thermal Hydrolysis of Sewage Sludge to Enhance Anaerobic Digestion. Environ. Res. 2022, 214, 113856. [Google Scholar] [CrossRef]
- Liu, X.; Wang, Q.; Tang, Y.; Pavlostathis, S.G. Hydrothermal Pretreatment of Sewage Sludge for Enhanced Anaerobic Digestion: Resource Transformation and Energy Balance. Chem. Eng. J. 2021, 410, 127430. [Google Scholar] [CrossRef]
- Liu, H.; Wang, X.; Qin, S.; Lai, W.; Yang, X.; Xu, S.; Lichtfouse, E. Comprehensive Role of Thermal Combined Ultrasonic Pre-Treatment in Sewage Sludge Disposal. Sci. Total Environ. 2021, 789, 147862. [Google Scholar] [CrossRef]
- Kazimierowicz, J.; Dębowski, M.; Zieliński, M. Effect of Pharmaceutical Sludge Pre-Treatment with Fenton/Fenton-like Reagents on Toxicity and Anaerobic Digestion Efficiency. Int. J. Environ. Res. Public Health 2022, 20, 271. [Google Scholar] [CrossRef]
- Zieliński, M.; Dȩbowski, M.; Krzemieniewski, M.; Rusanowska, P.; Zielińska, M.; Cydzik-Kwiatkowska, A.; Głowacka-Gil, A. Application of an Innovative Ultrasound Disintegrator for Sewage Sludge Conditioning before Methane Fermentation. J. Ecol. Eng. 2018, 19, 240–247. [Google Scholar] [CrossRef]
- Kazimierowicz, J.; Bartkowska, I.; Walery, M. Effect of Low-Temperature Conditioning of Excess Dairy Sewage Sludge with the Use of Solidified Carbon Dioxide on the Efficiency of Methane Fermentation. Energies 2020, 14, 150. [Google Scholar] [CrossRef]
- Zawieja, I. Effect of Dry Ice Modification of Excess Sludge on the Methane Fermentation Process. Annu. Set Environ. Prot. 2018, 20, 558–573. [Google Scholar]
- Pellegrini, L.A.; De Guido, G.; Langé, S. Biogas to Liquefied Biomethane via Cryogenic Upgrading Technologies. Renew. Energy 2018, 124, 75–83. [Google Scholar] [CrossRef]
- Shah, G.; Ahmad, E.; Pant, K.K.; Vijay, V.K. Comprehending the Contemporary State of Art in Biogas Enrichment and CO2 Capture Technologies via Swing Adsorption. Int. J. Hydrogen Energy 2021, 46, 6588–6612. [Google Scholar] [CrossRef]
- Liu, J.; Zhang, W.; Jin, H.; Li, Z.; Liu, G.; Xing, F.; Tang, L. Exploring the Carbon Capture and Sequestration Performance of Biochar-Artificial Aggregate Using a New Method. Sci. Total Environ. 2023, 859, 160423. [Google Scholar] [CrossRef]
- Sun, F.; Xiao, K.K.; Zhu, W.; Withanage, N.; Zhou, Y. Enhanced Sludge Solubilization and Dewaterability by Synergistic Effects of Nitrite and Freezing. Water Res. 2018, 130, 208–214. [Google Scholar] [CrossRef]
- Kazimierowicz, J.; Dębowski, M. Characteristics of Solidified Carbon Dioxide and Perspectives for Its Sustainable Application in Sewage Sludge Management. Int. J. Mol. Sci. 2023, 24, 2324. [Google Scholar] [CrossRef]
- Nowicka, E.; Machnicka, A.; Grűbel, K. Improving of Anaerobic Digestion by Dry Ice Disintegration of Surplus Activated Sludge. In Proceedings of the Praca Była Prezentowana Podczas Konferencji ECOpole’13, Jarnołtówek, Poland, 23–26 October 2013; pp. 239–247. [Google Scholar] [CrossRef]
- Zawieja, I.E. The Course of the Methane Fermentation Process of Dry Ice Modified Excess Sludge. Arch. Environ. Prot. 2019, 45, 50–58. [Google Scholar] [CrossRef]
- Singh, A.; Kumar, V. Recent Developments in Monitoring Technology for Anaerobic Digesters: A Focus on Bio-Electrochemical Systems. Bioresour. Technol. 2021, 329, 124937. [Google Scholar] [CrossRef] [PubMed]
- Kozłowski, D.; Ignatowicz, K. Effect of Dosing PIX 113 Coagulant to the Batch on Mesophilic Fermentation Process and Reducing Hydrogen Sulfide Content in Biogas. J. Ecol. Eng. 2022, 23, 286–293. [Google Scholar] [CrossRef]
- PN-EN 15935:2022-01; Soil, Waste, Treated Bio-Waste and Sewage Sludge—Determination of Losses on Ignition. Health, Environment and Medicine Sector Technical Body of Soil Chemistry: Warsaw, Poland, 2022.
- ImageJ. Available online: https://imagej.net/software/imagej/ (accessed on 27 December 2022).
- Machnicka, A.; Nowicka, E.; Grübel, K. Disintegration as a Key-Step in Pre-Treatment of Surplus Activated Sludge. J. Water Chem. Technol. 2017, 39, 47–55. [Google Scholar] [CrossRef]
- Nowicka, E.; Machnicka, A. Confirmation of Effectiveness Surplus Activated Sludge Dry Ice Disruption by Infrared Wave Analysis. In Proceedings of the 42nd International Conference of Slovak Society of Chemical Engineering, Tatranské Matliare, Slovakia, 25–29 May 2015. [Google Scholar]
- Machnicka, A.; Grübel, K.; Wacławek, S.; Sikora, K. Waste-Activated Sludge Disruption by Dry Ice: Bench Scale Study and Evaluation of Heat Phase Transformations. Environ. Sci. Pollut. Res. 2019, 26, 26488–26499. [Google Scholar] [CrossRef] [PubMed]
- Elango, D.; Pulikesi, M.; Baskaralingam, P.; Ramamurthi, V.; Sivanesan, S. Production of Biogas from Municipal Solid Waste with Domestic Sewage. J. Hazard. Mater. 2007, 141, 301–304. [Google Scholar] [CrossRef]
- Qin, S.; Wainaina, S.; Liu, H.; Soufiani, A.M.; Pandey, A.; Zhang, Z.; Awasthi, M.K.; Taherzadeh, M.J. Microbial Dynamics during Anaerobic Digestion of Sewage Sludge Combined with Food Waste at High Organic Loading Rates in Immersed Membrane Bioreactors. Fuel 2021, 303, 121276. [Google Scholar] [CrossRef]
- Parchami, M.; Wainaina, S.; Mahboubi, A.; I’Ons, D.; Taherzadeh, M.J. MBR-Assisted VFAs Production from Excess Sewage Sludge and Food Waste Slurry for Sustainable Wastewater Treatment. Appl. Sci. 2020, 10, 2921. [Google Scholar] [CrossRef]
- Uma Rani, R.; Adish Kumar, S.; Kaliappan, S.; Yeom, I.T.; Rajesh Banu, J. Impacts of Microwave Pretreatments on the Semi-Continuous Anaerobic Digestion of Dairy Waste Activated Sludge. Waste Manag. 2013, 33, 1119–1127. [Google Scholar] [CrossRef]
- Houtmeyers, S.; Degrève, J.; Willems, K.; Dewil, R.; Appels, L. Comparing the Influence of Low Power Ultrasonic and Microwave Pre-Treatments on the Solubilisation and Semi-Continuous Anaerobic Digestion of Waste Activated Sludge. Bioresour. Technol. 2014, 171, 44–49. [Google Scholar] [CrossRef]
- Riau, V.; De la Rubia, M.A.; Pérez, M. Upgrading the Temperature-Phased Anaerobic Digestion of Waste Activated Sludge by Ultrasonic Pretreatment. Chem. Eng. J. 2015, 259, 672–681. [Google Scholar] [CrossRef]
- Oosterhuis, M.; Ringoot, D.; Hendriks, A.; Roeleveld, P. Thermal Hydrolysis of Waste Activated Sludge at Hengelo Wastewater Treatment Plant, The Netherlands. Water Sci. Technol. 2014, 70, 1–7. [Google Scholar] [CrossRef]
- Pilli, S.; More, T.; Yan, S.; Tyagi, R.D.; Surampalli, R.Y. Anaerobic Digestion of Thermal Pre-Treated Sludge at Different Solids Concentrations–Computation of Mass-Energy Balance and Greenhouse Gas Emissions. J. Environ. Manag. 2015, 157, 250–261. [Google Scholar] [CrossRef]
- Lee, I.-S.; Rittmann, B.E. Effect of Low Solids Retention Time and Focused Pulsed Pre-Treatment on Anaerobic Digestion of Waste Activated Sludge. Bioresour. Technol. 2011, 102, 2542–2548. [Google Scholar] [CrossRef]
- Onyeche, T. Economic Benefits of Low Pressure Sludge Homogenization for Wastewater Treatment Plants. In Proceedings of the Moving forward Wastewater Biosolids Sustainability: Technical, Managerial, and Public Synergy, Moncton, NB, Canada, 24–27 June 2007; pp. 417–422. [Google Scholar]
- Pilli, S.; More, T.T.; Yan, S.; Tyagi, R.D.; Surampalli, R.Y. Fenton Pre-Treatment of Secondary Sludge to Enhance Anaerobic Digestion: Energy Balance and Greenhouse Gas Emissions. Chem. Eng. J. 2016, 283, 285–292. [Google Scholar] [CrossRef]
- Wang, Q.; Jiang, G.; Ye, L.; Yuan, Z. Enhancing Methane Production from Waste Activated Sludge Using Combined Free Nitrous Acid and Heat Pre-Treatment. Water Res. 2014, 63, 71–80. [Google Scholar] [CrossRef]
- Devlin, D.C.; Esteves, S.R.R.; Dinsdale, R.M.; Guwy, A.J. The Effect of Acid Pretreatment on the Anaerobic Digestion and Dewatering of Waste Activated Sludge. Bioresour. Technol. 2011, 102, 4076–4082. [Google Scholar] [CrossRef]
- Li, H.; Li, C.; Liu, W.; Zou, S. Optimized Alkaline Pretreatment of Sludge before Anaerobic Digestion. Bioresour. Technol. 2012, 123, 189–194. [Google Scholar] [CrossRef]
- Grübel, K.; Machnicka, A. The Use of Hybrid Disintegration of Activated Sludge to Improve Anaerobic Stabilization Process. Ecol. Eng. Environ. Technol. 2020, 21, 1–8. [Google Scholar] [CrossRef]
- Machnicka, A.; Grübel, K. The Effect of Pre-Treatment and Anaerobic Digestion for Pathogens Reduction in Agricultural Utilization of Sewage Sludge. Environ. Sci. Pollut. Res. 2023, 30, 13801–13810. [Google Scholar] [CrossRef]
- Villa, R.; Ortega Rodriguez, L.; Fenech, C.; Anika, O.C. Ensiling for Anaerobic Digestion: A Review of Key Considerations to Maximise Methane Yields. Renew. Sustain. Energy Rev. 2020, 134, 110401. [Google Scholar] [CrossRef]
- Camacho-Muñoz, R.; Villada-Castillo, H.S.; Solanilla-Duque, J.F. Anaerobic Biodegradation under Slurry Thermophilic Conditions of Poly(Lactic Acid)/Starch Blend Compatibilized by Maleic Anhydride. Int. J. Biol. Macromol. 2020, 163, 1859–1865. [Google Scholar] [CrossRef] [PubMed]
- Sivagurunathan, P.; Kumar, G.; Mudhoo, A.; Rene, E.R.; Saratale, G.D.; Kobayashi, T.; Xu, K.; Kim, S.H.; Kim, D.H. Fermentative Hydrogen Production Using Lignocellulose Biomass: An Overview of Pre-Treatment Methods, Inhibitor Effects and Detoxification Experiences. Renew. Sustain. Energy Rev. 2017, 77, 28–42. [Google Scholar] [CrossRef]
- Logan, M.; Visvanathan, C. Management Strategies for Anaerobic Digestate of Organic Fraction of Municipal Solid Waste: Current Status and Future Prospects. Waste Manag. Res. 2019, 37 (Suppl. 1), 27–39. [Google Scholar] [CrossRef] [PubMed]
- Srisowmeya, G.; Chakravarthy, M.; Nandhini Devi, G. Critical Considerations in Two-Stage Anaerobic Digestion of Food Waste—A Review. Renew. Sustain. Energy Rev. 2020, 119, 109587. [Google Scholar] [CrossRef]
- Wang, X.; Li, Y.; Zhang, Y.; Pan, Y.R.; Li, L.; Liu, J.; Butler, D. Stepwise PH Control to Promote Synergy of Chemical and Biological Processes for Augmenting Short-Chain Fatty Acid Production from Anaerobic Sludge Fermentation. Water Res. 2019, 155, 193–203. [Google Scholar] [CrossRef]
- Sarkar, O.; Rova, U.; Christakopoulos, P.; Matsakas, L. Influence of Initial Uncontrolled PH on Acidogenic Fermentation of Brewery Spent Grains to Biohydrogen and Volatile Fatty Acids Production: Optimization and Scale-Up. Bioresour. Technol. 2021, 319, 124233. [Google Scholar] [CrossRef]
- Vázquez-Fernández, A.; Suárez-Ojeda, M.E.; Carrera, J. Review about Bioproduction of Volatile Fatty Acids from Wastes and Wastewaters: Influence of Operating Conditions and Organic Composition of the Substrate. J. Environ. Chem. Eng. 2022, 10, 107917. [Google Scholar] [CrossRef]
- Nelabhotla, A.B.T.; Dinamarca, C. Bioelectrochemical CO2 Reduction to Methane: MES Integration in Biogas Production Processes. Appl. Sci. 2019, 9, 1056. [Google Scholar] [CrossRef]
- Sánchez, E.; Borja, R.; Travieso, L.; Martín, A.; Colmenarejo, M.F. Effect of Organic Loading Rate on the Stability, Operational Parameters and Performance of a Secondary Upflow Anaerobic Sludge Bed Reactor Treating Piggery Waste. Bioresour. Technol. 2005, 96, 335–344. [Google Scholar] [CrossRef]
- Ambrose, H.W.; Philip, L.; Suraishkumar, G.K.; Sen, T. Anaerobic Co-Digestion of Mixed Activated Sewage Sludge and Fruit and Vegetable Waste on Two-Stage Digester Stability. Authorea Prepr. 2020. [Google Scholar] [CrossRef]
- Nkuna, R.; Roopnarain, A.; Adeleke, R. Effects of Organic Loading Rates on Microbial Communities and Biogas Production from Water Hyacinth: A Case of Mono- and Co-Digestion. J. Chem. Technol. Biotechnol. 2019, 94, 1294–1304. [Google Scholar] [CrossRef]
- Gagliano, M.C.; Braguglia, C.M.; Gallipoli, A.; Gianico, A.; Rossetti, S. Microbial Diversity in Innovative Mesophilic/Thermophilic Temperature-Phased Anaerobic Digestion of Sludge. Environ. Sci. Pollut. Res. 2015, 22, 7339–7348. [Google Scholar] [CrossRef]
- Boonapatcharoen, N.; Meepian, K.; Chaiprasert, P.; Techkarnjanaruk, S. Molecular Monitoring of Microbial Population Dynamics during Operational Periods of Anaerobic Hybrid Reactor Treating Cassava Starch Wastewater. Microb. Ecol. 2007, 54, 21–30. [Google Scholar] [CrossRef]
- Zieliński, M.; Dębowski, M.; Kazimierowicz, J. Performance of an Innovative Low-Cost Recycled Filling (LCRF) in Anaerobic Treatment of Dairy Effluent—A Pilot-Scale Study. Materials 2022, 15, 7815. [Google Scholar] [CrossRef]
- Passos, F.; García, J.; Ferrer, I. Impact of Low Temperature Pretreatment on the Anaerobic Digestion of Microalgal Biomass. Bioresour. Technol. 2013, 138, 79–86. [Google Scholar] [CrossRef]








| Parameter | Unit | MSS (S1) | MSS (S2) | AS |
|---|---|---|---|---|
| pH | - | |||
| Total solids (TS) | [%] | 4.96 ± 0.68 | 4.94 ± 0.92 | 2.24 ± 0.55 |
| Volatile solids (VS) | [%TS] | 84.91 ± 1.81 | 84.70 ± 1.98 | 67.22 ± 1.66 |
| Mineral solids (MS) | [%TS] | 15.09 ± 1.81 | 15.30 ± 1.98 | 32.78 ± 1.66 |
| Total carbon (TC) | [mg/gTS] | 585 ± 10 | 583 ± 12 | 330 ± 12 |
| Total organic carbon (TOC) | [mg/gTS] | 571 ± 15 | 568 ± 19 | 308 ± 9 |
| Total nitrogen (TN) | [mg/gTS] | 91.51 ± 6.43 | 90.22 ± 5.5 | 34.6 ± 3.8 |
| C/N ratio | - | 6.39 ± 1.56 | 6.46 ± 2.18 | 9.54 ± 3.16 |
| Total phosphorus (TP) | [mg/gTS] | 3.5 ± 1.1 | 3.4 ± 1.2 | 1.6 ± 0.2 |
| Soluble COD | [mg/dm3] | 115 ± 10 | 383 ± 14 | 1100 ± 16 |
| Soluble TOC | [mg/dm3] | 34.30 ± 3.21 | 127.96 ± 2.25 | 325 ± 11 |
| Soluble P-PO43− | [mg/dm3] | 60.33 ± 2.43 | 78.21 ± 4.16 | 65.23 ± 2.13 |
| Soluble N-NH4+ | [mg/dm3] | 83.25 ± 10.51 | 263 ± 14 | 99.44 ± 3.18 |
| Type of Sludge | Pre-Treatment Method | Condition Pre-Treatment | AD Method | Effects | Ref. |
|---|---|---|---|---|---|
| Dairy activated sludge | Microwave (MW) | 900 W, 12 min, 1814 kJ/dm3, | AD semi-continuous, 37 °C, HRT 15-day, 170-day | +57% biogas production | [33] |
| Thickened sludge | MW | 2.45 GHz, 800 W, 1 min, 96 kJ/kg TS | AD semi-continuous, 37 °C, HRT 20-day, 67-day | +20% biogas production | [34] |
| Thickened sludge | Ultrasonication (US) | 100 W, 8 min, 96 kJ/kg TS | AD semi-continuous, 37 °C, HRT 20-day, 67-day | +27% biogas production | [34] |
| MSS | US | 3380 kJ/kgTS | Temperature phased anaerobic digestion TPAD-BMP assay, 55 °C, 37 °C | +42% methane production | [35] |
| Dewatered activated sludge | Thermal hydrolysis | 65 °C, 6 bar, 20 min | AD pilot-scale, 37 °C, SRT 20-day | +30–40% biogas production | [36] |
| Secondary sludge | Thermal hydrolysis | 134–140 °C, 3.4 bar, 30 min | AD batch, 35 °C, HRT 30-day | +40.2% methane production | [37] |
| MSS | Electrokinetic disintegration | 34 kWh/m3 | CSTRs, 37 ± 1 °C, SRT 20-day | +33% methane production | [38] |
| Concentrated sludge | High-pressure homogenization | 150 bar | AD full scale, 36–38 °C | +30% biogas production | [39] |
| Secondary sludge | Fenton treatment | 60 g H2O2/kg TS 0.07 g Fe2+/g H2O2 | AD batch, 35 °C, 30-day | +15% methane production | [40] |
| MSS | Free nitrous acid-heat | nitrous acid 0.52–1.11 mg N/dm3, 70 °C | AD batch | +17–26% methane production | [41] |
| MSS | Acid treatment | 8.75 cm3 HCl/kgMSS, pH = 2 | AD semi-continuous, 35 °C, HRT 12-day | +14.3% methane production | [42] |
| MSS | Alkaline treatment | 0.1 mol NaOH/dm3 | AD batch (BMP), 21-day | +1.5% biogas production | [43] |
| Dairy sewage sludge | Pretreatment with SCO2 | SCO2/sludge: 0.1–0.5, 4.5 ± 0.3–22.7 ± 1.3 Wh | AD respirometers, 42 °C, 25-day, OLR 5gVS/dm3, HRT 21-day | +20 ± 2.1–43 ± 3.2% biogas production | [14] |
| MSS | Pretreatment with SCO2 | SCO2/sludge: 0.55/1 | AD respirometers, 37 °C, 28-day | +44% biogas production | [22] |
| MSS | Pretreatment with SCO2 and alkaline | SCO2/sludge: 0.75/1 +2 M NaOH | AD respirometers, 35 °C, 21-day | +15% biogas production | [44] |
| MSS | Pretreatment with SCO2 and hydrodynamic cavitation | SCO2/sludge: 1/1 | AD respirometers, 35 °C, 25-day | +62% biogas production | [45] |
| Stage | Digestion Coefficient (ηF) (%) | |||
|---|---|---|---|---|
| V1 | V2 | V3 | V4 | |
| S1 | 64.21 ± 1.2 | 64.57 ± 0.8 | 58.25 ± 1.0 | 44.88 ± 0.8 |
| S2 | 67.75 ± 1.1 | 66.88 ± 1.2 | 65.85 ± 1.3 | 50.87 ± 0.9 |
| S1 | S2 | |||||||||||||
|---|---|---|---|---|---|---|---|---|---|---|---|---|---|---|
| V | OLR | MMMS | Ymethane | Ymethane | CVmethane | Eout | V | OLR | MMMS | Ymethane | Ymethane | CVmethane | Eout | Eout(s2) − Eout(s1) |
| gVS/dm3·Day | gVS/Day | dm3/kgVS | dm3/Day | Wh/dm3 | Wh/Day | gVS/dm3·Day | gVS/Day | dm3/kgVS | dm3/Day | Wh/dm3 | Wh/Day | Wh/Day | ||
| 1 | 2 | 40 | 310 ± 14 | 12.4 ± 1.2 | 9.17 | 113.71 ± 1.2 | 1 | 2 | 40 | 340 ± 9 | 13.6 ± 1.4 | 9.17 | 124.71 ± 1.4 | 11 ± 0.2 |
| 2 | 3 | 60 | 270 ± 14 | 16.2 ± 1.3 | 148.55 ± 1.3 | 2 | 3 | 60 | 340 ± 19 | 20.4 ± 1.5 | 187.07 ± 1.5 | 38.52 ± 0.2 | ||
| 3 | 4 | 80 | 170 ± 11 | 13.6 ± 1.1 | 124.71 ± 1.1 | 3 | 4 | 80 | 220 ± 7 | 17.6 ± 1.6 | 161.39 ± 1.6 | 36.68 ± 0.5 | ||
| 4 | 5 | 100 | 110 ± 4 | 11 ± 1.1 | 100.87 ± 1.1 | 4 | 5 | 100 | 110 ± 10 | 11 ± 1.2 | 100.87 ± 1.2 | 0 |
Disclaimer/Publisher’s Note: The statements, opinions and data contained in all publications are solely those of the individual author(s) and contributor(s) and not of MDPI and/or the editor(s). MDPI and/or the editor(s) disclaim responsibility for any injury to people or property resulting from any ideas, methods, instructions or products referred to in the content. |
© 2023 by the authors. Licensee MDPI, Basel, Switzerland. This article is an open access article distributed under the terms and conditions of the Creative Commons Attribution (CC BY) license (https://creativecommons.org/licenses/by/4.0/).
Share and Cite
Kazimierowicz, J.; Dębowski, M.; Zieliński, M. Long-Term Pre-Treatment of Municipal Sewage Sludge with Solidified Carbon Dioxide (SCO2)—Effect on Anaerobic Digestion Efficiency. Appl. Sci. 2023, 13, 3075. https://doi.org/10.3390/app13053075
Kazimierowicz J, Dębowski M, Zieliński M. Long-Term Pre-Treatment of Municipal Sewage Sludge with Solidified Carbon Dioxide (SCO2)—Effect on Anaerobic Digestion Efficiency. Applied Sciences. 2023; 13(5):3075. https://doi.org/10.3390/app13053075
Chicago/Turabian StyleKazimierowicz, Joanna, Marcin Dębowski, and Marcin Zieliński. 2023. "Long-Term Pre-Treatment of Municipal Sewage Sludge with Solidified Carbon Dioxide (SCO2)—Effect on Anaerobic Digestion Efficiency" Applied Sciences 13, no. 5: 3075. https://doi.org/10.3390/app13053075
APA StyleKazimierowicz, J., Dębowski, M., & Zieliński, M. (2023). Long-Term Pre-Treatment of Municipal Sewage Sludge with Solidified Carbon Dioxide (SCO2)—Effect on Anaerobic Digestion Efficiency. Applied Sciences, 13(5), 3075. https://doi.org/10.3390/app13053075
