Improvement of Concrete Crack Segmentation Performance Using Stacking Ensemble Learning
Abstract
:1. Introduction
2. Literature Review
2.1. Representative Semantic Segmentation Architecture
2.2. Ensemble Learning Techniques
3. Experiments
3.1. Used Dataset
- -
- Crack Forest Dataset [3]: In the crack forest dataset, 118 pairs of RGB color images and manually labeled information about asphalt road surface cracks taken in Beijing, China, using an iPhone 5 were prepared by reshaping the original resolution from 480 × 320 to 224 × 224 pixels.
- -
- Crack500 [34]: Crack500 was produced by acquiring 500 RGB color images of 2560 × 1440 resolution cracks on the surface of 500 asphalt roads. Five hundred images were cropped to a size of 640 × 360 and divided into 3368 pieces, which were reshaped to 224 × 224 and used in this study.
- -
- CrackTree200 [35]: CrackTree200 provides 800 × 600 resolution images and label values for surface cracks on asphalt surfaces. It contains many images of cracks on an asphalt surface cast with tree shadows.
- -
- Deep Crack [36]: A dataset for crack segmentation comprises 537 RGB color images of 554x384 size. It is characterized using images of various scales for cracks that can occur on the surface of various materials and includes images of cracks occurring on concrete surfaces and asphalt.
- -
- GAPs384 [37]: The German Asphalt Pavement Distress dataset provides road surface images and labeling data, including cracks, potholes, and inlaid paths, with a resolution of 1920 × 1080. The image was divided into six pieces with 640 × 540 resolution so as not to overlap, and 509 images with cracks of 1000 pixels or more were provided as a dataset.
3.2. Model Architectures
3.2.1. Backbone Network
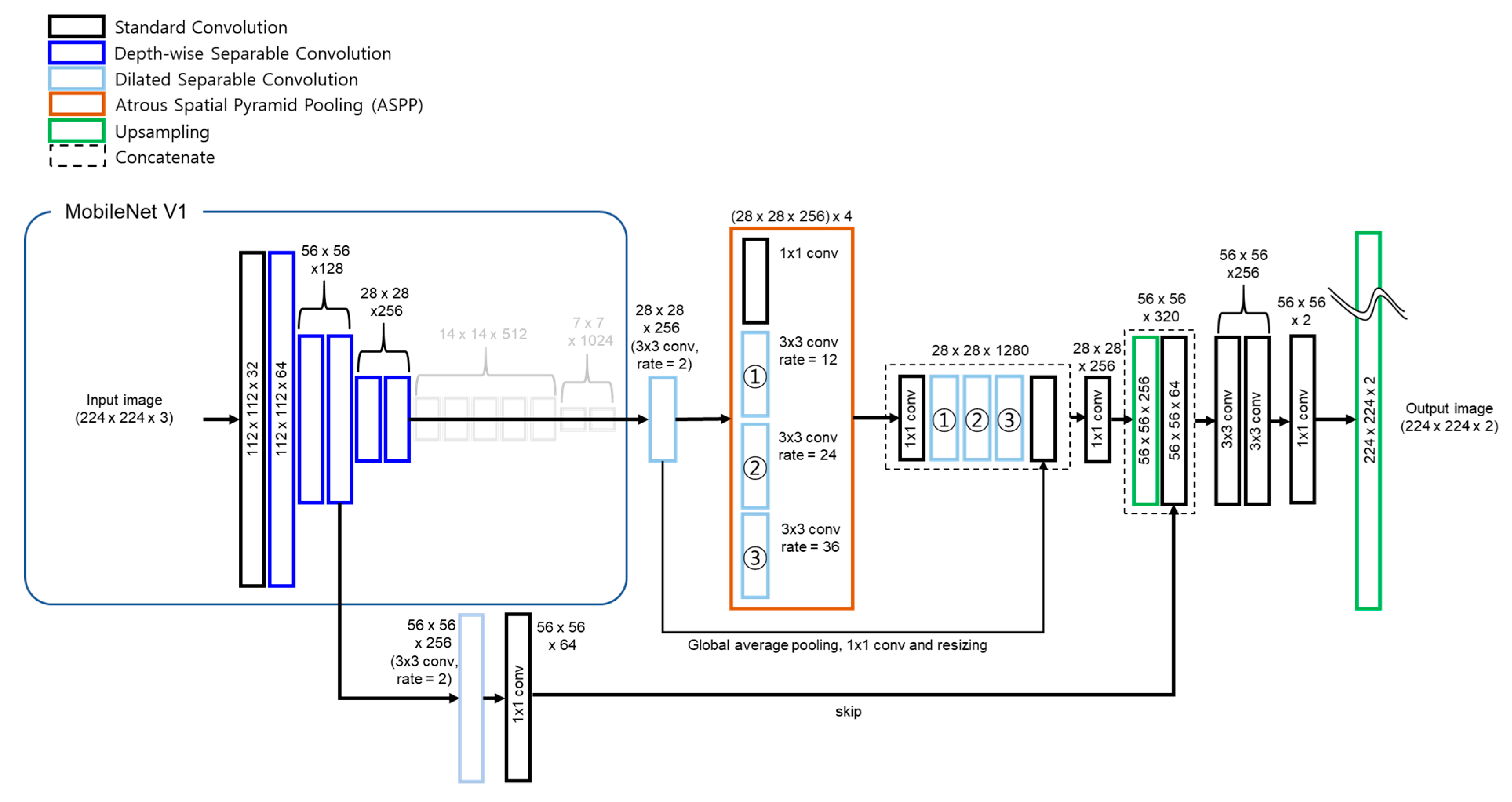
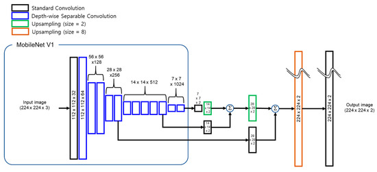
3.2.2. Semantic Segmentation Models
3.2.3. Meta Model Architecture
3.3. Model Training
4. Results and Discussion
4.1. IoU Scores of Five Segmentation Models
4.2. Predicted Images of Five Segmentation Models
4.3. Comparison Results between Predicted and Labeled Images
4.4. New Data for Testing Performance of Metamodel
5. Conclusions
Author Contributions
Funding
Institutional Review Board Statement
Informed Consent Statement
Data Availability Statement
Conflicts of Interest
References
- Lee, T.; Chun, C.; Ryu, S.K. Detection of road-surface anomalies using a smartphone camera and accelerometer. Sensors 2021, 21, 561. [Google Scholar] [CrossRef] [PubMed]
- Lee, T.; Yoon, Y.; Chun, C.; Ryu, S. CNN-Based Road-Surface crack detection model that responds to brightness changes. Electronics 2021, 10, 1402. [Google Scholar] [CrossRef]
- Shi, Y.; Cui, L.; Qi, Z.; Meng, F.; Chen, Z. Automatic road crack detection using random structured forests. IEEE Trans. Intell. Transp. Syst. 2016, 17, 3434–3445. [Google Scholar] [CrossRef]
- Hanandeh, S. Evaluation circular failure of soil slopes using classification and predictive gene expression programming schemes. Front. Built Environ. 2022, 8, 858020. [Google Scholar] [CrossRef]
- Lanning, A.; Zaghi, A.E.; Zhang, T. Applicability of convolutional neural networks for calibration of nonlinear dynamic models of structures. Front. Built Environ. 2022, 8, 873546. [Google Scholar] [CrossRef]
- Slaton, T.; Hernandez, C.; Akhavian, R. Construction activity recognition with convolutional recurrent networks. Autom. Constr. 2020, 113, 103138. [Google Scholar] [CrossRef]
- Tsai, Y.-L.; Chang, H.-C.; Lin, S.-N.; Chiou, A.-H.; Lee, T.-L. Using convolutional neural networks in the development of a water pipe leakage and location identification system. Appl. Sci. 2022, 12, 8034. [Google Scholar] [CrossRef]
- Wang, C.Y.; Bochkovskiy, A.; Liao, H.Y.M. YOLOv7: Trainable Bag-of-Freebies Sets New State-of-the-Art for Real-Time Object Detectors. arXiv 2022, arXiv:2207.02696. [Google Scholar]
- Bochkovskiy, A.; Wang, C.Y.; Liao, H.Y.M. Yolov4: Optimal Speed and Accuracy of Object Detection. arXiv 2020, arXiv:2004.10934. [Google Scholar]
- Redmon, J.; Farhadi, A. YOLOv3: An Incremental Improvement. arXiv 2018, arXiv:1804.02767. [Google Scholar]
- Girshick, R. Fast R CNN. In Proceedings of the IEEE International Conference on Computer Vision, Araucano Park, Las Condes, Chile, 7–13 December 2015; pp. 1440–1448. [Google Scholar]
- He, K.; Gkioxari, G.; Dollár, P.; Girshick, R. Mask R CNN. In Proceedings of the IEEE International Conference on Computer Vision (ICCV), Venice, Italy, 22–29 October 2017; pp. 2980–2988. [Google Scholar]
- Tan, M.; Le, Q.V. EfficientNet: Rethinking Model Scaling for Convolutional Neural Networks. arXiv 2019, arXiv:1905.11946. [Google Scholar]
- Howard, A.; Sandler, M.; Chu, G.; Chen, L.-C.; Chen, B.; Tan, M.; Wang, W.; Zhu, Y.; Pang, R.; Vasudevan, V.; et al. Searching for MobileNetV3. arXiv 2019, arXiv:1905.02244. [Google Scholar]
- He, K.; Zhang, X.; Ren, S.; Sun, J. Deep Residual Learning for Image Recognition. arXiv 2015, arXiv:1512.03385. [Google Scholar] [CrossRef]
- Simonyan, K.; Zisserman, A. Very Deep Convolutional Networks for Large-Scale Image Recognition. arXiv 2014, arXiv:1409.1556. [Google Scholar]
- Long, J.; Shelhamer, E.; Darrell, T. Fully convolutional networks for semantic segmentation. In Proceedings of the IEEE Conference on Computer Vision and Pattern Recognition (CVPR), Boston, MA, USA, 7–12 June 2015; pp. 3431–3440. [Google Scholar]
- Badrinarayanan, V.; Kendall, A.; Cipolla, R. SegNet: A deep convolutional encoder-decoder architecture for image segmentation. IEEE Trans. Pattern Anal. Mach. Intell. 2017, 39, 2481–2495. [Google Scholar] [CrossRef] [PubMed]
- Kirillov, A.; He, K.; Girshick, R.B.; Rother, C.; Dollár, P. Panoptic Segmentation. arXiv 2018, arXiv:1801.00868. [Google Scholar] [CrossRef]
- Xiong, Y.; Liao, R.; Zhao, H.; Hu, R.; Bai, M.; Yumer, E.; Urtasun, R. UPSNet: A Unified Panoptic Segmentation Network. arXiv 2019, arXiv:1901.03784. [Google Scholar] [CrossRef]
- Ronneberger, O.; Philipp, F.; Thomas, B. U-net: Convolutional networks for biomedical image segmentation. In International Conference on Medical Image Computing and Computer-Assisted Intervention; Springer: Cham, Switzerland, 2015. [Google Scholar]
- Chen, B.-W.; Hsu, Y.-M.; Lee, H.-Y. J-Net: Randomly Weighted U-Net for Audio Source Separation. arXiv 2019, arXiv:1911.12926. [Google Scholar]
- Zhou, Z.; Siddiquee, M.M.R.; Tajbakhsh, N.; Liang, J. UNet++: A Nested U-Net Architecture for Medical Image Segmentation. arXiv 2018, arXiv:1807.10165. [Google Scholar]
- Huang, H.; Lin, L.; Tong, R.; Hu, H.; Zhang, Q.; Iwamoto, Y.; Han, X.; Chen, Y.-W.; Wu, J. UNet 3+: A Full-Scale Connected UNet for Medical Image Segmentation. arXiv 2020, arXiv:2004.08790. [Google Scholar]
- Liu, H.; Shen, X.; Shang, F.; Wang, F. CU-Net: Cascaded U-Net with Loss Weighted Sampling for Brain Tumor Segmentation. arXiv 2019, arXiv:1907.07677. [Google Scholar]
- Chen, L.-C.; Papandreou, G.; Kokkinos, I.; Murphy, K.; Yuille, A.L. Semantic Image Segmentation with Deep Convolutional Nets and Fully Connected CRFs. arXiv 2016, arXiv:1412.7062. [Google Scholar]
- Chen, L.C.; Papandreou, G.; Kokkinos, I.; Murphy, K.; Yuille, A.L. Deeplab: Semantic image segmentation with deep convolutional nets, atrous convolution, and fully connected crfs. IEEE Trans. Pattern Anal. Mach. Intell. 2018, 40, 834–848. [Google Scholar] [CrossRef] [PubMed]
- Chen, L.-C.; Papandreou, G.; Schroff, F.; Adam, H. Rethinking Atrous Convolution for Semantic Image Segmentation. arXiv 2017, arXiv:1706.05587. [Google Scholar]
- Chen, L.-C.; Zhu, Y.; Papandreou, G.; Schroff, F.; Adam, H. Encoder-Decoder with Atrous Separable Convolution for Semantic Image Segmentation. arXiv 2018, arXiv:1802.02611. [Google Scholar]
- Fu, J.; Liu, J.; Tian, H.; Li, Y.; Bao, Y.; Fang, Z.; Lu, H. Dual Attention Network for Scene Segmentation. arXiv 2019, arXiv:1809.02983. [Google Scholar]
- Yuan, Y.; Chen, X.; Chen, X.; Wang, J. Segmentation Transformer: Object-Contextual Representations for Semantic Segmentation. arXiv 2021, arXiv:1909.11065. [Google Scholar]
- Pintelas, P.; Livieris, I.E. Special issue on ensemble learning and applications. Algorithms. 2020, 13, 140. [Google Scholar] [CrossRef]
- Middha, L. Crack Segmentation Dataset. 2021. Available online: https://www.kaggle.com/lakshaymiddha/crack-segmentation-dataset (accessed on 12 February 2023).
- Zhang, L.; Yang, F.; Daniel Zhang, Y.D.; Zhu, Y.J. Road crack detection using deep convolutional neural network. In Proceedings of the IEEE International Conference on Image Processing (ICIP), Phoenix, AZ, USA, 25–28 September 2016; Volume 2016, pp. 3708–3712. [Google Scholar] [CrossRef]
- Zou, Q.; Cao, Y.; Li, Q.; Mao, Q.; Wang, S. CrackTree: Automatic crack detection from pavement images. Pattern Recognit. Lett. 2012, 33, 227–238. [Google Scholar] [CrossRef]
- Liu, Y.; Yao, J.; Lu, X.; Xie, R.; Li, L. DeepCrack: A deep hierarchical feature learning architecture for crack segmentation. Neurocomputing 2019, 338, 139–153. [Google Scholar] [CrossRef]
- Eisenbach, M.; Stricker, R.; Seichter, D.; Amende, K.; Debes, K.; Sesselmann, M.; Ebersbach, D.; Stoeckert, U.; Gross, H.M. How to get pavement distress detection ready for deep learning? A systematic approach. In Proceedings of the 2017 International Joint Conference on Neural Networks (IJCNN), Anchorage, AK, USA, 14–19 May 2017; pp. 2039–2047. [Google Scholar] [CrossRef]
- Howard, A.G.; Zhu, M.; Chen, B.; Kalenichenko, D.; Wang, W.; Weyand, T.; Andreetto, M.; Adam, H. Mobilenets: Efficient Convolutional Neural Networks for Mobile Vision Applications. arXiv 2017, arXiv:1704.04861. [Google Scholar]
- Kingma, D.P.; Ba, J. Adam: A method for stochastic optimization. arXiv 2014, arXiv:1412.6980. [Google Scholar]
















| Model | Precision | Recall | Accucacy | F1-Score | |
|---|---|---|---|---|---|
| DANet | #1 | 0.842 | 0.846 | 0.731 | 0.844 |
| #2 | 0.699 | 0.818 | 0.605 | 0.754 | |
| #3 | 0.874 | 0.849 | 0.757 | 0.861 | |
| #4 | 0.432 | 0.935 | 0.482 | 0.591 | |
| DeepLabV3 | #1 | 0.044 | 0.223 | 0.038 | 0.074 |
| #2 | 0.687 | 0.815 | 0.595 | 0.746 | |
| #3 | 0.331 | 0.680 | 0.286 | 0.445 | |
| #4 | 0.583 | 0.789 | 0.505 | 0.671 | |
| DeepLabV3+ | #1 | 0.880 | 0.854 | 0.766 | 0.867 |
| #2 | 0.843 | 0.868 | 0.753 | 0.855 | |
| #3 | 0.913 | 0.854 | 0.790 | 0.883 | |
| #4 | 0.942 | 0.859 | 0.816 | 0.899 | |
| UNet | #1 | 0.192 | 0.560 | 0.170 | 0.286 |
| #2 | 0.239 | 0.637 | 0.223 | 0.348 | |
| #3 | 0.099 | 0.424 | 0.104 | 0.160 | |
| #4 | 0.757 | 0.860 | 0.683 | 0.805 | |
| Ours (stacking ensemble model) | 0.982 | 0.920 | 0.911 | 0.951 | |
Disclaimer/Publisher’s Note: The statements, opinions and data contained in all publications are solely those of the individual author(s) and contributor(s) and not of MDPI and/or the editor(s). MDPI and/or the editor(s) disclaim responsibility for any injury to people or property resulting from any ideas, methods, instructions or products referred to in the content. |
© 2023 by the authors. Licensee MDPI, Basel, Switzerland. This article is an open access article distributed under the terms and conditions of the Creative Commons Attribution (CC BY) license (https://creativecommons.org/licenses/by/4.0/).
Share and Cite
Lee, T.; Kim, J.-H.; Lee, S.-J.; Ryu, S.-K.; Joo, B.-C. Improvement of Concrete Crack Segmentation Performance Using Stacking Ensemble Learning. Appl. Sci. 2023, 13, 2367. https://doi.org/10.3390/app13042367
Lee T, Kim J-H, Lee S-J, Ryu S-K, Joo B-C. Improvement of Concrete Crack Segmentation Performance Using Stacking Ensemble Learning. Applied Sciences. 2023; 13(4):2367. https://doi.org/10.3390/app13042367
Chicago/Turabian StyleLee, Taehee, Jung-Ho Kim, Sung-Jin Lee, Seung-Ki Ryu, and Bong-Chul Joo. 2023. "Improvement of Concrete Crack Segmentation Performance Using Stacking Ensemble Learning" Applied Sciences 13, no. 4: 2367. https://doi.org/10.3390/app13042367
APA StyleLee, T., Kim, J.-H., Lee, S.-J., Ryu, S.-K., & Joo, B.-C. (2023). Improvement of Concrete Crack Segmentation Performance Using Stacking Ensemble Learning. Applied Sciences, 13(4), 2367. https://doi.org/10.3390/app13042367

