Shielding Assessment and Optimization of the Target Station for Medical Isotope Production Based on Superconducting Proton Linac
Abstract
1. Introduction
2. Materials and Methods
2.1. High-Power Target System Development
- (1)
- Vacuum system: The vacuum system is mainly composed of a vacuum chamber made of SS316L and a Leybold turbomolecular pump unit. Ten different flange interfaces are reserved for beam diagnostics and vacuum control elements. A high-fluorine rubber ring seal is used between the target and the chamber. Considering the connection to the front-end superconducting linear accelerator, the ultimate vacuum of the chamber should reach a value of 1 mPa (~7.5 nTorr), and the leak rate lower than 10−10 mbar·L/s. The leak rate of the system is tested to be less than 10−12 mbar·L/s in the atmosphere and the ultimate pressure drops significantly faster, reaching 1 mPa (~7.5 nTorr) within 24 h after baking, both lower than the design parameters [13].
- (2)
- Target and cooling system: The target is composed of a substrate made of oxygen-free copper for its high thermal conductivity, and an enriched 100Mo coating. The upper part of the substrate features six cooling fins inside to improve heat dissipation, as shown in Figure 2. The system can meet the target cooling requirement given a continuous irradiation with a 12 kW proton beam as per theoretical calculation with a one-dimensional heat equation and computational fluid dynamics (CFD) simulation [13].
- (3)
- Driving and autocontrol system: Mechanical components and electrical actuators are coordinated to realize the functions of manipulator driving, target locking, and safety interlock. The feedback and control of the system are realized through programmable logic controller (PLC) programming with Siemens S7-1200 controllers. The system has two controlling modes. The manual mode is used in offline tests, while the remote (automatic) mode is used during the online experiment to ensure personnel safety.
2.2. Shielding Requirements
2.3. Simulation Model
- (1)
- Physical model: The simulations used the PRECISION default physical settings in FLUKA. The cutoff transport energy of the photon was set at 20 keV. In addition, coalescence and evaporation models were applied for the simulation concerning the decay of the compound nucleus.
- (2)
- Beam parameter: The shielding assessment was based on the scenario in which the accelerator power is 12 kW (24 MeV; 500 μA) and the proton beam continuously bombards the 100Mo target for 6 h. The BEAM and BEAMPOS card were used to set the beam energy, profile, and incident direction. The IRRPROFI, DCYTIMES, and RADDECAY cards were activated to set the beam intensity, irradiating profile, and decay time for the simulation of residual radiation.
- (3)
- Geometric model: The 100Mo target is placed at 30° with respect to the horizontal plane, as shown in Figure 3, to reduce the burden of heat generation on the target cooling system. The target surface size is 9 cm × 18 cm, with a coating of 250 μm 100Mo in thickness. The geometric and material model of the target system was established based on the realistic mechanical design. However, owing to the complexity of the structure, the model was simplified to a certain extent without essentially affecting the general results and conclusions. The whole geometry was constructed with the combinatorial geometry (CG) tool in Flair [18], as shown in Figure 4.
2.4. Simulation Method
- (1)
- Carry out a full simulation based on construction drawings to record the source-term energy spectrum and then select appropriate shielding materials based on physical models;
- (2)
- Utilize Method 1 to improve the statistics of simulation results and iterate the shielding design within a relatively short time, and then evaluate and optimize the design of key parts such as mazes and ventilation penetrations. Method 1 can also be better customized by creating more layers or adjusting the biasing factor, which may finally provide a satisfactory result, but with more time.
- (3)
- If necessary and/or feasible, perform regional segmentation of the geometric model and assign importance to achieve more accurate simulation results. Method 2 is not applicable if the geometry is too complicated.
3. Results
3.1. Shielding Material Composition
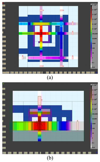
3.2. Prompt Dose Rates
3.3. Residual Radioactivity Studies
3.4. Partial Shielding of Electrical Actuator
4. Conclusions
Author Contributions
Funding
Institutional Review Board Statement
Informed Consent Statement
Data Availability Statement
Conflicts of Interest
Appendix A
| Element | Portland Concrete (ρ = 2.3 g/cm3) | Borated Low-Sodium Concrete (ρ = 2.35 g/cm3) | Dense Concrete (ρ = 5.05 g/cm3) |
|---|---|---|---|
| Hydrogen | 1 × 10−2 | 1 × 10−2 | 2.8 × 10−3 |
| Carbon | 1 × 10−3 | 7.88 × 10−2 | 2.8 × 10−3 |
| Oxygen | 5.29107 × 10−1 | 4.934 × 10−1 | 1.79 × 10−10 |
| Sodium | 1.6 × 10−2 | 2 × 10−3 | 2 × 10−3 |
| Magnesium | 2 × 10−3 | 1.11 × 10−2 | 9 × 10−4 |
| Aluminum | 3.3872 × 10−2 | 1.8 × 10−2 | 5 × 10−3 |
| Silicon | 3.37021 × 10−1 | 1.0105 × 10−1 | 1.57 × 10−2 |
| Potassium | 1.3 × 10−2 | 1.65 × 10−3 | 3 × 10−4 |
| Calcium | 4.4 × 10−2 | 2.685 × 10−1 | 5 × 10−2 |
| Iron | 1.4 × 10−2 | 8.3 × 10−3 | 7.408 × 10−1 |
| Manganese | - | 1.3 × 10−7 | 1 × 10−3 |
| Phosphorus | - | 2.4 × 10−6 | - |
| Titanium | - | 9.2 × 10−4 | - |
| Barium | - | 1.2 × 10−4 | - |
| Chromium | - | 1.2 × 10−5 | - |
| Copper | - | 3.85 × 10−5 | - |
| Zinc | - | 8.35 × 10−5 | - |
| Scandium | - | 4.65 × 10−6 | - |
| Cesium | - | 2.65 × 10−7 | - |
| Zirconium | - | 3.37 × 10−5 | - |
| Sulfur | - | 4.55 × 10−3 | 1.8 × 10−3 |
| Cobalt | - | 3.4 × 10−6 | - |
| Europium | - | 3.35 × 10−7 | - |
| Boron | - | 2 × 10−3 | - |
References
- Radioisotopes in Medicine. Available online: https://www.world-nuclear.org/information-library/non-power-nuclear-applications/radioisotopes-research/radioisotopes-in-medicine.aspx (accessed on 2 March 2022).
- Ruth, T. Accelerating production of medical isotopes. Nature 2009, 457, 536–537. [Google Scholar] [CrossRef] [PubMed]
- Huang, W.; Liang, J.X.; Wu, Y.X.; Wu, J.W.; Luo, Z.F. Development of radioisotopes preparation technology in China. J. Isot. 2019, 32, 208–217. [Google Scholar] [CrossRef]
- National Academies of Sciences, Engineering, and Medicine. Molybdenum-99 for Medical Imaging; The National Academies Press: Washington, DC, USA, 2016; pp. 51–86. [Google Scholar] [CrossRef]
- Organization for Economic Cooperation and Development/Nuclear Energy Agency. The Supply of Medical Radioisotopes: An Economic Diagnosis and Possible Solutions; OECD Publishing: Paris, France, 2019; pp. 78–94. [Google Scholar] [CrossRef]
- Pitas, K.; Piefer, G. SHINE technology and progress toward US-based molybdenum-99 production. J. Nucl. Med. 2015, 56, 165. [Google Scholar]
- Hoehr, C.; Bénard, F.; Buckley, K.; Crawford, J.; Gottberg, A.; Hanemaayer, V.; Kunz, P.; Ladouceur, K.; Radchenko, V.; Ramogida, C.; et al. Medical isotope production at TRIUMF–from imaging to treatment. Phys. Procedia 2017, 90, 200–208. [Google Scholar] [CrossRef]
- Canadian Light Source Inc. Production of Molybdenum-99 Using Electron Beams. U.S. Patent US20140348284A1, 27 November 2014. Available online: https://patents.google.com/patent/US20140348284A1/en (accessed on 5 November 2021).
- Liu, Z.; Trudel, A.; Augusto, R.S.; Buckley, K. Shielding assessment of the IAMI facility. Radiat. Phys. Chem. 2020, 177, 109154. [Google Scholar] [CrossRef]
- Celler, A.; Hou, X.; Bénard, F.; Ruth, T. Theoretical modeling of yields for proton-induced reactions on natural and enriched molybdenum targets. Phys. Med. Biol. 2011, 56, 5469. [Google Scholar] [CrossRef] [PubMed]
- Liu, S.H.; Wang, Z.J.; Jia, H.; He, Y.; Dou, W.P.; Qin, Y.S.; Chen, W.L.; Yan, F. Physicsdesign of the CIADS 25 MeV demo facility. Nucl. Instrum. Methods. Phys. Res. A 2017, 843, 11–17. [Google Scholar] [CrossRef]
- Burgerjon, J.J.; Gelbart, Z.; Hendry, G.O.; Lofvendahl, J.C.; Mcilwraith, L.; Pinto, G.A. A high-power target system for radioisotope production. In Proceedings of the Eleventh International Conference on Cyclotrons and their Applications, Tokyo, Japan, 13–17 October 1986. [Google Scholar]
- Chen, D.Y. Development of Target System for Medical Isotope Tc-99m Production Based on the Superconducting Linac. Master’s Thesis, Lanzhou University, Lanzhou, China, 16 May 2022. [Google Scholar]
- ICRP. Recommendations of the ICRP. ICRP Publication 26. Annals of the ICRP; Pergamon Press: Osaka, Japan, 1977; pp. 1–53. Available online: https://www.icrp.org/publication.asp?id=ICRP%20Publication%2026 (accessed on 6 December 2021).
- National Standard of the People’s Republic of China. Basic Standards for Protection Against Ionizing Radiation and for the Safety of Radiation Sources, GB 18871-2002. 2002. Available online: http://www.nirp.cn/userfiles/file/GB18871-2002.pdf (accessed on 6 December 2021).
- Battistoni, G.; Boehlen, T.; Cerutti, F.; Chin, P.W.; Esposito, L.S.; Fassò, A.; Ferrari, A.; Lechner, A.; Empl, A.; Mairani, A.; et al. Overview of the FLUKA code. Ann. Nucl. Energy 2015, 82, 10–18. [Google Scholar] [CrossRef]
- Battistoni, G.; Gadioli, E.; Brugger, M.; Ferrari, A.; Smirnov, G.; Vlachoudis, V.; Muraro, S.; Empl, A.; Villari, R.; Carboni, M.; et al. The application of the Monte Carlo code FLUKA in radiation protection studies for the large hadron collider. Prog. Nucl. Sci. Techol. 2011, 2, 358–364. [Google Scholar] [CrossRef]
- Vlachoudis, V. FLAIR: A Powerful but User Friendly Graphical Interface For FLUKA. In Proceedings of the International Conference on Mathematics, Computational Methods & Reactor Physics, Saratoga Springs, NY, USA, 3–7 May 2009. [Google Scholar]
- Augusto, R.S.; Trudel, A.; Liu, Z.; Kinakin, M.; Paley, W.; Bjelić, Z.; Messenberg, A.; Mildenberger, J.; Chak, J.; Groumoutis, T.; et al. An overview of the shielding optimization studies for the TRIUMF-ARIEL facility. Nucl. Instrum. Methods. Phys. Res. A 2021, 1005, 165401. [Google Scholar] [CrossRef]
- Butler, H.M.; Wallace, K.M.; Fulmer, C.B. Half-value thickness measurements of ordinary concrete for neutrons from cyclotron targets. Am. Ind. Hyg. Assoc. J. 1974, 35, 234–237. [Google Scholar] [CrossRef] [PubMed]
- The Catalyst User’s Guide v2.0 ParaView 4.3.1. Available online: https://www.kitware.com/paraview-catalyst-users-guide-v2-0-available/ (accessed on 1 May 2022).
- Ferry, M.; Ngono, Y. Energy transfer in polymers submitted to ionizing radiation: A review. Radiat. Phys. Chem. 2021, 180, 109320. [Google Scholar] [CrossRef]
- Brews, J.R.; Allenspach, M.; Schrimpf, R.D.; Galloway, K.F.; Titus, J.L.; Wheatley, C.F. A conceptual model of a single-event gate-rupture in power MOSFETs. IEEE Trans. Nucl. Sci. 1993, 40, 1959–1966. [Google Scholar] [CrossRef]
- Hefner, A.R.; Blackburn, D.L.; Galloway, K.F. The effect of neutrons on the characteristics of the insulated gate bipolar transistor (IGBT). IEEE Trans. Nucl. Sci. 1986, 33, 1428–1434. [Google Scholar] [CrossRef]
- Infantino, A.; Cicoria, G.; Lucconi, G.; Pancaldi, D.; Vichi, S.; Zagni, F.; Mostacci, D.; Marengo, M. Radiation Protection studies for medical particle accelerators using FLUKA MonteCarlo Code. Radiat. Prot. Dosim. 2017, 173, 185–191. [Google Scholar] [CrossRef] [PubMed]















Disclaimer/Publisher’s Note: The statements, opinions and data contained in all publications are solely those of the individual author(s) and contributor(s) and not of MDPI and/or the editor(s). MDPI and/or the editor(s) disclaim responsibility for any injury to people or property resulting from any ideas, methods, instructions or products referred to in the content. |
© 2023 by the authors. Licensee MDPI, Basel, Switzerland. This article is an open access article distributed under the terms and conditions of the Creative Commons Attribution (CC BY) license (https://creativecommons.org/licenses/by/4.0/).
Share and Cite
Chen, D.; Augusto, R.d.S.; Li, Y.; Qin, Z.; Rong, J.; Yao, K.; Jia, H.; Yuan, C.; Liu, J.; Liu, Z. Shielding Assessment and Optimization of the Target Station for Medical Isotope Production Based on Superconducting Proton Linac. Appl. Sci. 2023, 13, 1985. https://doi.org/10.3390/app13031985
Chen D, Augusto RdS, Li Y, Qin Z, Rong J, Yao K, Jia H, Yuan C, Liu J, Liu Z. Shielding Assessment and Optimization of the Target Station for Medical Isotope Production Based on Superconducting Proton Linac. Applied Sciences. 2023; 13(3):1985. https://doi.org/10.3390/app13031985
Chicago/Turabian StyleChen, Daiyuan, Ricardo dos Santos Augusto, Yuanhong Li, Zhi Qin, Jian Rong, Kaiqiang Yao, Huan Jia, Chenzhang Yuan, Juntao Liu, and Zhiyi Liu. 2023. "Shielding Assessment and Optimization of the Target Station for Medical Isotope Production Based on Superconducting Proton Linac" Applied Sciences 13, no. 3: 1985. https://doi.org/10.3390/app13031985
APA StyleChen, D., Augusto, R. d. S., Li, Y., Qin, Z., Rong, J., Yao, K., Jia, H., Yuan, C., Liu, J., & Liu, Z. (2023). Shielding Assessment and Optimization of the Target Station for Medical Isotope Production Based on Superconducting Proton Linac. Applied Sciences, 13(3), 1985. https://doi.org/10.3390/app13031985

