Comparison of Single and Dual Coherent Blades for a Vertical Axis Carousel Wind Rotor Using CFD and Wind Tunnel Testing
Abstract
:1. Introduction
1.1. A Carousel Wind Rotor Design
1.2. Movement of a Carousel Wind Rotor Blade
2. Materials and Methods
2.1. Carousel Wind Rotor Blade Profiles
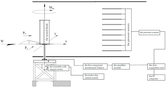
2.2. Experiments in the Wind Tunnel
2.3. CFD Analysis
2.3.1. Governing Equations and Turbulence Model
2.3.2. Mesh and Boundary Conditions
- Height of first layer = 0.01 mm;
- Layers number = 30;
- Growth rate = 1.15;
- The speed of the wind w = 12.5 m/s;
- Air density ρ = 1.16 kg/m3;
- Air viscosity μ = 1.7894 × 10−5 kg/ms;
- Averaged Reynolds number Re = 1.7 × 106;
- Pressure-based solver used;
- Convergence of the numerical solution for mass and momentum residuals < 10−3.
2.3.3. Mesh Validation
3. Results and Discussion
3.1. Comparison of Aerodynamic Loads Acting on the SC and DC Blades
3.2. Example of Calculating the Propelling Torque
4. Conclusions
Author Contributions
Funding
Institutional Review Board Statement
Informed Consent Statement
Data Availability Statement
Conflicts of Interest
References
- BP Statistical Review of World Energy, 2022, 71st Edition. Available online: https://www.bp.com/content/dam/bp/business-sites/en/global/corporate/pdfs/energy-economics/statistical-review/bp-stats-review-2022-full-report.pdf (accessed on 19 October 2023).
- Bošnjaković, M.; Katinić, M.; Santa, R.; Marić, D. Wind Turbine Technology Trends. Appl. Sci. 2022, 12, 8653. [Google Scholar] [CrossRef]
- Kamran, M. Fundamentals of Smart Grid Systems; Chapter 6-Planning and modeling of wind energy systems; Academic Press: Los Angeles, CA, USA, 2022. [Google Scholar]
- Wang, Q.; Huang, P.; Gan, D.; Wang, J. Integrated Design of Aerodynamic Performance and Structural Characteristics for Medium Thickness Wind Turbine Airfoil. Appl. Sci. 2019, 9, 5243. [Google Scholar] [CrossRef]
- Jaramillo-Cardona, J.; Perafan Lopez, J.; Torres-Madroñero, J.; Nieto-Londoño, C.; Sierra-Perez, J. Techno-economic assessment of small wind turbines under la Guajira-Colombia resource conditions. CTF-Cienc. Tecnol. Y Futuro. 2022, 12, 45–56. [Google Scholar] [CrossRef]
- Whittlesey, R. Wind Energy Engineering; Chapter 10-Vertical Axis Wind Turbines: Farm and Turbine Design; Academic Press: Los Angeles, CA, USA, 2017. [Google Scholar]
- Senga, H.; Umemoto, H.; Akimoto, H. Verification of Tilt Effect on the Performance and Wake of a Vertical Axis Wind Turbine by Lifting Line Theory Simulation. Energies 2022, 15, 6939. [Google Scholar] [CrossRef]
- Aslam Bhutta, M.M.; Hayat, N.; Farooq, A.U.; Ali, Z.; Jamil, S.R.; Hussain, Z. Vertical axis wind turbine-A review of various configurations and design techniques. Renew. Sustain. Energy Rev. 2012, 16, 1926–1939. [Google Scholar] [CrossRef]
- Wilberforce, T.; Olabi, A.G.; Sayed, E.T.; Alalmi, A.H.; Abdelkareem, M.A. Wind turbine concepts for domestic wind power generation at low wind quality sites. J. Clean. Prod. 2023, 394, 136137. [Google Scholar] [CrossRef]
- Apelfröjd, S.; Eriksson, S.; Bernhoff, H. A Review of Research on Large Scale Modern Vertical Axis Wind Turbines at Uppsala University. Energies 2016, 9, 570. [Google Scholar] [CrossRef]
- Kumar, R.; Raahemifar, K.; Fung, A.S. A critical review of vertical axis wind turbines for urban applications. Renew. Sustain. Energy Rev. 2018, 89, 281–291. [Google Scholar] [CrossRef]
- Tjiu, W.; Marnoto, T.; Mat, S.; Ruslan, M.H.; Sopian, K. Darrieus vertical axis wind turbine for power generation II: Challenges in HAWT and the opportunity of multi-megawatt Darrieus VAWT development. Renew. Energy 2015, 75, 560–571. [Google Scholar] [CrossRef]
- Yang Il Yoon, Vertical Shaft Type Darius Windmill. US Patent 2011/0042962 A1, 24 February 2011.
- Tian, W.; Ni, X.; Li, B.; Yang, G.; Mao, Z. Improving the efficiency of Darrieus turbines through a gear-like turbine layout. Energy 2023, 267, 126580. [Google Scholar] [CrossRef]
- Gorelov, D.N. Energy characteristics of Darrieus rotor (review). Thermophys. Aeromech. 2010, 17, 301–308. [Google Scholar] [CrossRef]
- Islam, M.; Ting, D.S.K.; Fartaj, A. Aerodynamic models for Darrieus-type straight-bladed vertical axis wind turbines. Renew. Sustain. Energy Rev. 2008, 12, 1087–1109. [Google Scholar] [CrossRef]
- Gharib-Yosry, A.; Blanco-Marigorta, E.; Fernández-Jiménez, A.; Espina-Valdés, R.; Álvarez-Álvarez, E. Wind-Water Experimental Analysis of Small SC-Darrieus Turbine: An Approach for Energy Production in Urban Systems. Sustainability 2021, 13, 5256. [Google Scholar] [CrossRef]
- Maican, E.; Dumitrescu, L.; Rădoi, R.; Ciobanu, O.; Preda, D. Analysis and optimization of a savoniusdarrieus hybrid wind turbine. Int. J. Eng. 2021, 19, 151–156. [Google Scholar]
- Mohan Kumar, P.; Surya, M.R.; Sivalingam, K.; Lim, T.-C.; Ramakrishna, S.; Wei, H. Computational Optimization of Adaptive Hybrid Darrieus Turbine: Part 1. Fluids 2019, 4, 90. [Google Scholar] [CrossRef]
- Savonius, S.J. The S-rotor and its applications. Mech Eng. 1931, 53, 333–338. [Google Scholar]
- Kamoji, M.A.; Kedare, S.B.; Prabhu, S.V. Experimental investigations on single stage modified Savonius rotor. Appl. Energy 2009, 86, 1064–1073. [Google Scholar] [CrossRef]
- Moutsoglou, A.; Yan, W. Performance Tests of a Benesh Wind Turbine Rotor and a Savonius Rotor. Wind. Eng. 1995, 19, 349–362. [Google Scholar]
- Van Bussel, G.; Mertens, S.; Polinder, H.; Sidler, H.F.A. The Development of Turby, a Small VAWT for the Built Environment. In Proceedings of the Global Windpower 2004 Conference, Chicago, IL, USA, 28–31 March 2004. [Google Scholar]
- Zhang, H.; Li, Z.; Xin, D.; Zhan, J. Improvement of Aerodynamic Performance of Savonius Wind Rotor Using Straight-Arc Curtain. Appl. Sci. 2020, 10, 7216. [Google Scholar] [CrossRef]
- Rogowski, K. CFD Computation of the H-Darrieus Wind Turbine—The Impact of the Rotating Shaft on the Rotor Performance. Energies 2019, 12, 2506. [Google Scholar] [CrossRef]
- Cheng, Q.; Liu, X.; Ji, H.S.; Kim, K.C.; Yang, B. Aerodynamic Analysis of a Helical Vertical Axis Wind Turbine. Energies 2017, 10, 575. [Google Scholar] [CrossRef]
- Ryś, J. 1993 Arrangement for Self-Positioning a Wing Motor in Wind’s Eye Position. Patent PAT.170515, 13 May 1993. [Google Scholar]
- Wind Engineering Laboratory. Available online: http://www.windlab.pl/en/ (accessed on 19 October 2023).
- EN 1991-1-4; Eurocode 1: Actions on Structures-Part 1–4: General Actions–Wind Actions. European Committee for Standardization: Brussels, BE, USA, 2005.
- Continuity and Momentum Equations. In Ansys Fluent Theory Guide. Available online: https://www.afs.enea.it/project/neptunius/docs/fluent/html/th/node11.htm (accessed on 19 October 2023).
- Menter, F.R. Zonal Two Equation k-ω Turbulence Models for Aerodynamic Flows. In Proceedings of the 23rd Fluid Dynamics, Plasmadynamics, and Lasers Conference, Orlando, FL, USA, 6–9 July 1993. [Google Scholar]
- Menter, F.R. Two-Equation Eddy-Viscosity Turbulence Models for Engineering Applications. AIAA J. 1994, 32, 1598–1605. [Google Scholar] [CrossRef]
- Wilcox, D.C. Formulation of the k-omega Turbulence Model Revisited. AIAA J. 2008, 46, 2823–2838. [Google Scholar] [CrossRef]
- Chien, K.-Y. Predictions of Channel and Boundary-Layer Flows with a Low-Reynolds-Number Turbulence Model. AIAA J. 1982, 20, 33–38. [Google Scholar] [CrossRef]
- Shear-Stress Transport (SST) k–ω Model. In Ansys Fluent Theory Guide. Available online: https://www.afs.enea.it/project/neptunius/docs/fluent/html/th/node67.htm (accessed on 19 October 2023).
- Carraro, M.; De Vanna, F.; Zweiri, F.; Benini, E.; Heidari, A.; Hadavinia, H. CFD Modeling of Wind Turbine Blades with Eroded Leading Edge. Fluids 2022, 7, 302. [Google Scholar] [CrossRef]
- Meana-Fernández, A.; Fernández Oro, J.M.; Argüelles Díaz, K.M.; Galdo-Vega, M.; Velarde-Suárez, S. Application of Richardson extrapolation method to the CFD simulation of vertical-axis wind turbines and analysis of the flow field. Eng. Appl. Comput. Fluid Mech. 2019, 13, 359–376. [Google Scholar] [CrossRef]
- Gantasala, S.; Tabatabaei, N.; Cervantes, M.; Aidanpää, J.-O. Numerical Investigation of the Aeroelastic Behavior of a Wind Turbine with Iced Blades. Energies 2019, 12, 2422. [Google Scholar] [CrossRef]
- Ansys Fluent Theory Guide. Available online: https://www.afs.enea.it/project/neptunius/docs/fluent/html/th/node67.htm#turb-sec-komega-sst (accessed on 19 October 2023).
- Ansys Fluent Theory Guide. Available online: https://www.afs.enea.it/project/neptunius/docs/fluent/html/th/node67.htm (accessed on 19 October 2023).





















| Dimension [m] | Single Coherent Blade | Dual Coherent Blade |
|---|---|---|
| Blade width | aS = 0.250 | aT = 0.250 |
| Blade length | bS = 0.044 | bT = 0.076 |
| Blade height | h = 0.625 | h = 0.625 |
| Gap between the lobes | - | bTg = 0.016 |
| Parameter | Value |
|---|---|
| Geometric scale kD | 1:1 |
| Average speed of the wind W [m/s] | 12.5 |
| Mean turbulence intensity of the wind velocity IV [%] | 8 |
| Number of considered directions of the wind action | 18 (0–180°) |
| Reference pressure measurement | 7 points along the blade height |
Disclaimer/Publisher’s Note: The statements, opinions and data contained in all publications are solely those of the individual author(s) and contributor(s) and not of MDPI and/or the editor(s). MDPI and/or the editor(s) disclaim responsibility for any injury to people or property resulting from any ideas, methods, instructions or products referred to in the content. |
© 2023 by the authors. Licensee MDPI, Basel, Switzerland. This article is an open access article distributed under the terms and conditions of the Creative Commons Attribution (CC BY) license (https://creativecommons.org/licenses/by/4.0/).
Share and Cite
Augustyn, M.; Lisowski, F. Comparison of Single and Dual Coherent Blades for a Vertical Axis Carousel Wind Rotor Using CFD and Wind Tunnel Testing. Appl. Sci. 2023, 13, 12624. https://doi.org/10.3390/app132312624
Augustyn M, Lisowski F. Comparison of Single and Dual Coherent Blades for a Vertical Axis Carousel Wind Rotor Using CFD and Wind Tunnel Testing. Applied Sciences. 2023; 13(23):12624. https://doi.org/10.3390/app132312624
Chicago/Turabian StyleAugustyn, Marcin, and Filip Lisowski. 2023. "Comparison of Single and Dual Coherent Blades for a Vertical Axis Carousel Wind Rotor Using CFD and Wind Tunnel Testing" Applied Sciences 13, no. 23: 12624. https://doi.org/10.3390/app132312624
APA StyleAugustyn, M., & Lisowski, F. (2023). Comparison of Single and Dual Coherent Blades for a Vertical Axis Carousel Wind Rotor Using CFD and Wind Tunnel Testing. Applied Sciences, 13(23), 12624. https://doi.org/10.3390/app132312624

