Reliability Evaluation Method of Multi-Voltage Levels Distribution System Considering the Influence of Sense-Control Terminal Faults
Abstract
:1. Introduction
2. Distribution Network Reliability Evaluation Method
2.1. Component Modeling
2.2. System State Selection
2.3. Reliability Index Calculation
2.4. Fault Impact Analysis
- ①
- Fault location time t1
- ②
- Fault isolation time t2
- ③
- Load transfer time t3
- ④
- Fault repair time t4
3. Reliability Collaborative Evaluation Method of Multi-Voltage Levels Distribution Network Considering the Fault of Sense-Control Terminal
3.1. Necessity Analysis of Reliability Collaborative Evaluation of Multi-Voltage Levels Distribution Network
3.2. Collaborative Evaluation Method for Reliability of Multi-Voltage Levels Distribution System
4. Example Analysis
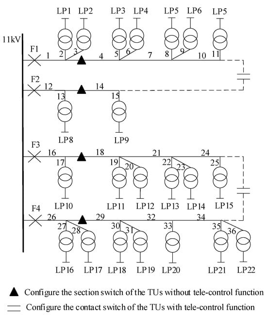
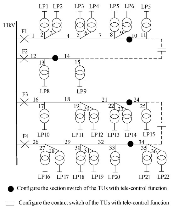
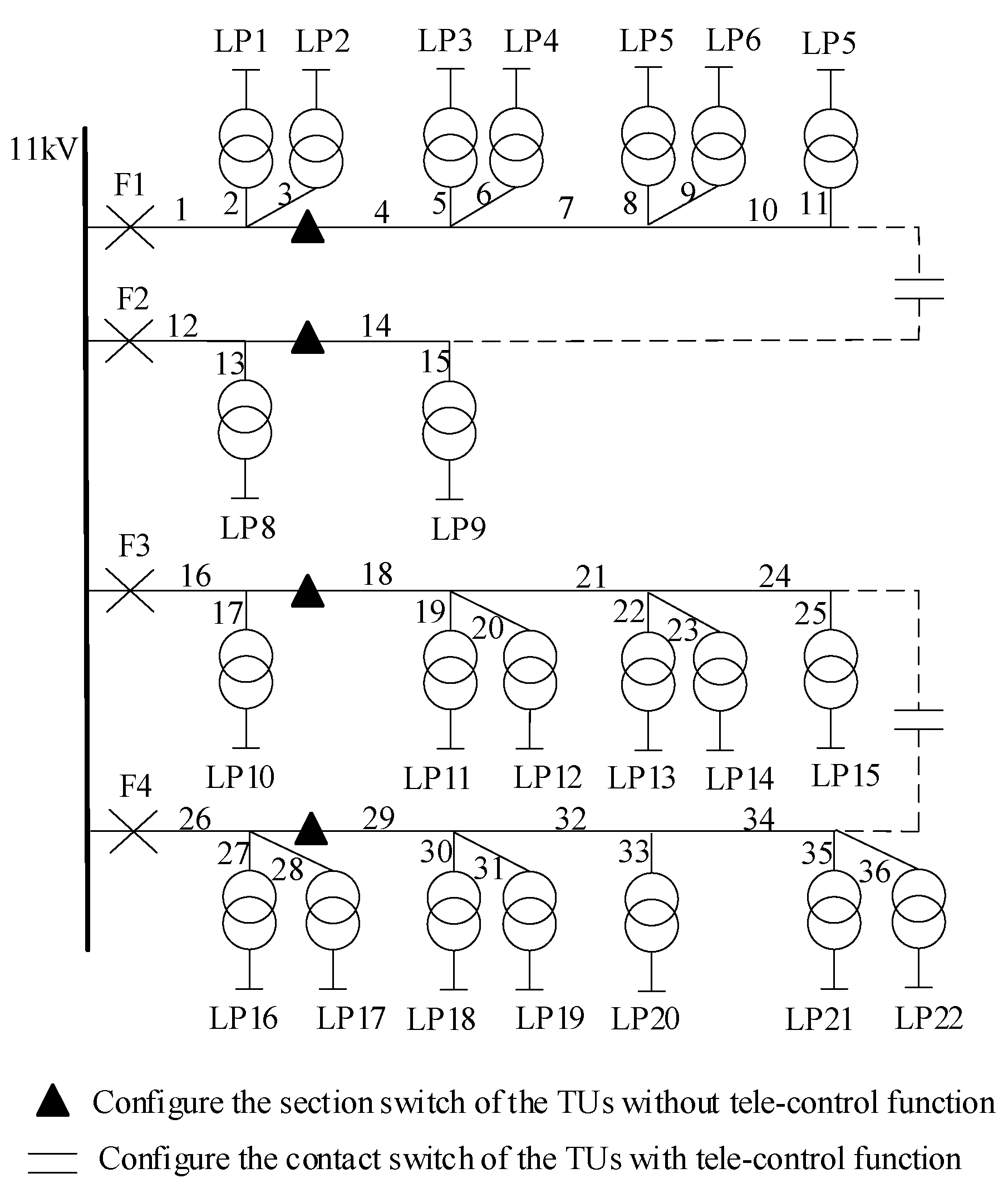
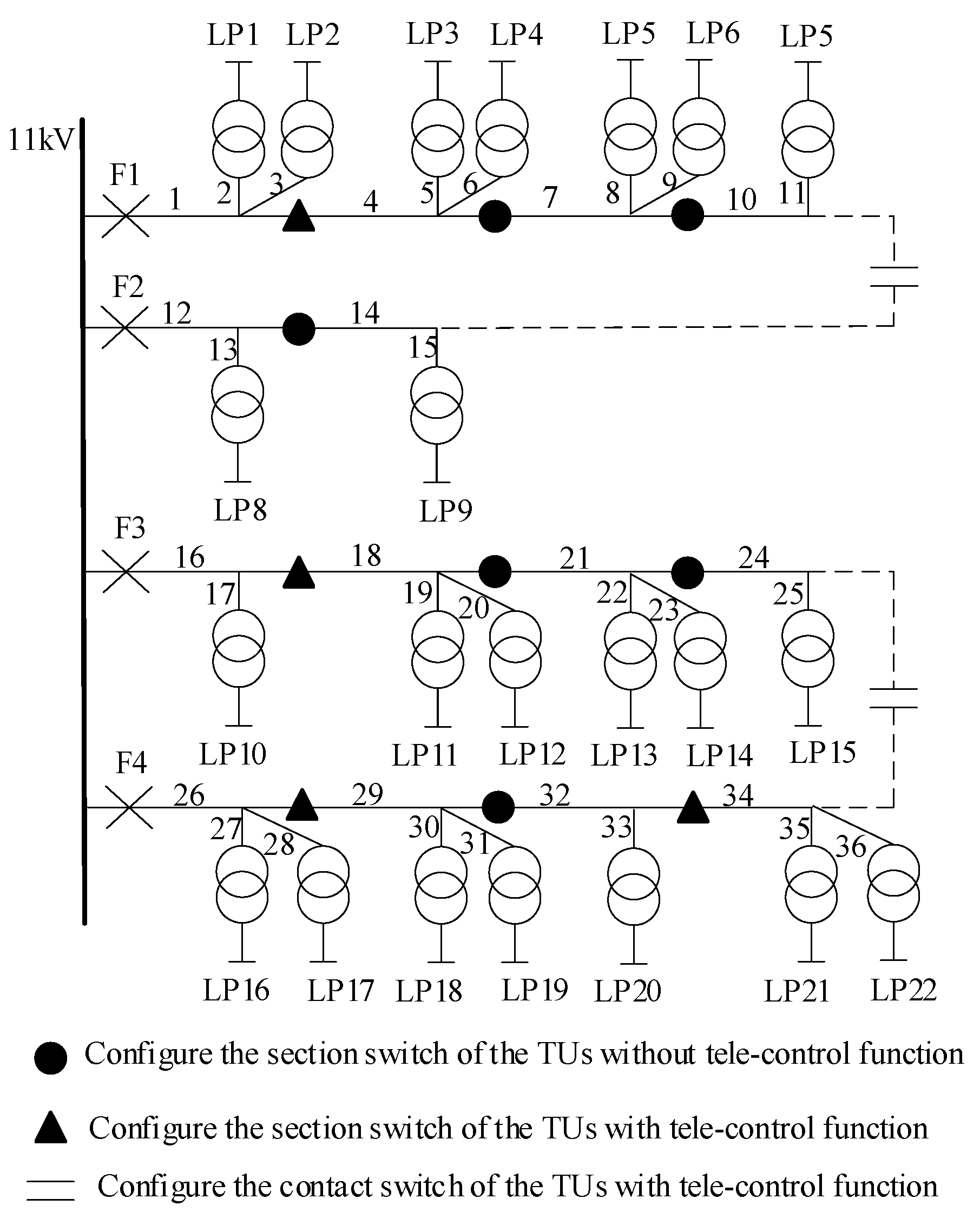
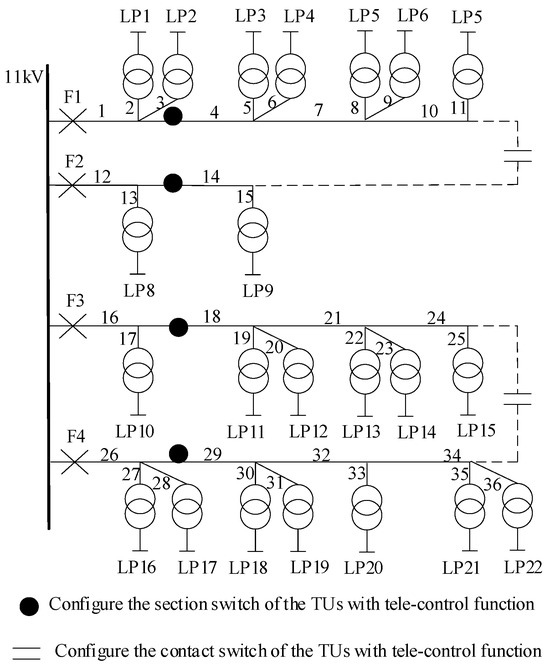
4.1. Introduction of Example System and Related Parameters
4.2. Multi-Voltage Levels Distribution Network Power Supply Reliability Evaluation Results
4.3. Reliability Evaluation of the Distribution Network Considering the Impact of Terminal Faults
4.4. Reliability Evaluation of Distribution Networks Considering the Impact of Different Planning Schemes
4.5. Discussion on Computing Efficiency
5. Conclusions
- (1)
- The reliability evaluation method proposed in this paper comprehensively considers features of the medium-voltage distribution network and the low-voltage distribution network. Based on the sequential Monte Carlo simulation method and the failure mode effect analysis method, the collaborative reliability evaluation method is realized.
- (2)
- The impact of sense-control terminal failure on reliability is quantified in this paper. Through case analysis, it can be seen that calculation results of the collaborative evaluation method can better reflect the impact between medium-voltage and low-voltage distribution networks. Meanwhile, we also found that the reliability of the system containing the section switch of the TUs with tele-control functions is higher than that of the section switch of the TUs without tele-control functions when considering different distribution automation
Author Contributions
Funding
Institutional Review Board Statement
Informed Consent Statement
Data Availability Statement
Conflicts of Interest
Nomenclature
| λ | failure rate of the component |
| μ | repair rate |
| pu | probability of fault repair state |
| pd | probability of normal operating state |
| t | fault time |
| Lt | real-time load |
| Lp | annual peak load |
| Pw | ratio of the weekly peak load to the annual peak load corresponding to the week at the fault time |
| Pd | ratio of the daily peak load to the weekly peak load corresponding to the day at the fault time |
| Ph(t) | ratio of the hourly load to the daily peak load corresponding to the fault time |
| TTF | normal working time |
| TTR | fault repair time |
| R1 and R2 | random numbers between [0, 1] |
| SAIFI | System Average Interruption Frequency Index |
| SAIDI | System Average Interruption Duration Index |
| ASAI | Average Service Availability Index |
| ENS | Energy Not Supplied |
| Ni | number of users of load point i |
| λi | failure rate of load point i. |
| Ui | annual average outage time of load point i |
| Li | average load (kW) of load point i |
| T | fault processing time |
| t1 | fault location time |
| t2 | fault isolation time |
| t3 | load transfer time |
| t4 | fault repair time |
References
- Chen, Y.; Li, J.; Xu, A.; Yuan, K.; Liu, K. Reliability Evaluation for Cyber-Physical Smart Substation. Complexity 2021, 2021, 3434148. [Google Scholar] [CrossRef]
- Falahati, B.; Fu, Y.; Wu, L. Reliability assessment of smart grid considering direct cyber-power interdependencies. IEEE Trans. Smart Grid 2012, 3, 1515–1524. [Google Scholar] [CrossRef]
- Alahati, B.; Fu, Y. Reliability assessment of smart grid considering indirect cyber-power interdependencies. IEEE Trans. Smart Grid 2014, 5, 1677–1685. [Google Scholar] [CrossRef]
- Liu, W.; Gong, Q.; Han, H.; Wang, Z.; Wang, L. Reliability Modeling and Evaluation of Active Cyber Physical Distribution System. IEEE Trans. Power Syst. 2018, 33, 7096–7108. [Google Scholar] [CrossRef]
- Yi, C.; Zhou, Y. Low Voltage Distribution Network Reliability Indicator System and Risk Assessment Methodology; Panda Forum on Power and Energy: Chengdu, China, 2023; pp. 596–600. [Google Scholar]
- Teng, Z.; Bo, Z. Power Supply Reliability Evaluation for Consumers in Low Voltage Distribution Network Based on Probability Statistics; Power System Technology: Berd’huis, France, 2004. [Google Scholar]
- Tian, S.Y.; Dai, G.J.; Wang, P.S.; Li, H.Q. A Method to Evaluate Low Voltage Supply System’s Reliability. Appl. Mech. Mater. 2014, 577, 1269–1273. [Google Scholar] [CrossRef]
- Ouyang, S.; Liu, L. Reliability index system of distribution network for power consumer and its comprehensive assessment method. Power Syst. Technol. 2017, 41, 215–222. [Google Scholar]
- Xiang, S.; Yang, J. Reliability Evaluation and Reliability-Based Optimal Design for Wireless Sensor Networks. IEEE Syst. J. 2020, 14, 1752–1763. [Google Scholar] [CrossRef]
- Xuan, G.; Guoli, X.; Wei, W.; Yu, L.; Bin, L. The Reliability Evaluation of Power Supply Distribution System Based on Distribution Automation. J. Phys. Conf. Ser. 2020, 1585, 012034. [Google Scholar] [CrossRef]
- Hajian-Hoseinabadi, H.; Golshan, M.E.H.; Shayanfar, H.A. Composite automated distribution system reliability model considering various automated substations. Int. J. Electr. Power Energy Syst. 2014, 54, 211–220. [Google Scholar] [CrossRef]
- Cui, L.; Zhang, R.; Liu, T.; Zhang, H.; Qian, C. Reliability calculation and equipment layout planning for complex distribution automation system. Autom. Electr. Power Syst. 2017, 41, 84–91. [Google Scholar]
- Liu, K.; Wang, K.; Qi, X. Reliability evaluation and distribution terminal optimal configuration of power distribution system based on bathtub curve of component failure rate. Power Syst. Prot. Control 2017, 45, 49–56. [Google Scholar]
- Wang, C.; Zhang, T.; Luo, F.; Li, F.; Liu, Y. Impacts of cyber system on microgrid operational reliability. IEEE Trans. Smart Grid 2019, 10, 105–115. [Google Scholar] [CrossRef]
- Bessani, M.; Fanucchi, R.Z.; Delbem, A.C.C.; Maciel, C.D. Impact of Operators’ performance on the reliability of Cyber Physical power distribution systems. IET Gener. Transm. Distrib. 2016, 16, 07775. [Google Scholar]
- Nadarajah, S.; Kotz, S. The beta exponential distribution. Reliab. Eng. Syst. Saf. 2006, 91, 689–697. [Google Scholar]
- Wang, C.S.; Lv, Y.; Xiao, J. Medium voltage distribution system reliability calculation with the consider of high voltage distribution system and substation. In Proceedings of the Third International Conference on Electric Utility Deregulation and Restructuring and Power Technologies, Nanjing, China, 6–9 April 2008; pp. 468–473. [Google Scholar]
- Allan, R.N.; Billinton, R.; Sjarief, I.; Goel, L.; So, K.S. A reliability test system for educational purposes-basic distribution system data and results. IEEE Trans. Power Syst. 1991, 6, 813–820. [Google Scholar] [CrossRef]
- Lu, Q.; Hua, Y.; Shen, Y.; Kang, Q.; Zhang, R. Reliability evaluation of distribution network based on sequential Monte Carlo simulation. In Proceedings of the 2015 5th International Conference on Electric Utility Deregulation and Restructuring and Power Technologies (DRPT), Changsha, China, 26–29 November 2015; pp. 1170–1174. [Google Scholar]











| Upstream Fault Zone | Fault Domain | Fault Downstream Area | |
|---|---|---|---|
| The fault location is correct | t1 + t2 | t1 + t2 + t4 | t1 + t2 + t3 |
| Fault location error | t1 + t2 | t1 + t2 + t4 | t1 + 2t2 + 2t3 |
| Box Number | The Number of Users | Average User Load/kW |
|---|---|---|
| 1 | 10 | 7.5 |
| 2 | 10 | 7.5 |
| 3 | 15 | 7.4 |
| 4 | 25 | 7.6 |
| 5 | 30 | 7.6 |
| 6 | 20 | 7.5 |
| 7 | 20 | 7.6 |
| Load Points | SAIDI (h/Household·Year) | ASAI (%) | ASAI (kWh/Year) | |||
|---|---|---|---|---|---|---|
| Collaborative Assessment | Sequential Evaluation | Collaborative Assessment | Sequential Evaluation | Collaborative Assessment | Sequential Evaluation | |
| LP1 | 3.5321 | 3.0127 | 99.9533 | 99.9631 | 288.14 | 205.73 |
| LP12 | 3.3759 | 3.0127 | 99.9582 | 99.9631 | 279.31 | 205.73 |
| LP18 | 3.1362 | 3.0127 | 99.9616 | 99.9631 | 243.95 | 205.73 |
| Method | SAIFI (Times/Household·Year) | SAIDI (h/Household·Year) | ASAI (%) | ENS (kWh/Year) |
|---|---|---|---|---|
| Collaborative assessment | 1.2013 | 3.2647 | 99.9616 | 4615.43 |
| Sequential evaluation | 1.1765 | 3.0127 | 99.9631 | 4526.06 |
| Method | SAIFI (Times/Household·Year) | SAIDI (h/Household·Year) | ASAI (%) | ENS (kWh/Year) |
|---|---|---|---|---|
| Scene 1 | 1.2013 | 3.2647 | 99.9616 | 4615.43 |
| Scene 2 | 1.2013 | 3.6502 | 99.9521 | 4862.31 |
| Scene 3 | 1.2013 | 5.2214 | 99.9463 | 5788.24 |
| Method | SAIDI (h/Household·Year) | ASAI (%) |
|---|---|---|
| Scene 4 | 3.71 | 99.958 |
| Scene 5 | 5.10 | 99.942 |
| Scene 6 | 4.05 | 99.954 |
Disclaimer/Publisher’s Note: The statements, opinions and data contained in all publications are solely those of the individual author(s) and contributor(s) and not of MDPI and/or the editor(s). MDPI and/or the editor(s) disclaim responsibility for any injury to people or property resulting from any ideas, methods, instructions or products referred to in the content. |
© 2023 by the authors. Licensee MDPI, Basel, Switzerland. This article is an open access article distributed under the terms and conditions of the Creative Commons Attribution (CC BY) license (https://creativecommons.org/licenses/by/4.0/).
Share and Cite
Zuo, J.; Zhou, S.; Xu, Z.; Gao, C.; Zheng, S.; Chen, P. Reliability Evaluation Method of Multi-Voltage Levels Distribution System Considering the Influence of Sense-Control Terminal Faults. Appl. Sci. 2023, 13, 11761. https://doi.org/10.3390/app132111761
Zuo J, Zhou S, Xu Z, Gao C, Zheng S, Chen P. Reliability Evaluation Method of Multi-Voltage Levels Distribution System Considering the Influence of Sense-Control Terminal Faults. Applied Sciences. 2023; 13(21):11761. https://doi.org/10.3390/app132111761
Chicago/Turabian StyleZuo, Jing, Shucan Zhou, Zhengyang Xu, Chong Gao, Siguang Zheng, and Peidong Chen. 2023. "Reliability Evaluation Method of Multi-Voltage Levels Distribution System Considering the Influence of Sense-Control Terminal Faults" Applied Sciences 13, no. 21: 11761. https://doi.org/10.3390/app132111761
APA StyleZuo, J., Zhou, S., Xu, Z., Gao, C., Zheng, S., & Chen, P. (2023). Reliability Evaluation Method of Multi-Voltage Levels Distribution System Considering the Influence of Sense-Control Terminal Faults. Applied Sciences, 13(21), 11761. https://doi.org/10.3390/app132111761
