Abstract
The dynamic spread of 3D printing technologies and open-source electronics prototyping platforms has significantly enriched the diversity of instruments used within educational robotics (ER) settings. An active, low-entry-level community offering ready-to-use libraries for a broad variety of devices assists in the development of quite sophisticated projects. However, the flipside of the coin is represented by the current research findings, which reveal that students’ interest in science, technology, engineering and mathematics (STEM) subjects has declined across Europe, as manifested in difficulties when approaching scientific topics and dealing with problems and phenomena studied from a multidisciplinary perspective. Consequently, a significant percentage of youths are at risk of social exclusion due to the direct relationship between low academic achievements and school dropout. Moreover, learners lack guidance in applied and life-context skills, such as creative thinking, problem solving, and collaboration, which highlights the need to introduce innovative pedagogical approaches. In this context, the design thinking (DT) methodology was proposed to tackle the problem. Originating in the development of psychological studies on creativity in the 1950s within the educational context, DT is known to foster creative thinking, help develop empathy, promote action-oriented actions, improve meta-cognitive awareness, contribute to problem-solving skills, and enhance students’ imagination. The last point supports the students’ development of critical thinking, social inclusion, teamwork skills, and academic performance. Thus, this paper introduces a methodological framework combining DT with ER classes. First, to approach the problem, the teachers’ survey data were collected and analysed to reveal the respondents’ level of integration of the DT methodology into current school curricula. Then, the work focused on the application of this framework in a learning experience by addressing the weakest points established and their elaboration through the combined ER and DT classes in the context of secondary schools.
1. Introduction
According to the latest Eurostat data, in 2020, the at-risk-of-poverty or social exclusion rate for young people aged 15–29 years was 25.4% in the EU, corresponding to about 18.1 million persons [1]. As with every complex phenomenon [2,3], the situation was hugely impacted by COVID-19 [4], and, in many respects, it is also related to school dropout [5,6]. In fact, recent research reveals that the education system has not successfully prepared and maintained teachers and trainers to provide learners with authentic practical and innovation-oriented skills [7,8,9]. Consequently, learners lack guidance and applicable life context skills, such as creative thinking, problem solving, and collaboration [10]. As a result, lack of motivation and low academic success are responsible for school dropout [11,12,13], damaging individual self-esteem [14,15] and creating a sense of loss of control [16].
To tackle the problem, schools are constantly seeking new ways to enhance student learning [8,17]. Among the different strategies adopted [18,19], which generally aim at modernizing school curricula and approaches and placing them in correspondence with the challenges of modern society, design thinking (DT) has rightfully gained significant attention from research and educational communities [20,21,22,23,24,25,26,27].
Stemming from the development of psychological studies on creativity and their techniques in the 1950s [28], by the 2000s, DT evolved into a generalizable approach to technical and social innovation [29]. Its fruitful adoption in education was due to the core of the design concept, which encompasses elements such as thinking, developing empathy, promoting action-oriented prejudices, developing meta-cognitive awareness, being active, problem solving, and using one’s imagination. Therefore, the methodology may be considered in the teaching and learning process as a human-centred problem-solving approach aiming to develop key 21st century competencies and enhance creativity and innovation [30]. Moreover, at the pedagogical level, DT can help students develop a growth mindset focused, in addition to the above, on analytic thinking [31,32,33].
In short, the design-oriented thinking process begins with defining a problem. Then, following research on and ranking of priorities that often compete, it tests the applicability of multiple solutions with prototypes and ends with the social evaluation of objects [34]. As can be seen, every single DT stage can simultaneously appeal to different categories of Bloom’s taxonomy in various proportions [35,36]. For example, the testing of the prototype conceived by the DT process is the point where creative and critical thinking skills merge and blend. Should the prototype work improperly, the methodology dictates free iteration of the stages in an arbitrary manner. Thus, critical and creative thinking work together in DT to encourage innovation and foster the generation of problem-solving ideas.
From another perspective, while providing new insights into learning [37], teachers act as the primary designers [38] during the educational process, selecting the appropriate tools and setting the goals to be achieved creatively [39]. In this way, an experience of intense learning is provided [40]. In addition, DT delivers opportunities to respond to unexpected needs in the classroom [41,42] while supporting students’ critical thinking, social development, teamwork skills, and academic performance. This last point, in turn, contributes to students’ understanding, identification, and analysis processes. Therefore, through design-oriented thinking, the pedagogical repertoire of teachers is essentially expanded [43,44].
Thus, the experience described in this article intends to bridge this gap through training modules based on DT skills and tackle the problem outlined above. Given the European perspective, the project was carried out transnationally due to the ubiquity of the inadequate resources available to teach DT skills and the current rates of early school leaving across Europe. The project aimed to increase the academic success of teachers and educators, support their professional development, empower them with resources to teach DT skills, and equip them with a DT mindset; facilitate the adoption of DT educational practices; strengthen the capacities of educational authorities, policymakers, and decision makers to promote and mainstream DT educational practices; and decrease early school dropout.
The article is organized as follows. First, the initial premise for an approach unifying DT and ER—the research implemented in Italian schools—is provided. Then, guided by the results revealed, the methodological framework and the learning experience achieved within the context of ER classes are described.
2. Teachers’ Profile and Their Perception of DT Aspects That Are Lacking in Current Curricula
As a starting point for developing the methodological framework, the authors conducted a survey to reveal the current situation of the understanding of the design methodology and the possible pathways for its integration into ER curricula in Italian schools.
The sample participating in the online survey was composed of 75 teachers who were reached through school networks in order to cover the entire national territory. The respondents’ profile is outlined in Figure 1. As can be seen, the majority of the sample was represented by the middle-age category (31–40 years old), with a significant prevalence of females compared to males (74.7% versus 25.5%, respectively). Regarding the education level, more than half of the respondents (64) had a bachelor’s degree.
Figure 1.
Teachers’ profile: (a) respondents’ age distribution; (b) gender distribution; (c) education level; (d) students’ age groups; (e) respondents’ secondary school level; (f) subjects taught.
The data revealed that the respondents’ prevalent affiliations were lower secondary school institutions (Figure 1e). However, the students participating in the final learning experience were aged between 16 and 20 years old (Figure 1d).
Finally, regarding the disciplines taught, excluding the options marked “Others” and “Sports”, the humanist disciplines dominated the percentages of the remaining responses.
The second part of the survey aimed to investigate how the DT methodology could be introduced into classes, mainly into the disciplines taught.
The questions included in this part of the survey were categorized according to the steps of DT and are grouped in Table 1. Following the approach described in [43], the corresponding averages for each dimension were obtained. As can be seen, the qualitative ranking revealed prototyping and testing (bars E and F in Figure 2) to be the most underdeveloped aspects of DT in the curricula. The results can be regarded as quite coherent, given that the phases are the final stages of the whole DT process; i.e., where the educational paths are supposed to converge.
Table 1.
The ranking of DT steps in the survey.
Figure 2.
Design thinking skills in the current curriculum (for comments, see the text).
Therefore, according to the general ranking revealed (Table 1), prototyping and testing were hard for both teachers and students to put into practice. In other words, they found it challenging to realize and produce the suggested solution for the issue dealt with during the initial DT phases. In fact, as Table 1 reports, in the testing and prototyping phases, sentences such as “The use of the manufactured products in problem-solving” (testing phase) and “The ability to transform the ideas produced for the solution of the problems into products” (prototyping phase) were ranked the lowest.
This was the central point exploited in the methodological framework proposed by the authors for the integration of DT with ER activities, as described in Table 2 and Section 3. Using this framework, the students, during the learning experience, were challenged to transform their solutions into a real product, which was, in this specific case, a robotic arm.
Table 2.
Educational module description.
3. Design Thinking within the Context of ER Classes: The Methodological Framework
Being an essential aspect of technological literacy, design is closely linked to engineering practice [45,46]. Moreover, ingenuity and a deep understanding of the essence of the studied phenomena lie at the very core of scientific inquiry and engineering [39,47,48]. Therefore, as the mediators between scientific and social domains, on the way towards transforming fundamental principles into tangible ready-to-use products, engineers are required to balance strictly logical reasoning and creative thinking [49].
Generally, being capable of operating at different levels of problem solving and combining micro- and macro-visions are essential skills for future 21st century problem solvers [27,50]. As numerous examples from the literature illustrate, the inclusion of designing practice in ER classes significantly increases the efficiency of the educational process [47,51,52]. This combined approach accustoms students to creative research instead of leaving them with static knowledge only and depriving them of a network of associative links that the bigger context can provide.
DT within the context of ER may be perceived as an auxiliary tool implicitly orchestrating the students’ efforts. Moreover, DT has been rightfully defined as standing at the heart of maker education [53]. On the other side, among the primary benefits that ER brings is the inspiration of curiosity and creativity [54,55,56]. As was noted, while originating in the development of psychological studies on creativity and its’ techniques, the method imposes a regularised framework and approach when dealing with multifaceted tasks [57].
The intricacy of the challenges that must be resolved today and in the future continuously increases. Therefore, the authors claim that beginning from the traditional approach consisting of the consecutive coverage of inter-related arguments from one side and gradually shifting students’ attention towards a bigger picture may be preferable. This is because, from a “higher” position, the logical interrelation between the separate topics of a single discipline and adjacent subject areas may be perceived more clearly and fully while also assisting the application-oriented attitude.
In this regard, the fundamental underlying dilemma is to tackle the balanced exposition of separate facts in a regular curriculum and, once these have been acquired, to foster the capacity to operate freely with them in wider macro-contexts. Moreover, while doing this, the application environment may induce students to cover every eventual inquiry related to the problem at hand as a part of independent research [58].
The learning experience presented below attempted to combine ER classes with a DT methodology, mainly in the prototyping and testing phases, as these were the aspects revealed to be lacking during the survey. The main challenge faced was engaging the students in activities where they would be exposed to design and engineering issues in a balanced manner.
3.1. The Introduction of the Design Thinking Methodology
The learning experience path consisted of eight face-to-face meetings of 3–4 h each, with a total of 30 h. The labs were a part of the extracurricular activities held during the regular school year. In total, there were 20 students aged between 16 and 17 voluntarily involved in the classes. They were divided into four teams of five people each. Some participants were invited by teachers from the same school who took part in the online survey. The participants were free to choose an assignment and individual area of responsibility within the groups.
With regard to adherence to the DT methodology, the main stages are outlined below.
First, an open scenario was presented to the students where they were challenged to solve an environmental problem derived from climate change. Therefore, they were guided through the five steps as follows:
Empathy—Students started by investigating the problem submitted, aiming to better understand the main features and causes, by collecting videos, articles, and images describing the problem. Then, they tried to define a potential user profile to address the solution to be suggested;
Definition—Students were invited to specifically define the problem to be solved on the basis of the user profile found by defining the questions “Who”, “What”, and “Why” focused on the real needs of the end-users selected;
Ideation—Students started to let their ideas flow, aiming to find the final solution to be proposed by using robotics as an instrument that could prevent the damage caused by climate change. In this specific learning experience, the different student teams built robotic arms to be used in different manners in agriculture;
Prototyping—Students were expected to construct the prototype of the solution proposed. In this specific case, they firstly used Tinkercad to design it and later started printing the mechanical elements with a 3D printer and coding in Arduino IDE;
Testing—Students were invited to show their alpha prototype to the classes and at least one expert to collect comments and feedback on the solution developed.
3.2. The Prototyping and Testing Phases
Regarding the prototyping and testing phases, the introduction of ER begun with the definition of a final, well-structured goal—the design and 3D development of a simple robotic arm—and the corresponding work with related electronics was chosen. With this aim, the classes delivered were composed of two parts:
- Electronics fundamentals with Arduino coding;
- Robotic arm 3D design.
The reason for the choice was that multifaceted activities such as robotic arm development can be considered parallel elaborations of different aspects related to mechanics, electronics, and coding. Regarding the connection with design, it has been noted [58] that “… the complex creative feat of the parallel creation of a thing (object, service, system) and its way of working is the core challenge of design reasoning”. In fact, educational robotics offers a lot of room for development of creative skills [52,59].
The meetings for the prototyping and testing phases were organized so that the students’ efforts would allow them to accomplish the task.
Thus, the structure of the meetings consisted of:
- A short (10–15 min) theoretical introduction aiming to reveal the physical basis and the principles of a hardware piece studied at the time with live demonstrations or a brief introduction into a new aspect of 3D shape synthesis in Tinkercad;
- Practice with several coding examples to provide initial experience with a new electronic component or work in the Tinkercad platform to strengthen the skills with the new aspect covered;
- The assignments required independent work and problem solutions based on combinations of the concepts covered during the consecutive meetings.
In Table 2, a description of the educational modules is given.
3.3. Work in Tinkercad
Initially, it was presumed that, once provided with a basic auxiliary model, the students would reproduce it using the Tinkercad platform (Figure 3). As can be seen, the results obtained were quite satisfactory. Nevertheless, for the entire robotic arm to work as a single entity, the integration of the parts designed by different students would require a lot of additional effort, which was unfeasible due to the timespan available, especially taking into account the time taken by the meetings, which took place after the main class lessons in the afternoon. In addition, certain pieces (e.g., the gears of the grippers) could not be left to independent development. Therefore, during the concluding meeting the students worked with the parts printed in advance.
Figure 3.
Students’ work (left) during the exercises with the parts of the robotic arm (right). The QR codes contain direct links to the pieces designed in the Tinkercad platform (for access, an account is required). (a) A piece of the arm and the stepper motor base; (b) stepper motor holder; (c) gripper holder; (d) the arm; (e) the arm; (f) stepper motor holder; (g) mechanical components—things in common (a slide from the lesson presentation); (h) robotic arm representative assembly.
In addition to these practical activities with 3D shape design and manipulation, introductory exposure to 3D printing technology, with the majority of the corresponding nuances of the technology, was provided.
3.4. Work with Electronics and Coding
Possessing no prior experience with Arduino, the students were gradually introduced to microcontroller programming only after the completion of several mini-projects with basic electronic components (see Figure 4). At this point, the main goal was to refresh/deliver basic notions concerning electricity and electronics and their relation with fundamental physical principles while enabling the students to become acquainted with a breadboard. On the other hand, dealing with this kind of project before trying the standard LED blinking in Arduino, the authors considered it crucial to help students understand that microcontrollers may be simply overqualified for certain tasks.
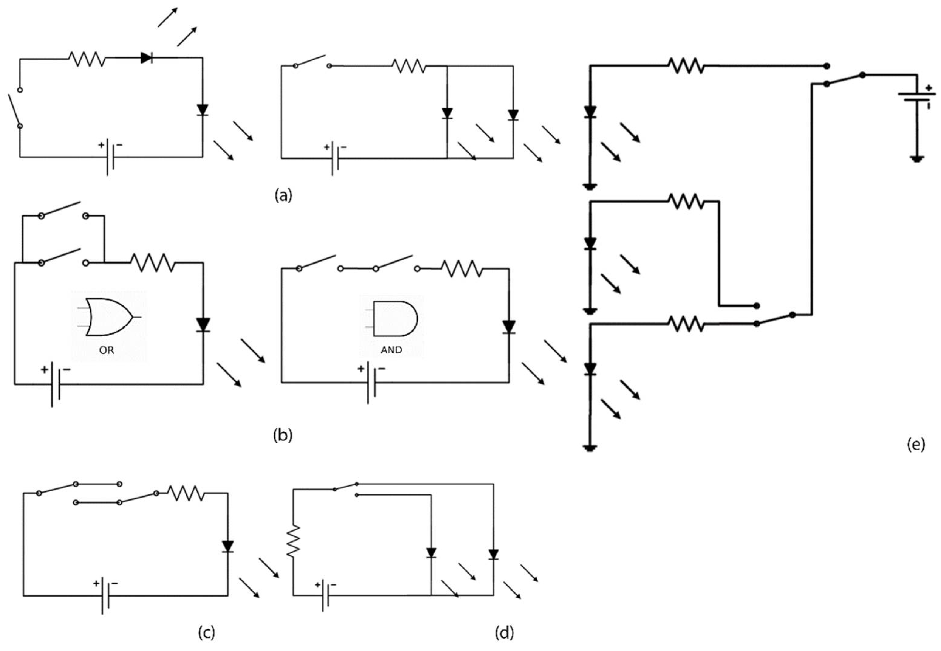
Figure 4.
Examples of breadboard exercises offered during the introductory hands-on electricity activities: (a) parallel and serial LED connections; (b) circuitry analogues of the basic logical operators (placed inside); (c) two-way LED switching; (d) LED toggling; (e) traffic light model.
Further, when introducing Arduino, the authors considered it important to convey the message that the intrinsic functionality of a microcontroller enables the final user to treat every physical agent measured (and assigned to an auxiliary variable) as a piece of information ready to be used in a wider and flexible context. In fact, the realm of digital electronics emerged from the necessity of storing and processing the bits of information needed to make complex logical decisions [60].
Therefore, once the initial microcontroller-free breadboard projects had been elaborated, standard introductory mini-projects aiming at facilitating acquaintance with microcontroller programming were worked on. It is worth noting that many students with an innate propensity for manipulative work preferred to busy themselves with the breadboard rather than Arduino, at least during the initial phase, when the output of the breadboard projects was comparable in effect with those performed on Arduino. This fact may be reasonably explained by the fuller and more transparent control perceived to exist over the cause–effect link in the first case compared to the second.
Finally, the complexity of the tasks gradually expanded towards different sensor and actuator combinations, which were to be chosen arbitrarily during the last stage of work with the robotic arm.
As outlined in Table 2, during the project’s final phase, students were required to put all the components together. Thus, the work performed consisted of:
- The distribution and fixing of the hardware pieces on a wooden board;
- Selection of the control principle (Bluetooth, IR, touch sensor);
- Organization of the electrical interconnections;
- Testing of the power supply;
- Uploading of the code;
- Final system testing and debugging in accordance with the chosen control mechanism.
The photos representing the project’s final phase are shown in Figure 5.
Figure 5.
The final phase of the project: (a–e) fixing of the hardware pieces; (f–h) assembly of the mechanical part of the robotic arm; (i) cabling; (j) power supply testing; (k,l) Bluetooth and IR control testing.
4. Discussion of the Results
The described activities concentrated on the combination of DT and ER. As shown by the survey outcomes described in Section 2 and outlined in Table 1 and Figure 2, prototyping and testing were the phases found to be lacking in the current curricula. Therefore, when developing the methodology, the focus was on these aspects.
The fact that all the students were newcomers to Arduino and Tinkercad and the project’s time limits both undoubtedly influenced the course’s character while facilitating the adoption of DT principles implicitly [61]. Thus, an outline of the connections between the methodological framework proposed and the DT principles in view of the open questions in the current DT literature is given below.
Firstly, in the same manner that every design thinking process starts, at the very beginning of the activities, the participants were provided with a clear goal to define a problem (Table 1, lesson 1). Once furnished, the target aim became a natural fulcrum and supporter of all further activities whilst, at the same time, representing the converging point for all the subsequent “generative design questions” [62]. Further, while analysing a task and its problem space, in the form of the vast variability in the solutions already existing, students were gradually directed towards the solution space—a model capable of performing the bare minimum of movements that would furnish the functionality required while remaining simple and accessible [63]. In this way, a mindset of continuous shifting between two phases—namely, divergent (demonstrating the possible variants) and convergent (focusing on the model to construct)—was adopted [64].
Secondly, the core part of the path was related to scaffolding the background information in relation to the final goal and experimenting with it in different mini-projects [65]. For example, the primary skill set was acquired through experiments with different combinations of electronic components on the breadboard or by working with different sensors and using them in different combinations for servo and stepper motor control. Furthermore, in view of the final goal, each eventual inquiry was supported by a solid contextual framework, given its direct relation with the target task.
Thirdly, when covering different methods of robotic arm control, the students’ were exposed to various possibilities to choose from (divergent phase). In this sense, creative freedom was transmitted, which is associated with boosting of the sense of responsibility [66]. However, once the options were assessed and the choice was made (convergent phase), students became motivated because they were capable of choosing and proceeding independently. Similarly, covering the physical principles standing at the base of electronic components and motor functioning served to help students acquire an in-depth overview of the relevant aspects (divergent phase). As the concepts were covered and gradually projected towards a higher perspective of the robotic arm, it became possible to see them as the converging components of a target system (convergent phase).
In addition, as an essential element of every DT process [67,68] and an approach to solving complex problems, it was judged to be suitable to introduce the decomposition principle. For example, the organization of the final code (Figure 6), the explanation of the concepts of a library and a function in programming, and the consistency and algorithmic character of the development of 3D models all fit the needs of beginners when introducing this aspect of the design thinking mindset [69]. Moreover, the Arduino platform was used to help students dive into developing electronics projects and to support the development of a designer’s attitude [70]. Furthermore, 3D printing in general [71] and the use of Tinkercad are rightfully considered valuable tools in design thinking and STEM combined activities [72,73].
Figure 6.
Decomposition principle in action: the organization of the final code in Arduino IDE.
Finally, components of the design process, such as learning from mistakes, can be considered naturally coherent with Arduino electronics prototyping and 3D modelling, considering their flexibility for eventual corrections [74]. In fact, DT by definition does not work without mistakes, rightfully treating them as learning opportunities [75,76].
As this was the first experience of introducing the DT approach within the context of ER classes, the authors gathered qualitative data and feedback from the participants regarding the activities performed through participatory observation and discussion groups organized at the end of the complete learning experience.
Among the positive outcomes and advantages of the proposed methodology, the following items were identified: the possibility of putting into practice one’s ideas; collaborating with peers on a real-life project; the opportunity to be original, with room for creativity; realization of a complex object following the technical auxiliary design; and 3D model research (of existing practices) unifying the notions from coding, mechanics, and electronics.
With regard to the negative points perceived, the participants noted that, despite the attractiveness and practical orientation of the classes, it was challenging to follow the regular curricula classes and these extra activities simultaneously.
Nevertheless, as is well-known, DT tasks often have an interdisciplinary character [77]. In this respect, as the literature confirms [23,53,78,79], ER, being inter- and multidisciplinary [80,81], represents a fertile ground for the DT methodology [81].
5. Conclusions and Future Perspectives
The continuously evolving technology and converging knowledge that modern society faces sharply contrast with the recent decline in students’ interest in STEM subjects across Europe. School dropouts and the risk of social exclusion in the long term should not remain beyond the attention of education policymakers and the teaching community.
Being a complex issue, the problem requires the contributions of many stakeholders acting at different levels. Aiming for a possible methodological teaching remedy, the current work described an approach that involved DT principles within the context of ER classes. As this work described, the fundamental principle related to trying to catch students’ attention through multifaceted aspects of a single complex task. In this way, enough space for an audience with various interests to see every single topic covered as an integral part of a broader perspective was provided. Furthermore, once furnished with the essential related background knowledge, students were encouraged to proceed independently during the last stage of the work; in particular, with regard to the selection of the controlling principle of the robotic arm.
In the present work, the authors hope to have demonstrated that the DT methodology may serve as another auxiliary tool that instructors can use to shift students’ attitudes towards practical hands-on solutions. It may be thus possible to avoid the mechanistic accumulation of stacks of theoretical knowledge without the possibility of its projection into real-life contexts, therefore addressing what in [82] was defined as “the design-science gap”.
As this work suggested, the organization of the experimental phase offered a vast methodological space to embed different aspects of DT. The examples provided aimed to demonstrate that the goal was achievable through the support gained from the DT methodology (as a central guideline) and the instruments used (Arduino and Tinkercad, with their innate propensity for facilitating the development of a DT mindset).
The outcomes revealed significant interest among the participants in the methodology proposed. Despite the extracurricular activities being held in the afternoon, the activities remained attractive enough to keep the students motivated, which undoubtedly speaks in favour of the lessons’ content and delivery.
With regard to the project’s future development, based on the results gained, the authors propose further gradual development of the functionality and structure of the robotic arm. For example, a set of movements could be preprogrammed or the range of controlling mechanisms could be enlarged. To further favour the assimilation of the described methodology, attention should also be directed at developing assessment strategies.
Author Contributions
Conceptualization, A.M.D. and M.T.; methodology, A.S.Z.; software, A.S.Z.; validation, A.M.D., M.T. and A.S.Z.; investigation, M.T.; resources, A.S.Z.; data curation, M.T. and A.S.Z.; writing—original draft preparation, A.M.D.; writing—review and editing, M.T.; supervision, A.M.D.; project administration, M.T.; funding acquisition, M.T. All authors have read and agreed to the published version of the manuscript.
Funding
This research was funded by the European Commission through the Turkish National Agency in the Erasmus Plus Programme—School Education (Cod. 2020-1-TR01-KA201-094174).
Institutional Review Board Statement
Not applicable.
Informed Consent Statement
Not applicable.
Data Availability Statement
Not applicable.
Conflicts of Interest
The authors declare no conflict of interest.
References
- Eurostat, E. People at Risk of Poverty or Social Exclusion by Age and Sex. Available online: https://ec.europa.eu/eurostat/databrowser/view/ILC_PEPS01/default/table?lang=en (accessed on 13 December 2022).
- Baturina, D.; Berc, G.; Majdak, M. An invisible problem–a real risk: Student drop-out from secondary education. Rev. Soc. Polit. 2014, 21, 43–67. [Google Scholar]
- Novo-Corti, I.; Țîrcă, D.-M.; Ziolo, M.; Picatoste, X. Social Effects of Economic Crisis: Risk of Exclusion. An Overview of the European Context. Sustainability 2019, 11, 336. [Google Scholar] [CrossRef]
- Tsolou, O.; Babalis, T.; Tsoli, K. The Impact of COVID-19 Pandemic on Education: Social Exclusion and Dropping out of School. Creat. Educ. 2021, 12, 529–544. [Google Scholar] [CrossRef]
- Ekstrand, B. What it takes to keep children in school: A research review. Educ. Rev. 2014, 67, 459–482. [Google Scholar] [CrossRef]
- Vinciguerra, A.; Nanty, I.; Guillaumin, C.; Rusch, E.; Cornu, L.; Courtois, R. The determinants of dropping out in secondary education: A literature review. Psychol. Fr. 2021, 66, 15–40. [Google Scholar]
- Latorre-Medina, M.J.; Blanco-Encomienda, F.; Fernández-Maqueira, M. Linking school improvement with a better qualification for teachers. The need for change in the Spanish educational system. In Proceedings of the 5th International Conference on Future of Teaching and Education, Rotterdam, The Netherlands, 25–27 February 2022. [Google Scholar]
- Shafi, M.M.; Neyestani, M.R.; Jafari, S.E.M.; Taghvaei, V. The Quality Improvement Indicators of the Curriculum at the Technical and Vocational Higher Education. Int. J. Instruct. 2021, 14, 65–84. [Google Scholar] [CrossRef]
- Zhao, Y.; Watterston, J. The changes we need: Education post COVID-19. J. Educ. Chang. 2021, 22, 3–12. [Google Scholar] [CrossRef]
- Ansari, B.I.; Taufiq, T.; Saminan, S. The use of creative problem solving model to develop students’ adaptive reasoning ability: Inductive, deductive, and intuitive. Int. J. Teach. Learn. Math. 2020, 3, 23–36. [Google Scholar] [CrossRef]
- Alexander, K.L.; Entwisle, D.; Kabbani, N. The dropout process in life course perspective: Early risk factors at home and school. Teach. Coll. Rec. 2001, 103, 760–822. [Google Scholar] [CrossRef]
- Goldschmidt, P.; Wang, J. When can schools affect dropout behavior? A longitudinal multilevel analysis. Am. Educ. Res. J. 1999, 36, 715–738. [Google Scholar] [CrossRef]
- Rumberger, R.W. Dropping out of middle school: A multilevel analysis of students and schools. Am. Educ. Res. J. 1995, 32, 583–625. [Google Scholar] [CrossRef]
- Matheson, G.O.; Klügl, M.; Engebretsen, L.; Bendiksen, F.; Blair, S.N.; Börjesson, M.; Budgett, R.; Derman, W.; Erdener, U.; Ioannidis, J.P.A.; et al. Prevention and Management of Non-Communicable Disease: The IOC Consensus Statement, Lausanne 2013. Sports Med. 2013, 43, 1075–1088. [Google Scholar] [CrossRef] [PubMed]
- Wang, Y.-P. Effects of Online Problem-Solving Instruction and Identification Attitude Toward Instructional Strategies on Students’ Creativity. Front. Psychol. 2021, 12, 771128. [Google Scholar] [CrossRef]
- Agnew, R.; White, H.R. An Empirical Test of General Strain Theory. Criminology 1992, 30, 475–500. [Google Scholar] [CrossRef]
- Dewi, S.M.; Gunawan, G.; Harjono, A.; Susilawati, S.; Herayanti, L. Generative learning models assisted by virtual laboratory to improve mastery of student physics concept. J. Phys. Conf. Ser. 2020, 1521. [Google Scholar] [CrossRef]
- Colombo, M. Policy Against Drop-out in Italy. Cent. Eur. J. Educ. Res. 2019, 1, 1–9. [Google Scholar] [CrossRef]
- Schargel, F.P.; Smink, J. Strategies to Help Solve Our School Dropout Problem; Routledge: London, UK, 2014. [Google Scholar] [CrossRef]
- Doran, M.V.; Coleman, R.L. Enhanced creativity and problem solving: An interdisciplinary approach. In Proceedings of the 16th World Multi-Conference on Systemics, Cybernetics and Informatics (WMSCI 2012), Orlando, FL, USA, 17–20 July 2012. [Google Scholar]
- Elaby, M.F.; Elwishy, H.M.; Moatamed, S.F.; Abdelwahed, M.A.; Rashiedy, A.E. Does design-build concept improve problem-solving skills? An analysis of first-year engineering students. Ain Shams Eng. J. 2022, 13, 101780. [Google Scholar] [CrossRef]
- Kuo, J.Y.; Song, X.T.; Chen, C.H.; Patel, C.D. Fostering Design Thinking in Transdisciplinary Engineering Education. In Transdisciplinary Engineering for Resilience: Responding to System Disruptions; IOS Press: Amsterdam, The Netherlands, 2021; pp. 63–70. [Google Scholar]
- Ladachart, L.; Radchanet, V.; Phothong, W. Design Thinking Mindsets Facilitating Students’ Learning of Scientific Concepts in Design-Based Activities. J. Turk. Sci. Educ. (TUSED) 2022, 19, 1–16. [Google Scholar]
- Loh, A.P.; Law, E.; Putra, A.S.; Koh, E.; Zuea, T.K.; Tat, K.E. Innovation, Design & Entrepreneurship in Engineering Education. Adv. Eng. Educ. J. 2021. Available online: https://eric.ed.gov/?id=EJ1316313 (accessed on 13 December 2022).
- Solodikhina, A.; Solodikhina, M. Developing an innovator’s thinking in engineering education. Educ. Inf. Technol. 2021, 27, 2569–2584. [Google Scholar] [CrossRef]
- Soomro, S.A.; Casakin, H.; Georgiev, G.V. Sustainable Design and Prototyping Using Digital Fabrication Tools for Education. Sustainability 2021, 13, 1196. [Google Scholar] [CrossRef]
- Tramonti, M.; Dochshanov, A. Game Environment and Design Thinking Approach for New Digital Careers. Digit. Present. Preserv. Cult. Sci. Herit. 2021, 11, 309–314. [Google Scholar] [CrossRef]
- Arnold, J.E.; Clancey, W.J. Creative Engineering: Promoting Innovation by Thinking Differently; Arnold, J.E., Jr., Ed.; Stanford Department of Special Collections and University Archives: Stanford, CA, USA, 2016; Volume 5, p. 2020. [Google Scholar]
- Plattner, H.; Meinel, C.; Leifer, L. Design Thinking: Understand–Improve–Apply; Springer Science & Business Media: New York, NY, USA, 2010. [Google Scholar]
- Luka, I. Design Thinking in Pedagogy. J. Educ. Cult. Soc. 2014, 5, 63–74. [Google Scholar] [CrossRef]
- Brown, T. Design thinking. Harv. Bus. Rev. 2008, 86, 84. [Google Scholar] [PubMed]
- Hendricson, W.D.; Andrieu, S.C.; Chadwick, D.G.; Chmar, J.E.; Cole, J.R.; George, M.C.; Glickman, G.N.; Glover, J.F.; Goldberg, J.S.; Haden, N.K. Educational strategies associated with development of problem-solving, critical thinking, and self-directed learning. J. Dent. Educ. 2006, 70, 925–936. [Google Scholar] [PubMed]
- Martin, R.L. The innovation catalysts. Harv. Bus. Rev. 2011, 89, 82–87. [Google Scholar]
- Davis, M. Making a Case for Design-Based Learning. Arts Educ. Policy Rev. 1998, 100, 7–15. [Google Scholar] [CrossRef]
- Grebin, N.; Grabovska, S.; Karkovska, R.; Vovk, A. Applying Benjamin Bloom’s Taxonomy Ideas in Adult Learning. J. Educ. Cult. Soc. 2020, 11, 61–72. [Google Scholar] [CrossRef]
- Fisher, R. Creative Minds: Building communities of learning for the creative age. 2002. Available online: http://pantaneto.co.uk/creative-minds-building-communities-of-learning-for-the-creative-age-robert-fisher/ (accessed on 13 December 2022).
- Beckman, S.L.; Barry, M. Innovation as a Learning Process: Embedding Design Thinking. Calif. Manag. Rev. 2007, 50, 25–56. [Google Scholar] [CrossRef]
- Yoon, F.S.; Ho, J.; Hedberg, J.G. Teachers as Designers of Learning Environments. Comput. Sch. 2005, 22, 145–157. [Google Scholar] [CrossRef]
- Rauth, I.; Köppen, E.; Jobst, B.; Meinel, C. Design thinking: An educational model towards creative confidence. In Proceedings of the 1st International Conference on Design Creativity (ICDC 2010), Kobe, Japan, 29 November–1 December 2010. [Google Scholar]
- Koh, J.H.L.; Chai, C.S.; Wong, B.; Hong, H.Y. Design Thinking for Education: Conceptions and Applications in Teaching and Learning; Springer: Berlin, Germany, 2015. [Google Scholar]
- Svihla, V.; Reeve, R.; Sagy, O.; Kali, Y. A fingerprint pattern of supports for teachers’ designing of technology-enhanced learning. Instr. Sci. 2015, 43, 283–307. [Google Scholar] [CrossRef]
- Vaughn, M.; Parsons, S.A. Adaptive teachers as innovators: Instructional adaptations opening spaces for enhanced literacy learning. Lang. Arts 2013, 91, 81–93. [Google Scholar]
- Adams, R.S.; Daly, S.R.; Mann, L.M.; Dall’Alba, G. Being a professional: Three lenses into design thinking, acting, and being. Des. Stud. 2011, 32, 588–607. [Google Scholar] [CrossRef]
- Anderson, N.; Adam, R.; Taylor, P.; Madden, D.; Melles, G.; Kuek, C.; Wright, N.; Ewens, B. Design Thinking Frameworks As Transformative Cross-Disciplinary Pedagogy. 2014. Available online: https://researchonline.jcu.edu.au/37592/ (accessed on 6 January 2023).
- León-Mantero, C.; Casas-Rosal, J.C.; Pedrosa-Jesús, C.; Maz-Machado, A. Measuring attitude towards mathematics using Likert scale surveys: The weighted average. PLoS ONE 2020, 15, e0239626. [Google Scholar] [CrossRef] [PubMed]
- Wells, A. The importance of design thinking for technological literacy: A phenomenological perspective. Int. J. Technol. Des. Educ. 2012, 23, 623–636. [Google Scholar] [CrossRef]
- Beitz, W. Design Science—The Need for a Scientific Basis for Engineering Design Methodology. J. Eng. Des. 1994, 5, 129–133. [Google Scholar] [CrossRef]
- Lammi, M.; Becker, K. Engineering Design Thinking. J. Technol. Educ. 2013, 24, 55–77. [Google Scholar]
- Açar, A.E.; Rother, D.S. Design Thinking in Engineering Education and its Adoption in Technology-driven Startups. In Advances in Sustainable Manufacturing; Springer: Berlin, Germany, 2011; pp. 57–62. [Google Scholar] [CrossRef]
- Bartzer, S. The development of creative thinking through an adequate engineering education. In Proceedings of the International Conference on Engineering Education, Oslo, Norway, 6–10 August 2001. [Google Scholar]
- Chevalier, M.; Giang, C.; Piatti, A.; Mondada, F. Fostering computational thinking through educational robotics: A model for creative computational problem solving. Int. J. STEM Educ. 2020, 7, 1–18. [Google Scholar] [CrossRef]
- Noweski, C.; Scheer, A.; Büttner, N.; von Thienen, J.; Erdmann, J.; Meinel, C. Towards a Paradigm Shift in Education Practice: Developing Twenty-First Century Skills with Design Thinking. In Design Thinking Research; Springer: New York, NY, USA, 2012; pp. 71–94. [Google Scholar] [CrossRef]
- Kuo, H.-C.; Yang, Y.-T.C.; Chen, J.-S.; Hou, T.-W.; Ho, M.-T. The Impact of Design Thinking PBL Robot Course on College Students’ Learning Motivation and Creative Thinking. IEEE Trans. Educ. 2021, 65, 124–131. [Google Scholar] [CrossRef]
- Gubenko, A.; Kirsch, C.; Smilek, J.N.; Lubart, T.; Houssemand, C. Educational Robotics and Robot Creativity: An Interdisciplinary Dialogue. Front. Robot. AI 2021, 8, 178. [Google Scholar] [CrossRef]
- Wiggins, G.P. Assessing Student Performance: Exploring the Purpose and Limits of Testing; Jossey-Bass: San Francisco, CA, USA, 1993. [Google Scholar]
- Zawieska, K.; Duffy, B.R. The Social Construction of Creativity in Educational Robotics. In Progress in Automation, Robotics and Measuring Techniques; Springer: Cham, Switzerland, 2015; Volume 351, pp. 329–338. [Google Scholar] [CrossRef]
- Alden, D.; Tramonti, M. Computational Design Thinking and Physical Computing: Preliminary Observations of a Pilot Study. Robotics 2020, 9, 71. [Google Scholar] [CrossRef]
- Buhl, H.R. Creative Engineering Design; Iowa State University Press: Ames, IO, USA, 1960. [Google Scholar]
- Chou, P.-N. Skill Development and Knowledge Acquisition Cultivated by Maker Education: Evidence from Arduino-based Educational Robotics. Eurasia J. Math. Sci. Technol. Educ. 2018, 14, 93483. [Google Scholar] [CrossRef]
- Nelson, C.A. Generating Transferable Skills in STEM through Educational Robotics. In K-12 Education: Concepts, Methodologies, Tools, and Applications; IGI Global: Hershey, PA, USA, 2013; pp. 433–444. [Google Scholar] [CrossRef]
- Owen, C. Design thinking: Notes on its nature and use. Des. Res. Q. 2007, 2, 16–27. [Google Scholar]
- Eris, Ö. Asking generative design questions: A fundamental cognitive mechanism in design thinking. In Proceedings of the 14th International Conference on Engineering Design, Stockholm, Sweden, 19–21 August 2003. [Google Scholar]
- Dorst, K. The core of ‘design thinking’ and its application. Des. Stud. 2011, 32, 521–532. [Google Scholar] [CrossRef]
- Lindberg, T.; Meinel, C.; Wagner, R. Design Thinking: A Fruitful Concept for IT Development? In Design Thinking; Springer: Berlin/Heidelberg, Germany, 2010; pp. 3–18. [Google Scholar] [CrossRef]
- Wu, B.; Hu, Y.; Wang, M. Scaffolding design thinking in online STEM preservice teacher training. Br. J. Educ. Technol. 2019, 50, 2271–2287. [Google Scholar] [CrossRef]
- Lempiälä, T.; Vanharanta, O. Rethinking the Control–Freedom Paradox in Innovation: Toward a Multifaceted Understanding of Creative Freedom. J. Appl. Behav. Sci. 2017, 54, 62–87. [Google Scholar] [CrossRef]
- Liikkanen, L.A.; Perttula, M. Exploring problem decomposition in conceptual design among novice designers. Des. Stud. 2008, 30, 38–59. [Google Scholar] [CrossRef]
- Song, T.; Becker, K.; Gero, J.; Deberard, S.; Lawanto, O.; Reeve, E. Problem Decomposition and Recomposition in Engineering Design: A Comparison of Design Behavior Between Professional Engineers, Engineering Seniors, and Engineering Freshmen. J. Technol. Educ. 2016, 27, 37–56. [Google Scholar] [CrossRef]
- Dosi, C.; Rosati, F.; Vignoli, M. Measuring design thinking mindset. In Proceedings of the DESIGN 2018 15th International Design Conference, Dubrovnik, Croatia, 21–24 May 2018. [Google Scholar]
- Smith, R.C.; Iversen, O.S.; Hjorth, M. Design thinking for digital fabrication in education. Int. J. Child-Comput. Interact. 2015, 5, 20–28. [Google Scholar] [CrossRef]
- Pearson, H.A.; Dubé, A.K. 3D printing as an educational technology: Theoretical perspectives, learning outcomes, and recommendations for practice. Educ. Inf. Technol. 2021, 27, 3037–3064. [Google Scholar] [CrossRef]
- Cook, K.L.; Bush, S.B. Design thinking in integrated STEAM learning: Surveying the landscape and exploring exemplars in elementary grades. Sch. Sci. Math. 2018, 118, 93–103. [Google Scholar] [CrossRef]
- Mahil, S. Fostering STEM+ education: Improve design thinking skills. In Proceedings of the 2016 IEEE Global Engineering Education Conference (EDUCON), Abu Dhabi, United Arab Emirates, 10–13 April 2016. [Google Scholar]
- Banzi, M.; Shiloh, M. Getting Started with Arduino; Maker Media, Inc.: Sebastopol, CA, USA, 2022. [Google Scholar]
- Fixson, S.K.; Rao, J. Learning Emergent Strategies Through Design Thinking. Des. Manag. Rev. 2014, 25, 46–53. [Google Scholar] [CrossRef]
- Panke, S. Design Thinking in Education: Perspectives, Opportunities and Challenges. Open Educ. Stud. 2019, 1, 281–306. [Google Scholar] [CrossRef]
- Darbellay, F.; Moody, Z.; Lubart, T. Creativity, Design Thinking and Interdisciplinarity; Springer: Berlin, Germany, 2017. [Google Scholar]
- Kijima, R.; Yang-Yoshihara, M.; Maekawa, M.S. Using design thinking to cultivate the next generation of female STEAM thinkers. Int. J. STEM Educ. 2021, 8, 1–15. [Google Scholar] [CrossRef]
- Ozkan, G.; Topsakal, U.U. Exploring the effectiveness of STEAM design processes on middle school students’ creativity. Int. J. Technol. Des. Educ. 2019, 31, 95–116. [Google Scholar] [CrossRef]
- Dochshanov, A.M.; Tramonti, M. A Method for Multi-Perspective and Multi-Scale Approach Convergence in Educational Robotics. In Designing, Constructing, and Programming Robots for Learning; IGI Global: Hershey, PA, USA, 2022; pp. 47–68. [Google Scholar] [CrossRef]
- Tramonti, M.; Dochshanov, A. Students’ engagement through computational thinking and robotics. Digit. Present. Preserv. Cult. Sci. Herit. 2018, 8, 213–219. [Google Scholar] [CrossRef]
- Vattam, S.S.; Kolodner, J.L. On foundations of technological support for addressing challenges facing design-based science learning. Pragmat. Cogn. 2008, 16, 406–437. [Google Scholar] [CrossRef]
Disclaimer/Publisher’s Note: The statements, opinions and data contained in all publications are solely those of the individual author(s) and contributor(s) and not of MDPI and/or the editor(s). MDPI and/or the editor(s) disclaim responsibility for any injury to people or property resulting from any ideas, methods, instructions or products referred to in the content. |
© 2023 by the authors. Licensee MDPI, Basel, Switzerland. This article is an open access article distributed under the terms and conditions of the Creative Commons Attribution (CC BY) license (https://creativecommons.org/licenses/by/4.0/).





