Next Article in Journal
In Vitro Compatibility of Three Native Isolates of Trichoderma with the Insecticide Chlorpyrifos
Previous Article in Journal
Determination of Natural Fundamental Period of Minarets by Using Artificial Neural Network and Assess the Impact of Different Materials on Their Seismic Vulnerability
 
 
Font Type:
Arial Georgia Verdana
Font Size:
Aa Aa Aa
Line Spacing:
Column Width:
Background:
Article

A Low-Voltage AC, Low-Voltage DC, and High-Voltage DC Power Distribution System with Grid: Design and Analysis

1
Control & Energy Management Laboratory, Sfax Engineering School, University of Sfax, Sfax 3029, Tunisia
2
Department of Electrical Engineering, Faculty of Engineering, University of Jazan, Jazan 45142, Saudi Arabia
*
Author to whom correspondence should be addressed.
Appl. Sci. 2023, 13(2), 808; https://doi.org/10.3390/app13020808
Submission received: 6 December 2022 / Revised: 26 December 2022 / Accepted: 4 January 2023 / Published: 6 January 2023
(This article belongs to the Section Electrical, Electronics and Communications Engineering)

Abstract

Low-voltage (LV) and high-voltage (HV) DC distribution systems are being investigated as alternatives due to the growth of DC distribution energy resources (DER), DC loads such as solar and wind power systems, and energy storage sources (ESSs). Furthermore, an HV/LV DC distribution system offers various advantages, including lower conversion losses, an easier connecting strategy for DC DERs, and less complex power management techniques. As renewable energy sources are increasingly incorporated into the electrical grid, it is important to create novel, effective approaches for connecting such sources and loads. It would hence be effective to merge DC distribution with AC distribution to fulfill the energy demands of both DC and AC consumers. To this end, this study proposes a multizone design with four buses: low-voltage direct current (LVDC), high-voltage direct current (HVDC), low-voltage alternating current (LVAC), and an electrical grid. A model of this system that covers crucial elements, including power systems, DER systems, and power electronic devices, to serve as a foundation for the analysis and design of this architecture is proposed. MATLAB/Simulink is used to conduct a simulation study to verify the performance of the proposed design. In this study, a hybrid electrical grid with an LVDC, HVDC, and LVAC distribution network test is used and implemented. Additionally, a transient and steady-state characteristic analysis of the test system is performed.

1. Introduction

Modern DC electrical distribution systems have recently been investigated owing to various advantages, including improved effectiveness and reliability, fewer conversion steps, and an uninterrupted electricity supply compared to traditional alternative systems [1,2]. Furthermore, in developing nations where public distribution systems are still scarce, access to electricity is seen as a critical facet for facilitating the fulfillment of various human everyday needs [3]. To attain sustainable development and minimize climate change, district heating must move from traditional fossil fuels to renewable energy sources (RES) with fewer carbon emissions. DC-based RES and charging points of electric vehicles (EV) must be connected to DC distribution systems to ensure more efficient operation than when connected to conventional AC distribution systems. Considering these benefits, the implementation of DC systems in housing complexes, buildings, and other structures is projected to expand. As a result, the requirements for DC system applications have surged [4,5,6,7].
In recent decades, many studies on DC systems have analyzed the details of DC distribution systems. In Finland, a low-voltage direct current network was set up in 2005 as a preliminary step toward the development of 1 kV intermediate LVDC distribution systems [8]. DC source feasibility in low- and medium-voltage distribution networks has been investigated to demonstrate that employing an LVDC system can significantly reduce the conversion stage losses caused by converters [9]. The results showed that the overall system losses were lower than in the case of a conventional AC grid. In [10], the viability of an LVDC distribution for utilization in commercial establishments was investigated. Their analysis results indicate that the implementation of an LVDC distribution system is preferable to an AC distribution system. The most suitable voltage from a technical and financial standpoint is a DC voltage level between 300 V and 400 V. Several investigations into genuine testbed systems have been conducted at Lappeenranta University. A viable LVDC distribution network architecture, incorporating fault analysis and a grounding mechanism, was established by [8,11]. In [10,12,13], LVDC network designs with relatively comparable features and similar purposes were presented. The smart grid could address energy issues if there were more DC loads in the LVDC distribution, as was investigated in [14]. It is interesting to note that a nonlinear network employing a chaotic circuit can effectively manage the flow energy in linear electrical networks.
Currently, most consumers are supplied with AC [15]. With the evolution of DC distribution, it is preferable to use DC energy sources to minimize power losses. The growing integration of renewable energy into the electric grid necessitates the development of new and efficient technologies to interconnect these sources. A smart transformer (ST) is a viable option for shifting grid conditions [16]. Currently, it is difficult to convince consumers to use DC because their equipment is designed to work with AC. Therefore, it will be interesting to integrate DC and AC distributions to encourage customers to use both AC and DC loads in the future. Moreover, a parallel power supply from photovoltaic modules and a power grid have been described in an LED lighting system [17]. In other words, we must begin by combining these two types of distributions.
Depending on the load consumption, DC distribution can be either an LVDC or an HVDC distribution system. In previous research, LVAC and LVDC were designed for a platform supply vessel (PSV) with supply voltages of 690 V AC, 60 Hz, and 1000 V DC. The performance of both designs was quantified for a PSV in light of fuel usage, weight, gas emissions, volume, and dependability [18]. Although the use of the LVAC distribution system is dominant in this system, various studies have focused on protection methods that combine the LVDC distribution network with the LVAC distribution network [19]. Protection strategies for the hybrid AC/DC low-voltage distribution network system were created and synchronized. A transitory analysis of events in both systems was first performed, followed by the development of protective measures for each system. Owing to the variety of DC and AC electrical loads, it is necessary to ensure the autonomy of these loads by considering the inside and outside system conditions whatever the type of electrical load.
In this paper, we propose a novel multizone architecture that contains four buses, comprising an LVDC–HVDC–LVAC distribution system with an electrical grid. This architecture contains power devices, DER, and ESS to establish a foundation for analyzing the distinct features of the different buses. Furthermore, steady-state and transient-state features are examined. The remainder of this paper is structured as follows: The novel multizone architecture design and component modeling of the investigated architecture is presented in Section 2. Subsequently, Section 3 describes the simulations using MATLAB/Simulink to validate the performance and efficacy of the proposed architecture. Finally, conclusions are presented in Section 4.

2. Modeling of Distribution System Components

Using cables with smaller cross-sections whenever possible is a particularly cost-effective alternative because electricity must be transmitted across vast distances. Small cross-sectional cables with a lower capacity for carrying current can be employed in the grid effectively and inexpensively because increased voltage levels in transmission lines result in lowered currents (constant power). By using transformers, which utilize fluctuating magnetic fields to transform voltage in accordance with Faraday’s law, this principle is effectively applied in the AC system. Transformers can run on alternating current because of the fluctuating magnetic field that is created by the alternating current. It is made abundantly evident that switching the power transmission lines to DC lines on the HV and MV side has numerous benefits in many areas. Hence, the contribution of this study is to combine the LVAC distribution with the LVDC distribution based on the integration of renewable energy sources with the utility of the grid and the ESSs. The utilization of HVDC in addition to LVDC/LVAC distribution is now feasible because of the development of transformers and power electronics. Furthermore, Figure 1 depicts the design of a novel multizone architecture with four buses: LVDC, HVDC, LVAC, and the electrical grid. In contrast to conventional DC/AC systems, power electronic devices are utilized to connect the main DC/AC system to the distributed generation, ESS, and various types of loads. As seen in Figure 1, the normal AC distribution network has a wind turbine linked to it. Without the use of additional converters, the battery-stored energy can be sent straight to the bus bar. After that, the majority of home use requires DC-based equipment, for which only DC/DC converters are used. We describe two fundamental distribution models for DC transmission lines. The unipolar system is the first, and the bipolar system is the second. Additionally, because the system is made to be powered by only one side of the bipolar system, which will prevent system failure and is what is used in this study, bipolar systems may overcome power outages. As shown in Figure 1, the solar generator and wind turbine are linked to the traditional HV distribution network’s electrical grid.
In this section, the modeling of the PV system, ESS, wind turbine, power electronic devices, lines, and DC/AC loads, which are essential elements of a novel multizone architecture distribution system, is carried out.

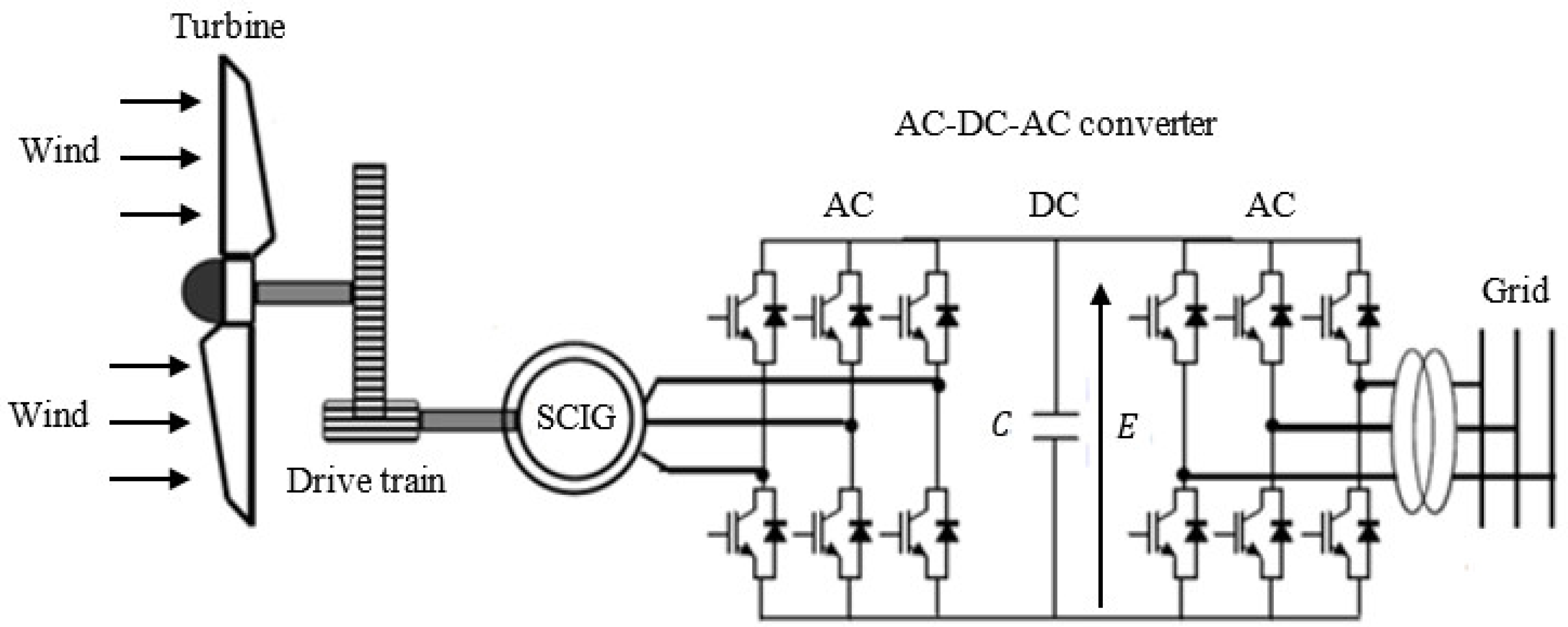
2.1. Model of the Squirrel-Cage Induction Generator (SCIG)-Equipped Variable-Speed Wind Turbine

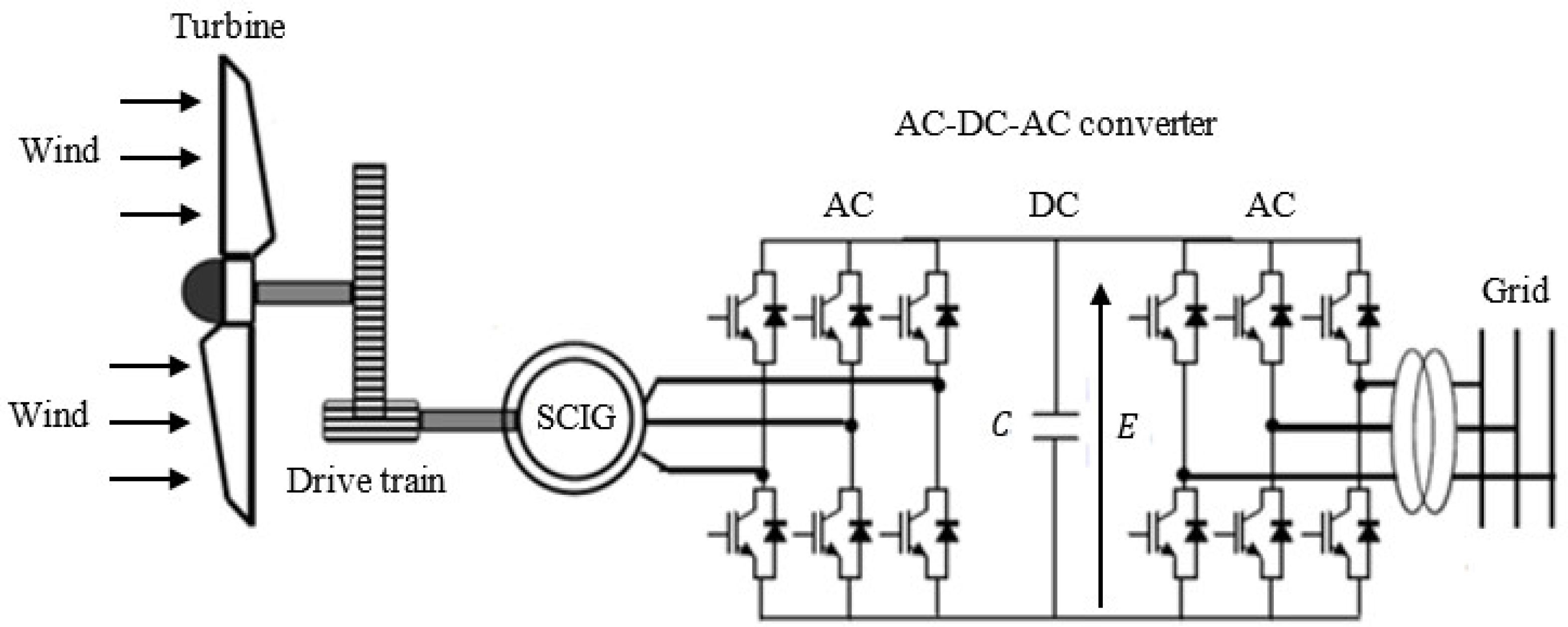
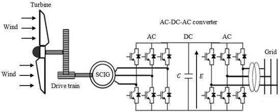
Figure 2 depicts the typical design of an SCIG-based variable-speed wind turbine [20,21].

2.1.1. Model of Wind Speed

The wind speed model is crucial in wind turbine modeling. Although wind is typically described as a stochastic process, its variance can be modeled in various ways [22]. Indeed, the wind speed is defined by the following expression as the sum of many harmonics [23]:
V v ( t ) = 10   + 0.55 [ sin ( 0.0393 t ) 0.875 sin ( 0.1178 t ) + 0.75 sin ( 0.1963 t ) 0.625 sin ( 0.3927 t ) + 0.5 sin ( 1.1781 t ) + 0.25 sin ( 1.9634 t ) + 0.125 sin ( 3.9269 t ) ]

2.1.2. Model of Wind Turbine

For wind turbine modeling, turbine blades transform the kinetic energy of the wind into mechanical energy. Synchronous or asynchronous electrical generators are used to convert mechanical energy into electrical energy. The following equation is utilized to compute the mechanical power obtained by the wind [24]:
P m = C p ( λ ,   β ) ρ A 2 V ω 3
where P m represents the mechanical power acquired by the turbine and transmitted to the rotor (W), A denotes the area swept by the turbine (m2), ρ   denotes the air density (kg/m3), C p denotes the power coefficient of the turbine, V ω represents the wind speed (m/s), λ represents the speed ratio, and β denotes the angle of inclination of the blade (°).
Hence, the power coefficient can be expressed as follows [24]:
C p ( λ ,   β ) = 0.5176 ( 116 λ i 0.4 β 5 ) e 21 / λ i + 0.0068   λ
where the λ i parameter is obtained by solving the following equation:
1 λ i = 1 λ + 0.08 β 0.035 β 3 + 1

2.1.3. SCIG Model

The voltage equations of the stator and rotor of the SCIG in the revolving d-q reference frame are as follows [20]:
{ υ d s = R s i d s + d ψ d s d t ω s ψ q s υ q s = R s i q s + d ψ q s d t + ω s ψ d s
{ 0 = R r i d r + d ψ d r d t ( ω s ω r ) ψ q r 0 = R r i q r + d ψ q r d t + ( ω s ω r ) ψ q r
where the stator voltages are υ d s and υ q s on the dq frame, respectively; the stator currents are i d s and i q s , respectively; the rotor currents are i d r and i q r , respectively; the stator flux components are ψ d s and ψ q s , respectively; and the rotor flux components are ψ d r and ψ q r , respectively. Moreover, ω s is the synchronous speed; ω r is the rotor’s angular speed; and R s and R r denote the stator and rotor resistances, respectively.
The following equations express the relationships between fluxes and currents:
{ ψ d s = L s i d s + L m i d r ψ q s = L s i q s + L m i q r
{ ψ d r = L r i d r + L m i d s ψ q r = L r i q r + L m i q s
where L s , L r , and L m indicate the stator, rotor, and magnetizing inductances, respectively.
The equation of the electromagnetic torque of the SCIG is as follows:
T e m = 3 2 p ( ψ d s i q s ψ q s i d s )
where p denotes the machine pole pair number.
Furthermore, the following formula is used to compute the active and reactive stator power output values:
{ P s = 3 2 ( υ d s i d s + υ q s i q s ) Q s = 3 2 ( υ d s i q s υ q s i d s )

2.1.4. Converter Model

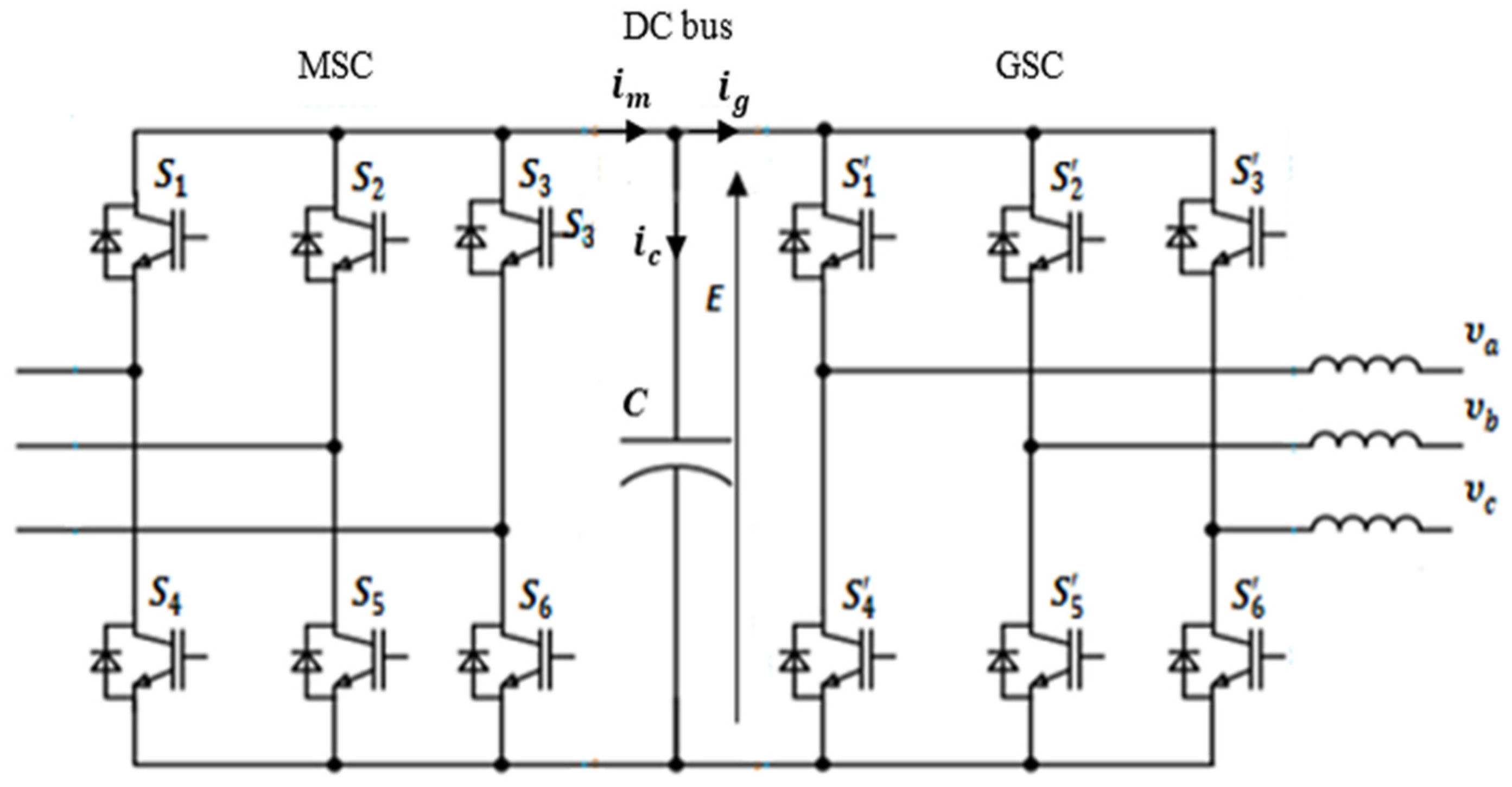
Power systems are the most complicated plant that an engineer can handle and regulate, according to conventional wisdom. Additional solutions are required for the integration of tiny green grids with traditional energy buses in order to ensure the proper operation of the global plant. After all, future studies on power sources in the era of ecological and digital transition are particularly interested in combining advanced power electronic modules and DC/DC or DC/AC converters with digital control systems, making future studies on power plants an interesting and practical research area [25]. The converter topology employed most frequently in variable-speed wind turbines is the voltage source back-to-back forced commutation converter with insulated gate bipolar transistors (IGBT) [26]. The machine-side converter (MSC) and grid-side converter (GSC) refer to the converters linked to the stator and grid side, respectively, of the machine. Figure 3 shows the structural layout of the converter.
The two converters (MSC and GSC) are controlled using the pulse with modulation (PWM) technique, and the mathematical model of these converters is represented using simple network voltages and control signals as follows [27]:
[ ν a ν b ν c ] = E 3 [ 2 1 1 1 2 1 1 1 2 ] [ S 1 S 2 S 3 ]
where V a , V b , and V c are the three-phase voltages at the GSC output; S 1 , S 2 , and S 3 are the PWM signals; and E is the DC bus voltage.
The DC-link voltage dynamics can be expressed as follows:
d E d t = 1 C i d c = i m i g
where C is the capacitor of the DC-link, and i m and i g are the currents from the induction generator and grid sides, respectively.

2.2. PV Generation System and ESS System Modeling

The configuration layout for the PV power generation system with the ESS is presented in Figure 4. In this study, a lithium-ion battery is used as the ESS.

2.2.1. PV Array Model

Figure 5 depicts a photovoltaic module circuit with N P parallel and N S series cell arrangements.
The PV array IV characteristics are computed as follows [28]:
I = N p I p h N p I s   ( exp [ ( V + R s I ( N s N p ) ) V T N s ] 1 ) V + R s I ( N s N p ) R s h ( N s N p )
with:
I d = I s [ exp ( V d / V T ) 1 ]
V T = N c e l l K T Q d q
where I p h is the photocurrent; I s represents the diode saturation current (A); V t denotes the terminal voltage (V); V d represents the diode voltage (V); R s and R s h are the series and shunt resistances, respectively; N c e l l is the number of series-connected cells per module; T is the cell temperature (K); q denotes the electron charge (C); K represents the Boltzmann constant (J/K); and Q d denotes the diode quality factor.

2.2.2. Model of a DC/DC Converter

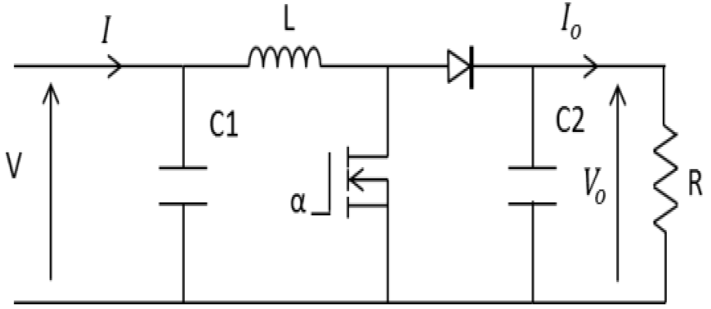
DC–DC converters such as buck or boost converters help realize highly flexible and efficient power control in DC circuits. This enabled us to track the optimal operating point in this case [29]. In this study, we employed a boost-type converter whose circuit diagram is illustrated in Figure 6.
This converter is governed by the following equations:
V 0 = V 1 α
I 0 = I ( 1 α )
where α , V 0 , and I 0 denote the duty cycle, output voltage, and output current of the boost converter, respectively. Furthermore, α is the boost converter duty cycle.
The boost converter’s inductance, input, and output capacitance are expressed as follows:
{ C 1 = d V 0 8 L Δ V 0 f 2   C 2 = d I f Δ V   L = d V 0 f Δ I L
where Δ V 0 and Δ V denote the input and output desired amplitude, respectively. Furthermore, Δ I L and f   represent the inductance current desired amplitude and the frequency, respectively.

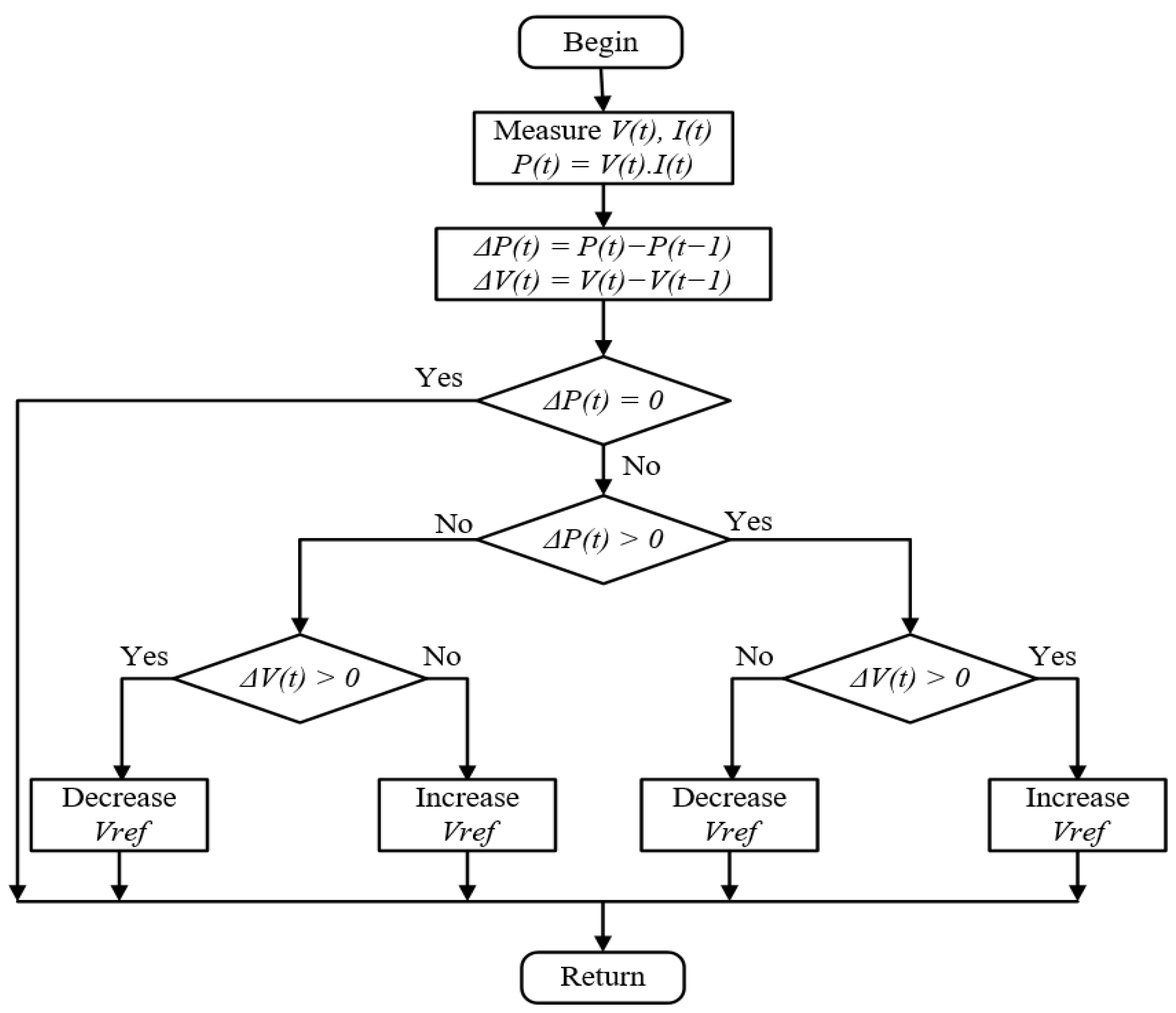
2.2.3. MPPT Control

The Perturb and Observe (P&O) method for monitoring the maximum power output by the photovoltaic generator is described in this section. The proposed MPPT technique is based on perturbing the system by changing Vref, which directly affects the duty cycle of the boost converter. The decision for the subsequent cycle (observation) was based on this disruption [30].
-
If Δ P is greater than zero, the voltage disturbance shifts the operating point in the MPP direction and this process is carried out repeatedly until the MPP is attained.
-
If Δ P is less than zero, then the operating point shifts away from the MPP. To move the operating point back toward the MPP, we reversed the algebraic sign of the voltage disturbance.
The flowchart shown in Figure 7 provides a description of the proposed maximum power point technique [31].

2.2.4. ESS Model

Several equivalent circuit designs of batteries have been documented in the literature. These models can be used to examine battery behavior over short or extended periods of time throughout the charge/discharge process [32]. A lithium-ion (Li-ion) battery was modeled in this study. The model applies the following equations to various types of Li-ion batteries [33]:
-
Model of discharging stage ( i > 0 )
f 1 ( i t ,   i , i ) = E 0 K · Q Q i t · i K · Q Q i t · i t + A · exp ( B · i t )
-
Model of charging stage ( i < 0 )
f 2 ( i t ,   i , i ) = E 0 K · Q i t + 0.1 · Q · i K · Q Q i t · i t + A · exp ( B · i t )
where E 0 denotes the nonlinear voltage (V), K represents the polarization constant (V/Ah), i represents the low-frequency current dynamics (A), i represents the battery current (A), i t gives the extracted capacity in Ah, Q is the maximum battery capacity (Ah), A represents the exponential voltage (V), and B denotes the exponential capacity (Ah−1).
The following equation describes how temperature affects the model’s parameters:
-
Model of discharging stage ( i > 0 )
f 1 ( i t ,   i , i , T , T a ) = E 0 ( T ) K ( T ) · Q ( T a ) Q ( T a ) i t · ( i + i t ) + A · exp ( B · i t ) C · i t
V b a t t ( t ) = f 1 ( i t ,   i , i , T , T a ) R ( T ) · i
-
Model of charging stage ( i < 0 )
f 1 ( i t ,   i , i , T , T a ) = E 0 ( T ) K ( T ) · Q ( T a ) i t + 0.1 · Q ( T a ) · i K ( T ) · Q ( T a ) Q ( T a ) i t · i t + A · exp ( B · i t ) C · i t
V b a t t ( t ) = f 1 ( i t ,   i , i , T , T a ) R ( T ) · i
Here,
{ E 0 ( t ) = E 0 | T r e f + E T ( T T r e f ) K ( T ) = K | T r e f · e x p ( α ( 1 T 1 T r e f ) ) Q ( T a ) = Q | T a + Δ Q Δ T · ( T a T r e f ) R ( T ) = R | T r e f · e x p ( β ( 1 T 1 T r e f ) )
where E / T is the coefficient for reversible voltage and temperature (V/K); α and β are the polarization and internal resistance Arrhenius rate constants, respectively; Δ Q / Δ T denotes the temperature coefficient of maximum capacity (Ah/K); C is the slope of the nominal discharge curve (V/Ah); T r e f denotes the nominal ambient temperature (K); T a represents the ambient temperature (K); and T denotes the cell temperature (K), which is given by:
T ( t ) = L 1 ( P l o s s R t h + T a 1 + s · t c )
where R t h is the thermal resistance, t c represents the thermal time constant, and P l o s s denotes the total heat produced (W) throughout the charging or discharging process, which is calculated as follows:
P l o s s = ( E 0 ( t ) V b a t t ( t ) ) · i + E T · i · T
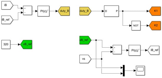
Regarding the lithium-ion battery control, two limits on the state of charge (SOCmin = 15% and SOCmax = 90%) were established to prevent the overcharging and discharging of the battery. The PV/battery power flow is managed by a discrete PID controller connected to a bidirectional converter (buck–boost converter) [34]. The Simulink model of the PID controller is depicted in Figure 8. This diagram shows that the battery is charged using the upper switch K1 and discharged using the lower switch K2.

2.3. Model of Different Grid Elements

2.3.1. Transmission Line Model

In this study, the transmission lines were modeled using the standard equivalent π   model as presented in Figure 9 [35]. In this representation, V k and V m represent the voltages at the sending and receiving ends, respectively. B denotes the susceptance, and R and X are the series resistance and reactance, respectively.
The following equations serve as a representation of the transmission line model [36]:
{ P k = V k 2 ( g k m + g k 0 ) V k V m ( g k m cos ( θ k θ m ) + b k m sin ( θ k θ m ) )   Q k = V k 2 ( b k m b k 0 ) V k V m ( g k m sin ( θ k θ m ) b k m cos ( θ k θ m ) ) P m = V m 2 ( g k m + g m 0 ) V k V m ( g k m cos ( θ k θ m ) b k m sin ( θ k θ m ) ) Q m = V m 2 ( b k m b k 0 ) + V k V m ( g k m sin ( θ k θ m ) + b k m cos ( θ k θ m ) )

2.3.2. Transformer Model

Figure 10 represents the combined utilization of the orthogonal phase representation of the power system and the equivalent depiction of a two-winding transformer. In this illustration, z represents the transformer’s equivalent leakage reactance, and m represents the turn ratio [35].

2.3.3. Load Model

Consider a voltage node V L with a connected load-consuming power P L + j Q L , where P L and Q L represent the active and reactive power consumed by the load bus, respectively. This load can be represented using static admittances G L = P L / V L 2 and B L = Q L / V L 2 , as shown in Figure 11.
The equivalent admittance equation of the used load is presented as follows [35]:
Y ¯ L = P L V L 2 j Q L V L 2 = G L j B L
where V L is the voltage node of the load bus; and G L and B L denote the conductance and susceptance of the equivalent load admittance, respectively.

3. Simulation Results

A novel hybrid test with four buses—an LVDC, HVDC, and LVAC distribution system with a radial-type electrical grid—is presented in Figure 12. It should be highlighted that a protection scheme based on AC and DC circuit breakers (ACCB and DCCB) for the novel hybrid test was proposed to improve the reliability of all the components. In particular, the LVDC and LVAC distribution system comprises a photovoltaic generator, wind turbine, and an ESS based on lithium-ion batteries. More specifically, the LVDC distribution system consists of a PV generator as a DC source, DC loads, and lithium-ion batteries as the ESS. The PID controller, which was covered in the modeling section, provides the foundation for managing the electricity between the PV generator and the lithium-ion batteries. It should be noted that the bipolar LVDC distribution voltage is assumed equal to ± 320 V. In fact, the LVAC distribution in this test system has a line-to-line voltage of 400 V and a frequency of 50 Hz, which consists of a wind turbine and AC loads. In this test system, an HVDC distribution with a voltage equal to 20 kV is presented thanks to the presence of a transformer with a power of 250 MVA and a power converter.
Additional real data and configuration settings for the test system’s four buses—LVDC, HVDC, LVAC, and the electrical grid—are summarized in Table 1.
In this study, a PV generator with a power output of 10.5 kW was employed. The six modules that constitute the PV generator were connected in series using seven parallel strings. The customized PV array type was the Advance Power API-M250, as shown in Figure 13.
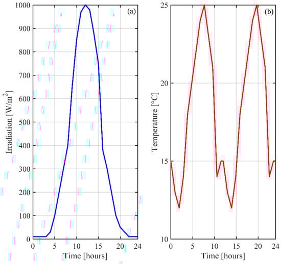
The most prevalent types of energy storage utilized in standalone PV systems are lead acid batteries and lithium-ion batteries. Low power density and high energy density combine to provide energy-storage batteries with moderate charge/discharge rates. In terms of performance, lead–acid battery losses are substantially larger at 15–20%, whereas Li-ion battery losses are generally much lower at 2–8%. Another drawback of lead–acid batteries is that they require more time to charge than do Li-ion batteries. As a result, in this study, Li-ion batteries with the properties shown in Figure 14 were employed as the ESS. It is noted that in order to testify to the high performance and efficiency of the novel hybrid network test, a real profile of irradiation and temperature over 24 h was used in this study, as shown in Figure 15.
It should be noted that the test system uses an underground cable model. Because the subterranean cable’s conductor resistance is lower in this instance compared to the overhead distribution line, there is less voltage drop. A bipolar LVDC distribution network system was used in this work. This bipolar system consists of three voltage levels, which are: positive-to-ground, negative-to-ground, and pole-to-pole. The voltages of the first and second DC loads used in the LVDC distribution are shown in Figure 16. Based on this figure, it is possible to verify that a constant positive pole (320 V) and negative pole (−320 V) are supplying DC loads 1 and 2, respectively.
The voltage drop percentage can be calculated using the following expression:
U   ( % ) = Δ U D C U D C × 100
where Δ U D C =   U D C 2 U D C 1   , and U D C represents the DC bus voltage.
In accordance with Equation (30), the table below shows the voltage drop that occurs as a result of a real load supply in an LVDC distribution. With reference to Table 2, it can be noted that an LVDC distribution’s average voltage drop is roughly equal to 0.234%. This average voltage drop is more acceptable than that of other existing works [37].
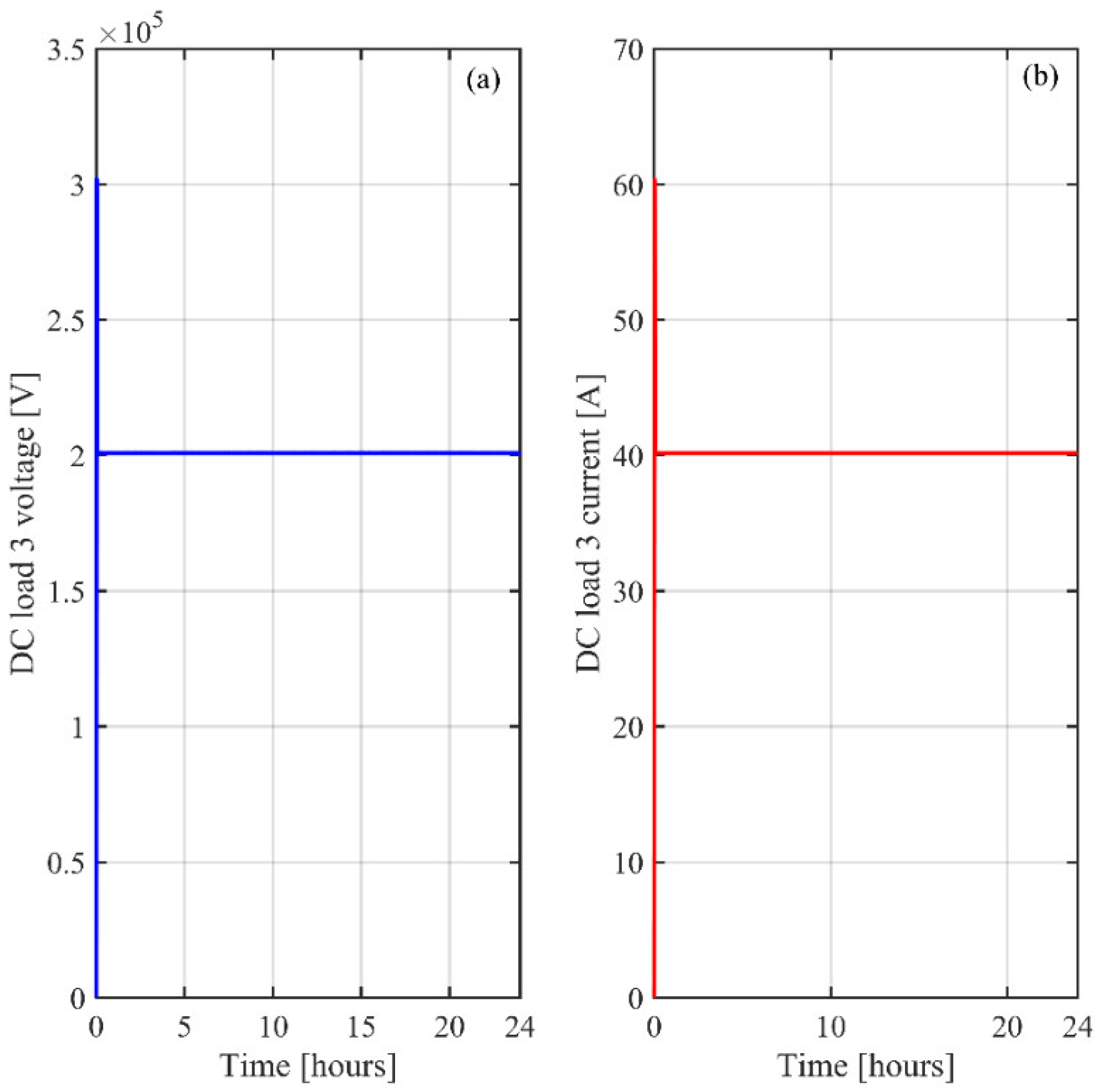
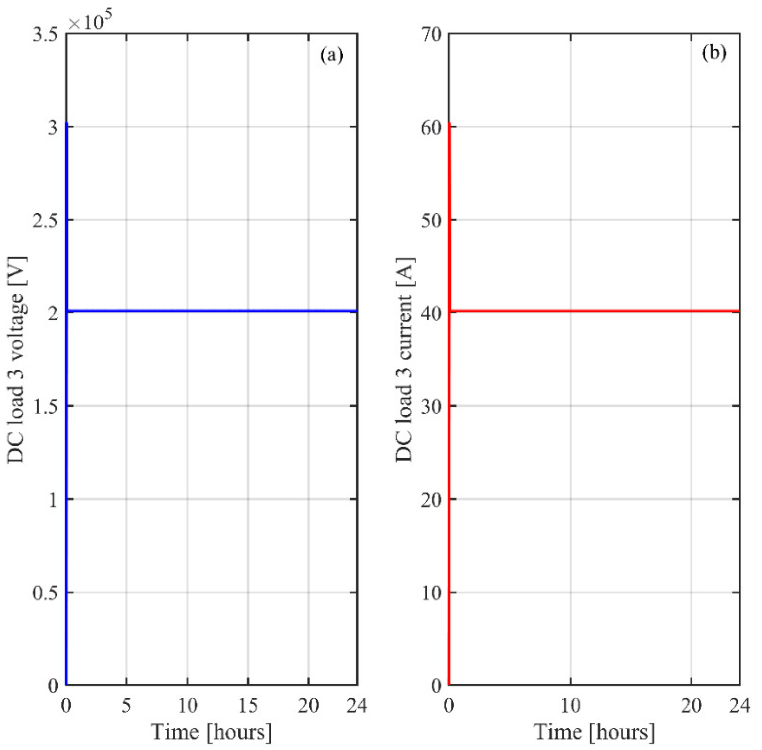
In an HVDC station, power transformers serve various functions: galvanic isolation between the AC and DC sides, limiting the effect of changes in the AC-side voltage through their tap changer, limiting the short-circuit current, and providing a 30° phase shift between the pulse bridges. A 250 MVA transformer was used in this novel hybrid test system to supply different loads on the DC side. The load voltage and current of the two DC loads are shown in Figure 17 and Figure 18, respectively. It is noted that the voltage of the HVDC distribution system is always equal to 20 kV as presented in Figure 17 and Figure 18. Additionally, the DC load currents 3 and 4 in this HVDC distribution are 40 A and 67 A, respectively.
The transition of the electrical distribution network from LVDC to LVAC distribution is feasible in this study due to the development of electronic power converters. The analyzed LVAC distribution included a 1.5 MW wind turbine and AC loads. The turbine power characteristics are shown in Figure 19. According to Figure 19, MPPT is accomplished by maintaining the tip speed ratio, or the ratio of the turbine speed at the tip of a blade to wind velocity, at its ideal value. This can be accomplished by employing a look-up table to set the optimal rotor speed reference to its corresponding observed wind speed.
The variation in the wind speed profile over 24 h is shown in Figure 20 to illustrate the performance of this LVAC distribution system [23].
Figure 21 shows the voltage and current of the first AC load of the LVAC distribution. Referring to Figure 21, it can be observed that the frequency is always 50 Hz and the load voltage (line to the ground) is always 230 V.
Total harmonic distortion (THD) is one way to assess the power supply quality. It indicates the number of harmonic components in the voltage and current waveforms and the extent of the waveform distortion resulting from them. Furthermore, THD limits for IEEE 519 systems with rated voltages of less than 1 kV should be no more than 5%. Figure 22 illustrates the THD of the signal shown in Figure 21b. As shown in Figure 22, the THD was lower than 5%, which resulted in a higher power factor, higher efficiency, and lower peak currents. With reference to Figure 22, it is possible to emphasize the LVAC distribution’s superior performance in terms of its reduced THD when compared with that of other works.
The voltage drop results of the real AC loads in the LVAC distribution based on Equation (30) with a voltage of type alternative are shown in the table below. Based on Table 3, the LVAC distribution’s average voltage drop is almost equal to 1.268%, which is tolerable. Based on Table 2 and Table 3, we concluded that the LVDC distribution system performs better than the LVAC distribution system in terms of voltage drops.
In order to highlight the performance of the proposed bipolar LVDC distribution compared to the other exiting works, an open-circuit fault is applied to the DC load 1 at the instant t = 7 h. Figure 23 illustrates the DC load 1 and 2 voltages taking into account the occurrence of this open-circuit fault. Based on this figure, it is obvious that in the event of an OCF, the voltage of DC load 1 stays at 320 V while the voltage of DC load 2 falls to 0. Since the DC load 1 was still receiving power as a result, this suggested the architecture’s performance was greatly improved even with an OCF.
The voltage and current of the AC load 1 in the case of an occurrence of an OCF in the LVAC distribution are shown in Figure 24. In order to confirm the impact of this fault, a THD of the current signal is also displayed as seen in Figure 25. With reference to Figure 25, it should be noted that the THD rises by around 0.02% while being below 5%, demonstrating the proposed architecture’s improved efficiency even in the presence of an OCF.
Following the fault’s occurrence, this fault may result in a secondary failure that can render this proposed architecture completely dysfunctional. According to the absolute average value of the DC load 1 or 2 voltage, a recommended diagnostic approach is presented. As shown in Figure 26, the fault variables FD1 and FD2 are used to identify the OCF. When the voltage’s absolute average value is zero, the fault variable is equal to one. Since the absolute average voltage value is not zero in the healthy case, the fault variable is equal to zero. Referring to Figure 26, this fault is seen being detected and identified at 7.034 h by the suggested diagnostic approach, which enhances the high performance and robustness of this method.

4. Conclusions

In terms of energy and resource efficiency; control; and cost-effectiveness, LVDC technology outperforms LVAC technology. Disadvantages of LVDC technology compared with LVAC technology include the complexity of voltage regulation and grid connection as well as the use of traditional protection components. In this study, renewable energies were integrated into DC and AC distribution systems to improve the performance of these distributions. With the advent of transformers and the advancement of power electronics, such as the voltage source converter and the rectifier converter, it is now possible to use HVDC in addition to LVDC/LVAC distribution. For this purpose, we modeled and analyzed an LVAC, LVDC, and HVDC power distribution system with an electrical grid. Furthermore, transmission and distribution lines and system protection were used to highlight the dependability of this multizone architecture. Several significant components which must be taken into consideration, including DERs, power electronic devices, and ESSs, were modeled and implemented using MATLAB/Simulink. A hybrid electrical grid with a distribution network test for LVDC, HVDC, and LVAC was used in this study. Based on the connection of the modeled distribution test system to the electrical grid, we performed steady-state and transient-state simulations, including the connection of renewable energy sources (PV and wind) as a DER, and analyzed the features in these states. In this novel architecture, we concluded that the LVAC distribution THD was equal to 1.01% and more acceptable compared with other existing works. Additionally, the voltage drops of the LVDC distribution system were roughly 0.234% while LVAC voltage drops were approximately 1.268%, which illustrates the LVDC’s performance. In light of the obtained simulation results, we highlight the high efficiency and performance of this novel architecture compared with LVAC and LVDC distribution only, even in healthy and OCF cases, as well as compared with both combined. However, this innovative multizone architecture requires additional power electronics and transformers, which makes it more complicated. Finally, the suggested work can be expanded with regard to future directions toward the optimal placement of renewable energy sources in this novel architecture.

Author Contributions

Conceptualization, M.A.Z., B.D., Z.A. and H.H.A.; methodology, M.A.Z. and B.D.; software, M.A.Z., B.D. and Z.A.; validation, M.A.Z., B.D., Z.A. and H.H.A.; formal analysis, M.A.Z., B.D. and H.H.A.; investigation, M.A.Z., B.D., Z.A. and H.H.A.; writing—original draft preparation, M.A.Z. and B.D.; supervision, Z.A. and H.H.A.; project administration, Z.A. and H.H.A.; funding acquisition, Z.A. and H.H.A. All authors have read and agreed to the published version of the manuscript.

Funding

This research received no external funding.

Institutional Review Board Statement

Not applicable.

Informed Consent Statement

Not applicable.

Data Availability Statement

Not applicable.

Conflicts of Interest

The authors declare no conflict of interest.

Nomenclature

DERDistribution energy resources
ESSsEnergy storage sources
LVDCLow-voltage direct current
HVDCHigh-voltage direct current
LVACLow-voltage alternating current
RESRenewable energy sources
PSVPlatform supply vessel
SCIGSquirrel-cage induction generator
IGBTInsulated gate bipolar transistors
PVPhotovoltaic
MPPTMaximum power point tracking
DCDirect current
ACAlternating current
DCCBDirect current circuit breaker
ACCBAlternating current circuit breaker
THDTotal harmonic distortion

References

  1. Brenna, M.; Lazaroiu, G.C.; Tironi, E. High Power Quality and DG Integrated Low Voltage DC Distribution System. In Proceedings of the IEEE Power Engineering Society General Meeting, Montreal, QC, Canada, 18–22 June 2006. [Google Scholar]
  2. Agustoni, A.; Borioli, E.; Brenna, M.; Simioli, G.; Tironi, E.; Ubezio, G. LVDC Distribution Network with Distributed Energy Resources: Analysis of Possible Structures. In Proceedings of the International Conference on Electricity Distribution CIRED, Turin, Italy, 6–9 June 2005. [Google Scholar]
  3. Negri, S.; Giani, F.; Pavan, A.M.; Mellit, A.; Tironi, E. MPC-based control for a stand-alone LVDC microgrid for rural electrification. Sustain. Energy Grids Netw. 2022, 32, 100777. [Google Scholar] [CrossRef]
  4. Byeon, G.; Yoon, H.L.T.; Jang, G.; Chae, W.; Kim, J. A research on the characteristics of fault current of DC distribution system and AC distribution system. In Proceedings of the IEEE International Conference on Power Electronics—ECCE Asia, Jeju, Republic of Korea, 30 May–1 June 2011. [Google Scholar]
  5. Kaipia, T.; Salonen, P.; Lassila, J.; Partanen, J. Possibilities of the low voltage DC distribution systems. In Proceedings of the Nordic Distribution and Asset Management Conference (NORDAC 2006), Stockholm, Sweden, 21–22 August 2006. [Google Scholar]
  6. Goldšteins, L.; Dzenis, M.G.; Šints, V.; Valdmanis, R.; Zaķe, M.; Arshanitsa, A. Microwave Pre-Treatment and Blending of Biomass Pellets for Sustainable Use of Local Energy Resources in Energy Production. Energies 2022, 15, 3347. [Google Scholar] [CrossRef]
  7. Azaioud, H.; Claeys, R.; Knockaert, J.; Vandevelde, L.; Desmet, J. A Low-Voltage DC Backbone with Aggregated RES and BESS: Benefits Compared to a Traditional Low-Voltage AC System. Energies 2021, 14, 1420. [Google Scholar] [CrossRef]
  8. Salonen, P.; Kaipia, T.; Nuutinen, P.; Peltoniemi, P.; Partanen, J. An LVDC distribution system concept. In Proceedings of the Nordic Workshop on Power and Industrial Electronics, Espoo, Finland, 9–11 June 2008. [Google Scholar]
  9. Nilsson, D.; Sannino, A. Efficiency analysis of low and medium voltage DC distribution systems. In Proceedings of the IEEE Power Engineering Society General Meeting, Denver, CO, USA, 6–10 June 2004. [Google Scholar]
  10. Sannino, A.; Postiglione, G.; Bollen, M. Feasibility of a DC network for commercial facilities. IEEE Trans. Ind. Appl. 2003, 39, 1499–1507. [Google Scholar] [CrossRef]
  11. Salonen, P.; Kaipia, T.; Nuutinen, P.; Peltoniemi, P.; Partanen, J. Fault Analysis of LVDC Distribution System. In Proceedings of the International World Energy System Conference, Lasi, Romania, 30 June–2 July 2008. [Google Scholar]
  12. Brenna, M.; Tironi, E.; Ubezio, G. Proposal of a local DC distribution network with distributed energy resources. In Proceedings of the IEEE International Conference on Harmonics and Quality of Power, New York, NY, USA, 12–15 September 2004. [Google Scholar]
  13. Nilsson, D. DC Distribution Systems. Ph.D. Thesis, Chalmers University of Technology, Gotenborg, Sweden, 2005. [Google Scholar]
  14. Bucolo, M.; Buscarino, A.; Famoso, C.; Fortuna, L. Chaos Addresses Energy in Networks of Electrical Oscillators. IEEE Access 2021, 9, 153258–153265. [Google Scholar] [CrossRef]
  15. REF-DC. Program for the Development of Rural Electrification of Electricité du Cambodge (EDC) through Department of Rural Electrification Fund (REF); REF Department, Electricité du Cambodge: Phnom Penh, Cambodia, 2017. [Google Scholar]
  16. Dwijasish, D.; Hrishikesan, V.M.; Chandan, K. Smart transformer-based hybrid lvac and lvdc interconnected microgrid. In Proceedings of the IEEE 4th Southern Power Electronics Conference (SPEC), Singapore, 10–13 December 2018. [Google Scholar]
  17. Tikhonov, P.; Morenko, K.; Sychov, A.; Bolshev, V.; Sokolov, A.; Smirnov, A. LED Lighting Agrosystem with Parallel Power Supply from Photovoltaic Modules and a Power Grid. Agriculture 2022, 12, 1215. [Google Scholar] [CrossRef]
  18. Rao, S.K.; Chauhan, P.J.; Panda, S.K.; Wilson, G.; Liu, X.; Gupta, A.K. An exercise to qualify LVAC and LVDC power system architectures for a platform supply vessel. In Proceedings of the 2016 IEEE Transportation Electrification Conference and Expo, Asia-Pacific (ITEC Asia-Pacific), Busan, Republic of Korea, 1–4 June 2016. [Google Scholar]
  19. Chul-Ho, N.; Chul-Hwan, K.; Gi-Hyeon, G.; Omer, K.; Saeed Zaman, J. Development of protective schemes for hybrid AC/DC low-voltage distribution system. Int. J. Electr. Power Energy Syst. 2019, 105, 521–528. [Google Scholar]
  20. Zribi, M.; Alrifai, M.; Rayan, M. Sliding mode control of a variable-speed wind energy conversion system using a squirrel cage induction generator. Energies 2017, 10, 604. [Google Scholar] [CrossRef]
  21. Gianto, R.; Elbani, A. Modeling of SCIG-Based Variable Speed Wind Turbine in Power Factor Control Mode for Load Flow Analysis. Eur. J. Electr. Eng. Comput. Sci. 2021, 5, 43–48. [Google Scholar] [CrossRef]
  22. Abdel-Karim, N.; Ilic, M.; Small, M. Modeling wind speed for power system applications. In Wind Farm-Impact in Power System and Alternatives to Improve the Integration; IntechOpen: London, UK, 2011. [Google Scholar]
  23. Alrifai, M.; Zribi, M.; Rayan, M. Feedback Linearization Controller for a Wind Energy Power System. Energies 2016, 9, 771. [Google Scholar] [CrossRef]
  24. Dhouib, B.; Alaas, Z.; Kahouli, O.; Haj Abdallah, H. Determination of optimal location of FACTS device to improve integration rate of wind energy in presence of MBPSS regulator. IET Renew. Power Gener. 2020, 14, 3526–3540. [Google Scholar] [CrossRef]
  25. Fortuna, L.; Buscarino, A. Nonlinear Technologies in Advanced Power Systems: Analysis and Control. Energies 2022, 15, 5167. [Google Scholar] [CrossRef]
  26. Mehdi, A.; Boulahia, A.; Medouce, H.; Benalla, H. Induction generator using AC/DC/AC PWM converters and its application to the wind-energy systems. In Proceedings of the Eurocon 2013, Zagreb, Croatia, 1–4 July 2013; pp. 1038–1043. [Google Scholar]
  27. Junyent-Ferré, A.; Gomis-Bellmunt, O. Wind turbine generation systems modeling for integration in power systems. In Handbook of Renewable Energy Technology; World Scientific Publishing: Singapore, 2011; pp. 53–68. [Google Scholar]
  28. Huang, M.; Peng, Y.; Chi, K.T.; Liu, Y.; Sun, J.; Zha, X. Bifurcation and large-signal stability analysis of three-phase voltage source converter under grid voltage dips. IEEE Trans. Power Electron. 2017, 32, 8868–8879. [Google Scholar] [CrossRef]
  29. Motahhir, S.; El Ghzizal, A.; Sebti, S.; Derouich, A. MIL and SIL and PIL tests for MPPT algorithm. Cogent Eng. 2017, 4, 1378475. [Google Scholar] [CrossRef]
  30. Kumari, J.S.; Babu, D.C.S.; Babu, A.K. Design and analysis of P&O and IP&O MPPT techniques for photovoltaic system. Int. J. Mod. Eng. Res. 2012, 2, 2174–2180. [Google Scholar]
  31. Salman, S.; Ai, X.; Wu, Z. Design of a P-&-O algorithm based MPPT charge controller for a stand-alone 200W PV system. Prot. Control. Mod. Power Syst. 2018, 3, 1–8. [Google Scholar]
  32. Omar, N.; Monem, M.A.; Firouz, Y.; Salminen, J.; Smekens, J.; Hegazy, O.; Van Mierlo, J. Lithium iron phosphate based battery–Assessment of the aging parameters and development of cycle life model. Appl. Energy 2014, 113, 1575–1585. [Google Scholar] [CrossRef]
  33. Thomas, K.E.; Newman, J.; Darling, R.M. Mathematical modeling of lithium batteries. In Advances in Lithium-Ion Batteries; Springer: Boston, MA, USA, 2002; pp. 345–392. [Google Scholar]
  34. Mirzaei, A.; Forooghi, M.; Ghadimi, A.A.; Abolmasoumi, A.H.; Riahi, M.R. Design and construction of a charge controller for stand-alone PV/battery hybrid system by using a new control strategy and power management. Sol. Energy 2017, 149, 132–144. [Google Scholar] [CrossRef]
  35. Kundur, P. Power System Stability and Control; McGraw-Hill: New York, NY, USA, 1994. [Google Scholar]
  36. Safdarian, A.; Firuzabad, M.F.; Aminifar, F. A novel efficient model for the power flow analysis of power systems. Turk. J. Electr. Eng. Comput. Sci. 2015, 23, 52–66. [Google Scholar] [CrossRef]
  37. Katar, C.; Uzunoğlu, C.P. A comparative study on AC/DC analysis of an operational low voltage distribution system. Int. J. Appl. Power Eng. 2021, 10, 193–206. [Google Scholar] [CrossRef]
Figure 1. A multizone architecture zone design.
Figure 1. A multizone architecture zone design.
Applsci 13 00808 g001
Figure 2. Wind turbine with the SCIG system.
Figure 2. Wind turbine with the SCIG system.
Applsci 13 00808 g002
Figure 3. Back-to-back converter for IGBT voltage source converter.
Figure 3. Back-to-back converter for IGBT voltage source converter.
Applsci 13 00808 g003
Figure 4. PV–ESS configuration.
Figure 4. PV–ESS configuration.
Applsci 13 00808 g004
Figure 5. PV array model.
Figure 5. PV array model.
Applsci 13 00808 g005
Figure 6. Boost converter scheme.
Figure 6. Boost converter scheme.
Applsci 13 00808 g006
Figure 7. Flowchart of the P&O algorithm.
Figure 7. Flowchart of the P&O algorithm.
Applsci 13 00808 g007
Figure 8. PID battery controller.
Figure 8. PID battery controller.
Applsci 13 00808 g008
Figure 9. π equivalent circuit of the transmission line.
Figure 9. π equivalent circuit of the transmission line.
Applsci 13 00808 g009
Figure 10. A two-winding transformer’s equivalent.
Figure 10. A two-winding transformer’s equivalent.
Applsci 13 00808 g010
Figure 11. Modeled representation of load.
Figure 11. Modeled representation of load.
Applsci 13 00808 g011
Figure 12. Four buses novel hybrid network test.
Figure 12. Four buses novel hybrid network test.
Applsci 13 00808 g012
Figure 13. Relevant PV generator characteristics.
Figure 13. Relevant PV generator characteristics.
Applsci 13 00808 g013
Figure 14. Relevant Li-ion current discharge characteristics.
Figure 14. Relevant Li-ion current discharge characteristics.
Applsci 13 00808 g014
Figure 15. PV generator characteristics. (a) irradiation, (b) temperature.
Figure 15. PV generator characteristics. (a) irradiation, (b) temperature.
Applsci 13 00808 g015
Figure 16. DC load voltage values in the LVDC distribution.
Figure 16. DC load voltage values in the LVDC distribution.
Applsci 13 00808 g016
Figure 17. Voltage (a) and current (b) of the HVDC distribution at DC load 3.
Figure 17. Voltage (a) and current (b) of the HVDC distribution at DC load 3.
Applsci 13 00808 g017
Figure 18. Voltage (a) and current (b) of the HVDC distribution at DC load 4.
Figure 18. Voltage (a) and current (b) of the HVDC distribution at DC load 4.
Applsci 13 00808 g018
Figure 19. Wind turbine characteristics.
Figure 19. Wind turbine characteristics.
Applsci 13 00808 g019
Figure 20. Wind speed profile.
Figure 20. Wind speed profile.
Applsci 13 00808 g020
Figure 21. AC load 1 voltage (a) and current (b) of the LVAC distribution.
Figure 21. AC load 1 voltage (a) and current (b) of the LVAC distribution.
Applsci 13 00808 g021
Figure 22. THD obtained for the AC load 1 current.
Figure 22. THD obtained for the AC load 1 current.
Applsci 13 00808 g022
Figure 23. DC load voltage values in the LVDC distribution under OCF.
Figure 23. DC load voltage values in the LVDC distribution under OCF.
Applsci 13 00808 g023
Figure 24. AC load 1 voltage (a) and current (b) values in the LVAC distribution under OCF.
Figure 24. AC load 1 voltage (a) and current (b) values in the LVAC distribution under OCF.
Applsci 13 00808 g024
Figure 25. THD obtained for the AC load 1 current under OCF.
Figure 25. THD obtained for the AC load 1 current under OCF.
Applsci 13 00808 g025
Figure 26. Fault variables.
Figure 26. Fault variables.
Applsci 13 00808 g026
Table 1. Proposed test system parameters.
Table 1. Proposed test system parameters.
System Parameters
Constant distribution line Reactance = 0.26 Ω/km
Resistance = 0.164 Ω/km
Photovoltaic generator Output power = 10.5 kW
Output voltage = 320 VDC
ESSOutput voltage = 297 VDC
Capacity = 50 AH
Wind Output power = 1.5 MW
Output voltage = 575 VAC
Table 2. LVDC voltage drops.
Table 2. LVDC voltage drops.
Home Appliances Current (A)Voltage Drops (%)
EV 10.630.187
LED lighting0.6410.281
Table 3. LVAC voltage drops.
Table 3. LVAC voltage drops.
Home Appliances Current (A)Voltage Drops (%)
Laptop 1.481.185
TV1.291.351
Disclaimer/Publisher’s Note: The statements, opinions and data contained in all publications are solely those of the individual author(s) and contributor(s) and not of MDPI and/or the editor(s). MDPI and/or the editor(s) disclaim responsibility for any injury to people or property resulting from any ideas, methods, instructions or products referred to in the content.

Share and Cite

MDPI and ACS Style

Zdiri, M.A.; Dhouib, B.; Alaas, Z.; Hadj Abdallah, H. A Low-Voltage AC, Low-Voltage DC, and High-Voltage DC Power Distribution System with Grid: Design and Analysis. Appl. Sci. 2023, 13, 808. https://doi.org/10.3390/app13020808

AMA Style

Zdiri MA, Dhouib B, Alaas Z, Hadj Abdallah H. A Low-Voltage AC, Low-Voltage DC, and High-Voltage DC Power Distribution System with Grid: Design and Analysis. Applied Sciences. 2023; 13(2):808. https://doi.org/10.3390/app13020808

Chicago/Turabian Style

Zdiri, Mohamed Ali, Bilel Dhouib, Zuhair Alaas, and Hsan Hadj Abdallah. 2023. "A Low-Voltage AC, Low-Voltage DC, and High-Voltage DC Power Distribution System with Grid: Design and Analysis" Applied Sciences 13, no. 2: 808. https://doi.org/10.3390/app13020808

APA Style

Zdiri, M. A., Dhouib, B., Alaas, Z., & Hadj Abdallah, H. (2023). A Low-Voltage AC, Low-Voltage DC, and High-Voltage DC Power Distribution System with Grid: Design and Analysis. Applied Sciences, 13(2), 808. https://doi.org/10.3390/app13020808

Note that from the first issue of 2016, this journal uses article numbers instead of page numbers. See further details here.

Article Metrics

Back to TopTop