Next Article in Journal
Anatomy of the Mental Foramen: Relationship among Different Metrical Parameters for Accurate Localization
Previous Article in Journal
Effective Human Motor Imagery Recognition via Segment Pool Based on One-Dimensional Convolutional Neural Network with Bidirectional Recurrent Attention Unit Network
 
 
Font Type:
Arial Georgia Verdana
Font Size:
Aa Aa Aa
Line Spacing:
Column Width:
Background:
Article

Analysis of the Changes in the Mechanical Properties of the 3D Printed Polymer rPET-G with Different Types of Post-Processing Treatments

Department of Technology and Automobile Transport, Faculty of AgriSciences, Mendel University in Brno, 61300 Brno, Czech Republic
*
Author to whom correspondence should be addressed.
Appl. Sci. 2023, 13(16), 9234; https://doi.org/10.3390/app13169234
Submission received: 10 July 2023 / Revised: 3 August 2023 / Accepted: 10 August 2023 / Published: 14 August 2023

Abstract

The paper deals with the actual topic of mechanical properties of 3D prints made from the polymer material rPET-G and its changes. Using this material in additive technology has great potential in the automotive industry. The research evaluates five different post-processing modifications of 3D prints from rPET-G (recycled polyethylene terephthalate-glycol) material produced by the Fused Filament Fabrication technology. The post-processing included the chemical smoothing of the samples using dichloromethane vapors and heat treatment in an annealing furnace. An epoxy resin, a synthetic coating, and a water-based coating were also applied. The standard was represented by samples without post-processing modifications, both in the form of recycled material and in the form of virgin PET-G. The texture of the samples was evaluated according to EN ISO 4287. Furthermore, the moisture absorption of the samples was evaluated using the gravimetric method according to EN ISO 62. The mechanical testing of the samples was carried out using a tensile test (EN ISO 527-2), a three-point bending test (EN ISO 178), impact strength (EN ISO 179-2), and a cupping test (EN ISO 1520). Degradation of the coatings took place using cyclic tests, which used a combination of exposure in a salt fog environment and in a climate chamber. The results of the experiments indicate that heat treatment appears to be a universal post-processing technology, as this method statistically improves not only the mechanical properties but also significantly reduces moisture absorption.

1. Introduction

Over the last two decades or so, additive manufacturing products have become an irreplaceable part not only of technical practice but also of, e.g., medicine or the food industry [1,2]. The advantage of 3D printing technology lies mainly in the possibility of creating shape-variable components. This fact also results in a high degree of freedom in the design of the product [3].
An indisputable advantage here is also the speed of component production [4]. A high degree of independence from the functionality of logistics flows is also important. This point of view plays a very important role nowadays due to component production failures on the part of suppliers or non-compliance with delivery deadlines in the just-in-time logistics system [5].
On the contrary, among the disadvantages of 3D printing can be included, in particular, the formation of cavities, which is associated with the deterioration of the mechanical properties of the products. However, the mechanical properties of 3D prints can be improved by using composite materials [6]. The use of surface treatments also leads to improvements in mechanical properties. This effect was noted in the case of the chemical smoothing of the 3D print surface, e.g., with acetone [7,8].
It is also possible to apply coating layers. The application of coatings based on, for example, organic paints, mineral oils, metal layers, resins, or silicones can be included in this category. All of the above-mentioned coatings can be applied to polymer substrates [9].
Another post-processing technology includes annealing. The method consists of three steps: heating above the temperature of the glass transition, endurance at this temperature, and gradual cooling. This process releases residual thermal stress, increasing the strength between the individual layers of the 3D-printed parts. The resulting product is, therefore, more resistant to external influences [10].
A positive effect on the mechanical properties of the material was also noted, for example, when combining a filament with a content of thermally expandable microspheres and subsequently annealing it [11]. To create the most durable part possible, the choice of 3D printing parameters is also very important. These parameters are mainly the density of the filling, the orientation of the part during the printing process, the thickness of the layer, the style of application, and the speed of extrusion of the material, as well as the diameter and temperature of the filament during printing [12,13,14].
The most frequently used degradation tests not only include UV radiation [15], but also cyclic tests involving a combination of freezing, thawing, and changes in relative humidity [16]. The test mentioned can be extended, for example, by placing the material in a salt solution [12].
In this case, the test simulates the exposure of the samples to seawater [17]. This type of degradation test is used to evaluate 3D prints not only in the engineering industry but also, for example, in the construction industry [18]. However, due to the mentioned conditions, this test can reliably simulate the working cycle of the components in winter (snow slush with road salt, frost at night, icing during the day).
The essence of the test is the penetration of the salt solution into the cavities (pores) in the surface of the material (at temperatures above the freezing point) and the subsequent initialization of the formation of microcracks. This phenomenon occurs when the samples are frozen as a result of the increase in volume of ice, which loads the walls of the cavity until cracks appear.
When temperatures rise above freezing, these cracks lead to an increase in brine absorption, which initiates the formation of a network of additional microcracks that later function as individual cavities. If the temperatures drop below freezing again, the formed ice again weighs down the walls of the new cavity, and the degradation cycle continues like this again.
In addition, the expansion of ice in emerging cracks reduces the tensile strength of the material and increases its brittleness [17,19,20]. Furthermore, it has been shown that the diffusion of NaCl molecules increases the overall water absorption, which causes swelling of the material and, therefore, an increase in internal stress [21]. In addition, absorbed water can lower the glass transition temperature of the material, which has a negative effect on the temperature range in which the component is capable of safe operation [16].
Other research carried out so far also points to a serious deterioration in mechanical properties after exposure to a salt solution. The obtained results show that when the material is exposed to alternating freezing and thawing, not only do the already mentioned physical changes occur but also chemical changes, namely at the interface of the individual layers [22].
As a typical chemical change (degradation) of polymeric materials, hydrolysis in an aqueous environment can be specifically named [21,23,24]. Thus, the process of cyclic freezing and thawing can significantly weaken the internal structure of the material and cause it to fail even without external loading. Thus, the behavior of these materials is difficult to predict because the extent of the internal damage cannot be easily assessed [12].
There has been the assumption that the post-processing modifications should either stop the degradation or even prevent it at all. It is the implementation of post-processing adjustments that should slow down the degradation of the material or, ideally, prevent it completely. Post-processing generally includes all the operations that are performed after the parts are removed from the 3D printer.
These operations can be divided into two categories: primary and secondary processes. Primary processes include the necessary steps that must be performed on all 3D printed parts to make them suitable for use in any particular application (e.g., the removal of supports or cleaning). Secondary post-processing then includes optional finishing operations that improve the properties or aesthetics of the products [9].
However, there is a question of whether the secondary operations are effective enough. The goal of the processed test was to analyze the change in mechanical properties of 3D prints made from the polymer material rPET-G protected by secondary post-processing operations. In the event that this assumption is confirmed, this would mean the indisputable advantage of lowering production plastic as a direct result of the higher service life of the individual parts.
The first part of the paper contains a detailed description of post-processing operations as well as a definition of conditions for degradation testing. The second part covers mechanical tests and their evaluation.
The application of coatings appears to be a suitable technology, as this procedure creates a barrier that protects the base material from contact with the surrounding medium [25]. A typical example from the field of engineering, where the temperatures alternate above and below the freezing point as well as have contact with a salt solution, are components used in the automotive industry (on the exterior of a car). The so-called body rivets can be mentioned as a specific component. Over time, several different types of these rivets have been introduced into serial production, which can cause a problem with the availability of spare parts, especially for older cars.
The 3D printing technology, therefore, represents a suitable alternative to production. In addition, the use of recycled PET-G (polyethylene terephthalate-glycol) is more environmentally friendly than the production of so-called primary plastics. Polyethylene terephthalate (PET) is one of the most widely used thermoplastics worldwide, but for Fused Filament Fabrication (FFF) processes, glycol-modified PET (abbreviated PET-G) is preferred due to its excellent formability at higher temperatures, its higher adhesion to the individual print layers, and its relatively low price.
The aforementioned properties positioned this material as a competitive alternative to other traditional polymers such as polylactic acid (PLA) or acrylonitrile butadiene styrene (ABS), which subsequently created space for 3D printing from recycled PET-G [26]. Recycled PET represents a really big potential for the future, as, for example, primary PET covers 22.5% of the global plastic packaging market. After low-density polyethylene (LDPE), it is, therefore, the second most used polymer in the field of packaging applications [27].
In Europe, PET materials are also the most recycled polymers currently. The reason for searching for new possibilities for using recycled plastics is also the fact that the volume of plastic production is expected to double by 2050 compared with today’s level [28].

2. Materials and Methods

The experiment is divided into three main parts. Secondary post-processing adjustments were first performed on the 3D-printed samples, which were associated with the evaluation of the surface texture.
The first phase was also associated with determining the weight of the samples, which was the basis for the evaluation of the moisture absorption. In the second phase, mechanical testing of the samples was carried out before the degradation test. This procedure was used to determine the initial mechanical properties of the material.
In the third part, the samples were subjected to a cyclic test involving a combination of exposure in a salt fog environment and freezing and thawing. After 60 days, this cyclical test was terminated.
Subsequently, a visual assessment and mechanical testing of the degraded samples were carried out. This final phase was again accompanied by the weighing of the samples. The procedure mentioned made it possible to assess the correlation between the amount of absorbed moisture in the sample and any change in the mechanical properties of the material.

2.1. Sample Production

Test samples were manufactured using FFF (Fused Filament Fabrication) technology. The samples were modeled using Autodesk Fusion 360 CAD software, version 2.0.16490 (San Rafael, CA, USA). The 3D printing parameters were then defined in the PrusaSlicer 2.3.0 software (Prague, Czech Republic).
The filament material was recycled polyethylene terephthalate-glycol (rPET-G), and original (virgin) polyethylene terephthalate-glycol (PET-G) was chosen as the standard. The diameter of the printing string (filament) was 1.75 ± 0.05 mm in both cases. For both materials, the temperature of the printing pad was 90 ± 5 °C and the temperature of the brass nozzle was 240 ± 5 °C. The diameter of the nozzle was 0.4 mm, and the height of one printing layer was 0.2 mm.
The fill density was set to 100%, and the number of perimeters was 2. The print direction of the fill was always 0°. This angle value leads to the best mechanical properties of the 3D prints. A total of 40 samples of PET-G material (standard) were produced (10× tensile tests, 10× three-point bending tests, 10× impact strength tests, and 10× indentation tests). A total of 240 rPET-G samples were produced (60× tensile tests, 60× three-point bending tests, 60× impact strength tests, and 60× indentation tests). Therefore, each sub-series of testing always contained 5 measured values within one set.
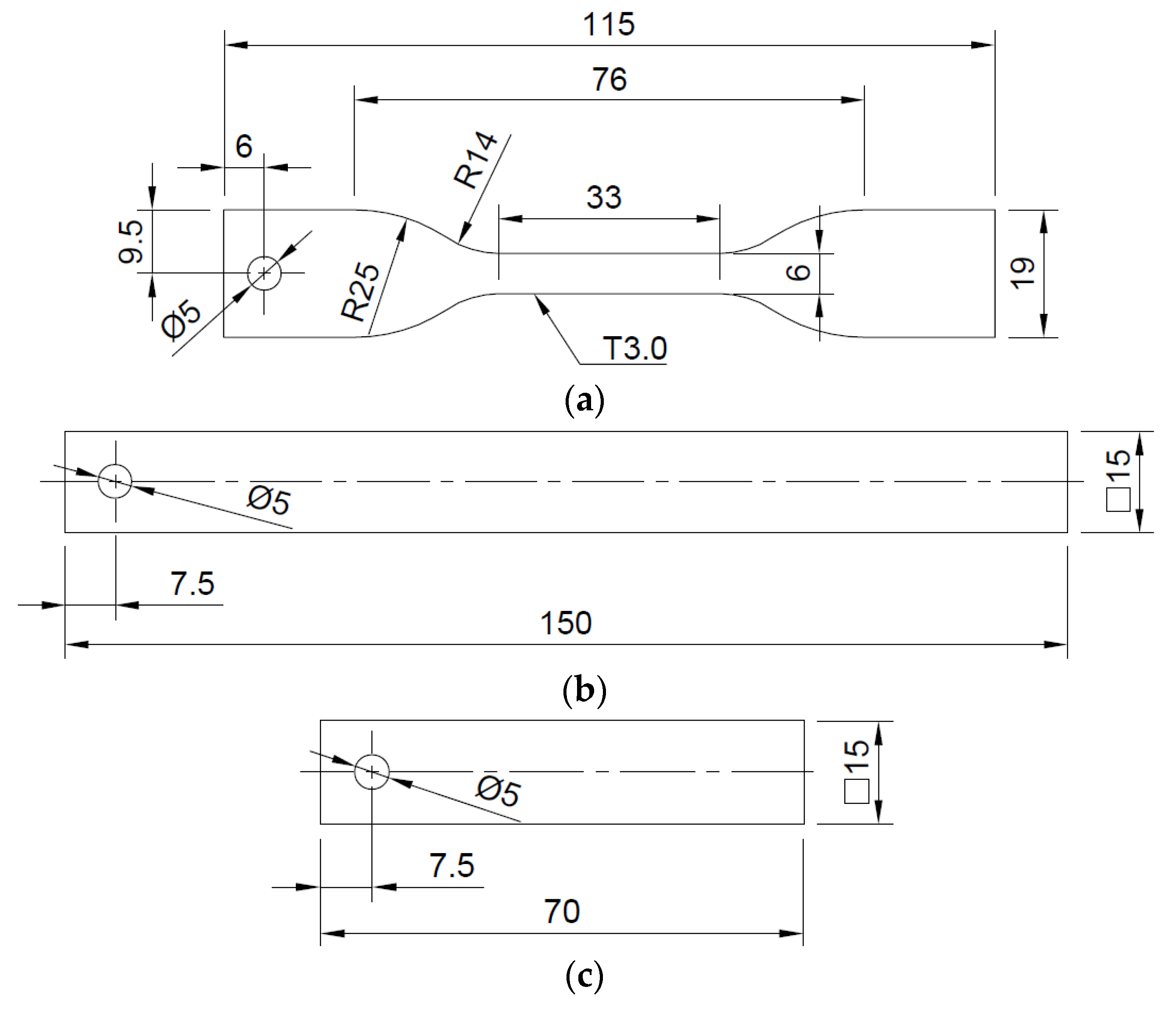
The dimensions of the mentioned four types of test samples are clear from Figure 1; the same figure also depicts original 3D printer Prusa i3 MK3S+ (Prague, Czech Republic).

2.2. Sample Post-Processing

The post-processing included a total of five different technologies. The primary goal of these modifications is to slow down the degradation of the test samples by eliminating the moisture absorption of the final product. The first technology was so-called chemical smoothing using dichloromethane vapors (declared concentration min. 99%). For this purpose, a glass container with a volume of 5 l was used, which was closed with a cover glass (only by its own weight).
To prevent contact of the samples with the liquid dichloromethane, the samples were suspended in the container using a glass rod. The volume of dichloromethane in the container was 0.5 l. The smoothing process took place by placing the container on the printing pad of the 3D printer at a temperature of 60 ± 5 °C for 18 min (for all sample types).
After that, the samples were transferred to a closed curing box with a temperature of approximately 20 °C and a relative humidity of approximately 50% for 3 days. The possibilities of using dichloromethane and other solvents are listed, for example, in the publication [10].
The samples were then heat treated in an annealing furnace at a temperature of 85 ± 5 °C. To ensure the uniform heating, temperature resistance, and cooling of the samples, they were stored in finely ground limestone (grain size 5–10 µm) in a stainless-steel tub. About 1 kg of limestone was used. The samples were always heated to an ambient temperature of 20 °C.
The heating time to the annealing temperature was 50 min in the case of the samples for the tensile test and for the cupping test. The heating time of the samples for the impact strength test was set at 75 min, and in the case of the samples for the three-point bending test, it was set at 110 min. The duration at the annealing temperature was uniform at 60 min.
After that, the stainless-steel tub with the samples was removed and left to cool down in the surrounding environment. The indicated annealing time and cooling method are also recommended in the publication [29]. The samples were cleaned of any adhering limestone using compressed air.
The mentioned time intervals were practically verified in advance, and it was found that they are sufficient for the homogenization of the material in the entire cross-section of the samples. These two technologies, chemical cooling and annealing, represented post-processing without the additional application of coatings (“coatless” technology).
The other three methods were already focused on the application of coating layers. The third method was specifically the application of a two-component epoxy resin in one layer (with the business name Efkoresin ART UV 100).
Due to the nature of epoxy resins, a manual application was chosen using a short-bristled brush. To reduce the viscosity, the resin formulation was printed on the printing pad of a 3D printer at a temperature of 40 °C. At this temperature, it was also applied to samples whose temperatures were 20 °C. The mixing ratio was 100 wt. of resin and 30 wt. of hardener.
After application, the samples were moved to a closed curing box for 3 days (conditions identical to those after the chemical smoothing). The epoxy resin mentioned is certified for direct contact with food. The samples treated in this way are therefore harmless to one’s health.
In the European Economic Area, this issue is specifically dealt with by Regulation No. 10/2011 on plastic materials and articles intended for contact with food [30]. The last two technologies included the application of a synthetic or water-based coating. The synthetic coating consisted of three layers (1× base coat and 2× top coats). During the application of the primer and the first layer of the top coat, a very low viscosity was chosen in order to ensure the conditions for penetration into the pores in the test samples.
The second layer already had a standard viscosity for which coating materials are normally formulated [31]. The procedure for applying the second layer, therefore, placed an emphasis on achieving the required thickness of the barrier protection.
Basic synthetic as well as the top paint system have been purchased in the common EU distribution network. Non-volatile substances formed 55wt%, and heavy-emission organic substances were in the range of 0.36–0.45 kg/kg. This standard coating was supplemented by 10wt% of lameral Zinc. Even though this amount does not change the mechanical properties of the coating, according to the previous tests, it prolongs the service life of the coating.
The water-based coating was intended for direct application to plastic products (“2 in 1”), so the primer was omitted. The water-based coating was applied in 3 layers. When applying the first layer, the viscosity was again very low, which was intended to simulate the conditions during the application of a synthetic base coat.
Water-based paint systems can be considered ecological. The reason for this is the elimination of VOC, which was 0.07–0.08 kg/kg. The disadvantage of water-based anticorrosion systems is their tendency to form pores and cavities in the applied coating. This tendency can be partly eliminated by zinc (Zn3(PO4)2), which supports castability and is intoxicating. There has been an addition of 10wt%.
The dynamic viscosity of both the coatings and the epoxy resin was verified using an AMETEK Brookfield DV2T rotary viscometer (Middleborough, MA, USA) with a standardized SC4-27 spindle. The diameter of this spindle was 11.7 mm, and the inner diameter of the steel measuring cuvette was 19.0 mm. The shear strain rate was set to a constant value of 5.0 s−1. The coating materials were measured at a temperature of 20 °C, and the epoxy resin was measured at a temperature of 40 °C.
The S 6006 thinner was used to dilute the synthetic coating. Demineralized water was used in the case of the water-soluble coating. The coatings were applied by immersing the samples in the coating at an ambient temperature of 20–22 °C and a relative humidity of 45–60%. The immersion time of the entire sample was 20 ± 2 s, while the entire process of applying the coating to one sample always lasted approximately 30 s.
By immersing the sample in the coating, the coating application was also achieved in the hole intended for its suspension. This procedure, therefore, significantly eliminated the possibility of unwanted penetration of moisture into the core of the sample due to its structural deficiency. The interval between the applications of individual layers was 48 h. After the final coating layers were applied, a time interval of 3 days was left for them to dry or cure completely.
The measurement of the thickness of the coatings (epoxy and coatings) was carried out non-destructively using an ultrasonic probe, which makes it possible to measure evenly on non-metallic substrates. The sixth set (rPET-G) and the seventh set (PET-G) of the samples were represented by the standards without post-processing adjustments. The measured values of the dynamic viscosities of the individual coatings (averages of 20 values) and the measured thickness ranges of the created barriers are shown in Table 1.

2.3. Evaluation of the Surface Texture of the Samples and Their Initial Weight

Table 2 shows the measured values of the roughness parameters Ra (average arithmetic deviation of the assessed roughness profile) and Rz (the largest height of the roughness profile) depending on the type of post-processing. The roughness was measured 30 times in each set with a Mitutoyo SURFTEST SJ-201 touch profilometer (Kawasaki, Japan).
The roughness profile was filtered according to the EN ISO 4287 standard with a sampling length of λc 2.5 mm, a number of sampling lengths of 5, a Gauss filter, and an evaluation length of ln 12.5 mm [32]. The measurement of the listed roughness parameters was always carried out perpendicular to the printing direction of the material.
Table 2 is also supplemented with the starting weight of the samples, determined before the initial exposure to the salt fog environment. In order to ensure the highest possible measurement accuracy, only samples intended for determining the bending strength were selected for the gravimetric method of assessing the moisture absorption. The reason is due to their largest dimensions, as the measurement could be burdened with a significantly larger error for the remaining three types of samples.
The resulting average weight was determined by weighing 5 samples. The remaining 5 samples, which deviated the most from the others in terms of weight, were mechanically tested (see below) before the initial exposure to the salt fog environment. This procedure significantly eliminated the error in the measurement of the moisture absorption of the samples, which was carried out according to EN ISO 62 [33].
The weight of the samples was determined using a digital scale with an accuracy of 0.01 g. Before the first series of weighing, the samples were kept for 5 days at an ambient temperature of 20–22 °C and relative humidity 45–50%. The measurement of moisture absorption is described in more detail in the following subsection.
It is clear from Table 2 that the highest roughness values were measured in the case of samples without any applied post-processing. In this case, the largest dispersion of the measured values was also recorded. This is due to the different roughness of the individual walls of the sample. In the case of the rPET-G standard, for example, the following roughness was found: Upper part (final print layer) Ra = 5.89 ± 0.70 µm, Rz = 39.85 ± 5.06 µm; side walls of the samples Ra = 15.77 ± 1.02 µm, Rz = 83.91 ± 6.23 µm; bottom wall that adjoins the printing pad Ra = 10.97 ± 0.87 µm, Rz = 63.22 ± 5.19 µm. The value shown in Table 2 is then calculated from all these measured parameters.
A statistically lower roughness was then proven in the case of the heat treatment. However, the resulting roughness is rather close to the parameters measured on the standard. For this reason, it is clearly the least suitable technology for smoothing the surface. However, this fact indicates that the material’s glass transition temperature (Tg) has been exceeded, which is a must for this type of post-processing.
The minimal deformation of the samples further indicates not only the optimal annealing temperature but also the appropriate exposure time in the annealing furnace [34]. Furthermore, it can be stated that, statistically, almost identical values were achieved by the chemical smoothing and application of synthetic and water-based coatings. However, slightly lower values of the Ra or Rz parameters were achieved by the chemical smoothing. This fact is caused by the etching of the surface of the samples, which leads to their leveling.
The statistically lowest values were then achieved by applying the epoxy resin, which is due to its excellent self-leveling ability. In contrast, however, the disadvantage here is the low toughness and its susceptibility to crack formation [35]. The appearance of the individual samples after the implementation of the relevant post-processing adjustments is evident from Figure 2. Photographic documentation was made on a binocular microscope produced by the company Meopta (Přerov, Czech Republic) in combination with a Canon EOS 1100D (Tokio, Japan).
Due to the resulting roughness parameters (samples without post-processing treatments), a satisfactory degree of adhesion of the applied coatings to the substrate can be predicted. An experiment published in [36] proved that when the Ra parameter exceeds the value of about 2 µm, there is almost no increase in the coating adhesion.
However, it must be added that the resulting adhesion also depends on the level of chemical bonding between the substrate and the coating [37]. However, by choosing high-quality types of coatings and the technology of their application, both of these conditions should be met. However, the elasticity of the mature coating also makes a significant contribution to the result [38]. The reason is shown in the cyclical temperature tests that verify the ability of the coating to adapt to the thermal expansion of the substrate.
By determining the weight of the samples, statistically comparable values were found between the standards, the samples treated with dichloromethane, and heat-treated samples. Especially in the case of chemical smoothing, there was no loss of material due to etching but only a leveling of the surface.
In the case of the annealed samples, their weight mainly confirms the perfect cleaning of the surface from any adhering limestone. The increase in weight for the remaining samples is then given by the sum of the weights of the base material and the coating. Samples treated with epoxy resin reach the highest weights, which is due to a higher coating layer.

2.4. Definition of the Degradation Testing Conditions

One degradation cycle lasted 24 h, and 60 cycles were performed. Organic coatings are tested for 30 days as a standard. In these cases, however, the coating is applied, for example, to an inorganic zinc coating or directly to a steel substrate [38,39,40].
However, immediately after the perforation of the protective coating on the zinc or steel substrate, corrosion products are formed. These corrosion products increase in volume, resulting in blistering and the subsequent delamination of the coating. However, this type of degradation mechanism is excluded in the case of the tested polymer materials. For this reason, the degradation cycle was extended to double the normal standard. The experiment began in a salt fog environment, a Liebisch corrosion chamber, type S400M-TR (Bielefeld, Germany), was used for this purpose. The suspension of the samples was carried out on silicone rods with the help of a silicone line.
Test parameters:
  • Temperature in the salt fog environment: 20 ± 2 °C;
  • Concentration of the sodium chloride solution in distilled water: 50 ± 5 g∙L−1;
  • pH value of the sodium chloride solution: 6.5–7.2 (at a temperature of 20 ± 2 °C);
  • Air pressure supplied to the spray nozzles: 120 kPa;
  • Constant 100% relative humidity (continuous spraying of salt solution);
  • Exposure time: 10 h.
The exposure in the salt fog was followed by a transfer for 14 h to the climatic chamber (ClimeEvent 2, Reiskirchen, Germany—With a volume of approximately 400 L). Here, 10% relative humidity (the lowest possible) was chosen. A degradation cycle based on alternating temperatures above the freezing point, accompanied by high relative humidity, and temperatures below the freezing point, associated with low relative humidity, is also presented, for example, in the publication [16].
Due to the elimination of sudden changes in temperature or in order to simulate real natural conditions, the samples were placed in the climatic chamber at a temperature of 5 ± 1 °C. After that, there was a smooth (linear) cooling below the freezing point to a temperature of −20 ± 1 °C, which lasted approximately 4 h on average.
Exposure of the samples at this temperature lasted another 6 h. Next, there was a smooth (linear) increase in temperature, namely to the original 5 ± 1 °C (duration of approximately 4 h again). This was followed by moving the samples back into the salt fog environment (constant temperature 20 ± 2 °C).
Without this continuous cooling/thawing, there would be a risk of the protective coatings shrinking/expanding too quickly, while in the case of the polymer substrate, the temperature would still be very close to the previous environment. This thermal shock would probably cause delamination of the coatings, but it would occur under unrealistic natural conditions, which are not the subject of this experiment. The mentioned time intervals also correspond with the degradation cycle mentioned in the publication [17]. Due to the simulation of the degradation of fasteners used on the car chassis, the degradation of samples by UV radiation will not be part of the experiment.

2.5. Evaluation of Moisture Absorption

After 60 cycles of degradation testing, the samples were last moved to a salt fog environment for 4 h. This procedure was chosen due to the melting of the ice before the determination of moisture absorption (according to EN ISO 62). Due to the different dimensions, or weight, not only the absolute but also the relative weight increase of the individual types of test samples was determined, as in the publication [21].
The relative weight gain Mt (%) is expressed as a proportion of the absolute weight gain, which is given by the difference between the weights of the samples (Wt (g)—after the test and W0 (g)—before the test) and the weight of the sample before the test, W0 (g):
Mt = ((Wt − W0)/W0) · 100 (%)
It is important to note that the total moisture absorption of the samples is composed of the absorption of the material itself, the absorption given by the porosity of the samples, and also the absorption of any protective coating. The above-mentioned procedure is used to evaluate the overall absorption and cannot be used to determine the individual partial absorption values.
The result is also influenced by the amount of solution adhering to the surface of the samples. For this very reason, the samples (after being removed from the salt fog environment) were suspended for 10 min at a temperature of 20 °C and a relative humidity of 50%. The weight determination followed immediately afterwards. This procedure made it possible to obtain more accurate data on the actual proportion of absorbed moisture in the pores of the material.
In the case of porous-coated 3D prints, the determination of moisture absorption should also reliably detect the perforation of the protective barrier. The reason is the filling of the cavities in the sample with the salt solution, which should cause a significant increase in the weight of the given set of samples.
However, this phenomenon can be affected by the potential filling of surface cavities (pores) with a coating or the tortuosity of the coating. The absorption of moisture into the base material can be influenced to a certain extent by optimizing the application viscosity of the coating, as a coating with a higher viscosity creates a thicker barrier but also has poor penetration into the pores in the substrate. On the contrary, too low viscosity means excellent convergence but also too thin a resulting barrier [41].

2.6. Mechanical Testing

The first series of measurements took place before the start of degradation testing, which established the initial mechanical properties of the material. The second series of measurements took place after the aforementioned 60 cycles of the degradation test. Since the actual degree of permanent degradation of the samples must only be determined after desorption of all the solution [17,42], the test samples were first suspended for 5 days at an ambient temperature of 20 ± 1 °C and relative humidity of 50 ± 5%. The indicated time interval was verified by re-achieving the starting weight of the samples (Table 2). The thickness of the coatings was neglected in the evaluation of the measured data.
First, the tensile strength was measured according to EN ISO 527-2 [43]. The maximum force achieved when loading the sample with tension was always recorded.
Furthermore, a three-point bending test was performed according to EN ISO 178 [44]. The orientation of the samples in this case was the same as the orientation of the samples during 3D printing. A pair of lower cylindrical contacts was placed at a distance of 100 mm, while the bending force acted exactly in the axis of the testing machine, i.e., the upper cylindrical contact loaded the sample with a force acting on the identical arms of 50 mm. The maximum force achieved when loading the sample by bending was always recorded.
These two measurements were carried out on a ZDM 5/51 universal testing machine. The loading speed of the samples was 5 mm∙min−1 in both cases. The same loading speed was also tested in the publication [45].
Furthermore, the impact strength of the material was determined according to EN ISO 179-2 [46]. In this case, the samples were oriented so that the Charpy hammer (Instron Ceast 9050; Norwood, MA, USA) came into contact with the upper part. The samples were therefore rotated 90° about the longitudinal axis to the desired position during 3D printing. The value of the potential energy of the hammer was 50 J.
In the final phase, a cupping test was carried out in accordance with EN ISO 1520 [47], using a TQC Sheen CP 4400 Cupping Tester (Hadley, MA, USA). The diameter of the punch with a ball end was 20 mm, while the maximum value of the cupping of the material was up to 15 mm. This test determines the ability of the coating, or of the substrate itself, to deform plastically during forming by cupping. The later the sample breaks, the higher the plasticity of the coating, or substrate.
In the case of the indentation test, the evaluation criterion was determined based on the appearance of a crack in the coating or in the base material. The test sample was always inserted into the device parallel to the direction of laying the printing layers (longitudinally) in such a way that the punch loaded the sample from the side that was in contact with the printing pad.

3. Results and Discussion

This chapter is divided into five parts, with the first part focusing on the evaluation of the moisture absorption of the samples. The next four parts are devoted to the results of the individual mechanical tests.

3.1. Moisture Absorption of the Samples

The initial weights of the samples and the respective tolerances are shown in Table 2. Table 3 then expresses the average absolute increase in weight of the individual sets of samples after 60 days of testing, including the basic descriptive statistics. The average relative weight gain was also determined. Weight losses due to delamination of the coatings were neglected, as this phenomenon only occurred to a limited extent and, moreover, until the end of the degradation testing. Furthermore, as can be seen from Table 2, the weight of the coating is negligible compared with the weight of the sample.
On the basis of the measurements carried out, it can be stated that any of the mentioned forms of secondary post-processing reduces the absorption of the moisture in the samples, thus ultimately helping to extend their service life. It is clear from the above results that it is most suitable to implement post-processing in the form of a coating application, namely a synthetic coating or epoxy resin. From the point of view of the unsuitable mechanical properties of the epoxy layer [35], however, a synthetic coating clearly appears to be a more universal coating.
The significantly higher value of moisture absorption in the case of the water-based coating is due to its delamination in the final phase of testing. This phenomenon was visually detected after approximately 50 cycles. Premature delamination of the coating can be justified by the application of the so-called self-priming coating (“2 in 1”) since the absence of a primer generally leads to lower adhesion of the created barrier [39]. Furthermore, it is a deficiency in the form of the formation of pores and cracks during their application. This statement was also proven in Figure 2f.
However, the aforementioned deficiency can be partially eliminated by applying a larger number of thinner coatings, since it has been found that coatings composed of several layers are more durable than a single coating of the same thickness. Also, for ecological reasons, it is advisable to use water-based coating materials [48,49,50].
It can also be stated that, from a longer-term point of view, it is more advantageous to perform heat treatment of the component than chemical smoothing. The reason is the homogeneous cross-section of the annealed part. The chemically smoothed sample has mechanical properties at its core, or shortcomings, comparable to the benchmark. For this reason, immediately after perforation of the smoothed surface, the component degrades at a similar rate.
In the case of chemical smoothing, higher moisture absorption can be caused by insufficient smoothing of surface pores. The salt solution begins to penetrate through these defects to the undersurface layers shortly after the beginning of degradation testing (compared with the other technologies of post-processing), which results in increased moisture absorbtion.
On the other hand, a high-quality heat-treated part shows significantly better resistance, as the sintering of the individual print layers leads to the homogenization of the entire cross-section of the part, which significantly reduces the formation of new cracks. The publication [51] defines this phenomenon as an increase in interfacial bonding between print layers due to the application of heat. In the case of these non-coated technologies, resistance to moisture absorption can be further increased, for example, by applying a hydrophobic coating. An ecological variant can be mentioned, for example, treating the surface with vegetable oil [52].

3.2. Measurement of the Tensile Strength

Table 4 and Figure 3 express the results of the tensile test. The graphical dependence of the tensile strength on the type of post-processing is additionally supplemented by the average relative weight gain caused by the moisture absorption. All static tests were carried out on a ZDM 5/51 universal testing machine.
The tensile strength, or general mechanical properties, need to be evaluated on two levels. First of all, it is a comparison of the recycled material and the primary material (without post-processing). In this regard, the initial PET-G polymer can be characterized as more advantageous due to its higher tensile strength (before and after the degradation test). Statistically, however, this is a difference of approximately 4%, which is a very small value. For reasons of ecology, the recycled material can therefore be clearly recommended, and any requirement for higher strength can be compensated for, for example, by increasing the critical cross-section of the given component.
The authors [45] also dealt with the evaluation of the tensile strength of PET-G and rPET-G and reached similar results. Specifically, the average tensile strength value of rPET-G was 2 MPa lower than that of PET-G. The second level is the evaluation of the post-processing adjustments. Here, heat treatment appears to be the most suitable implementation. In this case, even the average values (after the degradation test) are comparable to the standard PET-G (before the degradation test). The improvement of the mechanical properties before the degradation test compensates for the deficiency in the form of higher moisture absorption.
Taking the size of the standard deviations into account, the remaining variants of the post-processing can be evaluated as comparable. It was also statistically proven by the experiment that, with a sample cross section of 18 mm2, 60 degradation cycles have an effect on reducing the tensile strength of the standards. Due to the size of the error bars, this cannot be stated in the case of the post-processing adjustments.
Figure 4 shows examples of the nature of the failure of the individual samples, which always occurred in different areas (even within one set). In general, therefore, it is not possible to confirm or refute the effect of the post-processing on the creation of a specific critical point of the sample failure. However, the closest thing to this hypothesis is the chemical smoothing method.
The violation shown in Figure 4a was recorded in a total of 2 out of 5 possible cases (after the degradation test), and in no case did the tensile strength exceed the value of 40 MPa (in contrast to the other post-processing technologies). The critical point here could realistically be created by the smoothing chemical flowing down the surface of the sample, which more precisely etches at the transition to a larger cross-section (the samples were chemically smoothed in a position identical to the position in Figure 4). This effect leads to the creation of micropores through which the degradation medium can penetrate into the core of the sample. Therefore, in chemical smoothing, it is most important to remove the sample from the closed container at the right moment [53].
The formation of micropores, or slightly exceeding the exposure time in the environment of dichloromethane, also indicates the highest level of absorbed moisture (of all the post-processing treatments implemented). Considering the level of relative moisture absorption of both standards, however, the benefit of chemical smoothing can be assessed as positive.

3.3. Measurement of the Bending Strength

The results of the bending test, including the basic descriptive statistics, are shown in Table 5. Moreover, Figure 5 expresses the graphical dependence of the bending strength on the number of degradation cycles or on the type of post-processing.
It is clear from the results of this test that the 60 testing cycles implemented did not bring about significant changes compared with the initial state of the samples based on the comparison of standard deviations (before and after the degradation test). This statement also applies to both standards (in contrast to the tensile test). This fact can be attributed to the several times larger cross-section of the sample (225 mm2) compared with the tensile test (18 mm2). For this reason, it can be stated that when used in undemanding applications where the product is exposed to moisture only in rare cases, only the standard without post-processing modifications can be recommended.
However, everything also depends on the strength requirements for the given component. Increasing the resistance against moisture absorption can be solved in the case of the standard, for example, by choosing a higher number of perimeters or by adjusting other 3D printing parameters [12,13,14], e.g., by setting a lower thickness of the printing layer, the surface roughness parameter can be further optimized [54,55].
The advantage of this solution clearly lies in its speed and simplicity, since after the 3D printing is finished, the part is immediately ready for assembly. In addition, the surface of the component is not contaminated by the coating, which is also very advantageous in terms of the ease of recycling at the end of the product’s life cycle [24].
An example of the failure of individual samples during a bending test is shown in Figure 6. Figure 6c concretely proves the very low toughness of the epoxy coating, which is manifested by extensive cracks relatively far from the fracture area of the base material. Figure 6e further shows the delamination of the water-based coating, which occurred as a result of external influences or due to the loss of adhesion of the coating to the base substrate.
Figure 6f also shows an example of delamination of the print layers in the standard. This phenomenon occurred only in a single case and can, therefore, be justified by an oversight during production rather than due to the degradation effects. In these cases, annealing appears to be the most suitable technology, as it increases the adhesion between the individual layers. This fact also increases resistance to possible external influences [10].

3.4. Measurement of the Impact Strength

The statistical evaluation of the impact strength of the samples is shown in Table 6 and Figure 7. The result of this experiment is the determination of the absorbed kinetic energy per unit area of the sample. There was a Charpy’s hammer with a potential energy of 50 J. The chosen method differs from others of a similar nature in that samples without notches are tested. However, the absence of a notch is considered advantageous precisely for testing 3D printed materials [56].
Based on the statistical evaluation, it can again be stated that the 60 testing cycles implemented did not bring about significant changes compared with the initial state of the samples. This result is also given by the cross-section of the test specimens, which is identical to the cross-section of the specimens for the bending test. The highest impact strength values were again achieved using heat treatment.
A comprehensive assessment of the effect of annealing on the mechanical properties of the PET-G material was also dealt with by the authors [29]. The result of the experiment was an increase in hardness by 7.8%, tensile strength by 8.5%, impact strength by 5.5%, and flexural strength by 9.4% in the case of the annealed samples compared with the samples without annealing treatment. The authors define these improvements as an increase in interlayer diffusion coupling.
Furthermore, the results published in the publication [56] point to the fact that the impact strength of the PET-G material is affected not only by the orientation of the sample during printing but also by the thickness of the layer. However, e.g., in the case of PLA or ABS materials, the authors demonstrated, on the contrary, a negligible influence of the layer thickness.
The influence of chemical smoothing was further investigated by, for example, the authors [7,8]. The result was an increase in impact strength in both cases.
The nature of the sample failure during the impact test is further evident from Figure 8. The results obtained are comparable to the bending strength test. The fragility of the epoxy resin, the delamination of the water-based coating, and, rarely, the partial delamination of the printing layers in the case of both standards were confirmed again.
The statistically unconfirmed effect of the degradation test on the change in the impact strength, or bending strength, can be justified by the chosen testing methodology, which was aimed primarily at the evaluation of coatings. e.g., in [17], a 120-day degradation test was chosen while the samples were permanently immersed in a salt solution (the freeze/thaw cycle took place in a climate chamber).
Furthermore, the publication [16] states that the mechanical properties of the samples in particular were not particularly affected by exposure to 80 freeze/thaw cycles, while statistically significant degradation was observed after 210 cycles. The effect of moisture absorption on the change in the mechanical properties of the material was also evaluated in a publication [12]. In this case, the samples were again permanently immersed in a 3% saline solution with a freeze/thaw degradation cycle of 300 days.

3.5. Cupping Test

The results shown in Table 7 and in Figure 9, in the case of samples equipped with barrier protection, express the formation of cracks in the given coating; in the case of the other samples, it is the formation of surface cracks in the base material. As the water-based coating delaminated before the end of the degradation test, the indentation value could not be determined.
The achieved results again confirm the positive effect of annealing on the increase in adhesive forces between the printing layers. Furthermore, a slight negative effect of the chemical smoothing on the elasticity of the material was statistically confirmed, which, on the other hand, was not proven by the measurement of the impact strength.
However, this finding can be justified again by the dimensions of the test samples, since the thickness of the material for the indentation test is only 1.6 mm. The ratio of the content of the cross-section treated with the etchant to the content of the cross-section of the tough core is therefore significantly higher than in the case of the sample intended for the determination of the impact strength.
Furthermore, the unsuitability of epoxy resin for components subjected to external forces was again confirmed, as the coating already breaks when deepening in the range of approx. 3–4 mm. In this respect, even the synthetic coating is not very suitable, but the achieved results correspond with the deepening values of synthetic coatings applied to a standard steel substrate [40].
On the contrary, in the case of a water-based coating (before the degradation test), the failure of the coating can be justified by the adhesion failure between the printing layers in the substrate. The appearance of surface cracks in the coating occurs at a statistically almost identical depth as in the case of the standards.
This phenomenon is nothing exceptional, as it has also been recorded, for example, in the case of applying a water-based coating to a hot-dip galvanized steel sheet [38]. The water-based coating, therefore, exhibits very high elasticity. The reason is acrylic resins, which form the basic component of most water-based coating systems. However, disadvantages include, for example, low hardness and abrasion resistance [57].
The damage to the samples caused by the cupping test (after the degradation test) is shown in Figure 10. For easier orientation, in the attached photo documentation, the resulting defects are marked with arrows. Figure 10e is the only one showing the state before the cupping test, as, in this case, premature delamination of the coating occurred, which can be attributed to the already mentioned low adhesion to the base substrate and also to the excessive porosity.

4. Conclusions

On the basis of the experiments carried out, it can be stated that when using 3D prints in an environment with an increased concentration of moisture, it is advisable to perform some form of post-processing, as the positive effect of the post-processing adjustments on reducing the material’s moisture absorption has been statistically proven. The tensile strength test and the indentation test statistically demonstrated a positive effect on the stability of the mechanical properties of the samples in the case of any post-processing technology.
On the contrary, in the case of the bending test or impact strength tests, this positive effect was not proven. However, the reason here is the multiple cross-sections of the samples and the relatively short interval of 60 degradation cycles. However, the aim of the experiment was primarily to analyze the applied coatings and their effect on moisture absorption, for which 60 cycles were indicated as being quite sufficient. In the case of both types of standards, the negative effect of the moisture absorption was statistically proven, especially by the indentation test, as here the loading force acted on the sample from the side that was in contact with the printing pad. This procedure thus made it possible to verify the adhesion of the individual printing layers, while it was statistically proven that the most significant decrease in the adhesion of the printing layers occurs precisely in the case of the standards.
The degradation of the standards due to moisture absorption was also statistically proven by the tensile strength test. Here, however, the difference between the state before degradation and after degradation was not statistically significant since, in this case, the loading force acted along the axis of the printing layers.
According to the obtained results, heat treatment appears to be a universal post-processing technology, as this method statistically improves not only the mechanical properties of the part but also limits moisture absorption. In general, it can be stated that by implementing heat treatment, the annealed part achieves comparable mechanical properties after the degradation test to the standards before the degradation test.
The advantage of annealing is also the fact that the surface of the component is not additionally contaminated by the coating, which is also very advantageous from the point of view of recycling at the end of the product’s life cycle. Furthermore, from the point of view of the quality of the barrier protection provided and the simplicity of the application, it is recommended to treat the surface with a synthetic coating or epoxy resin. The reason is the statistically proven low rate of moisture absorption.
However, these two technologies do not show very suitable mechanical properties compared with heat treatment. However, e.g., by applying epoxy resin certified for direct contact with food, the result is a product that is harmless to one’s health. Through this technology, 3D-printed components are, therefore, in compliance with the relatively strict Regulation No. 10/2011 on plastic materials and articles intended for contact with food, which is valid within the European Economic Area. However, the goal of the presented experiment was to verify the possibilities of post-processing modifications intended for implementation on components used in the automotive industry (on the exterior of the car). For this reason, it appears to be the most suitable option to implement heat treatment (before assembly) or the application of a synthetic coating or standard epoxy resin (after assembly).
The potential of the mentioned technologies also offers room for their mutual combination. This procedure would result in a part with improved mechanical properties (obtained by annealing), which would simultaneously be provided with a barrier preventing moisture absorption (obtained by coating). However, after perforation of this outer coating, the moisture absorption would still be partially eliminated since the heat-treated component has a higher resistance to moisture absorption than the standard.
Furthermore, in the case of the use of 3D printed parts in undemanding applications, when the product is exposed to moisture only in rare cases, only the standard can be recommended without the implementation of secondary post-processing modifications. The reason for this is that all the mentioned post-processing adjustments are relatively time-consuming.
On the contrary, the advantage of the standards clearly lies in their simplicity and speed, since after the completion of 3D printing, the part is immediately ready for assembly. Increasing the resistance against moisture absorption can be solved in the case of the standard, for example, by choosing a higher number of perimeters.
However, when post-processing adjustments are omitted, it is necessary to take the exposure conditions of the given component in advance into account, as, in an environment with cyclical temperature changes (above and below freezing point) and high relative humidity, there is a real risk of premature failure of the given component.
It is also very important for technical practice to find that the standard in the form of recycled material degrades at a rate comparable to the standard in the form of primary plastic. For this reason, the use of recycled rPET-G, which is more environmentally friendly, can be clearly recommended.

Author Contributions

Conceptualization, J.L. and J.V.; methodology, J.L. and J.V.; software, J.Č.; validation, R.H. and J.V.; formal analysis, V.K.; investigation, P.D., J.L. and R.H.; resources, J.L.; data curation, J.L. and J.Č.; writing—original draft preparation, J.L.; writing—review and editing, J.L. and V.K.; supervision, J.V.; project administration, J.L.; funding acquisition, V.K. All authors have read and agreed to the published version of the manuscript.

Funding

This research was funded by the Internal Grant Agency of Mendel University in Brno, Faculty of AgriSciences, project No. AF-IGA2023-IP-049.

Institutional Review Board Statement

Not applicable.

Informed Consent Statement

Not applicable.

Data Availability Statement

Data is contained within the article.

Conflicts of Interest

The authors declare no conflict of interest. The funders had no role in the design of the study; in the collection, analyses, or interpretation of data; in the writing of the manuscript; or in the decision to publish the results.

References

  1. Zhang, Q.; Guan, Y. Application of metal additive manufacturing in oral dentistry. Curr. Opin. Biomed. Eng. 2023, 25, 100441. [Google Scholar] [CrossRef]
  2. Hussain, S.; Malakar, S.; Arora, V.K. Extrusion-Based 3D Food Printing: Technological Approaches, Material Characteristic, Printing Stability, and Post-processing. Food Eng. Rev. 2022, 14, 100–119. [Google Scholar] [CrossRef]
  3. Herzog, D.; Seyda, V.; Wycisk, E.; Emmelmann, C. Additive manufacturing of metals. Acta Mater. 2016, 117, 371–392. [Google Scholar] [CrossRef]
  4. Kranz, J.; Herzog, D.; Emmelmann, C. Design guidelines for laser additive manufacturing of lightweight structures in TiAl6V4. J. Laser Appl. 2015, 27, S14001. [Google Scholar] [CrossRef]
  5. Chung, W.; Talluri, S.; Kovács, G. Investigating the effects of lead-time uncertainties and safety stocks on logistical performance in a border-crossing JIT supply chain. Comput. Ind. Eng. 2018, 118, 440–450. [Google Scholar] [CrossRef]
  6. Cisneros-López, E.O.; Pal, A.K.; Rodriguez, A.U.; Wu, F.; Misra, M.; Mielewski, D.F.; Kiziltas, A.; Mohanty, A.K. Recycled poly(lactic acid)–based 3D printed sustainable biocomposites: A comparative study with injection molding. Mater. Today Sustain. 2020, 7, 100027. [Google Scholar] [CrossRef]
  7. Tuazon, B.J.; Espino, M.T.; Dizon, J.R.C. Investigation on the Effects of Acetone Vapor-Polishing to Fracture Behavior of ABS Printed Materials at Different Operating Temperature. Mater. Sci. Forum. 2020, 1005, 141–149. [Google Scholar] [CrossRef]
  8. Rao, A.S.; Dharap, M.A.; Venkatesh, J.V.L. Experimental Study of the Effect of Post Processing Techniques on Mechanical Properties of Fused Deposition Modelled Parts. Int. J. Manuf. Mater. Mech. Eng. 2015, 5, 1–20. [Google Scholar] [CrossRef]
  9. Dizon, J.R.C.; Gache, C.C.L.; Cascolan, H.M.S.; Cancino, L.T.; Advincula, R.C. Post-Processing of 3D-Printed Polymers. Technologies 2021, 9, 61. [Google Scholar] [CrossRef]
  10. Cao, L.; Xiao, J.; Kim, J.K.; Zhang, X. Effect of post-process treatments on mechanical properties and surface characteristics of 3D printed short glass fiber reinforced PLA/TPU using the FDM process. CIRP J. Manuf. Sci. Technol. 2023, 41, 135–143. [Google Scholar] [CrossRef]
  11. Wang, J.; Xie, H.; Weng, Z.; Senthil, T.; Wu, L. A novel approach to improve mechanical properties of parts fabricated by fused deposition modeling. Mater. Des. 2016, 105, 152–159. [Google Scholar] [CrossRef]
  12. Elmushyakhi, A. Freeze-thaw stabilization of fused deposition modeling 3D-printed SABIC structures. J. King Saud. Univ. Eng. Sci. 2022, 34, 116–125. [Google Scholar] [CrossRef]
  13. Bardiya, S.; Jerald, J.; Satheeshkumar, V. The impact of process parameters on the tensile strength, flexural strength and the manufacturing time of fused filament fabricated (FFF) parts. Mater. Today Proc. 2021, 39, 1362–1366. [Google Scholar] [CrossRef]
  14. Peng, A.; Xiao, X.; Yue, R. Process parameter optimization for fused deposition modeling using response surface methodology combined with fuzzy inference system. Int. J. Adv. Manuf. Technol. 2014, 73, 87–100. [Google Scholar] [CrossRef]
  15. Šafl, P.; Zimáková, J.; Binar, T. Annealing of polymer material PLA for improved properties. ECS Trans. 2021, 105, 419–430. [Google Scholar] [CrossRef]
  16. Ludovico, M.D.; Piscitelli, F.; Prota, A.; Lavorgna, M.; Mensitieri, G.; Manfredi, G. Improved mechanical properties of CFRP laminates at elevated temperatures and freeze–thaw cycling. Constr. Build. Mater. 2012, 31, 273–283. [Google Scholar] [CrossRef]
  17. Elmushyakhi, A.; Toubia, E.A.; Morgan, A.B. Post-fire failure mechanisms of seawater-accelerated weathering composites for coastal and marine structures. Mar. Struc. 2019, 63, 304–317. [Google Scholar] [CrossRef]
  18. Skibicki, S.; Pułtorak, M.; Kaszyńska, M.; Hoffmann, M.; Ekiert, E.; Sibera, D. The effect of using recycled PET aggregates on mechanical and durability properties of 3D printed mortar. Constr. Build. Mater. 2022, 335, 127443. [Google Scholar] [CrossRef]
  19. Karbhari, V.M.; Rivera, J.; Zhang, J. Low-temperature hygrothermal degradation of ambient cured E-glass/vinylester composites. J. Appl. Polym. Sci. 2002, 86, 2255–2260. [Google Scholar] [CrossRef]
  20. Huang, Y.; Liang, X.; Wen, L.; Chang, J. Study on the Freeze-Thaw Damage of Granite Under Impact Loading. Geotech. Geol. Eng. 2020, 38, 1053–1063. [Google Scholar] [CrossRef]
  21. Jiang, N.; Li, Y.; Yu, T.; Pan, H.; Li, Y.; Li, D. Effect of saline and alkaline solution aging on the properties of jute/poly(lactic acid) composites. Polym. Compos. 2020, 41, 1003–1012. [Google Scholar] [CrossRef]
  22. Chu, W.; Wu, L.; Karhbari, V.M. Durability evaluation of moderate temperature cured E-glass/vinylester systems. Compos. Struct. 2004, 66, 367–376. [Google Scholar] [CrossRef]
  23. Rheinberger, T.; Deuker, M.; Wurm, F.R. The microstructure of polyphosphoesters controls polymer hydrolysis kinetics from minutes to years. Eur. Polym. J. 2023, 190, 111999. [Google Scholar] [CrossRef]
  24. Barredo, A.; Asueta, A.; Amundarain, I.; Leivar, J.; Miguel, F.R.; Arnaiz, S.; Epelde, E.; López, F.R.; Gutiérrez, O.J.I. Chemical recycling of monolayer PET tray waste by alkaline hydrolysis. J. Environ. Chem. Eng. 2023, 11, 109823. [Google Scholar] [CrossRef]
  25. Votava, J.; Jukl, M.; Polcar, A.; Kumbár, V.; Dostál, P. Anti-corrosion systems in vehicles for the transportation and application of fertilizers. Kov. Mater. Metal. Mater. 2018, 56, 131–136. [Google Scholar] [CrossRef]
  26. García, E.; Núñez, P.J.; Caminero, M.A.; Chacón, J.M.; Kamarthi, S. Effects of carbon fibre reinforcement on the geometric properties of PETG-based filament using FFF additive manufacturing. Compos. B Eng. 2022, 235, 109766. [Google Scholar] [CrossRef]
  27. Geyer, R.; Jambeck, J.R.; Law, K.L. Production, use, and fate of all plastics ever made. Sci. Adv. 2017, 3, 25–29. [Google Scholar] [CrossRef]
  28. Stegmann, P.; Gerritse, T.; Shen, L.; Londo, M.; Puente, Á.; Junginger, M. The global warming potential and the material utility of PET and bio-based PEF bottles over multiple recycling trips. J. Clean. Prod. 2023, 395, 136426. [Google Scholar] [CrossRef]
  29. Kumar, K.S.; Soundararajan, R.; Shanthosh, G.; Saravanakumar, P.; Ratteesh, M. Augmenting effect of infill density and annealing on mechanical properties of PETG and CFPETG composites fabricated by FDM. Mater. Today Proc. 2021, 45, 2186–2191. [Google Scholar] [CrossRef]
  30. Commission Regulation (EU) No. 10/2011. Commission Regulation (EU) No 10/2011 of 14 January 2011 on plastic materials and articles intended to come into contact with food. Offic. J. Eur. Union 2011, L 12/1, 1–89. [Google Scholar]
  31. Deka, A.; Dey, N. Rheological studies of two component high build epoxy and polyurethane based high performance coatings. J. Coat. Technol. Res. 2013, 10, 305–315. [Google Scholar] [CrossRef]
  32. EN ISO 4287; Geometrical Product Specifications (GPS)—Surface Texture: Profile Method—Terms, Definitions and Surface Texture Parameters. CEN: Brussels, Belgium, 1998.
  33. EN ISO 62; Plastics—Determination of Water Absorption. CEN: Brussels, Belgium, 2008.
  34. Valvez, S.; Silva, A.P.; Reis, P.N.B.; Berto, F. Annealing effect on mechanical properties of 3D printed composites. Procedia Struct. Integr. 2022, 37, 738–745. [Google Scholar] [CrossRef]
  35. Mi, X.; Liang, N.; Xu, H.; Wu, J.; Jiang, Y.; Nie, B.; Zhang, D. Toughness and its mechanisms in epoxy resins. Prog. Mater. Sci. 2022, 130, 100977. [Google Scholar] [CrossRef]
  36. Cabanelas, I.; Collazo, A.; Izquierdo, M.; Nóvoa, X.R.; Pérez, C. Influence of galvanised surface state on the duplex systems behaviour. Corros. Sci. 2007, 49, 1816–1832. [Google Scholar] [CrossRef]
  37. Hylák, K.; Kudláček, J. Light blasting (sweeping) of hot-dip galvanising surface for coatings aplication. In Proceedings of the Conference Student Creative Activity, Praha, Czech Republic, 20 April 2017. [Google Scholar]
  38. Lozrt, J.; Votava, J.; Šmak, R. Duplex Anti-Corrosion Protection of Steel Using a Combination of Hot-Dip Galvanising and Water-Soluble Paints. Acta Technol. Agric. 2021, 24, 129–135. [Google Scholar] [CrossRef]
  39. Lozrt, J.; Votava, J.; Šmak, R.; Polcar, A. Influence of zinc coatings mechanical pre-treatments for the formation of environmentally friendly passivation duplex anti-corrosion systems. Acta Technol. Agric. 2022, 25, 53–60. [Google Scholar] [CrossRef]
  40. Votava, J.; Kumbár, V. Usage of Waterborne Acrylate Anticorrosion Systems for Ecological Environment. Manuf. Technol. 2017, 17, 103–110. [Google Scholar] [CrossRef]
  41. Wang, X.; Huang, Y.; Weinell, C.E.; Olsen, S.M.; Kiil, S. Leveling kinetics of coatings with solvent evaporation and non-Newtonian rheology. Prog. Org. Coat. 2019, 132, 169–177. [Google Scholar] [CrossRef]
  42. Xian, G.; Yin, P.; Kafodya, I.; Li, H.; Wang, W. Durability study of ramie fiber fabric reinforced phenolic plates under humidity conditions. Sci. Eng. Compos. Mater. 2016, 23, 45–52. [Google Scholar] [CrossRef][Green Version]
  43. EN ISO 527-2; Plastics—Determination of Tensile Properties—Part 2: Test Conditions for Moulding and Extrusion Plastics. CEN: Brussels, Belgium, 2012.
  44. EN ISO 178; Plastics—Determination of Flexural Properties. CEN: Brussels, Belgium, 2019.
  45. Pernica, J.; Vodák, M.; Šarocký, R.; Šustr, M.; Dostál, P.; Černý, M.; Dobrocký, D. Mechanical Properties of Recycled Polymer Materials in Additive Manufacturing. Manuf. Technol. 2022, 22, 200–203. [Google Scholar] [CrossRef]
  46. EN ISO 179-2; Plastics—Determination of Charpy impact properties—Part 2: Instrumented impact test. CEN: Brussels, Belgium, 2020.
  47. EN ISO 1520; Paint and Varnishes—Cupping Test. CEN: Brussels, Belgium, 2007.
  48. Spengler, E.; Fragata, F.L.; Margarit, I.C.P.; Mattos, O.R. Corrosion protection of low toxicity paints. Prog. Org. Coat. 1997, 30, 51–57. [Google Scholar] [CrossRef]
  49. Galliano, F.; Landolt, D. Evaluation of corrosion protection properties of additives for waterborne epoxy coatings on steel. Prog. Org. Coat. 2002, 44, 217–225. [Google Scholar] [CrossRef]
  50. Fernández-Pérez, B.M.; González-Guzmán, J.A.; González, S.; Souto, R.M. Electrochemical impedance spectroscopy investigation of the corrosion resistance of a waterborne acrylic coating containing active electrochemical pigments for the protection of carbon steel. Int. J. Electrochem. Sci. 2014, 9, 2067–2079. [Google Scholar] [CrossRef]
  51. Hong, J.H.; Yu, T.; Chen, Z.; Park, S.J.; Kim, Y.H. Improvement of flexural strength and compressive strength by heat treatment of PLA filament for 3D-printing. Mod. Phys. Lett. B 2019, 33, 1940025. [Google Scholar] [CrossRef]
  52. Šmak, R.; Votava, J.; Polcar, A. The cooling media influence on selected mechanical properties of steel. Acta Technol. Agric. 2020, 23, 183–189. [Google Scholar] [CrossRef]
  53. He, Y.; Xue, G.H.; Fu, J.Z. Fabrication of low cost soft tissue prostheses with the desktop 3D printer. Sci. Rep. 2014, 4, 6973. [Google Scholar] [CrossRef]
  54. Anitha, R.; Arunachalam, S.; Radhakrishnan, P. Critical parameters influencing the quality of prototypes in fused deposition modelling. J. Mater. Process. Technol. 2001, 118, 385–388. [Google Scholar] [CrossRef]
  55. Nancharaiah, T.; Raju, D.R.; Raju, V.R. An experimental investigation on surface quality and dimensional accuracy of FDM components. Int. J. Emerg. Technol. 2010, 1, 106–111. [Google Scholar]
  56. Tezel, T.; Ozenc, M.; Kovan, V. Impact properties of 3D-printed engineering polymers. Mater. Today Commun. 2021, 26, 102161. [Google Scholar]
  57. Barbato, R.; Boi, R.; Ragazzini, R. Determination of micro-indentation hardness of organic coatings. VDI-Ber. 2002, 1685, 373–378. [Google Scholar]
Figure 1. Dimensions of the test samples (ad) and the 3D printer (e): (a) For the tensile test; (b) For the three-point bending test; (c) For the impact strength test; (d) For the cupping test.
Figure 1. Dimensions of the test samples (ad) and the 3D printer (e): (a) For the tensile test; (b) For the three-point bending test; (c) For the impact strength test; (d) For the cupping test.
Applsci 13 09234 g001aApplsci 13 09234 g001b
Figure 2. Appearance of the test samples: (a) Standard—Upper part (rPET-G); (b) Chemical smoothing; (c) Heat treatment; (d) Epoxy resin; (e) Synthetic coating; (f) Water-based coating.
Figure 2. Appearance of the test samples: (a) Standard—Upper part (rPET-G); (b) Chemical smoothing; (c) Heat treatment; (d) Epoxy resin; (e) Synthetic coating; (f) Water-based coating.
Applsci 13 09234 g002
Figure 3. Tensile strength before and after the degradation (arithmetic mean ± standard deviation): CS—Chemical smoothing; HT—Heat treatment; ER—Epoxy resin; SC—Synthetics coating; WBC—Water-based coating; rPET-G—Recycled (without post-processing); PET-G—Virgin plastic (without post-processing).
Figure 3. Tensile strength before and after the degradation (arithmetic mean ± standard deviation): CS—Chemical smoothing; HT—Heat treatment; ER—Epoxy resin; SC—Synthetics coating; WBC—Water-based coating; rPET-G—Recycled (without post-processing); PET-G—Virgin plastic (without post-processing).
Applsci 13 09234 g003
Figure 4. Nature of the sample failure after the degradation test (tensile test): (a) Chemical smoothing (39.27 MPa); (b) heat treatment (45.02 MPa); (c) epoxy resin (42.81 MPa); (d) synthetic coating (41.44 MPa); (e) water-based coating (40.97 MPa); (f) standard-recycled rPET-G (39.01 MPa); (g) standard-virgin PET-G (41.15 MPa).
Figure 4. Nature of the sample failure after the degradation test (tensile test): (a) Chemical smoothing (39.27 MPa); (b) heat treatment (45.02 MPa); (c) epoxy resin (42.81 MPa); (d) synthetic coating (41.44 MPa); (e) water-based coating (40.97 MPa); (f) standard-recycled rPET-G (39.01 MPa); (g) standard-virgin PET-G (41.15 MPa).
Applsci 13 09234 g004
Figure 5. Flexural strength before and after the degradation (arithmetic mean ± standard deviation): CS—Chemical smoothing; HT—Heat treatment; ER—Epoxy resin; SC—Synthetics coating; WBC—Water-based coating; rPET-G—Recycled (without post-processing); PET-G—Virgin plastic (without post-processing).
Figure 5. Flexural strength before and after the degradation (arithmetic mean ± standard deviation): CS—Chemical smoothing; HT—Heat treatment; ER—Epoxy resin; SC—Synthetics coating; WBC—Water-based coating; rPET-G—Recycled (without post-processing); PET-G—Virgin plastic (without post-processing).
Applsci 13 09234 g005
Figure 6. Example of the nature of sample failure after the degradation test (bending test): (a) Chemical smoothing (59.07 MPa); (b) heat treatment (63.99 MPa); (c) epoxy resin (59.73 MPa); (d) synthetic coating (59.36 MPa); (e) water-based coating (57.92 MPa); (f) standard-recycled rPET-G (55.17 MPa).
Figure 6. Example of the nature of sample failure after the degradation test (bending test): (a) Chemical smoothing (59.07 MPa); (b) heat treatment (63.99 MPa); (c) epoxy resin (59.73 MPa); (d) synthetic coating (59.36 MPa); (e) water-based coating (57.92 MPa); (f) standard-recycled rPET-G (55.17 MPa).
Applsci 13 09234 g006
Figure 7. Impact strength before and after the degradation (arithmetic mean ± standard deviation).
Figure 7. Impact strength before and after the degradation (arithmetic mean ± standard deviation).
Applsci 13 09234 g007
Figure 8. Nature of the sample failure after the degradation test (impact test): (a) Chemical smoothing (84.97 kJ∙m−2); (b) heat treatment (88.53 kJ∙m−2); (c) epoxy resin (82.71 kJ∙m−2); (d) synthetic coating (85.29 kJ∙m−2); (e) water-based coating (81.49 kJ∙m−2); (f) standard-recycled rPET-G (77.60 kJ∙m−2).
Figure 8. Nature of the sample failure after the degradation test (impact test): (a) Chemical smoothing (84.97 kJ∙m−2); (b) heat treatment (88.53 kJ∙m−2); (c) epoxy resin (82.71 kJ∙m−2); (d) synthetic coating (85.29 kJ∙m−2); (e) water-based coating (81.49 kJ∙m−2); (f) standard-recycled rPET-G (77.60 kJ∙m−2).
Applsci 13 09234 g008
Figure 9. Rate of deepening before and after the degradation (arithmetic mean ± standard deviation).
Figure 9. Rate of deepening before and after the degradation (arithmetic mean ± standard deviation).
Applsci 13 09234 g009
Figure 10. Nature of the sample failure after the degradation test (cupping test): (a) Chemical smoothing (5.2 mm); (b) heat treatment (7.8 mm); (c) epoxy resin (2.9 mm); (d) synthetic coating (4.0 mm); (e) water-based coating (0 mm—No deepening); (f) standard-recycled rPET-G (6.3 mm).
Figure 10. Nature of the sample failure after the degradation test (cupping test): (a) Chemical smoothing (5.2 mm); (b) heat treatment (7.8 mm); (c) epoxy resin (2.9 mm); (d) synthetic coating (4.0 mm); (e) water-based coating (0 mm—No deepening); (f) standard-recycled rPET-G (6.3 mm).
Applsci 13 09234 g010
Table 1. Average dynamic viscosity of the coating systems and their thickness ranges.
Table 1. Average dynamic viscosity of the coating systems and their thickness ranges.
Layer No. 1Layer No. 2Layer No. 3
Type of Coatingη, mPa∙sT, µmη, mPa∙sT, µmη, mPa∙sT, µm
ER2516* 156–194----
SC-B718–11----
SC-U--188** 25–32574* 87–98
WBC949–13196** 27–35609* 91–105
η—Dynamic viscosity; T—Thickness; ER—Epoxy resin; SC-B—Synthetics coating—Basic no.; SC-U—Synthetics coating—Upper no.; WBC—Water-based coating; * This is the total final coating thickness; ** This is the sum of the thickness of layer #1 and layer #2.
Table 2. Initial roughness and weight of the samples (arithmetic mean ± standard deviation).
Table 2. Initial roughness and weight of the samples (arithmetic mean ± standard deviation).
Surface Roughness ParameterInitial Weight
Set No.Type of PPRa, µmRz, µmW0, g
1CS1.32 ± 0.246.74 ± 1.0841.04 ± 0.27
2HT8.24 ± 2.9748.19 ± 13.0341.09 ± 0.30
3ER0.21 ± 0.051.73 ± 0.3943.78 ± 0.62
4SC1.87 ± 0.397.40 ± 1.5841.91 ± 0.35
5WBC1.49 ± 0.277.05 ± 1.2141.98 ± 0.38
6WPP (rPET-G)10.92 ± 4.1362.29 ± 18.8141.06 ± 0.32
7WPP (PET-G)10.68 ± 3.9461.51 ± 17.9041.15 ± 0.29
PP—Post-processing; CS—Chemical smoothing; HT—Heat treatment; ER—Epoxy resin; SC—Synthetics coating; WBC—Water-based coating; WPP—Without post-processing.
Table 3. Evaluation of the moisture absorption of the individual samples after 60 degradation cycles.
Table 3. Evaluation of the moisture absorption of the individual samples after 60 degradation cycles.
Quantity
Type of PPAM, gD, g2SD, gCV, %RMI, %
CS41.980.12430.35260.8402.29
HT41.720.09410.30680.7351.53
ER44.190.19590.44261.0020.94
SC42.230.14980.38700.9170.76
WBC42.680.17110.41360.9691.67
WPP (rPET-G)42.430.18480.42991.0133.34
WPP (PET-G)42.470.10370.32200.7583.21
PP—Post-processing; CS—Chemical smoothing; HT—Heat treatment; ER—Epoxy resin; SC—Synthetics coating; WBC—Water-based coating; WPP—Without post-processing; AM—Arithmetic mean; D—Dispersion; SD—Standard deviation; CV—Coefficient of variance; RMI—Relative material increase.
Table 4. Tensile test evaluation (before and after 60 degradation cycles).
Table 4. Tensile test evaluation (before and after 60 degradation cycles).
Quantity
Testing Phase
Type of PPAM, MPaD, MPa2SD, MPaCV, %
BeforeAfterBeforeAfterBeforeAfterBeforeAfter
CS43.5941.031.90444.16161.382.043.174.97
HT47.1344.292.37165.10761.542.263.275.10
ER43.0541.992.13162.89001.461.703.394.05
SC42.8742.060.92161.25440.961.122.242.66
WBC42.9841.051.08163.45961.041.862.424.53
WPP (rPET-G)42.7938.461.63842.19041.281.482.993.85
WPP (PET-G)44.1840.371.04044.66561.022.162.315.35
PP—Post-processing; CS—Chemical smoothing; HT—Heat treatment; ER—Epoxy resin; SC—Synthetics coating; WBC—Water-based coating; WPP—Without post-processing; AM—Arithmetic mean; D—Dispersion; SD—Standard deviation; CV—Coefficient of variance.
Table 5. Evaluation of the flexural test (before and after 60 degradation cycles).
Table 5. Evaluation of the flexural test (before and after 60 degradation cycles).
Quantity
Testing Phase
Type of PPAM, MPaD, MPa2SD, MPaCV, %
BeforeAfterBeforeAfterBeforeAfterBeforeAfter
CS59.2658.403.31247.18241.822.683.074.59
HT64.5163.393.84165.95361.962.443.043.85
ER59.9859.322.56004.32641.602.082.673.51
SC59.0458.501.21003.76361.101.941.863.32
WBC59.4858.692.43365.01761.562.242.623.82
WPP (rPET-G)58.6757.633.02768.88041.742.982.975.17
WPP (PET-G)60.7959.872.89006.35041.702.522.804.21
PP—Post-processing; CS—Chemical smoothing; HT—Heat treatment; ER—Epoxy resin; SC—Synthetics coating; WBC—Water-based coating; WPP—Without post-processing; AM—Arithmetic mean; D—Dispersion; SD—Standard deviation; CV—Coefficient of variance.
Table 6. Impact strength test evaluation (before and after 60 degradation cycles).
Table 6. Impact strength test evaluation (before and after 60 degradation cycles).
Quantity
Testing Phase
Type of PPAM, kJ∙m−2D, kJ2∙m−4SD, kJ∙m−2CV, %
BeforeAfterBeforeAfterBeforeAfterBeforeAfter
CS84.8083.416.969615.05442.643.883.114.65
HT87.9386.726.250012.67362.503.562.844.11
ER85.2884.549.734416.97443.124.123.664.87
SC84.1983.573.16848.52641.782.922.113.49
WBC84.0283.163.92049.24161.983.042.363.66
WPP (rPET-G)81.5480.064.928419.00962.224.362.725.45
WPP (PET-G)83.1781.696.451615.84042.543.983.054.87
PP—Post-processing; CS—Chemical smoothing; HT—Heat treatment; ER—Epoxy resin; SC—Synthetics coating; WBC—Water-based coating; WPP—Without post-processing; AM—Arithmetic mean; D—Dispersion; SD—Standard deviation; CV—Coefficient of variance.
Table 7. Evaluation of the cupping test (before and after 60 degradation cycles).
Table 7. Evaluation of the cupping test (before and after 60 degradation cycles).
Quantity
Testing Phase
Type of PPAM, mmD, mm2SD, mmCV, %
BeforeAfterBeforeAfterBeforeAfterBeforeAfter
CS6.885.200.20790.42770.4560.6546.6312.58
HT9.507.950.18660.30800.4320.5554.556.98
ER3.953.050.14290.34220.3780.5859.5719.18
SC5.124.250.15920.32150.3990.5677.7913.34
WBC8.20-0.2540-0.504-6.15-
WPP (rPET-G)8.505.900.16650.41220.4080.6424.8010.88
WPP (PET-G)8.676.050.19450.36720.4410.6065.0910.02
PP—Post-processing; CS—Chemical smoothing; HT—Heat treatment; ER—Epoxy resin; SC—Synthetics coating; WBC—Water-based coating; WPP—Without post-processing; AM—Arithmetic mean; D—Dispersion; SD—Standard deviation; CV—Coefficient of variance.
Disclaimer/Publisher’s Note: The statements, opinions and data contained in all publications are solely those of the individual author(s) and contributor(s) and not of MDPI and/or the editor(s). MDPI and/or the editor(s) disclaim responsibility for any injury to people or property resulting from any ideas, methods, instructions or products referred to in the content.

Share and Cite

MDPI and ACS Style

Lozrt, J.; Votava, J.; Henzl, R.; Kumbár, V.; Dostál, P.; Čupera, J. Analysis of the Changes in the Mechanical Properties of the 3D Printed Polymer rPET-G with Different Types of Post-Processing Treatments. Appl. Sci. 2023, 13, 9234. https://doi.org/10.3390/app13169234

AMA Style

Lozrt J, Votava J, Henzl R, Kumbár V, Dostál P, Čupera J. Analysis of the Changes in the Mechanical Properties of the 3D Printed Polymer rPET-G with Different Types of Post-Processing Treatments. Applied Sciences. 2023; 13(16):9234. https://doi.org/10.3390/app13169234

Chicago/Turabian Style

Lozrt, Jaroslav, Jiří Votava, Radovan Henzl, Vojtěch Kumbár, Petr Dostál, and Jiří Čupera. 2023. "Analysis of the Changes in the Mechanical Properties of the 3D Printed Polymer rPET-G with Different Types of Post-Processing Treatments" Applied Sciences 13, no. 16: 9234. https://doi.org/10.3390/app13169234

APA Style

Lozrt, J., Votava, J., Henzl, R., Kumbár, V., Dostál, P., & Čupera, J. (2023). Analysis of the Changes in the Mechanical Properties of the 3D Printed Polymer rPET-G with Different Types of Post-Processing Treatments. Applied Sciences, 13(16), 9234. https://doi.org/10.3390/app13169234

Note that from the first issue of 2016, this journal uses article numbers instead of page numbers. See further details here.

Article Metrics

Back to TopTop