Abstract
The modern low-voltage distribution system is exposed to frequent changes in voltage amplitude due to the presence of high-power receivers with variable operating characteristics as well as distributed renewable energy sources whose generation levels depend on weather conditions. Maintaining the appropriate parameters related to power quality in the context of permissible voltage levels more and more often requires the use of additional voltage regulators. These are static systems in which the values of taps on transformers are changed, or dynamic compensators using power electronic converters. This article presents the continuation of research on one of the proposals of AC voltage compensators based on a bipolar AC/AC converter. The general properties of the presented system are reviewed and an analysis of the range of generated output voltages depending on the phase shift of the compensating voltage are presented. The next part of the article presents the formulas for calculating the duty cycle factors for the control functions of individual converters. The verification of the determined dependencies is presented on the basis of simulation tests of the proposed system. At the end of this article, the disadvantages of the proposed open-loop control system regulation and a proposal for further research are indicated.
1. Introduction
The development of the power grid toward smart-grid networks assumes their modernization in the following directions: smart metering of energy consumption and flow, decentralization of the electricity generation and storage process, and the introduction of more intelligent power grid control processes (transmission and distribution) []. It is expected that, in the next few years, the power grid will move from electromechanical to electronic control using power electronics. At the same time, the loads are changed to high-power loads with rapidly changing characteristics over time (e.g., electric vehicles). Moreover, energy from renewable energy sources has unstable characteristics over time. The new climate goals also assume a reduction in electricity production using fossil fuels []. All this may contribute to problems with the stability of the power system as well as problems related to power quality [,].
Hybrid transformers (HTs) with a power electronic converter have been proposed as an efficient and economical solution to some problems caused by distributed energy sources and new types of loads in modern electric power systems. Various HT topologies with different regulatory capabilities have been proposed in the scientific literature. A few review articles have been published to explain the concept of how they work [,,,,,]. The most frequently considered HT systems are topologies with a back-to-back converter [,,,,,,], matrix converter [,,,] or various types of AC/AC choppers [,,]. HTs in most topologies are based on a conventional transformer with two pairs of three-phase output windings. Such a solution complicates the construction of a substation transformer. Existing substation transformers currently in use cannot be used in this concept.
Another approach to regulating voltages in the power system or compensating for overvoltages, voltage sags or other voltage distortions is to use series switching voltage compensators [,,,,,,,,]. One of the first concepts of such a compensator of voltage changes in the network is the topology described in the article [], in which the concept of voltage dip compensator for supplying critical loads in electrical distribution systems is presented. In the proposed solution, the AC-AC converter with PWM type modulation cooperates with an autotransformer. During a voltage dip, the proposed compensator supplies the missing voltage and helps to keep the voltage at the rated level at the terminals of the critical load. This approach does not use any energy-storage electronic components such as capacitors or chokes, and provides a fast response to a fault using a low-cost power electronics converter.
Over the years, many concepts of voltage compensators based on AC/AC converters that do not contain DC energy storage have been developed. An overview of selected topologies is presented in []. Interesting concepts of three-phase voltage compensators with AC/AC converters are topologies wherein the compensation voltage for a given line is generated by power electronic converters supplied from other power lines. Various topologies of AC-AC converters have been proposed: with four two-level AC chopper legs [], with an AC chopper having two bidirectional connectors in a diode bridge and transistor configuration [,], with a Ćuk B2 matrix-reactance chopper [] and with a bipolar AC-AC chopper [,].
In this article, the research on the properties of the AC voltage compensator topology with bipolar AC-AC converters presented in the papers [,] will be continued. In these two publications, only an outline of the concept of operation of such a compensator has been presented. In addition, the results of simulation and experimental tests operating in an open feedback loop for manually set pulse duty ratios of the control functions of individual converters have been shown. The proposed voltage compensator topology requires the use of additional input transformers. This is undoubtedly a negative feature of the proposed approach in relation to the proposals that can be found in the scientific literature. Nevertheless, the advantage of the proposed solution with two additional transformers at the input is the fact that the compensator in a given output phase is powered from the other two phases. This functionality makes it possible to compensate very large voltage dips or even voltage losses in a given phase. In addition, the use of a bipolar AC/AC converter allows for a better use of the power source and reduces the nominal parameters of passive filter elements (chokes, capacitors).
The main purpose of this article is to present the scope of voltage regulation in individual phases of a three-phase system depending on the phase shift of the compensation voltage generated at the output of the compensator. The voltage adjustment range was determined based on the analysis of voltage vectors in individual sectors of the complex plane. The previously proposed approach to describe this issue presented a complex analysis of four terminal network models []. The presented analysis of resultant vectors is easier to analyze and less computationally complex. This article presents mathematical relationships describing the and control coefficients for individual AC/AC converters, which were not defined in previous articles [,]. Since the control characteristics of the bipolar AC/AC chopper are non-linear, linearizing them (control coefficients and ) to the value in the range from 0.0 to 1.0 was necessary. In addition, this article presents the results of simulation studies illustrating grid voltage regulation when its amplitude increases due to an excessive generation of energy from photovoltaic or wind generators installed deep in the distribution grid—slow voltage fluctuations. The results of voltage compensation during dips and overvoltages also is presented, using the and dependencies of control signals for individual AC/AC circuit breakers, determined in this article.
This document has the following structure. Section 2 provides some information on the proposed voltage compensator. In Section 3, the ranges of generated voltages for individual output lines, depending on the phase shift of the compensation voltage resultant vector, are presented. In addition, there will be illustrated the mathematical relationships for calculating the pulse duty factors of the functions controlling individual choppers. Section 4 presents a simulation verification of the operation of the compensator system for long-term voltage regulation and compensation of voltage fluctuations. Finally, Section 5 concludes this article.
2. Proposed Voltage Fluctuation Compensator
2.1. Bipolar AC/AC Chopper
As a power electronic converter for generating compensation voltages in the proposed compensator of voltage fluctuations, a bipolar AC/AC chopper with the topology shown in Figure 1 is proposed [,]. To obtain a bipolar output voltage, the chopper is powered by a transformer with a split, symmetrical output winding. The voltage ratio of the transformer depends on the level of compensation voltages. In this paper, the voltage ratio for both output windings is 1:1. For such connection of the transformer on the secondary windings, voltages equal to and , as marked in Figure 1, are obtained. The midpoint of the secondary winding of the transformer is switched through two bidirectional switches, and , generating a bipolar impulse voltage. In order to eliminate the high-frequency components of the currents drawn by the chopper, low-pass filters , and , were used. The bipolar output voltage is filtered out by the low-pass output filter , before being fed to the series transformer. The frequency of the PWM signal is 10 kHz and is a compromise between power losses and the quality of the shaped output waveforms. The resonant frequency of the LC filters should be in the range of about 1/10 to 1/3 of the PWM frequency. In simulation studies, the values of the elements are set at mH, F, mH, F.

Figure 1.
Diagram of the bipolar AC/AC controller based on matrix chopper (MC).
The AC/AC choppers are controlled by a complementary pair of PWM signals using dead time. In the dead time interval, when switches and are off, a short-term overvoltage is induced. The dead time has been permanently set to 0.8 s, which allows for the lowest overvoltages on the power switches. RC suppressors (, ) are used to protect against overvoltages (Figure 1). Parameters of RC dampers depend on the value of “dead time” and overvoltage energy.In the case of the analyzed circuit, , nF. These elements will be needed mainly in the experimental implementation, which is in the preparatory phase. For the purposes of simulation studies, the snubber elements were omitted.
Both bi-directional switches are controlled by the PWM (Pulse Width Modulation) signal with variable duty cycle D which is defined as . A complementary pair of PWM signals is fed simultaneously to each of the two transistors of individual switches and . During the switching sequence period , the switch is closed in the relative time and the switch is closed in the relative time . When the switch is on, the output voltage is , while when the switch is on, the output voltage is . The average value of the output voltage can be described by the following equation:
The voltage gain is then
Substituting the D coefficient from 0 to 0.5 into Equation (1), the voltage change from the maximum value equal to to 0 is obtained, where —the amplitude of the input voltage . In addition, the voltage is in antiphase with the voltage . This means that the phase shift between the input and output voltages is (or rad). On the other hand, for changes in the D coefficient value from 0.5 to 1.0, the output voltage change from 0 to is obtained. For such values of D, the voltage is in phase with the voltage . The idealized control characteristics obtained on the basis of (2) are shown in Figure 2.

Figure 2.
Control characteristics of the bipolar AC/AC controller: (a) voltage transmittance, (b) phase of voltage transmittance.
2.2. Topology of Voltage Compensator Based on Bipolar AC/AC Chopper
In order to increase the reliability of the three-phase voltage fluctuation compensation system, the proposed compensator for each phase will consist of two bipolar AC/AC choppers. Each of these choppers is powered from a different line of the power system and these are lines other than the one in which the compensation occurs. The single module of the voltage compensator in phase 1 is shown in Figure 3. The output of each AC/AC chopper ( and ) is connected to the primary side of transformers and , respectively. The voltage ratio of both transformers is 1:1, and they are interfacing transformers connected in series with the supply voltage.

Figure 3.
Structure of the voltage controller in phase 1 (AC/AC I).
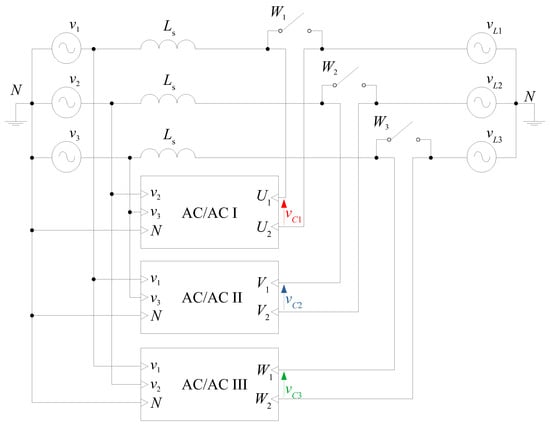
The diagram of the three-phase AC/AC voltage compensator is presented in Figure 4. The considered AC voltage compensator consists of three AC/AC converter modules: AC/AC I, AC/AC II and AC/AC III. Each module is powered by two different phases of the voltage source, e.g., in the AC/AC module in phase 1 (AC/AC I), voltages and are used as the supply. Switches , and are used when there is no need to compensate the supply voltage.

Figure 4.
Diagram of the three-phase voltage compensator with a bipolar AC/AC controller.
Considering that the AC/AC converter is supplied by a symmetrical voltage source, the output voltages and (Figure 3) can be described as
where and —duty cycle of control signal for and , respectively.
The output voltage of the converter AC/AC I () is the sum of the output voltages of and :
By writing the voltage in the complex form in Equation (5), the following form of the equation for the compensation voltage in phase 1 () was obtained:
where , —amplitude and phase of voltage , respectively, , —amplitude of voltages in phase 2 () and phase 3 (). The magnitude and phase of the output voltage of each compensator module for the individual phase can be controlled independently. If duty cycles and are equal and ⩽0.5, then is equal . If duty cycles and are equal and >0.5, then is equal . For different values of and , we obtain a compensation voltage with adjustable voltage and phase in the range of 0–360.
Since the compensating voltage for a given phase of a three-phase system is shaped from the voltages of the other phases, the amplitude range of the compensating voltage varies with the phase shift of the compensating voltage. The calculation of the compensation voltage amplitude, which depends on the phase shift for each phase, will be the subject of the next chapter of this article.
3. Regulation Range of Compensation Voltage Amplitude
In this chapter, a description of the regulation range of compensation voltage amplitude is presented. Each module of compensator (AC/AC I, AC/AC II, AC/AC III) is supplied in a different way. The choppers in the module for line 1 are supplied from line 2 and line 3. The choppers in the module for line 2 are supplied from line 3 and line 1 while the choppers for line 3 are supplied from line 1 and line 2. The analysis of the regulation range for each line of a three-phase system should be considered separately.
3.1. Regulation Range in Line 1
For the compensator for line 1, the chopper MC1 is powered from line 2 and the chopper MC2 is powered from line 3. Since each chopper is bipolar, it is possible to obtain two voltages, and , for chopper MC1 and and for chopper MC2 (according to the characteristics shown in Figure 2). Writing the indicated voltages on the complex plane, and taking into account that the output voltage of the compensator is the sum of the voltages of individual choppers:
the compensation voltage adjustment range for line 1 was obtained as shown in Figure 5. In consequence, different sectors for each AC/AC converter can be determined. Due to the fact that they are asymmetrical, they can be divided into eight sectors. The regulation range needs to be defined individually for each of them.

Figure 5.
Voltage phasor diagram for AC/AC I (Figure 4), where I—VIII are the number of sectors.
In the description below, the variables are presented without reference to the analyzed phase of the output voltage, so that the relationships are general for each phase. Therefore, the designations and were used to determine the amplitude of the output and reference voltage.
Assuming the three-phase balanced system with the phase voltages amplitude and applying the law of sines to a triangle for sector I (Figure 6a), the follow equation is obtained:
where is vector phase shift measured from the beginning of the sector. The angle for this sector changes from 0 to . From (8), the regulation range of the amplitude of the output voltage is obtained as follows:

Figure 6.
Calculation of the output voltage vector amplitude in: (a) sector I, (b) sector II, (c) sector III, (d) sector IV, (e) sector V, (f) sector VI, (g) sector VII, (h) sector VIII.

Figure 7.
(a) Regulation range of the amplitude of the output voltage vector, (b) position angle of the output voltage vector calculated from the beginning of each sector.
For sector II, based on Figure 6b, the following relationships can be described:
The angle for sector II changes from 0 to (Figure 7b). Equation (10) achieves its minimum for equal and maximum for equal (Figure 7a).
Based on the description of the voltage vectors for the subsequent sectors presented in Figure 6, the dependencies for the amplitude of output voltage were calculated, and are listed in Table 1 and illustrated in Figure 7a. Meanwhile, Figure 7b shows the change in in each of the sectors.

Table 1.
The obtained equations for calculation of the maximum amplitude of the output voltage vector for phase 1.
The equations for the voltage regulation range for the second phase (supply from ± and ±) (Figure 8) and for the third phase (supply from ± and ±) can be presented analogously (Figure 9). In Table 2 and Table 3, the equations for the calculation of the amplitude of the output voltage vector for AC/AC II and AC/AC III are presented, respectively.

Figure 8.
Voltage phasor diagram for AC/AC II, (Figure 4), where I—VIII are the number of sectors.

Figure 9.
Voltage phasor diagram for AC/AC III, (Figure 4), where I—VIII are the number of sectors.

Table 2.
The obtained equations for calculation of the amplitude of the output voltage vector for AC/AC II.

Table 3.
The obtained equations for calculation of the amplitude of the output voltage vector for AC/AC III.
3.2. Phase Shift of Output Voltage Control Range
The magnitude of output voltage in each sector by duty cycles and can be controlled. The phase shift between the output voltage and compensated phase be regulated too. When duty cycles are even ( = ), the phase shift is either for or for . If the duty cycles are unequal ≠ , the phase shift is and .
3.3. Pulse Duty Factors Calculation
Duty cycles and (5) are determined by the law of sines, which relates the lengths of the sides of any triangle to the sines of its angles. In each switching sequence, the ratio of the lengths of the sides of the triangle and the sines of its angle formed from the basis vectors (, , ) and the reference voltage vector are determined, as shown in Figure 10. Then, the coefficients and for symmetrical supply voltages for sector I and phase 1 are calculated from the following relations:
where , are the amplitude of voltage and , respectively, while is the amplitude of reference vector for phase 1.

Figure 10.
An example of determining the pulse duty ratios and in sector I.
Since the control characteristic of the output voltage is non-linear (see Figure 2 and Equation (2)), the determined pulse duty factors should be scaled as follows:
The block diagram showing the compensator control strategy is shown in Figure 11.

Figure 11.
Block diagram of the control unit.
4. Simulation Results
The correctness of determining the control coefficients and for individual converters was verified in simulation tests using the Matlab Simulink program. The tests were carried out in an open feedback loop, setting the calculated values of duty cycles of control pulses and . The switching frequency was set to 10 kHz. All transformers with a voltage ratio of 1:1 were used. The following simulation tests were carried out:

Figure 12.
Symmetrical voltage sag.

Figure 13.
Symmetrical overvoltage.

Figure 14.
Low-frequency voltage fluctuation.

Figure 15.
Voltage change in one phase.

Figure 16.
Voltage loss in one phase.
The presented results of simulation tests (Figure 12, Figure 13, Figure 14, Figure 15 and Figure 16) show the compensation possibilities of the proposed system and allow for a verification of the correctness of the calculations of the control signals.
Figure 12 shows the situation of a three-phase voltage dip in the LV distribution line. At time s, there is a three-phase voltage sag from 0.95 to 0.7 of the nominal value ( V—nominal voltage amplitude, —voltage amplitude during the sag). The compensator generated three compensation voltages , and , which, when added to the mains voltages , and gave the resultant output voltages , and with an amplitude equal to the set value of 325 V. The and coefficients controlling the individual AC/AC controllers are equal, as shown in Figure 12.
A similar situation is shown in Figure 13, but for a three-phase symmetrical overvoltage, where the voltage value in time s changed from to ( V—voltage amplitude during the overvoltage). Also, the values of coefficients and are equal, and when the overvoltage is less than 0.5, then the phase shift of the voltage is (Figure 2), i.e., the sum of mains voltages and compensating voltages results in the lowering of the main voltage–overvoltage compensation.
The compensation of slow-changing voltage fluctuations, which means the voltage amplitude is sometimes higher and sometimes lower than the nominal value , is shown in Figure 14. On the basis of the voltage measurement, the change in the coefficients of the starting fillers and is calculated. Their value determines the value of the compensation voltages. For the case shown in Figure 14, a symmetrical change in the voltage values in each phase of the grid is observed; therefore, the coefficients and are equal. If the voltage change occurs only in one of the phases, the values of these coefficients differ. Such a situation is shown in Figure 15, where the voltage sag occurs only in the first phase , where is the voltage value during the sag for phase 1 of the grid voltage.
As already mentioned, the proposed topology allows for the compensation of voltage loss in one phase of the network voltage. Then, in the phase in which the voltage loss occurred, a compensating voltage is generated from the voltages of the other two phases. An example of such compensation is illustrated by the time waveforms presented in Figure 16.
As can be seen, using the proposed system, it is possible to compensate for voltage sags and swells (both single-phase and three-phase), slowly changing voltage fluctuations, as well as voltage decay in one of the phases. It is also possible to compensate for two-phase faults with a change in the phase shift of the input voltages, but this requires more detailed research and analysis, which will be the subject of future research.
The proposed voltage regulation or voltage compensation system can operate continuously by regulating the voltage in such a way that it is at a constant level or within a certain range of changes. That is, they can regulate the voltage in the distribution network, the increase of which was caused by the excessive generation of energy through distributed generation systems, e.g., prosumer PV systems or wind systems. The results of the tests in Figure 14, showing the compensation of slow-changing voltage fluctuations, model changes occurring in a real distribution network with distributed generation systems, where the voltage level changes rather often as a result of changes in weather conditions.
It should be emphasized that the simulation tests were performed in an open control loop. The lack of feedback causes the voltages on the load to differ from the reference values. These differences result from voltage drops on system elements—chokes of input and output filters, power electronic switches, input and coupling transformers. The inaccuracy of shaping the output voltages is also affected by the phase shift between the input and output voltages introduced by the passive elements (L and C) of the input and output low-pass filters. Sample results of simulation tests showing the described differences between the reference and measured values of output voltages, for symmetrical 0.7 voltage sag, are shown in Figure 17. Both the difference in voltage amplitude and a slight phase shift are visible.

Figure 17.
Differences between the reference values and the measured values of the output voltages at a symmetrical three-phase voltage sag.
The determination of the duty cycle factors of the control pulses and is the initial phase for controlling the system in a closed feedback loop. The analysis and selection of the control structure with feedback and the settings of the regulator parameters will be a stage of future research.
An important issue in the operation of the proposed AC voltage compensator is the value of the current drawn from the power grid. This issue is important in the context of compensation, especially of voltage sags, which are caused by short-circuits in the depth of the power grid. The operation of such a compensator will constitute an additional load for the power grid. Figure 18 shows exemplary values of currents drawn from the network during compensation of a voltage dip equal to . From the presented results, it can be seen that the currents increased by almost 25% from 15.5 A to 19.7 A. The compensation of larger dips will cause additional line loads.

Figure 18.
An example of currents taken from the power grid during the operation of a voltage compensator.
5. Conclusions
This article has presented investigations of the properties of the AC voltage compensator topology with AC-AC bipolar converters. This is a continuation of the research presented by Kaniweski in [,]. This article, apart from the outline of the compensator operation concept, has also presented the method of determining the duty cycle factors and for the control functions of individual converters in each phase. In the description of the compensator’s functionality, the output voltage adjustment ranges for each phase are presented, depending on the phase shift of the compensating voltage. This is a much simpler approach than the one presented in the article [].
The obtained results show that, with the use of a compensator, it is possible to regulate AC voltages both at fast voltage changes (sags, swells) as well as slow-changing fluctuations that occur in distribution lines. These fluctuations can be caused by the fluctuating load of the line as well as the fluctuating production of distributed energy sources installed in the compensated line.
This article has also indicated that the calculation of control signals based on idealized measurements is insufficient to generate appropriate compensation signals. Therefore, further work will be required on the design of the structure and the selection of controller settings for the closed control loop. This will allow for the accurate compensation of voltage changes in the AC network.
Author Contributions
Conceptualization, P.S. and E.S.; methodology, P.S. and E.S.; validation, P.S. and E.S.; investigation, P.S. and E.S.; resources, P.S. and E.S.; data curation, P.S. and E.S.; writing—original draft preparation, P.S. and E.S.; writing—review and editing, P.S. and E.S.; visualization, P.S. and E.S.; supervision, P.S.; project administration, P.S.; funding acquisition, P.S. All authors have read and agreed to the published version of the manuscript.
Funding
This research received no external funding.
Institutional Review Board Statement
Not applicable.
Informed Consent Statement
Not applicable.
Data Availability Statement
Not applicable.
Conflicts of Interest
The authors declare no conflict of interest.
References
- Cheng, Z.; Duan, J.; Chow, M.Y. To Centralize or to Distribute: That Is the Question: A Comparison of Advanced Microgrid Management Systems. IEEE Ind. Electron. Mag. 2018, 12, 6–24. [Google Scholar] [CrossRef]
- Commission, E. Communication from the Commission, The European Green Deal. 2019. Available online: https://ec.europa.eu/info/publications/communication-european-green-deal_en (accessed on 15 November 2022).
- Fang, J.; Li, H.; Tang, Y.; Blaabjerg, F. On the Inertia of Future More-Electronics Power Systems. IEEE J. Emerg. Sel. Top. Power Electron. 2019, 7, 2130–2146. [Google Scholar] [CrossRef]
- Saha, S.; Saleem, M.; Roy, T. Impact of high penetration of renewable energy sources on grid frequency behaviour. Int. J. Electr. Power Energy Syst. 2023, 145, 108701. [Google Scholar] [CrossRef]
- Carreno, A.; Perez, M.; Baier, C.; Huang, A.; Rajendran, S.; Malinowski, M. Configurations, Power Topologies and Applications of Hybrid Distribution Transformers. Energies 2021, 14, 1215. [Google Scholar] [CrossRef]
- Burkard, J.; Biela, J. Evaluation of topologies and optimal design of a hybrid distribution transformer. In Proceedings of the 17th European Conference on Power Electronics and Applications (EPE’15 ECCE-Europe), Geneva, Switzerland, 8–10 September 2015; pp. 1–10. [Google Scholar] [CrossRef]
- Radi, M.; Darwish, M.; Taylor, G.; Pisica, I. Control Configurations for Reactive Power Compensation at the Secondary Side of the Low Voltage Substation by Using Hybrid Transformer. Energies 2021, 14, 620. [Google Scholar] [CrossRef]
- Bala, S.; Das, D.; Aeloiza, E.; Maitra, A.; Rajagopalan, S. Hybrid distribution transformer: Concept development and field demonstration. In Proceedings of the IEEE Energy Conversion Congress and Exposition (ECCE), Raleigh, NC, USA, 15–20 September 2012; pp. 4061–4068. [Google Scholar] [CrossRef]
- Radi, M.A.; Darwish, M.; Alqarni, M. Voltage regulation considerations for the design of hybrid distribution transformers. In Proceedings of the 49th International Universities Power Engineering Conference (UPEC), Cluj-Napoca, Romania, 2–5 September 2014; pp. 1–6. [Google Scholar] [CrossRef]
- Sastry, J.; Bala, S. Considerations for the design of power electronic modules for hybrid distribution transformers. In Proceedings of the IEEE Energy Conversion Congress and Exposition, Denver, CO, USA, 15–19 September 2013; pp. 1422–1428. [Google Scholar] [CrossRef]
- Burkard, J.; Biela, J. Design of a Protection Concept for a 100-kVA Hybrid Transformer. IEEE Trans. Power Electron. 2020, 35, 3543–3557. [Google Scholar] [CrossRef]
- Burkard, J.; Biela, J. Transformer inrush current mitigation concept for hybrid transformers. In Proceedings of the 19th European Conference on Power Electronics and Applications (EPE’17 ECCE Europe), Warsaw, Poland, 11–14 September 2017; pp. P.1–P.9. [Google Scholar] [CrossRef]
- Federico, P.; Valentín, R.; Alireza, N.; Ramy, A.; Andrew, K.; Terence, O. Hybrid Power Electronic Transformer Model for System-Level Benefits Quantification in Energy Distribution Systems. Front. Electron. 2021, 2, 716448. [Google Scholar] [CrossRef]
- Foti, S.; Caro, S.D.; Testa, A.; Tornello, L.D.; Scelba, G.; Cacciato, M. An Open-End Winding Hybrid Transformer. In Proceedings of the International Symposium on Power Electronics, Electrical Drives, Automation and Motion (SPEEDAM), Virtual, 24–26 June 2020; pp. 173–177. [Google Scholar] [CrossRef]
- Strzelecki, R.; Matelski, W.; Tomasov, V. Hybrid stepless distribution transformer with four-quadrant AC/DC/AC converter at low voltage side—Simulation tests. Przegląd Elektrotechniczny 2018, 6, 121–127. [Google Scholar] [CrossRef]
- Liu, Y.; Liang, D.; Wang, Y.; Kou, P.; Zhou, K.; Li, D.; Zhang, L.; Gao, Y.; Cai, S.; Wen, Q.; et al. Power Flow Analysis and DC-link Voltage Control of Hybrid Distribution Transformer. IEEE Trans. Power Electron. 2021, 36, 12579–12595. [Google Scholar] [CrossRef]
- Zheng, L.; Marellapudi, A.; Chowdhury, V.R.; Bilakanti, N.; Kandula, R.P.; Saeedifard, M.; Grijalva, S.; Divan, D. Solid-State Transformer and Hybrid Transformer With Integrated Energy Storage in Active Distribution Grids: Technical and Economic Comparison, Dispatch, and Control. IEEE J. Emerg. Sel. Top. Power Electron. 2022, 10, 3771–3787. [Google Scholar] [CrossRef]
- Szcześniak, P.; Kaniewski, J. Hybrid Transformer With Matrix Converter. IEEE Trans. Power Deliv. 2016, 31, 1388–1396. [Google Scholar] [CrossRef]
- Szcześniak, P.; Kaniewski, J. A voltage regulator/conditioner based on a hybrid transformer with matrix converter. In Proceedings of the IECON 2014—40th Annual Conference of the IEEE Industrial Electronics Society, Dallas, TX, USA, 29 October–1 November 2014; pp. 3292–3297. [Google Scholar] [CrossRef]
- Pinto, S.; Mendes, P.; Fernando Silva, J. Modular Matrix Converter Based Solid State Transformer for smart grids. Electr. Power Syst. Res. 2016, 136, 189–200. [Google Scholar] [CrossRef]
- Pinto, S.F.; Alcaria, P.; Monteiro, J.; Silva, J.F. Matrix Converter-Based Active Distribution Transformer. IEEE Trans. Power Deliv. 2016, 31, 1493–1501. [Google Scholar] [CrossRef]
- Wang, Y.; Cai, G.W.; Liu, C.; Zhu, B.; Guo, D.; Zhang, H. Three-Phase Flexible Transformer Based on Bipolar Direct AC/AC Chopper and its Control Strategy. IEEE Access 2020, 8, 173336–173344. [Google Scholar] [CrossRef]
- Kaniewski, J.; Fedyczak, Z.; Benysek, G. AC Voltage Sag/Swell Compensator Based on Three-Phase Hybrid Transformer with Buck-Boost Matrix-Reactance Chopper. IEEE Trans. Ind. Electron. 2014, 61, 3835–3846. [Google Scholar] [CrossRef]
- Kaniewski, J.; Jarnut, M.; Szcześniak, P.; Fedyczak, Z. The Study of Smart Distribution Transformer Based on a Bipolar Matrix Chopper. In Proceedings of the 11th IEEE International Conference on Compatibility, Power Electronics and Power Engineering (CPE-POWERENG), Cadiz, Spain, 4–6 April 2017; pp. 282–287. [Google Scholar] [CrossRef]
- Aeloiza, E.; Enjeti, P.; Moran, L.; Montero-Hernandez, O.; Kim, S. Analysis and design of a new voltage sag compensator for critical loads in electrical power distribution systems. IEEE Trans. Ind. Appl. 2003, 39, 1143–1150. [Google Scholar] [CrossRef]
- Kaniewski, J.; Szcześniak, P.; Jarnut, M.; Benysek, G. Hybrid Voltage SagSwell Compensators: A Review of Hybrid ACAC Converters. IEEE Ind. Electron. Mag. 2015, 9, 37–48. [Google Scholar] [CrossRef]
- Zhu, B.; Liu, C.; Shen, M.; Cai, G.; Mu, X.; Wang, X.; Guo, D.; Zhang, H.; Chen, H. Line-Frequency-Isolation Flexible AC-Link Converter Based on Direct AC-AC Choppers. IEEE Trans. Power Electron. 2022, 37, 4195–4210. [Google Scholar] [CrossRef]
- Jothibasu, S.; Mishra, M.K. A Control Scheme for Storageless DVR Based on Characterization of Voltage Sags. IEEE Trans. Power Deliv. 2014, 29, 2261–2269. [Google Scholar] [CrossRef]
- Jothibasu, S.; Mishra, M.K. An Improved Direct AC–AC Converter for Voltage Sag Mitigation. IEEE Trans. Ind. Electron. 2015, 62, 21–29. [Google Scholar] [CrossRef]
- Kaniewski, J.; Szcześniak, P.; Jarnut, M.; Fedyczak, Z. Voltage conditioner & power flow controller based on bipolar matrix-reactance choppers. Int. J. Electr. Power Energy Syst. 2018, 94, 256–266. [Google Scholar] [CrossRef]
- Kaniewski, J. Three-Phase Power Flow Controler Based on Bipolar AC/ AC Converter with Matrix Choppers. In Proceedings of the International Symposium on Power Electronics, Electrical Drives, Automation and Motion (SPEEDAM), Amalfi, Italy, 20–22 June 2018; pp. 709–715. [Google Scholar] [CrossRef]
- Kaniewski, J. Power flow controller based on bipolar direct PWM AC/AC converter operation with active load. Arch. Electr. Eng. 2019, 68, 341–356. [Google Scholar] [CrossRef]
- Kaniewski, J. Hybrid distribution transformer based on a bipolar direct AC/AC converter. IET Electr. Power Appl. 2018, 12, 1034–1039. [Google Scholar] [CrossRef]
Disclaimer/Publisher’s Note: The statements, opinions and data contained in all publications are solely those of the individual author(s) and contributor(s) and not of MDPI and/or the editor(s). MDPI and/or the editor(s) disclaim responsibility for any injury to people or property resulting from any ideas, methods, instructions or products referred to in the content. |
© 2023 by the authors. Licensee MDPI, Basel, Switzerland. This article is an open access article distributed under the terms and conditions of the Creative Commons Attribution (CC BY) license (https://creativecommons.org/licenses/by/4.0/).