Deformation Control Technology of Gob-Side Entry Retaining with Large Volume CFST Roadway Side Support in Top-Coal Caving Longwall and Stability Analysis: A Case Study
Abstract
1. Introduction
2. Engineering Background
2.1. Engineering Geology Overview
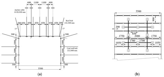
2.2. Basic Supporting Parameter of Roadway
2.2.1. Roof Support
2.2.2. Coal Wall Support
2.3. Roadside Support
3. Stability Analysis of an Integral Load-Bearing Structure of GER
3.1. Roof Structure of GER in a Fully Mechanized Top Coal Caving Longwall
3.2. Interaction Mechanism of Discontinuous Arrangement Roadside Support
3.2.1. Stress Distribution between Columns
3.2.2. Roof-Support Body Shear Failure Mechanism
4. Analyses of Discontinuous Supporting in Gob-Side Entry Retention
5. Field Application
5.1. Pre-Strengthening Treatment of Roof
- (1)
- Pre-strengthening of the roof between the hydraulic supports of the working longwall: three rows of anchor cables with specs Φ22L7300 mm are set on both sides of 2# and 3# hydraulic support, with a spacing of 1600 mm. The combination of 8# channel steel with a length of 300 mm and a steel plate with a length of 120 mm, width of 60 mm, and thickness of 12 mm is adopted to the anchor lockset. An anchor exposed end length of 250 mm and not less than 200 KN of pre-tightening force of the anchor cable is required.
- (2)
- Roadway roof strengthening: a group of anchor cables with specs Φ22L7300 mm are set on the roadway roof close to the gob side. Two anchor cables are in each group, one of them being 200 mm away from the roadside support body side, and the other being 1500 mm away from the roadside support body side. Two anchor cables are linked by a double-reinforced steel strip with a length of 1600 mm, and the spacing between each group of anchor cables is 1800 mm in the mining direction. The steel plate with a length of 300 mm, width of 300 mm, and thickness of 16 mm is adopted to the lockset of the anchor cable, and not less than 200 KN of pre-tightening force of anchor cable is required.
5.2. Process of Roadway Retaining
5.3. Effects of Gob-Side Entry Retaining with CFST
6. Conclusions
- Considering the high strength an adaptability requirements of the roadside supports for roof deformation in gob-side entry retaining in a top caving longwall, large-diameter, sleeve-structured, concrete-filled steel tubes have been proposed as a roadside support body. According to the surrounding rock large-structure characteristics of gob-side entry retaining in a fully mechanized top caving working panel, a mechanical model was established, and a calculation method for roof subsidence was obtained.
- A mechanical analysis model of roof rock mass between columns was established to clarify the distribution form of the tensile stress zone, and the Prandtl foundation failure criterion was introduced to determine the critical condition of shear-slip instability in the contact surface between the concrete-filled steel tubes and the roof, which provided a design basis for the stability control and support scheme for the roof between columns.
- Aiming at the difficulty of surrounding rock control of gob-side entry retaining in a top caving longwall, the process and parameters of gob-side entry retaining with large-diameter, concrete-filled steel tube roadside support were put forward, which effectively guarantee the safe and efficient construction of gob-side entry retaining.
- Field tests were carried out in the 91–101 ventilation roadway. The roadside support of gob-side entry retaining in the 91–101 ventilation roadway consists of concrete-filled steel tubes with a core sleeve structure; the outer tube is made of a hot-rolled seamless steel pipe with a diameter of 1220 mm and thickness of 10 mm, and the inner tube is made of a waste gas drainage pipe with a diameter of 425 mm and thickness of 3.5 mm, respectively. The deformations of the roof and floor of the roadway were monitored and the results showed that the deformations of the retained roadway roof and floor could be divided into three stages: slow deformation stage, dynamic pressure influence stage, and gradual stability stage. The maximum subsidence of the retained roof reached about 430 mm, and the floor heave of the retained roadway reached 80 mm. The roof probe results showed that the main roof above the roadway was relatively intact, and the basic roadway support system was still in a stable state. The area of the retained roadway section reached 12.9 m2.
Author Contributions
Funding
Institutional Review Board Statement
Informed Consent Statement
Data Availability Statement
Conflicts of Interest
References
- Tan, Y.L.; Yu, F.H.; Ning, J.G.; Zhao, T.B. Design and construction of entry retaining wall along a gob side under hard roof stratum. Int. J. Rock Mech. Min. 2015, 77, 115–121. [Google Scholar] [CrossRef]
- Xie, S.; Pan, H.; Chen, D.; Zeng, J.; Song, H.; Cheng, Q.; Xiao, H.; Yan, Z.; Li, Y. Stability analysis of integral load-bearing structure of surrounding rock of gob-side entry retention with flexible concrete formwork. Tunn. Undergr. Space Technol. 2020, 103, 103492. [Google Scholar] [CrossRef]
- Li, J.Z.; Zhang, M.; Li, Y.; Hu, H. Surrounding rock control mechanism in the gob-side retaining entry in thin coal seams, and its application. J. S. Afr. Inst. Min. Metall. 2018, 118, 471–480. [Google Scholar] [CrossRef]
- Bai, J.; Shen, W.; Guo, G.; Wang, X.; Yu, Y. Roof Deformation, Failure Characteristics, and Preventive Techniques of Gob-Side Entry Driving Heading Adjacent to the Advancing Working Face. Rock Mech. Rock Eng. 2015, 48, 2447–2458. [Google Scholar] [CrossRef]
- Guo, P.; Yuan, Y.; Ye, K.; Sun, D. Fracturing mechanisms and deformation characteristics of rock surrounding the gate during gob-side entry retention through roof pre-fracturing. Int. J. Rock Mech. Min. 2021, 148, 104927. [Google Scholar] [CrossRef]
- Qi, F.; Ma, Z.; Yang, D.; Li, N.; Li, B.; Wang, Z.; Ma, W. Stability Control Mechanism of High-Stress Roadway Surrounding Rock by Roof Fracturing and Rock Mass Filling. Adv. Civ. Eng. 2021, 2021, 6658317. [Google Scholar] [CrossRef]
- He, M.; Gao, Y.; Yang, J.; Gong, W. An Innovative Approach for Gob-Side Entry Retaining in Thick Coal Seam Longwall Mining. Energies 2017, 10, 1785. [Google Scholar] [CrossRef]
- Wang, Q.; He, M.; Yang, J.; Gao, H.; Jiang, B.; Yu, H. Study of a no-pillar mining technique with automatically formed gob-side entry retaining for longwall mining in coal mines. Int. J. Rock Mech. Min. 2018, 110, 1–8. [Google Scholar] [CrossRef]
- Yang, J.; He, M.; Cao, C. Design principles and key technologies of gob side entry retaining by roof pre-fracturing. Tunn. Undergr. Space Technol. 2019, 90, 309–318. [Google Scholar] [CrossRef]
- Zhang, X.; Chen, L.; Gao, Y.; Hu, J.; Yang, J.; He, M. Study of An Innovative Approach of Roof Presplitting for Gob-Side Entry Retaining in Longwall Coal Mining. Energies 2019, 12, 3316. [Google Scholar] [CrossRef]
- Wang, Y.; Wang, Q.; He, M.; Hou, S.; Yang, J.; Gao, Y. Stress and deformation evolution characteristics of gob-side entry retained by the N00 mining method. Geomech. Geophys. Geo-Energy Geo-Resour. 2021, 7, 84. [Google Scholar] [CrossRef]
- Sun, X.; Zhao, C.; Zhang, Y.; Chen, F.; Zhang, S.; Zhang, K. Physical model test and numerical simulation on the failure mechanism of the roadway in layered soft rocks. Int. J. Min. Sci. Technol. 2021, 31, 291–302. [Google Scholar] [CrossRef]
- Cheng, S.; Ma, Z.; Gong, P.; Li, K.; Li, N.; Wang, T. Controlling the Deformation of a Small Coal Pillar Retaining Roadway by Non-Penetrating Directional Pre-Splitting Blasting with a Deep Hole: A Case Study in Wangzhuang Coal Mine. Energies 2020, 13, 3084. [Google Scholar] [CrossRef]
- Wang, P.; Ding, L.; Ma, Y.; Feng, T.; Sun, G.; Zhu, Y.; Ren, H.; Li, P.; Zhang, Y.; Wang, X.; et al. A Case Study on Gob-Side Entry Retaining Technology in the Deep Coal Mine of Xinjulong, China. Adv. Civ. Eng. 2020, 2020, 8849093. [Google Scholar] [CrossRef]
- Qi, F.; Yang, D.; Zhang, Y.; Hao, Y. Analysis of Failure Mechanism of Roadway Surrounding Rock under Thick Coal Seam Strong Mining Disturbance. Shock Vib. 2021, 2021, 9940667. [Google Scholar] [CrossRef]
- Zhang, G.; Li, Q.; Zhang, Y.; Du, F. Failure characteristics of roof in working face end based on stress evolution of goaf. Geomech. Geophys. Geo-Energy Geo-Resour. 2021, 7, 53. [Google Scholar] [CrossRef]
- Liu, S.M.; Sun, H.T.; Zhang, D.M. Nuclear magnetic resonance study on the influence of liquid nitrogen cold soaking on the pore structure of different coals. Phys. Fluids 2023, 35, 012009. [Google Scholar] [CrossRef]
- Xie, S.; Wang, E.; Chen, D.; Sun, Y.; Cheng, Q.; Ji, C.; Yan, Z.; Xiao, H. Failure analysis and control mechanism of gob-side entry retention with a 1.7-m flexible-formwork concrete wall: A case study. Eng. Fail. Anal. 2020, 117, 104816. [Google Scholar] [CrossRef]
- Huang, W.; Wang, X.; Shen, Y.; Feng, F.; Wu, K.; Li, C. Application of concrete-filled steel tubular columns in gob-side entry retaining under thick and hard roof stratum: A case study. Energy Sci. Eng. 2019, 7, 2540–2553. [Google Scholar] [CrossRef]
- Qu, G.L.; Gao, Y.F.; Yang, L.; Xu, B.J.; Liu, G.L.; Meng, D.J. Strength Assessments of Concrete-Filled Steel Tubular Support of Soft Rock Roadway. Adv. Mater. Res. 2013, 838–841, 1884–1890. [Google Scholar] [CrossRef]
- Chen, P.; Wang, Y.; Zhang, S. Size effect prediction on axial compression strength of circular CFST columns. J. Constr. Steel Res. 2020, 172, 106221. [Google Scholar] [CrossRef]
- Li, Y.; Yang, S.Q.; Li, Y. Experiment and numerical simulation on cracking behavior of marble containing double elliptic holes under uniaxial compression. Theor. Appl. Fract. Mech. 2021, 112, 102928. [Google Scholar] [CrossRef]
- Li, Y.; Yang, S.Q.; Liu, Z.L.; Sun, B.W.; Yang, J.; Xu, J. Study on mechanical properties and deformation of coal specimens under different confining pressure and strain rate. Theor. Appl. Fract. Mech. 2022, 118, 103287. [Google Scholar] [CrossRef]
- Yang, H.Y.; Cao, S.G.; Wang, S.Q.; Fan, Y.C.; Wang, S.; Chen, X.Z. Adaptation assessment of gob-side entry retaining based on geological factors. Eng. Geol. 2016, 209, 143–151. [Google Scholar] [CrossRef]
- Deng, Y.H.; Tang, J.X.; Zhu, X.K.; Fu, Y.; Dai, Z.L. Analysis and application in controlling surrounding rock of support reinforced roadway in gob-side entry with fully mechanized. Int. J. Min. Sci. Technol. 2010, 6, 841–845. [Google Scholar] [CrossRef]
- Palchik, V. Bulking factors and extents of caved zones in weathered overburden of shallow abandoned underground workings. Int. J. Rock Mech. Min. Sci. 2015, 79, 227–240. [Google Scholar] [CrossRef]
- Zhang, Y.Q.; Tang, J.X.; Xiao, D.Q. Spontaneous caving and gob-side entry retention of thin seam with large inclined angle. Int. J. Min. Sci. Technol. 2014, 24, 441–445. [Google Scholar] [CrossRef]
- Li, W.F.; Bai, J.B.; Peng, S.S. Numerical modeling for yield pillar design: A case study. Rock Mech. Rock Eng. 2015, 48, 305–318. [Google Scholar] [CrossRef]
- Kazanin, O.I.; Ilinets, A.A. Ensuring the excavation workings stability when developing excavation sites of flat-lying coal seams by three workings. J. Min. Inst. 2022, 253, 41–48. [Google Scholar] [CrossRef]
- Zubov, V.P.; Phuc, L.Q. Development of resource-saving technology for excavation of flat-lying coal seams with tight roof rocks (on the example of the quang ninh coal basin mines). J. Min. Inst. 2022, 257, 795–806. [Google Scholar] [CrossRef]
- Zubov, V.P.; Golubev, D.D. Prospects for the use of modern technological solutions in the flat-lying coal seams development, taking into account the danger of the formation of the places of its spontaneous combustion. J. Min. Inst. 2021, 250, 534–541. [Google Scholar] [CrossRef]
- Sidorenko, A.A.; Sidorenko, S.A.; Ivanov, V.V. Numerical modelling of multiple-seam coal mining at the taldinskaya-zapadnaya-2 mine. ARPN J. Eng. Appl. Sci. 2021, 16, 568–574. [Google Scholar]
- Zuev, B.Y.; Istomin, R.S.; Kovshov, S.V.; Kitsis, V.M. Physical modeling the formation of roof collapse zones in vorkuta coal mines. Bull. Miner. Res. Explor. 2020, 162, 225–234. [Google Scholar] [CrossRef]
- Sidorenko, A.A.; Ivanov, V.V.; Sidorenko, S.A. Numerical simulation of rock massif stress state at normal fault at underground longwall coal mining. Int. J. Civ. Eng. Technol. 2019, 10, 844–851. [Google Scholar]
- Phuc, L.Q.; Dmitriev, P.N.; Van Duy, T.; Yunpeng, L. Influence of the main roof on the parameters of the abutment pressure zone in the selvedge of the seam. Min. Inf. Anal. Bull. 2022, 6, 68–82. [Google Scholar] [CrossRef]
















| Lithology | Young’s Modulus/GPa | Poisson Ratio | Angle of Internal Friction/° | Cohesion/MPa | Tensile Strength/MPa |
|---|---|---|---|---|---|
| Fine sandstone | 12.3 | 0.27 | 35 | 6.0 | 4.0 |
| Mudstone | 8.75 | 0.26 | 30 | 4.9 | 3.8 |
| 3# Coal | 5.3 | 0.32 | 40 | 2.1 | 1.3 |
| Sandy mudstone | 12.3 | 0.27 | 35 | 6.0 | 4.0 |
| Fine mudstone | 15.0 | 0.26 | 34 | 6.5 | 4.3 |
| Young’s Modulus/GPa | Poisson Ratio | Cohesion/MPa | Angle of Internal Friction/° | Tensile Strength/MPa |
|---|---|---|---|---|
| 2.6 × 10 | 0.3 | 8.62 × 106 | 40 | 4.0 × 106 |
| Ctab/MPa | 0 | 0.2 × 10−2 | 0.4 × 10−2 | 0.6 × 10−2 | 0.8 × 10−2 | 1.0e × 10−2 | 1.2 × 10−2 |
| 8.2 | 8.2 | 7.8 | 7.5 | 7.3 | 7.2 | 7.2 | |
| Ftab/MPa | 0 | 0.2 × 10−2 | 0.4 × 10−2 | 0.6 × 10−2 | 0.8 × 10−2 | 1.0 × 10−2 | 1.2 × 10−2 |
| 40 | 39 | 37 | 35 | 33 | 32 | 31 |
Disclaimer/Publisher’s Note: The statements, opinions and data contained in all publications are solely those of the individual author(s) and contributor(s) and not of MDPI and/or the editor(s). MDPI and/or the editor(s) disclaim responsibility for any injury to people or property resulting from any ideas, methods, instructions or products referred to in the content. |
© 2023 by the authors. Licensee MDPI, Basel, Switzerland. This article is an open access article distributed under the terms and conditions of the Creative Commons Attribution (CC BY) license (https://creativecommons.org/licenses/by/4.0/).
Share and Cite
Liu, Z.-L.; Ma, Z.-G.; Kazanin, O.I.; Gong, P.; Li, Y.; Ni, X.-Y. Deformation Control Technology of Gob-Side Entry Retaining with Large Volume CFST Roadway Side Support in Top-Coal Caving Longwall and Stability Analysis: A Case Study. Appl. Sci. 2023, 13, 8610. https://doi.org/10.3390/app13158610
Liu Z-L, Ma Z-G, Kazanin OI, Gong P, Li Y, Ni X-Y. Deformation Control Technology of Gob-Side Entry Retaining with Large Volume CFST Roadway Side Support in Top-Coal Caving Longwall and Stability Analysis: A Case Study. Applied Sciences. 2023; 13(15):8610. https://doi.org/10.3390/app13158610
Chicago/Turabian StyleLiu, Zi-Lu, Zhan-Guo Ma, Oleg Ivanovich Kazanin, Peng Gong, Ye Li, and Xiao-Yan Ni. 2023. "Deformation Control Technology of Gob-Side Entry Retaining with Large Volume CFST Roadway Side Support in Top-Coal Caving Longwall and Stability Analysis: A Case Study" Applied Sciences 13, no. 15: 8610. https://doi.org/10.3390/app13158610
APA StyleLiu, Z.-L., Ma, Z.-G., Kazanin, O. I., Gong, P., Li, Y., & Ni, X.-Y. (2023). Deformation Control Technology of Gob-Side Entry Retaining with Large Volume CFST Roadway Side Support in Top-Coal Caving Longwall and Stability Analysis: A Case Study. Applied Sciences, 13(15), 8610. https://doi.org/10.3390/app13158610

