Abstract
Wettability is a key parameter for optimizing the residual oil recovery from geological rock formations and it provides a path for improved oil recovery and geo-storage of energy. Thus, the key motive behind wettability alteration from hydrophobic to hydrophilic is to enhance the oil productivity. Thus, this work concentrates on Sui main limestone reservoir core samples’ wettability alteration (altering their surface wetting behavior from an oil-wet to water-wet state) for enhanced oil recovery. Hence, we examine the effectiveness of alumina nanofluid as well as a new chemical methyl blue to alter the wettability. Methyl blue is released on a large scale from various industries, i.e., pharma, textile, and food industries, which is a key environmental concern; subsequently, it contaminates the water table. Hence, the study explores the effects of MB and alumina nanofluid on wettability. The effect of nanofluids formulated via dispersing the alumina nanoparticles in aqueous solutions at various concentrations (0. 0.05, 0.3, 0.50, 0.75, and 1.0 wt. %) were tested for wettability modifications under different physio-thermal conditions. Subsequently, the wettability change was examined for these samples treated with different concentrations of MB (10, 15, 30, 50, and 100 mg/L) for 7 days at two different temperatures (25 and 50 °C). The results show that the hydrophobicity of the SML carbonate rock significantly reverses while treating with alumina nanofluids and MB. Thus, the wettability modification/reversal via the treatment of MB and alumina nanofluids can be an effective mechanism for hydrogen injections and EOR processes.
1. Introduction
Fossil fuels are a significant contributor to the world energy demand [1,2,3,4,5]. It is reported that carbonate reservoir rock formations exhibit a high volume of about 60% of all the global reserves. Hence, carbonate reservoirs are considered to be the crucial targets to fulfill energy needs at present [6,7]. The exploitation and development of carbonate reservoirs is challenging due to heterogeneity and its complex multi-modal pore structures [8,9]. Generally, low hydrocarbon recovery from carbonate reservoirs is mainly due to their mixed to oil-wet characteristics [10,11,12]. For instance, oil-wet carbonate rocks shows higher residual oil saturations due to the stronger bonding between oil and reservoir rocks [13] and greater interfacial tensions (IFTs) [14]. Thus, this requires considerable attentions where the wettability can be altered and trapped oil amounts recovered. Most of these reservoirs are water-wet; thus, the residual trapping of oil is greater in in situ conditions and even at the core scale [15,16]. Many studies have described the rock-wetting phenomenon where higher levels of residual oil are trapped within subsurface formations mainly due to strong water-wet conditions [15,16,17]. However, the oil recovery from carbonate reservoirs via secondary recovery methods is ineffective. Generally, the oil is produced from fractures via secondary recovery flooding operations; however, the water is not absorbed into the matrix of the carbonate rocks due to its inherited oil-wet behavior [18]. Thus, the oil remains trapped in carbonate reservoir rocks and the overall recovery by secondary recovery processes in such reservoirs achieved is up to 10–30% [19]. Additionally, the displacement efficiencies of carbonate reservoirs are mainly affected by various parameters, such as fluid viscosities, IFT, rock pore morphology, and the wettability of the rock [20,21]. Among all the above-mentioned parameters, wettability is one of the more desirable characteristics to evaluate the flow behavior of such rocks. In addition, reservoir dynamic properties are mainly affected by wettability, which, in turn, is affected by the subsurface reservoir rock mineral composition and brine chemistry [22,23]. Therefore, wettability is considered to be one of the most essential rock properties to influence the fluid flow in subsurface reservoir rocks [24,25,26]. Obviously, the definition of wettability is very simple; however, it is very complex to understand the its beheaviour under subsurface reservoir conditions. or even within core plugs at the laboratory scale due to the fact that rocks exhibit complex pore morphologies, rock heterogeneities, and divergent mineral constituents [25]. Therefore, several methods are introduced to modify the wettability of such rocks and to enhance the trapped oil recovery.
Recently, methylene blue (MO), an industrial waste as an organic pollutant, is used to alter the wetting behavior of rock surfaces [7]. It is a very harmful contaminant and is widely discharged industrial wastewater. Hence this can be used as a chemical agent for its potential to enhance oil recovery (EOR) by altering the wettability of reservoir rocks. However, the long-term effects of methylene blue on the reservoir and environment are not fully understood. In some studies, methylene orange has shown to increase the water-wetness of the rock’s surface, which can improve the displacement of oil by water. This is because water-wet surfaces have a greater affinity for water and repel oil, which can reduce the capillary forces that hold the oil in place and make it easier to displace. Hence, methyl orange usage mitigates the disposal of industrial wastewater (hazardous substances) into the environment and modifies the rock’s wettability and enhances oil recovery and hydrogen geo-storage capacities [7]. In addition, the use of nanomaterials, which are dispersed with distilled water as a base fluid to formulate nanofluids has gained considerable importance in improving the oil recovery capacity [27,28,29,30]. Generally, nanofluids are formed by dispersing the desired quantity of nanoparticles into the base fluid. In recent decades, various nanomaterials have been introduced for improved oil recovery, including the TiO2 [31], SiO2 [32,33,34], zinc oxide (ZnO) [35], and graphene [36]. Thus, nanofluids appear as prominent materials to recover trapped oil by altering the oil-water IFT, changing the effluent’s viscosity and increasing oil mobility [37], to alter the rock’s wettability [38]. Substantial oil and gas resources are present in the central and lower areas of the Indus basin in Pakistan.. The existing production data show that conventional methods of oil recovery are inefficient and challenging due to a number of reasons, i.e., diversified rock composition, complex pore networks, and fractured rocks. Thus, the present study’s key target is to improve the residual oil productivity, particularly from carbonate reservoir rocks through application of nano-fluids and MB treatments. By the applications of such treatments to Sui main limestone rocks, oil recovery is improved through wettability modifications [7]. This paper aims to systematically investigate the impact of methylene blue and alumina nanoparticles on wettability alterations over a wide range of experimental conditions. Therefore, the use of a new chemical, such as methylene blue, to reverse the formation’s hydrophobic nature, thereby enhancing oil recovery, is a novel aspect of the present study. In this regard, the wettability of Sui main limestone core samples is assessed as a function of temperature, brine salinity, and alumina nanofluid to examine the effects of methylene blue on wettability. This idea will be highly advantageous when managing industrial wastewater discharge from the textile and other industries and may have successful implications for enhancing residual oil recovery rates.
2. Geology and the Tectonic Setting of the Study Area
The sedimentary basin studied was characterized as a thick sequence of sedimentary rocks that included sandstone, siltstone, and shale. The different rocks were deposited in a variety of environments, including fluvial, deltaic, and marine settings, in this sedimentary basin. The tectonic setting of this sedimentary basin was very complex and influenced by a variety of factors over the geological period. In the Cretaceous period, the middle Indus basin was affected by the emplacement of large igneous intrusions, which caused significant deformation and uplift in the region [38]. This uplift led to the formation of a large dome-like structure known as the Khairpur Anticline [39]. In the Paleogene and Neogene periods, the region was affected by tectonic forces. This study examined the main hydrocarbon-producing carbonate formation in the middle Indus basin (MIB), as shown in Figure 1 [39]. This limestone formation is overlain by the Ghazij, Habib Rahi, and Sirki formations [40].
Figure 1.
Sedimentary map of the study area along major tectonic settings in Pakistan [40].
3. Materials and Methods
3.1. Materials
The core samples from Sui main limestone (SML) carbonate formations were obtained from the hydrocarbon development Institute (HDIP), Islamabad. The Sui main limestone reservoir is considered to be an isolated reservoir, mainly formed in a closed system supported by an aquifer at the bottom. The petrophysical characterization of these carbonate rocks was extremely difficult due to heterogeneity and it exhibited a complex pore network. Based on the data obtained from well logs, these limestone reservoirs exhibited great variations in porosities ranging from 2–36%, with an average porosity of 22% [41]. In some places, these carbonates indicated microfractures and vugs, which resulted in high porosity values. These microcracks were interconnected well, thus allowing the fluid to be produced more effectively [40,41].
The samples of SML formations received from HDIP were 1.5 inch plug sizes. After collection, all the samples were thoroughly cleaned by washing with demineralized water and were then dried in an oven. Subsequently, the cubes were prepared, cut into variable sizes of around 1.5 × 1.5 × 2 cm. The samples were then polished on grinder with grit/sand paper as shown in Figure 2a. Aluminum oxide nanoparticle, powder of alumina (Al2O3) was purchased from Sigma Aldrich (Darmstadt, Germany) and the powder of MB (C16H18CIN3) as shown in Figure 2b was also purchased from Sigma Aldrich (Darmstadt, Germany). The basic properties and descriptions of the aluminum oxide (Al2O3) nanoparticles are provided in Table 1. This nanoparticle powder had a purity of 99.0% and particle sizes up to 150 nm with a density of around 3.95 g/cm3 and nearly spherical. In addition, the sample surface was treated with MB (C16H18CIN3S; Figure 3) were also purchased from Sigma-Aldrich (Darmstadt, Germany) to modify the wettability. The samples aged in different concentrations of MB are shown in Figure 2c and alumina nanoparticle powder displayed as in Figure 2d.
Figure 2.
Illustrations of the (a) subsurface carbonate core thin section of Sui main limestone (SML) formation, (b) stack of (Al2O3) nanoparticle powder and methylene blue dye, (c) MB dye solution under varying concentrations (10, 25, 50, 75, and 100) mg/L, (d) alumina-based nanofluid concentrations (0.05, 0.3, 0.50, 0.75, and 1.0 wt. %).
Table 1.
Description of aluminum oxide (Al2O3) nanoparticles.
Figure 3.
Illustration of the chemical structure of methylene blue (MB).
3.2. Fluid Formulations, Treatment, and Stability
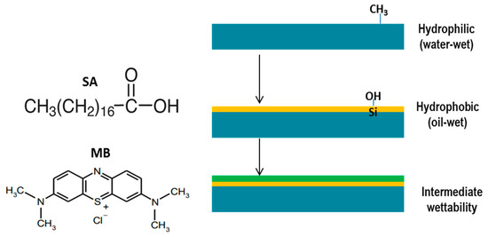
As displayed in Figure 4, the samples were cleaned with water then submerged in stearic acid and then treated with MB. Afterwards, the alumina nanofluids formulated via desired amount of alumina nanoparticle powders and de-mineralized water were used as a base fluid. Alumina nanofluids with varying concentrations (0.05, 0.3, 0.50, 0.75, and 1.0 wt. %) were prepared where distilled water was added as a dispersing agent. Then, different concentrations of MB dye (10, 25, 50, 75, and 100 mg/L) were prepared to modify the limestone carbonate rock samples’ wettability. The limestone core samples were then aged in alumina nanofluid and MB solutions to modify their wettability. Initially, the nanoparticles were not mixed properly with the base fluids to make a uniform mixture. Thus, to disperse the nanoparticle clusters, an ultrasonication device was used to form stable nanofluids as illustrated in Figure 5. Finally, an ultrasonic device was used to homogenize the nanofluids for 10 min to improve the stability.
Figure 4.
Limestone carbonate core’s surface treatment via stearic acid (SA) and methylene blue (MB) in an aqueous solution (modified after Alhamad et al., 2023) [42].
Figure 5.
Flowchart illustrating the stable aluminum oxide nanofluid formulation.
3.3. Sample Aging Procedure
The samples were appropriately clean and dried, and then immersed into the solutions of methyl blue and alumina nanofluids. The alumina nanofluids and methyl blue were prepared to age the samples. The nanofluids prior to use for aging were homogenized using a magnetic stirrer at 300 rpm and ambient conditions of temperature and pressures. Thereafter, the homogenous uniform mixture was formed and the solutions were placed in sealed vial bottles to prevent the evaporation of paraffin and solvents. The SML samples’ chips were then submerged into both of the methyl blue and alumina nanofluid solutions for 7 days. The SML samples were treated with methyl blue at concentrations of 10, 15, 30, 50, and 100 mg/L as well as using alumina nanofluids concentrations ranging from 0.05, 0.3, 0.50, 0.75, up to 1.0 wt. %.
4. Experimental Methods
4.1. X-ray Diffraction Analysis XRD
Mineral constituents of Sui main limestone carbonate rock samples were attained via analytical instruments and the results were analyzed using PANalytical X-ray diffractometer via Cu-Kα source. For the chemical composition of Sui Main limestone, powdered samples smaller than 2 µm. were prepared and sent to an analytical X-ray diffractometer analyzer. The experimental details of the X-ray diffraction analysis were explained in our previous studies [2].
4.2. Fourier Transforms Infrared (FTIR) Spectroscopy
Fourier transform infrared (FTIR) spectroscopy was a rapid and efficient way of measuring the constituent components in any of the samples. Hence, for this reason, in this study, the samples of desired sizes were prepared and sent to another lab for testing. The details about the FTIR experimental procedures are explained in [42].
4.3. Surface Features’ Characterizations via Atomic Force Microscopy (AFM)
The samples’ topographic features were analyzed before and after treating the Sui main limestone samples via AFM. The purpose of these experiments was to examine the samples’ surface smoothness prior to the CA tests. As per the experimental set-up requirements, small cubes of Sui main limestone samples were cut and then polished with different sandpaper sizes. The desired size for the AFM features’ examinations were around 10 × 10 × 2 mm; therefore, the sample sizes were further reduced to the aforementioned sizes. Furthermore, for the experimental details, the readers should refer to our previously published studies [2].
4.4. Surface Morphology via SEM
A scanning electron microscopy (SEM) tool was used to examine the microstructural and surface features of the Sui main limestone samples to quantify the sample surface morphology that underwent alumina nanofluid and MB treatments. This technique was used to evaluate the rock surface morphology changes after treating the samples with MB and nanofluids. For this reason, very small cubes of approximately 12 × 12 × 5 mm were cut and prepared with smooth surfaces for the analysis. This was performed via a precision cutter with varying lengths and widths.
4.5. Wettability Determination via the CA Measurement
Contact angle measurement involves the recording of images and the analysis of recorded images using image-J. For this activity, very basic equipment was used for measuring the contact angle, as illustrated in Figure 6. The experimental setup consisted of three main components, which included a light source, sample placing stage, and a camera for image recording. Details of the CA measurements were described in our previously published study [3]. CA measurements followed four basic steps, as describe below:
- The sSML rock chips were carefully flattened so that the dispensed liquid droplets remain aligned on the sample surface.
- We filled a syringe with a designated amount of fluid via the pumping chamber.
- We dispensed the brine drop, which stayed on the sample surface after deposition. The light was illuminated behind the dispensed drop so that the camera could appropriately capture the magnified image via an optical lens.
- The captured images via an HD camera were analyzed precisely using image-J software and the CA measurements were determined with accuracy.
Figure 6.
Illustration is the contact angle measurement facility. (1) Laptop used for contact angle analysis, (2) high-speed camera used for image collection, (3) syringe used to dispense the brine droplet of a controlled volume, (4) illuminated light source, (5) brine droplet, (6) limestone sample, (7) base plate, (8) light-source-adjustment controller, (9) camera placement base.
Figure 6.
Illustration is the contact angle measurement facility. (1) Laptop used for contact angle analysis, (2) high-speed camera used for image collection, (3) syringe used to dispense the brine droplet of a controlled volume, (4) illuminated light source, (5) brine droplet, (6) limestone sample, (7) base plate, (8) light-source-adjustment controller, (9) camera placement base.

5. Results and Discussions
It is of vital importance to evaluate the trapping mechanism of residual oil and to predict the recoverable oil via wettability modification [43,44,45]. Wettability has a significant importance at every stage of oil recovery. Thus, the modification of wettability via different treatments can provide a favorable environment to enhance the trapped oil recovery capacity. In this regard, the carbonate rock samples from the Sui main limestone formation were treated with methyl blue (MB) under different concentrations (10, 25, 50, 75, and 100 mg/L) and were also treated with alumina nanofluids (0.05, 0.1, 0.3, 0.75, and 1 wt. %). The aim was to analyze the wetting characteristics of carbonate rocks and assess their effects by determining the contact angles under ambient pressure, different temperatures (25 and 50 °C), and varying NaCl brine salinities (0, 0.1, and 0.3 M).
5.1. Surface Feature Evaluations via SEM, Profilometry, and AFM
The surface topographic features of the Sui main limestone samples were examined via scanning electron microscopy, profilometry, and atomic force microscopy (AFM). The topographic features (surface profiles) were analyzed before and after treating the samples with alumina nanofluids and methyl blue dye under different concentrations at ambient temperature and pressures. The profilometry and surface topographies of the samples analyzed in this study are presented in Table 2. It appears that the SEM images prior to treatment are smooth without spikes and rough surfaces; however, after treating the samples with MB and alumina nanofluids, their surface topographies change, as can be seen from the images. The alumina nanoparticles of micron sizes are visible in the SEM and AFM photomicrographs. Similarly, the corresponding profilometries showed similar behaviors in the samples with and without treatments. The study performed AFM experiments, which showed the root mean square (RMS) values concerning the studied samples showing an increase in surface roughness values from 26 to 85 nm for the samples aged with alumina nanofluids. However, for the samples treated with methyl blue at a 100 mg/L concentration, it appeared that the peak intensities of the samples decreased because of the methyl blue’s reaction with the surfaces, as presented in the 2D and 3D pictures (Table 2). The findings of this study are similar, to some extent, to the other published works of the authors. For example, [46] described in his recent work that the quartz samples’ surface roughness changed when they were treated with acids under different conditions. Similarly, [19] reported that calcite-treated samples with nanoparticles of silica also increased the roughness of the samples’ surfaces, which, in turn, affected the wetting characteristics of calcites. Moreover, other authors also reported the changes in surfaces roughness, such as in Arabian carbonates, which were aged with crude oil and also showed an increase in CA values [47].
Table 2.
Illustration of the results for profilometry, SEM, and AFM images of core samples of sandstone samples before and after treatments.
5.2. Fourier Transform Infrared (FTIR) Spectroscopy Analysis
The quantification of limestone carbonates was scanned via infrared spectroscopy of treated and untreated samples, as shown in Figure 7. The samples were scanned with a resolution starting from 400 cm−1 up to 4000 cm−1. The FTIR spectrum shows that different peaks are appeared at 999, 1495, and 1795 cm−1, and are indication of the existence of calcite [48,49]. This shows that the Sui main limestone carbonate samples analyzed in this study were mainly composed of Ca, as it is present in the form of calcite recognized via absorption bands [13]. The stretching bonds observed at 998, 1499, and 718 cm−1 could be identified as bending modes of CO bonding to corresponding peaks. The treated and untreated limestone samples’ peaks corresponding to their compositions are displayed in Figure 7. The peak intensity values of these samples changed at 998, 1495, and 3500 cm−1, respectively, corresponding to calcium and carbon bonding. It appeared that the treated samples’ intensity values changed corresponding to their stretching and presented enlarged peaks.
Figure 7.
FTIR spectra of Sui main limestone samples: (a) untreated, (b) treated with methyl blue, and (c) treated with alumina nanofluid.
5.3. Effect of MB on Wettability
The wettability of a material depends on its surface energy and the intermolecular forces between the liquid and rock surface. Similar to methyl orange, methyl blue is a synthetic dye that is commonly used by various industrial sectors and is discharged in large quantities. In this study, MB-treated limestone carbonate rock samples’ wettability was measured, and the results are displayed in Figure 8 and Figure 9, respectively. This shows that CA decreases from 87° to 53° with increasing concentrations of MB under temperature conditions of 25 °C and 50 °C. At MB concentration of 10 mg/L at room temperature, it was noticed that the value of CA was 83.7°, which was close to the untreated sample’s contact angle measured at similar temperatures. However, the value of CA at increasing concentrations of MB showed a gradual decline. Generally, the MB possessed an inherent chemical property that modified the wettability of the rock surfaces. The reversal of the wettability from oil-wet to water will help to increase the oil recovery rate, and the use of MB will simultaneously help to mitigate environmental concerns. The optimum MB concentration observed was 100 mg/L, where most of the samples’ contact angles were almost unique; thus, it is recommended that 100 mg/L is the effective MB concentration of methyl blue to modify the wettability of these limestones to achieve the desired effects. Our study results for contact angle alterations are similar to the previous studies where samples were treated with methyl orange, showing a reduction in the contact angle values at increasing concentrations [42]. Subsequently, MB dye used in the material-coating industry has prominent applications where desired formulations of MB dye alter the surface properties of the material. Hence, in such industries, MB dye is used along with other chemicals to modify wettability.
Figure 8.
Contact angle images of the brine droplets of (NaCl) on MB-treated core sample surfaces at 25 °C (first row) and 50 °C (second row).
Figure 9.
Contact angle results as a function of methyl blue concentrations and temperatures.
5.4. Effect of Alumina-Based Nanofluid on Wettability
Nanofluid injection is one of the novel techniques employed for the enhanced recovery of residual oil causing wettability alterations. Thus, in this study, the effect of alumina nanofluids on the wettability alterations of SML carbonate rocks was experimentally studied under different concentrations of alumina nanofluid (0.05, 0.20, 0.50, and 0.80 wt. %). The contact angle results obtained under different conditions are displayed in Figure 10. This shows that, prior to treatment, these limestone samples were oil-wet. However, the samples, when treated with alumina nanofluids, showed a drastic change in their wettability. The contact angle of samples was measured using NaCl brine (0, 0.1, and 0.3 M) under the varying temperatures of 25 and 50 °C. The results show that the contact angle measured initially with a lower concentration of alumina nanofluid of 0.0.05 wt. % is higher at 25 °C. Subsequently, we noticed that as the concentrations of alumina nanofluid increased to 0.30 wt. %, the contact angle values reduced (i.e., the wettability modified from hydrophobic to hydrophilic). However, the CA with an alumina nanofluid concentration at 1.0 wt. % showed considerable increase. As a result, the ideal concentration of alumina nanofluid to modify the wettability from oil-wet to water was 0.30 wt. %, which is recommended to help in improving oil recovery. However, it appears that the increasing concentration of alumina nanofluid is not particularly effective in changing the wetting characteristics of the limestones. Subsequently, the contact angle was determined using an NaCl brine concentration of 0.3 M. This also showed a similar trend in the contact angle values we determined. This gives the impression that, at lower nanofluid concentrations, the CA was significantly smaller and, as the nanofluid concentration increased to 1.0 wt. %, the CA significantly increased. This was due to that fact that nanoparticles were deposited on the surface of the samples, which lead to decreases in the surface roughness. For example, [50] performed experiments on Indiana limestone rock samples and reported similar wetting behavior outcomes for their samples treated with alumina nanofluid.
Figure 10.
Contact angle results as a function of various concentrations of alumina nanofluid and temperature.
6. Conclusions
This study investigated the effects of new chemical methyl blue, an organic pollutant, along with varying concentrations of alumina nanofluids. The use of an organic pollutant (MB) to alter the wetting behavior of carbonate substrates mitigated the disposal of industrial wastewater (hazardous substances) into the environment and its injection into subsurface reservoirs also enhanced the trapped oil recovery capacity. Thus, the CA was measured via the brine (0.0, 0.1, and 0.3 M NaCl) in pre- and post-treated samples with methyl blue (MB) at different concentrations (10, 25, 50, 75, and 100 mg/L). The results obtained during this study are summarized below:
- We measured air–brine CA on Sui main limestone sample chips which treated with methyl blue under various concentrations, temperatures (25–50 °C), and salinities (0–0.3 M NaCl). It appeared that the CAs measured via MB-treated samples significantly reduced. However, high concentration of methyl blue (MB), i.e., 100 mg/L, yielded significantly lower CA values.
- When the limestone carbonate samples were treated further with methyl blue, the CA measured was considerably reduced; this showed that a gradual increase in MB concentration reduced the contact angle.
- Similarly, the samples aged in alumina nanofluid under different concentrations showed a reduction in the CA angle. The results show that lower alumina concentrations have an insignificant impact on wettability alterations. However, the Al2O3 concentration increased to 0.3 wt. % changed the wettability of these limestones considerably.
Thus, increasing the concentration of MB to 100 mg/L can significantly alter the limestone rock’s wettability. Hence, it was determined that a 100 mg/L concentration of methyl blue (MB) should be considered as an optimum concentration for changing the CA from oil-wet to water-wet. Therefore, an attempt was made to assess the feasibility of organic pollutants disposed into underground systems for improved oil recovery; subsequently, this suggests the safe disposal of hazardous pollutants.
Author Contributions
Conceptualization, A.M.S.; Data curation, M.F.Q.; Formal analysis, A.M.S. and D.k.B.; Investigation, F.H.M.; Project administration, A.M.S.; Resources, A.M.S.; Software, D.k.B. and M.F.Q.; Supervision, A.M.S.; Validation, D.k.B. and M.F.Q.; Writing—original draft, A.M.S. and F.H.M.; Writing—review & editing, A.M.S. and M.F.Q. All authors have read and agreed to the published version of the manuscript.
Funding
This research received no external funding.
Acknowledgments
The authors would like to acknowledge the support of the Directorate General of Petroleum Concession (DGPC), Islamabad, Pakistan, for providing the core samples. Additionally, the authors are thankful to the Hydrocarbon Development Institute of Pakistan (HDIP) for lab access. In addition, the authors would like to extend their gratitude to the Departments of Petroleum, NED University of Engineering and Technology, Karachi, and Mehran University for their support.
Conflicts of Interest
Authors declares no conflict of interest.
References
- Davies, A.; Simmons, M.D. Demand for ‘advantaged’ hydrocarbons during the 21st century energy transition. Energy Rep. 2021, 7, 4483–4497. [Google Scholar] [CrossRef]
- Shar, A.M.; Ali, M.; Bhutto, D.K.; Alanazi, A.; Akhondzadeh, H.; Keshavarz, A.; Iglauer, S.; Hoteit, H. Cryogenic Liquid Nitrogen Fracking Effects on Petro-Physical and Morphological Characteristics of the Sembar Shale Gas Formation in the Lower Indus Basin, Pakistan. Energy Fuels 2022, 36, 13743–13752. [Google Scholar] [CrossRef]
- Bhutto, D.K.; Shar, A.M.; Abbasi, G.R.; Ansari, U. Shale Wettability Characteristics via Air/Brines and Air/Oil Contact Angles and Influence of Controlling Factors: A Case Study of Lower Indus Basin, Pakistan. ACS Omega 2022, 8, 688–701. [Google Scholar] [CrossRef]
- Shar, A.M.; Mahesar, A.A.; Abbasi, G.R.; Narejo, A.A.; Hakro, A.A.A.D. Influence of diagenetic features on petrophysical properties of fine-grained rocks of Oligocene strata in the Lower Indus Basin, Pakistan. Open Geosci. 2021, 13, 517–531. [Google Scholar] [CrossRef]
- Ali Abro, W.; Majeed Shar, A.; Sang Lee, K.; Ali Narejo, A. An integrated analysis of mineralogical and microstructural characteristics and petrophysical properties of carbonate rocks in the lower Indus Basin, Pakistan. Open Geosci. 2019, 11, 1151–1167. [Google Scholar] [CrossRef]
- Mahesar, A.A.; Shar, A.M.; Ali, M.; Tunio, A.H.; Uqailli, M.A.; Mohanty, U.S.; Akhondzadeh, H.; Iglauer, S.; Keshavarz, A. Morphological and petro physical estimation of eocene tight carbonate formation cracking by cryogenic liquid nitrogen; a case study of Lower Indus basin, Pakistan. J. Pet. Sci. Eng. 2020, 192, 107318. [Google Scholar] [CrossRef]
- Alhamad, F.; Ali, M.; Ali, M.; Abid, H.; Hoteit, H.; Iglauer, S.; Keshavarz, A. Effect of methyl orange on wettability of sandstone formations: Implications for enhanced oil recovery. Energy Rep. 2022, 8, 12357–12365. [Google Scholar] [CrossRef]
- Morad, S.; Al-Aasm, I.; Sirat, M.; Sattar, M. Vein calcite in cretaceous carbonate reservoirs of Abu Dhabi: Record of origin of fluids and diagenetic conditions. J. Geochem. Explor. 2010, 106, 156–170. [Google Scholar] [CrossRef]
- Paganoni, M.; Al Harthi, A.; Morad, D.; Morad, S.; Ceriani, A.; Mansurbeg, H.; Al Suwaidi, A.; Al-Aasm, I.S.; Ehrenberg, S.N.; Sirat, M. Impact of stylolitization on diagenesis of a Lower Cretaceous carbonate reservoir from a giant oilfield, Abu Dhabi, United Arab Emirates. Sediment. Geol. 2016, 335, 70–92. [Google Scholar] [CrossRef]
- Eslahati, M.; Mehrabianfar, P.; Isari, A.A.; Bahraminejad, H.; Manshad, A.K.; Keshavarz, A. Experimental investigation of Alfalfa natural surfactant and synergistic effects of Ca2+, Mg2+, and SO42− ions for EOR applications: Interfacial tension optimization, wettability alteration and imbibition studies. J. Mol. Liq. 2020, 310, 113123. [Google Scholar] [CrossRef]
- Souayeh, M.; Al-Maamari, R.S.; Karimi, M.; Aoudia, M. Wettability alteration and oil recovery by surfactant assisted low salinity water in carbonate rock: The impact of nonionic/anionic surfactants. J. Pet. Sci. Eng. 2021, 197, 108108. [Google Scholar] [CrossRef]
- Al-Anssari, S.; Arif, M.; Wang, S.; Barifcani, A.; Lebedev, M.; Iglauer, S. Wettability of nanofluid-modified oil-wet calcite at reservoir conditions. Fuel 2018, 211, 405–414. [Google Scholar] [CrossRef]
- Naik, S.; You, Z.; Bedrikovetsky, P. Rate enhancement in unconventional gas reservoirs by wettability alteration. J. Nat. Gas Sci. Eng. 2015, 26, 1573–1584. [Google Scholar] [CrossRef]
- Safari, M.; Jye, J.W.J.; Rahimi, A.; Gholami, R.; Yisong, L.; Khur, W.S. Salinity adjustment to improve the efficiency of nano glass flakes (NGFs) in interfacial tension reduction. J. Pet. Sci. Eng. 2022, 212, 109874. [Google Scholar] [CrossRef]
- Iglauer, S.; Wu, Y.; Shuler, P.; Tang, Y.; Goddard, W.A., III. New surfactant classes for enhanced oil recovery and their tertiary oil recovery potential. J. Pet. Sci. Eng. 2010, 71, 23–29. [Google Scholar] [CrossRef]
- Iglauer, S.; Wu, Y.; Shuler, P.; Tang, Y.; Goddard, W.A., III. Alkyl polyglycoside surfactant–alcohol cosolvent formulations for improved oil recovery. Colloids Surf. A Physicochem. Eng. Asp. 2009, 339, 48–59. [Google Scholar] [CrossRef]
- Golabi, E.; Seyedin, A.F.; Ayat, E.S. Chemical induced wettability alteration of carbonate reservoir rocks. Iran. J. Chem. Eng. 2009, 6, 66–73. [Google Scholar]
- Austad, T.; Standnes, D.C. Spontaneous imbibition of water into oil-wet carbonates. J. Pet. Sci. Eng. 2003, 39, 363–376. [Google Scholar] [CrossRef]
- Al-Anssari, S.; Barifcani, A.; Wang, S.; Maxim, L.; Iglauer, S. Wettability alteration of oil-wet carbonate by silica nanofluid. J. Colloid Interface Sci. 2016, 461, 435–442. [Google Scholar] [CrossRef]
- Ekechukwu, G.K.; Khishvand, M.; Kuang, W.; Piri, M.; Masalmeh, S. The effect of wettability on waterflood oil recovery in carbonate rock samples: A systematic multi-scale experimental investigation. Transp. Porous Media 2021, 138, 369–400. [Google Scholar] [CrossRef]
- Khormali, A. Effect of water cut on the performance of an asphaltene inhibitor package: Experimental and modeling analysis. Pet. Sci. Technol. 2022, 40, 2890–2906. [Google Scholar] [CrossRef]
- Iglauer, S.; Pentland, C.; Busch, A. CO2 wettability of seal and reservoir rocks and the implications for carbon geo-sequestration. Water Resour. Res. 2015, 51, 729–774. [Google Scholar] [CrossRef]
- Wang, S.; Edwards, I.M.; Clarens, A.F. Wettability phenomena at the CO2–brine–mineral interface: Implications for geologic carbon sequestration. Environ. Sci. Technol. 2013, 47, 234–241. [Google Scholar] [CrossRef]
- Al-Hadhrami, H.S.; Blunt, M.J. Thermally induced wettability alteration to improve oil recovery in fractured reservoirs. SPE Reserv. Eval. Eng. 2001, 4, 179–186. [Google Scholar] [CrossRef]
- Deng, X.; Kamal, M.S.; Patil, S.; Hussain, S.M.S.; Zhou, X. A review on wettability alteration in carbonate rocks: Wettability modifiers. Energy Fuels 2019, 34, 31–54. [Google Scholar] [CrossRef]
- Mohan, K.; Gupta, R.; Mohanty, K. Wettability altering secondary oil recovery in carbonate rocks. Energy Fuels 2011, 25, 3966–3973. [Google Scholar] [CrossRef]
- Lager, A.; Webb, K.; Black, C. Impact of brine chemistry on oil recovery. In Proceedings of the IOR 2007—14th European Symposium on Improved Oil Recovery, Cairo, Egypt, 22–24 April 2007; p. cp–24-00020. [Google Scholar]
- Saboori, R.; Azin, R.; Osfouri, S.; Sabbaghi, S.; Bahramian, A. Wettability alteration of carbonate cores by alumina-nanofluid in different base fluids and temperature. J. Sustain. Energy Eng. 2018, 6, 84–98. [Google Scholar] [CrossRef]
- Nazari Moghaddam, R.; Bahramian, A.; Fakhroueian, Z.; Karimi, A.; Arya, S. Comparative study of using nanoparticles for enhanced oil recovery: Wettability alteration of carbonate rocks. Energy Fuels 2015, 29, 2111–2119. [Google Scholar] [CrossRef]
- Izadi, N.; Nasernejad, B. Newly engineered alumina quantum dot-based nanofluid in enhanced oil recovery at reservoir conditions. Sci. Rep. 2022, 12, 9505. [Google Scholar] [CrossRef] [PubMed]
- Murshed, S.S.; Tan, S.-H.; Nguyen, N.-T. Temperature dependence of interfacial properties and viscosity of nanofluids for droplet-based microfluidics. J. Phys. D Appl. Phys. 2008, 41, 085502. [Google Scholar] [CrossRef]
- Lu, T.; Li, Z.; Zhou, Y.; Zhang, C. Enhanced oil recovery of low-permeability cores by SiO2 nanofluid. Energy Fuels 2017, 31, 5612–5621. [Google Scholar] [CrossRef]
- Ali, M.; Shar, A.M.; Mahesar, A.A.; Al-Yaseri, A.; Yekeen, N.; Memon, K.R.; Keshavarz, A.; Hoteit, H. Experimental evaluation of liquid nitrogen fracturing on the development of tight gas carbonate rocks in the Lower Indus Basin, Pakistan. Fuel 2022, 309, 122192. [Google Scholar] [CrossRef]
- Rezvani, H.; Panahpoori, D.; Riazi, M.; Parsaei, R.; Tabaei, M.; Cortés, F.B. A novel foam formulation by Al2O3/SiO2 nanoparticles for EOR applications: A mechanistic study. J. Mol. Liq. 2020, 304, 112730. [Google Scholar] [CrossRef]
- Alnarabiji, M.S.; Yahya, N.; Nadeem, S.; Adil, M.; Baig, M.K.; Ghanem, O.B.; Azizi, K.; Ahmed, S.; Maulianda, B.; Klemeš, J.J. Nanofluid enhanced oil recovery using induced ZnO nanocrystals by electromagnetic energy: Viscosity increment. Fuel 2018, 233, 632–643. [Google Scholar] [CrossRef]
- AfzaliTabar, M.; Alaei, M.; Bazmi, M.; Khojasteh, R.R.; Koolivand-Salooki, M.; Motiee, F.; Rashidi, A. Facile and economical preparation method of nanoporous graphene/silica nanohybrid and evaluation of its Pickering emulsion properties for Chemical Enhanced oil Recovery (C-EOR). Fuel 2017, 206, 453–466. [Google Scholar] [CrossRef]
- Patel, A.; Xue, Y.; Hartley, R.; Sant, V.; Eles, J.R.; Cui, X.T.; Stolz, D.B.; Sant, S. Hierarchically aligned fibrous hydrogel films through microfluidic self-assembly of graphene and polysaccharides. Biotechnol. Bioeng. 2018, 115, 2654–2667. [Google Scholar] [CrossRef]
- Hill, D.; Barron, A.R.; Alexander, S. Controlling the wettability of plastic by thermally embedding coated aluminium oxide nanoparticles into the surface. J. Colloid Interface Sci. 2020, 567, 45–53. [Google Scholar] [CrossRef] [PubMed]
- Kadri, I.B. Petroleum Geology of Pakistan; Pakistan Petroleum Limited: Karachi, Pakistan, 1995. [Google Scholar]
- Awan, R.S.; Liu, C.; Aadil, N.; Yasin, Q.; Salaam, A.; Hussain, A.; Yang, S.; Jadoon, A.; Wu, Y.; Gul, M.A. Organic geochemical evaluation of Cretaceous Talhar Shale for shale oil and gas potential from Lower Indus Basin, Pakistan. J. Pet. Sci. Eng. 2021, 200, 108404. [Google Scholar] [CrossRef]
- Khalid, P.; Ehsan, M.I.; Khurram, S.; Ullah, I.; Ahmad, Q.A. Reservoir quality and facies modeling of the early Eocene carbonate stratigraphic unit of the Middle Indus Basin, Pakistan. Front. Earth Sci. 2022, 10, 1063877. [Google Scholar] [CrossRef]
- Alhamad, F.; Sedev, R.; Ali, M.; Ali, M.; Hoteit, H.; Iglauer, S.; Keshavarz, A. Effect of methyl orange on the hydrogen wettability of sandstone formation for enhancing the potential of underground hydrogen storage. Energy Fuels 2023, 37, 6149–6157. [Google Scholar] [CrossRef]
- Pentland, C.H.; Itsekiri, E.; Al Mansoori, S.K.; Iglauer, S.; Bijeljic, B.; Blunt, M.J. Measurement of nonwetting-phase trapping in sandpacks. SPE J. 2010, 15, 274–281. [Google Scholar] [CrossRef]
- Haghighi, O.M.; Zargar, G.; Khaksar Manshad, A.; Ali, M.; Takassi, M.A.; Ali, J.A.; Keshavarz, A. Effect of environment-friendly non-ionic surfactant on interfacial tension reduction and wettability alteration; implications for enhanced oil recovery. Energies 2020, 13, 3988. [Google Scholar] [CrossRef]
- Nazarahari, M.J.; Manshad, A.K.; Ali, M.; Ali, J.A.; Shafiei, A.; Sajadi, S.M.; Moradi, S.; Iglauer, S.; Keshavarz, A. Impact of a novel biosynthesized nanocomposite (SiO2@ Montmorilant@ Xanthan) on wettability shift and interfacial tension: Applications for enhanced oil recovery. Fuel 2021, 298, 120773. [Google Scholar] [CrossRef]
- Iglauer, S.; Ali, M.; Keshavarz, A. Hydrogen wettability of sandstone reservoirs: Implications for hydrogen geo-storage. Geophys. Res. Lett. 2021, 48, e2020GL090814. [Google Scholar] [CrossRef]
- Arif, M.; Abu-Khamsin, S.A.; Zhang, Y.; Iglauer, S. Experimental investigation of carbonate wettability as a function of mineralogical and thermo-physical conditions. Fuel 2020, 264, 116846. [Google Scholar] [CrossRef]
- Al-Degs, Y.S.; El-Barghouthi, M.I.; Issa, A.A.; Khraisheh, M.A.; Walker, G.M. Sorption of Zn (II), Pb (II), and Co (II) using natural sorbents: Equilibrium and kinetic studies. Water Res. 2006, 40, 2645–2658. [Google Scholar] [CrossRef]
- Nayak, P.S.; Singh, B. Instrumental characterization of clay by XRF, XRD and FTIR. Bull. Mater. Sci. 2007, 30, 235–238. [Google Scholar] [CrossRef]
- Hosseini, M.; Sedev, R.; Ali, M.; Ali, M.; Fahimpour, J.; Keshavarz, A.; Iglauer, S. Hydrogen-wettability alteration of Indiana limestone in the presence of organic acids and nanofluid. Int. J. Hydrog. Energy 2023. [Google Scholar] [CrossRef]
Disclaimer/Publisher’s Note: The statements, opinions and data contained in all publications are solely those of the individual author(s) and contributor(s) and not of MDPI and/or the editor(s). MDPI and/or the editor(s) disclaim responsibility for any injury to people or property resulting from any ideas, methods, instructions or products referred to in the content. |
© 2023 by the authors. Licensee MDPI, Basel, Switzerland. This article is an open access article distributed under the terms and conditions of the Creative Commons Attribution (CC BY) license (https://creativecommons.org/licenses/by/4.0/).

















