You are currently viewing a new version of our website. To view the old version click .
Applied Sciences
  • Article
  • Open Access

5 July 2023

Numerical Simulation Analysis of Wellbore Stability in Weak Interlayer of Igneous Rock

,
,
and
1
Schlumberger Ltd., Scott, LA 70583, USA
2
Talimu Oilfield Branch Oil and Gas Engineering Research Institute, China National Petroleum Co., Korla 841000, China
3
College of Safety and Marine Engineering, China University of Petroleum (Beijing), Beijing 102249, China
*
Author to whom correspondence should be addressed.

Abstract

Wellbores drilled in igneous formation with weak interlayers face significant risk of instabilities. This study aims to investigate the underlying mechanisms of these instabilities by employing a combination of rock mechanics tests and numerical simulation techniques. The mechanical properties of igneous rocks are evaluated to determine core strength parameters and analyze the impact of drilling fluid immersion on core strength. The two-dimensional model of the igneous formation is refined, and theoretical derivations are made, including the linear elasticity principal equation and the extent of the plastic zone within the wellbore. A numerical simulation model is developed using ABAQUS to analyze the wellbore stability of the weak interlayer igneous formation, accounting for drilling fluid immersion and weak interlayer conditions. The numerical simulations focus on four key aspects of the weak interlayer formation: strength, permeability, horizontal in-situ stress anisotropy, and abnormal pore pressure. The study findings indicate that strengthening the weak interlayer effectively mitigates the risk of wellbore instability. Moreover, the permeability of the weak interlayer exhibits minimal impact on wellbore stability within the formation. However, an increase in horizontal in-situ stress anisotropy and the abnormal pore pressure both decrease wellbore stability along the direction of the maximum in-situ stress.

1. Introduction

Igneous rocks, or magmatic rocks, originate from the cooling and solidification of magma that either erupts from the Earth’s surface or intrudes into the crust. During on-site drilling operations, igneous rocks are susceptible to issues such as block dropping, pipe sticking, and wellbore collapse, thus impacting the safety of drilling operations.
Current research on wellbore stability in igneous formation has focused on three main aspects: drilling operations, stress distribution in the surrounding rock, and the performance of drilling fluids. Millett et al. [1] utilized real-time logging data and drill cuttings characteristics to explain the factors contributing to complex stresses in mixed igneous and basaltic formation. Zhao et al. [2] proposed a method to determine stress levels based on real-time drilling data, deriving in situ stress and pore pressure from drilling fluid logs and conventional logging inversions. They further calculated wellbore collapse and rupture pressure. Siratovich et al. [3] conducted thermal expansion experiments to understand the impact of temperature on the mechanical and physical properties of igneous rocks. Huo et al. [4] enhanced the formation of the PEM drilling fluid to mitigate the risk of wellbore instability, considering the mechanical properties, hydration characteristics, and mineral composition of igneous rock cuttings. Qin et al. [5] analyzed the causes of wellbore instability resulting from igneous intrusions using well history data and laboratory experiments and proposed an anti-collapse drilling fluid system based on their findings. Addressing the limitations of traditional wellbore stability model that only considers isotropy, He et al. [6] developed a new model that accounts for the effect of weak interlayers. Zhao et al. [7] developed a new theoretical scheme for the stress field near the wellbore in coal seam wells, considering the cutting and splitting characteristics of the coal near the wellbore and their impact on distribution. Qu et al. [8] identified the intrusion of high-density drilling fluids into crevices within igneous rocks and the subsequent hydraulic splitting action as causes of wellbore instability. Currently, there are fewer studies investigating the mechanism of wellbore instability in weak interlayer igneous formation, and there is a lack of analysis regarding the specific mechanism of wellbore instability [9,10,11,12,13].
The presence of a weak interlayer within the rock mass, exhibiting physical and mechanical properties significantly different from those of igneous rocks, is a characteristic commonly observed in igneous formations. In contrast to existing research on wellbore stability in igneous formations, we used a numerical simulation model that incorporates the weak interlayer and accurately represents its impact on wellbore stability. To study the mechanical properties of rocks affected by immersion in drilling fluid, uniaxial and triaxial compression experiments were carried out to investigate the effect of drilling fluid immersion on the mechanical properties of the rock. Therefore, a stability analysis model for drilling weak interlayer wells in igneous formations was developed and numerical simulations were used for investigating the effects of various factors (such as strength, permeability, horizontal in situ stress anisotropy and abnormal pore pressure) on wellbore stability.

2. Testing of Key Mechanical Properties of Igneous Rocks

2.1. Core Mineral Fraction Analysis

The complex lithology of igneous formations, characterized by the presence of micro-fractures, faults, and pores, creates favorable conditions for the invasion of drilling fluid once the borehole is opened. Additionally, the clay mineral content is closely associated with the degree of hydration and swelling in the rock surrounding the well. Therefore, it is crucial to pay attention to both the clay mineral content and the composition of clay minerals. In this study, cores were obtained from the Bohai oil field in China, specifically from well BZX-A46. The core debris was retrieved from the core library and subsequently ground into the powder required for the experiment and illustrated in Figure 1. Subsequently, the composition was determined using an X-ray diffractometer, providing the results of quantitative X-ray diffraction analysis for both the igneous whole rocks (Table 1) and clay minerals (Table 2).
Figure 1. Core powder samples for the experiment.
Table 1. Results of X-ray diffraction quantitative analysis of igneous rock.
Table 2. Results of quantitative analysis of igneous clay minerals by X-ray diffraction.
Based on the results of the whole rock analysis, the igneous rocks in the Bohai oilfield predominantly consist of quartz, plagioclase, dolomite, rock salt, barite, hard gypsum, and clay minerals. Among these minerals, plagioclase has the highest abundance, followed by clay minerals, with an average clay mineral content of 16.6% in the three samples, indicating a relatively high presence. Based on the mineral composition, the rock in this particular layer is classified as basalt.
The clay minerals in the rock formation consist of montmorillonite and illite, both of which possess notable hydration and swelling capabilities. As a result, it is expected that the surrounding rock will experience a certain degree of swelling upon contact with the drilling fluid. Moreover, due to the existence of micro-fractures, faults, and pores in the formation, the swelling effect has a more significant adverse impact on the rock strength. Consequently, the potential for instability in the surrounding rock near the wellbore is increased. Therefore, it is crucial to conduct additional experiments focusing on rock strength and hydration to further examine the extent of this negative effect by comparing various parameters.

2.2. Test Method

The hydration of drilling fluids causes inter-particle swelling of clay minerals [14]. The significant presence of clay minerals in weak interlayer igneous necessitates the collection of drilling fluids used in the field for hydration tests. These tests aim to determine the effect of rock soaking time on the strength parameters of rocks containing weak layers [15]. Figure 2a presents igneous cores obtained from the core bank at a depth of 2963~2964 m, with a regular cylindrical rock sample measuring 25 mm × 50 mm. Figure 2b depicts the drilling fluid immersion test, utilizing a modified PEC drilling fluid.
Figure 2. Core and immersion experiment: (a) cores from the core bank; (b) drilling fluid immersion experiments.

2.3. Test Results

The uniaxial rock test is a commonly used test to obtain the uniaxial compressive strength, elastic modulus, and Poisson’s ratio of rocks. Most of the true triaxial experiments are replaced by conventional triaxial experiments, which simplify the experiments because two of the three orthogonal stresses in the experiments are equal, but it can also form a powerful complement to the uniaxial experiments to obtain the relationship between the compressive capacity of the rock and the surrounding pressure. The mechanical properties of the igneous cores were tested at 30 MPa confining pressure after 0, 18, and 36 h of drilling fluid immersion. The corresponding results are shown in Table 3 and Table 4.
Table 3. Results of the uniaxial and triaxial experiment.
Table 4. Strength parameters of cores after soaking.
Figure 3 illustrates the pattern of variation in triaxial compressive strength, modulus of elasticity, Poisson’s ratio, internal friction angle, and cohesion of igneous cores following hydration experiments with field drilling fluid immersion time. Comparing the parameter values of the control rock samples, which did not undergo drilling fluid immersion, with those soaked for 36 h, the triaxial compressive strength decreased by 31.5%. Additionally, the Poisson’s ratio increased, while the modulus of elasticity, cohesion, and the internal friction angle all experienced some degree of decrease. These changes indicate an increased risk of wellbore instability.
Figure 3. Variation of key mechanical parameters of igneous rock with soaking time.

3. Numerical Simulation Model for Wellbore Stability

3.1. Basic Assumptions and Physical Model

To investigate wellbore stability in weak interlayer igneous formation, the following fundamental assumptions were made: the igneous rock behaves as an isotropic elastic-plastic material; he presence of weak planes are taken into account as transverse isotropy in terms of strength and deformability; the fluid within the borehole is considered incompressible; changes in formation and drilling fluid temperature do not affect the direction of the borehole [16,17,18]; and the stress distribution near the borehole adheres to Saint-Venant’s principle.
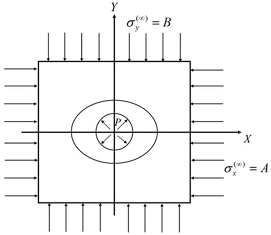
The model can theoretically be transformed into the two-dimensional plane for analysis [19]. Figure 4 presents an enhanced two-dimensional physical model of the igneous formation along with the applied load to the model [20]. The weak interlayer is depicted by the black lines [21]. The borehole trajectory is represented by a vertical borehole that traverses the entire square formation. The x-axis corresponds to the direction of maximum in situ stress, while the y-axis represents the direction of minimum in situ stress [22].
Figure 4. Improved two-dimensional model of igneous rock formation.

3.2. Linear Elasticity Constitutive Equation

Using the general Hooke’s law to express the stress–strain relationship:
{ ε 11 ε 22 ε 33 γ 12 γ 23 γ 31 } = [ C 1111 C 1122 C 1133 C 1112 C 1123 C 1131 C 2222 C 2233 C 2212 C 2223 C 2231 C 3333 C 3312 C 3323 C 3331 C 1212 C 1223 C 1231 C 2323 C 2331 C 3131 ] { σ 11 σ 22 σ 33 σ 12 σ 23 σ 31 }
where  C i j k l  is the flexibility tensor,  ε i j  is the strain tensor, and  σ k l  is the stress tensor.
Considering the material to be transversely isotropic, the properties are considered constant on the isotropic plane. Furthermore, upon analyzing the material as isotropic, the matrix form of the stress–strain expression is as follows:
{ ε 11 ε 22 ε 33 γ 12 γ 13 γ 23 } = [ 1 / E v / E v / E 0 0 0 v / E 1 / E v / E 0 0 0 v / E v / E 1 / E 0 0 0 0 0 0 1 / G 0 0 0 0 0 0 1 / G 0 0 0 0 0 0 1 / G ] { σ 11 σ 22 σ 33 σ 12 σ 13 σ 23 }
The relationship between the 3 elastic constants is as follows:
G = E 2 ( 1 + ν )
where  E  is the modulus of elasticity, GPa;  G  is the modulus of rigidity, GPa;  ν  is the Poisson’s ratio.
The only parameters involved here are the modulus of elasticity and Poisson’s ratio, which can vary with temperature and other variables [23].

3.3. Determination of the Extent of the Plastic Zone

The plastic deformation region of the wellbore envelope is calculated using a two-dimensional planar model that is subject to asymmetric loading, as shown in Figure 5.
Figure 5. Plastic deformation diagram of circular hole under stress.
When the borehole is opened, the stresses are redistributed, leading to stress concentrations near the wellbore. If the concentrated stress is too high, causing the rock near the wall to exceed its elastic limit and enter a plastic state, it can be assumed that the stresses  U 1 ( x , y )  in the plastic strain range follow hyperbolic functions. Meanwhile, the elastic stresses  U 2 ( x , y )  can be described using the biharmonic equation [24]:
4 U 2 x 4 + 2 4 U 2 x 2 y 2 + 4 U 2 y 4 = 0
The boundary conditions for stresses in the vicinity of the borehole are as follows:
σ n = f 1 ( s ) , τ n t = f 2 ( s )
After the borehole is opened, although it will result in stress concentration, its influence range is limited. It can be considered that the rock formation infinitely far from the borehole remains unaffected and in an elastic state; the boundary conditions at infinity can be expressed as follows:
σ x ( ) = P 1 ( x , y ) σ y ( ) = P 2 ( x , y ) τ x y ( ) = P 3 ( x , y )
Suppose  U 1 ( x , y )  satisfy the functional relationship as:
F 1 ( x , y , 2 U 1 x 2 , 2 U 1 y 2 , , U 1 x , U 1 y ) = 0
Based on the characteristics of the hyperbolic function, the equation expressing the region where the plastic change occurs be defined as follows:
( 2 U 1 x 2 2 U 1 y 2 ) 2 + 4 ( 2 U 1 x y ) 2 = 4 k 2
where  k  is related to the rock yield limit,  k = σ r / 2 .
On the borehole,  σ r = p τ r θ = 0 ; and at infinity,  σ x ( ) = A σ y ( ) = B . The solution to Equation (8) is expressed as:
U 1 ( x , y ) = k r 2 ln r R k p 2 r 2
Combined with the stress conditions on the borehole:
{ σ x ( 1 ) + σ y ( 1 ) = 2 k + 2 p + 2 k ln z z ¯ R 2 σ x ( 1 ) + σ y ( 1 ) + 2 i τ x y ( 1 ) = 2 k z ¯ z
If the boundary of the region of plastic change is denoted as L, it is assumed that the region of elastic deformation is related to functions  ϕ 2 * ( z )  and  ψ 2 * ( z )  as follows:
2 U 2 y 2 + 2 U 2 x 2 = 4 Re [ ϕ 2 * ( z ) ]
2 U 2 x 2 2 U 2 y 2 z i 2 U 2 x y = 2 [ z ¯ ϕ 2 * ( z ) + ψ 2 * ( z ) ]
At the boundary, the stress function should satisfy the requirement for both plastic and elastic deformation to occur:
{ 4 Re ϕ 2 * ( z ) = 2 k + 2 p + 2 k ln z z ¯ R 2 4 Re ϕ 2 * ( z ) = A + B   z 2 [ z ¯ ϕ 2 * ( z ) + ψ 2 * ( z ) ] = 2 k z ¯ z 2 [ z ¯ ϕ 2 * ( z ) + ψ 2 * ( z ) ] = B A   z
Introduce functions to solve the above problems:
z = ω ( ζ ) = c ζ + c 1 ζ + c 2 ζ 2 + + c n ζ n
Assuming a hypothetical surface  ζ  with a unit circle  γ  on it, we can mathematically project the region outside the plastic boundary onto the exterior of the hypothetical circle, resulting in the following:
ϕ 2 * [ ω ( ζ ) ] = ϕ 2 ( ζ )
ψ 2 * [ ω ( ζ ) ] = ψ 2 ( ζ )
Equation (13) can be expressed as:
{ 4 Re ϕ 2 ( z ) = 2 k + 2 p + 2 k ln ω ( ζ ) · ω ( ζ ) ¯ R 2 4 Re ϕ 2 * ( z ) = A + B ζ 2 [ ω ( ζ ) ¯ ω ( ζ ) ϕ 2 * ( ζ ) + ψ 2 ( ζ ) ] = 2 k ω ( ζ ) ¯ ω ( ζ ) 2 [ ω ( ζ ) ¯ ω ( ζ ) ϕ 2 * ( ζ ) + ψ 2 ( ζ ) ] = B A   ζ
The function  ϕ 2 * ( z )  is obtained in the form expressed as:
{ ϕ 2 ( ζ ) = a 0 + a 1 ζ + a 2 ζ 2 + + a n ζ n + ψ 2 ( ζ ) = b 0 + b 1 ζ + b 2 ζ 2 + + b n ζ n +
Continuing with the assumption that  z = ω ( ζ )  yields:
z = c ζ + c 1 ζ + c 2 ζ
The boundary condition for the circumference of the unit circle can be expressed as follows:
ζ ¯ = σ ¯ = 1 σ = 1 ζ
In summary, it can be deduced that:
2 [ ω ¯ ( 1 σ ) ω ( 1 σ ) ϕ 2 ( σ ) + ψ 2 ( σ ) ] = 2 k ω ¯ ( 1 σ ) ω ( σ )
ω ¯ ( 1 σ ) ω ( σ ) = c ¯ 2 c σ + c ¯ 1 c + M ( σ )
Introducing a regular function  M ( σ )  other than  γ , while  M ( ) = 0 , yields the equation:
ω ¯ ( 1 σ ) ω ( σ ) ϕ 2 ( σ ) = c ¯ 2 c a 1 + M ( σ )
Integrating the above equation:
2 c 2 ¯ c c a 1 + B A = 2 k c 2 ¯ c ζ + 2 k c 1 ¯ c
Additionally,  c 2 ¯ = 0 B A = 2 k c 1 ¯ / c .
The function  ω ( ζ )  is related as follows:
z = ω ( ζ ) = c ( ζ + β ζ )
Solve for the constant  c  by the following equations:
A + B = 4 ( k ln c k ln R + k + p 2 )
c = R · e 1 2 k ( B + A 2 p k )
ψ 2 ( ζ ) = k ω ¯ ( 1 ζ ) ω ( ζ ) ω ¯ ( 1 ζ ) ω ( ζ ) = k ω ¯ ( 1 ζ ) ω ( ζ ) ω ¯ ( 1 ζ ) ω ( ζ ) [ k ω ( ζ ) ω ( ζ ) ] = k ω ¯ ( 1 ζ ) ω ( ζ ) 1 ζ
By substituting the above equation, the boundary of the plastic deformation region takes the shape of an ellipse, and the corresponding semi-axis can be expressed as follows:
a = c ( 1 + β ) , b = c ( 1 β )
where  β = B A 2 k .

3.4. Mohr-Coulomb Guidelines

The wellbore collapse pressure represents the lower threshold of the safe density window. It indicates the point at which shear failure occurs in the wellbore rock, resulting in wellbore collapse. The Mohr–Coulomb criterion serves as the foundation for identifying instability in the wellbore.
M ( σ 1 σ 3 ) sin φ ( σ 1 + σ 3 2 α p p ) 2 C 0 cos φ = 0
where  M = cos φ ( cos 2 φ sin 2 φ ) φ  is the internal friction angle;  σ 1  is the maximum principal stress;  σ 3  is the minimum principal stress;  α  is the effective stress factor;  P p  is the pore pressure;  C 0  is the cohesion.

3.5. Numerical Simulation Model

Once the geometric model is created, the four outer boundaries are fixed and the corresponding pressure boundaries are defined. Additionally, a pore pressure boundary is applied within the model, considering the internal fluid to be incompressible. The numerical analysis model of wellbore stability was constructed using ABAQUS. The borehole area and weak interlayer were accurately defined in the model, and the comprehensive model depiction results are presented in Figure 6.
Figure 6. The result of the overall partition of model grid.

4. Numerical Simulation Results

4.1. Boundary Conditions and Model Materials

For the igneous formation, the borehole size was chosen as 8 ½ inches. The corresponding model was represented by a square with dimensions measuring 3 m × 3 m. This model included a 5 mm weak interlayer and a 4 cm normal formation, both exhibiting distinct formation strength and permeability characteristics. Specific parameters for the model are provided in Table 5.
Table 5. Model parameters.

4.2. Calculation Results

The stress distribution pattern in igneous boreholes influenced by a weak interlayer is depicted in Figure 7. Furthermore, Figure 8 illustrates the plastic strain clouds of the wellbore under various strength parameters of the weak interlayer.
Figure 7. Stress distribution of igneous rock wellbore simulated.
Figure 8. Plastic strain under different strength parameters of weak interlayer. (a) C = 3 MPa,  φ  = 20°; (b) C = 5 MPa,  φ  = 25°; (c) C = 7 MPa,  φ  = 30°; (d) C = 9 MPa,  φ  = 35°.

5. Analysis of Factors Influencing Wellbore Stability

Serval factors play a significant role in wellbore stability, such as the strength of the weak interlayer, permeability, anisotropy of horizontal in situ stress, and abnormal pore pressure. To comprehensively address these factors, conducting simulation studies becomes essential. The Mohr–Coulomb criterion (Equation (30)) is employed as a tool to evaluate the potential occurrence of shear failure around the wellbore. By assessing the disparity between the maximum and minimum principal stresses at the well’s perimeter, this criterion determines the likelihood of shear failure. The higher difference signifies an elevated risk of shear failure, consequently increasing the probability of wellbore collapse.

5.1. Effect of the Strength of Weak Interlayer on Wellbore Stability

Based on the model parameters, four different sets of cohesion (C) and friction angle ( φ ) parameters were selected: 3 MPa at 20°, 5 MPa at 25°, 7 MPa at 30°, and 9 MPa at 35°. The results of the well perimeter stress calculations are shown in Figure 9.
Figure 9. Variation of the maximum and minimum principal stress difference with wellbore azimuths.
The wellbore azimuths in Figure 9 are intended to represent positions on the wellbore, with the center of the circle representing the center of the borehole circle, and the positive direction of the y-axis at 0°.
The distribution of the difference between the maximum and minimum principal stress exhibits symmetry, depicted in a detailed illustration from 0° to 90°. The difference curves for various strength parameters of the weak interlayer exhibit a pattern of initial decrease followed by an increase, indicating a corresponding decrease and then an increase in the risk of collapse for the perimeter rock. The lowest value occurs at 60°, representing the point of minimum risk for collapse of the perimeter rock. Furthermore, the difference at 0° is greater than that at 90°, indicating a higher risk of collapse for the former compared to the latter. Regions with high stress are observed in the direction of maximum and minimum in situ stress, with the surrounding area being particularly susceptible to collapse damage. The area surrounding the direction of minimum in situ stress is more prone to damage compared to the direction of maximum in situ stress. In summary, increasing the strength of the weak interlayer moderately reduces the risk of collapse of the well’s perimeter. However, this effect is relatively weaker, with the risk increasing in the areas adjacent to the direction of the maximum in situ stress.
Figure 10 illustrates the plastic strains observed. For varying strength parameters in the weak interlayer, the most significant influence is found within 2/3 of the wellbore length, with the maximum plastic strain occurring near the wellbore. As the distance of extension increases, the plastic strain gradually decreases until it converges to zero. Additionally, an increase in the strength of the weak interlayer leads to a decrease in both the peak plastic strain and the maximum extension length. The impact of different strength parameters in the weak interlayer on the plastic deformation of the wellbore demonstrates that higher strength in the weak interlayer results in reduced peak plastic deformation, a smaller area of occurrence, and a shorter maximum extension of plastic deformation. These findings indicate that the wellbore is less susceptible to destabilization due to plastic deformation.
Figure 10. Variation of plastic strain with extension length under different strength parameters of weak interlayer.

5.2. Effect of Permeability Capacity of Weak Interlayer on Wellbore Stability

To investigate the impact of varying the permeability capacity of the weak interlayer on wellbore instability, three sets of parameters with different permeability and porosity ratios (5 mD, 0.18; 50 mD, 0.2; 500 mD, 0.22) were selected, and the results are depicted in Figure 11. As the permeability of the weak interlayer increases, the risk of collapse is subsequently raised. However, the relative change is not significant, indicating that the permeability of the weak interlayer has a limited effect on the risk of wellbore collapse.
Figure 11. Variation of the maximum and minimum principal stress difference with well the circumference angle.
The plastic strain results under different permeabilities of the weak interlayer are illustrated in Figure 12. It is observed that as the permeability of the weak interlayer increases, the peak plastic strain also rises, indicating a higher risk of instability. However, the difference between the peak plastic strain and the longest extension distance for different permeabilities of the weak interlayer is relatively small. Increasing the permeability of the weak interlayer amplifies the degree of plastic deformation, which is detrimental to the stability of the wellbore in igneous formation. Nevertheless, the change in permeability of the weak interlayer has a relatively minor impact on plastic deformation.
Figure 12. Variation of plastic strain with extension length under different permeability of the weak interlayer.

5.3. Effect of Horizontal In Situ Stress Anisotropy on Wellbore Stability

The horizontal in situ stress ratio serves as an indicator of the level of anisotropy in the horizontal in situ stress. The maximum and minimum principal stresses on the wellbore were extracted for different horizontal in situ stress ratios (1, 1.1, 1.3, and 1.4), and the variation of the stress difference with the horizontal in situ stress ratio is presented in Figure 13.
Figure 13. Variation of the maximum and minimum principal stress difference with the well circumference angle.
In general, the difference between the principal stresses follows a pattern of initial decreases followed by an increase across different horizontal in situ stress ratios, aligning with the concentration of stress in the direction of maximum and minimum in situ stress. As the horizontal in situ stress ratio increases, the risk of collapse decreases between 0° and 23°, but gradually increases between 23° and 90°. Notably, between 60° and 90°, the risk of collapse experiences a significant increase, particularly when the horizontal in situ stress ratio reaches 1.4. Higher values of the horizontal in situ stress ratio amplify the risk of collapse in the majority of the well perimeter, with the most substantial impact occurring in areas near the direction of maximum in situ stress.
The plastic strains within the longest extension region were extracted for models with different horizontal in situ stress ratios, and the results are presented in Figure 14.
Figure 14. Variation of plastic strain with extension length under different horizontal in situ stress ratios.
The impact of the horizontal in situ stress ratio on the plastic deformation of the wellbore was investigated by examining the peak deformation extension distance. Plastic deformation primarily occurs within the weak interlayer. As the horizontal in situ stress ratio increases, the peak value of plastic strain initially rises and then declines, eventually converging to zero. A higher peak value of plastic strain indicates a greater influence on the normal rock mass on both sides, resulting in an increased risk of instability. In summary, a higher horizontal in situ stress ratio corresponds to a higher degree of plastic deformation, which adversely affects the stability of the wellbore.

5.4. Effect of Abnormal Pore Pressure on Wellbore Stability

To simulate formation anomaly pressure, the model underwent changes in the formation pore pressure. Three sets of formation pore pressure equivalent densities (0.8 g/cm3, 1 g/cm3, and 1.2 g/cm3) were utilized to investigate the impact of formation anomaly pore pressure on wellbore stability. Figure 15 illustrates the maximum and minimum principal stress differences corresponding to different formation pore pressures.
Figure 15. Variation of the maximum and minimum principal stress difference with the well circumference angle.
The variation of the main stress differential follows a decreasing and then increasing trend under different formation pore pressures, aligning with the stress concentration in the direction of maximum and minimum in situ stress. Abnormal pore pressure induces a larger principal stress differential compared to normal pressure, thereby heightening the risk of wellbore collapse. The impact of the abnormally high pressure is even greater, exacerbating the risk of wellbore collapse.
The plastic strain results from extracting the longest extended distance within the weak interlayer on the wellbore is presented in Figure 16. Both the peak plastic strain and the maximum extension distance of plastic deformation in the weak interlayer surpass those observed under normal formation pressure conditions, and these two indicators also exceed the valves recorded during abnormal low-pressure scenarios. In summary, the presence of abnormal pressure elevates the plastic strain within the wellbore, which is detrimental to the stability of the surrounding rock perimeter. Notably, abnormal high pressure has a more significant negative impact compared to abnormal low pressure.
Figure 16. Variation of plastic strain with extension length under different pore pressures.

6. Conclusions

The immersion of igneous cores with weak interlays in drilling fluid has been found to have significant effects on the mechanical properties and stability of well-bores. The results of this study indicate that soaking the cores leads to an increase in Poisson’s ratio, while the modulus of elasticity, cohesion, and internal friction angle all decrease to a certain extent, resulting in an overall reduction in rock strength.
Furthermore, strengthening the weal interlayer has shown potential for improving the stability of the well’s perimeter. As the strength of the weak interlayer increases, there is a reduction in the area of plastic deformation, peak deformation extension distance, and peak strain of the weak interlayer. In terms of collapse risk, there is a de-crease in most areas, but an increase in certain specific areas.
The permeability of the weak interlayer also plays a role in wellbore stability. A higher permeability of the weak interlayer leads to a larger area of plastic deformation, while the peak deformation extension distance remains relatively unchanged. Only the peak strain and the difference between maximum and minimum principal stresses increase slightly. This indicates that an increase in permeability reduces the stability of the well’s perimeter, but to a lesser extent.
In terms of the horizontal in-situ stress ratio, a greater ratio leads to a rapid in-crease in the 90° principal stress difference and a substantial rise in the risk of collapse. The area where plastic deformation occurs in the weak interlayer and the peak deformation extension distance remain largely unaffected, But the increased risk of collapse is primarily concentrated in the direction of maximum in-situ stress. Consequently, an increase in the horizontal in-situ stress ratio reduces the stability of the rock sur-rounding the well to some extent.
Comparing the weak interlayer to the normal formation, both types of abnormal pore pressure (high and low) cause an increase in the area of plastic deformation, peak deformation extension distance, peak strain, and risk of collapse. However, abnormal high pressure has a more significant negative impact on wellbore stability compared to abnormal low pressure.
This paper presents a unique characterization of the distribution of weak inter-layer in the investigation of wellbore stability. The current setting is idealized, and future research can explore methods to accurately characterize the content of soft and weak inclusions in igneous rocks. This would enable the determination of wellbore patterns in various types of igneous rocks [25,26,27,28,29]. Additionally, exploring wellbore stability for fractures in three-dimensional space within igneous rocks could be a potential future research direction.

Author Contributions

Conceptualization, D.S. and Z.C.; methodology, N.L.; software, Z.C.; validation, Z.C.; formal analysis, D.S.; investigation, D.S.; resources, N.L.; data curation, N.L.; writing original draft preparation, D.S.; writing review & editing, N.L.; visualization, N.L.; supervision, D.S.; project administration, X.C. All authors have read and agreed to the published version of the manuscript.

Funding

This research received no external funding.

Institutional Review Board Statement

Not applicable.

Data Availability Statement

The data are not publicly available due to privacy.

Conflicts of Interest

The authors declare no conflict of interest.

References

  1. Millett, J.M.; Wilkins, A.D.; Campbell, E.; Hole, M.J.; Taylor, R.A.; Healy, D.; Jerram, D.A.; Jolley, D.W.; Planke, S.; Archer, S.G.; et al. The geology of offshore drilling through basalt sequences: Understanding operational complications to improve efficiency. Mar. Pet. Geol. 2016, 77, 1177–1192. [Google Scholar] [CrossRef]
  2. Zhao, H.F.; Chen, M. Inversion of in-situ stress and wellbore stability from drilling data. Chin. J. Rock Mech. Eng. 2010, 29, 2799–2804. [Google Scholar]
  3. Siratoyic, P.A.; Aulock, F.V.; Lavallée, Y.; Cole, J.W.; Kennedy, B.M.; Villeneuve, M.C. Thermoelastic properties of the Rotokawa Andesite: A geothermal reservoir constraint. J. Volcanol. Geotherm. Res. 2015, 301, 1–13. [Google Scholar]
  4. Huo, H.B.; Zhang, X.C.; Li, J. Drilling technology research in igneous rock development area. Unconv. Oil Gas 2021, 8, 118–123–130. [Google Scholar]
  5. Qin, Y.; Wu, J.G.; Shen, J.; Yang, Z.B.; Shen, Y.L.; Zhang, B. Frontier research of geological technology for coal measure gas joint-mining. J. China Coal Soc. 2018, 43, 1504–1516. [Google Scholar]
  6. He, S.; Wang, W.; Zhou, J.; Huang, Z.; Tang, M. A model for analysis of wellbore stability considering the effects of weak bedding planes. J. Nat. Gas Sci. Eng. 2015, 27, 1050–1062. [Google Scholar] [CrossRef]
  7. Zhao, X.; Wang, J.; Mei, Y. Analytical Model of Wellbore Stability of Fractured Coal Seam Considering the Effect of Cleat Filler and Analysis of Influencing Factors. Appl. Sci. 2020, 10, 1169. [Google Scholar] [CrossRef]
  8. Qu, P.; Shen, R.C.; Fu, L.; Zhang, X.L.; Yang, H.L. Application of the 3D discrete element method in the wellbore stability of coal-bed horizontal wells. Acta Pet. Sin. 2011, 32, 153–157. [Google Scholar]
  9. Liu, X.J.; Liu, H.; Luo, P.Y. Effect of drilling fluid immersion on the strength of mudstone in Kuqa Formation and its application. Chin. J. Rock Mech. Eng. 2009, 28, 3920–3925. [Google Scholar]
  10. Zhang, J. Borehole stability analysis accounting for anisotropies in drilling to weak bedding planes. Int. J. Rock Mech. Min. Sci. 2013, 60, 160–170. [Google Scholar] [CrossRef]
  11. Yan, C.; Deng, J.; Yu, B.; Li, W.; Chen, Z.; Hu, L.; Li, Y. Borehole Stability in High-Temperature Formations. Rock Mech. Rock Eng. 2014, 47, 2199–2209. [Google Scholar] [CrossRef]
  12. Amin, M. The poro-elastic constants of multiple-porosity solids. Int. J. Eng. Sci. 2018, 132, 97–104. [Google Scholar]
  13. Chen, X.Y.; Gao, D.L.; Guo, B.Y.; Feng, Y.C. Real-time optimization of drilling parameters based on mechanical specific energy for rotating drilling with positive displacement motor in the hard formation. J. Nat. Gas Sci. Eng. 2016, 35, 686–694. [Google Scholar] [CrossRef]
  14. Yang, X.Q.; Liang, W.G.; Yu, Y.M. Study on the weakening of mechanical properties and mesoscopic mechanism of insoluble salt rock under solution leaching. Chin. J. Rock Mech. Eng. 2014, 33, 134–143. [Google Scholar]
  15. Jia, H.L.; Wang, T.; Xiang, W. The influence of water content on the physical and mechanical properties of argillaceous siltstone. Chin. J. Rock Mech. Eng. 2018, 37, 1618–1628. [Google Scholar]
  16. Tran, M.H.; Abousleiman, Y.N. Anisotropic Poro-chemo-electro-elastic Solution for an Inclined Wellbore Drilled in Shale. J. Appl. Mech. 2013, 80, 020912. [Google Scholar] [CrossRef]
  17. Liu, X.Q.; Zhang, X.B.; Xu, P. Analysis of wellbore stability of radial wells based on ABAQUS. Fault Block Oil Gas Fields 2016, 23, 523–527. [Google Scholar]
  18. Chang, L.; Ge, H.; Shen, Y.; Huang, Z.; Zhang, Q. Study on the Law of Membrane Efficiency of Unsaturated Shale and Its Application. Geofluids 2018, 2018, 2854958. [Google Scholar] [CrossRef]
  19. Jakub, K.; Sławomir, S. Analysis of 2d and 3d finite element approach of a switched reluctance motor. Prz. Elektrotech. 2011, 87, 188–190. [Google Scholar]
  20. Ping, Q.; Ruichen, S. Mechanism of wellbore stability and determination of drilling fluid density window in coalbed methane drilling. Nat. Gas Ind. 2010, 30, 64–68. [Google Scholar]
  21. Seo, H.W.; Han, J.S. 2d finite-element modeling of 3d blade structures with axisymmetric and non-axisymmetric shapes. J. Mech. Sci. Technol. 2020, 34, 5177–5184. [Google Scholar] [CrossRef]
  22. Papanastasiou, P.; Zervos, A. Wellbore Stability Analysis: From Linear Elasticity to Postbifurcation Modeling. Int. J. Geomech. 2004, 4, 2–12. [Google Scholar] [CrossRef]
  23. Chen, W.Z.; Wu, G.J.; Jia, S.P. Application of ABAQUS in tunnel and underground engineering. China Water Resour. Hydropower Press 2010, 2, 55–57. [Google Scholar]
  24. Li, Y.X. Stability Analysis of Wellbore during Drilling of Horizontal Wells Based on ABAQUS. Master’s Thesis, Xi’an University of Petroleum, Xi’an, China, 2020. [Google Scholar]
  25. Gelet, R.; Loret, B.; Khalili, N. Borehole stability analysis in a thermos-poro-elastic dual-porosity medium. Int. J. Rock Mech. Min. Sci. 2012, 50, 65–76. [Google Scholar] [CrossRef]
  26. Kanfar, M.F.; Chen, Z.; Rahman, S.S. Fully coupled 3D anisotropic conductive-convective poro-thermo-elasticity modeling for inclined boreholes. Geothermics 2016, 61, 135–148. [Google Scholar] [CrossRef]
  27. Chen, X.Y.; Gao, D.L.; Yang, J.; Luo, M.; Feng, Y.; Li, X. A Comprehensive Wellbore Stability Model Considering Poroelastic and Thermal Effects for Inclined Wellbores in Deepwater Drilling. J. Energy Resour. Technol. 2018, 140, 092903. [Google Scholar] [CrossRef]
  28. Bunger, A.P. The Mandel–Cryer effect in chemo-poro-elasticity. Int. J. Numer. Anal. Methods Geomech. 2010, 34, 1479–1511. [Google Scholar] [CrossRef]
  29. Gao, Y.; Liu, Z.; Zhuang, Z. Cylindrical Borehole Failure in a Transversely Isotropic Poro-elastic Medium. J. Appl. Mech. 2017, 84, 111008. [Google Scholar] [CrossRef]
Disclaimer/Publisher’s Note: The statements, opinions and data contained in all publications are solely those of the individual author(s) and contributor(s) and not of MDPI and/or the editor(s). MDPI and/or the editor(s) disclaim responsibility for any injury to people or property resulting from any ideas, methods, instructions or products referred to in the content.

Article Metrics

Citations

Article Access Statistics

Multiple requests from the same IP address are counted as one view.