Next Article in Journal
Integrated Assessment of CO2-Induced Acidification Lethal and Sub-Lethal Effects on Tropical Mussels Perna perna
Next Article in Special Issue
Optimization Method of Assembly Tolerance Types Based on Degree of Freedom
Previous Article in Journal
Self-Training with Entropy-Based Mixup for Low-Resource Chest X-ray Classification
 
 
Font Type:
Arial Georgia Verdana
Font Size:
Aa Aa Aa
Line Spacing:
Column Width:
Background:
Article

Influence of Manufacturing Process Modularity on Lead Time Performances and Complexity

Faculty of Manufacturing Technologies, Technical University of Kosice, Bayerova 1, 080 01 Presov, Slovakia
*
Author to whom correspondence should be addressed.
Appl. Sci. 2023, 13(12), 7196; https://doi.org/10.3390/app13127196
Submission received: 22 May 2023 / Revised: 7 June 2023 / Accepted: 14 June 2023 / Published: 16 June 2023

Abstract

In principle, modular or integral character of manufacturing lines depends on the topological designs of products and determined operation tasks. On the other hand, in specific situations there is an articulated need for modular design in smart manufacturing systems since modular layouts are a crucial step towards agile production via smart manufacturing. The aim of this paper is to explore how the modular layout relates to manufacturing lead time (MLT) and to operational complexity of smart manufacturing systems. For this purpose, topologically different models of alternative process layouts were simulated and tested, while MLT values were obtained using Tecnomatix Plant Simulation. The obtained positive findings of this research could be useful not only in selection of the most suitable process design from the alternative ones, but especially in deepening the knowledge and bettering understanding of the concept of optimal network modularity.

1. Introduction

The idea of modularity is widely discussed and analyzed in diverse fields, e.g., in computer science, in neurophysiology, in evolutionary biology, in smart manufacturing systems, etc. It is due to the fact that modularity creates system information on different levels to support Industry 4.0 or smart manufacturing in a sustainable way [1]. In relation to manufacturing systems, modularity is considered an effective approach, e.g., to minimize production costs [2], to increase flexibility of smart manufacturing systems [3], and to improve readiness for mass customization [4]. Therefore, modularity is seen as a tool that improves the productivity and efficiency of manufacturing processes. Especially in recent years, with the increasing importance of mass customization, modularity has become a popular topic in product and process development since implementation of its principles [5] helps companies in organizing complex products and processes. In addition, process modularity allows the shortening of cycle times, e.g., by organizing production as a modular consortium, the concept that was established in automotive industry since 1996 [6,7,8]. In this context, this study aims to explore the relation between process modularity and manufacturing lead time, and between process modularity and process complexity. The main goal of this research is focused on the following two research questions (RQs):
RQ 1: To what extent does modular process affect manufacturing lead time?
RQ 2: How does modular process affect the process complexity?
This article is organized in the following manner: Firstly, the related works are briefly described in the second section. Thereafter, the methodological framework describes the steps of the proposed approach. Subsequently, the selection of relevant indicators is provided together with demonstration of their application in a simple process example. Then, theoretical representative process models and a realistic case study are introduced and used to explore the relationship between optimal modularity (OM) and MLT, and between OM and operational complexity of manufacturing processes. Finally, the obtained results are summarized and answers to the above-mentioned research questions are provided.

2. Related Works

Modular approaches are increasingly being used as an integral part of design methods as many systems, including products and processes, evolve toward increasing modularity [9]. Hölttä-Otto and Salonen [10] classify modular design methods into Design Structure Matrix (DSM), Modular Function Deployment (MFD), and Function Structure Heuristics (FSH). DSM methods aim to structurally describe system elements to cluster them into modules [11]. MFD approach consists of five stages that are aptly characterized, e.g., in the work of Brunoe et al. [12]. FSH techniques developed by Stone et al. [13] include three strategies aimed at identifying modules for product architectures at the functional level.
Modularity in system property can be studied from many diverse perspectives. In contrast to specific views on modularity, generic insights attract more attention. One of these insights is that tweaking this system property appears as a possible way in the course of system evolution as it slows its atrophy [14], but this effort should not be endless and ineffectual. The effectiveness of such an effort also depends on the appropriateness of the modularity metrics used. There are several possible approaches for how to evaluate product and process modularity as a relative measure of the degree of granularity, i.e., the level of detailization of the system element before or after its decomposition [15]. In other words, relative modularity can be defined as a measure quantifying the tendency of the network to be organized in network modules [16]. Such metrics (see, e.g., [17,18,19,20]) are used to compare this property among multiple designs. Several independent authors pointed out in their works [21,22,23,24,25] that over-modularization is as undesirable as under-modularization. They came to this conclusion by assessing the advantages and disadvantages of these two contradictory solutions. Vanderfeesten et al. [26] stated that low system modularity in general can cause a higher number of unwanted effects than the same system of high modularity. Moreover, in the case of under-modularization, there are difficulties maintaining the large system elements or modules. On the other hand, a disadvantage of over-modularization is that a large number of linkages need to be managed. A possible solution to overcome this issue is to accurately identify the level of system granularity by an exact formula for quantifying this measure. According to Efatmaneshnik and Ryan [27], OM can be achieved ‘through balanced modularization as structural symmetry in the distribution of the sizes of modules’. Kashkoush and ElMaraghy [28] proposed the optimal product modularity measure to obtain a product structure tree which ensures OM at all hierarchical levels. When talking about optimal modularity, it is important to mention the well-known optimal network modularity indicator developed by Newman and Girvan [29], whose formula is described in Section 4 of this paper.
Process modularity issues are often investigated in the context of process complexity (see, e.g., works of [30,31,32]). Process modularity is considered as the degree to which a system is composed of relatively independent interacting elements encapsulated into modules that can be combined in variations to provide different functions [33]. Process complexity can be defined as the degree to which a process is complicated to analyze, study, or understand [34]. It is apparent that both process modularity and process complexity are important inherent system properties. It is also known that process modularity is primarily used to reduce its complexity by decomposing processes into modules, as they are easier to manage than as a whole [35]. The related problems were explored, e.g., in work [36], where authors identified a strong negative correlation between complexity and system modularity which confirms that lower complexity implies higher modularity. Although the literature offers many complexity measures/indicators focused on product and process complexity (see, e.g., works of [37,38,39,40]), they are mostly usable for specific tasks. Bonchev and Buck [41] proposed several effective complexity measures which combine the adjacency and distance matrix of the network. Their methods are devoted to measuring topological complexity and are also easily applicable in manufacturing process domain. The authors of the work [42] developed two practically oriented complexity indicators to assess assembly supply chain networks. It is also worth mentioning a generic static complexity measure that is easily employed in manufacturing systems environment [43]. Input variables for this complexity measure need to be extracted from production orders and scheduling tasks. Moreover, there are several works which are focused on exploration of positive modularity impact on manufacturing lead time, e.g., [44,45,46,47,48].
Although the related studies marginally address this issue, so far, no study deals with the link between modularity and MLT based on an experimental exploration in order to find out to what extent process modularity impacts manufacturing lead time in a real manufacturing environment.

3. Methodological Framework

To verify the working assumption that process modularity could positively impact MLT and the complexity of assembly process structures, the following methodical procedure was elaborated in this order, as shown in Figure 1.
A necessary precondition to explore the relationships is the ability to measure the system properties, i.e., modularity and complexity, in an appropriate way. For this purpose, the most competitive indicators were identified from which the best ones were subsequently selected.

4. Potential Indicators to Measure Process Modularity and Process Complexity

In this section, several indicators which measure process modularity and process complexity are described. Subsequently, the most suitable indicators for the two mentioned system properties will be chosen.

4.1. Selection of the Indicator to Measure Process Modularity

Four process modularity indices were considered for the given purposes. The first of them is called Singular Value Modularity Index (SMI). Although this measure was originally intended to enumerate the degree of product modularity, it is also applicable to measure process modularity. This index enumerates the degree of system modularity by employing singular value decomposition on the design structure matrix. For the given purpose the following equation was proposed [49]:
S M I ( Σ D S M ) = 1 1 N · σ 1 i = 1 N 1 σ 1 ( σ 1 σ i + 1 )
where N represents the number of system components; σi means singular value, where i = 1, 2, …, N − 1.
The SMI measure can reach values between zero and one, while values closer to zero mean a minimum degree of modularity, and vice versa.
The second indicator, the cross-module independence (CMI), calculates the ratio of the sum of relations inside all modules to the sum of all relations, and is expressed by the following equation [50]:
C M I = 1 i n t = 1 n R i n t T
where n stands for the number of modules, while int = 1, 2, …, n; R represents the number of inside connections; and T is the number of all linkages in a network.
The third one, the optimal modularity indicator Qd, proposed by Newman and Girvan [29] can be also used to identify optimal process structure from a set of alternative ones. This index is quantified by using equation:
Q d = s = 1 n l s L w s o u t · w s i n L 2
where n indicates the number of modules, L represents the sum of all edges in a network, ls is the sum of internal edges in module s, wsout is the number of output edges in module s, and wsin stands for the number of input edges in module s.
The last considered indicator, named the optimal modularity indicator M(G), is aimed to measure the OM of process structures. This indicator is expressed as follows [51]:
M ( G ) = n ( N j · ln N j )
where n is the number of modules in a network, Nj is the number of couplings extracted from columns of related visibility matrix, j = 1, …, K, while K is the number of columns in a related design matrix.
Principally, all the mentioned modularity indicators are more or less suitable for exploration of the relationships. However, it is possible to identify relevant differences in their sensitivity to recognize slight topological nuances when comparing similar process structures. These differences were already studied in our previous work [51], where the indicator M(G) was prioritized against the concurrent ones. Therefore, it will be used for the intended purpose in this study.

4.2. Selection of the Indicator to Measure Process Complexity

The four complexity indicators are summarised below for the purpose of selecting the most suitable one from them.
Deshmukh et al. [43] developed a formula to measure the complexity of manufacturing systems that is expressed as follows:
H s 1 = log m 2 n r
where n is the number of parts, m is the number of operations, while r is the number of machines.
The second indicator is based on the concept of Shannon’s information entropy, and it is formulated through the following equation [52]:
H s 2 = j = 1 M i = 1 S p i j log 2 p i j
where M is the number of machines, S stands for the number of possible planned states of the machine j can be in, pij is probability that the machine j is in state i.
The third one, so-called modified flow complexity (MFC) indicator enumerates all tiers, nodes, and links weighted with determined α, β, and γ coefficients. This indicator is enumerated using formula [53]:
M F C = α · T + β · N + γ · L
where α is multi-tier coefficient (α ≥ 0), β reflects network nodes (β ≥ 0), γ is manufacturing network links coefficient (γ ≥ 0); N is the number of nodes; L is number of links; and T is the number of tiers.
The fourth indicator is devoted to measuring operational complexity of manufacturing systems. This indicator is calculated using the following equation [54]:
P C I = i = 1 M j = 1 P k = 1 O p ijk log 2 p ijk
where pijk is probability that part j is being proceeded due to operation k by individual machine i according to scheduling order, O is the number of operations, P means the number of parts produced in manufacturing process, M is the number of all machines in manufacturing process.
Based on the recent comparisons of the alternative complexity measures [54], indicator PCI was selected for measuring the operational process complexity.

5. Procedures to Calculate Modularity, Complexity and MLT

To show application procedures for using the selected indicators (M(G), PCI), and MLT, the following two sub-sections provide simple demonstrations of how it works.

5.1. Procedures for M(G) and PCI

Firstly, let us have a model of manufacturing process, in which parts P1, P2, and P3 are processed by machines M1, M2, M3, M4, M5, M6, and M7, and scheduled as depicted in Figure 2.
When applying M(G) indicator, at first, it is needed to create a visibility matrix of the given process model (see in Figure 3) to obtain Nj values.
Then, process modularity is quantified using Equation (4) as follows:
M G = 7 2 · ln 2 + 3 · ln 3 + 5 · ln 5 + 4 · ln 4 + 5 · ln 5 + 8 · ln 8 + 8 · ln 8 = 0.118
The procedure is repeated for all alternative structure models. Then, the model with the highest M(G) value represents the optimal manufacturing process structure among concurrent ones, from the modularity point of view.
In order to apply the PCI indicator, at first, it is necessary to enumerate partial complexities of the machines. Then, their sum represents the overall complexity of the process. Let us demonstrate enumeration of partial complexity for machine M1 by the applying Formula (8). This machine is processing two parts (P1 and P3), and therefore the partial complexity of M1 has to be enumerate in this way:
P C I M 1 = p 11 log 2 p 11 + p 13 log 2 p 13 = 1 5 log 2 1 5 + 1 5 log 2 1 5 = 0.928   b i t s
where, e.g., p11 is the probability that part P1 is just being proceeded by machine M1. It must be recognized that when this part is processed on machines in serial manner, then p11 equals 1/5, because the number of machines in serial connection equals five.
The partial complexities can be enumerated in the two ways shown in Figure 4. Due to this fact, it is possible to create a graph of the complexity distributions, where the resulting cumulated complexities are the same for both the views. It can easily be proved that PCI value for the given process model is 7.04 bits.

5.2. Procedure to Enumerate MLT

In order to generate MLT values, simulation software was employed. Manufacturing lead time is defined as the total time required to process a product through the plant, and its formal definition was given by Groover [55]:
M L T j = i = 1 n o j ( T s u i j + Q j × T c i j + T t i j )
where j stands for part number or product number; Tsuij is setup time for operation i on part or product j; Qj is quantity of part or product j in the batch being processed; Tcij is cycle time for operation i on part or product j; Ttij is transport time associated with operation i, where i indicates the operation sequence in the processing, i = 1, 2, …, noj.
Moreover, knowledge of set-up times, processing cycle times, and transport times are needed. The allocated setup time is three seconds, and processing cycle time equals one minute for all seven machines. Transport times are assigned based on the distance between the machines. Specifically, five seconds are assigned between two machines located next to each other (e.g., M1 to M2);ten seconds are set up between machines not located close to each other (e.g., M1 and M3). Obtained total MLT for all the parts using simulation software is 6 min and 53 s (see Figure 5).

6. Testing and Analysis of the Indicators through Theoretical Process Models

For this purpose, process models from work by Latva-Koivisto [56] who explored the complexity of six Kaimann’s process graphs [57] were used for the theoretical experiment. It is assumed that 100 parts are produced on 22 machines (see Figure 6). In addition, set-up times, processing cycle times, and transport times were assigned. The allocated set-up time was two seconds, and processing cycle time was one minute for all 22 machines. Transport times were assigned based on the distance between the machines at five seconds between two machines located next to each other (e.g., M2 to M3); ten seconds between machines, e.g., M2 and M9; and 15 s between machines that are located further away from each other (e.g., M2 and M15).
Process modularity and complexity values were enumerated using Equations (4) and (8), while MLT values were obtained using the simulation tool—Tecnomatix Plant Simulation. The obtained values are depicted using graphs in Figure 7.
Following the obtained results, one can see from Figure 7a when comparing process modularity and MLT, that process modularity in Graph 1 is the highest while its MLT is the shortest. Process modularity of the remaining graphs has the same tendency in relation to MLT values. Then, it is possible to state from these summarized results, that modularity values are in relation with MLT values: as the modularity increases, MLT decreases, and vice versa. When comparing process modularity in relation to operational complexity from Figure 7b, it can be seen that Graph 1 has the lowest complexity, while its process modularity is the highest. The rest of the graphs report the same tendency, and it can be said that M(G) positively impacts the operational complexity of manufacturing systems.
To answer the research questions mentioned in the introduction section and to confirm the positive impact of process modularity on MLT and process complexity, the two methods were further employed to find to what extent the M(G) effects MLT, and how modularity influences the process complexity of manufacturing systems.
At first, the Spearman correlation analysis was used to test these relationships. Spearman correlation coefficient rated using a known scale [58] between M(G) and manufacturing lead time, and between M(G) and process complexity equals (0.91 and 0.98, respectively). Based on these results, it means that there are very strong relationships.
Then, the sensitivity index “I” is used to assess sensitivity between the M(G) and MLT values, as well as between M(G) and PCI values. For this purpose, the following formula was applied [59]:
I = ( y 2 y 1 ) / y 0 2 · x / x 0
where y0 is the model output calculated with an initial value x0 of the parameter x; x1 = x0 − ∆x and x2 = x0 + ∆x with corresponding values y1 and y2.
Sensitivity values are ranked into four classes: small to negligible sensitivity (0 ≤ |I| ˂ 0.05); medium sensitivity (0.05 ≤ |I| ˂ 0.20); high sensitivity (0.20 ≤ |I| ˂ 1); and very high sensitivity (|I| ≥ 1).
By applying formula (10) for all the six process structures, the following values are obtained: I = −7.37 between M(G) and MLT, and I = −1.55 between M(G) and PCI. Based on the obtained results, it can be said that in both the relationships there are very high sensitivities.
These two relationships were also tested on the realistic case study in the next section.

7. Case Study

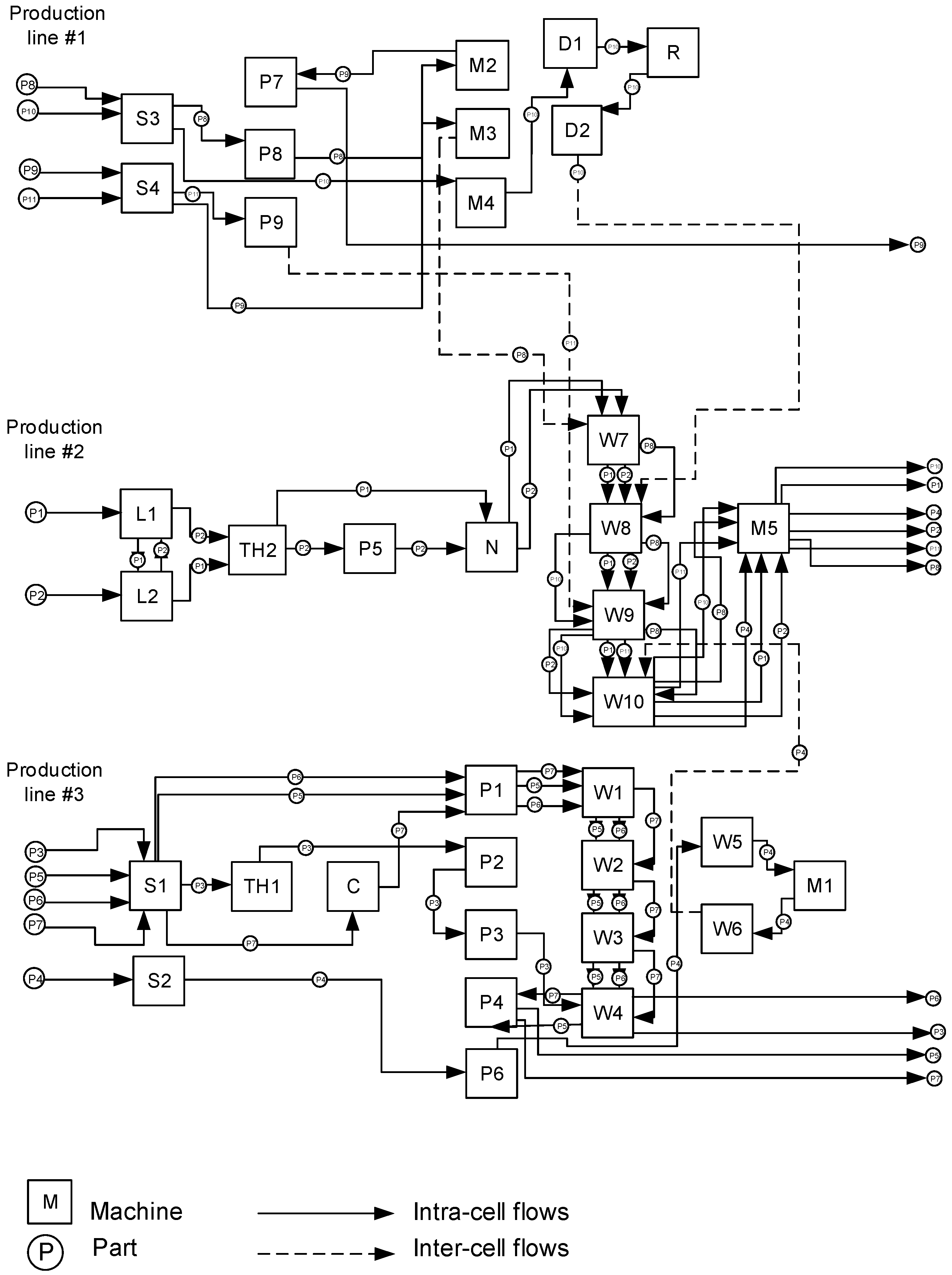
The case study is focused on the production of bicycle frames consisting of 11 parts (P) machined on the 37 machines (M). Five manufacturing process alternatives are compared, where one consists of two production lines (PLs), two are created from three PLs, one alternative consists of four PLs, and the last produces the products through six PLs. First-in-first-out scheduling algorithm was used for this purpose.
Sequence of machines and their operational times are shown in the following Table 1.
To identify MLT values by simulation tool, set-up times and transport times will also be assumed. Set-up time equals 10 s for all the machines. Transport times between all the machines located next to each other will be the same (5 s). The rest of the transport times are assigned by simulation tool based on the distance between machines (see Table 2).

7.1. Description of Process Structures

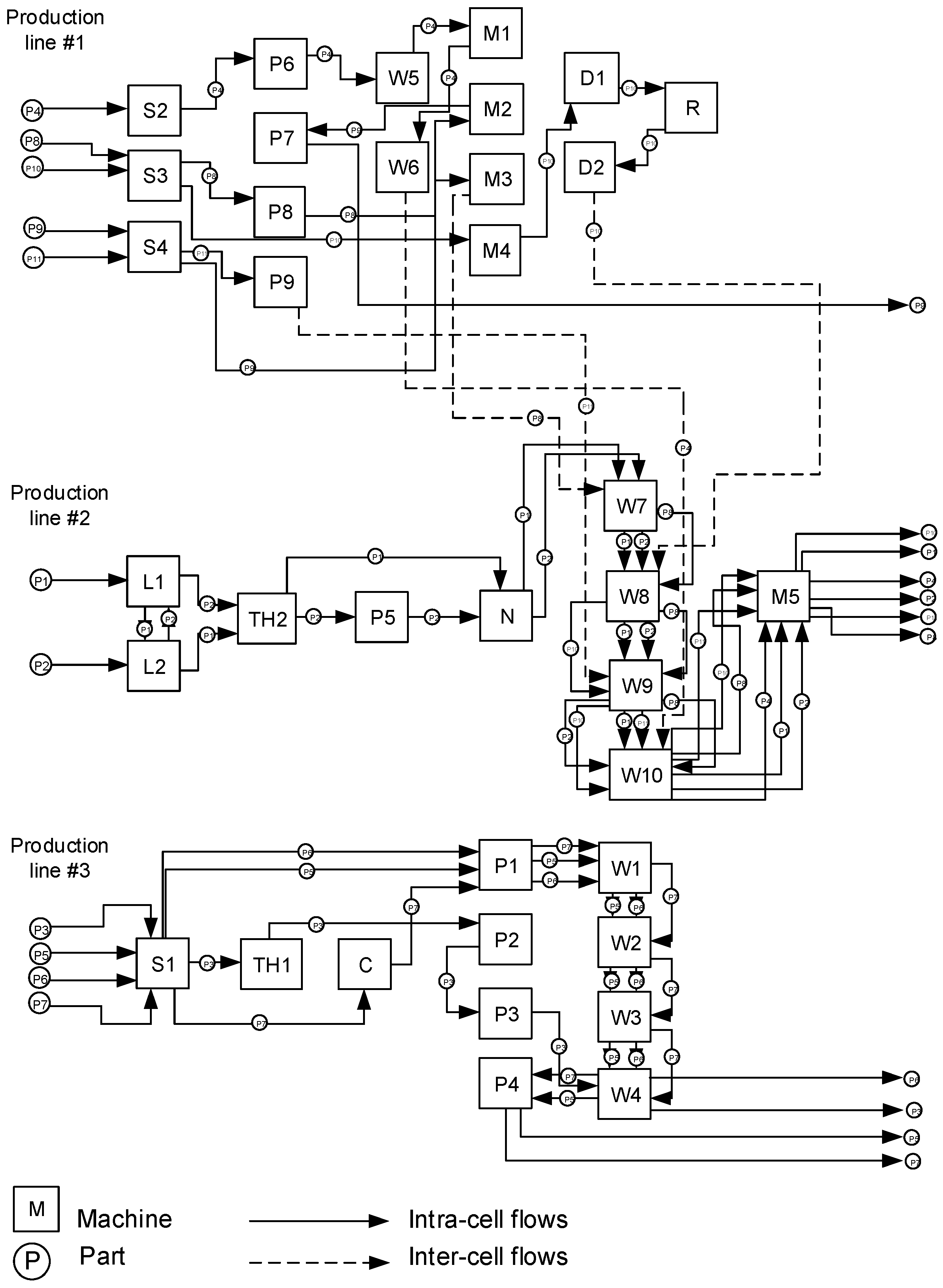
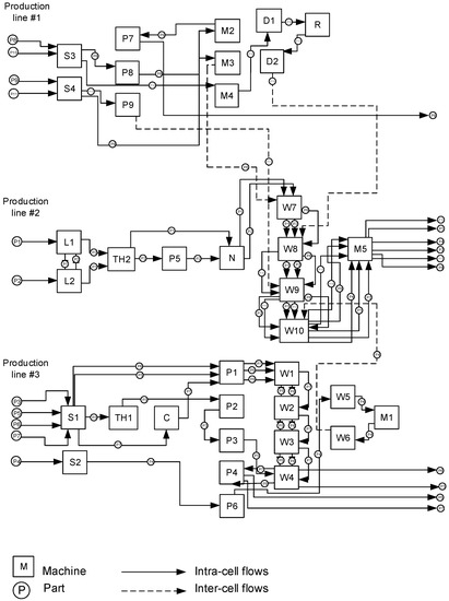
Process design alternative “A” (see Figure 8) consists of 37 machines divided into two PLs. Parts P3–P11 pass through the first production line, while parts P4, P8, P10, and P11 are finalized in the second one. Parts P1 and P2 are produced only in the second line.
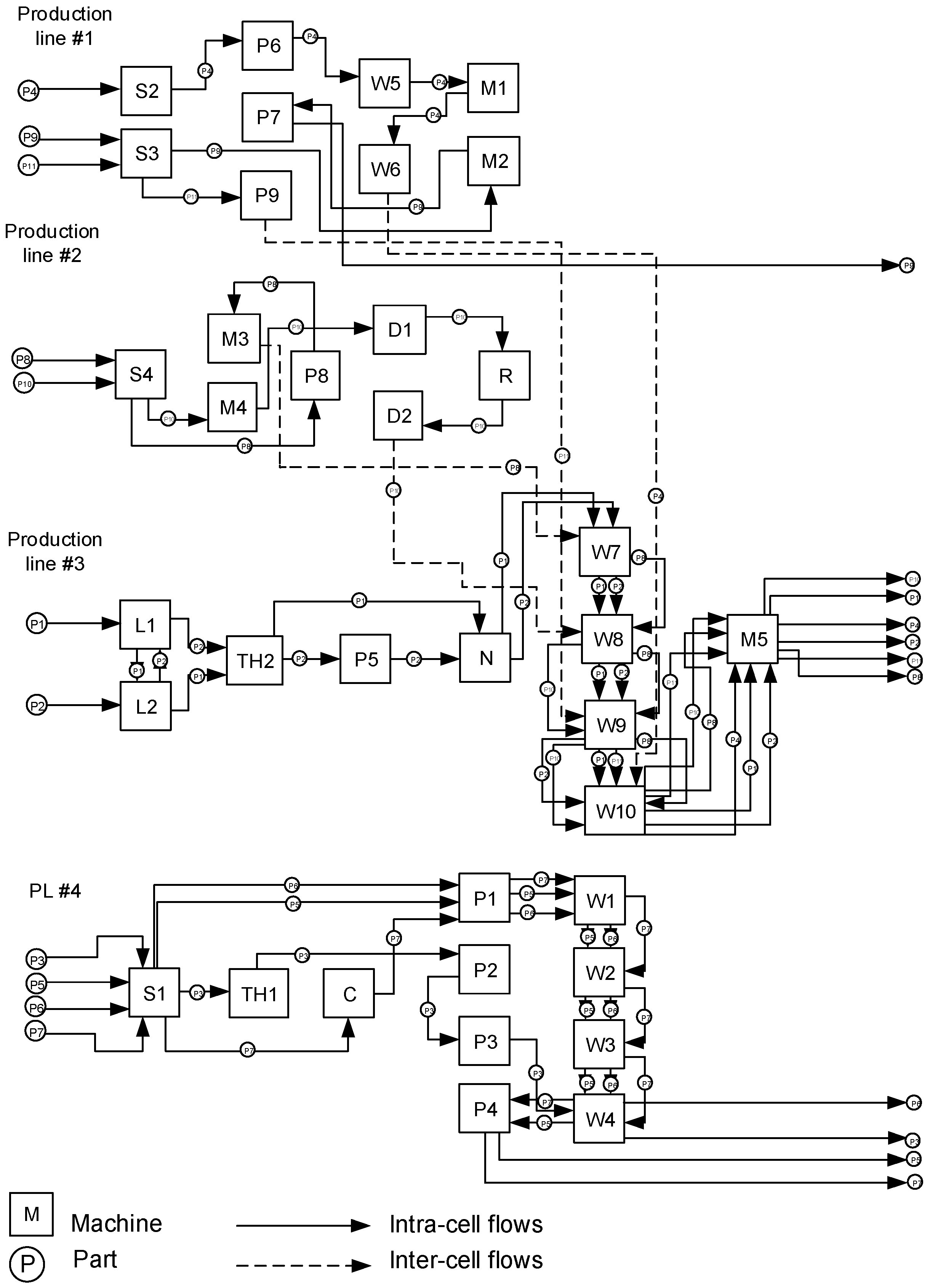
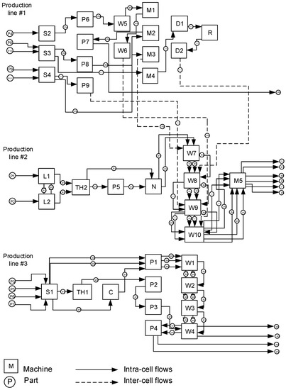
Process design alternative “B” (see Figure 9) contains three PLs. Parts P4, P8, P9, P10, and P11 pass through the first PL, while parts P4, P8, P10, and P11 are finalized in the second PL. Parts P1 and P2 are produced in the second PL and remaining parts are processed in PL #3.
Process design alternative “C” (see Figure 10) is divided also into three PLs. The first production line processes parts P8, P9, P10, and P11, but parts P8, P10, and P11 are finalized in the second PL together with parts P1 and P2. Parts P3–P7 pass through the last production line #3.
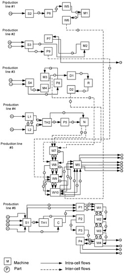
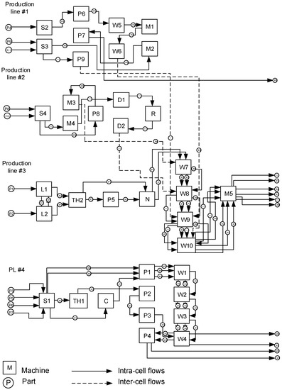
Process design alternative “D” (see Figure 11) consists of four production lines. Parts P4, P9, and P11 are processed in the first one PL, while parts P4 and P11 are finally processed in the second PL together with parts P8 and P10, which are finalized in the next line together with P1 and P2. Parts P3, P5, P6, and P7 pass through the fourth production line.
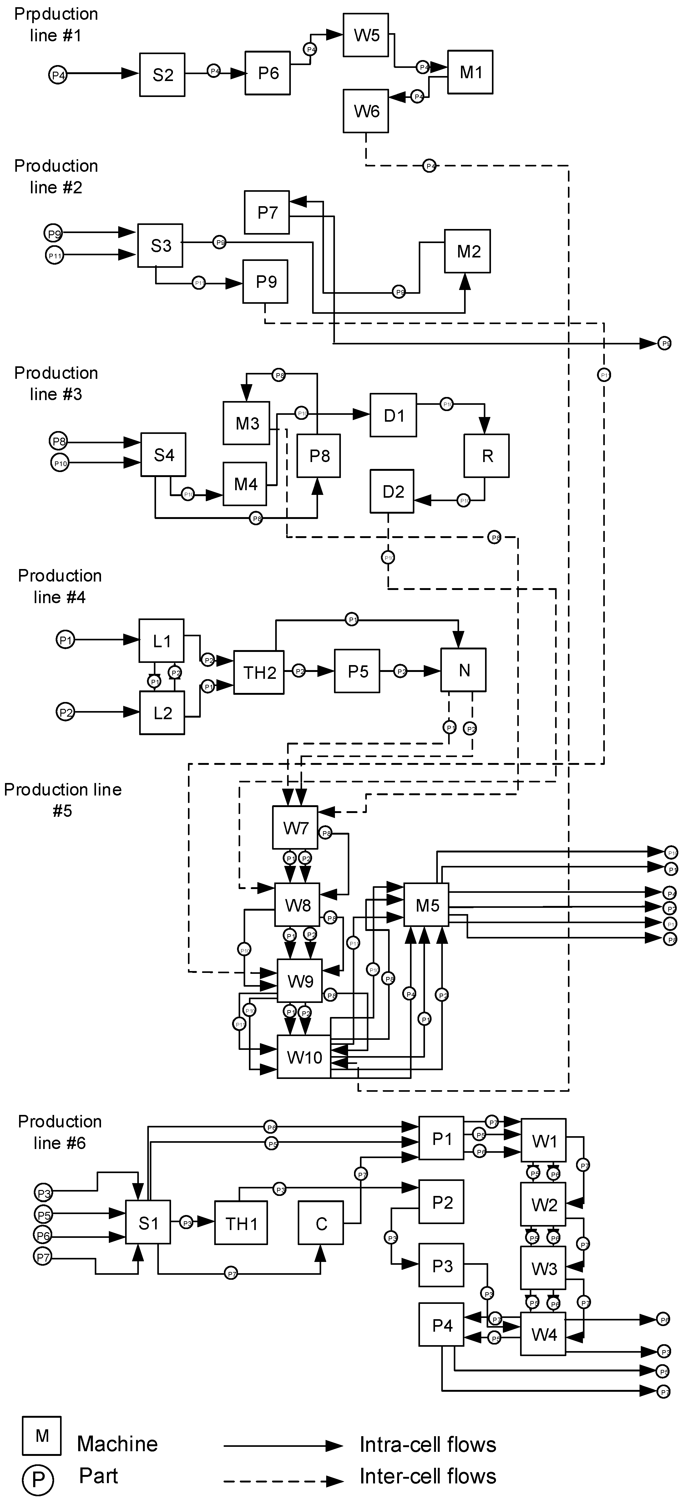
Process design alternative “E” (see Figure 12) contains six production lines. Part P4 passes firstly through the first line and then, it is finalized in the fifth PL. Parts P9 and P11 are processed in the second PL, but P11 is finalized in the fifth PL. Parts 8 and P10 are firstly produced in the third PL, but they are finalized also in the fifth PL. Parts P1 and P2 pass firstly through the fourth PL and they are finalized in the last PL. Parts P3, P5, P6, and P7 are processed only in the last production line.

7.2. Analysis of Results

All the five process structures were assessed using the above introduced optimal modularity indicator M(G) and operational complexity indicator PCI, and also tested through simulation software to obtain MLT values. Obtained results for all the alternatives are depicted in Figure 13.
When comparing process modularity values and MLT values, it is possible to state that there is the following relationship. If the modularity increases then MLT decreases, and vice versa (see Figure 13a). When comparing process modularity in relation to operational complexity, it can be seen that Alt. ”E” has the lowest complexity, while its process modularity is the highest (see Figure 13b). The rest of process models are subject to the same tendency, and it can be said that OM positively impacts operational complexity of manufacturing systems.
To confirm or deny the previous statements (from Section 6) to the RQs, the Spearman correlation analysis and the sensitivity analysis were applied.
The Spearman correlation analysis confirmed very strong negative relationships (ρ = −0.82) between M(G) and MLT values, and between M(G) and PCI values as ρ = −0.87.
The sensitivity index between M(G) and MLT enumerated using Equation (10) equals 47.17 and between M(G) and PCI values is −6.13. Based on the obtained results, it can be said that there is very high sensitivity between these two relationships.

8. Conclusions

When exploring specific practical modularity problems, it seems to be useful to stress that the first important task is to select appropriate method(s) to assess this system attribute. For the purpose of this study, the optimal modularity indicator M(G) has been applied along with the operational complexity indicator (PCI) and MLT indicator. The second precondition to deal with this issue is to take adequate process models to carry out experiments. We tried to fulfill these two conditions consistently.
As the purpose of this study is linked to the research questions presented in the introduction section, we provide the following summarized answers to them, although this was partially completed in Section 6 and Section 7:
Answer to RQ 1: Considering the achieved results presented in Section 6 and Section 7, one can state that process structure modularity positively affects the manufacturing lead time in the sense that if manufacturing process modularity increases, then MLT decreases, as was proved in both the testing cases.
To answer the question regarding to what extent modularity can impact MLT, it is useful to quantify percentage change in MLT caused due to modularity using both the simulation experiments. Then, one can easily find that difference of MLT between less and more modular manufacturing process is: 4.8% in case of theoretical process models and 2% in case of real process models.
Answer to RQ 2: Taking into account the obtained results from the experiments, it can be stated that process structure modularity positively affects the complexity of manufacturing processes, so that if manufacturing process modularity increases, then process complexity decreases. These rigorously obtained results evidence the statement that the concept of modularity is purpose-built to reduce complexity by breaking a system into varying degrees of interdependence [60].
Finally, potential future research could be directed at exploration of the influence of process modularity on smart mass customization assembly systems with the aim to validate presented findings with a higher degree of generality.

Author Contributions

Conceptualization, V.M.; methodology, V.M. and Z.S.; software, Z.S.; validation, Z.S., formal analysis, Z.S.; writing—original draft preparation, Z.S.; writing—review and editing, V.M.; visualization, Z.S.; supervision, V.M. All authors have read and agreed to the published version of the manuscript.

Funding

This research has been funded by the project SME 5.0 with funding received from the European Union’s Horizon research and innovation program under the Marie Skłodowska-Curie Grant Agreement No. 101086487 and the KEGA project No. 044TUKE-4/2023 granted by the Ministry of Education of the Slovak Republic.

Institutional Review Board Statement

Not applicable.

Informed Consent Statement

Not applicable.

Data Availability Statement

Data is contained within the article.

Conflicts of Interest

The authors declare no conflict of interest.

References

  1. Habib, T.; Omair, M.; Habib, M.S.; Zahir, M.Z.; Khattak, S.B.; Yook, S.J.; Akhtar, R. Modular Product Architecture for Sustainable Flexible Manufacturing in Industry 4.0: The Case of 3D Printer and Electric Toothbrush. Sustainability 2023, 15, 910. [Google Scholar] [CrossRef]
  2. ElMaraghy, H.; Schuh, G.; ElMaraghy, W.; Piller, F.; Schönsleben, P.; Tseng, M.; Bernard, A. Product variety management. CIRP Ann. 2013, 62, 629–652. [Google Scholar] [CrossRef]
  3. Massimi, E.; Khezri, A.; Benderbal, H.H.; Benyoucef, L. A heuristic-based non-linear mixed integer approach for optimizing modularity and integrability in a sustainable reconfigurable manufacturing environment. Int. J. Adv. Manuf. Technol. 2020, 108, 1997–2020. [Google Scholar] [CrossRef]
  4. Pishdad, A.; Taghiyareh, F. Mass customization strategy development by FIRM. J. Database Mark. Cust. Strategy Manag. 2011, 18, 254–273. [Google Scholar] [CrossRef][Green Version]
  5. Anssen, F.; Grossman, P.; Westbroek, H. Facilitating decomposition and recomposition in practice-based teacher education: The power of modularity. Teach. Teach. Educ. 2015, 51, 137–146. [Google Scholar] [CrossRef]
  6. Collins, R.; Bechler, K.; Pires, S. Outsourcing in the automotive industry: From JIT to modular consortia. Eur. Manag. J. 1997, 15, 498–508. [Google Scholar] [CrossRef]
  7. Pires, S.R. Managerial implications of the modular consortium model in a Brazilian automotive plant. Int. J. Oper. Prod. Manag. 1998, 18, 221–232. [Google Scholar] [CrossRef]
  8. Miguel, P.A.C. Modularity in product development: A literature review towards a research agenda. Prod. Manag. Dev. 2005, 3, 165–174. [Google Scholar]
  9. Schilling, M.A. Toward a general modular systems theory and its application to interfirm product modularity. Acad. Manag. Rev. 2000, 25, 312–334. [Google Scholar] [CrossRef]
  10. Holtta, K.M.; Salonen, M.P. Comparing three different modularity methods. In Proceedings of the 15th International Conference on Design Theory and Methodology, Chicago, IL, USA, 2–6 September 2003; pp. 533–541. [Google Scholar]
  11. Eppinger, S.D.; Browning, T.R. Design Structure Matrix Methods and Applications; MIT Press: Cambridge, MA, USA, 2012. [Google Scholar]
  12. Brunoe, T.D.; Soerensen, D.G.; Nielsen, K. Modular design method for reconfigurable manufacturing systems. Procedia CIRP 2021, 104, 1275–1279. [Google Scholar] [CrossRef]
  13. Stone, R.B.; Wood, K.L.; Crawford, R.H. A heuristic method for identifying modules for product architectures. Des. Stud. 2000, 21, 5–31. [Google Scholar] [CrossRef]
  14. Tiwana, A.; Safadi, H. Atrophy in Aging Systems: Evidence, Dynamics, and Antidote. Inf. Syst. Res. 2023. [Google Scholar] [CrossRef]
  15. Yao, Y. A triarchic theory of granular computing. Granul. Comput. 2016, 1, 145–157. [Google Scholar] [CrossRef]
  16. Holme, P. Signatures of currency vertices. J. Phys. Soc. Jpn. 2009, 78, 034801. [Google Scholar] [CrossRef]
  17. Blackenfelt, M. Managing Complexity by Product Modularization. Ph.D. Thesis, Royal Institute of Technology, Stockholm, Sweden, 2001. [Google Scholar]
  18. Modrak, V.; Soltysova, Z. Development of the Modularity Measure for Assembly Process Structures. Math. Probl. Eng. 2021, 2021, 4900748. [Google Scholar] [CrossRef]
  19. Tran, T.D.; Kwon, Y.K. The relationship between modularity and robustness in signalling networks. J. R. Soc. Interface 2013, 10, 20130771. [Google Scholar] [CrossRef]
  20. Larses, O.; Blackenfelt, M. Relational reasoning supported by quantitative methods for product modularization. In Proceedings of the DS 31: Proceedings of ICED 03, the 14th International Conference on Engineering Design, Stockholm, Sweden, 19–21 August 2003; pp. 347–348. [Google Scholar]
  21. Ethiraj, S.K.; Levinthal, D.A. Modularity and innovation in complex systems. Manag. Sci. 2004, 50, 159–173. [Google Scholar] [CrossRef]
  22. Geisendorf, S. Searching NK fitness landscapes: On the trade-off between speed and quality in complex problem solving. Comput. Econ. 2010, 35, 395–406. [Google Scholar] [CrossRef]
  23. Dosi, G.; Mareng, L. Division of labor, organizational coordination and market mechanisms in collective problem-solving. J. Econ. Behav. Organ 2005, 58, 303–326. [Google Scholar]
  24. Brusoni, S.; Marengo, L.; Prencipe, A.; Valente, M. The value and costs of modularity: A problem-solving perspective. Eur. Manag. Rev. 2007, 4, 121–132. [Google Scholar] [CrossRef]
  25. Conte, S.D.; Dunsmore, H.E.; Shen, V.Y. Software Engineering Metrics and Models; Benjamin-Cummings: Reading, MA, USA, 1986. [Google Scholar]
  26. Vanderfeesten, I.T.P.; Reijers, H.A.; van der Aalst, W.M. Evaluating workflow process designs using cohesion and coupling metrics. Comput. Ind. 2008, 59, 420–437. [Google Scholar] [CrossRef]
  27. Efatmaneshnik, M.; Ryan, M.J. On optimal modularity for system construction. Complexity 2016, 21, 176–189. [Google Scholar] [CrossRef]
  28. Kashkoush, M.; ElMaraghy, H. Optimum overall product modularity. Procedia CIRP 2016, 44, 55–60. [Google Scholar] [CrossRef][Green Version]
  29. Newman, M.E.J.; Girvan, M. Finding and evaluating community structure in networks. Phys. Rev. E 2004, 69, 026113. [Google Scholar] [CrossRef] [PubMed]
  30. Vickery, S.K.; Koufteros, X.; Dröge, C.; Calantone, R. Product modularity, process modularity, and new product introduction performance: Does complexity matter? Prod. Oper. Manag. 2016, 25, 751–770. [Google Scholar] [CrossRef]
  31. Lambiotte, R.; Schaub, M.T. Modularity and Dynamics on Complex Networks; Cambridge University Press: Cambridge, UK, 2021. [Google Scholar]
  32. Jayaram, J.; Vickery, S. The role of modularity in the supply chain context: Current trends and future research directions. Int. J. Prod. Res. 2018, 56, 6568–6574. [Google Scholar] [CrossRef]
  33. Sinha, K.; Suh, E.S.; de Weck, O. Integrative complexity: An alternative measure for system modularity. J. Mech. Des. 2018, 140, 051101. [Google Scholar] [CrossRef]
  34. Cardoso, J. Evaluating the process control-flow complexity measure. In Proceedings of the IEEE International Conference on Web Services (ICWS’05), Orlando, FL, USA, 11–15 July 2005. [Google Scholar]
  35. Yassine, A.A.; Naoum-Sawaya, J. Architecture, Performance, and Investment in Product Development Networks. ASME J. Mech. Des. 2016, 139, 011101. [Google Scholar] [CrossRef]
  36. Sinha, K.; Suh, E.S.; de Weck, O. Correlating integrative complexity with system modularity. In Proceedings of the International Design Engineering Technical Conferences and Computers and Information in Engineering Conference, Cleveland, OH, USA, 6–9 August 2017; American Society of Mechanical Engineers: New York, NY, USA, 2017; Volume 58127, p. V02AT03A048. [Google Scholar]
  37. Zhang, X.; Thomson, V. A knowledge-based measure of product complexity. Comput. Ind. Eng. 2018, 115, 80–87. [Google Scholar] [CrossRef]
  38. Raja, V.; Kokkolaras, M.; Isaksson, O. A simulation-assisted complexity metric for design optimization of integrated architecture aero-engine structures. Struct. Multidiscip. Optim. 2019, 60, 287–300. [Google Scholar] [CrossRef]
  39. Gabrie, I.H.; Shikdar, A. Design for manufacturing systems complexity: A perspective approach. Eng. Syst. Des. Anal. 2010, 49187, 751–762. [Google Scholar]
  40. Alkan, B.; Bullock, S. Assessing operational complexity of manufacturing systems based on algorithmic complexity of key performance indicator time-series. J. Oper. Res. Soc. 2021, 72, 2241–2255. [Google Scholar] [CrossRef]
  41. Bonchev, D.; Buck, G.A. Quantitative measures of network complexity. In Complexity in Chemistry, Biology and Ecology; Bonchev, D., Rouvray, D.H., Eds.; Springer: New York, NY, USA, 2005; pp. 191–235. [Google Scholar]
  42. Modrak, V.; Marton, D.; Kulpa, W.; Hricova, R. Unraveling complexity in assembly supply chain networks. In Proceedings of the 4th IEEE International Symposium on Logistics and Industrial Informatics, Smolenice, Slovakia, 5–7 September 2012; pp. 151–156. [Google Scholar]
  43. Deshmukh, A.V.; Talavage, J.J.; Barash, M.M. Complexity in manufacturing systems, Part 1: Analysis of static complexity. IIE Trans. 1998, 30, 645–655. [Google Scholar] [CrossRef]
  44. Gauss, L.; Lacerda, D.P.; Sellitto, M.A. Module-based machinery design: A method to support the design of modular machine families for reconfigurable manufacturing systems. Int. J. Adv. Manuf. Technol. 2019, 102, 3911–3936. [Google Scholar] [CrossRef]
  45. Zidi, S.; Hamani, N.; Kermad, L. Modularity metric in reconfigurable supply chain. In Advances in Production Management Systems. Artificial Intelligence for Sustainable and Resilient Production Systems, Proceedings of the IFIP International Conference on Advances in Production Management Systems, Nantes, France, 5–9 September 2021; Springer International Publishing: Cham, Switzerland, 2021; pp. 455–464. [Google Scholar]
  46. Chiu, M.C.; Okudan, G.L.E. An Investigation of Product Modularity and Supply Chain Performance at the Product Design Stage. In Proceedings of the 23rd International Conference on Design Theory and Methodology and 16th Design for Manufacturing and the Life Cycle Conference, Washington, DC, USA, 28–31 August 2011; pp. 681–689. [Google Scholar]
  47. Shamsuzzoha, A.; Piya, S.; Al-Kindi, M.; Al-Hinai, N. Metrics of product modularity: Lessons learned from case companies. J. Model. Manag. 2018, 13, 331–350. [Google Scholar] [CrossRef]
  48. Modrak, V.; Soltysova, Z. Batch size optimization of multi-stage flow lines in terms of mass customization. Int. J. Simul. Model 2020, 19, 219–230. [Google Scholar] [CrossRef]
  49. Holtta, K.; Suh, E.S.; de Weck, O. Tradeoff between modularity and performance for engineered systems and products. In Proceedings of the ICED 05: 15th International Conference on Engineering Design: Engineering, Melbourne, Australia, 15–18 August 2005; pp. 449–450. [Google Scholar]
  50. Abdelkafy, N. Variety Induced Complexity in Mass Customization: Concepts and Management; Erich Schmidt: Berlin, Germany, 2008. [Google Scholar]
  51. Modrak, V.; Soltysova, Z. Exploration of the optimal modularity in assembly line design. Sci. Rep. 2022, 12, 20414. [Google Scholar] [CrossRef]
  52. Frizelle, G.; Woodcock, E. Measuring complexity as an aid to developing operational strategy. Int. J. Oper. Prod. Manag. 1995, 15, 26–39. [Google Scholar] [CrossRef]
  53. Crippa, R.; Bertacci, N.; Larghi, L. Representing and measuring flow complexity in the extended enterprise: The D4G approach. In Proceedings of the RIRL 2006—Sixth International Congress of Logistics Research, Pontremoli, Italy, 3–6 September 2006. [Google Scholar]
  54. Modrak, V.; Soltysova, Z. Development of operational complexity measure for selection of optimal layout design alternative. Int. J. Prod. Res. 2018, 56, 7280–7295. [Google Scholar] [CrossRef]
  55. Groover, M.P. Automation, Production Systems, and Computer-Integrated Manufacturing, 4th ed.; Pearson: London, UK, 2016; pp. 1–816. [Google Scholar]
  56. Latva-Koivisto, A.M. Finding a Complexity Measure for Business Process Models; Helsinki University of Technology: Espoo, Finland, 2001. [Google Scholar]
  57. Kaimann, R.A. Coefficient of Network Complexity and Coefficient of Network Complexity: Erratum. Manag. Sci. 1974, 21, 172–177, Erratum in Manag. Sci. 1974, 10, 1211–1212. [Google Scholar] [CrossRef]
  58. Dancey, C.; Reidy, J. Statistics without Maths for Psychology: Using SPSS for Windows; PrenticeHall: London, UK, 2004. [Google Scholar]
  59. Lenhart, T.; Eckhardt, K.; Fohrer, N.; Frede, H.G. Comparison of two different approaches of sensitivity analysis. Phys. Chem. Earth 2002, 27, 645–654. [Google Scholar] [CrossRef]
  60. Baldwin, C.Y.; Clark, K.B. Design Rules, Volume 1: The Power of Modularity; MIT Press: Cambridge, MA, USA, 2000. [Google Scholar]
Figure 1. Applied methodological framework.
Figure 1. Applied methodological framework.
Applsci 13 07196 g001
Figure 2. A model of manufacturing process producing parts P1, P2 and P3 by machines M1–M7.
Figure 2. A model of manufacturing process producing parts P1, P2 and P3 by machines M1–M7.
Applsci 13 07196 g002
Figure 3. Visibility matrix of the manufacturing process.
Figure 3. Visibility matrix of the manufacturing process.
Applsci 13 07196 g003
Figure 4. (a) Probabilities (pijk) and related complexity values; (b) partial complexities from the machine view and part view, and cumulated complexities of machines and parts production.
Figure 4. (a) Probabilities (pijk) and related complexity values; (b) partial complexities from the machine view and part view, and cumulated complexities of machines and parts production.
Applsci 13 07196 g004
Figure 5. Print screen of the selected process model from Tecnomatix Plant Simulation.
Figure 5. Print screen of the selected process model from Tecnomatix Plant Simulation.
Applsci 13 07196 g005
Figure 6. Theoretical process models.
Figure 6. Theoretical process models.
Applsci 13 07196 g006
Figure 7. (a) Relationship between modularity and MLT; (b) relationship between modularity and process complexity for theoretical process models.
Figure 7. (a) Relationship between modularity and MLT; (b) relationship between modularity and process complexity for theoretical process models.
Applsci 13 07196 g007
Figure 8. Process design alternative A.
Figure 8. Process design alternative A.
Applsci 13 07196 g008
Figure 9. Process design alternative B.
Figure 9. Process design alternative B.
Applsci 13 07196 g009
Figure 10. Process design alternatives C.
Figure 10. Process design alternatives C.
Applsci 13 07196 g010
Figure 11. Process design alternatives D.
Figure 11. Process design alternatives D.
Applsci 13 07196 g011
Figure 12. Process design alternatives E.
Figure 12. Process design alternatives E.
Applsci 13 07196 g012
Figure 13. (a) Relationship between modularity and MLT; (b) relationship between modularity and process complexity for case study.
Figure 13. (a) Relationship between modularity and MLT; (b) relationship between modularity and process complexity for case study.
Applsci 13 07196 g013
Table 1. Sequence of machines for five process design alternatives.
Table 1. Sequence of machines for five process design alternatives.
Part NumberSequence of Machines with Their Operational Times in Seconds
P1L1(30)—L2(30)—TH2(35)—N(6)—W7 (15)—W8(40)—W9(40)—W10(103)—M5(30)
P2L1(30)—L2(30)—TH2(35)—P5(10)—N(6)—W7(15)—W8(40)—W9(40)—W10(103)—M5(30)
P3S1(32)—TH1(24)—P2(15)—P3(24)—W4(43)
P4S2(8)—P6(20)—W5(64)—M1(9)—W6(78)—W10(103)—M5(30)
P5S1(32)—P1(24)—W1(26)—W2(23)—W3(43)—W4(43)—P4(15)
P6S1(32)—P1(24)—W1(26)—W2(23)—W3(43)—W4(43)
P7S1(32)—C(38)—P1(24)—W1(26)—W2(23)—W3(43)—W4(43)—P4(15)
P8S4(12)—P8(10)—M3(20)—W7(15)—W8(40)—W9(40)—W10(103)—M5(30)
P9S3(12)—M2(20)—P7(10)
P10S4(12)—M4(20)—D1(14)—R(12)—D2(14)
P11S3(12)—P9(10)—W9(40)—W10(103)—M5(30)
Table 2. Transport times in seconds for all the three process design alternatives.
Table 2. Transport times in seconds for all the three process design alternatives.
From-to-StationAlt. 1Alt. 2Alt. 3Alt. 4Alt. 5
W6–W105341364641
P9–W95746465041
D2–W8352323234
M3–W73725252521
N–W7----20
Disclaimer/Publisher’s Note: The statements, opinions and data contained in all publications are solely those of the individual author(s) and contributor(s) and not of MDPI and/or the editor(s). MDPI and/or the editor(s) disclaim responsibility for any injury to people or property resulting from any ideas, methods, instructions or products referred to in the content.

Share and Cite

MDPI and ACS Style

Modrak, V.; Soltysova, Z. Influence of Manufacturing Process Modularity on Lead Time Performances and Complexity. Appl. Sci. 2023, 13, 7196. https://doi.org/10.3390/app13127196

AMA Style

Modrak V, Soltysova Z. Influence of Manufacturing Process Modularity on Lead Time Performances and Complexity. Applied Sciences. 2023; 13(12):7196. https://doi.org/10.3390/app13127196

Chicago/Turabian Style

Modrak, Vladimir, and Zuzana Soltysova. 2023. "Influence of Manufacturing Process Modularity on Lead Time Performances and Complexity" Applied Sciences 13, no. 12: 7196. https://doi.org/10.3390/app13127196

APA Style

Modrak, V., & Soltysova, Z. (2023). Influence of Manufacturing Process Modularity on Lead Time Performances and Complexity. Applied Sciences, 13(12), 7196. https://doi.org/10.3390/app13127196

Note that from the first issue of 2016, this journal uses article numbers instead of page numbers. See further details here.

Article Metrics

Back to TopTop