A Review of Hydrogen Sensors for ECLSS: Fundamentals, Recent Advances, and Challenges
Abstract
1. Introduction
2. Catalyst Combustion Hydrogen Sensors
2.1. Principle of Concentration Measurement
2.2. Status of Research
3. Heat Conduction Hydrogen Sensors
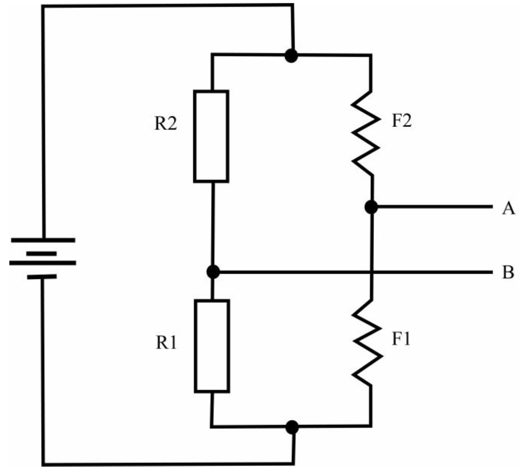
3.1. Principle of Concentration Measurement
3.2. Status of Research
4. Semiconductor Hydrogen Sensors
4.1. Metal Oxide Semiconductor Hydrogen-Sensitive Materials and Sensors
4.2. Schottky Diode Hydrogen-Sensitive Materials and Sensors
5. Fiber-Optic Hydrogen Sensors
5.1. Interference-Modulated Fiber-Optic Sensors
5.2. Intensity Modulated Fiber-Optic Sensors
5.3. Wavelength Modulated Fiber-Optic Sensors
6. Comparison and Development Trend of Each Sensor
7. Summary and Prospect
- (1)
- Reducing the cross-sensitivity of temperature, humidity, and other interference factors, as well as achieving accurate measurement of hydrogen in different environments, is required. The response signal of most hydrogen sensors is affected by temperature and humidity, resulting in cross-sensitivity. Some reducing gases are also absorbed by the hydrogen-sensitive material, which affects hydrogen detection. The cross-sensitivity of the sensor can be reduced via temperature and humidity compensation and surface modification of the hydrogen-sensitive material. The temperature and humidity compensation of the sensor mainly uses hardware and software compensation methods. Hardware compensation includes the bridge arm parallel resistance method, the bridge arm thermistor compensation method, the series-parallel thermistor compensation method outside the bridge, etc. Hardware compensation is usually based on the test data of the sensor in high- and low-temperature environments, and the corresponding temperature compensation components are selected to compensate for the initial zero point and output sensitivity drift of the sensor. Common software compensation methods include interpolation, least squares fitting, BP neural network algorithm, etc. Software compensation is based on the real-time ambient temperature collected via the temperature measurement element, the sensor’s zero point, sensitivity, etc., and the temperature change algorithm is integrated into the high-speed computing microcontroller to achieve real-time temperature compensation of the sensor. The use of hardware correction cannot be a complex algorithm compensation, and the compensation circuit is also susceptible to the influence of an electromagnetic environment. In contrast, the software compensation method has high accuracy, a wide range of applications, and simple debugging, and can, therefore, become a common method of sensor temperature compensation.
- (2)
- To develop new hydrogen-sensitive materials, the defects of common hydrogen-sensitive materials, such as Pd and WO3, can be improved by introducing nanotechnology and adding new materials, such as graphene. The research on hydrogen-sensitive materials never stopped, and the selection of hydrogen-sensitive materials plays a decisive role in the performance of sensors in terms of sensitivity, measurement range, operating temperature, and lifetime. With the development of material science, more new materials will be applied to hydrogen-sensitive materials to improve sensor performance. New hydrogen-sensitive materials, including nanomaterials, hybrid materials, new carbon materials, two-dimensional materials, and metal-organic framework materials, are studied to improve their selectivity and shorten the response time; their sensing materials are gradually developed from traditional metal oxides, such as SnO2, ZnO, and Fe2O3, in the early stage to new metal oxides, such as WO3, MoO3, and In2O3. Among them, WO3, as an n-type semiconductor, has a wide range of applications in hydrogen sensing. However, it is difficult for WO3 monolithic materials to have the characteristics of fast response, low detection limit, and wide detection domain at the same time, and it is necessary to prepare composite materials via physical mixing, loading, and doping, thus enhancing their hydrogen-sensing performance. The future goal can be to develop hydrogen-sensitive materials with fast response, long-term stability, and good selectivity. Currently, Pd alloys are used to reduce the response time and increase the stability of hydrogen sensors. In addition, magnesium–titanium (Mg-Ti) and magnesium–titanium–nickel (Mg-Ti-Ni) alloy composite films are made into sensors with good repeatability and stability. However, little research was previously performed regarding the selectivity of hydrogen sensors. Moreover, regardless of the measurement method used, the response time is still quite long (tens of seconds and, in some cases, even several minutes or hours); therefore, further research on new sensitive materials is needed.
- (3)
- Research on the applicability of hydrogen sensors at high temperatures is required. The current commercially available several hydrogen sensors have narrow operating temperature ranges, can only be measured at room temperature, and require higher accuracy and lifetimes in high-temperature environments compared to room temperature; thus, the optimization of signal processing and packaging technology should be one of the directions of future research. For example, the performance of fiber-optic hydrogen sensors at high temperatures can be improved by adjusting the internal structure and external packaging of the fiber.
- (4)
- Studying the signal detection and demodulation technology of fiber-optic sensors is also required. The excellent performance of fiber-optic hydrogen sensors facilitates temperature compensation and distributed multi-parameter measurement, which is conducive to the research and development of intelligent sensing systems in the context of the Internet of Things, while it also poses new challenges to the signal detection and demodulation technology of fiber-optic sensors. Currently, the price of a single-channel grating demodulator is over 10,000, and the price of a multi-channel grating demodulator and spectrum analyzer is even higher, which limits the commercialization of fiber-optic hydrogen sensors. Therefore, the development and optimization of software and hardware systems for signal detection and demodulation will be the focus of future research.
Author Contributions
Funding
Institutional Review Board Statement
Informed Consent Statement
Data Availability Statement
Conflicts of Interest
References
- Litvinov, A.; Etrekova, M.; Podlepetsky, B.; Samotaev, N.; Oblov, K.; Afanasyev, A.; Ilyin, V. MOSFE-Capacitor Silicon Carbide-Based Hydrogen Gas Sensors. Sensors 2023, 23, 3760. [Google Scholar] [CrossRef] [PubMed]
- Wu, C.M.; Motora, K.G.; Chen, G.Y.; Kuo, D.H.; Gultom, N.S. Highly efficient reduced tungsten oxide-based hydrogen gas sensor at room temperature. Mater. Sci. Eng. B 2023, 289, 116285. [Google Scholar]
- Nguyen, V.C.; Cha, H.Y.; Kim, H. High Selectivity Hydrogen Gas Sensor Based on WO3/Pd-AlGaN/GaN HEMTs. Sensors 2023, 23, 3465. [Google Scholar] [CrossRef] [PubMed]
- Lupan, C.; Mishra, A.K.; Wolff, N.; Drewes, J.; Krüger, H.; Vahl, A.; Lupan, O.; Pauporté, T.; Viana, B.; Kienle, L.; et al. Nanosensors Based on a Single ZnO: Eu Nanowire for Hydrogen Gas Sensing. ACS Appl. Mater. Interfaces 2022, 14, 41196–41207. [Google Scholar] [CrossRef] [PubMed]
- Harumoto, T.; Fujiki, H.; Shi, J.; Nakamura, Y. Extremely simple structure hydrogen gas sensor based on single metallic thin-wire under sweep heating. Int. J. Hydrogen Energy 2022, 47, 34291–34298. [Google Scholar] [CrossRef]
- Kim, N.; Cho, H.H.; Kim, Y.; Hwang, J.; Choi, J.Y.; Yu, H.K. Formation of palladium nano-gap on self-cracked WO3 for hydrogen gas sensors. Int. J. Hydrogen Energy 2023, 48, 1234–1239. [Google Scholar] [CrossRef]
- Okazaki, S.; Kawada, H.; Koshiba, Y.; Kasai, N.; Maru, Y.; Mizutani, T.; Takesaki, Y.; Shimano, S. Catalytic combustion type optical fiber Bragg grating hydrogen gas sensor using platinum-loaded fumed silica powder. Int. J. Hydrogen Energy 2023, 48, 9512–9527. [Google Scholar] [CrossRef]
- Takeo, H. Development of advanced gas-sensing devices based on the microstructural and compositional controls of various promising materials and their different operating mechanism. J. Ceram. Soc. Jpn. 2022, 130, 739–751. [Google Scholar]
- Sarkar, B.; Ratnakar, R.R.; Balakotaiah, V. Bifurcation analysis of catalytically assisted hydrogen combustion in monolith reactors. Chem. Eng. J. 2021, 425, 130318. [Google Scholar] [CrossRef]
- Lan, Y.; Zou, Y.; Ma, X.; Shi, Y.; Fan, J.; Hai, Y.; Wang, X.L.; Yang, J.J.; Feng, Q.H. Fabrication and Characterization of Dual Coordinate Self Examined Thermal Flow Sensor Arrays Based on Longitudinal Heat Conduction. IEEE Sens. J. 2020, 20, 434–440. [Google Scholar] [CrossRef]
- Watanabe, M.; Inoue, R.; Ichikawa, D.; Furusaki, K. Development of Thermal Conductivity Type Hydrogen Sensor. ECS Trans. 2020, 28, 20. [Google Scholar]
- Occelli, C.; Fiorido, T.; Pellegrino, C.P.; Seguin, J.L. Sensors for anaerobic hydrogen measurement: A comparative study between a resistive PdAu based sensor and a commercial thermal conductivity sensor. Int. J. Hydrogen Energy 2023, 48, 17729–17741. [Google Scholar] [CrossRef]
- Kimura, Y.; Ibano, K.; Uehata, K.; Hirai, I.; Lee, T.H.; Ueda, Y. Improved hydrogen gas sensing performance of WO3 films with fibrous nanostructured surface. Appl. Surf. Sci. 2020, 532, 147274. [Google Scholar] [CrossRef]
- Itoh, T.; Izu, N.; Tsuruta, A.; Akamatsu, T.; Shin, W.; Kamihoriuchi, K.; Takizawa, M.; Yoshida, I. Effect of Pt electrodes in cerium oxide semiconductor-type oxygen sensors evaluated using alternating current. Sens. Actuators B Chem. 2021, 345, 130396. [Google Scholar] [CrossRef]
- Thathsara, S.K.T.; Harrison, C.J.; Hocking, R.K.; Shafiei, M. Photoactive semiconducting metal oxides: Hydrogen gas sensing mechanisms. Int. J. Hydrogen Energy 2022, 47, 18208–18227. [Google Scholar] [CrossRef]
- Liu, H.; Wu, B.; Chen, C.; Zhao, B.L.; Zhang, X.; Zhang, H.C. D-Shaped Tellurite Photonic Crystal Fiber Hydrogen and Methane Sensor Based on Four-Wave Mixing with SPR Effect. Photonic Sens. 2023, 13, 230121. [Google Scholar] [CrossRef]
- Dai, J.; Ruan, H.; Zhou, Y.; Yin, K.; Hu, X.Y.; Ye, Z.; Wang, X.W.; Yang, M.H.; He, P.; Yang, H. Ultra-High Sensitive Fiber Optic Hydrogen Sensor in Air. J. Light. Technol. 2022, 40, 6583–6589. [Google Scholar] [CrossRef]
- Tan, A.J.Y.; Ng, S.M.; Stoddart, P.R.; Hong, S.C. Trends and Applications of U-Shaped Fiber Optic Sensors: A Review. IEEE Sens. J. 2021, 21, 120–131. [Google Scholar] [CrossRef]
- Kabirov, V.A.; Semenov, V.D.; Torgaeva, D.S.; Otto, A.I. Miniaturization of spacecraft electrical power systems with solar-hydrogen power supply system. Int. J. Hydrogen Energy 2023, 48, 9057–9070. [Google Scholar] [CrossRef]
- Kulkarni, P.; Aliprantis, D.; Wu, N.; Loop, B. State Estimation in Spacecraft Power Distribution Systems Using Compound Current Sensors. IEEE Sens. J. 2022, 22, 23033–23041. [Google Scholar] [CrossRef]
- Frei, H.; Burri, M.; Rems, F.; Risse, E.A. A robust navigation filter fusing delayed measurements from multiple sensors and its application to spacecraft rendezvous. Adv. Space Res. 2022. [Google Scholar] [CrossRef]
- Choo, T.F.; Saidin, N.U.; Zali, N.M.; Kok, K.Y. Hydrogen and humidity sensing characteristics of Nafion, Nafion/graphene, and Nafion/carbon nanotube resistivity sensors. J. Nanopart. Res. 2022, 24, 152. [Google Scholar] [CrossRef]
- Dai, Y.; Jiang, H.; Zhao, X.; Tian, J.; Deng, X.W.; Zhang, W.L. A temperature-stable Pd nanofilm hydrogen sensor with a Wheatstone bridge structure. J. Mater. Sci. Mater. Electron 2023, 34, 833. [Google Scholar]
- Firth, J.G.; Jones, A.; Jones, T.A. The principles of the detection of flammable atmospheres by catalytic devices. Combust. Flame 1973, 20, 303–311. [Google Scholar] [CrossRef]
- Baker, A. Improvements in or Relating to Electrically Beatable Filaments. UK 892530, 9 August 1959. [Google Scholar]
- Houlet, L.F.; Shin, W.; Tajima, K.; Nishibori, M.; Izu, N.; Itoh, T.; Matsubara, I. Thermo-pile sensor-devices for the catalytic detection of hydrogen gas. Sens. Actuators B Chem. 2008, 130, 200–206. [Google Scholar] [CrossRef]
- Krebs, P.; Grisel, A. A low power integrated catalytic gas sensor. Sens. Actuators B Chem. 1993, 13, 155–158. [Google Scholar] [CrossRef]
- Kim, I.J.; Han, S.D.; Han, C.; Gwak, J.; Hong, D.U.; Jakhar, D.; Singh, K.C.; Wang, J.S. Development of micro hydrogen gas sensor with SnO2-Ag2O-PtOx composite using MEMS process. Sens. Actuators B Chem. 2007, 127, 441–446. [Google Scholar] [CrossRef]
- Henriquez, D.D.O.; Cho, I.; Yang, H.; Choi, J.; Kang, M.; Chang, K.S.; Jeong, C.B.; Han, S.W.; Park, I. Pt nanostructures fabricated by local Hydrothermal Synthesis for Low-Power Catalytic-Combustion Hydrogen Sensors. ACS Appl. Nano Mater. 2021, 4, 7–12. [Google Scholar] [CrossRef]
- Ivanov, I.I.; Baranov, A.M.; Talipov, V.A.; Mironov, S.M.; Akbari, S.; Kolesnik, I.V.; Orlova, E.D.; Napolskii, K.S. Investigation of catalytic hydrogen sensors with platinum group catalysts. Sens. Actuator B-Chem. 2021, 346, 130515. [Google Scholar] [CrossRef]
- Pranti, A.S.; Loof, D.; Kunz, S.; Zielasek, V.; Bäumer, M.; Lang, W. Design and fabrication challenges of a highly sensitive thermoelectric-based hydrogen gas sensor. Micromachines 2019, 10, 650. [Google Scholar] [CrossRef]
- Hwang, T.Y.; Go, G.M.; Park, S.; Lee, J.; Song, Y.; Kim, S.; Cho, H.B.; Choa, Y.H. Pt/graphene catalyst and tellurium nanowire-based thermochemical hydrogen (TCH) sensor operating at room temperature in wet air. ACS Appl. Mater. Interfaces 2019, 11, 47015–47024. [Google Scholar] [CrossRef]
- Pujadó, M.P.; Gordillo, J.M.S.; Avireddy, H.; Cabot, A.; Morata, A.; Tarancón, A. Highly sensitive self-powered H2 sensor based on nanostructured thermoelectric silicon fabrics. Adv. Mater. Technol. 2020, 6, 2000870. [Google Scholar] [CrossRef]
- Wang, J.; Liu, Y.; Zhou, H.; Wang, Y.; Wu, M.; Huang, G.; Li, T. Thermal Conductivity Gas Sensor with Enhanced Flow-Rate Independence. Sensors 2022, 22, 1308. [Google Scholar]
- Xu, K.; Liao, N.B.; Xue, W.; Zhou, H.M. First principles investigation on MoO3 as room temperature and high temperature hydrogen gas sensor. Int. J. Hydrogen Energy 2020, 45, 9252–9259. [Google Scholar] [CrossRef]
- Kaaliveetil, S.; Yang, J.; Alssaidy, S.; Li, Z.L.; Cheng, Y.H.; Menon, N.H.; Chande, C.; Basuray, S. Microfluidic Gas Sensors: Detection Principle and Applications. Micromachines 2022, 13, 1716. [Google Scholar] [CrossRef]
- Hopper, R.; Popa, D.; Udrea, F.; Ali, S.Z.; Marbell, P.S. Miniaturized thermal acoustic gas sensor based on a CMOS microhotplate and MEMS microphone. Sci. Rep. 2022, 12, 1690. [Google Scholar] [CrossRef]
- Yang, G.; Zhang, Z.; Zhang, Y.L.; Luo, Y.Y.; Xiong, X.; Duan, G.T. Thermal simulation of micro hotplate for multiple MEMS gas sensors. Chin. J. Anal. Chem. 2022, 50, 38–43. [Google Scholar] [CrossRef]
- Matsumiya, M.; Shin, W.; Qiu, F.; Izu, N.; Matsubara, I.; Murayama, N. Poisoning of platinum thin film catalyst by hexamethyldisiloxane (HMDS) for thermoelectric hydrogen gas sensor. Sens. Actuators B Chem. 2003, 99, 309–315. [Google Scholar] [CrossRef]
- Choi, Y.; Tajima, K.; Shin, W.; Izu, N.; Matsubara, I.; Murayama, N. Combustor of ceramic Pt/alumina catalyst and its application for micro-thermoelectric hydrogen sensor. Appl. Catal. A Gen. 2005, 287, 19–24. [Google Scholar] [CrossRef]
- Shin, W.; Matsumiya, M.; Qiu, F.; Izu, N.; Murayamaet, N. Thermoelectric gas sensor for detection of high hydrogen concentration. Sens. Actuator B Chem. 2004, 97, 344–347. [Google Scholar] [CrossRef]
- Qiu, F.; Shin, W.; Matsumiya, M.; Izu, N.; Matsubara, I.; Murayama, N. Miniaturization of thermoelectric hydrogen sensor prepared on glass substrate with low-temperature crystallized SiGe film. Sens. Actuators B Chem. 2004, 103, 252–259. [Google Scholar] [CrossRef]
- Tian, J.W.; Jiang, H.C.; Deng, X.W.; Zhang, L.Y.; Zhang, J.F.; Zhao, X.H.; Zhang, W. Zero drift suppression for PdNi nano-film hydrogen sensor by vacuum annealing. Int. J. Hydrogen Energy 2020, 45, 14594–14601. [Google Scholar] [CrossRef]
- Liu, Y.; Li, Y.L. Signal analysis and processing method of transmission optical fiber hydrogen sensors with multi-layer Pd–Y alloy films. Int. J. Hydrogen Energy 2019, 44, 27151–27158. [Google Scholar] [CrossRef]
- Almaev, A.V.; Kopyev, V.V.; Novikov, V.A.; Chikiryaka, A.V.; Yakovlev, N.N.; Usseinov, A.B.; Karipbayev, Z.T.; Akilbekov, A.T.; Koishybayeva, Z.K.; Popov, A.I. ITO Thin Films for Low-Resistance Gas Sensors. Materials 2023, 16, 342. [Google Scholar] [CrossRef] [PubMed]
- Maho, P.; Herrier, C.; Livache, T.; Comon, P.; Barthelme, S. A calibrant-free drift compensation method for gas sensor arrays. Chemom. Intell. Lab. Syst. 2022, 225, 104549. [Google Scholar]
- Chiu, S.W.; Tang, K.T. Towards a chemiresistive sensor integrated electronic nose: A review. Sensors 2013, 13, 14214–14247. [Google Scholar] [CrossRef]
- Rashid, T.R.; Phan, D.T.; Chung, G.S. A flexible hydrogen sensor based on Pd nanoparticles decorated ZnO nanorods grown on polyimide tape. Sens. Actuators B Chem. 2013, 185, 777–784. [Google Scholar] [CrossRef]
- Mirzaei, A.; Yousefi, H.R.; Falsafi, F.; Bonyani, M.; Lee, J.H.; Kim, J.H.; Kim, H.W.; Kim, S.S. An overview on how Pd on resistive-based nanomaterial gas sensors can enhance response toward hydrogen gas. Int. J. Hydrogen Energy 2019, 44, 20552–20571. [Google Scholar] [CrossRef]
- Singh, G.; Singh, R.C. Highly sensitive gas sensor based on Erdoped SnO2 nanostructures and its temperature dependent selectivity towards hydrogen and ethanol. Sens. Actuators B Chem. 2019, 282, 373–383. [Google Scholar] [CrossRef]
- Wang, T.T.; Ma, S.Y.; Cheng, L.; Luo, J.; Jiang, X.H.; Jin, W.X. Preparation of Yb-doped SnO2 hollow nanofibers with an enhanced ethanol-gas sensing performance by electrospinning. Sens. Actuators B Chem. 2015, 216, 212–220. [Google Scholar] [CrossRef]
- Gottam, S.R.; Tsai, C.T.; Wang, L.W.; Wang, C.T.; Lin, C.C.; Chu, S.Y. Highly sensitive hydrogen gas sensor based on a MoS2-Pt nanoparticle composite. Appl. Surf. Sci. 2020, 506, 144981. [Google Scholar] [CrossRef]
- Hermawan, A.; Asakura, Y.; Kobayashi, M.; Kakihana, M.; Yin, S. High temperature hydrogen gas sensing property of GaN prepared from α-GaOOH. Sens. Actuators B Chem. 2018, 276, 388–396. [Google Scholar] [CrossRef]
- Hermawan, A.; Asakura, Y.; Yin, S. Morphology control of aluminum nitride (AlN) for a novel high-temperature hydrogen sensor. Int. J. Min. Met. Mater. 2020, 27, 1560–1567. [Google Scholar] [CrossRef]
- Ajayan, J.; Nirmal, D.; Ramesh, R.; Bhattacharya, S.; Tayal, S.; Joseph, L.M.I.L.; Thoutam, L.R.; Ajitha, D. A critical review of AlGaN/GaN-heterostructure based Schottky diode/HEMT hydrogen (H2) sensors for aerospace and industrial applications. Measurement 2021, 186, 110100. [Google Scholar] [CrossRef]
- Irokawa, Y. Hydrogen sensors using nitride-based semiconductor diodes: The role of metal/semiconductor interfaces. Sensors 2011, 11, 674–695. [Google Scholar] [CrossRef]
- Baik, K.H.; Jang, S. AlGaN/GaN heterostructure based hydrogen sensor with temperature compensation. ECS J. Solid. State Sci. Technol. 2020, 9, 045010. [Google Scholar] [CrossRef]
- Zhao, Y.; Shen, J.C.; Liu, Q.; Zhu, C.L. Optical fiber sensor based on helical Fibers: A review. Measurement 2022, 188, 110400. [Google Scholar] [CrossRef]
- Sun, Y.Z.; Yan, Z.J.; Zhou, K.M.; Luo, B.B.; Jiang, B.Q.; Mou, C.B.; Sun, Q.Z.; Zhang, L. Excessively Tilted Fiber Grating Sensors. J. Light. Technol. 2022, 39, 3761–3770. [Google Scholar]
- Ran, Z.; He, X.; Rao, Y.; Sun, D.; Qin, X.J.; Zeng, D.B.; Chu, W.W.; Li, X.K.; Wei, Y.B. Fiber-Optic Microstructure Sensors: A Review. Photonic Sens. 2021, 11, 227–261. [Google Scholar] [CrossRef]
- Wang, Y.; Mumtaz, F.; Dai, Y. Hydrogen gas sensor based on seven-core fiber interference and Pt-WO3 film. Mater. Lett. 2023, 341, 134245. [Google Scholar] [CrossRef]
- Butler, M.A. Optical fiber hydrogen sensor. Appl. Phys. Lett. 1984, 45, 1007–1009. [Google Scholar] [CrossRef]
- Butler, M.A.; Ginley, D.S. Hydrogen sensing with palladium-coated optical fibers. J. Appl. Phys. 1988, 64, 3706–3712. [Google Scholar] [CrossRef]
- Han, S.; Chen, Y.; Gang, Z.; Liu, Y.; Huang, P.C.; Zhao, H.W.; Yang, M.H.; Dai, J.X.; Li, Z. Optical fiber hydrogen sensor based on an annealing-stimulated Pd–Y thin film. Sens. Actuators B Chem. 2015, 216, 11–16. [Google Scholar]
- Jackson, D.A.; Priest, R.; Dandridge, A.; Tveten, A.B. Elimination of drift in a single-mode optical fiber interferometer using a piezoelectrically stretched coiled fiber. Appl. Opt. 1980, 19, 2926–2929. [Google Scholar] [CrossRef]
- Butler, M.A. Fiber Optic Sensor for Hydrogen Concentrations near the Explosive Limit. J. Electrochem. Soc. 1991, 138, 236–251. [Google Scholar] [CrossRef]
- Butler, M.A. Micromirror optical-fiber hydrogen sensor. Sens. Actuators Chem. 1994, 22, 155–163. [Google Scholar] [CrossRef]
- Butler, M.A.; Buss, R.J. Kinetics of the Micromirror Chemical Sensor; Elsevier: Amsterdam, The Netherlands, 1993; Volume 11, pp. 161–166. [Google Scholar]
- Kalli, K.; Othonos, A.; Christofides, C. Characterization of reflectivity inversion, α- and β-phase transitions and nanostructure formation in hydrogen activated thin Pd films on silicon based substrates. J. Appl. Phys. 2002, 91, 3829–3840. [Google Scholar] [CrossRef]
- Armgarth, M.; Nylander, C. Blister formation in Pd gate MIS hydrogen sensors. IEEE Electron Device Lett. 1983, 3, 384–386. [Google Scholar] [CrossRef]
- Matelon, R.J.; Avila, J.I.; Volkmann, U.G.; Cabrera, A.L.; Morales, E.H.; Lederman, D. Substrate effect on the optical response of thin palladium films exposed to hydrogen gas. Thin Solid Film. 2008, 516, 7797–7801. [Google Scholar] [CrossRef]
- Borgschulte, A.; Gremaud, R.; Man, S.D.; Westerwaal, R.J.; Rector, J.H.; Dam, B.; Griessen, R. High-throughput concept for tailoring switchable mirrors. Appl. Surf. Sci. 2006, 253, 1417–1423. [Google Scholar] [CrossRef]
- Dam, B.; Gremaud, R.; Broedersz, C.; Griessen, R. Combinatorial thin film methods for the search of new lightweight metal hydrides. Scr. Mater. 2007, 56, 853–858. [Google Scholar] [CrossRef]
- Tabib-azar, M.; Sutapub, B.; Petrick, R.; Kazemi, A.A. Highly sensitive hydrogen sensors using palladium coated fiber optics with exposed cores and evanescent field interactions. Sens. Actuators B Chem. 1999, 56, 158–163. [Google Scholar] [CrossRef]
- Villatoro, J.; Luna-moreno, D.; Monzón-Hernández, D. Optical fiber hydrogen sensor for concentrations below the lower explosive limit. Sens. Actuators B Chem. 2005, 110, 110–117. [Google Scholar] [CrossRef]
- Villatoro, J.; Díez, A.; Cruz, J.L.; Andreés, M.V. Highly sensitive optical hydrogen sensor using circular Pd-coated singlemode tapered fibre. Electron. Lett. 2001, 37, 1011–1012. [Google Scholar] [CrossRef]
- Villatoro, J.; Díez, A.; Cruz, J.L.; Andres, M.V. In-line highly sensitive hydrogen sensor based on palladium-coated single-mode tapered fibers. IEEE Sens. J. 2003, 3, 533–537. [Google Scholar] [CrossRef]
- Joel, V.; David, M.-H. Fast detection of hydrogen with nano fiber tapers coated with ultra thin palladium layers. Opt. Express 2005, 13, 5087. [Google Scholar]
- Zalvidea, D.; Diez, A.; Cruz, J.L.; Andres, M.V. Wavelength multiplexed hydrogen sensor based on palladium-coated fibre-taper and Bragg grating. Electron. Lett. 2004, 40, 301–302. [Google Scholar] [CrossRef]
- Luna-moreno, D.; Monzón-hernández, D. Effect of the Pd–Au thin film thickness uniformity on the performance of an optical fiber hydrogen sensor. Appl. Surf. Sci. 2007, 253, 8615–8619. [Google Scholar] [CrossRef]
- Kim, K.T.; Song, H.S.; Mah, J.P.; Hong, K.B.; Im, K.; Baik, S.J.; Yoon, Y.I. Hydrogen sensor based on palladium coated side-polished single-mode fiber. IEEE Sens. J. 2007, 7, 1767–1771. [Google Scholar] [CrossRef]
- Kazemi, A.A.; Goswami, K.; Mendoza, E.A. Time-domain fiber laser hydrogen sensor. Opt. Lett. 2004, 29, 2461–2463. [Google Scholar]
- Sutapun, B.; Tabib-azar, M.; Kazemi, A. Pd-coated elastooptic fiber optic Bragg grating sensors for multiplexed hydrogen sensing. Sens. Actuators B Chem. 1999, 60, 27–34. [Google Scholar] [CrossRef]
- Wei, X.; Wei, T.; Xiao, H.; Lin, Y.S. Nano-structured Pd-long period fiber gratings integrated optical sensor for hydrogen detection. Sens. Actuators B Chem. 2008, 134, 687–693. [Google Scholar] [CrossRef]
- Tien, C.L.; Chen, H.W.; Liu, W.F.; Jyu, S.S.; Lin, S.W.; Lin, Y.S. Hydrogen sensor based on side-polished fiber Bragg gratings coated with thin palladium film. Thin Solid Film. 2008, 516, 5360–5363. [Google Scholar] [CrossRef]
- Maier, R.R.J.; Jones, B.J.S.; Barton, J.S.; Mcculloch, S.; Jones, B.J.S.; Burnell, G. Fibre optics in palladium-based hydrogen-sensing. J. Opt. 2007, 9, S45–S49. [Google Scholar] [CrossRef]
- Han, C.H.; Hong, D.W.; Han, S.D.; Gwak, J.; Singh, K.C. Catalytic combustion type hydrogen gas sensor using TiO2 and UV-LED. Sens. Actuator B 2007, 125, 225–228. [Google Scholar] [CrossRef]
- Lee, E.B.; Hwang, I.S.; Cha, J.H.; Lee, H.J.; Lee, W.B.; Pak, J.J.; Lee, J.H.; Ju, B.K. Micromachined catalytic combustible hydrogen gas sensor. Sens. Actuator B Chem. 2011, 153, 392–397. [Google Scholar] [CrossRef]
- Shin, W.; Matsumiya, M.; Izu, N.; Murayama, N. Hydrogen-selective thermoelectric gas sensor. Sens. Actuator B Chem. 2003, 93, 304–308. [Google Scholar] [CrossRef]
- Sabah, F.A.; Ahmed, N.M.; Hassan, Z.; Rasheed, H.S. High performance CuS p-type thin film as a hydrogen gas sensor. Sens. Actuator A Phy. 2016, 249, 68–76. [Google Scholar] [CrossRef]
- Liu, I.P.; Chang, C.H.; Lu, H.H.; Lin, K.W. Hydrogen sensing performance of a GaN-based Schottky diode with an H2O2 treatment and electroless plating approach. Sens. Actuator B Chem. 2019, 296, 126599. [Google Scholar] [CrossRef]
- Chen, W.P.; Xiong, Y.; Li, Y.S.; Cui, P.; Guo, S.S.; Chen, W.; Tang, Z.L.; Yan, Z.J.; Zhang, Z.Y. Extraordinary room-temperature hydrogen sensing capabilities of porous bulk Pt-TiO2 nanocomposite ceramics. Int. J. Hydrogen Energy 2016, 41, 3307–3312. [Google Scholar] [CrossRef]
- Bevenot, X.; Trouillet, A.; Veillas, C.; Gagnaire, H.; Clement, M. Hydrogen leak detection using an optical fibre sensor for aerospace applications. Sens. Actuator B-Chem. 2000, 67, 57–67. [Google Scholar] [CrossRef]
- Xu, B.; Chang, R.; Li, P.; Wang, D.N.; Zhao, C.L.; Li, J.Q.; Yang, M.H.; Duan, L.Z. Reflective optical fiber sensor based on light polarization modulation for hydrogen sensing. J. Opt. Soc. Am. B 2019, 36, 3471–3478. [Google Scholar] [CrossRef]
- Dai, J.; Yang, M.; Chen, Y.; Cao, K.; Liao, H.; Zhang, P.C. Side-polished fiber Bragg grating hydrogen sensor with WO3-Pd composite film as sensing materials. Opt. Express 2011, 19, 6141–6148. [Google Scholar] [CrossRef]
- Dai, J.; Yang, M.; Yu, X.; Cao, K.; Liao, J.S. Greatly etched fiber Bragg grating hydrogen sensor with Pd/Ni composite film as sensing material. Sens. Actuator B Chem. 2012, 174, 253–257. [Google Scholar] [CrossRef]
- Hu, T.Y.; Wang, D.N.; Wang, M.; Li, Z.; Yang, M.H. Miniature hydrogen sensor based on fiber inner cavity and Pt-doped WO3 coating. IEEE Photon Technol. Lett. 2014, 26, 1458–1461. [Google Scholar] [CrossRef]
- Xu, B.; Zhao, C.L.; Yang, F.; Gong, H.P.; Wang, D.N.; Dai, J.X.; Yang, M.H. Sagnac interferometer hydrogen sensor based on panda fiber with Pt-loaded WO3/SiO2 coating. Opt. Lett. 2016, 41, 1594–1597. [Google Scholar] [CrossRef]













| Device | Sensitive Materials | [H2] Range (ppm) | Minimal Detection Limit (ppm) | Response Time (s) | References |
|---|---|---|---|---|---|
| Catalytic combustion | TiO2/Pd/Pt | 5000–50,000 | / | 10 | [87] |
| Catalytic combustion | Pt | 20–20,000 | / | 0.36 | [88] |
| Thermoelectricity | Pt | 500–30,000 | <500 | 60 | [89] |
| Thermoelectricity | Pt | 500–10,000 | 250 | 40 | [90] |
| Semiconductor Type | Pd/GaOX/GaN | 5–10,000 | 5 | 22 | [91] |
| Semiconductor Type | Pt/NiO2 | 30–1000 | 30 | 10 | [92] |
| Fiber-optic microscope | Pd | 10,000–100,000 | / | <5 | [93] |
| Fiber-optic microscope | Pt/WO3 | 0–40,000 | / | 5 | [94] |
| Fiber-optic grating | 110 nm Pd/WO3 | 0–90,000 | / | <90 | [95] |
| Fiber-optic grating | 110 nm Pd/Ni | 0–40,000 | / | 240–300 | [96] |
| Fiber-optic interference | M-Z Pt/WO3 | 0–40,000 | / | 120 | [97] |
| Fiber-optic interference | Sagnac Pt/WO3 | 0–10,000 | / | 60 | [98] |
Disclaimer/Publisher’s Note: The statements, opinions and data contained in all publications are solely those of the individual author(s) and contributor(s) and not of MDPI and/or the editor(s). MDPI and/or the editor(s) disclaim responsibility for any injury to people or property resulting from any ideas, methods, instructions or products referred to in the content. |
© 2023 by the authors. Licensee MDPI, Basel, Switzerland. This article is an open access article distributed under the terms and conditions of the Creative Commons Attribution (CC BY) license (https://creativecommons.org/licenses/by/4.0/).
Share and Cite
Jia, C.; Zhao, L.; Huang, G.; Liu, L.; Wang, W.; Yang, Y.; Miao, Y. A Review of Hydrogen Sensors for ECLSS: Fundamentals, Recent Advances, and Challenges. Appl. Sci. 2023, 13, 6869. https://doi.org/10.3390/app13126869
Jia C, Zhao L, Huang G, Liu L, Wang W, Yang Y, Miao Y. A Review of Hydrogen Sensors for ECLSS: Fundamentals, Recent Advances, and Challenges. Applied Sciences. 2023; 13(12):6869. https://doi.org/10.3390/app13126869
Chicago/Turabian StyleJia, Chenghao, Ling Zhao, Gang Huang, Litao Liu, Weirong Wang, Yunkai Yang, and Yang Miao. 2023. "A Review of Hydrogen Sensors for ECLSS: Fundamentals, Recent Advances, and Challenges" Applied Sciences 13, no. 12: 6869. https://doi.org/10.3390/app13126869
APA StyleJia, C., Zhao, L., Huang, G., Liu, L., Wang, W., Yang, Y., & Miao, Y. (2023). A Review of Hydrogen Sensors for ECLSS: Fundamentals, Recent Advances, and Challenges. Applied Sciences, 13(12), 6869. https://doi.org/10.3390/app13126869

