Next Article in Journal
Determining Key Parameters with Data-Assisted Analysis of Conditionally Automated Driving
Next Article in Special Issue
Robustness Optimization of Cloud Manufacturing Process under Various Resource Substitution Strategies
Previous Article in Journal
Driver Attention Detection Based on Improved YOLOv5
Previous Article in Special Issue
Assembly Line Optimization Using MTM Time Standard and Simulation Modeling—A Case Study
 
 
Font Type:
Arial Georgia Verdana
Font Size:
Aa Aa Aa
Line Spacing:
Column Width:
Background:
Communication

Density-Based Prioritization Algorithm for Minimizing Surplus Parts in Selective Assembly

1
ICT Convergence Center, Changwon National University, Changwon 51140, Republic of Korea
2
Department of Electronic Engineering, Changwon National University, Changwon 51140, Republic of Korea
*
Author to whom correspondence should be addressed.
Appl. Sci. 2023, 13(11), 6648; https://doi.org/10.3390/app13116648
Submission received: 30 March 2023 / Revised: 27 May 2023 / Accepted: 29 May 2023 / Published: 30 May 2023
(This article belongs to the Special Issue Design and Optimization of Manufacturing Systems)

Abstract

Selective assembly is a manufacturing method that matches and assembles pairs of parts in a manner that offsets the machining errors of these parts. In the production of products requiring high precision and efficient mass production, flow production and search-based selective assembly must be combined for market competitiveness; however, this method increases computational costs and generates many surplus parts. Therefore, research should aim to minimize surplus parts in search-based selective assembly at a low computational cost to suit flow production systems. In this paper, we propose the density-based prioritization (DBP) algorithm, which minimizes surplus parts in the search-based selective assembly of flow production systems. In addition, a method of varying the assembly tolerance is developed and incorporated into DBP to increase its process capability. The proposed algorithm requires an assembly facility to prepare parts with as many different sizes as possible. This paper confirms that DBP reduces computational costs and surplus parts while enhancing process capability.

1. Introduction

Selective assembly is a manufacturing method that measures the machining errors of processed parts and then matches and assembles specific pairs such that these errors are offset. Consequently, high-precision assemblies can be obtained even with low-precision parts, enabling the mass production of precision products. However, due to the difficulty of achieving an ideal combination of all parts according to dimensional distribution of parts or the selective assembly method, parts without mates (surplus parts) remain. The occurrence of surplus parts wastes manufacturing resources and increases manufacturing costs. Therefore, minimizing surplus parts is important for selective assembly [1].
Various methods of selective assembly have been studied according to the characteristics of fabricated products and assembly facilities. Raj et al. [2] developed an algorithm based on particle swarm optimization to minimize surplus parts in selective assembly that must satisfy multiple assembly tolerances. In addition, Raj et al. [3] proposed a method that used the non-dominated sorting genetic algorithm II to optimize assembly precision and eliminate surplus parts. Asha and Babu [4] applied genetic, simulated annealing, and memetic algorithms to selective assembly to compare assembly precision and the number of surplus parts. Filipovich and Kopp [5] modified a selective assembly model based on a parameter estimation algorithm to reduce sorting errors due to measurement errors. Aderiani et al. [6] proposed the use of a genetic algorithm to improve assembly precision under any distribution of parts without producing surplus parts. Furthermore, Aderiani et al. [7] improved the phenotype–genotype mapping method used with evolutionary optimization algorithms for selective assembly to accelerate optimization. Liu et al. [8] proposed a method that used a fireworks algorithm to optimize assembly precision and the number of surplus parts in multi-matching selective assembly under a non-normal dimensional distribution of parts. Kannan and Pandian [9,10] proposed a selective assembly model that used a genetic algorithm to minimize surplus parts within a strict assembly tolerance.
These selective assembly approaches can be divided into group- and search-based methods. Group-based methods classify parts to be assembled with each other into groups according to their dimensions and organize groups so that machining errors are offset, whereas search-based methods identify and assemble the best combinations of parts through calculation. Group-based methods have simple structures and fast processing speeds, enabling efficient mass production, but when the required precision is high, the facility should be larger so that groups can be further subdivided. Search-based methods enable more precise assembly than group-based methods. Search-based methods require calculation every time a new component is introduced, so studies on these approaches focus on batch production systems rather than flow production systems. However, as the precision parts in automobiles and industrial machineries require very high precision and efficient mass production, flow production systems and search-based selective assembly must be combined for market competitiveness. Therefore, research should focus on minimizing surplus parts in search-based selective assembly at a low computational cost to suit flow production systems.
In search-based selective assembly, a dimensional concentration phenomenon occurs in which the supply and assembly frequencies of parts according to size become unbalanced. As this phenomenon intensifies, the diversity of the parts decreases, thus reducing the probability that the combinations satisfy the assembly tolerance. In this paper, we propose the density-based prioritization (DBP) algorithm to minimize surplus parts in the search-based selective assembly of flow production systems. DBP regards the similarity of a part with the other parts as density on the dimensional coordinate and gives high selection priority to parts with high density to balance the supply and assembly frequencies. We examine the selective assembly procedure for producing precision ball bearings and analyze the factors that cause surplus parts to occur. We then evaluate selective assembly with DBP and compare it with traditional selective assembly.

2. Search-Based Selective Assembly of Flow Production Systems and Surplus Parts

2.1. Selective Assembly Procedure

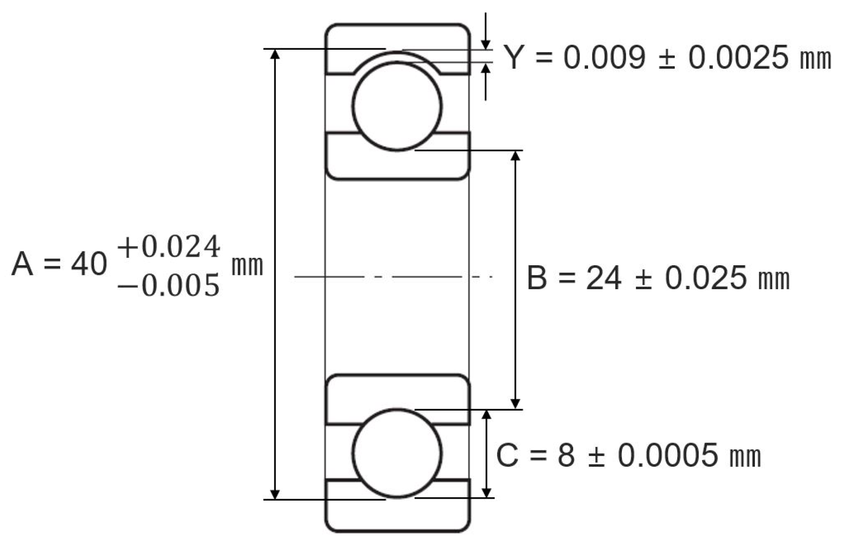
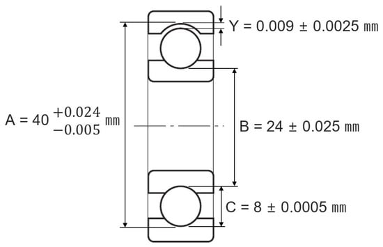
In this study, an actual precision single-row deep-groove ball bearing assembly process is analyzed as an example of selective assembly. The ball bearing consists of an outer ring, an inner ring, and balls, as shown in Figure 1. In this example, the dimensions of each part and the specifications of the assembly clearance are as follows:
  • Outer ring raceway diameter: A = 40 0.005 + 0.024 mm;
  • Inner ring raceway diameter: B = 24 ± 0.025 mm;
  • Ball diameter: C = 8 ± 0.0005 mm;
  • Assembly clearance: Y = 0.009 ± 0.0025 mm.
Figure 1. Precision ball bearing assembly.
Figure 1. Precision ball bearing assembly.
Applsci 13 06648 g001
The assembly clearance is formed according to the dimensions of each part as follows:
Y = AB − 2C.
The given ball bearing assembly process consists of the structure shown in Figure 2. The outer and inner rings are supplied one by one in every process cycle by the flow production system and the balls are preproduced and placed in seven tanks. The assembly facility has thirty slots for storing the outer rings one by one. Additional types of balls are prepared to increase the possibility of assembly between the outer and inner rings. Seven types of balls have different biases, ranging from −6 to +6 μm in increments of 2 μm, with respect to the ball diameter of 8 mm, and the tolerance is ±0.5 μm, as ever. When an inner ring is supplied, the assembly facility checks the stored outer rings and balls to find a combination that can satisfy the assembly clearance tolerance. According to Equation (1), in a total of 210 cases, assembly is performed by selecting the combination whose assembly clearance is the most approximate to 9 μm and the slot vacated by the selected outer ring is refilled with a newly supplied outer ring.
The diameters of each ball in the tanks cannot be identified and recorded, thus all balls in the same tank are deemed to have the same diameter. Therefore, the allowable range of Y should be set to ±1.2 μm in consideration of the tolerance (±1 μm) and other measurement errors. In addition, if the center value of each dimension in Equation (1) were removed, the calculation would only be possible with the error values. Based on this, the dimensional values to be used for selective assembly are redefined as follows:
  • Outer ring raceway diameter error: A = ±15 μm;
  • Inner ring raceway diameter error: B = ±25 μm;
  • Ball diameter bias:
    C3− = −6 μm
    C2− = −4 μm
    C = −2 μm
    C0 = 0 μm
    C+ = 2 μm
    C2+ = 4 μm
    C3+ = 6 μm;
  • Assembly clearance tolerance: Y = ±1.2 μm.
Then, the combination whose assembly clearance is the closest to the target value is identified by finding the combination where Y is the most approximate to 0 μm.
If no combination satisfies the assembly tolerance, the outer rings in all slots will be removed and all slots will be refilled with newly supplied outer rings. The inner ring remains in the assembly facility and will be used again when assembly resumes. Therefore, the inner rings supplied to the assembly facility as good products must be assembled. The extracted outer rings are reprocessed or discarded as surplus parts. In addition, assembly is paused until all slots are refilled, so the generation of surplus parts reduces process productivity and increases production costs.

2.2. Cause of Surplus Parts

If even one slot has an outer ring that satisfies the assembly tolerance, no surplus part will remain. Since the assembly facility does not know which diameter inner rings will be supplied next, the diameters of the outer rings in the slots should be as varied as possible so that at least one outer ring can be assembled regardless of which diameter inner ring is supplied. Figure 3 shows the dimensional distribution of outer ring raceway diameter errors in the slots over time from some of the data obtained from the assembly facility to illustrate how the distribution changes as the assembly process proceeds. Over time, the diameter errors gradually converge to similar values. As this dimensional concentration phenomenon intensifies, the diversity of the outer rings decreases, thus reducing the probability that the combinations satisfy the assembly tolerance. This phenomenon occurs because the dimensional distribution of the outer and inner ring raceway diameter errors becomes unbalanced as the machine tools undergo constant wear and adjustment. However, changes in this distribution are difficult to control precisely in the machine tools. Therefore, a selection strategy should be developed to balance the supply and assembly frequencies throughout the range of the outer ring raceway diameter.

3. DBP Algorithm

As confirmed in Section 2.2, the frequencies of supply and assembly must be balanced throughout the range of measurements to minimize surplus parts in the search-based selective assembly of flow production systems. Accordingly, we propose the DBP algorithm, which prioritizes the selection of parts with many other similar sized parts in the slots.
DBP regards the similarity of a part with the other parts for each slot as linear density on the dimensional coordinate; these slots are prioritized in order of density. This linear density λ can be understood as a quantity Q of parts per unit range L of measurement; this is equal to the inverse of the average distance E(D) between neighboring parts on the dimensional coordinate:
λ = Q L = 1 E D .
Thus, DBP obtains the density for one part λ i as the inverse of the average distance from one part x i to its two nearest parts in each of the smaller and larger sides on the dimensional coordinate, x i 1 and x i + 1 :
λ i = 1 1 2 x i x i 1 + x i + 1 x i = 2 x i + 1 x i 1 .
In addition, the order of density is the reverse of the order of average distance and the order of average distance is the order of sum of the two distances:
λ i > λ j x i + 1 x i 1 < x j + 1 x j 1 .
Therefore, unnecessary calculations for prioritization are omitted. Here, since the smallest and largest parts have only one side which is smaller or larger, the distances of these parts from their nearest parts are multiplied by two. The dimensional concentration phenomenon is alleviated by determining whether the outer rings can be assembled in order of priority so that they can be selected first. The implementation of the DBP algorithm is as follows:
Algorithm: Density-Based Prioritization
    Input: Array of measurements of parts X
    Output: Array of sorted indexes by priority P
1. n length (X)
2. initialize D[1…n]
3. P [1…n]
4. sort X and P by X in ascending
5. for i 2…n−1 do
6.  D[i] X[i+1]−X[i−1]
7. end
8. D[1] 2 × (X[2]−X[1])
9. D[n] 2 × (X[n]−X[n−1])
10. sort P by D in ascending
11. return P
The selective assembly process selects the outer ring with the highest priority set by DBP among the outer rings that can be assembled. However, this is a poor strategy in terms of process capability, which is an indicator of how well the precision of the process results meets the tolerances required by the process. Process capability should be controlled in the process of manufacturing precision products. The process capability C p k is calculated as follows:
C p k = min U S L μ ^ 3 σ ^ ,   μ ^ L S L 3 σ ^ .
where USL is the upper specification limit, LSL is the lower specification limit, μ ^ is the mean of the process, and σ ^ is the variability of the process; the sigma levels corresponding to different C p k values are shown in Table 1 [11].
Even if all parts meet the specifications, a low process capability indicates a high probability of producing defective products due to future fluctuations. Therefore, a method of reducing the process deviation is needed. A phasing method can be implemented to determine whether or not products can be assembled in a narrower tolerance and again in the original tolerance if there are no parts that can be assembled. Since the DBP-applied selective assembly system does not consider the assembly precision, the distribution of the assembly results will approximate a uniform distribution within the tolerance. Therefore, the process capability is estimated as follows:
σ ^ σ u n i f o r m = U T L L T L 12 ,
μ ^ μ u n i f o r m = L T L + U T L 2 ,
L T L + U T L 2 = L S L + U S L 2 C p k = U S L L S L 6 σ ^ ,
C p k U S L L S L 12 6 U T L L T L .
where UTL is the upper tolerance limit and LTL is the lower tolerance limit. The assembly tolerance satisfying a specific process capability is estimated as follows:
U T L L S L + U S L 2 + U S L L S L C p k 12 , L T L L S L + U S L 2 U S L L S L C p k 12 .

4. Performance Evaluation and Results

For evaluating the effectiveness of DBP, an assembly scenario was reproduced using data collected from the actual precision ball bearing assembly facility described in Section 2.1 and the DBP algorithm was simulated. The simulation had a total of 125,447 cycles and one outer ring and one inner ring were supplied for each cycle. Thirty outer ring slots and seven ball tanks were used. The effectiveness of DBP was assessed by comparing it with the traditional algorithm. Three versions of DBP with different levels of tolerance phasing were created. The compared algorithms were as follows:
  • Traditional: select the combination where Y is the most approximate to 0 μm among combinations where Y is within ±1.2 μm.
  • DBP-I: select the combination with the highest-priority outer ring (set by DBP) among combinations where Y is within ±1.2 μm.
  • DBP-II: Select the combination with the highest-priority outer ring (set by DBP) among combinations where Y is within ±0.6 μm. If no satisfactory combination is identified, explore using ±1.2 μm.
  • DBP-III: Select the combination with the highest-priority outer ring (set by DBP) among combinations where Y is within ±0.4 μm. If no satisfactory combination is identified, explore using ±0.8 and ±1.2 μm in sequence.
Table 2 shows the surplus part ratio and process capability for each algorithm in the simulation. The surplus part ratio is the ratio of the surplus outer rings to the total outer ring supply; the reduction rate compared with the traditional algorithm is the difference in the number of the surplus outer rings between the traditional and applied algorithms divided by the number of the surplus outer rings in the traditional algorithms. Findings confirm that surplus parts can be reduced using the DBP algorithm compared with the traditional algorithm. DBP-I does not generate any surplus parts but reduces C p k to 1.109. As the assembly tolerance is phased under DBP-II and DBP-III, the surplus parts gradually increase, but they are better than the results of the traditional algorithm; C p k is also improved. Accordingly, an appropriate assembly clearance tolerance can be set by balancing the surplus part ratio and process capability. Figure 4 shows the dimensional distributions of the outer ring diameter errors in the slots for each DBP version. The dimensional concentration phenomenon is less than that in Figure 3. Compared with DBP-I, DBP-II and DBP-III show a weaker alleviation of the dimensional concentration phenomenon as the tolerance is phased. This is because DBP operates more similarly to the traditional algorithm as the tolerance is phased. If the tolerance were phased in units of 0.1 μm, which is the minimum unit, DBP would produce exactly the same results as the traditional algorithm. Therefore, the surplus part ratio and process capability are adjusted according to the level of tolerance phasing.
Table 3 shows the operation times of the algorithms to evaluate their computational costs. The operation time is measured starting from the completion time of the inner ring raceway diameter measurement and ending at the decision of one combination of the parts to be assembled. The traditional algorithm always examines all combinations, so it shows a constant operation time of approximately 210 μs/cycle. DBP does not have to examine the subordinated combinations if products can be assembled into high-priority combinations, so its operation time varies in some cases. The minimum operation time is approximately 50 μs/cycle, regardless of the phase of the assembly tolerance, and the maximum operation time increases as the assembly tolerance is phased in more detail. The average operation time of DBP over the entire period is shorter than that of the traditional algorithm. As a result, DBP did not delay the assembly process. However, the dynamic operation time can destabilize the process cycle time and pose a potential risk factor for the entire production system. Therefore, a proper buffer should be placed immediately after the assembly process to introduce DBP.

5. Conclusions

In this paper, we propose the DBP algorithm, which minimizes the surplus parts in the search-based selective assembly of flow production systems. DBP evaluates the density of a part (similarity of a part with the other parts); then, for assembly, DBP prioritizes the parts in order of density. The proposed algorithm alleviates the dimensional concentration phenomenon by allowing high-priority parts to be selected preferentially. In addition, tolerance phasing is presented to solve the process capability degradation of DBP.
For assessing the effectiveness of DBP, an assembly scenario was reproduced using data collected from an actual precision ball bearing assembly facility. Three versions of DBP with different levels of tolerance phasing were created and were compared with the traditional algorithm through simulation. Their surplus part ratios, process capabilities, and operation times were analyzed and compared. Results confirmed that DBP could reduce surplus parts and improve process capability compared with the traditional algorithm by setting an appropriate phase of assembly tolerance. In addition, the average operation time of DBP over the entire period was shorter than that of the traditional algorithm. However, since the dynamic operating time can destabilize the process cycle time, a proper buffer must be placed immediately after the assembly process to introduce DBP. In this study, only one assembly scenario was used to assess the effectiveness of DBP and the influence of various factors that may occur in the actual factory were not considered. Therefore, further analysis of data for various scenarios and empirical works is needed to prove the practical applicability of the DBP.

Author Contributions

Conceptualization, K.S. and K.J.; methodology, K.S. and K.J.; software, K.S.; validation, K.S. and K.J.; formal analysis, K.S. and K.J.; investigation, K.S. and K.J.; resources, K.J.; data curation, K.S.; writing—original draft preparation, K.S. and K.J.; writing—review and editing, K.J.; visualization, K.S.; supervision, K.J.; project administration, K.J.; funding acquisition, K.J. All authors have read and agreed to the published version of the manuscript.

Funding

This research was supported by the MSIT (Ministry of Science and ICT), Korea, under the Grand Information Technology Research Center support program (IITP-2023-2016-0-00318) supervised by the IITP (Institute for Information and Communications Technology Planning and Evaluation).

Institutional Review Board Statement

Not applicable.

Informed Consent Statement

Not applicable.

Data Availability Statement

Data were obtained from NSK Korea Co., Ltd. (Changwon Plant) and are available from the authors with the permission of NSK Korea Co., Ltd. (Changwon Plant).

Conflicts of Interest

The authors declare no conflict of interest.

References

  1. Mansoor, E.M. Selective assembly—Its analysis and applications. Int. J. Prod. Res. 1961, 1, 13–24. [Google Scholar] [CrossRef]
  2. Raj, M.V.; Sankar, S.S.; Ponnambalam, S.G. Maximising Manufacturing System Efficiency for Multi-Characteristic Linear Assembly by Using Particle Swarm Optimisation in Batch Selective Assembly. Int. J. Prod. Res. 2011, 49, 6491–6516. [Google Scholar] [CrossRef]
  3. Raj, M.V.; Sankar, S.S.; Ponnambalam, S.G. Minimizing Clearance Variations and Surplus Parts in Multiple Characteristic Radial Assembly through Batch Selective Assembly. Int. J. Adv. Manuf. Technol. 2011, 57, 1199–1222. [Google Scholar] [CrossRef]
  4. Asha, A.; Babu, J.R. Comparison of Clearance Variation Using Selective Assembly and Metaheuristic Approach. Int. J. Latest Trends Eng. Technol. 2017, 8, 148–155. [Google Scholar] [CrossRef]
  5. Filipovich, O.; Kopp, V. Simulation Model of Selective Assembly of Two Parts with Sorting by the Estimated Values. MATEC Web Conf. 2018, 224, 01114. [Google Scholar] [CrossRef]
  6. Aderiani, A.R.; Wärmefjord, K.; Söderberg, R. A Multistage Approach to the Selective Assembly of Components without Dimensional Distribution Assumptions. J. Manuf. Sci. Eng. 2018, 140, 071015. [Google Scholar] [CrossRef]
  7. Aderiani, A.R.; Wärmefjord, K.; Söderberg, R. An Improved Phenotype-Genotype Mapping for Solving Selective Assembly Problem Using Evolutionary Optimization Algorithms. J. Comput. Inf. Sci. Eng. 2020, 20, 061010. [Google Scholar] [CrossRef]
  8. Liu, Z.; Nan, Z.; Qiu, C.; Tan, J.; Zhou, J.; Yao, Y. A Discrete Fireworks Optimization Algorithm to Optimize Multi-Matching Selective Assembly Problem with Non-Normal Dimensional Distribution. Assem. Autom. 2019, 39, 323–344. [Google Scholar] [CrossRef]
  9. Kannan, S.M.; Pandian, G.R. A New Selective Assembly Model for Achieving Specified Tolerance in High Precision Assemblies. Int. J. Precis. Eng. Manuf. 2020, 21, 1217–1230. [Google Scholar] [CrossRef]
  10. Kannan, S.M.; Pandian, G.R. A New Selective Assembly Model for Achieving Specified Clearance in Radial Assembly. Mater. Today Proc. 2021, 46, 7411–7417. [Google Scholar] [CrossRef]
  11. Kane, V.E. Process Capability Indices. J. Qual. Technol. 1986, 18, 41–52. [Google Scholar] [CrossRef]
Figure 2. Selective assembly of precision ball bearing.
Figure 2. Selective assembly of precision ball bearing.
Applsci 13 06648 g002
Figure 3. Dimensional distribution of outer ring raceway diameter errors in slots over time.
Figure 3. Dimensional distribution of outer ring raceway diameter errors in slots over time.
Applsci 13 06648 g003
Figure 4. Dimensional distribution of outer ring diameter errors in slots over time: (a) DBP-I; (b) DBP-II; (c) DBP-III.
Figure 4. Dimensional distribution of outer ring diameter errors in slots over time: (a) DBP-I; (b) DBP-II; (c) DBP-III.
Applsci 13 06648 g004aApplsci 13 06648 g004b
Table 1. Process capabilities and sigma levels.
Table 1. Process capabilities and sigma levels.
CpkSigma Level
2
1.67
1.33
1
0.67
Table 2. Surplus part ratios and process capabilities of compared algorithms.
Table 2. Surplus part ratios and process capabilities of compared algorithms.
Surplus Part Ratio
(%)
Reduction Rate Compared with Traditional
(%)
C p k
Traditional0.806-1.877
DBP-I0.000100.0001.109
DBP-II0.03395.9062.106
DBP-III0.13283.6232.933
Table 3. Operation times of compared algorithms.
Table 3. Operation times of compared algorithms.
Minimum Operation Time
(μs/Cycle)
Maximum Operation Time
(μs/Cycle)
Average Operation Time
(μs/Cycle)
Traditional210.2210.6210.4
DBP-I50.94439.372.56
DBP-II50.79674.897.96
DBP-III50.33885.2128.4
CPU Intel Core i9-10940X 3.30 GHzOS Windows 10 Pro
RAM 4 × 32 GB DDR4 2666 MHzLanguage Python 3.11.0
Disclaimer/Publisher’s Note: The statements, opinions and data contained in all publications are solely those of the individual author(s) and contributor(s) and not of MDPI and/or the editor(s). MDPI and/or the editor(s) disclaim responsibility for any injury to people or property resulting from any ideas, methods, instructions or products referred to in the content.

Share and Cite

MDPI and ACS Style

Shin, K.; Jin, K. Density-Based Prioritization Algorithm for Minimizing Surplus Parts in Selective Assembly. Appl. Sci. 2023, 13, 6648. https://doi.org/10.3390/app13116648

AMA Style

Shin K, Jin K. Density-Based Prioritization Algorithm for Minimizing Surplus Parts in Selective Assembly. Applied Sciences. 2023; 13(11):6648. https://doi.org/10.3390/app13116648

Chicago/Turabian Style

Shin, Kanghyeon, and Kyohong Jin. 2023. "Density-Based Prioritization Algorithm for Minimizing Surplus Parts in Selective Assembly" Applied Sciences 13, no. 11: 6648. https://doi.org/10.3390/app13116648

APA Style

Shin, K., & Jin, K. (2023). Density-Based Prioritization Algorithm for Minimizing Surplus Parts in Selective Assembly. Applied Sciences, 13(11), 6648. https://doi.org/10.3390/app13116648

Note that from the first issue of 2016, this journal uses article numbers instead of page numbers. See further details here.

Article Metrics

Back to TopTop