Next Article in Journal
Special Issue on Power Converters: Modelling, Control, and Applications
Previous Article in Journal
SLMAS: A Secure and Light Weight Mutual Authentication Scheme for the Smart Wheelchair
 
 
Font Type:
Arial Georgia Verdana
Font Size:
Aa Aa Aa
Line Spacing:
Column Width:
Background:
Article

Dynamic Analysis of CRTS II Ballastless Track-Vehicle System Based on Moving Unit Method

School of Civil Engineering, Chang’an University, Xi’an 710061, China
*
Author to whom correspondence should be addressed.
Appl. Sci. 2023, 13(11), 6566; https://doi.org/10.3390/app13116566
Submission received: 16 May 2023 / Accepted: 18 May 2023 / Published: 28 May 2023

Abstract

On account of the influence of the discontinuity of CRTS II ballastless track slabs and the discrete support of track pads on the high-speed rail vehicle-ballastless track system, a vibration analysis calculation model of the ballastless track-vehicle coupling system was established on the basis of the moving unit method. The dynamic response of the system at different travel speeds and with and without consideration of the track plate discontinuities was investigated. The effect of the random process discontinuity on the dynamic response of the steel rails was analyzed by Fourier inverse transform on the high and low discontinuity spectra of ballastless rails on China’s high-speed rail. We also generated time domain samples of the track discontinuity corresponding to the three percentile spectra. The results show that the dynamic response of the track structure increases with the speed of the train under the condition of track unevenness, with the dynamic response of the steel rail being the most significant, while the dynamic response of the track slab and concrete foundation decreases step by step compared with that of the steel rail; the discontinuity of the track slab has a low impact on the vertical acceleration of the vehicle and does not affect the smoothness of the train; the magnitude of the dynamic response of the rail increases as the amplitude of the irregularities increases or the wavelength decreases. In the wavelength of 2~30 m, the maximum and as the wavelength of the discontinuity sample increases, the oscillation of the power response time curve decreases significantly and tends to be smooth.

1. Introduction

High-speed rail tracks are mainly divided into two types: ballast track and ballastless track. Ballastless track, compared with ballast track, reduces the maintenance workload and cost and increases driving safety and stability of driving; therefore, the ballastless track is becoming increasingly common in high-speed rail [1]. At present, most of the high-speed rail track construction in China, Japan, Germany, and other countries is for ballastless tracks [2]. In recent years, the increase in the speed of high-speed rail has posed new challenges to the safety, comfort, and durability of high-speed rail [3]. Therefore, it is important to establish a reliable ballastless track model for high-speed rail, develop accurate and efficient calculation methods, and study the dynamic performance of high-speed rail ballastless track systems under complex operating environments for the development of ballastless track for high-speed railways in China.
Most of the existing studies on ballastless tracks are based on the assumption of the continuous support of track beams, ignoring the additional dynamic response generated by discrete track pads on the track system. To explain the effect of discrete support, Sheng et al. [4] investigated the dynamic response of an infinitely long Timoshenko beam supported by discrete sleepers and subject to wheel movement. Dai et al. [5] proposed a cyclic calculation method based on the moving element method (MEM) and used the Euler beam theory to investigate the dynamic response of a high-speed rail system under the discrete support of trackpads. Based on this cyclic calculation method, Lei et al. [6] investigated the excitation of the train-track system by sinusoidal wave discontinuities, substituting a three-layer Timoshenko beam model for the Euler beam model and accounting for the impact of discontinuous supports. Moreover, the issue of discontinuities between neighboring track slabs has been oversimplified in most research. To analyze the dynamic response of a ballastless track system, for instance, Yang et al. [7] suggested a vehicle-track finite element model, where the discontinuity between consecutive track plates was omitted to reduce the thermal expansion effect. According to the study, precast track slabs exhibit stiffness discontinuities at the slab end joints under typical vehicle operation, which poses a serious risk to the track’s structural integrity. In the subject of steel-spring floating plate tracks for urban rail transport, where shear hinges are preferred between adjacent floating plates, the issue of discontinuity between track plates has received much attention in previous studies. To examine the restraint impact of shear hinges between track slabs, Yang et al. [8] simulated shear hinges using vertical and transverse shear springs. Wei et al.’s [9] simulation of shear hinges using bending shear spring damping units allowed them to determine the ideal set of parameters for shear hinges between track slabs. In the field of ballastless tracks, there are fewer studies on inter-slab discontinuity; although, some researchers have considered this issue, such as Hussein et al. [10] and Sadheghi et al. [11], who modeled the effect of inter-slab discontinuity, but they did not disclose model specifics. In order to address this issue, Xu et al. [12] established an infinitely long beam model for vehicle-track interaction and proposed a cyclic calculation method based on the Euler beam theory for the track plate discontinuity problem, both of which have significant implications for the advancement of ballastless track models.
The finite element unit method (FEM) is still the primary technique for analyzing vehicle-track vibration at this time. However, analysis using FEM faces the issue of high computational effort and poor analysis efficiency due to the appreciable rise in the train operating speed [13]. To solve these difficulties in FEM, Andersen et al. [14] provided a finite element equation for an infinite Euler beam on a linear viscoelastic Kelvin foundation under simple harmonic moving loads; using this method, they obtained the equations for the immobile point loads of orbital beams under kinematic loads. Inspired by these ideas, Koh et al. [15] used moving coordinates to solve moving vehicle-track vibration problems and named the method the moving element method (MEM). Since then, many researchers have applied MEM to solving vehicle-track problems. Dai et al. [16] modeled the ballasted track model in three layers: a continuous rail layer, a discrete sleeper layer, and a track bed; the dynamic response of the train-track system was calculated using the moving unit method. Lei et al. [17] established a ballastless track unit with a three-layer Euler beam model as the basis, derived the corresponding stiffness, mass, and damping matrices, and investigated the dynamic characteristics of the train and ballastless track system, but they neglected the effect of discrete supports and the non-linear relationship between wheel and rail contact. It has been shown through existing domestic and international research that the use of MEM simulations to calculate the dynamic response of the track can significantly reduce the size of the track calculation model, providing more efficient, accurate, and effective calculations.
Track unevenness has a significant effect on the coupled vibration of the vehicle-track system and is very harmful to the high-speed rail track system. In this regard, a large amount of research has been produced by academics at home and abroad. In the time domain dynamic analysis, the most commonly used methods to describe track unevenness are the deterministic function method and the stochastic process method. The deterministic function method assumes that the track irregularity has a sine or cosine curve shape; for instance, Khajenuezrury et al. [18] proposed a two-dimensional Timoshenko beam vehicle-track coupling numerical model to investigate the influence of simple harmonic function track unevenness on the track mat stiffness. In the stochastic process method, a time-domain sample of the stochastic unevenness is extracted from the power spectral density (PSD) of the track; for instance, Lei et al. [6] treated the track vertical unevenness as a Gauss smooth stochastic process and investigated the dynamic response of the vehicle and track system. Yang et al. [7] used the Fourier inversion method based on the German track unevenness spectrum to obtain the track spectrum at wavelengths greater than 1 m for the effect of random process irregularities on the dynamic response of the ballastless track. Lai et al. [19] selected a high-speed rail track and bridge system for nonlinear dynamic analysis, proposed the distribution law of the seismic residual shift of high-speed rail track and a bridge system under different seismic intensities, and introduced the evaluation method of the seismic power spectrum density (PSD) of track unevenness. Zhu et al. [20] proposed an effective method to predict the ground vibrations caused by metro trains, taking into account random track unevenness. In order to study the impact of ballastless track unevenness on China’s high-speed railways, the China Academy of Railway Sciences proposed a ballastless track unevenness spectrum for China’s high-speed railways in 2014, which better reflects the current overall design and construction level of ballastless tracks in China [21].
In this article, on the basis of the moving unit method, a vibration analysis model of the coupled high-speed rail vehicle-ballastless track system is established and a MATLAB calculation and analysis program is developed, taking into account the discontinuity of the prefabricated track plate and the discrete support of the trackpad in CRTS II ballast-less track. The effects of different travel speeds, the consideration of track slab discontinuities, and the use of the random track unevenness conditions generated by the high and low unevenness spectrum of Chinese high-speed rail ballastless track on the dynamic response of high-speed rail ballastless track systems are investigated.

2. Vehicle and Ballastless Track Models

2.1. Basic Model Assumptions

High-speed railway tracks primarily consist of two types: ballast track and ballastless track. Ballast track refers to the track with a stone-granular substructure under the rail, while ballastless track refers to the track structure that replaces the loose crushed stone bed with integral foundations such as concrete and asphalt mixtures. The CRTS II ballastless track system is an improved ballastless track system. CRTS II ballastless track consists of steel rail, fasteners, type II plate, mortar adjustment layer, sliding layer, lateral block, etc.
The high-speed rail vehicle-ballastless track system established in this article is made up of two parts: the upper vehicle model, consisting of the vehicle body, bogie, and wheelsets, and the lower ballastless track model. The system model is built on the following premise assumptions: (1) only the vertical dynamic response of the vehicle-track coupled system is studied; (2) as the vehicle-track coupled system is symmetrical in the longitudinal direction about the center line, only half of the track is taken for the modeling study; (3) the track system is based on CRTS II-type slab ballastless track; (4) the track slab and concrete foundation are regarded as elastic beams supported by continuous cement asphalt(CA) mortar and roadbed; (5) for CA mortar and roadbed, only their elastic stiffness and damping properties are considered; (6) the track is regarded as an infinitely long elastic beam supported by discrete blocks of pads; (7) and the vehicle model is built based on locomotive units with primary and secondary suspension systems, and the vertical and pitch motions of the car and bogie are considered.

2.2. Vehicle Modelling

A multi-body system with 10 degrees of freedom was used to model the high-speed rail vehicle with reference to Lei [6]. The model structure includes a vehicle body, two bogies, and four wheelsets. A primary suspension consists of 4 degrees of freedom, a secondary suspension consists of 2 degrees of freedom, and a vehicle wheelset consists of 4 degrees of freedom. The concentrated quality of the vehicle body, the concentrated quality of the bogie, and the concentrated quality of the wheel pair are combined to obtain the total mass matrix MU of the vehicle, the damping coefficient cp of the primary suspension system, and the damping coefficient cs of the secondary suspension system are combined to obtain the total damping matrix CU of the vehicle, and the stiffness coefficient kp of the primary suspension system and the stiffness coefficient ks of the secondary suspension system are combined to obtain the total stiffness matrix KU of the vehicle. Establish the vehicle’s power equation in Equation (1):
M U Z ¨ U + C U Z ˙ U + K U Z U = F U
where Z ¨ U , Z ˙ U , and Z U denote the acceleration vector, velocity vector, and displacement vector of the vehicle, respectively. FU denotes the force vector of the vehicle.

2.3. Ballastless Track Modelling

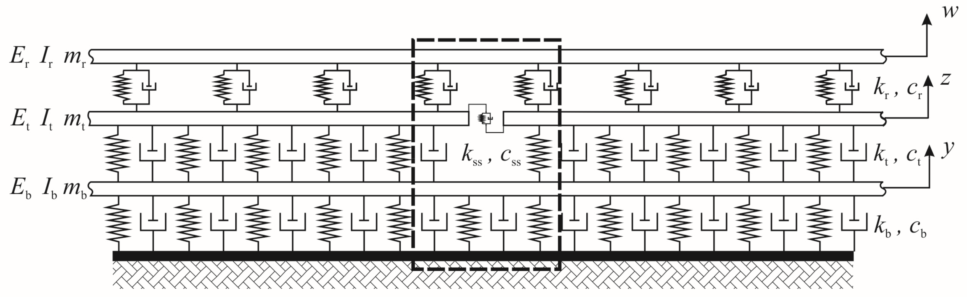
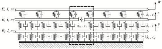
The ballastless track model based on the CRTS II slab ballast track consists of track, elastic fasteners (discrete trackpads), precast track slabs, CA mortar layers, and concrete foundations. The discrete steel rails, track slabs, and concrete foundations are discrete and are considered as Euler beams; a three-level Euler beam ballast track model is established out of those, with the steel rails and track slabs being connected by discrete viscoelastic track pads, respectively, and the CA mortar layers between the track slabs and concrete foundations, as well as the roadbed under the concrete foundations, being considered as viscoelastic supports, as shown in Figure 1. The established model is shown in Figure 2.
In Figure 1, Er, Et, and Eb denote the modulus of the elasticity of the rail, the rail slab, and the concrete foundation, respectively, Ir, It, and Ib denote the moment of inertia of the rail, rail slab, and concrete foundation, respectively, and mr, mt, and mb denote the unit mass of the rail, the rail slab, and concrete foundation, respectively. kr and cr denote the stiffness coefficient and damping coefficient, respectively, of the equidistant bulk track pads supporting the track, kt and ct denote the CA mortar stiffness factor and damping factor for supporting the track slab, respectively, kb and cb denote the roadbed stiffness factor and the damping factor for supporting the concrete foundation, respectively, kss and css denote the stiffness factor and damping factor for shear springs and dampers at the expansion joint connection between adjacent track slabs, respectively, and w, z, and y denote the vertical displacement of the track, track slab, and concrete foundation, respectively.
In building the ballastless track model, the particular ballastless track element (P-ELE) and the common ballastless track element (C-ELE) in the moving coordinate system are established by referring to Xu [12]. The P-ELE is a three-layer Euler beam ballast track element containing the connecting part of the track slab, as shown in the dashed box in Figure 1, while the rest of the track model can be decomposed into C-ELE [12].
In the ballastless track model, the trackpad is simplified to discrete viscoelastic support, and in deriving the dynamic equations, the influence of the discrete trackpad is also realized by considering the constant repetitive cycle change in the discrete support, according to Euler beam theory, by tracking the cycle change in the support position and calculating the stiffness and damping matrix of the moving unit in one cycle and storing it. The dynamic equations of the three-layer beam model considering the effect of the discrete support of the trackpad can be established by using the displacements w, z, and y of the three-layer beam model as shown in Equations (2)–(4):
E r I r 4 w x 4 + m r 2 w t 2 + i = 1 n c r w t z t × δ x i L s + i = 1 n k r w z × δ x i L s = j = 1 m F j × δ x x j t
E t I t 4 z x 4 + m t 2 z t 2 + i = 1 n c r z t w t × δ x i L s + i = 1 n k r z w × δ x i L s + c t z t y t + k r z y = 0
E b I b 4 y x 4 + m b 2 y t 2 + c t y t z t + k t y z + c b y t + k b y = 0

3. Establishment of the MEM Model

The MEM principle is as follows. First, intercept a section of track and discrete it into a finite number of beam units, then place the point of the wheel-rail contact force in the middle of the whole track so that it meets a certain distance upstream and downstream, thus ignoring the boundary effect; at this time, the point on the coordinate axis x-axis and the corresponding coordinates are fixed. Then, take point a on the fixed coordinate axis x-axis, whose coordinates are xa, and define the moving coordinate axis r-axis. The origin of the r-axis follows the train load movement, then point a corresponds to the moving coordinate ra on the r-axis as shown in Equation (5):
r a = x a V t
Substituting Equation (5) into Equations (2)–(4), applying the chain rule, and using a moving coordinate system instead of a fixed coordinate system, the discrete dynamic equations for the new three-layer Euler beam ballast track are derived as shown in Equations (6)–(8):
E r I r 4 w r 4 + m r V 2 2 w r 2 2 V 2 w r t + 2 w t 2 + i = 1 n c r w t V w r z t + z r × δ r + V t i L s + i = 1 n k r w z × δ r + V t i L s = j = 1 m F j × δ r R j
E t I t 4 z r 4 + m t V 2 2 z r 2 2 V 2 z r t + 2 z t 2 + i = 1 n c r z t V z r w t + w r × δ r + V t i L s + i = 1 n k r z w × δ r + V t i L s + c t z t V z r y t + y r + k t z y = 0
E b I b 4 y r 4 + m b V 2 2 y r 2 2 V 2 y r t + 2 y t 2 + c b y t V y r   + c t y t V y r z t + z r + k b y k t y z = 0
where Ls denotes the spacing between two adjacent track pads, Rj denotes the distance the jth wheel pair runs, Fcj denotes the contact force between the jth wheel pair and the track, and δ(x) denotes the Dirac function.
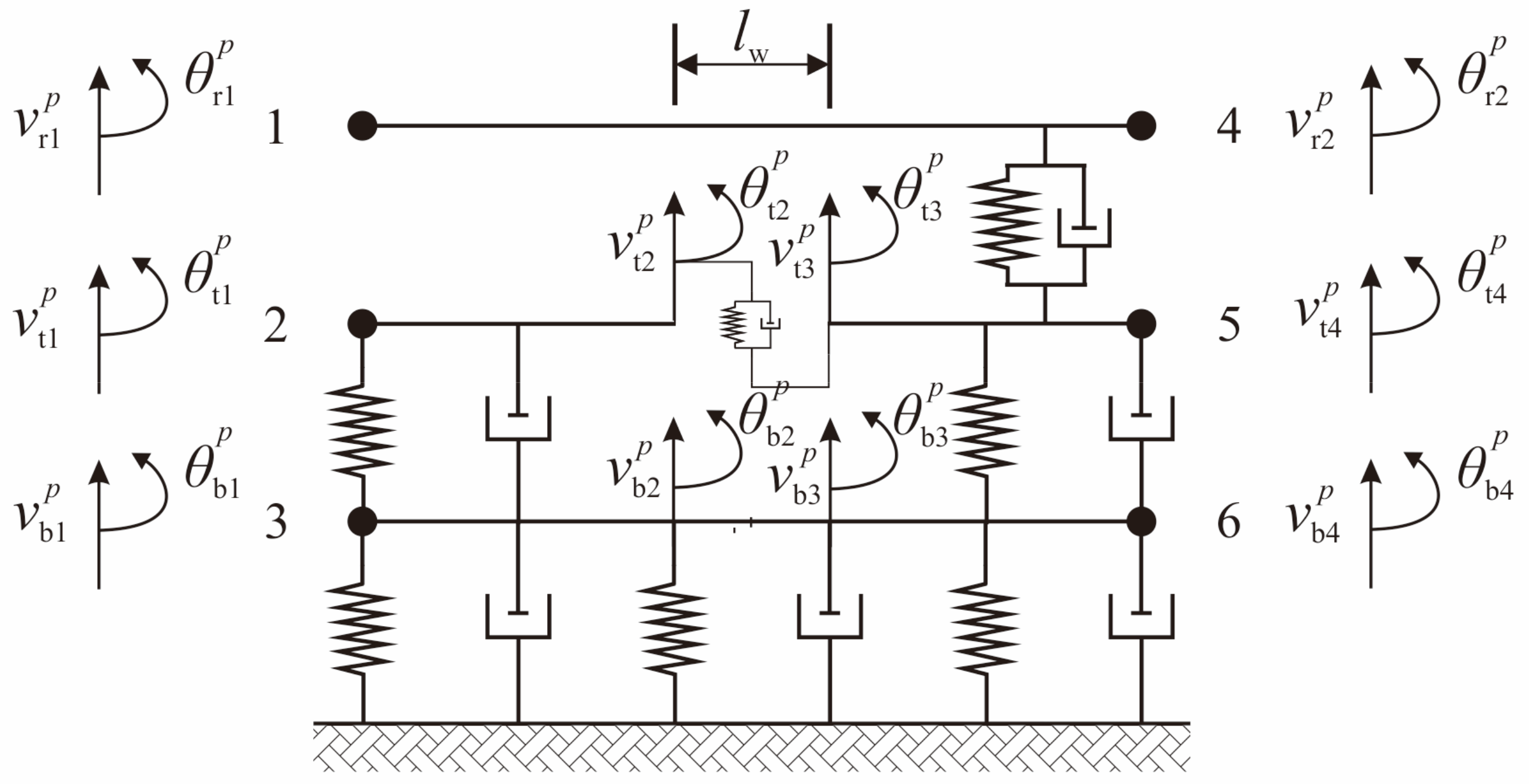
The C-ELE model diagram is shown in Figure 3, and a typical orbital unit of length l is taken for analysis.
The derivation process of Lei [6] can be referred to be based on the moving coordinates and by introducing the form function N. From the form function N, the matrices Nr, Nt, and Nb can be obtained. The Euler beam model for the first layer of the rail is first calculated by multiplying Equation (6) by a weighting function and integrating over one unit length cell. Galerkin’s method, the unit mass matrix Mr, the unit damping matrix Cr, and the unit stiffness matrix Kr are obtained for the first layer of the C-ELE rail based on the track dynamics equations. Using the same method, the corresponding matrices for the second layer of the rail as well as the third layer of the rail can be found. Combining the unit matrices of the three-layer Euler beam model, the unit mass matrix Me, unit damping matrix Ce, and unit stiffness matrix Ke of the C-ELE can be obtained.
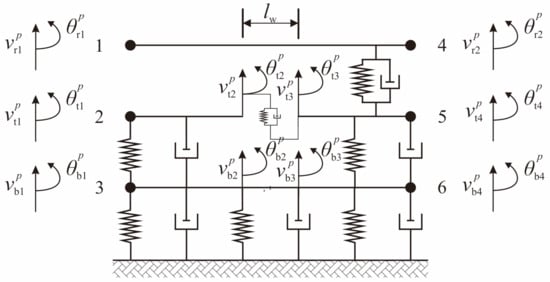
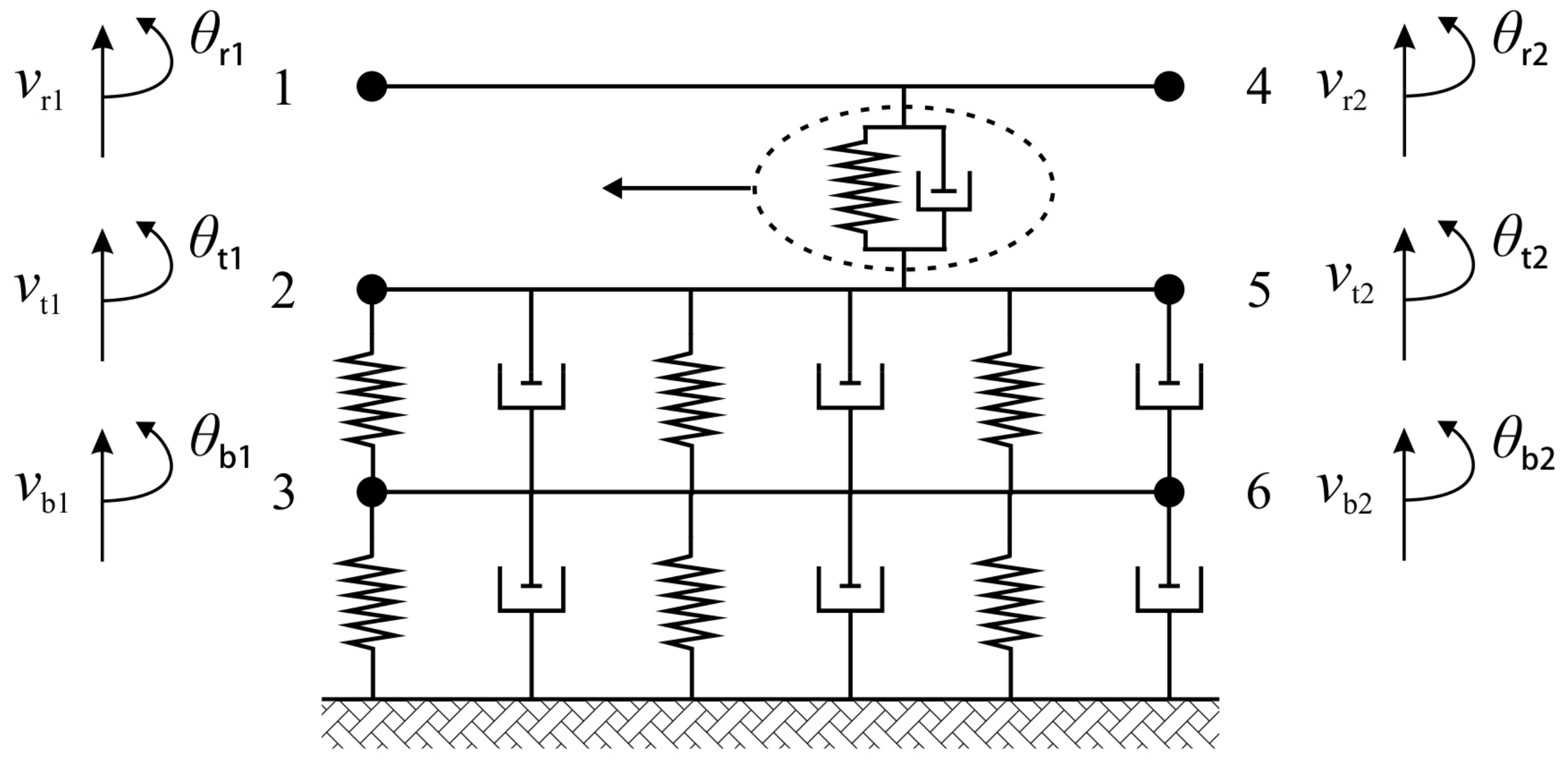
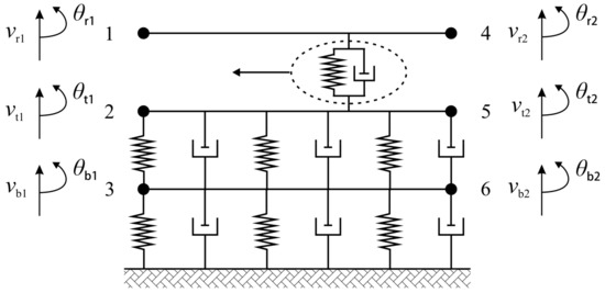
The P-ELE is distributed at the joint of the two adjacent track slabs of the track slab Euler beam with the expansion joint located inside the cell; the P-ELE model is shown in Figure 4.
In the study of the ballastless track model, the ballastless track is cut into one track slab ignoring the expansion joints between the slabs, while assuming that the cross sections of the track slabs are identical in terms of the mechanical properties and structural shape. This shows that the physical properties of the P-ELE and C-ELE can be generalized, except for the difference in the continuity and degrees of freedom, so the transformation method for degenerating the P-ELE to the C-ELE, reversing the transformation, can be used to obtain the corresponding matrix of the P-ELE by deriving the cell mass, damping, and stiffness matrices of the C-ELE. The unit mass, damping, and stiffness matrices for the second layer of the rail after truncation of the Iw-long track plate, adding the effects of the shear spring Kss and the damper Css, provides the cell damping and stiffness matrices of the P-ELE as shown in Equations (9)–(11).
M ¯ t p = M ¯ t m t 0 l w N ¯ t T N ¯ t d r
C ¯ t p = C ¯ t c t 0 l w N ¯ t T N ¯ t d r + C ¯ ss
K ¯ t p = K ¯ t E t I t 0 l w N ¯ t , rr T N ¯ t , rr d r + K ¯ ss
Additionally, the shear spring Kss and the damper Css can be obtained by means of Equations (12) and (13). Referring to the model of Xu [12], Nss = [1–1].
K ¯ ss = k ss N ¯ ss T N ¯ ss
C ¯ ss = c ss N ¯ ss T N ¯ ss
Additionally, because the discontinuity of the track plate affects only the second layer of the track plate in the dynamic equations, the unit mass, damping, and stiffness matrices of the first and third layers remain unchanged. Through the addition of the cell mass matrix, the cell damping matrix, and the cell stiffness matrix of each layer of the P-ELE, we obtain the P-ELE cell mass matrix M e p , cell damping matrix C e p , and cell stiffness matrix K e p .
The ballastless track is laid by numerous prefabricated track slabs. The unit mass matrix, unit damping matrix, and unit stiffness matrix of each part are combined to obtain the total mass matrix MD, total damping matrix CD, and total stiffness matrix KD of the ballastless track model to establish the dynamic equations of the ballastless track model as shown in Equation (14):
M D Z ¨ D + C D Z ˙ D + K D Z D = F D
where Z ¨ D , Z ˙ D and Z D denote the acceleration vector, velocity vector, and displacement vector of the ballast track model, respectively. FD denotes the force vector of the ballastless track model.
In addition, if a combined unit consists entirely of C-ELE, then the ballastless track model constructed using this combined unit does not take into account the discontinuity of the ballastless track precast track slab, i.e., the track slab is continuous, and this part of the track slab structure is equivalent to a long beam with a constant full distance stiffness. According to this principle, a ballastless track model with continuous track plates can be built, and thus a coupled vehicle-track model with continuous track plates can be constructed, and the specific modeling process is not repeated.
Combining Equations (1) and (14), i.e., the vehicle model dynamic equations and the ballastless track model dynamic equations, the coupled vehicle-ballastless track system equations are obtained as shown in Equation (15):
M U M D Z ¨ U Z ¨ D + C U C D Z ˙ U Z ˙ D + K U K D Z U Z D = F U F D

4. Analysis of the Effect of Travel Speed on the Dynamic Response of the System

The constructed model was used, and the specific parameters were obtained by referring to the literature [6]. To account for the dynamic response of the ballastless track, the track length was set to 140 m, and speeds of 160 km/h, 200 km/h, 250 km/h, 300 km/h, and 350 km/h were chosen as the conditions for the different speeds. To account for the impact of track unevenness and to minimize computational effort, a simpler harmonic function model is used, i.e., a sine wave with a wavelength of 1.0 m and an amplitude of 0.3 mm, the model of which is shown in Equation (16).
y t = A ( sin ( 2 π x B ) x )
where yt denotes the degree of track irregularity, and A and B denote the amplitude and wavelength of track irregularity, respectively.
In order to fully demonstrate the variation between the calculated results for the track plate discontinuity and the track plate continuity cases, the coupled vehicle-ballastless track model with the track plate discontinuity mentioned in the previous chapter of this paper was also used for comparison with the model without the track plate discontinuity in the numerical simulations. After the results stabilized, the steady-state output 3 s data at the first wheel-rail contact point are plotted separately.

4.1. Comparative Analysis of Vertical Acceleration of Ballastless Track

4.1.1. Vertical Acceleration of Rail

The peak vertical acceleration of the rail under different speed conditions with discontinuous track plates is extracted and compared with the peak vertical acceleration of the rail under the same speed with continuous track plates. The comparison results are shown in Figure 5.
It is understandable that the vertical acceleration of the steel rails increases with the increase in the travel speed, but not proportionally. The reason for this is that the short-wave discontinuity has a significant excitation effect on the steel rails’ acceleration, which is also evidenced in the literature [6]. In addition, the vertical acceleration of the steel rails in the track plate discontinuity condition is greater and significantly different than in the track plate continuity condition, with an average difference of about 132 m/s2.

4.1.2. Vertical Acceleration of Rail

The peak vertical acceleration of the track plate under different speed conditions with discontinuous track plates is compared with the peak vertical acceleration of the track plate under continuous track plate conditions with the same speed. The results of the comparison are shown in Figure 6.
It is obvious that the vertical acceleration of the track plate increases with the increase in the travel speed, but this occurs disproportionately, and the reason for the declining section is the same as that of the rail section. The vertical acceleration of the rail slab under discontinuous conditions is greater than under continuous conditions and has a significant difference, with an average difference of approximately 43 m/s2. The former has a more dramatic dynamic response and is more significantly stimulated by the speed change.

4.1.3. Vertical Acceleration of the Foundation

The peak vertical acceleration of the concrete foundation for different speed conditions with discontinuous track slabs is extracted and compared with the peak vertical acceleration of the concrete foundation for the same speed with continuous track slabs as shown in Figure 7.
It is obvious that the effect of travel speed on the vertical acceleration of the concrete foundation is small, and the vertical acceleration of the concrete foundation increases with the travel speed disproportionately, yet there is still a decreasing section, but this is basically flat, meaning that the fluctuation is reduced. The vertical acceleration of the concrete foundation under discontinuous track slab conditions is greater than under continuous track slab conditions but similar, with an average difference of approximately 3 m/s2, indicating that the discontinuity of the track slab does not lead to significant changes in the concrete acceleration with speed.

4.2. Analysis of the Vertical Acceleration of the Car Body Compared to the Wheel-Rail Contact Force

4.2.1. Vertical Acceleration of the Vehicle Body

The peak vertical acceleration of the car body under different speed conditions with discontinuous track plates is extracted and compared with the peak vertical acceleration of the rail under continuous track plates at the same speed as shown in Figure 8.
Obviously, the general trend is that the vertical acceleration of the vehicle body increases with increasing travel speed. In addition, whether or not the discontinuity of the track plate is considered has no significant effect on the vertical acceleration of the rail because the difference between the two is very small; the reason for this is that the primary and secondary suspension system of the CRH3 vehicle has an effective dampening effect on the transmission of vibrations from the track plate. From the above analysis, it can be seen that the discontinuity of the track plate basically does not affect the comfort of passengers riding on high-speed railway vehicles.

4.2.2. Wheel-Rail Contact Forces

The peak wheel-rail contact forces are extracted for different speed conditions with discontinuous track plates and compared with the peak wheel-rail contact forces for the same speed with continuous track plates, as shown in Figure 9.
It is obvious that the wheel-rail contact force increases with increasing speed, but not proportionally. The wheel-rail contact force for the discontinuous track plate condition is greater than for the continuous track plate condition, with an average difference of approximately 12 kN. The reason for this is that the discontinuous track plate corresponds to multiple plates connected by shear springs and dampers, whereas the continuous track plate corresponds to a single beam, the overall stiffness of which is weaker than the latter, making the dynamic response more significant in the discontinuous track plate condition.

5. Simulation Analysis of Random Process Orbital Unevenness

This section investigates the vertical vibration characteristics of a coupled high-speed rail vehicle-ballastless track system considering the discrete support of track pads and track slab discontinuities. The high-speed train model and ballastless track model continue to use the relevant parameters of the CRH3 train and CRTS II-type plate ballastless track. In total, 12 track units are divided under two adjacent supports in the analysis, and the dynamic response of 5 s after the steady state output was selected for the analysis.

5.1. Random Uneven Time Domain Samples

Research shows that track irregularity is essentially a stochastic process influenced by track structural inhomogeneities, gaps in various parts, and rail wear, and scholars have commonly used power spectral density functions to describe the track unevenness of stochastic processes. In this paper, the Fourier inverse transform was applied to the high and low unevenness spectra of the ballastless tracks of Chinese high-speed rail to obtain the time domain samples of track unevenness corresponding to the 25%, 63.2%, and 90% percentile spectra, as shown in Figure 10.

5.2. Effect of Uneven Amplitude on Dynamic Response

The amplitude of the upset amplitude of the track unevenness spectrum is related to its percentile; the larger the percentile, the larger the upset amplitude. In this paper, the speed limit is set at 350 km/h, and, after simulation, the dynamic response of the rail is obtained under the excitation of the different percentile of the track unevenness spectrum, and the vertical displacement amplitude of the steel rail and the wheel-rail contact force amplitude are extracted from Table 1. The two groups of data with the greatest change, i.e., 25% and 90%, correspond to the rail’s dynamic response, which is apparent in Figure 11.
As illustrated in Table 1, as the percentile of the rail unevenness spectrum changes from 25% to 90%, the rail vertical displacement amplitude increases by 12.5%, and the wheel-rail contact force amplitude increases by 36.0%. It is clear that as the amplitude of the track unevenness increases, both the rail displacement and the wheel-rail contact force increase; the change in the amplitude of the track unevenness has a greater effect on the wheel-rail contact force. As demonstrated in Figure 10, the rail vertical displacement time range curve fluctuates around 1.2 mm, and the curve fluctuates sharply as the amplitude of the track unevenness increases; the wheel-rail contact force-time curve fluctuates around 70 kN, and the curve fluctuates sharply as the amplitude of the track unevenness increases.

5.3. Effect of Uneven Wavelengths on Dynamic Response

As short-wave irregularities are the most damaging to the operation and maintenance of high-speed rail, the analysis was focused on a shorter wavelength track unevenness in the wavelength region of 30 m or less. The 63.2% percentile spectrum of the ballastless track of Chinese high-speed rail was taken as the external excitation, and the traveling speed was fixed at 350 km/h. Four sets of random track unevenness samples with different wavelength ranges were taken. After the simulation, the dynamic response of the steel rails under different wavelength ranges of the track unevenness excitation was obtained, and the extracted rail vertical displacement amplitude and wheel-rail contact force amplitude can be seen in Table 2. Figure 11a illustrates the comparison of steel rail’s vertical displacement time range curves under a 2~30 m wavelength and a 4~30 m wavelength; Figure 11b illustrates the contrast of wheel-rail contact force-time range curves under a 2~30 m wavelength and a 4~30 m wavelength.
As can be seen from Table 2, under the condition that the amplitude of the track unevenness excitation is close, with such an increase in wavelength, the track displacement and wheel-rail contact force decrease significantly, and the magnitude of the decrease gradually slows down, among which the decrease between the displacement amplitude is 9.4%, 3.9%, 1.9%, and 0.8%, respectively, and the decrease between the wheel-rail contact force amplitude is 8.6%, 5.7%, 6.5%, and 4.6%, respectively; the change tends to be stable, and the variation is stable. As can be seen from the numerical trends in the table and the above analysis, shorter wavelengths of the unevenness of around 2 m have an important impact on the dynamic response of the wheel-rail and are more likely to lead to a deterioration in the track geometry and train operating safety.
As illustrated in Figure 12, the steel rails’ vertical displacement time curve oscillates up and down around the center of 1.2 mm, and the intensity of the curve oscillation increases as the wavelength of the track irregularity decreases; the wheel-rail contact force-time curve oscillates up and down around the center of 70 kN, and the intensity of the curve oscillation increases as the wavelength of the track irregularity decreases. As the wavelength increases, the dynamic response of the steel rails decreases significantly, and the curve tends to smooth out.

6. Conclusions

In this study, a new vibration analysis calculation model of the CRTS II ballastless track-vehicle coupled system was established using the moving unit method, and a calculation program was prepared. The model’s dynamic response at different traveling speeds with or without consideration of the track slab discontinuities and track unevenness was investigated, and the following are the main conclusions:
(1)
In the simple harmonic shape of the track uneven conditions, the dynamic response of each structure with the increase in the velocity of travel increased, which is the most significant steel rail dynamic response, while the concrete foundation and dynamic response of the rail slab, compared to the steel rail, decreased step by step. This is due to the fact that the vibration has a high-frequency characteristic, and the dynamic response of the rails decreased layer by layer through the damping effect of the rail mat and CA mortar.
(2)
The comparison of the system’s dynamic response under the two cases of considering and not considering the discontinuity of the rail slab showed that the dynamic response of each structure, except the acceleration of the vehicle, was greater than that of the continuous case of the rail slab, and the discontinuity of the steel rail’s slab had less influence on the vertical acceleration of the vehicle and did not affect the smoothness of the traffic.
(3)
Under the influence of the random process unevenness of the time domain sample generated by using the Chinese rail spectrum, the time course of the rail dynamic response showed a strong random characteristic. Changing the unevenness parameter, it was found that, as the unevenness amplitude increased, the amplitude of the dynamic response fluctuation of steel tracks increased and the vibration became more intense; as the unevenness wavelength decreased, the steel tracks dynamic response increased significantly, the maximum in the wavelength range of 2~30 m; and as the unevenness sample wavelength increased, the oscillation degree of the dynamic response time course curve decreased significantly and tended to be smooth. The most important feature of the random process irregularity is that the shorter wavelengths showed instantaneous high-frequency pulse peaks, which caused the wheel-track impact in a short amount of time and made the wheel-track contact force increase sharply.
Due to the complexity of the vehicle-ballastless track coupling system, the research work described in this paper did not examine the system thoroughly enough; thus, it is still necessary to continue to study the failure damage and temperature deformation in the field of ballastless tracks in the future, and to study a better ballastless track model to direct the construction and maintenance of high-speed railways.

Author Contributions

Conceptualization, T.L.; Methodology, J.X. and L.X.; Software, T.J. and G.W.; data curation, G.W. and L.X.; Validation, L.X. and T.J.; Writing—original draft, T.L. and J.X.; Writing—review and editing, T.L.; Supervision, T.L. All authors have read and agreed to the published version of the manuscript.

Funding

This research was funded by the Natural Science Foundation of Shaanxi Province (Grant No. 2021JM-178).

Institutional Review Board Statement

Not applicable.

Informed Consent Statement

Not applicable.

Data Availability Statement

Data are presented in the article.

Conflicts of Interest

The authors declare no conflict of interest.

References

  1. Liu, X.; Zhao, P.; Dai, F. Advances in design theories of high-speed railway ballastless tracks. J. Mod. Transp. 2011, 19, 154–162. [Google Scholar] [CrossRef]
  2. Kim, S.M. Stability and dynamic response of Rayleigh beam-columns on elastic foundation under moving loads of constant amplitude and harmonic variation. Struct. Eng. 2005, 27, 869–880. [Google Scholar] [CrossRef]
  3. Zhai, W.; Han, Z.; Chen, Z.; Ling, L.; Zhu, S. Train-track-bridge dynamic interaction: A state-of-the-art review. Veh. Syst. Dyn. 2019, 57, 984–1027. [Google Scholar] [CrossRef]
  4. Sheng, X.Z.; Li, M.H.; Jones, C.J.C.; Thompson, D.J. Using the Fourier-series approach to study interactions between moving wheels and a periodically supported rail. J. Sound Vib. 2007, 303, 873–894. [Google Scholar] [CrossRef]
  5. Dai, J.; Ang, K.K.; Tran, M.T.; Luong, V.H.; Jiang, D. Moving element analysis of discretely supported high-speed rail systems. Proc. Inst. Mech. Eng. F J. Rail Rapid Transit. 2018, 232, 783–797. [Google Scholar] [CrossRef]
  6. Lei, T.; Dai, J.; Ang, K.K.; Li, K.; Liu, Y. Moving element analysis of high-speed train-slab track system considering discrete rail pads. Int. J. Struct. Stab. Dyn. 2021, 21, 2150014. [Google Scholar] [CrossRef]
  7. Yang, X.; Gu, S.; Zhou, S.; Yang, J.; Zhou, Y.; Lian, S. Effect of track irregularity on the dynamic response of a slab track under a high-speed train based on the composite track element method. Appl. Acoust. 2015, 99, 72–84. [Google Scholar] [CrossRef]
  8. Yang, J.; Lan, K.; Zhu, S.; Wang, K.; Zhai, W.; Yuan, X. Dynamic analysis on the stiffness enhancement measure of the slab end for a discontinuous floating slab track. Comput. Sci. Eng. 2018, 21, 51–59. [Google Scholar] [CrossRef]
  9. Wei, G.; Wang, Y.A.; Jiang, J.Q.; Zhang, R.; Ding, Z. Effect of dowel joints on dynamic behavior of train–discrete floating slab track system. Adv. Mech. Eng. 2018, 10, 1687814018767010. [Google Scholar] [CrossRef]
  10. Hussein, M.F.M.; Hunt, H.E.M. A numerical model for calculating vibration due to a harmonic moving load on a floating-slab track with discontinuous slabs in an underground railway tunnel. J. Sound Vib. 2009, 321, 363–374. [Google Scholar] [CrossRef]
  11. Sadeghi, J.; Khajehdezfuly, A.; Esmaeili, M.; Poorveis, D. Dynamic interaction of vehicle and discontinuous slab track considering nonlinear Hertz contact model. J. Transp. Eng. 2016, 142, 04016011. [Google Scholar] [CrossRef]
  12. Xu, L.; Chen, Z.; Zhai, W. An advanced vehicle–slab track interaction model considering rail random irregularities. J. Vib. Control. 2018, 24, 4592–4603. [Google Scholar] [CrossRef]
  13. Abe, K.; Chida, Y.; Quinay, P.E.B.; Koro, K. Dynamic instability of a wheel moving on a discretely supported infinite rail. J. Sound Vib. 2014, 333, 3413–3427. [Google Scholar] [CrossRef]
  14. Andersen, L.; Nielsen, S.R.K.; Kirkegaard, P.H. Finite element modelling of infinite Euler beams on Kelvin foundations exposed to moving loads in convected co-ordinates. J. Sound Vib. 2001, 241, 587–604. [Google Scholar] [CrossRef]
  15. Koh, C.G.; Ong, J.S.Y.; Chua, D.K.H.; Feng, J. Moving element method for train-track dynamics. Int. J. Numer. Methods Eng. 2003, 56, 1549–1567. [Google Scholar] [CrossRef]
  16. Dai, J.; Ang, K.K.; Jiang, D.; Luong, V.H.; Tran, M.T. Dynamic response of high-speed train-track system due to unsupported sleepers. Int. J. Struct. Stab. Dyn. 2018, 18, 1850122. [Google Scholar] [CrossRef]
  17. Lei, X.; Zhang, B. Analysis of dynamic behavior for slab track of high-speed railway based on vehicle and track elements. J. Transp. Eng. 2011, 137, 227–240. [Google Scholar] [CrossRef]
  18. Khajehdezfuly, A. Effect of rail pad stiffness on the wheel/rail force intensity in a railway slab track with short-wave irregularity. Proc. Inst. Mech. Eng. F J. Rail Rapid Transit. 2019, 233, 1038–1049. [Google Scholar] [CrossRef]
  19. Lai, Z.; Jiang, L. Lateral Rail Unevenness Spectra Corresponding to the Damages of Different Components in the HSR Track-Bridge System Subjecting to Random Earthquakes. J. Earthq. Eng. 2022, 1–28. [Google Scholar] [CrossRef]
  20. Zhu, Z.; Wang, L.; Costa, P.A.; Bai, Y.; Yu, Z. An efficient approach for prediction of subway train-induced ground vibrations considering random track unevenness. J. Sound Vib. 2019, 455, 359–379. [Google Scholar] [CrossRef]
  21. Feng, Y.; Hou, Y.; Jiang, L.; Zhou, W.; Yu, J.; Guo, W. Stochastic transverse earthquake-induced damage track irregularity spectrum considering the uncertainty of track-bridge system. Int. J. Struct. Stab. Dyn. 2021, 21, 2140004. [Google Scholar] [CrossRef]
Figure 1. Three-layer Euler beam ballastless track model.
Figure 1. Three-layer Euler beam ballastless track model.
Applsci 13 06566 g001
Figure 2. CRTS II type slab track model.
Figure 2. CRTS II type slab track model.
Applsci 13 06566 g002
Figure 3. C-ELE model.
Figure 3. C-ELE model.
Applsci 13 06566 g003
Figure 4. P-ELE model.
Figure 4. P-ELE model.
Applsci 13 06566 g004
Figure 5. Peak vertical acceleration of steel rails at different driving speeds.
Figure 5. Peak vertical acceleration of steel rails at different driving speeds.
Applsci 13 06566 g005
Figure 6. Peak vertical acceleration of track slab at different driving speeds.
Figure 6. Peak vertical acceleration of track slab at different driving speeds.
Applsci 13 06566 g006
Figure 7. Peak of basic vertical acceleration at different driving speeds.
Figure 7. Peak of basic vertical acceleration at different driving speeds.
Applsci 13 06566 g007
Figure 8. Peak vertical acceleration of the vehicle body at different driving speeds.
Figure 8. Peak vertical acceleration of the vehicle body at different driving speeds.
Applsci 13 06566 g008
Figure 9. Peak wheel-rail contact force at different driving speeds.
Figure 9. Peak wheel-rail contact force at different driving speeds.
Applsci 13 06566 g009
Figure 10. Time domain samples of different percentile spectra of track irregularity: (a) 25% percentile spectral time domain sample; (b) 63.2% percentile spectral time domain sample; (c) 90% percentile spectral time domain sample.
Figure 10. Time domain samples of different percentile spectra of track irregularity: (a) 25% percentile spectral time domain sample; (b) 63.2% percentile spectral time domain sample; (c) 90% percentile spectral time domain sample.
Applsci 13 06566 g010
Figure 11. Comparison of the dynamic response of rail under different percentile spectrum excitation: (a) comparison of rail vertical displacement time curves; (b) comparison of wheel-rail contact force-time curves.
Figure 11. Comparison of the dynamic response of rail under different percentile spectrum excitation: (a) comparison of rail vertical displacement time curves; (b) comparison of wheel-rail contact force-time curves.
Applsci 13 06566 g011
Figure 12. Comparison of steel rails dynamic response under different wavelength range excitation: (a) comparison of steel rails vertical displacement time curves; (b) comparison of wheel-rail contact force-time curves.
Figure 12. Comparison of steel rails dynamic response under different wavelength range excitation: (a) comparison of steel rails vertical displacement time curves; (b) comparison of wheel-rail contact force-time curves.
Applsci 13 06566 g012
Table 1. Rail dynamic response under different percentile spectrum excitation.
Table 1. Rail dynamic response under different percentile spectrum excitation.
Rail Power ResponsePercentile (%)
2563.290
Displacement amplitude (mm)1.3781.4271.550
Wheel-rail contact force Amplitude (kN)95.264108.647129.546
Table 2. Steel rails dynamic response under different wavelength range excitations.
Table 2. Steel rails dynamic response under different wavelength range excitations.
Rail Power ResponsePercentile (%)
2~302.5~303~303.5~304~30
Displacement amplitude (mm)1.5811.4321.3771.3501.338
Wheel-rail contact force Amplitude (kN)121.050110.601104.34797.47292.955
Disclaimer/Publisher’s Note: The statements, opinions and data contained in all publications are solely those of the individual author(s) and contributor(s) and not of MDPI and/or the editor(s). MDPI and/or the editor(s) disclaim responsibility for any injury to people or property resulting from any ideas, methods, instructions or products referred to in the content.

Share and Cite

MDPI and ACS Style

Lei, T.; Xu, J.; Xu, L.; Jin, T.; Wang, G. Dynamic Analysis of CRTS II Ballastless Track-Vehicle System Based on Moving Unit Method. Appl. Sci. 2023, 13, 6566. https://doi.org/10.3390/app13116566

AMA Style

Lei T, Xu J, Xu L, Jin T, Wang G. Dynamic Analysis of CRTS II Ballastless Track-Vehicle System Based on Moving Unit Method. Applied Sciences. 2023; 13(11):6566. https://doi.org/10.3390/app13116566

Chicago/Turabian Style

Lei, Tuo, Jianxiang Xu, Longxiang Xu, Tingting Jin, and Guangsen Wang. 2023. "Dynamic Analysis of CRTS II Ballastless Track-Vehicle System Based on Moving Unit Method" Applied Sciences 13, no. 11: 6566. https://doi.org/10.3390/app13116566

APA Style

Lei, T., Xu, J., Xu, L., Jin, T., & Wang, G. (2023). Dynamic Analysis of CRTS II Ballastless Track-Vehicle System Based on Moving Unit Method. Applied Sciences, 13(11), 6566. https://doi.org/10.3390/app13116566

Note that from the first issue of 2016, this journal uses article numbers instead of page numbers. See further details here.

Article Metrics

Back to TopTop