Research on the Design Method of Pure Electric Vehicle Acceleration Motion Sense Sound Simulation System
Abstract
1. Introduction
1.1. Research Status of Sound Simulation Systems
1.1.1. Sound Design and Simulation Technology
1.1.2. Research on Accelerated Sound Quality Characteristics
1.2. Application Status of Sound Simulation System
2. Sound Simulation System Design Methods
2.1. Target Sound Design Method
2.1.1. Engine Noise Production Mechanism
2.1.2. Engine Order Sound Mathematical Model
2.1.3. Sound Target Setting in the Car
2.2. Sound Synthesis Method
Sound Synthesis Algorithm Analysis
3. Design of Motion-Sensitive Sound Samples
3.1. In-Vehicle Acceleration Sound Sample Collection
3.2. Sound Sample Order Analysis
4. Design of Sound Simulation System and Validation of Motion Sensing Target
4.1. HAREWARD Scheme of Sound Simulation System
4.1.1. MCU Interface Controller & CPU
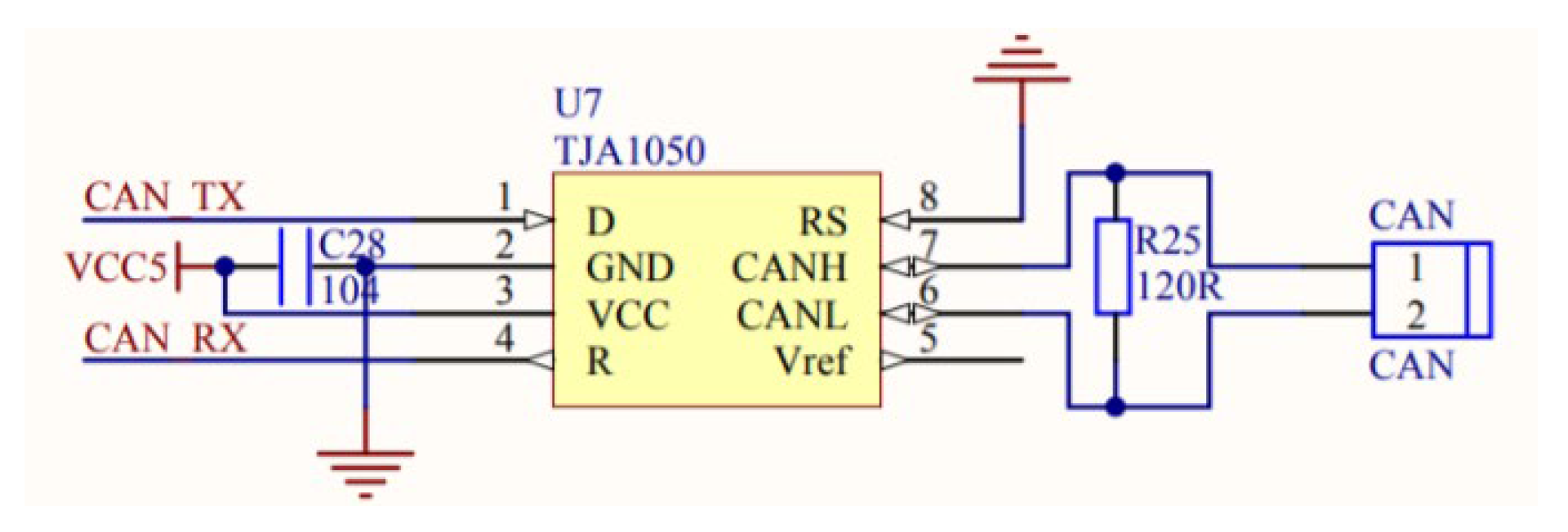
4.1.2. CAN Transceiver
4.1.3. Audio Storage Module
4.1.4. Audio Decoding and Speaker Module
4.2. Programming of Sound Simulation System Software
4.3. Construction of Test Platform for Accelerated Motion SenseSound Simulation System
4.3.1. CAN Signal Acquisition and Simulation of Real Vehicle
4.3.2. Connecting Hardware Modules
4.4. Validation of Motion Sensing Sound Targets
5. Conclusions
Author Contributions
Funding
Institutional Review Board Statement
Informed Consent Statement
Data Availability Statement
Conflicts of Interest
Abbreviations
| Abbreviations | Detailed |
| CAN | Controller Area Network |
| OBD | On-Board Diagnostic |
| GPIO | General-Purpose Input/Output Ports |
| SPI | Serial Peripheral Interface |
| DAC | Digital to analog converter |
| SD | Secure Digital Memory Card |
| SDIO | Secure Digital Input and Output |
| SPI/SDIO | Serial Peripheral Interface/Secure Digital Input and Output |
| MCU | Microcontroller Unit |
| CPU | Central Processing Unit/Processor |
| DMA | Direct Memory Access |
References
- Ou, L.Q. Research on the transformation and development of Chinese automobile industry from the perspective of low carbon economy. Strait Sci. 2010, 11, 44–60. [Google Scholar]
- Editorial Department of ‘China Journal of Highway’. Academic research review of china automotive engineering. China J. Highw. 2017, 30, 1–5. [Google Scholar]
- Amman, S.A.; Das, M. An efficient technique for modeling and synthesis of automotive engine sounds. IEEE Trans. Ind. Electron. 2002, 48, 225–234. [Google Scholar] [CrossRef]
- Genuit, K.; Bray, W.R. Prediction of sound and vibration in a virtual automobile. Sound Vib. 2002, 36, 12–19. [Google Scholar]
- Rensburg, T.V.; Wyk, M.V.; Potgieter, A.T.; Steeb, W.-H. Phase vocoder technology for the simulation of engine sound. Int. J. Mod. Phys. C 2006, 17, 721–731. [Google Scholar] [CrossRef]
- Heitbrink, D.A.; Cable, S. Design of a driving simulation sound engine. In Proceedings of the Driving Simulation Conference, North America 2007 (DSC-NA 2007), Iowa City, IA, USA, 12–14 September 2007. [Google Scholar]
- Kubo, N. Signal processing in sound designing of additive engine sound for electric vehicle and hybrid vehicle. In Proceedings of the INTER-NOISE and NOISE-CON Congress and Conference Proceedings, Osaka, Japan, 4–7 September 2011. [Google Scholar]
- Zhekova, I. Time-Frequency Analysis and Granular Sythesis of Diesel Engine Noise at Idle: Application for a Perceptive Study in the Context of the Auditory Scene Analysis; HAL CCSD: Lyon, France, 2007. [Google Scholar]
- Boussard, P.; Molla, S.; Orange, F. Comprehensive process for car engine sound design: From signal processing to an audio system integrated in the vehicle. In Proceedings of the INTER-NOISE and NOISE-CON Congress and Conference Proceedings, New York, NY, USA, 19–22 August 2012. [Google Scholar]
- Jagla, J.; Maillard, J.; Martin, N. Sample-based engine noise synthesis using an enhanced pitch-synchronous overlap-and-add method. J. Acoust. Soc. Am. 2012, 132, 3098–3108. [Google Scholar] [CrossRef]
- Gwak, D.Y.; Yoon, K.; Seong, Y. Application of subharmonics for active sound design of electric vehicles. J. Acoust. Soc. Am. 2014, 136, EL391–EL397. [Google Scholar] [CrossRef]
- Matthias, F.; Franz, Z.; Alois, S.; Stephan, B.; Christian, K. Comprehensive array measurements of in-car sound field in magnitude and phase for active sound generation and noise control. SAE Int. J. Passeng. Cars-Electron. Electr. Syst. 2014, 7, 596–602. [Google Scholar]
- Ahrens, D.; Fox, D.; Feng, D. Active methods for unrestricted sound design. Auto Tech Rev. 2014, 3, 44–47. [Google Scholar] [CrossRef]
- Welsh, D.; Gomez, A.; Pierce, J. Designing an interior and exterior acoustical brand identity for electric vehicles by means of sound synthesis. In Proceedings of the INTER-NOISE and NOISE-CON Congress and Conference Proceedings, Chicago, IL, USA, 26–29 August 2018. [Google Scholar]
- Wang, L.X.; He, J.X.; Huang, F.Z. Research and application of speech processing system in electric vehicle sound simulator. J. Jilin Univ. Archit. Eng. 2012, 30, 57–60. [Google Scholar]
- Hu, D.Y. Research on Automotive Active Sound Management System. Master’s Thesis, Jilin University, Changchun, China, 2017. [Google Scholar]
- Jia, Y.Q. Automotive Engine Sound Simulation System Design. Master’s Thesis, Suzhou University, Suzhou, China, 2018. [Google Scholar]
- Hang, L.Q. Research and Dynamic Realization of Vehicle Driving Simulation System. Master’s Thesis, Southwest Jiaotong University, Chengdu, China, 2018. [Google Scholar]
- Cao, Y.T. Research on Design and Evaluation Method of Electric Vehicle Active Vocalization System. Ph.D. Thesis, Jilin University, Changchun, China, 2019. [Google Scholar]
- Zhu, B.; Zhang, J. Real-time synthesis of engine sound effects based on continuous speed samples. Comput. Appl. Res. 2020, S2, 123–125. [Google Scholar]
- Cao, S.M. Research on the Design of Prompt Sound for Low-Speed Driving of Electric Vehicles at Urban Traffic Intersections. Master’s Thesis, South China University of Technology, Guangzhou, China, 2020. [Google Scholar]
- Pan, L.; Lin, L.; Gu, Y. Automotive active sound design based on particle algorithm. Shanghai Automot. 2019, 7, 27–30. [Google Scholar]
- Wang, W. Application of voice feature classification in active voice design of new energy vehicles. Shanghai Automot. 2020, 3, 6–9. [Google Scholar]
- Chen, Z.L. Application of motion-sensing exhaust sound synthesis technology in pure electric vehicles. Automot. Technol. 2020, 6, 13–16. [Google Scholar]
- Solomon, L.N. Semantic reactions to systematically varied sounds. J. Acoust. Soc. Am. 1959, 31, 986–990. [Google Scholar] [CrossRef]
- Sottek, R.; Krebber, W.; Stanley, G. Tools and Methods for Product Sound Design of Vehicles; SAE International: Troy, MI, USA, 2005. [Google Scholar]
- Lu, M.H.; Jen, M.U. Target setting for enhancing sound quality of a motorcycle by sound synthesis technique. Noise Control. Eng. J. 2016, 64, 44–55. [Google Scholar] [CrossRef]
- Takao, H.; Hashimoto, T.; Hatano, S. Quantification of subjective unpleasantness using roughness level. In Proceedings of the Noise & Vibration Conference & Exposition, Williamsburg, VA, USA, 2–5 May 1993. [Google Scholar]
- Biermayer, W.; Thomann, S.; Brandl, F. A software tool for noise quality and brand sound development. In Proceedings of the SAE Noise & Vibration Conference & Exposition, Traverse City, MI, USA, 30 April–3 May 2001. [Google Scholar]
- Ishii, Y.; Iwai, M.; Ito, K.; Yamashita, T. A support system for development of sporty sound and its application. In Proceedings of the SAE 2003 Noise & Vibration Conference and Exhibition, Traverse City, MI, USA, 5–8 May 2003. [Google Scholar]
- Noumura, K.; Yoshida, J. Perception modeling and quantification of sound quality in cabin. In Proceedings of the SAE 2003 Noise & Vibration Conference and Exhibition, Traverse City, MI, USA, 5–8 May 2003. [Google Scholar]
- Mao, D.X. Subjective Evaluation and Analysis Method of Car Interior Sound Quality; Tongji University: Shanghai, China, 2003. [Google Scholar]
- Yu, W.Z.; Mao, D.X.; Wang, Z.M.; Hong, Z.H. Subjective evaluation of car interior noise. Acoust. Technol. 2002, 4, 181–184. [Google Scholar]
- Jiao, F.L.; Liu, K. Sound quality research in the field of noise control brief introduction: Subjective evaluation. In Proceedings of the Kunming: National Conference on Environmental Acoustic Electromagnetic Radiation Environment, Kunming, China, 6–10 October 2003; pp. 11–14. [Google Scholar]
- Jiao, L.; Liu, K. Subjective evaluation of noise sound quality using multidimensional scaling analysis. Acoust. Tech. 2004, 23, 95–96. [Google Scholar]
- Mao, X.D.; Yu, Z.W.; Wang, M.Z. Data test and criterion for paired subjective evaluation of sound quality. J. Acoust. 2005, 30, 468–472. [Google Scholar]
- Mao, X.D.; Gao, L.Y.; Yu, Z.W.; Wang, M.Z. Comparative study on subjective evaluation of sound quality. J. Acoust. 2005, 30, 515–520. [Google Scholar]
- Jiao, L.F.; Liu, K.; Mao, X.D. New characteristics of data analysis in the subjective evaluation of noise sound quality. Acoust. Tech. 2005, 24, 107–108. [Google Scholar]
- Jiao, L.F. Subjective evaluation of crowd classification and interior noise quality. Acoust. Tech. 2006, 25, 568–572. [Google Scholar]
- Jiao, L.F.; Liu, K.; Mao, X.D. Subjective evaluation of noise sound quality based on non-metric multidimensional scaling analysis. J. Acoust. 2005, 6, 43–51. [Google Scholar]
- Shen, Z.Z.; Song, Y.Y. Analysis of related factors affecting vehicle sound quality audition experiment. Noise Vib. Control 2008, 28, 97–100. [Google Scholar]
- Pang, J.; Chen, G.; He, H. Automotive Noise and Vibration; Beijing Institute of Technology Press: Beijing, China, 2006. [Google Scholar]
- Chen, Y.Z. Development of Engine Excitation Analysis and Powertrain Torsional Vibration Simulation Software. Master’s Thesis, Jilin University, Changchun, China, 2006. [Google Scholar]
- Li, Y.; Wei, D.; Wang, Y.L. Emotional speech synthesis based on PSOLA and DCT. Comput. Eng. 2017, 43, 278–291. [Google Scholar]
- Lu, B. Research and Implementation of Embedded Speech Synthesis and Key Algorithms. Master’s Thesis, Xidian University, Xi’an, China, 2009. [Google Scholar]
- Zhang, X. Research and Implementation of Active Sound Wave System in Electric Vehicle. Master’s Thesis, Shijiazhuang Railway University, Shijiazhuang, China, 2021. [Google Scholar]
- Ohsasa, Y.; Kadomatsu, K. Sound quality evaluation of exhaust note during acceleration. In Proceedings of the SAE Noise & Vibration Conference and Exhibition, Honolulu, HI, USA, 23–27 July 1995. [Google Scholar]
- Norio, K. Sound marketing on engine sound design. In Proceedings of the INTER-NOISE and NOISE-CON Congress and Conference Proceedings, Hamburg, Germany, 21–24 August 2016; Volume 253, pp. 5872–5876. [Google Scholar]
- General Administration of Quality Supervision, Inspection and Quarantine. GB/T 18697-2002 Acoustics: Measurement Methods for Noise in Automobiles; China Standard Publishing House: Beijing, China, 2002. [Google Scholar]
- General Administration of Quality Supervision, Inspection and Quarantine. GB/T 1495-2002 Limits and Measurement Methods for Exterior Noise of Accelerating Vehicles; China Standard Publishing House: Beijing, China, 2002. [Google Scholar]
- Du, S.Z. Acoustic Quality Control and Optimization Study of Automotive Engine Intake System; Wuhan University of Technology: Wuhan, China, 2019; Volume 7. [Google Scholar]



























| Description Dimension | Related Semantics |
|---|---|
| Auditory characteristics | Thicker; a little roughness; low; full sound; clear; low-speed rumble; pure sound; intense sound; pitch undulation; pleasant |
| Driving Experience | Pleasant; kinetic; powerful; exciting; exhilarating; interesting; restless; urgent; strong driving sensation |
| Sample Number | Order Adjustment |
|---|---|
| YB 1 | |
| YB 2 | |
| YB 3 | |
| YB 4 | |
| YB 5 | |
| YB 6 |
| Hardware Types | Advantages | Disadvantages |
|---|---|---|
| MCU(8051) | Easy to program; Small volume; The cost is low | It cannot be used in high-performance applications |
| CPU(ARM7) | Performance is good; Efficient application; Programming easier | Power consumption is higher |
| DSP | Dedicated to handling floating point numbers | The processing mechanism is a sequential structure |
| FPGA | Reprogrammable circuit; High hardware flexibility | The high cost; Power consumption of the big |
Disclaimer/Publisher’s Note: The statements, opinions and data contained in all publications are solely those of the individual author(s) and contributor(s) and not of MDPI and/or the editor(s). MDPI and/or the editor(s) disclaim responsibility for any injury to people or property resulting from any ideas, methods, instructions or products referred to in the content. |
© 2022 by the authors. Licensee MDPI, Basel, Switzerland. This article is an open access article distributed under the terms and conditions of the Creative Commons Attribution (CC BY) license (https://creativecommons.org/licenses/by/4.0/).
Share and Cite
Fu, J.; Zhu, C.; Su, J. Research on the Design Method of Pure Electric Vehicle Acceleration Motion Sense Sound Simulation System. Appl. Sci. 2023, 13, 147. https://doi.org/10.3390/app13010147
Fu J, Zhu C, Su J. Research on the Design Method of Pure Electric Vehicle Acceleration Motion Sense Sound Simulation System. Applied Sciences. 2023; 13(1):147. https://doi.org/10.3390/app13010147
Chicago/Turabian StyleFu, Jianghua, Chunrong Zhu, and Jintao Su. 2023. "Research on the Design Method of Pure Electric Vehicle Acceleration Motion Sense Sound Simulation System" Applied Sciences 13, no. 1: 147. https://doi.org/10.3390/app13010147
APA StyleFu, J., Zhu, C., & Su, J. (2023). Research on the Design Method of Pure Electric Vehicle Acceleration Motion Sense Sound Simulation System. Applied Sciences, 13(1), 147. https://doi.org/10.3390/app13010147

