DC Cabling of Large-Scale Photovoltaic Power Plants
Abstract
:1. Introduction
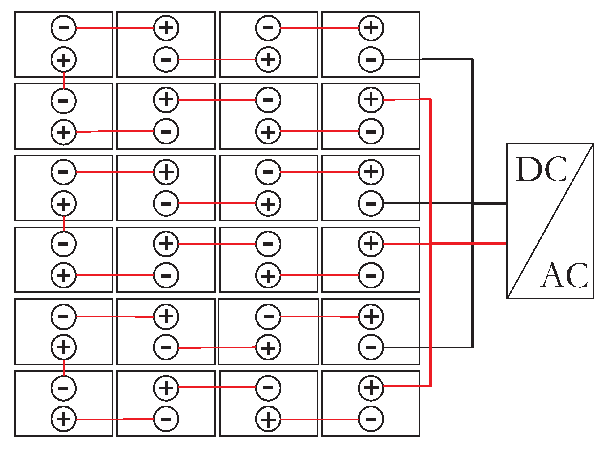
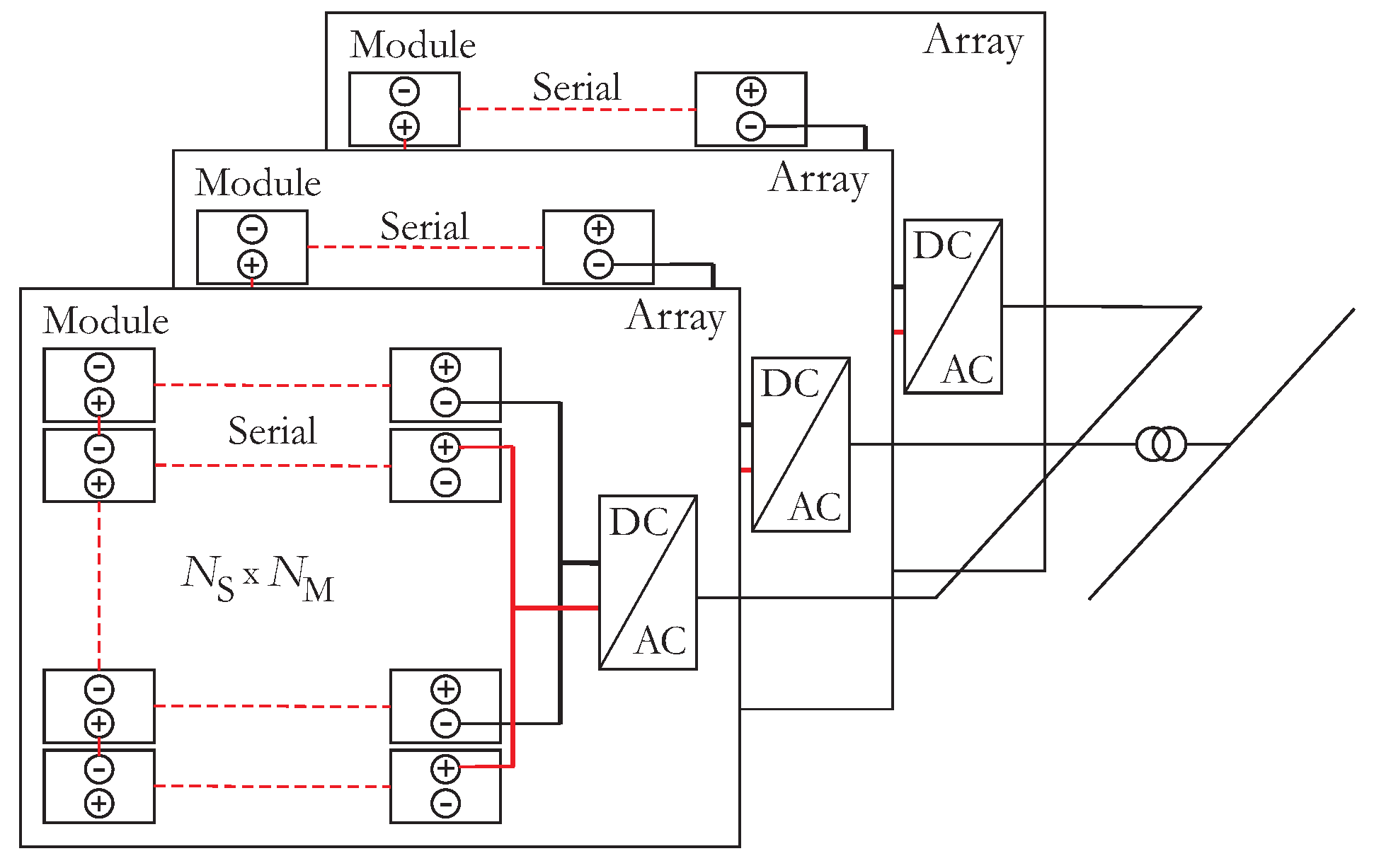
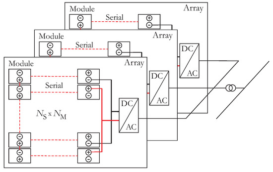
2. Serial-Parallel Topology (SP)
3. Array Cabling on the DC Side
3.1. DC Cabling
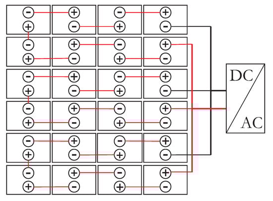
3.1.1. Configuration with Two Types of Cables
3.1.2. Configuration with One Type of Cable
3.1.3. Array Geometry
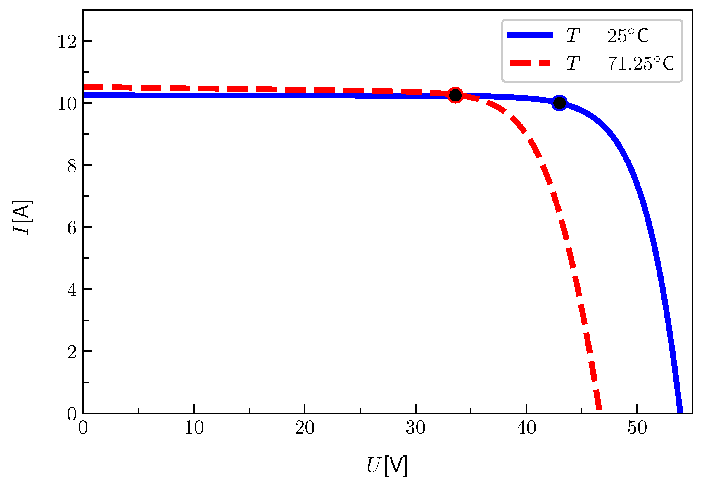
4. Impact of Temperature on Cable Losses
5. Testing of the Model/Case Study
6. Conclusions
Author Contributions
Funding
Institutional Review Board Statement
Informed Consent Statement
Data Availability Statement
Acknowledgments
Conflicts of Interest
References
- Pašalić, S.; Akšamović, A.; Avdaković, S. Floating photovoltaic plants on artificial accumulations—Example of Jablanica Lake. In Proceedings of the 2018 IEEE International Energy Conference (ENERGYCON), Limassol, Cyprus, 3–7 June 2018; pp. 1–6. [Google Scholar] [CrossRef]
- Nuñez-Jimenez, A.; Bkayrat, R. Utility scale 1500 VDC PV power plant architecture evolution: Advantages and challenges. In Proceedings of the Integration of Renewable Energy into High and Medium Voltage Systems Conference & Exhibition, Amman, Jordan, 15–16 September 2015. [Google Scholar]
- Cabrera-Tobar, A.; Bullich-Massagué, E.; Aragüés-Peñalba, M.; Gomis-Bellmunt, O. Topologies for large scale photovoltaic power plants. Renew. Sustain. Energy Rev. 2016, 59, 309–319. [Google Scholar] [CrossRef] [Green Version]
- Blueplanet 87.0—150 TL3 Transformerless, Three-Phase String Inverters. Available online: https://bit.ly/KacoNewEnergy (accessed on 20 December 2021).
- Decentralized Inverter Technology in Large-Scale PV Plants. Available online: https://bit.ly/SMAinverter (accessed on 20 December 2021).
- Shah, R.; Mithulananthan, N.; Bansal, R.; Ramachandaramurthy, V. A review of key power system stability challenges for large-scale PV integration. Renew. Sustain. Energy Rev. 2015, 41, 1423–1436. [Google Scholar] [CrossRef]
- Stoyanov, I.S.; Iliev, T.B.; Mihaylov, G.Y.; Evstatiev, B.I. Modelling of power inverters used in PV systems. In Proceedings of the 2017 IEEE 23rd International Symposium for Design and Technology in Electronic Packaging (SIITME), Constanta, Romania, 26–29 October 2017; IEEE: Piscataway, NJ, USA, 2017. [Google Scholar] [CrossRef]
- IEC MSB. Grid Integration of Large-Capacity Renewable Energy Sources and Use of Large-Capacity Electrical Energy Storage; IEC MSB: Geneva, Switzerland, 2012; pp. 1–102. [Google Scholar]
- Pachauri, R.K.; Mahela, O.P.; Sharma, A.; Bai, J.; Chauhan, Y.K.; Khan, B.; Alhelou, H.H. Impact of Partial Shading on Various PV Array Configurations and Different Modeling Approaches: A Comprehensive Review. IEEE Access 2020, 8, 181375–181403. [Google Scholar] [CrossRef]
- Khan, F.U.; Murtaza, A.F.; Sher, H.A.; Al-Haddad, K.; Mustafa, F. Cabling Constraints in PV Array Architecture: Design, Mathematical Model and Cost Analysis. IEEE Access 2020, 8, 182742–182754. [Google Scholar] [CrossRef]
- Wiles, J. Photovoltaic Power Systems and the National Electrical Code: Suggested Practices; Sandia National Labs.: Livermore, CA, USA, 2001. [Google Scholar] [CrossRef] [Green Version]
- Technical Application Papers No. 10 Photovoltaic Plants. Available online: https://bit.ly/ABBTechnicalApplication (accessed on 20 December 2021).
- Malamaki, K.N.D.; Demoulias, C.S. Minimization of Electrical Losses in Two-Axis Tracking PV Systems. IEEE Trans. Power Deliv. 2013, 28, 2445–2455. [Google Scholar] [CrossRef]
- Malamaki, K.N.D.; Demoulias, C.S. Analytical Calculation of the Electrical Energy Losses on Fixed-Mounted PV Plants. IEEE Trans. Sustain. Energy 2014, 5, 1080–1089. [Google Scholar] [CrossRef]
- Ziar, H.; Farhangi, S.; Asaei, B. Modification to Wiring and Protection Standards of Photovoltaic Systems. IEEE J. Photovoltaics 2014, 4, 1603–1609. [Google Scholar] [CrossRef]
- Gan, C.K.; Lee, Y.M.; Pudjianto, D.; Strbac, G. Role of losses in design of DC cable for solar PV applications. In Proceedings of the 2014 Australasian Universities Power Engineering Conference (AUPEC), Perth, WA, Australia, 28 September–1 October 2014; pp. 1–5. [Google Scholar] [CrossRef]
- Şenol, M.; Abbasoğlu, S.; Kükrer, O.; Babatunde, A. A guide in installing large-scale PV power plant for self consumption mechanism. Sol. Energy 2016, 132, 518–537. [Google Scholar] [CrossRef]
- El-Hafez, O.J.; ElMekkawy, T.Y.; Kharbeche, M.B.M.; Massoud, A.M. Economic Energy Allocation of Conventional and Large-Scale PV Power Plants. Appl. Sci. 2022, 12, 1362. [Google Scholar] [CrossRef]
- Stoyanov, I.; Ivanov, V.; Iliev, T.; Ivanov, H. Yield and Performance Study of a 1MWp Grid Connected Photovoltaic System in Bulgaria. J. Eng. Sci. Technol. Rev. 2019, 206–209. [Google Scholar]
- Bullich-Massagué, E.; Cifuentes-García, F.J.; Glenny-Crende, I.; Cheah-Mañé, M.; Aragüés-Peñalba, M.; Díaz-González, F.; Gomis-Bellmunt, O. A review of energy storage technologies for large scale photovoltaic power plants. Appl. Energy 2020, 274, 115213. [Google Scholar] [CrossRef]
- Kornelakis, A.; Koutroulis, E. Methodology for the design optimisation and the economic analysis of grid-connected photovoltaic systems. Renew. Power Gener. IET 2010, 3, 476–492. [Google Scholar] [CrossRef]
- Faranda, R.; Hafezi, H.; Leva, S.; Mussetta, M.; Ogliari, E. The optimum PV plant for a given solar DC/AC converter. Energies 2015, 8, 4853–4870. [Google Scholar] [CrossRef]
- Alsadi, S.; Khatib, T. Photovoltaic Power Systems Optimization Research Status: A Review of Criteria, Constrains, Models, Techniques, and Software Tools. Appl. Sci. 2018, 8, 1761. [Google Scholar] [CrossRef] [Green Version]
- Acharya, M.; Devraj, S. Floating Solar Photovoltaic (FSPV): A Third Pillar to Solar PV Sector; The Energy and Resources Institute: Mithapur, India, 2019; Available online: https://bit.ly/AcharyaEnergy2019 (accessed on 3 May 2020).
- EIC Diodes in Solar Photovoltaic (PV) Systems. Available online: https://bit.ly/EICdiodes (accessed on 20 December 2021).
- How to Choose a Bypass Diode for a Silicon Panel Junction Box. Available online: https://bit.ly/DiodeSTM (accessed on 20 December 2021).
- Cables and Cable Systems for Photovoltaic Installations. Available online: https://bit.ly/Helukabel (accessed on 20 December 2021).
- Solar Connectors and Cable Assemblies. Available online: https://bit.ly/AmphenolConnectors (accessed on 20 December 2021).
- DC Cabling Ready for 1500 V DC. Available online: https://bit.ly/JurchenTechnology (accessed on 20 December 2021).
- Solar String Combiner for PV Application. Available online: https://bit.ly/ABBSolarString (accessed on 20 December 2021).
- Singh, P.; Ravindra, N. Temperature dependence of solar cell performance—An analysis. Sol. Energy Mater. Sol. Cells 2012, 101, 36–45. [Google Scholar] [CrossRef]
- Radziemska, E.; Klugmann, E. Thermally affected parameters of the current–voltage characteristics of silicon photocell. Energy Convers. Manag. 2002, 43, 1889–1900. [Google Scholar] [CrossRef]
- Chander, S.; Purohit, A.; Sharma, A.; Arvind; Nehra, S.; Dhaka, M. A study on photovoltaic parameters of mono-crystalline silicon solar cell with cell temperature. Energy Rep. 2015, 1, 104–109. [Google Scholar] [CrossRef] [Green Version]
- Skoplaki, E.; Palyvos, J. On the temperature dependence of photovoltaic module electrical performance: A review of efficiency/power correlations. Sol. Energy 2009, 83, 614–624. [Google Scholar] [CrossRef]
- Sera, D.; Teodorescu, R.; Rodriguez, P. PV panel model based on datasheet values. In Proceedings of the 2007 IEEE International Symposium on Industrial Electronics, Vigo, Spain, 4–7 June 2007; pp. 2392–2396. [Google Scholar] [CrossRef]
- King, D.; Kratochvil, J.; Boyson, W. Temperature coefficients for PV modules and arrays: Measurement methods, difficulties, and results. In Proceedings of the Conference Record of the Twenty Sixth IEEE Photovoltaic Specialists Conference—1997, Anaheim, CA, USA, 29 September–3 October 1997; pp. 1183–1186. [Google Scholar] [CrossRef] [Green Version]
- King, D.; Kratochvil, J.; Boyson, W. Photovoltaic Array Performance Model; Sandia National Laboratories (SNL): Albuquerque, NM, USA; Livermore, CA, USA, 2004. [Google Scholar] [CrossRef] [Green Version]
- King, D.L. Photovoltaic module and array performance characterization methods for all system operating conditions. AIP Conf. Proc. 1997, 394, 347–368. [Google Scholar] [CrossRef]
- Solar Cables 1.5 kV DC. Available online: https://www.cablegrid.com.au/solar-cables-1-5kv-dc/ (accessed on 21 April 2022).
- Half Cell 440w Black Mono Solar Panel. Available online: https://bit.ly/DAHSolar (accessed on 20 December 2021).








| Inverter Parameters | Label |
|---|---|
| Power | |
| Maximum DC input voltage | |
| Minimum operating voltage | |
| Maximum operating voltage | |
| Maximum input current | |
| Solar Module Parameters | Label |
| Maximum power | |
| Maximum power voltage due to MPP | |
| Maximum power current due to MPP | |
| Open-circuit voltage | |
| Short-circuit current | |
| Maximum system voltage | |
| Current temperature coefficient | |
| Voltage temperature coefficient | |
| Power temperature coefficient | |
| Nominal operating cell temperature | NOCT |
| Dimensions |
| [C] | [C] | [V] | [A] | |
|---|---|---|---|---|
| 21.25 | 46.35 | 9.62 | 1.789966 | |
| 0 | 31.25 | 44.26 | 9.70 | 1.770358 |
| 10 | 41.25 | 42.22 | 9.78 | 1.751579 |
| 20 | 51.25 | 40.22 | 9.86 | 1.733567 |
| 30 | 61.25 | 38.26 | 9.95 | 1.716263 |
| 40 | 71.25 | 36.34 | 10.03 | 1.699619 |
| 50 | 81.25 | 34.45 | 10.12 | 1.683589 |
| [C] | P [W] | ||||||
|---|---|---|---|---|---|---|---|
| [A] | [V] | [A] | [V] | 1 | 2 | 3 | |
| −10 | 9.62 | 46.34 | 9.63 | 46.05 | 443.6 | 446.1 | 445.7 |
| 0 | 9.70 | 44.26 | 9.68 | 44.73 | 433.0 | 429.8 | 429.5 |
| 10 | 9.78 | 42.22 | 9.73 | 43.41 | 422.3 | 413.5 | 413.2 |
| 20 | 9.87 | 40.22 | 9.78 | 42.09 | 411.5 | 397.3 | 397.0 |
| 30 | 9.95 | 38.26 | 9.82 | 40.77 | 400.6 | 381.0 | 380.7 |
| 40 | 10.03 | 36.34 | 9.87 | 39.45 | 389.5 | 364.7 | 364.4 |
| 50 | 10.11 | 34.45 | 9.92 | 38.13 | 378.3 | 348.4 | 348.2 |
| Copper | Aluminum | ||||||
|---|---|---|---|---|---|---|---|
[mm] | [/km] | [A] | Linear Density Mass [kg/km] | [mm] | [/km] | [A] | Linear Density Mass [kg/km] |
| 2.5 | 7.98 | 41 | 24 | − | − | − | − |
| 4 | 4.95 | 55 | 38.4 | − | − | − | − |
| 6 | 3.30 | 70 | 57.6 | − | − | − | − |
| 10 | 1.91 | 98 | 96 | − | − | − | − |
| 16 | 1.21 | 132 | 153.6 | − | − | − | − |
| 25 | 0.78 | 176 | 240 | − | − | − | − |
| 35 | 0.554 | 218 | 336 | 95 | 0.32 | 216 | 430 |
| 50 | 0.386 | 276 | 480 | 120 | 0.253 | 253 | 510 |
| 70 | 0.272 | 347 | 672 | 185 | 0.164 | 340 | 760 |
| 95 | 0.206 | 416 | 912 | 240 | 0.125 | 408 | 960 |
| 120 | 0.161 | 488 | 1152 | 300 | 0.1 | 473 | 1160 |
| HCM78 × 9–440 W Solar Module Parameters | Inverter Parameters | ||
|---|---|---|---|
| 440 | 16,000 W | ||
| 320 | |||
| 800 | |||
| Efficiency | |||
| 750 , AC | |||
| %/ | 1000 | ||
| %/ | |||
| %/ | |||
| NOCT | 45 | ||
| Length, L | |||
| Width, W | |||
| Plant power, P | 3 MW | ||
| Location parameters | |||
| Geographic latitude | 43 | ||
| Temperature | 35 | ||
| Insolation, G | 1000 W/m2 | ||
| Orientation and distance of the solar modules | |||
| Solar module slope angle, | 22 | ||
| Distance between solar modules, | |||
| Distance between modules | 1 | ||
| Geometry of Array | Geometry of System | ||
|---|---|---|---|
| Array width, b | System width | ||
| Array length, a | System length | ||
| Array surface, A | 2 | System surface | 29,942 m |
| System component data | |||
| Number of inverters | 189 | Number of arrays | 189 |
| Number of solar modules | 6804 | Number of solar modules in the array | 36 |
| Number of connectors | 7938 | Number of solar modules in the string | 12 |
| Number of blocking diodes | 567 | Number of strings in the array | 3 |
| Cables | Length | Cross-section | Mass |
| Type 1 | 20,010.62 m | 4 | |
| Type 2 | 0 | ||
| Power losses on DC cabling | |||
| P [kW] | Two Types of Cables | One Type of Cable | |||||
|---|---|---|---|---|---|---|---|
| S, 4 mm | S | S, 4 mm | |||||
| d [m] | M [kg] | s [mm] | d [m] | M [kg] | d [m] | M [kg] | |
| 5.3 | 18,349 | 704 | − | − | − | 18,349 | 704 |
| 10.6 | 19,367 | 743 | − | − | − | 19,367 | 743 |
| 15.9 | 20,010 | 768 | − | − | − | 20,010 | 768 |
| 21.2 | 19,367 | 743 | 16 | 1018 | 156 | 20,385 | 782 |
| 26.5 | 18,859 | 724 | 25 | 1620 | 388 | 20,480 | 786 |
| 31.8 | 18,556 | 712 | 25 | 2021 | 485 | 20,578 | 790 |
| 37.1 | 18,462 | 708 | 35 | 2322 | 780 | 20,784 | 798 |
| 42.4 | 18,349 | 704 | 50 | 2545 | 1221 | 20,894 | 802 |
| 47.7 | 18,203 | 699 | 50 | 2709 | 1300 | 20,913 | 803 |
| 53 | 17,890 | 686 | 50 | 2810 | 1348 | 20,700 | 794 |
| 58.3 | 17,848 | 685 | 70 | 2925 | 1965 | 20,773 | 797 |
| 63.6 | 17,883 | 686 | 70 | 3032 | 2037 | 20,915 | 803 |
| 68.9 | 17,673 | 678 | 95 | 3082 | 2811 | 20,755 | 797 |
| 74.2 | 17,660 | 678 | 95 | 3154 | 2876 | 20,815 | 799 |
| 79.5 | 17,465 | 670 | 95 | 3183 | 2903 | 20,648 | 792 |
| 84.8 | 17,588 | 675 | 120 | 3261 | 3757 | 20,850 | 800 |
| 90.1 | 17,590 | 675 | 120 | 3312 | 3815 | 20,902 | 802 |
Publisher’s Note: MDPI stays neutral with regard to jurisdictional claims in published maps and institutional affiliations. |
© 2022 by the authors. Licensee MDPI, Basel, Switzerland. This article is an open access article distributed under the terms and conditions of the Creative Commons Attribution (CC BY) license (https://creativecommons.org/licenses/by/4.0/).
Share and Cite
Akšamović, A.; Konjicija, S.; Odžak, S.; Pašalić, S.; Grebović, S. DC Cabling of Large-Scale Photovoltaic Power Plants. Appl. Sci. 2022, 12, 4500. https://doi.org/10.3390/app12094500
Akšamović A, Konjicija S, Odžak S, Pašalić S, Grebović S. DC Cabling of Large-Scale Photovoltaic Power Plants. Applied Sciences. 2022; 12(9):4500. https://doi.org/10.3390/app12094500
Chicago/Turabian StyleAkšamović, Abdulah, Samim Konjicija, Senad Odžak, Sedin Pašalić, and Selma Grebović. 2022. "DC Cabling of Large-Scale Photovoltaic Power Plants" Applied Sciences 12, no. 9: 4500. https://doi.org/10.3390/app12094500
APA StyleAkšamović, A., Konjicija, S., Odžak, S., Pašalić, S., & Grebović, S. (2022). DC Cabling of Large-Scale Photovoltaic Power Plants. Applied Sciences, 12(9), 4500. https://doi.org/10.3390/app12094500
