1D and Map-Based Modeling Approaches for Railway Compression Ignition Engine in NRTC Application
Abstract
:1. Introduction
2. Materials and Methods
2.1. Emission Test Cycle
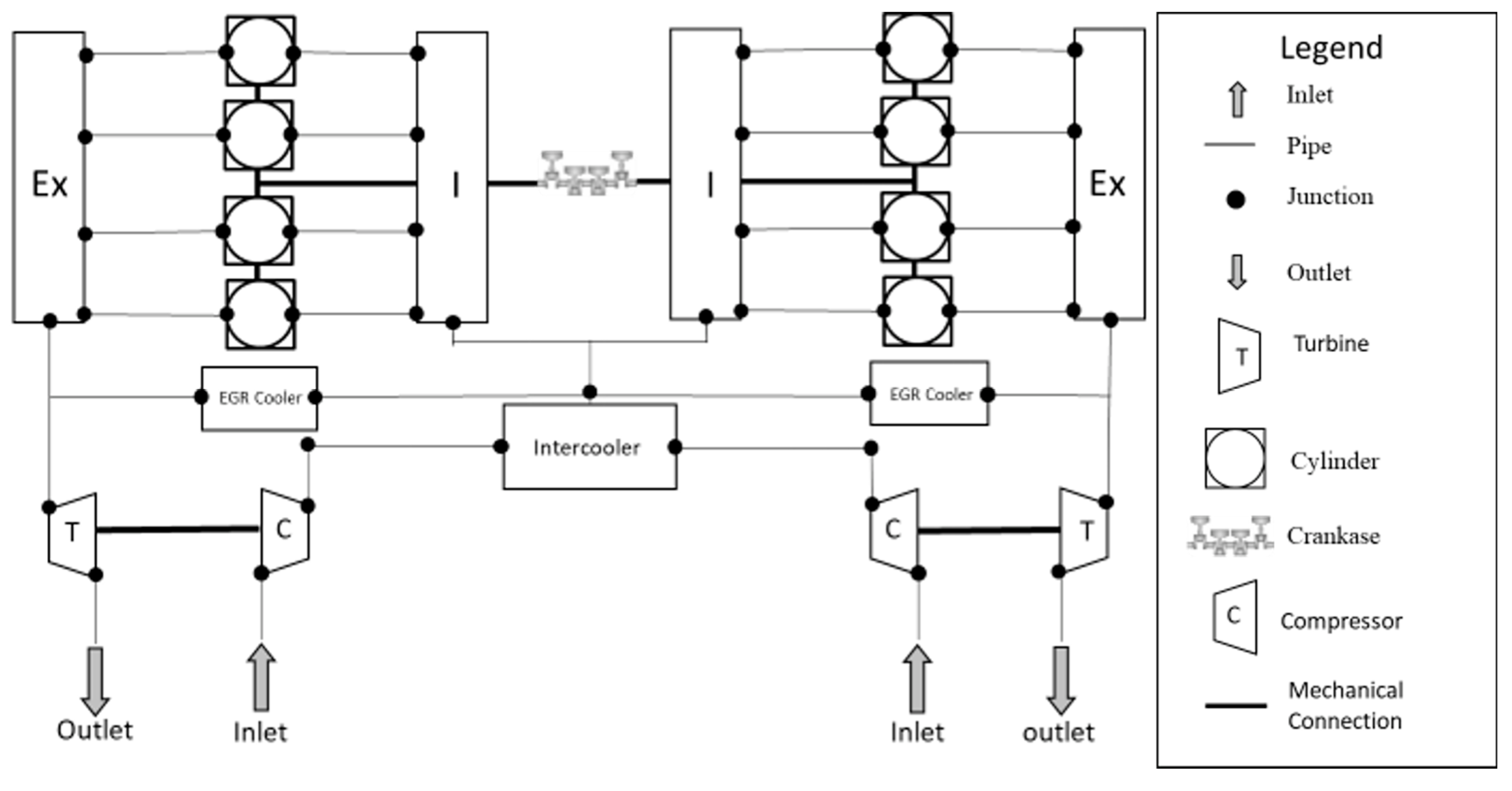
2.2. Engine Characteristics and Modeling
3. Results and Discussion
3.1. Simplified 1D Model Calibration Results and Accuracy Check
3.2. Predictive Analysis
3.3. Computational Comparison: Real-Time Factor
4. Conclusions
- -
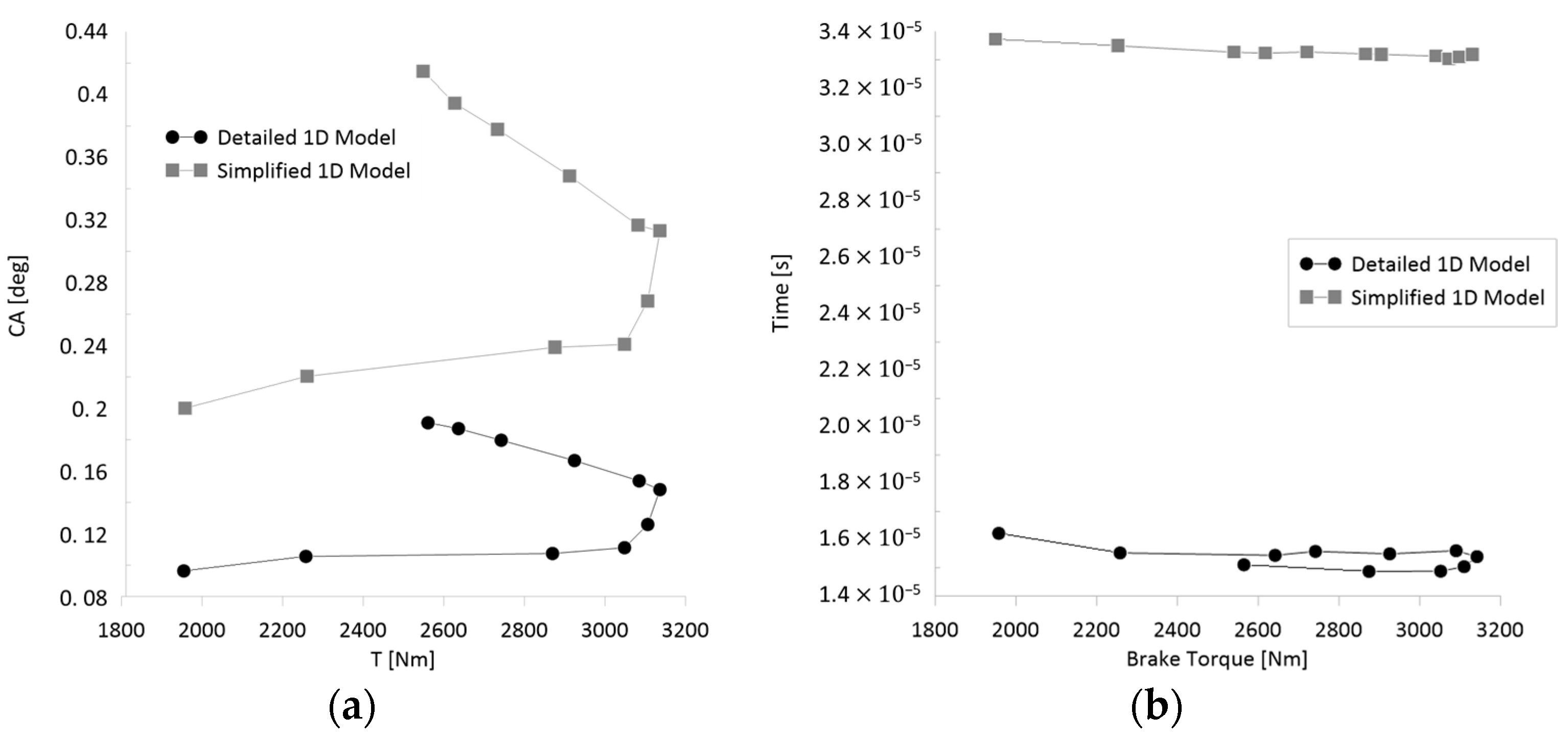
 - To estimate the accuracy of the engine models running NRTC, the instantaneous errors and the average errors compared with the NRTC target BMEP were assessed. For all of the considered models, the average errors over the transient cycle are within 6%.
 - -
 - The simplified 1D model, after the calibration procedure, loses some details due to the lumped volumes. Nevertheless, it maintains a good accuracy compared to the more detailed model. In particular, in terms of fuel consumption, the error is within 1%. The simplified 1D model is less computational-time expensive than the detailed one, due to its lower RT ≈ 50.
 - -
 - A qualitative analysis of the NOx emission was carried out. The simplest approach, with no chemical kinetic equations implemented into it, achieved a good result in cumulative NOx prediction compared to the more complex models; the simulation results show a difference among the models, ranging in the interval 0–10%.
 - -
 - In terms of the cumulative fuel consumption prediction, the map-based model shows comparable results with the other models listed, with a maximum difference of about 3% with the high fidelity 1D model.
 - -
 - By comparing the three models in terms of computational speed, the map-based model is 250 times and 50 times faster compared to the detailed and Simplified 1D model, respectively.
 
Author Contributions
Funding
Acknowledgments
Conflicts of Interest
Nomenclature
| ABDC | After bottom dead center | 
| ATDC | After top dead center | 
| BBDC | Before bottom dead Center | 
| BMEP | Brake-mean effective pressure | 
| bsNOx | Brake-specific nitrogen oxides | 
| BTDC | Before top dead center | 
| CAD | Crank Angle Degree | 
| CFD | Computational fluid dynamics | 
| CI | Compression Ignition | 
| CO2 | Carbon dioxide | 
| DMUs | Diesel Multiple Units | 
| EEA | European Environmental Agency | 
| EU | European Union | 
| EVC | Exhaust Valve Closure | 
| EVO | Exhaust Valve Opening | 
| HD | Heavy duty | 
| HiL | Hardware in the loop | 
| IVC | Inlet valve closure | 
| IVO | Inlet valve opening | 
| NRMM | Non-Road Mobile Machinery | 
| NRSC | Non-Road Steady Cycle | 
| NRTC | Non-Road Transient Cycle | 
| NOx | Nitric oxides | 
| OEMs | Original equipment manufactures | 
| PM | Particulate matter | 
| RT | Real Time | 
References
- EU-Index: Deutschland bei Elektrifizierung der Bahn nur Mittelmaß; Allianz pro Schiene: Berlin, Germany, 2012. Available online: https://www.allianz-pro-schiene.de/presse/pressemitteilungen/2012-019-elektromobilitaet-deutschland-bei-bahn-elektrifizierung-mittelmass/ (accessed on 28 January 2022).
 - Report: ‘Energy Savings with Hybrid Locomotives on TEN-T Corridors’; Berlin University of Technology: Berlin, Germany, 2015.
 - Electrified Rail Network in Europe, by Country. Available online: https://www.statista.com/statistics/451522/share-of-the-rail-network-which-is-electrified-in-europe/ (accessed on 28 January 2022).
 - Mobility and Transport. Available online: https://transport.ec.europa.eu/index_en (accessed on 28 January 2022).
 - Dittus, H.; Hülsebusch, D.; Ungethüm, J. Reducing DMU fuel consumption by means of hybrid energy storage. Eur. Transp. Res. Rev. 2011, 3, 149–159. [Google Scholar] [CrossRef] [Green Version]
 - Norris, J.; Ntziachristos, L.; Samaras, Z.; Zieroch, K.-H. Air Pollutant Emission Inventory Guidebook: Railways; European Environment Agency (EEA): København, Denmark, 2016. [Google Scholar]
 - Beatrice, C.; Denbratt, I.; Di Blasio, G.; Di Luca, G.; Ianniello, R.; Saccullo, M. Experimental assessment on exploiting low carbon ethanol fuel in a light-duty dual-fuel compression ignition engine. Appl. Sci. 2020, 10, 7182. [Google Scholar] [CrossRef]
 - Dalmann, T.; Menon, A. Technology Pathways for Diesel Used in Non-Road Vehicles; Internation Council on Clean Transportation: San Francisco, CA, USA, 2016. [Google Scholar]
 - Arora, N.K.; Mishra, I. COP26: More challenges than achievements. Environ. Sustain. 2021, 4, 585–588. [Google Scholar] [CrossRef]
 - Emission Standards: Europe: Nonroad Engines. Available online: https://dieselnet.com/standards/eu/nonroad.php (accessed on 28 January 2022).
 - Gao, Z.; Conklin, J.C.; Daw, C.S.; Chakravarthy, V.K. A proposed methodology for estimating transient engine-out temperature and emissions from steady-state maps. Int. J. Engine Res. 2010, 11, 137–151. [Google Scholar] [CrossRef]
 - Brooks, R.J.; Tobias, A.M. Choosing the best model: Level of detail, complexity, and model performance. Math. Comput. Model. 1996, 24, 1–14. [Google Scholar] [CrossRef]
 - Numerical Simulation for Vehicle Powertrain Development|IntechOpen. Available online: https://www.intechopen.com/chapters/19452 (accessed on 23 February 2022).
 - Cieslar, D.; Darlington, A.; Glover, K.; Collings, N. Model based control for closed loop testing of 1-D engine simulation models. IFAC Proc. Vol. 2012, 45, 482–489. [Google Scholar] [CrossRef]
 - Gimelli, A.; Muccillo, M. Performance assessment of a 15 kW Micro-CHCP plant through the 0D/1D thermo-fluid dynamic characterization of a double water circuit waste heat recovery system. Energy 2019, 181, 803–814. [Google Scholar] [CrossRef]
 - Gimelli, A.; Muccillo, M.; Pennacchia, O. Study of a new mechanical variable valve actuation system: Part I—Valve train design and friction modeling. Int. J. Engine Res. 2015, 16, 750–761. [Google Scholar] [CrossRef]
 - Gimelli, A.; Muccillo, M.; Pennacchia, O. Study of a new mechanical variable valve actuation system: Part II—Estimation of the actual fuel consumption improvement through one-dimensional fluid dynamic analysis and valve train friction estimation. Int. J. Engine Res. 2015, 16, 762–772. [Google Scholar] [CrossRef]
 - Ammendola, F.; Giardiello, G.; Gimelli, A.; Muccillo, M.; Riccio, D.; Tufano, F.; Zeppa, G. Early stage calibration of a formula SAE engine 1-D fluid dynamic model with limited experimental data. E3S Web Conf. 2020, 197, 06014. [Google Scholar] [CrossRef]
 - One-Dimensional Simulation (1D-CFD-Simulation)|SpringerLink. Available online: https://link.springer.com/chapter/10.1007/978-3-8348-8131-1_5 (accessed on 23 February 2022).
 - A Hardware-in-the-Loop (HIL) Bench Test of a GT-Power Fast Running Model for Rapid Control Prototyping (RCP) Verification. Available online: https://www.sae.org/publications/technical-papers/content/2016-01-0549/ (accessed on 23 February 2022).
 - Wurzenberger, J.C.; Heinzle, R.; Deregnaucourt, M.-V.; Katrasnik, T. A Comprehensive Study on Different System Level Engine Simulation Models; SAE International: Warrendale, PA, USA, 2013. [Google Scholar] [CrossRef]
 - Beatrice, C.; Capasso, C.; Costa, M.; Di Blasio, G.; Di Luca, G.; Iantorno, F.; Martoriello, G. Model based optimal management of a hybrid propulsion system for leisure boats. J. Energy Storage 2022, 46, 103896. [Google Scholar] [CrossRef]
 - Costa, M.; Martoriello, G.; Tuccillo, R. Modelling of an innovative and autonomous micro-grid based on a biomass—Solar PV hybrid power system. E3S Web Conf. 2021, 238, 02003. [Google Scholar] [CrossRef]
 - ISO 8178-4:2020; Reciprocating Internal Combustion Engines—Exhaust Emission Measurement—Part 4: Steady-State and Transient Test Cycles for Different Engine Applications. ISO: London, UK, 2020. Available online: https://www.iso.org/cms/render/live/en/sites/isoorg/contents/data/standard/07/91/79199.html (accessed on 23 February 2022).
 - VECTOR SERIES Use and Maintance. Available online: http://www.iveco.su/manuals/UseMaintanceManual-VECTORseries--L31900015E-Apr06.pdf (accessed on 23 February 2022).
 - Konstandopoulos, A.G.; Kostoglou, M.; Beatrice, C.; Di Blasio, G.; Imren, A.; Denbratt, I. Impact of combination of EGR, SCR, and DPF technologies for the low-emission rail diesel engines. Emiss. Control Sci. Technol. 2015, 1, 213–225. [Google Scholar] [CrossRef] [Green Version]
 - A New Approach to Integrating Engine Performance and Component Design Analysis Through Simulation. Available online: https://www.sae.org/publications/technical-papers/content/880131/ (accessed on 23 February 2022).
 - Gamma Technologies, Application Manuals; Gamma Technologies: Westmont, CA, USA, 2016.
 - Chalet, D.; Yassine, M.; Migaud, J. New 0D/1D physical approach for modelling the gas dynamics behavior inside the intake system of an engine. J. Therm. Sci. 2018, 27, 394–403. [Google Scholar] [CrossRef]
 - Nikzadfar, K.; Shamekhi, A.H. An extended mean value model (EMVM) for control-oriented modeling of diesel engines transient performance and emissions. Fuel 2015, 154, 275–292. [Google Scholar] [CrossRef]
 - Yin, J.; Su, T.; Guan, Z.; Chu, Q.; Meng, C.; Jia, L.; Wang, J.; Zhang, Y. Modeling and validation of a diesel engine with turbocharger for hardware-in-the-loop applications. Energies 2017, 10, 685. [Google Scholar] [CrossRef] [Green Version]
 - Constructing Engine Maps for Full Vehicle Simulation Modeling. Available online: https://www.sae.org/publications/technical-papers/content/2018-01-1412/ (accessed on 23 February 2022).
 - Nishio, Y.; Murata, Y.; Yamaya, Y.; Kikuchi, M. Optimal calibration scheme for map-based control of diesel engines. Sci. China Inf. Sci. 2018, 61, 70205. [Google Scholar] [CrossRef] [Green Version]
 











| Rated Speed | Intermediate Speed | Idle | ||||||
|---|---|---|---|---|---|---|---|---|
| Torque | 100 | 75 | 50 | 10 | 100 | 75 | 50 | 0 | 
| Weight | 0.15 | 0.15 | 0.15 | 0.10 | 0.10 | 0.10 | 0.10 | 0.15 | 
| Stage | Date | Emissions (g/kWh) | ||||
|---|---|---|---|---|---|---|
| CO | HC | NOx | PM | PN | ||
| IIIB | 01.2011 | 3.50 | 0.19 | 2.0 | 0.025 | - | 
| IV | 01.2014 | 3.50 | 0.19 | 2.0 | 0.025 | - | 
| V | 2021 | 3.50 | 0.19 | 2.0 | 0.015 | 1 × 1012 | 
| Engine Code | V08 ENT | 
| Power | 560 kW at 2100 rpm | 
| Torque | 3200 Nm at 1400 rpm | 
| Idle speed | 700 rpm | 
| No. of cylinder and arrangement | 8—V90 | 
| Valves | 4 per cylinder | 
| Air system | Supercharged and aftercooled | 
| Firing order | 1-3-7-2-6-5-4-8 | 
| Bore | 145 mm | 
| Stroke | 152 mm | 
| Compression Ratio | 17.4:1 | 
| IVO/EVC | 27.5° BTDC/53.5° ABDC | 
| EVO/EVC | 60° BBDC/22.5° ATDC | 
| Model Type | Cumulative NOx Emissions (g)  | ∆NOx (%)  | Cumulative Fuel Consumption (g) | ∆Fuel (%)  | 
|---|---|---|---|---|
| Detailed 1D | 238 | / | 14,500 | / | 
| Simplified 1D | 260 | +9.2 | 14,600 | +0.7 | 
| Map-based | 267 | +12 | 14,036 | −3.2 | 
| Model Type | Simulation Run-Time | RT | 
|---|---|---|
| Detailed 1D | 285,522 | 230 | 
| Simplified 1D | 59,312 | ≈50 | 
| Map-based | 1161 | 0.9 | 
| Map-based 10x | 115 | 0.09 | 
Publisher’s Note: MDPI stays neutral with regard to jurisdictional claims in published maps and institutional affiliations.  | 
© 2022 by the authors. Licensee MDPI, Basel, Switzerland. This article is an open access article distributed under the terms and conditions of the Creative Commons Attribution (CC BY) license (https://creativecommons.org/licenses/by/4.0/).
Share and Cite
Di Luca, G.; Muccillo, M.; Giardiello, G.; Gimelli, A.; Di Blasio, G. 1D and Map-Based Modeling Approaches for Railway Compression Ignition Engine in NRTC Application. Appl. Sci. 2022, 12, 2665. https://doi.org/10.3390/app12052665
Di Luca G, Muccillo M, Giardiello G, Gimelli A, Di Blasio G. 1D and Map-Based Modeling Approaches for Railway Compression Ignition Engine in NRTC Application. Applied Sciences. 2022; 12(5):2665. https://doi.org/10.3390/app12052665
Chicago/Turabian StyleDi Luca, Giuseppe, Massimiliano Muccillo, Giovanni Giardiello, Alfredo Gimelli, and Gabriele Di Blasio. 2022. "1D and Map-Based Modeling Approaches for Railway Compression Ignition Engine in NRTC Application" Applied Sciences 12, no. 5: 2665. https://doi.org/10.3390/app12052665
APA StyleDi Luca, G., Muccillo, M., Giardiello, G., Gimelli, A., & Di Blasio, G. (2022). 1D and Map-Based Modeling Approaches for Railway Compression Ignition Engine in NRTC Application. Applied Sciences, 12(5), 2665. https://doi.org/10.3390/app12052665
        
                                                
