Design and Performance Analysis of Lamina Emergent Torsional Joints Based on Double-Laminated Material Structure
Abstract
:Featured Application
Abstract
1. Introduction
2. Design and Analysis of DL-LET
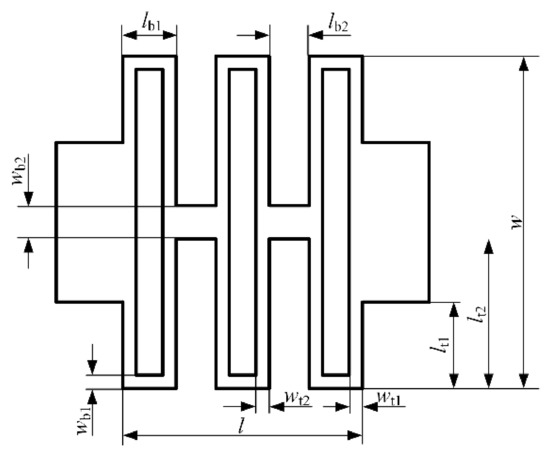
2.1. Design of DL-LET
2.2. Stiffness Modeling
2.3. Analysis of DL-LET Joint
3. Performance Comparison between DL-LET and LET Joints
3.1. Validation by Finite Element Results
3.2. Testing



4. Performance Comparison between DL-Triple-LET and Triple-LET
5. Conclusions
Author Contributions
Funding
Informed Consent Statement
Data Availability Statement
Conflicts of Interest
Nomenclature
| LET joint | Lamina Emergent Torsional joint |
| DL-LET | Double-laminated LET |
| FEA | Finite element analysis |
| LEMs | Lamina emergent mechanisms |
| I-LEJ | Inverted Lamina Emergent joint |
| T-LEJ | Tension Lamina Emergent joint |
| IT-LEJ | Inverted tension Lamina Emergent joint |
| CA | Compliant arrays |
| OD-LEJ | Outside-Deployed Lamina Emergent Joint |
| M-LET | Membrane-enhanced LET joints |
| NLGEOM | Geometric nonlinearity |
| DL-Triple-LET | Double-laminated Triple-LET |
| Triple-LET | Three LET joints connected in series |
| BCM | the Beam constraint model |
| CSBCM | the Spatial Chained Beam-Constraint-Model |
| keq,bend | the equivalent stiffness of the DL-LET joint |
| kb1 and kb2 | the equivalent spring stiffness of each bending segment |
| kt1 | the equivalent spring stiffness of each torsion segment |
| lt1 | the length of the torsion segment in the beryllium bronze layer |
| wt1 | the width of the torsion segment in the beryllium bronze layer |
| lb1 | the length of the bending segment in the beryllium bronze layer |
| wb1 | the width of the bending segment in the beryllium bronze layer |
| t1 | the thicknesses of the beryllium bronze layer |
| E1 | the Young’s modulus of beryllium bronze |
| Ib1 and Ib2 | the moment of inertia of each segment |
| K | the coefficient related to the cross-sectional geometry of the torsion segments |
| G1 | the shear modulus of beryllium bronze |
| ν1 | the Poisson’s ratio of beryllium bronze |
| wb1 | the width of the bending segment in the H18 aluminum foil |
| lb2 | the length of the bending segment in the H18 aluminum foil |
| t2 | the thicknesses of the H18 aluminum foil layer |
| E2 | the Young’s modulus of H18 aluminum foil |
| ν2 | the Poisson’s ratio of H18 aluminum foil |
| θ | the rotation angle of the joint |
| T | the torque exerting on the joint |
References
- Howell, L.L. Compliant Mechanisms; John Wiley & Sons: New York, NY, USA, 2001; pp. 10–33. [Google Scholar]
- Chen, G.; Ma, F.; Hao, G.; Zhu, W. Modeling large deflections of initially curved beams in compliant mechanisms using chained Beam-Constraint-Model. ASME J. Mech. Robot. 2019, 11, 011002. [Google Scholar] [CrossRef]
- Chen, G.; Gou, Y.; Zhang, A. Synthesis of compliant multistable mechanisms through use of a single bistable mechanism. J. Mech. Des. Trans. ASME 2011, 133, 081007. [Google Scholar] [CrossRef]
- Chen, G.; Ma, F. Kinetostatic Modeling of Fully Compliant Bistable Mechanisms Using Timoshenko Beam Constraint Model. J. Mech. Des. Trans. ASME 2015, 137, 022301. [Google Scholar] [CrossRef]
- Albrechtsen, N.B.; Magleby, S.P.; Howell, L.L. Identifying potential applications for lamina emergent mechanisms using technology push product development. In Proceedings of the ASME 2010 Design Engineering Technical Conference, Montreal, QC, Canada, 15–18 August 2010. [Google Scholar] [CrossRef]
- Trease, B.P.; Moon, Y.-M.; Kota, S. Design of large-displacement compliant joints. J. Mech. Des. Trans. 2005, 127, 788–798. [Google Scholar] [CrossRef]
- Jacobsen, J.O.; Chen, G.; Howell, L.L.; Magleby, S.P. Lamina Emergent Torsional (LET) Joint. Mech. Mach. Theory 2009, 44, 2098–2109. [Google Scholar] [CrossRef]
- Jacobsen, J.O.; Winder, B.G.; Howell, L.L.; Magleby, S.P. Lamina emergent mechanisms and their basic elements. J. Mech. Robot. 2010, 2, 011003. [Google Scholar] [CrossRef]
- Aten, Q.T.; Jensen, B.D.; Howell, L.L. Geometrically non-linear analysis of thin-film compliant MEMS via shell and solid elements. Finite Elem. Anal. Des. 2012, 49, 70–77. [Google Scholar] [CrossRef]
- Zirbel, S.A.; Aten, Q.T.; Easter, M.; Jensen, B.D.; Howell, L.L. Compliant constant-force micro-mechanism for enabling dual-stage motion. In Proceedings of the International Design Engineering Technical Conferences and Computers and Information in Engineering Conference, Chicago, IL, USA, 12–15 August 2012. [Google Scholar] [CrossRef]
- Wilding, S.E.; Howell, L.L.; Magleby, S.P. Introduction of planar compliant joints designed for combined bending and axial loading conditions in lamina emergent mechanisms. Mech. Mach. Theory 2012, 56, 1–15. [Google Scholar] [CrossRef] [Green Version]
- Merriam, E.G.; Lund, J.M.; Howell, L.L. Compound joints: Behavior and benefits of flexure arrays. Precis. Eng. 2016, 45, 79–89. [Google Scholar] [CrossRef]
- Merriam, E.G.; Howell, L.L. Lattice flexures: Geometries for stiffness reduction of blade flexures. Precis. Eng. 2016, 45, 160–167. [Google Scholar] [CrossRef]
- Nelson, T.G.; Bruton, J.T.; Rieske, N.E.; Walton, M.P.; Fullwood, D.T.; Howell, L.L. Material selection shape factors for compliant arrays in bending. Mater. Des. 2016, 110, 865–877. [Google Scholar] [CrossRef] [Green Version]
- Qiu, L.; Yin, S.; Xie, Z. Failure analysis and performance comparison of Triple-LET and LET flexure hinges. Eng. Fail. Anal. 2016, 66, 35–43. [Google Scholar] [CrossRef]
- Xie, Z.; Qiu, L.; Yang, D. Design and analysis of Outside-Deployed Lamina Emergent Joint (OD-LEJ). Mech. Mach. Theory 2017, 114, 111–124. [Google Scholar] [CrossRef]
- Qiu, L.; Huang, G.; Yin, S. Design and performance analysis of double C-type flexure hinges. J. Mech. Robot. 2017, 9, 44503. [Google Scholar] [CrossRef]
- Chen, G.; Magleby, S.P.; Howell, L.L. Membrane-Enhanced Lamina Emergent Torsional Joints for Surrogate Folds. J. Mech. Des. Trans. ASME 2018, 140, 1–10. [Google Scholar] [CrossRef]
- Qiu, L.; Yu, Y.; Liu, Y. Design and analysis of Lamina Emergent Joint (LEJ) based on origami technology and mortise-tenon structure. Mech. Mach. Theory 2021, 160, 104298. [Google Scholar] [CrossRef]
- Zhang, H.; Zhang, X.; Zhu, B. A novel flexural lamina emergent spatial joint. Mech. Mach. Theory 2019, 142, 103582. [Google Scholar] [CrossRef]
- Zhang, H.; Zhang, X.; Zhu, B.; Wang, R.; Li, H. Design and analysis of corrugated flexure-based lamina emergent spatial joints for symmetrical compliant kaleidocycles. Mech. Mach. Theory 2022, 167, 104525. [Google Scholar] [CrossRef]
- Sen, S.; Awtar, S. A closed-form nonlinear model for the constraint characteristics of symmetric spatial beams. J. Mech. Des. 2013, 135, 31003. [Google Scholar] [CrossRef]
- Chen, G.; Bai, R. Modeling large spatial deflections of slender bisymmetric beams in compliant mechanisms using chained spatial-beam constraint model. J. Mech. Robot. 2016, 8, 041011. [Google Scholar] [CrossRef]
- Bai, R.; Chen, G. Modeling Large Spatial Deflections of Slender Beams of Rectangular Cross Sections in Compliant Mechanisms. J. Mech. Robot. 2021, 13, 011021. [Google Scholar] [CrossRef]
- Olsen, B.M.; Issac, Y.; Howell, L.L.; Magleby, S.P. Utilizing a classification scheme to facilitate rigid-body replacement for compliant mechanism design. In Proceedings of the International Design Engineering Technical Conferences and Computers and Information in Engineering Conference, Montreal, QC, Canada, 15–18 August 2010. [Google Scholar] [CrossRef]
- Wilding, S.E.; Howell, L.L.; Magleby, S.P. Spherical lamina emergent mechanisms. Mech. Mach. Theory 2012, 49, 187–197. [Google Scholar] [CrossRef] [Green Version]
- Dodgen, E.; Stratton, E.; Bowden, A.; Howell, L. Spinal implant development, modeling, and testing to achieve customizable and nonlinear stiffness. J. Med. Devices 2012, 6, 021010. [Google Scholar] [CrossRef]
- Noveanu, S.; Lobontiu, N.; Lazaro, J.; Mandru, D. Substructure compliance matrix model of planar branched flexure-hinge mechanisms: Design, testing and characterization of a gripper. Mech. Mach. Theory 2015, 91, 1–20. [Google Scholar] [CrossRef]
- Lobontiu, N. Modeling and design of planar parallel-connection flexible hinges for in-and out-of-plane mechanism applications. Precis. Eng. 2015, 42, 113–132. [Google Scholar] [CrossRef]
- Grames, C.L.; Jensen, B.D.; Magleby, S.P.; Howell, L.L. A Compact 2 degree of freedom wrist for robot-actuated surgery and other applications. In Proceedings of the International Design Engineering Technical Conferences and Computers and Information in Engineering Conference, Charlotte, NC, USA, 21–24 August 2016. [Google Scholar] [CrossRef]
- Sessions, J.; Pehrson, N.; Tolman, K.; Erickson, J.; Fullwood, D.; Howell, L. A material selection and design method for multi-constraint compliant mechanisms. In Proceedings of the International Design Engineering Technical Conferences and Computers and Information in Engineering Conference, Charlotte, NC, USA, 21–24 August 2016. [Google Scholar] [CrossRef]
- Dearden, J.; Grames, C.; Jensen, B.D.; Magleby, S.P.; Howell, L.L. Inverted L-Arm gripper compliant mechanism. J. Med. Devices 2017, 11, 034502. [Google Scholar] [CrossRef]
- Giang, T.N.L.; Cai, C.J.; Ponraj, G.; Ren, H. Magnetically Deployable Robots Using Layered Lamina Emergent Mechanism. Appl. Sci. 2022, 12, 14. [Google Scholar] [CrossRef]
- Chen, G.; Howell, L.L. Two general solutions of torsional compliance for variable rectangular cross-section hinges in compliant mechanisms. Precis. Eng. 2009, 33, 268–274. [Google Scholar] [CrossRef]













| Dimension | Value (mm) | Dimension | Value (mm) |
|---|---|---|---|
| lb1 | 4 | lb2 | 3 |
| wb1 | 1 | wb2 | 8 |
| wt1 | 2 | wt2 | 1 |
| lt1 | 21 | l | 18 |
| w | 50 | t | 0.5 |
Publisher’s Note: MDPI stays neutral with regard to jurisdictional claims in published maps and institutional affiliations. |
© 2022 by the authors. Licensee MDPI, Basel, Switzerland. This article is an open access article distributed under the terms and conditions of the Creative Commons Attribution (CC BY) license (https://creativecommons.org/licenses/by/4.0/).
Share and Cite
Ma, B.; Qiu, L.; Liu, B.; Yu, Y.; Liu, N.; Chen, G. Design and Performance Analysis of Lamina Emergent Torsional Joints Based on Double-Laminated Material Structure. Appl. Sci. 2022, 12, 2642. https://doi.org/10.3390/app12052642
Ma B, Qiu L, Liu B, Yu Y, Liu N, Chen G. Design and Performance Analysis of Lamina Emergent Torsional Joints Based on Double-Laminated Material Structure. Applied Sciences. 2022; 12(5):2642. https://doi.org/10.3390/app12052642
Chicago/Turabian StyleMa, Buchuan, Lifang Qiu, Beiying Liu, Yue Yu, Ningning Liu, and Guimin Chen. 2022. "Design and Performance Analysis of Lamina Emergent Torsional Joints Based on Double-Laminated Material Structure" Applied Sciences 12, no. 5: 2642. https://doi.org/10.3390/app12052642
APA StyleMa, B., Qiu, L., Liu, B., Yu, Y., Liu, N., & Chen, G. (2022). Design and Performance Analysis of Lamina Emergent Torsional Joints Based on Double-Laminated Material Structure. Applied Sciences, 12(5), 2642. https://doi.org/10.3390/app12052642
