Design of Two-Mode Spectroscopic Sensor for Biomedical Applications: Analysis and Measurement of Relative Intensity Noise through Control Mechanism
Abstract
:1. Introduction
2. Experimental Setup
3. Fibre Bragg Grating
- Perform reference test.
- Now the Position = 0.
- Rotate about 200 steps in negative direction—no more!.
- Here the light barrier (limit) triggers.
- The position is now −200.
- Now again perform reference test.
- The position is again reset to 0.
3.1. Operational Principle
3.2. Modeling as a Petri Network
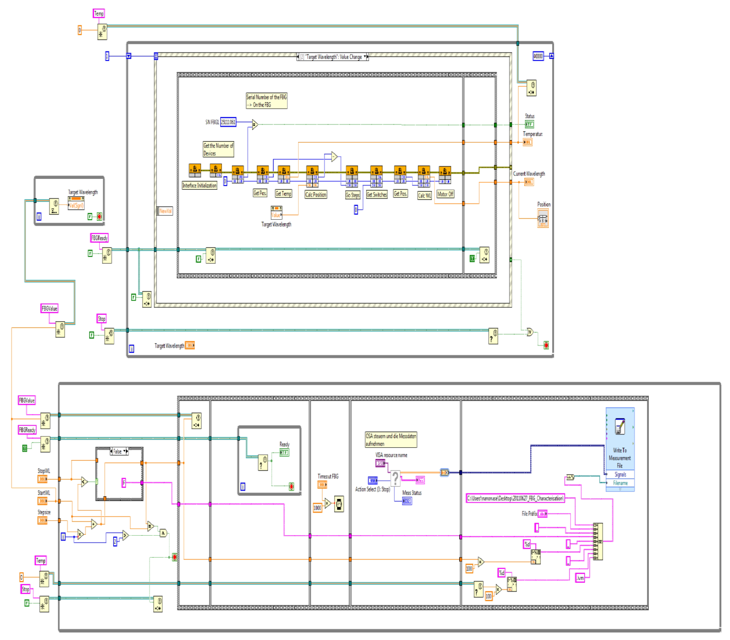
3.3. Implementation of the Control of the FBG in LabVIEW
3.4. Results of the Characterization of the FBG
4. Variable Optical Coupler
4.1. Operation of the Tunable Optical Coupler Used
4.2. Controlling the Variable Optical Coupler
| Algorithm 1: Pseudocode for the characterization procedure of an optical coupler |
1: Define 2: for do 3: Turn Micrometer screw manually to 4: for do 5: Connect with OSA 6: for do 7: Send to DAC (e.g., LabJack U3) 8: Wait until the Piezocontroller stops 9: Measure the Spectrum (OSA) 10: Transfer the Spectrum → Computer 11: end for 12: end for 13: end for |
4.3. Results of Characterization of the Optical Coupler
5. Comparison of RIN Results
6. Measurements with Substances
7. Conclusions
Author Contributions
Funding
Institutional Review Board Statement
Informed Consent Statement
Data Availability Statement
Acknowledgments
Conflicts of Interest
Appendix A

| OSA | Optical Spectrum Analyzer |
|---|---|
| ESA | Electrical Spectrum Analyzer |
| SOA | Semiconductor Optical Amplifier |
| FBG | Fibre Bragg Grating |
| DMM | Digital Multimeter |
| LDC | Laser Diode Controller |
| RIN | Relative Intensity Noise |
| LNA | Low Noise Amplifier |
| MSE | Mean Square Error |
| VCi/VC1 | Variable Coupler corresponding to the inner cavity |
| VCo/VC2 | Variable Coupler corresponding to the outer cavity |
| Mi/M1 | Mode corresponding to the inner cavity |
| Mo/M2 | Mode corresponding to the outer cavity |
| Kappa | capacity function of the task |
| wavelength of light | |
| Bragg wavelength | |
| angular frequency | |
| TP, CP, Back | Coupler ports |
| period length | |
| modulation amplitude | |
| average refractive index | |
| strain sensitivity | |
| temperature coefficient | |
| relative elongation of the fibre | |
| N | Petri network |
| P | finite set of points in a graph |
| T | finite set of transitions |
| weight function of the edges | |
| initial marking function |
References
- Cassone, G.; Trusso, S.; Sponer, J.; Saija, F. Electric Field and Temperature Effects on the Ab Initio Spectroscopy of Liquid Methanol. Appl. Sci. 2021, 11, 5457. [Google Scholar] [CrossRef]
- Vizbaras, A.; Šimonytė, I.; Droz, S.; Torcheboeuf, N.; Miasojedovas, A.; Trinkūnas, A.; Bučiūnas, T.; Dambrauskas, Ž.; Gulbinas, A.; Boiko, D.L.; et al. GaSb Swept-Wavelength Lasers for Biomedical Sensing Applications. IEEE J. Sel. Top. Quantum Electron. 2019, 25, 1501812. [Google Scholar] [CrossRef]
- Genovese, M.; Gramegna, M. Quantum Correlations and Quantum Non-Locality: A Review and a Few New Ideas. Appl. Sci. 2019, 9, 5406. [Google Scholar] [CrossRef] [Green Version]
- Kipnoo, E.K.R.; Boiyo, D.K.; Isoe, G.M.; Chabata, T.V.; Gamatham, R.R.G.; Leitch, A.W.R.; Gibbon, T.B. Demonstration of Raman-based dispersion-managed VCSEL technology for fibre-to-the-hut application. Opt. Fibre Technol. 2017, 34, 1–5. [Google Scholar] [CrossRef]
- Bader, F.; Jagtap, S. Chapter 10—Internet of Things-Linked Wearable Devices for Managing Food Safety in the Healthcare Sector. In Advances in Ubiquitous Sensing Applications for Healthcare, Wearable and Implantable Medical Devices; Dey, N., Ashour, A.S., Fong, S.J., Bhatt, C., Eds.; Academic Press: Loughborough, UK, 2020; Volume 7, pp. 229–253. ISBN 9780128153697. [Google Scholar] [CrossRef]
- Han, H.; Jung, D.-H.; Kim, H.-J.; Lee, T.S.; Kim, H.S.; Kim, H.; Park, S.H. Application of a Spectroscopic Analysis-Based Portable Sensor for Phosphate Quantitation in Hydroponic Solutions. J. Sens. 2020, 2020, 9251416. [Google Scholar] [CrossRef]
- Stephen, J. Harris Intracavity laser spectroscopy: An old field with new prospects for combustion diagnostics. Appl. Opt. 1984, 23, 1311–1318. [Google Scholar]
- Joindot, I. Measurements of relative intensity noise (RIN) in semiconductor lasers. J. Phys. III 1992, 2, 1591–1603. [Google Scholar] [CrossRef]
- Govind, P. Agrawal, Fiber Optic Communication Systems; Wiley Interscience: New York, NY, USA, 2002. [Google Scholar]
- Bock, C.; Prat, J. WDM/TDM PON Experiments using the AWG Free Spectral Range Periodicity to Transmit Unicast and Multicast Data. Optical Society of America (OSA). Opt. Express 2005, 13, 2887–2891. [Google Scholar] [CrossRef]
- Fox, M. Quantum Optics an Introduction; Oxford University Press Inc.: New York, NY, USA, 2006. [Google Scholar]
- Cho, B.I. X-ray Spectroscopies of High Energy Density Matter Created with X-ray Free Electron Lasers. Appl. Sci. 2019, 9, 4812. [Google Scholar] [CrossRef] [Green Version]
- Bacco, M.; Delmastro, F.; Ferro, E.; Gotta, A. Environmental Monitoring for Smart Cities. IEEE Sens. J. 2017, 17, 7767–7774. [Google Scholar] [CrossRef]
- Hart, J.K.; Martinez, K. Environmental Sensor Networks: A revolution in the earth system science? Earth-Sci. Rev. 2006, 78, 177–191. [Google Scholar] [CrossRef] [Green Version]
- Masud, U. Investigations on Highly Sensitive Optical Semiconductor Laser Based Sensorics for Medical and Environmental Applications: The Nanonose; Kassel University Press: Kassel, Germany, 2015; ISBN 3862195554. [Google Scholar]
- Parker, M.A. Physics of Optoelectronics; Taylor and Francis Group: Boca Raton, FL, USA, 2005. [Google Scholar]
- Masud, U.; Baig, M.I. Investigation of Cavity Length and Mode Spacing Effects in Dual-Mode Sensor. IEEE Sens. J. 2018, 18, 2737–2743. [Google Scholar] [CrossRef]
- Wang, Q.; Wang, Z.; Ren, W. Theoretical and Experimental Investigation of Fiber-Ring Laser Intracavity Photoacoustic Spectroscopy (FLI-PAS) for Acetylene Detection. J. Light. Technol. 2017, 35, 4519–4525. [Google Scholar] [CrossRef]
- Demtröder, W. Laser Spectroscopy 2: Experimental Techniques; Springer: Berlin/Heidelberg, Germany, 2015; ISBN 978-3-662-44641-6. [Google Scholar] [CrossRef]
- Baev, V.; Latz, T.; Toschek, P. Laser intracavity absorption spectroscopy. Appl. Phys. B 1999, 69, 171–202. [Google Scholar] [CrossRef]
- Kachanov, A.; Charvat, A.; Stoeckel, F. Intracavity laser spectroscopy with vibronic solid-state lasers. I. Spectrotemporal transient behavior of a Ti:sapphire laser. J. Opt. Soc. Am. B 1994, 11, 2412–2421. [Google Scholar] [CrossRef]
- Fomin, A.; Zavlev, T.; Rahinov, I.; Cheskis, S. A fiber laser intracavity absorption spectroscopy (FLICAS) sensor for simultaneous measurement of CO and CO2 concentrations and temperature. Sens. Actuators B Chem. 2015, 210, 431–438. [Google Scholar] [CrossRef]
- Liu, K.; Liu, T.; Jiang, J.; Peng, G.-D.; Zhang, H.; Jia, D.; Wang, Y.; Jing, W.; Zhang, Y. Investigation of wavelength modulation and wavelength sweep techniques in intracavity fiber laser for gas detection. J. Lightw. Technol. 2011, 29, 15–21. [Google Scholar]
- Bozóki, Z.; Sneider, J.; Szabó, G.; Miklós, A.; Serényi, M.; Nagy, G.; Fehér, M. Intracavity photoacoustic gas detection with an external cavity diode laser. Appl. Phys. B 1996, 63, 399–401. [Google Scholar] [CrossRef]
- Hodgkinson, J.; Tatam, R.P. Optical gas sensing: A review. Meas. Sci. Technol. 2012, 24, 012004. [Google Scholar] [CrossRef] [Green Version]
- Lio, G.E.; Ferraro, A.; Ritacco, T.; Aceti, D.M.; De Luca, A.; Giocondo, M.; Caputo, R. Leveraging on ENZ Metamaterials to Achieve 2D and 3D Hyper-Resolution in Two-Photon Direct Laser Writing. Adv. Mater. 2021, 33, 2008644. [Google Scholar] [CrossRef]
- Lio, G.E.; Ferraro, A.; Giocondo, M.; Caputo, R.; De, A. Color Gamut Behavior in Epsilon Near-Zero Nanocavities during Propagation of Gap Surface Plasmons. Adv. Opt. Mater. 2020, 8, 2000487. [Google Scholar] [CrossRef]
- Zafar, M.F.; Masud, U. A Multiple-Bands Metamaterial Absorber Based in X, Ku and K-Band. Opt. Quantum Electron. 2021. [Google Scholar] [CrossRef]
- NIST Special Publication, ISSN: 1048-776X, OCLC Number: 18972013, Online Version: NIST Special Publication (OCoLC)551418859. Available online: https://catalog.lindahall.org/discovery/fulldisplay?docid=alma993797263405961&context=L&vid=01LINDAHALL_INST:LHL&lang=en&search_scope=MyInstitution&adaptor=Local%20Search%20Engine&tab=LibraryCatalog&query=title,exact,NBS%20Special%20publication%20 (accessed on 24 June 2020).
- Bakeev, K.A. Process Analytical Technology: Spectroscopic Tools and Implementation Strategies for the Chemical and Pharmaceutical Industries, 2nd ed.; Wiley: Oxford, UK, 2010; ISBN 978-0-470-68960-8. [Google Scholar]
- de la Torre, O.; Floris, I.; Sales, S.; Escaler, X. Fiber Bragg Grating Sensors for Underwater Vibration Measurement: Potential Hydropower Applications. Sensors 2021, 21, 4272. [Google Scholar] [CrossRef] [PubMed]
- Sahota, J.K.; Gupta, N.; Dhawan, D. Fiber Bragg grating sensors for monitoring of physical parameters: A comprehensive review. Opt. Eng. 2020, 59, 060901. [Google Scholar] [CrossRef]
- Mark, R. Fisher and Travis C. Burt Rapid, automated, quality control of diffraction grating efficiency. Proc. SPIE 2017, 10373, 103730O. [Google Scholar] [CrossRef]
- Kim, S.; Jeong, Y.; Kim, S.; Kwon, J.; Park, N.; Lee, B. Control of the characteristics of a long-period grating by cladding etching. Appl. Opt. 2000, 39, 2038–2042. [Google Scholar] [CrossRef]
- Thevenon, A.; Flam, J.; Laude, J.P.; Touzet, B.; Lerner, J.M. Aberration Corrected Plane Gratings. Proc. SPIE 1987, 815, 136145. [Google Scholar]
- Goldstein, S.A.; Walters, J.P. A Review of Considerations for High Fidelity Imaging of Laboratory Spectroscopic Sources—Parts 1 and 2. Spectrochim. Acta Part B At. Spectrosc. 1976, 31, 201–316. [Google Scholar] [CrossRef]
- Palmer, Christopher. 2020. Diffraction Grating Handbook, Eighth Edition. Available online: https://www.researchgate.net/publication/339913143_DIFFRACTION_GRATING_HANDBOOK_eighth_edition (accessed on 13 January 2022).
- López-Higuera, J.M.; Cobo, L.R.; Incera, A.Q.; Cobo, A. Fiber optic sensors in structural health monitoring. J. Light. Technol. 2011, 29, 587–608. [Google Scholar] [CrossRef]
- Masud, U.; Baig, M.I.; Zeeshan, A. Automatization analysis of the extremely sensitive laser-based dual-mode biomedical sensor. Lasers Med. Sci. 2020, 35, 1531–1542. [Google Scholar] [CrossRef]
- LM14S2—Universal 14-Pin Butterfly Laser Diode Mount, Thorlabs. Available online: https://www.thorlabs.com/thorproduct.cfm?partnumber=LM14S2 (accessed on 14 September 2019).
- LDC-3900 Modular 4-Channel Laser Diode Controller, Newport. Available online: https://www.newport.com/f/4-channel-modular-laser-diode-controller-ldc-3900 (accessed on 5 October 2018).
- Petermann, K. Laser Diode Modulation and Noise; Kluwer Academic Publishers: Amsterdam, The Netherlands, 1991. [Google Scholar]
- Agrawal, G.P.; Dutta, N.K. Semiconductors Lasers; Van Nostrand Reinhold: New York, NY, USA, 1993. [Google Scholar]
- Hui, R.; O’Sullivan, M. Fiber Optic Measurement Techniques; Elsevier Academic Press: Cambridge, MA, USA, 2009. [Google Scholar]
- Rohde & Schwarz: FSP30. Available online: https://www.rohde-schwarz.com/us/product/fsp-productstartpage_63493-8043.html (accessed on 2 May 2019).
- Dietrich, K. Optik—Grundlagen und Anwendungen, 2nd ed.; Verlag Harri Deutsch: Frankfurt, Germany, 2007; ISBN 978-3-8171-1741-3. [Google Scholar]
- AQ6370C Optical Spectrum Analyzer, Yokogawa. Available online: https://tmi.yokogawa.com/eu/solutions/products/optical-measuring-instruments/optical-spectrum-analyzer/aq6370c-optical-spectrum-analyzer/ (accessed on 2 March 2018).
- Advanced Optics Solutions. Available online: https://www.aos-fiber.com/eng/Products.html (accessed on 6 December 2020).
- Evanescent Optics Inc. Available online: http://www.evanescentoptics.com/products/ (accessed on 4 October 2020).
- Stepper Motor Tunable Fiber Bragg Grating—User Guide; AOS GmbH: Dresden, Germany, 2011.
- LabVIEW 2018 Service Pack 1 Readme for Windows. Available online: http://www.ni.com/pdf/manuals/374715k.html#known (accessed on 3 March 2019).
- Polarization Maintaining Variable Ratio Evanescent Wave Couplers, 2nd ed.; Evanescent Optics Inc.: Oakville, ON, Canada, 2009.
- Xia, Q.; Yuan, L.-M.; Chen, X.; Meng, L.; Huang, G. Analysis of Methanol Gasoline by ATR-FT-IR Spectroscopy. Appl. Sci. 2019, 9, 5336. [Google Scholar] [CrossRef] [Green Version]
- Christos, G. Cassandras; Stéphane Lafortune, Introduction to Discrete Event Systems; Springer: Boston, MA, USA, 2008; ISBN 978-0-387-33332-8. [Google Scholar] [CrossRef]
- Rodrigues, M.S.; Borges, J.; Lopes, C.; Pereira, R.M.S.; Vasilevskiy, M.I.; Vaz, F. Gas Sensors Based on Localized Surface Plasmon Resonances: Synthesis of Oxide Films with Embedded Metal Nanoparticles, Theory and Simulation, and Sensitivity Enhancement Strategies. Appl. Sci. 2021, 11, 5388. [Google Scholar] [CrossRef]
- Premaratne, M.; Lowery, A.J.; Ahmed, Z.; Novak, D. Modeling noise and modulation performance of Fiber grating external cavity lasers. IEEE J. Quantum Electron. 1997, 3, 290–303. [Google Scholar] [CrossRef] [Green Version]
- Jonas, A.; Stiel, H.; Glöggler, L.; Dahm, D.; Dammer, K.; Kanngießer, B.; Mantouvalou, I. Towards Poisson Noise Limited Optical Pump Soft X-ray Probe NEXAFS Spectroscopy Using a Laser-Produced Plasma Source. Opt. Express 2019, 27, 36524–36537. [Google Scholar] [CrossRef] [PubMed]
- O’Donnell, K.P.; Chen, X. Temperature dependence of semiconductor band gaps. Appl. Phys. Lett. 1991, 58, 2924–2926. [Google Scholar] [CrossRef] [Green Version]
- Digonnet, M.J.F.; Shaw, H.J. Analysis of a Tunable Single Mode Optical Fiber Coupler. IEEE Trans. Microw. Theory Tech. 1982, 30, 592–600. [Google Scholar] [CrossRef]
- Markatos, S.; Kerr, A.; Giles, I.P. Electrically Tunable Optical Fibre Polished Coupler. In Proceedings of the IEE Colloquium on All-Fibre Devices, London, UK, 3 June 1988; pp. 6/1–6/4. [Google Scholar]
- Nuno, B. Carvalho and Dominique Schreurs, Microwave and Wireless Measurement Techniques; Cambridge University Press: Cambridge, UK, 2013; pp. 63–89. ISBN 9781107004610. [Google Scholar]
- Python Developer’s Guide. Available online: devguide.python.org (accessed on 17 December 2019).
- Jarrod, M.K.; Michael, A. Python for Scientists and Engineers. Comput. Sci. Eng. 2011, 13, 9–12. [Google Scholar] [CrossRef] [Green Version]
- Matplotlib: Visualization with Python. Available online: https://matplotlib.org/ (accessed on 11 December 2019).
- Masud, U.; Ali, M.; Ikram, M. Calibration and stability of highly sensitive fibre based laser through relative intensity noise. Phys. Scr. 2020, 95, 055505. [Google Scholar] [CrossRef]
- Masud, U.; Jeribi, F.; Zeeshan, A.; Tahir, A.; Ali, M. Highly Sensitive Microsensor Based on Absorption Spectroscopy: Design Considerations for Optical Receiver. IEEE Access 2020, 8, 100212–100225. [Google Scholar] [CrossRef]
- Reed, M.D. Isopropanol. In Encyclopedia of Toxicology, 2nd ed.; Wexler, P., Ed.; Elsevier: Amsterdam, The Netherlands, 2005; pp. 653–655. ISBN 9780123694003. [Google Scholar] [CrossRef]
- Budić-Leto, I.; Humar, I.; Gajdoš Kljusurić, J.; Zdunić, G.; Zlatić, E. Free and Bound Volatile Aroma Compounds of ´Maraština´ Grapes as Influenced by Dehydration Techniques. Appl. Sci. 2020, 10, 8928. [Google Scholar] [CrossRef]
- Liu, Y.; Zhang, X.H.; Mi, W.D.; Zhou, Y.L.; Zhang, C.S.; Zhang, X.X. Rapid determination and continuous monitoring of propofol in microliter whole blood sample during anesthesia by paper spray ionization-mass spectrometry. Anal. Bioanal. Chem. 2021, 413, 279–287. [Google Scholar] [CrossRef] [PubMed]
- Hikiji, W.; Kudo, K.; Usumoto, Y.; Tsuji, A.; Ikeda, N. A simple and sensitive method for the determination of propofol in human solid tissues by gas chromatography-mass spectrometry. J. Anal. Toxicol. 2010, 34, 389–393. [Google Scholar] [CrossRef] [PubMed] [Green Version]
- Laurila, T.; Sorvajärvi, T.; Saarela, J.; Toivonen, J.; Wheeler, D.W.; Ciaffoni, L.; Ritchie, G.A.D.; Kaminski, C.F. Optical Detection of the Anesthetic Agent Propofol in the Gas Phase. Anal. Chem. 2011, 83, 3963–3967. [Google Scholar] [CrossRef] [PubMed]
- Masud, U.; Jeribi, F.; Alhameed, M.; Akram, F.; Tahir, A.; Naudhani, M.Y. Two-Mode Biomedical Sensor Build-up: Characterization of Optical Amplifier. Tech Sci. Comput. Mater. Contin. 2022, 70, 5487–5489. [Google Scholar] [CrossRef]














| No. | Step Size | Direction | a | b | Mean Squared Error (MSE) |
|---|---|---|---|---|---|
| 1 | 0.1 nm | V | −0.048 | 73.62 | 0.0194 |
| 2 | 0.1 nm | R | −0.047 | 72.70 | 0.0088 |
| 3 | 0.2 nm (a) | V | −0.037 | 56068 | 0.0184 |
| 4 | 0.2 nm (a) | R | −0.037 | 57.63 | 0.0107 |
| 5 | 0.2 nm (b) | V | −0.045 | 69.73 | 0.0078 |
| 6 | 0.2 nm (b) | R | −0.039 | 60.54 | 0.0090 |
Publisher’s Note: MDPI stays neutral with regard to jurisdictional claims in published maps and institutional affiliations. |
© 2022 by the authors. Licensee MDPI, Basel, Switzerland. This article is an open access article distributed under the terms and conditions of the Creative Commons Attribution (CC BY) license (https://creativecommons.org/licenses/by/4.0/).
Share and Cite
Masud, U.; Amirzada, M.R.; Elahi, H.; Akram, F.; Zeeshan, A.; Khan, Y.; Ehsan, M.K.; Qureshi, M.A.; Ali, A.; Nawaz, S.; et al. Design of Two-Mode Spectroscopic Sensor for Biomedical Applications: Analysis and Measurement of Relative Intensity Noise through Control Mechanism. Appl. Sci. 2022, 12, 1856. https://doi.org/10.3390/app12041856
Masud U, Amirzada MR, Elahi H, Akram F, Zeeshan A, Khan Y, Ehsan MK, Qureshi MA, Ali A, Nawaz S, et al. Design of Two-Mode Spectroscopic Sensor for Biomedical Applications: Analysis and Measurement of Relative Intensity Noise through Control Mechanism. Applied Sciences. 2022; 12(4):1856. https://doi.org/10.3390/app12041856
Chicago/Turabian StyleMasud, Usman, Muhammad Rizwan Amirzada, Hassan Elahi, Faraz Akram, Ahmed Zeeshan, Yousuf Khan, Muhammad Khurram Ehsan, Muhammad Aasim Qureshi, Aasim Ali, Sajid Nawaz, and et al. 2022. "Design of Two-Mode Spectroscopic Sensor for Biomedical Applications: Analysis and Measurement of Relative Intensity Noise through Control Mechanism" Applied Sciences 12, no. 4: 1856. https://doi.org/10.3390/app12041856
APA StyleMasud, U., Amirzada, M. R., Elahi, H., Akram, F., Zeeshan, A., Khan, Y., Ehsan, M. K., Qureshi, M. A., Ali, A., Nawaz, S., & Ghafoor, U. (2022). Design of Two-Mode Spectroscopic Sensor for Biomedical Applications: Analysis and Measurement of Relative Intensity Noise through Control Mechanism. Applied Sciences, 12(4), 1856. https://doi.org/10.3390/app12041856

