Limit Carrying Capacity Calculation of Two-Way Slabs with Three Simply Supported Edges and One Clamped Edge under Fire
Abstract
:1. Introduction
2. Test Overview
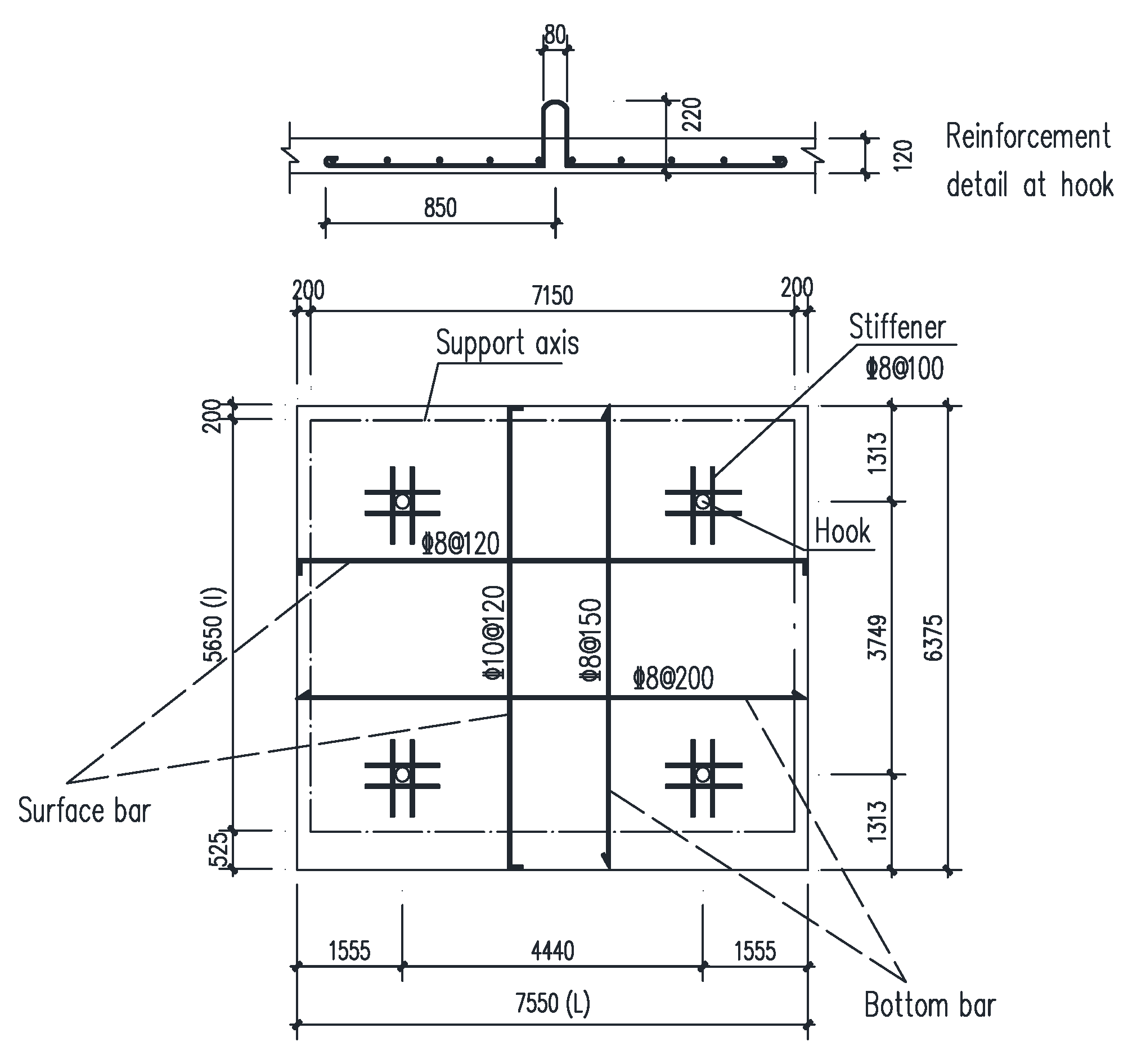
2.1. Specimen Design
2.2. Fire Test Furnace
2.3. Design of the Support and Restraint Reaction
2.4. Test Loading
2.5. Deflections and Slab Edge Angle Measurement
2.6. Temperature Measurement
3. Experimental Results
3.1. Macroscopic Phenomena and Failure Characteristics
3.2. Analysis of the Test Results
3.2.1. Test Furnace Temperature
3.2.2. Section Concrete Temperature
3.2.3. Temperature of the Steel Bars
3.2.4. Out-Of-Plane Deflections
3.2.5. In-Plane Deflections and Rotation Angle at the Support Axis
3.2.6. In-Plane Acceleration of the Test Slabs
3.2.7. Vertical Frequency of the Test Slab
4. Calculation of Bearing Capacity Based on Yield Hinge Line Theory
4.1. Plate Balance Method
4.2. Energy Method
4.3. Verification
5. Discussion
- (1)
- In the fire test, the method of equivalent bending moment is used to simulate the fixed edge of the test plate, which has a certain deviation from the actual project and will lead to a certain error in the results.
- (2)
- When the steel bar is not perpendicular to the yield line, the work performed by moment rotation and steel bar extension can be determined by projecting the work performed to the yield line after calculating the rotation angle at the yield line.
- (3)
- When calculating the carrying capacity of two-way slab according to Equations (12)–(15) and (31)–(35), the plastic hinge line mode of the slab shall be calculated according to the axis size, reinforcement, and boundary conditions of slab, so as to determine whether the formula is used.
- (4)
- Although in the same fire site, there are still great differences in the temperature of reinforcement at the bottom of the slab at different positions. In the calculation of limit bearing capacity of a two-way slab, according to the physical meaning represented by various parameters and different positions, the measured values of reinforcement at the bottom of the slab at different measuring points are selected as the corresponding temperature in the calculation process.
6. Conclusions
- (1)
- Under the action of fire, the cracks on the top of the two-way reinforced concrete slab with three sides simply supported and one side clamped form a failure mode is shaped similar to the bottom of a shallow bowl. The maximum out-of-plane deflections of the slab occur at the side of the slab center, leaning towards the long simply supported side. The stress redistribution on the clamped side of the slab is obvious, and the concrete temperature field presents a nonlinear distribution along the thickness of the slab.
- (2)
- The failure mode of the two-way slab with three simply supported edges and one clamped edge under fire exposure is similar to that obtained by conventional yield hinge line theory.
- (3)
- The acceleration change of the two-way slab under fire exposure can be divided into three stages, namely, the stable stage, intense stage, and stable stage.
- (4)
- The change in the vertical first-order frequency of the two-way slab under fire exposure can also be divided into three stages. In the first stage, the change rate of the frequency is the largest, and in the third stage, the change rate of the frequency is the smallest. The vertical first-order frequency of the two-way slab under fire exposure is consistent with the vertical mid-span deflections. Fitting analysis can be used to establish the first-order frequency and the vertical mid-span deflections.
- (5)
- Based on the plate balance method and energy method of yield hinge line, this paper gives the formula for calculating the limit load-carrying capacity of two-way slabs with three simply supported edges and one clamped edge. The calculated results are in good agreement with the experimental results. The traditional yield hinge line theoretical formula is conservative because it does not consider the membrane effect.
Author Contributions
Funding
Institutional Review Board Statement
Informed Consent Statement
Data Availability Statement
Acknowledgments
Conflicts of Interest
References
- Selvaggio, S.L.; Carlson, C.C. Effect of Restraint on Fire Resistance of Prestressed Concrete; STP 344, Reprinted as PCA Research Department Bulletin 164; American Society for Testing and Materials: West Conshohocken, PA, USA, 1963; pp. 1–25. [Google Scholar] [CrossRef]
- Issen, L.A.; Gustaferro, A.H.; Carlson, C.C. Fire Tests of Concrete Members: An Improved Method for Estimating Thermal Restraint Forces. Fire Test Performance; ASTM: West Conshohocken, PA, USA, 1970; pp. 153–185. [Google Scholar] [CrossRef]
- Vecchio, F.J.; Tang, K. Membrane action in reinforced concrete slabs. Can. J. Civ. Eng. 1990, 17, 686–697. [Google Scholar] [CrossRef]
- Wade, C.; Lim, L. Experimental Fire Tests of Two-Way Concrete Slabs; Fire Engineering Research Report 02/12; UC Research Repository: Porirua City, New Zealand, 2002; pp. 5–60. [Google Scholar]
- Lim, L.; Buchanan, A.; Moss, P. Numerical modeling of two-way reinforced concrete slabs in fire. Eng. Struct. 2004, 26, 1081–1091. [Google Scholar] [CrossRef]
- Bailey, C.G.; Toh, W.S. Small-scale concrete slab tests at ambient and elevated temperatures. Eng. Struct. 2007, 29, 2775–2791. [Google Scholar] [CrossRef]
- Bailey, C.G.; Toh, W.S. Behaviour of concrete floor slabs at ambient and elevated temperatures. Fire Saf. J. 2007, 42, 425–436. [Google Scholar] [CrossRef]
- Wang, B.; Dong, Y.L. Experimental study of two-way reinforced concrete slabs under fire. China Civ. Eng. 2010, 43, 53–62. (In Chinese) [Google Scholar]
- Dong, Y.L.; Zhu, C.J. Limit load carrying capacity of two-way slabs with two edges clamped and two edges simply supported in fire. Eng. Struct. 2011, 137, 1182–1192. [Google Scholar] [CrossRef]
- Yang, Z.N.; Dong, Y.L. Experimental stydy of two-way reinforced concrete slab subjected to fire in a steel-framed building. Eng. Mech. 2013, 30, 337–344. [Google Scholar] [CrossRef]
- Wang, Y.; Dong, Y.L.; Peng, P.W.; Li, S.S. Fire test on floor of full-scale steel-framed structure. J. Build. Struct. 2013, 34, 1–11. [Google Scholar] [CrossRef]
- Li, B.; Dong, Y.-L.; Lou, Y.J.; Wan, L. A fire test of continuous panels in a full-scale steel-framed structure. Eng. Mech. 2015, 32, 145–153. [Google Scholar]
- Wang, Y.; Yuan, G.; Huang, Z.; Lyv, J.; Li, Z.-Q.; Wang, T.-y. Experimental study on the fire behaviour of reinforced concrete slabs under combined in-plane and out-of-plane loads. Eng. Struct. 2016, 128, 316–332. [Google Scholar] [CrossRef] [Green Version]
- Wang, Y.; Bisby, L.A.; Wang, T.Y.; Yuan, G.; Baharudin, E. Fire behaviour of reinforced concrete slabs under combined biaxial in-plane and out-of-plane loads. Fire Saf. J. 2018, 96, 27–45. [Google Scholar] [CrossRef] [Green Version]
- Wang, Y.; Wu, J.-C.; Li, L.-Z.; Zhang, Y.-J.; Chen, Z.-X.; Song, W.; Zhang, X.-Y. Behavior of reinforced concrete continuous two-way slabs subjected to different span fires. Eng. Mech. 2020, 37, 55–72. [Google Scholar] [CrossRef]
- Wang, Y.; Zhang, Y.-J.; Long, B.-Y.; Ma, S.; Zhang, S.-H.; Yuan, G.-L. Analytical method for ultimate state of two-way concrete slabs based on steel strain difference. Eng. Mech. 2019, 36, 104–118. [Google Scholar] [CrossRef]
- Wang, Y.; Wang, G.; Huang, Z.; Li, L.; Bu, Y.; Zhong, B.; Zhang, Y.; Ma, S. Numerical modelling of in-plane restrained concrete two-way slabs subjected to fires. Fire Saf. J. 2021, 121, 103307. [Google Scholar] [CrossRef]
- Dong, Y.L. Calculation of tensile membrane effects of concrete slabs using deformation additive decomposition theorem. Chin. J. Theor. Appl. Mech. 2010, 42, 1180–1187. (In Chinese) [Google Scholar] [CrossRef]
- Dong, Y.L. Tensile membrane effects of concrete slabs in fire. Mag. Concr. Res. 2010, 62, 497–505. [Google Scholar] [CrossRef]
- Yang, Z.N. Research on Fire Resistance of Two-Way Reinforced Concrete Slabs with Different Edge Restraints; Harbin Institute of Technology: Harbin, China, 2012; (In Chinese). [Google Scholar] [CrossRef]
- Zhu, C.J. Studies on Fire Resistance Properties of Full-Sacle Two-Way Reinforced Concrete Slabs; Harbin Institute of Technology: Harbin, China, 2012; (In Chinese). [Google Scholar] [CrossRef]
- Zhu, C.J.; Dong, Y.L. An energy method for calculation the load-carrying capacity of two-way slabs with two edges simply supported and two edges clamped in fire. Eng. Mech. 2018, 35, 67–78. (In Chinese) [Google Scholar] [CrossRef]
- Zhang, D.; Dong, Y.-L.; Fang, Y.-y. Modification of segment equilibrium method through considering tensile membrane effects and its application in two-way concrete slabs. Eng. Mech. 2017, 34, 201–210. (In Chinese) [Google Scholar] [CrossRef]
- Zhang, D.S. Calculation Model for Tensile Membrane Effects of Reinforced Concrete Slabs at Ambient and Elevated Temperature; Harbin Institute of Technology: Harbin, China, 2012; (In Chinese). [Google Scholar] [CrossRef]
- Gillie, M.; Usmani, A.S.; Rotter, J.M. A structural analysis of the first Cardington test. J. Constr. Steel Res. 2001, 57, 581–601. [Google Scholar] [CrossRef] [Green Version]
- Florides, M.M.; Cashell, K.A. Numerical Modelling of Composite Floor Slabs Subject to Large Deflections. Structures 2016, 9, 112–122. [Google Scholar] [CrossRef] [Green Version]
- Gillie, M.; Usmani, A.; Rotter, M. Bending and membrane action in concrete slabs. Fire Mater. 2004, 28, 139–157. [Google Scholar] [CrossRef]
- Franssen, J.M. SAFIR: A thermal/structural program for modelling structures in fire. Eng. J. 2005, 42, 143–158. [Google Scholar] [CrossRef]
- Izzuddin, B.A.; Elghazouli, A.Y. Failure of Lightly Reinforced Concrete Members under Fire.I: Analytical Modeling. J. Struct. Eng. 2004, 130, 3–17. [Google Scholar] [CrossRef] [Green Version]
- Huang, Z.; Plank, R.J.; Burgess, I.W. Modeling Membrane Action of Concrete Slabs in Composite Buildings in Fire. I: Theoretical Development. J. Struct. Eng. 2003, 129, 1093–1102. [Google Scholar] [CrossRef]
- Huang, Z.; Burgess, I.W.; Plank, R.J. Modeling Membrane Action of Concrete Slabs in Composite Buildings in Fire. II: Validations. J. Sturctural Eng. 2003, 129, 1103–1112. Available online: https://ur.booksc.eu/book/40282595/a9bee8 (accessed on 5 December 2021). [CrossRef]
- GB50010-2010; Code for Design of Concrete Structures of China. China Architecture & Building Press: Beijing, China, 2011.
- GB/T 50152-2012; Standard for Test Methods of Concrete Structures. China Architecture & Building Press: Beijing, China, 2012.
- GB50009-2012; Load Code for the Design of Building Structures. China Architecture & Building Press: Beijing, China, 2012.
- Maraveas, C.; Vrakas, A.A. Design of Concrete Tunnel Linings for Fire Safety. Struct. Eng. Int. 2014, 24, 319–329. [Google Scholar] [CrossRef] [Green Version]
- Bailey, C.G.; Khoury, G.A. Performance of Concrete Structures in Fire; The Concrete Centre: Camberley, UK, 2011. [Google Scholar]
- International Federation for Structural Concrete (FIB). Fire Design of Concrete Structures—Materials, Structures and Modelling; Bulletin 38; FIB: Lausanne, Switzerland, 2007. [Google Scholar]
- Khoury, G.A.; Ander berg, Y. Concrete Spalling Review; Report submitted to the Swedish National Road Administration; Swedish National Road Administration: Borlänge, Sweden, 2000. [Google Scholar]
- Hertz, K.D. Limits of spalling of fire-exposed concrete. Fire Saf. J. 2003, 38, 103–116. [Google Scholar] [CrossRef]
- Ye, S.G. Study on Performance of Long-to-Edge Fixed-Supported Short-to-Edge Simple-Supported Bidirectional Board under Fire; Huaqiao University: Quanzhou, China, 2019. (In Chinese) [Google Scholar]
- Li, S. Study on Fire Performance of Two-way Concrete Slabs Supported Simply on Three Sides and Fixedly on One Side; Huaqiao University: Quanzhou, China, 2020; (In Chinese). [Google Scholar] [CrossRef]
- Zhu, S.F.; Dong, Y.L.; Duan, J.T. Fire behavior research of rectangular reinforced concrete two-way slabs simply supported on two long sides and fixed on two short sides. J. Huaqiao Univ. Nat. Sci. 2021. [Google Scholar] [CrossRef]
- ISO834; Fire Resistance Tests-Elements of Building Construction. ISO: Geneva, Switzerland, 1980.
- ASTM E119; ASTM Standard Methods of Fire Test of Building Construction and Materials; Test Method. American Society for Testing and Materials: West Conshohocken, PA, USA, 2001.
- Kodur, V.K.R.; Dwaikat, M. A numerical model for predicting the fire resistance of reinforced concrete beams. Cem. Concr. Compos. 2008, 30, 431–443. [Google Scholar] [CrossRef]
- Bailey, C.G. Membrane action of unrestrained lightly reinforced concrete slabs at large displacements. Eng. Struct. 2001, 23, 470–483. [Google Scholar] [CrossRef]
- EN 1992-1-2; Eurocode 2: Design of Concrete Structures—Part 1.2: General Rules—Structural Fire Design. British Standards Instituion: London, UK, 2004.
- Wang, Y.; Dong, Y.L.; Zou, C.Y. Calculation of limit carrying capacity of reinforced concrete slabs. J. Harbin Inst. Technol. 2013, 45, 8–13. (In Chinese) [Google Scholar] [CrossRef]
- Wang, Y.; Dong, Y.L.; Zou, C.Y. Comparative analysis of limit carrying capacity of reinforced concrete slabs. J. Harbin Inst. Technol. 2013, 45, 1–7. (In Chinese) [Google Scholar] [CrossRef]
- Zhu, S.-F.; Dong, Y.-L.; Zhang, D.-S.; Duan, J.-T. Calculation of ultimate bearing capacity of four different boundary two-way slabs under fire. Eng. Mech. 2022, 3, 104–114. [Google Scholar]






























| Slab | Size (mm) | Type of Steel Bar | Bottom Steel Bar | Top Steel Bar | Yield Strength of Steel Bar | Ultimate Tensile Strength of Steel Bar |
|---|---|---|---|---|---|---|
| CS1/CS2 | 7550 × 6375 × 120 | HRB400 | 8@200 (long span) 10@120 (short span) | 8@120 (long span) 8@150 (short span) | 435 MPa (Ø8 mm) 440 MPa (Ø10 mm) | 633 MPa (Ø8 mm) 665 MPa (Ø10 mm) |
| Boundary Type and Specimen Size | Top Surface of Slab | Bottom Surface of Slab | |||
|---|---|---|---|---|---|
| Overall Shape of Slab Crack | Cracks Around the Slab | Cracks in the Middle of the Slab | Slab Corners | ||
| Three simply supported edges and one clamped edge [40], 7550 × 6375 × 120 mm. | U-shaped (the opening was the simply supported edge corresponding to the fixed support). | (1) Slab was composed of several cracks in the middle of the clamped edge and dense annular inclined cracks at the corners of the clamped edge. (2) Slab surface was depressed downward to form a basin. | Several transverse main cracks along the short span direction in the middle of slab. | Corners of the slab were warped. | (1) Radial cracks were observed in the area without fire at the bottom of the slab. (2) Several areas at the bottom of the slab explosive spalling severely, and the reinforcement was exposed. |
| Three edges clamped and one short edge simply supported [41], 7550 × 6700 × 120 mm 7550 × 6700 × 120. | Ellipse. | ||||
| Two long edges clamped, and two short sides simply supported, 7875 × 6700 × 120 mm. | U-shaped (the opening was the simply supported edge). | ||||
| Two short edges clamped, and two long sides simply supported [42], 8200 × 6050 × 120 mm. | Ellipse. | Many large cracks in the slab along the direction of the long span and short spans. | |||
| Slab | CS1 | CS2 | |
|---|---|---|---|
| Control Index | |||
| Steel temperature | 122 | 160 | |
| Concrete temperature | 244 | 210 | |
| Deflection (span/30) | 71 | 53 | |
| Deflection (span/20) | No failure | No failure | |
| Heating time | 180 | 210 | |
| Specimen | Fire Time | |||||
|---|---|---|---|---|---|---|
| 0–60th min | 60–150th min | 150th min to the Fire Test Was Stopped | ||||
| Frequency Reduction | Rate of Frequency Reduction | Frequency Reduction | Rate of Frequency Reduction | Frequency Reduction | Rate of Frequency Reduction | |
| CS1 | 9.6% | 0.16%/min, 0.027%/°C | 5.3% | 0.06%/min, 0.02%/°C | 1.68% | 0.06%/min, 0.067%/°C |
| CS2 | 9.5% | 0.16%/min, 0.032%/°C | 4.3% | 0.05%/min, 0.017%/°C | 2.5% | 0.04%/min, 0.0005%/°C |
| No | Support Axis/mm | Fire Test Was Stopped | ||||||
|---|---|---|---|---|---|---|---|---|
| Vertical Out-of-Plane Deflection/mm | Temperature of the Bottom Steel Bars/°C | Plate Balance Method | Energy Method | |||||
| Yield Line Theory ① | Equation (15) ② | Yield Line Theory ③ | Equation (30) ④ | ④/② | ||||
| CS1 | 7150 × 5650 | 244.6 | 692 | 2.69 | 5.53 | 4.39 | 5.54 | 1.002 |
| CS2 | 261.4 | 700 | 2.48 | 5.31 | 4.25 | 5.40 | 1.017 | |
Publisher’s Note: MDPI stays neutral with regard to jurisdictional claims in published maps and institutional affiliations. |
© 2022 by the authors. Licensee MDPI, Basel, Switzerland. This article is an open access article distributed under the terms and conditions of the Creative Commons Attribution (CC BY) license (https://creativecommons.org/licenses/by/4.0/).
Share and Cite
Zhu, S.; Dong, Y.; Ye, S.; Zhang, D.; Duan, J. Limit Carrying Capacity Calculation of Two-Way Slabs with Three Simply Supported Edges and One Clamped Edge under Fire. Appl. Sci. 2022, 12, 1561. https://doi.org/10.3390/app12031561
Zhu S, Dong Y, Ye S, Zhang D, Duan J. Limit Carrying Capacity Calculation of Two-Way Slabs with Three Simply Supported Edges and One Clamped Edge under Fire. Applied Sciences. 2022; 12(3):1561. https://doi.org/10.3390/app12031561
Chicago/Turabian StyleZhu, Sanfan, Yuli Dong, Sengui Ye, Dashan Zhang, and Jintao Duan. 2022. "Limit Carrying Capacity Calculation of Two-Way Slabs with Three Simply Supported Edges and One Clamped Edge under Fire" Applied Sciences 12, no. 3: 1561. https://doi.org/10.3390/app12031561
APA StyleZhu, S., Dong, Y., Ye, S., Zhang, D., & Duan, J. (2022). Limit Carrying Capacity Calculation of Two-Way Slabs with Three Simply Supported Edges and One Clamped Edge under Fire. Applied Sciences, 12(3), 1561. https://doi.org/10.3390/app12031561

