Voltage Differencing Buffered Amplifier-Based Novel Truly Mixed-Mode Biquadratic Universal Filter with Versatile Input/Output Features
Abstract
1. Introduction
- (i)
- Number of ABBs employed;
- (ii)
- Count of passive components used;
- (iii)
- A requirement of passive components matching condition;
- (iv)
- Application of negative input for response generation;
- (v)
- A requirement of double voltage input for response realization;
- (vi)
- Low output impedance in the case of VM and TIM filters;
- (vii)
- High output impedance in the case of CM and TAM filters;
- (viii)
- Mode of operation;
- (ix)
- Independent tunability of quality factor and filter frequency;
- (x)
- Can realize all five filter responses;
- (xi)
- Test frequency;
- (xii)
- Power dissipation;
- (xiii)
- Supply voltage;
- (xiv)
- Total harmonic distortion (THD).
| References | (i) | (ii) | (iii) | (iv) | (v) | (vi) | (vii) | (viii) | (ix) | (x) | (xi) (MHz) | (xii) (W) | (xiii) (V) | (xiv) |
|---|---|---|---|---|---|---|---|---|---|---|---|---|---|---|
| [25] | 2-FB-VDBA | 2C + 4R | Yes | NA | NA | Yes | NA | VM/CM | No | No | 1 | – | – | |
| [28] | 2-FB-VDIBA | 2C + 4R | Yes | NA | NA | Yes | NA | VM | No | No | 7.9 | 476 | – | |
| [29] | 2-VD-DIBA | 2C | No | NA | NA | No | NA | VM | No | No | 0.159 | – | 0.76% @ 1.07 V (for HP VM mode) | |
| [33] | 1-ZC-VDBA | 2C | No | NA | NA | NA | No | CM | No | No | 10 | – | ≤10% @ 25 μA (for LP VM mode) | |
| [38] | 1-VDBA | 2C + 3R | No | NA | NA | Yes | NA | VM | No | No | 1.59 | – | – | |
| [39] | 1-VDBA | 2C + 2R | No | NA | NA | NA | No | CM | No | Yes | 0.78 | – | – | |
| [40] | 3-VDBA | 2C | No | NA | NA | Yes | NA | VM | No | No | 0.0469 | – | – | |
| [53] | 2-VD-DIBA | 2C + 2R | No | NA | NA | No | NA | VM | Yes | No | 0.1 | – | ≥1.8% @ 400 mV (for LP VM mode) | |
| This work | 3-VDBA | 2C | No | NA | NA | NA | Yes except (HP) | CM/TAM | Yes | Yes | 16.32 | 5.482 m | ≤4% @ 300 mV (for HP VM mode) |
| References | (i) | (ii) | (iii) | (iv) | (v) | (vi) | (vii) | (viii) | (ix) | (x) | (xi) (MHz) | (xii) (W) | (xiii) (V) | (xiv) |
|---|---|---|---|---|---|---|---|---|---|---|---|---|---|---|
| [23] | 2-VDBA | 2C | No | Yes | No | Yes | NA | VM | No | Yes | 1.19 | 970 | ±1.5 | ≤1% @ 0.4 V (for BP VM mode) |
| [26] | 1-VDIBA | 2C + R | No | No | NA | No | NA | VM | No | Yes | 1.34 | – | – | – |
| [30] | 2-VDBA | 2C | No | No | NA | Yes | NA | VM | No | No | 0.1 | – | ±0.2 | >1.5% @ 50 mV (for VM mode) |
| [31] | 2-VDIBA | 2C | No | No | NA | No | NA | VM | Yes | No | 2.06 | – | ±0.4 | – |
| [32] | 1-VDBA | 2C + 2R | Yes | No | No | No | NA | VM | No | No | 0.88 | – | ±0.9 | – |
| [34] | 2-VDIBA | 2C | No | No | NA | Yes | NA | VM | No | Yes | 12.9 | 2.8 m | ±0.75 | ≤1% @ 85 mV (for VM mode) |
| [35] | 2-VDIBA | 2C + R | No | Yes | No | Yes | NA | VM | Yes | Yes | 10.1 | 1.14 m | ±0.6 | 0.4% @ 25 mV (for VM mode) |
| [36] | 2-VDBA | 2C | No | No | No | Yes | NA | VM | No | Yes | 56 | 440.6 n | ±0.7 | – |
| [37] | 2-VDBA | 2C | No | No | No | Yes | NA | VM | No | No | 47 | – | – | – |
| [41] | 1-VD-DIBA | 2C + R | Yes | No | Yes | Yes | NA | VM | No | Yes | – | – | ±2 | – |
| [42] | 1-VDIBA | 2C | No | No | No | No | NA | VM | No | Yes | 1.59 | – | ±0.9 | 3.15% @ 50 mV (for BP VM mode) |
| [43] | 1-VDBA | 2C | No | No | No | Yes | NA | VM | No | Yes | 0.766 | – | – | – |
| [44] | 2-VDBA | 2C | No | Yes | No | Yes | NA | VM | No | Yes | 1.16 | – | ±1.5 | >3.15% @ 0.8 V (for BP VM mode) |
| [45] | 2-VDBA | 2C | No | Yes | No | Yes | NA | VM | No | Yes | 10.16 | – | ±1.5 | ≤4% @ 28 mV (for VM mode) |
| [46] | 2-VD-DIBA | 2C | No | No | Yes | Yes | NA | VM | No | Yes | 0.1563 | – | ±5 | – |
| [47] | 2-VDBA | 2C | No | Yes | No | Yes | NA | VM | No | Yes | 22 | 750 | ±0.75 | ≥2% @ 50 mV (for BP VM mode) |
| [48] | 1-VDBA | 2C + R | No | Yes | No | No | NA | VM | No | Yes | – | – | ±1.5 | – |
| [49] | 1-VDBA | 2C + R | No | Yes | No | No | NA | VM | Yes | Yes | 19.49 | 360 | ±0.75 | – |
| [50] | 2-VDIBA | 2C + R | No | No | No | No | NA | VM | Yes | No | – | – | ±0.6 | – |
| [51] | 2-VD-DIBA | 2C + 2R | No | No | No | No | NA | VM | Yes | No | 0.3093 | – | ±5 | >4% @ 90 mV (for BP VM mode) |
| [52] | 2-VDBA | 2C | No | Yes | No | Yes | NA | VM | No | Yes | 0.05 | – | ±5 | 2.98% @ 50 mV (for BP VM mode) |
| [53] | 2-VD-DIBA | 2C + 2R | Yes | No | No | Yes | NA | VM | Yes | Yes | 0.1 | – | – | – |
| [54] | 3-VDBA | 2C + 2R | No | No | No | Yes | Yes | VM, TAM | Yes | Yes | 7.2 | 5.47 m | ±1.25 | ≤6% @ 250 mV (for BP VM mode) |
| This work | 3-VDBA | 2C + R | No | No | No | Yes | Yes | VM, CM, TIM, TAM | Yes | Yes | 16.34 | 5.482 m | ±1.25 | ≤4% @ 350 mV (for HP VM mode) |
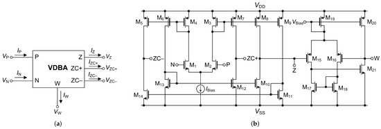
2. Voltage Differencing Buffered Amplifier (VDBA)
3. Proposed Universal Filter
3.1. Operation in VM and TAM Modes
3.2. Operation in Current- and Trans-Impedance-Modes
3.3. SIMO Filter Configuration
4. Non-Ideal Analysis
5. Parasitic Analysis
6. Simulation Results
7. Experimental Validation
8. Conclusions
Author Contributions
Funding
Institutional Review Board Statement
Informed Consent Statement
Data Availability Statement
Conflicts of Interest
Abbreviations and Symbols
| Frequency dependent non-ideal voltage gain | |
| Frequency dependent non-ideal transconductance transfer gains | |
| Carrier mobility | |
| ABB | Active building blocks |
| AP | All-pass |
| BP | Band-pass |
| BR | Band-reject |
| CCII | Second-generation current conveyor |
| CDBA | Current differencing buffer amplifier |
| CFOA | Current feedback operational amplifier |
| CM | Current-mode |
| Gate oxide capacitance per unit area | |
| DDCC | Differential difference current conveyor |
| DDCCII | Differential difference current conveyor |
| DVCC | Differential voltage current conveyor |
| EXCCTA | Extra X current conveyor transconductance amplifier |
| FB-VDBA | Fully balanced voltage differencing buffered amplifier |
| FB-VDIBA | Fully balanced voltage differencing inverting buffered amplifier |
| FDCCII | Fully Differential Current Conveyor |
| Transconductance of the operational transconductance amplifier | |
| HP | High-pass |
| IC | Integrated circuit |
| L | Effective length of the channel |
| LP | Low-pass |
| MCCTA | Modified current conveyor trans-conductance amplifier |
| MISO | Multi input single output |
| MOCCCII | Multi output current controlled current conveyor |
| OTA | Operational transconductance amplifier |
| PDK | Process design kit |
| Q | Quality factor |
| SIMO | Single input multi output |
| TAM | Trans-admittance-mode |
| THD | Total harmonic distortion |
| TIM | Trans-impedance-mode |
| VDBA | Voltage differencing buffered amplifier |
| VD-DIBA | Voltage differencing differential input buffered amplifier |
| VDIBA | Voltage differencing inverting buffered amplifier |
| VDTA | Voltage differencing transconductance amplifier |
| VM | Voltage-mode |
| Threshold voltage | |
| W | Effective channel width |
| ZC-VDBA | Z-copy voltage differencing buffered amplifier |
References
- Mohan, P.A. Current-Mode VLSI Analog Filters: Design and Applications; Springer Science & Business Media: Berlin, Germany, 2003. [Google Scholar] [CrossRef]
- Raut, R.; Swamy, M. Modern Analog Filter Analysis and Design: A Practical Approach; John Wiley & Sons: Hoboken, NJ, USA, 2010. [Google Scholar] [CrossRef]
- Biolek, D.; Senani, R.; Biolkova, V.; Kolka, Z. Active elements for analog signal processing: Classification, review, and new proposals. Radioengineering 2008, 17, 15–32. [Google Scholar]
- Chen, H.P.; Liao, Y.Z.; Lee, W.T. Tunable mixed-mode OTA-C universal filter. Analog Integr. Circuits Signal Process. 2009, 58, 135–141. [Google Scholar] [CrossRef]
- Abuelma’atti, M.T.; Bentrcia, A. A novel mixed-mode OTA-C filter. Frequenz 2003, 57, 157–159. [Google Scholar] [CrossRef]
- Abuelma’atti, M.T.; Bentrcia, A.; Al-Shahrani, S.A.M. A novel mixed-mode current-conveyor-based filter. Int. J. Electron. 2004, 91, 191–197. [Google Scholar] [CrossRef]
- Pandey, N.; Paul, S.K.; Bhattacharyya, A.; Jain, S.B. A new mixed mode biquad using reduced number of active and passive elements. IEICE Electron. Express 2006, 3, 115–121. [Google Scholar] [CrossRef]
- Ibrahim, M.A. Design and analysis of a mixed-mode universal filter using dual-output operational transconductance amplifiers (DO-OTAs). In Proceedings of the 2008 International Conference on Computer and Communication Engineering, Kuala Lumpur, Malaysia, 13–15 May 2008; pp. 915–918. [Google Scholar] [CrossRef]
- Lee, C.N. Multiple-Mode OTA-C Universal Biquad Filters. Circuits Syst. Signal Process. 2010, 29, 263–274. [Google Scholar] [CrossRef]
- Pandey, N.; Paul, S.K.; Bhattacharyya, A.; Jain, S. Realization of Generalized Mixed Mode Universal Filter Using CCCIIs. J. Act. Passiv. Electron. Devices 2010, 5, 279–293. [Google Scholar]
- Pandey, N.; Paul, S.K. Mixed mode universal filter. J. Circuits Syst. Comput. 2013, 22, 1250064. [Google Scholar] [CrossRef]
- Kaçar, F.; Kuntman, A.; Kuntman, H. Mixed-mode biquad filter employing single active element. In Proceedings of the 2013 IEEE 4th Latin American Symposium on Circuits and Systems (LASCAS), Cusco, Peru, 27 February–1 March 2013; pp. 1–4. [Google Scholar] [CrossRef]
- Yeşil, A.; Kaçar, F. Electronically tunable resistorless mixed mode biquad filters. Radioengineering 2013, 22, 1016–1025. [Google Scholar]
- Yuce, E. Fully integrable mixed-mode universal biquad with specific application of the CFOA. AEU-Int. J. Electron. Commun. 2010, 64, 304–309. [Google Scholar] [CrossRef]
- Lee, C.N. Independently tunable mixed-mode universal biquad filter with versatile input/output functions. AEU-Int. J. Electron. Commun. 2016, 70, 1006–1019. [Google Scholar] [CrossRef]
- Tsukutani, T.; Yabuki, N. A DVCC-based mixed-mode biquadratic circuit. J. Electr. Eng. 2018, 6, 52–56. [Google Scholar] [CrossRef]
- Bhaskar, D.R.; Raj, A.; Kumar, P. Mixed-mode universal biquad filter using OTAs. J. Circuits Syst. Comput. 2020, 29, 2050162. [Google Scholar] [CrossRef]
- Lee, C.N.; Yang, W.C. General Mixed-Mode Single-Output DDCC-based Universal Biquad Filter. Int. J. Eng. Res. Technol. (IJERT) 2020, 9, 744–749. [Google Scholar]
- Singh, S.V.; Tomar, R.S.; Chauhan, D.S. A new electronically tunable universal mixed-mode biquad filter. J. Eng. Res. 2016, 2, 1–21. [Google Scholar] [CrossRef]
- Ettaghzouti, T.; Hassen, N.; Besbes, K. Novel multi-input single-output mixed-mode universal filter employing second generation current conveyor circuit. Sens. Circuits Instrum. Syst. Ext. Pap. 2018, 6, 53–64. [Google Scholar] [CrossRef]
- Albrni, M.I.A.; Mohammad, F.; Herencsar, N.; Sampe, J.; Ali, S.H.M. Novel Electronically Tunable Biquadratic Mixed-Mode Universal Filter Capable of Operating in MISO and SIMO Configurations. Inf. MIDEM J. Microelectron. Electron. Compon. Mater. 2020, 50, 189–203. [Google Scholar] [CrossRef]
- Tangsrirat, W. Linearly tunable voltage differencing buffered amplifier. Rev. Roum. Des. Sci. Tech. 2019, 64, 247–253. [Google Scholar]
- Kacar, F.; Yesil, A.; Noori, A. New CMOS realization of voltage differencing buffered amplifier and its biquad filter applications. Radioengineering 2012, 21, 333–339. [Google Scholar]
- Gupta, P.; Pandey, R. A low-power voltage differencing buffered amplifier. Int. J. Circuit Theory Appl. 2019, 47, 1402–1416. [Google Scholar] [CrossRef]
- Biolkova, V.; Kolka, Z.; Biolek, D. Fully balanced voltage differencing buffered amplifier and its applications. In Proceedings of the 2009 52nd IEEE International Midwest Symposium on Circuits and Systems, Cancun, Mexico, 2–5 August 2009; pp. 45–48. [Google Scholar] [CrossRef]
- Pushkar, K.L.; Bhaskar, D.R.; Prasad, D. Voltage-mode new universal biquad filter configuration using a single VDIBA. Circuits Syst. Signal Process. 2014, 33, 275–285. [Google Scholar] [CrossRef]
- Kumari, S.; Gupta, M. New CMOS realization of high performance Voltage Differencing Inverting Buffered Amplifier and its filter application. Analog Integr. Circuits Signal Process. 2017, 92, 167–178. [Google Scholar] [CrossRef]
- Kumari, S.; Gupta, M. A Design and Analysis of Low Voltage FB-VDIBA and Biquad Filter Application. In Proceedings of the 2018 5th International Conference on Signal Processing and Integrated Networks (SPIN), Noida, India, 22–23 February 2018; pp. 301–306. [Google Scholar] [CrossRef]
- Jaikla, W.; Biolek, D.; Siripongdee, S.; Bajer, J. High input impedance voltage-mode biquad filter using VD-DIBAs. Radioengineering 2014, 23, 914–921. [Google Scholar]
- Başak, M.E.; Kacar, F. Ultra-low voltage VDBA design by using PMOS DTMOS transistors. Istanb. Univ. J. Electr. Electron. Eng. 2017, 17, 3463–3469. [Google Scholar]
- Sokmen, O.G.; Tekin, S.A.; Ercan, H.; Alci, M. A novel design of low-voltage VDIBA and filter application. Elektron. Elektrotech. 2016, 22, 51–56. [Google Scholar] [CrossRef][Green Version]
- Bansal, U.; Gupta, M.; Rai, S.K. Resistively compensated and SSF based VDBA offering high GBW and its application as a biquad filter. In Proceedings of the 2017 International Conference on Computer, Communications and Electronics (Comptelix), Jaipur, India, 1–2 July 2017; pp. 221–226. [Google Scholar] [CrossRef]
- Güney, A.; Alaybeyoğlu, E.; Kuntman, H. New CMOS realization of Z copy voltage differencing buffered amplifier and its current-mode filter application. In Proceedings of the 2013 8th International Conference on Design & Technology of Integrated Systems in Nanoscale Era (DTIS), Abu Dhabi, United Arab Emirates, 26–28 March 2013; pp. 68–71. [Google Scholar] [CrossRef]
- Gupta, M.; Srivastava, R.; Singh, U. Low-voltage low-power FGMOS based VDIBA and its application as universal filter. Microelectron. J. 2015, 46, 125–134. [Google Scholar] [CrossRef]
- Kumari, S.; Gupta, M. Design and Analysis of Tunable Voltage Differencing Inverting Buffered Amplifier (VDIBA) with Enhanced Performance and Its Application in Filters. Wirel. Pers. Commun. 2018, 100, 877–894. [Google Scholar] [CrossRef]
- Srivastava, R.; Gupta, O.K.; Kumar, A.; Singh, D. Low-voltage bulk-driven self-cascode transistor based voltage differencing inverting buffered amplifier and its application as universal filter. Microelectron. J. 2020, 102, 104828. [Google Scholar] [CrossRef]
- Mamatov, I.; Özçelep, Y.; Kaçar, F. Voltage differencing buffered amplifier based low power, high frequency and universal filters using 32 nm CNTFET technology. Microelectron. J. 2021, 107, 104948. [Google Scholar] [CrossRef]
- Gupta, P.; Pandey, R. Single VDBA based multifunction filter. Int. J. Control Theory Appl. 2017, 10, 651–661. [Google Scholar]
- Yadav, C.K.; Prasad, D.; Haseeb, Z.; Kumar, M. CM-Biquad filter using single DO-VDBA. Circuits Syst. 2018, 9, 133–139. [Google Scholar] [CrossRef][Green Version]
- Khatib, N.; Biolek, D. New voltage-mode universal filter based on promising structure of voltage differencing buffered amplifier. In Proceedings of the 2013 23rd International Conference Radioelektronika, Pardubice, Czech Republic, 16–17 April 2013; pp. 177–181. [Google Scholar] [CrossRef]
- Pushkar, K.L.; Bhaskar, D.R.; Prasad, D. Voltage-mode universal biquad filter employing single voltage differencing differential input buffered amplifier. Circuits Syst. 2013, 4, 44–48. [Google Scholar] [CrossRef]
- Herencsar, N.; Cicekoglu, O.; Sotner, R.; Koton, J.; Vrba, K. New resistorless tunable voltage-mode universal filter using single VDIBA. Analog Integr. Circuits Signal Process. 2013, 76, 251–260. [Google Scholar] [CrossRef]
- Onjan, O.; Unhavanich, S.; Tangsrirat, W. SFG actualization of general nth-order voltage transfer functions using VDBAs. In Proceedings of the International MultiConference of Engineers and Computer Scientists, Hong Kong, China, 16–18 March 2016; pp. 585–589. [Google Scholar] [CrossRef]
- Ismael, A.R. CMOS Implementation Of VDBA To Design Symmetric Filters. J. Multidiscip. Eng. Sci. Technol. (JMEST) 2016, 3, 4178–4181. [Google Scholar]
- Ismael, A.R. The applications employed to design a new kind of filter using the active element (VDBA). Kirkuk Univ. J. Sci. Stud. 2016, 11. [Google Scholar] [CrossRef]
- Ninsraku, W.; Biolek, D.; Jaikla, W.; Siripongdee, S.; Suwanjan, P. Electronically controlled high input and low output impedance voltage-mode multifunction filter with grounded capacitors. AEU Int. J. Electron. Commun. 2014, 68, 1239–1246. [Google Scholar] [CrossRef]
- Pimpol, J.; Roongmuanpha, N.; Tangsrirat, W. Low-output-impedance electronically adjustable universal filter using voltage differencing buffered amplifiers. In Proceedings of the 8th International Conference on Informatics, Environment, Energy and Applications, Osaka, Japan, 16–19 March 2019; pp. 200–203. [Google Scholar] [CrossRef]
- Pushkar, K.L.; Singh, G.; Kumar, S. Single VDBA-Based Voltage-Mode Universal Biquadratic Filter. In Proceedings of the 2018 2nd IEEE International Conference on Power Electronics, Intelligent Control and Energy Systems (ICPEICES), Delhi, India, 22–24 October 2018; pp. 788–791. [Google Scholar] [CrossRef]
- Roongmuanpha, N.; Pukkalanun, T.; Tangsrirat, W. Three-Input One-Output Voltage-Mode Biquadratic Filter Using Single VDBA. In Proceedings of the 2020 8th International Electrical Engineering Congress (iEECON), Chiang Mai, Thailand, 4–6 March 2020; pp. 1–4. [Google Scholar] [CrossRef]
- Singh, P.; Kumar, V.; Patnaik, L.P.; Islam, A. A VDIBA Based Voltage-Mode Highpass and Bandpass Filter. In Proceedings of the Annual Convention of the Computer Society of India; Springer Nature: Singapore, 2018; pp. 83–89. [Google Scholar] [CrossRef]
- Jardrit, P.; Jaikla, W.; Siripogdee, S.; Chaichana, A.; Sotner, R.; Khateb, F. Design of High Input Impedance Voltage-mode Multifunction Biquad Filter with Independent Control of Natural Frequency and Quality Factor. In Proceedings of the 2020 17th International Conference on Electrical Engineering/Electronics, Computer, Telecommunications and Information Technology (ECTI-CON), Phuket, Thailand, 24–27 June 2020; pp. 234–237. [Google Scholar] [CrossRef]
- Roongmuanpha, N.; Pukkalanun, T.; Tangsrirat, W. Practical realization of electronically adjustable universal filter using commercially available IC-based VBDA. Eng. Rev. 2021, 41, 1–9. [Google Scholar] [CrossRef]
- Jaikla, W.; Siripongdee, S.; Khateb, F.; Sotner, R.; Silaphan, P.; Suwanjan, P.; Chaichana, A. Synthesis of Biquad Filters using Two VD-DIBAs with Independent Control of Quality Factor and Natural Frequency. AEU Int. J. Electron. Commun. 2021, 132, 153601. [Google Scholar] [CrossRef]
- Faseehuddin, M.; Albrni, M.; Sampe, J.; Ali, S.H.M. Novel VDBA based universal filter topologies with minimum passive components. J. Eng. Res. 2021, 9, 110–130. [Google Scholar] [CrossRef]
- IEEE Recommended Practice and Requirements for Harmonic Control in Electric Power Systems; IEEE Std 519-2014 (Revision of IEEE Std 519-1992); IEEE: Dallas, TX, USA, 2014; pp. 1–29. [CrossRef]
- Tsividis, Y.; McAndrew, C. Operation and Modeling of the MOS Transistor; Oxford University Press: Oxford, UK, 2011. [Google Scholar]
- Filanovsky, I.; Allam, A. Mutual compensation of mobility and threshold voltage temperature effects with applications in CMOS circuits. IEEE Trans. Circuits Syst. Fundam. Theory Appl. 2001, 48, 876–884. [Google Scholar] [CrossRef]
- Roongmuanpha, N.; Faseehuddin, M.; Herencsar, N.; Tangsrirat, W. Tunable Mixed-Mode Voltage Differencing Buffered Amplifier-Based Universal Filter with Independently High-Q Factor Controllability. Appl. Sci. 2021, 11, 9606. [Google Scholar] [CrossRef]



























| Response | Inputs | ||
|---|---|---|---|
| V1 | V2 | V3 | |
| LP | Vin | 0 | 0 |
| HP | 0 | Vin | 0 |
| BP | 0 | 0 | Vin |
| BR | Vin | Vin | 0 |
| AP | Vin | Vin | Vin |
| Response | Inputs | |||
|---|---|---|---|---|
| I1 | I2 | I3 | I4 | |
| LP | Iin | 0 | 0 | 0 |
| HP | Iin | Iin | Iin | Iin |
| BP | 0 | Iin | 0 | 0 |
| BR | 0 | Iin | Iin | Iin |
| AP | Iin | 2Iin | Iin | Iin |
| Transistor | Width (m) | Length (m) |
|---|---|---|
| M1–M4, M10–M16 | 1.8 | 0.36 |
| M5–M9 | 5.4 | 0.36 |
| M17–M18 | 1.2 | 0.36 |
| M19–M20 | 4.8 | 0.36 |
| M21 | 2.4 | 0.36 |
| Parameters | Values |
|---|---|
| Parasitics at nodes P and N @ 1 kHz: | |
| 25 G | |
| Parasitics at W node: , | 140.89 , 0.923 H |
| Parasitics at nodes Z, ZC + ZC−: | |
| , | 64.4 k, 26.3 fF |
| Voltage gain: | 0.985 |
| Voltage transfer bandwidth: | 3.0262 GHz |
| DC voltage range: | ±900 mV |
| Static power dissipation | 1.618 mW |
| References | No. of ABBs | No. of PassiveComponents | IndependentTuning of Q | All Five Filter Responses Available in Four Operation Modes | Low Output Impedance for VM and TIM | No Requirement for Double/Negative Input Signals Voltage | In-BuiltTunability | TestFrequency(MHz) | Power Dissipation (W) | Supply Voltage (V) | THD |
|---|---|---|---|---|---|---|---|---|---|---|---|
| [5]/2003 | 6-OTA | 2C | No | No | No | Yes | Yes | – | – | – | – |
| [6]/2004 | 7-CCII | 2C + 8R | No | Yes | No | Yes | No | – | – | – | – |
| [7]/2006 | 3-CCII | 3C + 4R + 2-switch | No | Yes | No | Yes | No | – | – | ±12 | – |
| [8]/2008 | 4-OTA | 2C | No | No | No | Yes | Yes | 2.25 | – | – | – |
| [9]/2010 | 5-OTA | 2C | No | Yes | No | No | Yes | 1.59 | – | ±1.25 |
0.777% @ 0.4 VP-P (for LP VM mode) |
| [10]/2010 | 2-MOCCCII | 2C + 2R | Yes | Yes | No | Yes | Yes | 1.27 | – | ±2.5 |
≤3% @ 100 μA (for BP CM mode) |
| [11]/2013 | 4-MOCCCII | 2C | No | Yes | Yes | No | Yes | – | – | ±1.25 | ≥0.5% @ 150 μA |
| [12]/2013 | 1-FDCCII | 2C + 2R | No | No | No | Yes | No | 10 | – | ±0.9 | – |
| [13]/2013 | 2-VDTA | 2C | Yes | No | No | Yes | Yes | 1 | – | ±1.5 |
≤3% @ 400 mV (for BP VM mode) |
| [14]/2010 | 1-CFOA | 2C + 3R | Yes | No | No | No | No | 12.7 | 2.53 m | ±1.25 |
≥4% @ 40 μA (for BP CM mode) |
| [15]/2016 | 1-FDCCII +1-DDCC | 2C + 6R | Yes | Yes | No | No | No | 1.59 | – | ±0.9 |
≤4% @ 400 mV (for AP VM mode) |
| [16]/2018 | 5-DVCC | 2C + 5R | Yes | Yes | No | Yes | No | 1 | 471 | ±0.8 | – |
| [17]/2019 | 5-OTA | 2C | Yes | Yes | No | Yes | Yes | 3.39 | 191.7 | ±0.9 | – |
| [18]/2020 | 3-DDCCII | 2C + 4R | No | Yes | No | Yes | No | 3.978 | – | ±1.25 | – |
| [19]/2016 | 1-MCCTA | 2C + 2R | Yes | Yes | No | Yes | Yes | 12.16 | – | – |
≤3% @ 70 μA (for BP CM mode) |
| [20]/2018 | 4-CCII | 2C + 4R | Yes | No | No | Yes | No | 31.8 | – | – | – |
| This work | 3-VDBA | 2C + R | Yes | Yes | Yes | Yes | Yes | 16.32 | 5.482 m | ±1.25 | ≤4% @ 350 mV (for HP VM mode) |
Publisher’s Note: MDPI stays neutral with regard to jurisdictional claims in published maps and institutional affiliations. |
© 2022 by the authors. Licensee MDPI, Basel, Switzerland. This article is an open access article distributed under the terms and conditions of the Creative Commons Attribution (CC BY) license (https://creativecommons.org/licenses/by/4.0/).
Share and Cite
Faseehuddin, M.; Herencsar, N.; Shireen, S.; Tangsrirat, W.; Md Ali, S.H. Voltage Differencing Buffered Amplifier-Based Novel Truly Mixed-Mode Biquadratic Universal Filter with Versatile Input/Output Features. Appl. Sci. 2022, 12, 1229. https://doi.org/10.3390/app12031229
Faseehuddin M, Herencsar N, Shireen S, Tangsrirat W, Md Ali SH. Voltage Differencing Buffered Amplifier-Based Novel Truly Mixed-Mode Biquadratic Universal Filter with Versatile Input/Output Features. Applied Sciences. 2022; 12(3):1229. https://doi.org/10.3390/app12031229
Chicago/Turabian StyleFaseehuddin, Mohammad, Norbert Herencsar, Sadia Shireen, Worapong Tangsrirat, and Sawal Hamid Md Ali. 2022. "Voltage Differencing Buffered Amplifier-Based Novel Truly Mixed-Mode Biquadratic Universal Filter with Versatile Input/Output Features" Applied Sciences 12, no. 3: 1229. https://doi.org/10.3390/app12031229
APA StyleFaseehuddin, M., Herencsar, N., Shireen, S., Tangsrirat, W., & Md Ali, S. H. (2022). Voltage Differencing Buffered Amplifier-Based Novel Truly Mixed-Mode Biquadratic Universal Filter with Versatile Input/Output Features. Applied Sciences, 12(3), 1229. https://doi.org/10.3390/app12031229

