Next Article in Journal
GIS-Based Cluster and Suitability Analysis of Crop Residues: A Case Study in Yangon Region, Myanmar
Next Article in Special Issue
Mass–Energy Profiles Obtained by Quantum Chemical Computing Applied in Mass Spectrometry: A Case Study with Identification of a Group of Acetalized Monosaccharide Isomers
Previous Article in Journal
Technology and Management Applied in Construction Engineering Projects
 
 
Font Type:
Arial Georgia Verdana
Font Size:
Aa Aa Aa
Line Spacing:
Column Width:
Background:
Article

Validation of Diesel Fraction Content in Heavy Oils Measured by High Temperature Simulated Distillation and Physical Vacuum Distillation by Performance of Commercial Distillation Test and Process Simulation

1
LUKOIL Neftohim Burgas, 8104 Burgas, Bulgaria
2
Institute of Biophysics and Biomedical Engineering, Bulgarian Academy of Sciences, Georgi Bonchev 105, 1113 Sofia, Bulgaria
3
Department Industrial Technologies and Management, University prof. dr. Assen Zlatarov, Professor Yakimov 1, 8010 Burgas, Bulgaria
*
Author to whom correspondence should be addressed.
Appl. Sci. 2022, 12(22), 11824; https://doi.org/10.3390/app122211824
Submission received: 8 November 2022 / Revised: 17 November 2022 / Accepted: 18 November 2022 / Published: 21 November 2022
(This article belongs to the Special Issue Validation and Measurement in Analytical Chemistry: Practical Aspects)

Abstract

:
A gas chromatography high temperature simulation distillation (HTSD: ASTM D 7169), and physical vacuum distillation (ASTM D 1160) were employed to characterize H-Oil vacuum distillates, straight run vacuum distillates, and hydrotreated vacuum distillates with the aim to determine their content of diesel fraction and evaluate the possible higher extraction of diesel fraction from the heavy oils. The ASTM D 7169 reported about six times as high diesel fraction content in H-Oil heavy distillates as that reported by the ASTM D 1160 method. Performing a commercial distillation column test along with a simulation of the column operation using data of both ASTM methods and a software process simulator revealed that the HTSD is the more valid method for proper determination of the diesel fraction content in heavy oils. The software process simulation of the commercial distillation column operation suggests that the HTSD could be considered as a true boiling point distillation method for heavy oils. The separation of the diesel fraction from the H-Oil heavy distillates quantified by the HTSD could deliver oil refining profit improvement in the amount of six digits USD per year.

1. Introduction

Petroleum refining economics favor increased production of light oil products (boiling below 360 °C) at the expense of decreased production of heavy oils (boiling above 360 °C) [1,2]. The yields of light oil products depend not only on the characteristics of the crude oil processed and the conversion level in the heavy oil conversion units, such as fluid catalytic cracking, hydrocracking, and thermal cracking (visbreaking, or coking), but also on the efficiency of the distillation columns separating the light oils from the heavy oils [3,4,5,6]. The efficiency of the distillation column performance is typically controlled by examination of the amount of light oil content remaining in the heavy oil and the amount of heavy oil remaining in the light oil [7]. This is carried out by laboratory distillation tests following the ASTM standards of the distillation column products. Over the years, gas chromatography (GC) simulated distillation methods have found widespread application in the refining industry to help control the quality of fractionation taking place in commercial oil refining distillation columns, especially in those which fractionate mixtures containing heavy oils [8,9,10,11,12,13,14,15,16,17,18,19,20,21,22,23]. Because of their greater precision, lower cost per sample, reduced manual work, and safer process, simulated distillation methods replaced the physical vacuum distillation methods ASTM D 1160 and ASTM D 5236 [20]. Nevertheless, the suppliers of simulated distillation gas chromatography equipment provide correlations to convert the simulated distillation data into the physical distillation methods ASTM D 86 and ASTM D 1160 for more convenient use by the refiners. While the GC simulated distillation ASTM D 2887 was proved to be equivalent to the true boiling point (TBP) distillation according to the standard ASTM D 2892 [24] for light oils, the high temperature simulated distillation HTSD (ASTM D 7169) has not yet proved its equivalency to the TBP distillation for heavy oils. The different boiling point distributions reported by the HTSD and the ASTM D 1160 raise the following question: which distillation method provides more reliable and valid information about the remaining amount of the more valuable light oil in the less valuable heavy oil? Figure 1 illustrates the lower yield of diesel fraction in samples of heavy oils (atmospheric residue, straight run vacuum distillate, hydrotreated vacuum distillate, H-Oil heavy atmospheric gas oil (HAGO), light vacuum gas oil (LVGO), heavy vacuum gas oil (HVGO), and fluid catalytic cracking (FCC) feed hydrotreater diesel fraction when the ASTM D 1160 method is used.
Understandably, the question arises whether it is possible to extract more diesel from the heavy oils. If one uses the ASTM D 1160 distillation data, the answer to this question could be no, but if the ASTM D 7169 is used, the answer could be yes. Another important question, which is also related to the evaluation of the feasibility to extract more diesel fraction from the heavy oil products, is which distillation data should be used in the process of the commercial distillation column performance simulation? Kaes [25], for example, recommends the use of the ASTM D 1160 standard to characterize heavy oils instead of the simulation distillation in process simulation. While, Golden et al. [26,27,28] strongly recommend the employment of ASTM D 7169 when commercial distillation column operation simulation is concerned. A commercial distillation test at an operating distillation column separating mixtures containing heavy oils and simulation of its performance by a software process simulator may give an answer which laboratory distillation method ASTM D 7169 or ASTM D 1160 reports the correct value for the heavy oil diesel fraction content. For that reason, a commercial test at a FCC feed hydrotreater main fractionator was organized and performed in which the heavy oil streams were characterized by ASTM D 7169 and ASTM D 1160 methods. A simulation of the FCC feed hydrotreater main fractionator operation was carried out using a software process simulator and both ASTM D 7169, andASTM D 1160 distillation data.
The aim of this research is to verify which method: the ASTM D 7169 or ASTM D 1160, provides more reliable and valid information about the distillation characteristics of heavy oils, which can be used to optimize the process of extraction of the more valuable diesel fraction from heavy oils.

2. Materials and Methods

2.1. Materials and Laboratory Tests

Heavy atmospheric gas oil (HAGO), light vacuum gas oil (LVGO), and heavy vacuum gas oil (HVGO) from a commercial H-Oil ebullated bed vacuum residue hydrocracker with property range of variation shown in our recent research [29] were subject to ASTM D 7169 and ASTM D 1160 distillation analysis. Besides, straight run vacuum distillate, stabilized hydrotreated vacuum distillate, and diesel fraction from a FCC feed hydrotreater were also subject to ASTM D 7169 [30] and ASTM D 1160 [31] distillation analysis. Density at 15 °C of the studied oils was measured in accordance to ASTM D 4052 method [32].
The physical vacuum distillation analyses were carried out in Euro Dist MPS (ROFA) according to ASTM D-1160 requirements. The pressure in the Euro Dist MPS ASTM D-1160 apparatus during the whole analysis was 1 mm Hg.
The HTSD analyses were carried out with the Agilent Technologies GC System 7890B, which was equipped with FID (flame ionization detector). Liquid nitrogen was used as a coolant. The carrier gas was helium with 99.9999% purity (14 mL/min), the inlet pressure was 1.2 psi (8.27 kPa) with the total flow equal to 87 mL/min. Hydrogen was used as a fuel gas (40 mL/min) and nitrogen was a makeup gas (15 mL/min), both with high purity (99.999%). The installed column was 5 m long, 530 μm in diameter and the film thickness was 0.15 μm. The oven operated under the program from −20 °C to 430 °C at a ramp rate of 15 °C/min and a 4 min hold time at the maximum temperature. The injector was programmed to operate from 50 °C to 450 °C, at a rate of 15 °C/min, injected sample volume was 4 μL. Before the simulated distillation analyses of the studied oil samples they were stirred preliminary, accurately weighted to achieve 2 weight percent of studied oils dissolved in carbon disulphide (0.03 g of the sample dissolved in 1.5 mL CS2 (99.9%)). All prepared samples were stored at a temperature around 4 °C prior to analyses. The simulated distillation characteristics were automatically calculated by the SIMDIS software and the distillation curve boiling point in °C versus evaporate in wt.% was obtained. Minor intervention of the operator took place during the chromatograms processing. The HTSD GC was calibrated with a blend of normal paraffins having a carbon number between C5 and C120. The software (GC OpenLab CDS with Simdis program for ASTM D-7169) used in this application of HTSD allows estimating of the final boiling point of the residual oils higher than 750 °C.
The repeatability of both studied laboratory distillation methods ASTM D 7169 and ASTM D 1160 applied to the H-Oil heavy distillates investigated in this work are summarized in Table 1. The data in Table 1 also include the costs of performance of a single analysis by both methods, expressed in USD.

2.2. Commercial Distillation Test

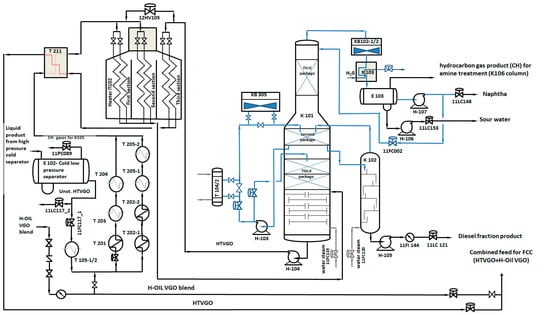
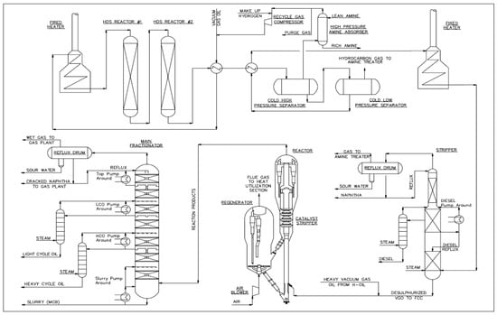
The commercial test was carried out at the LUKOIL Neftohim Burgas (LNB) fluid catalytic cracking (FCC) complex unit. It consists of feed hydrotreating, FCC reactor-regenerator and fractionation sections. A process diagram of the LNB FCC complex is presented in Figure 2. More details about the LNB FCC complex unit is presented in our earlier research [33].
The commercial test consisted in processing of a definite quantity of a blend from H-Oil heavy atmospheric gas oil, light, and heavy vacuum gas oils which were characterized by the ASTM D 1160 method, and the ASTM D 7169 method in the stabilization column of the FCC feed hydrotreating section (see Figure 2). The stabilization column of the FCC feed hydrotreating section has three beds filled with Sulzer structured packing and operates at an absolute pressure of 1.5 bars. It fractionates the reaction mixture leaving the FCCPT reactors into gas, naphtha, diesel, and stabilized hydrotreated vacuum gas oil (VGO). The diesel fraction is separated from the second packing bed and is stripped with steam in a stripping column as shown in Figure 2. Two cases were studied in this work. The first one was that of the typical FCCPT stabilization column operation. The second one was that of the typical FCCPT stabilization column operation plus processing of additional 24.4 wt.% of H-Oil vacuum gas oils (of fresh FCCPT feed).
Figure 3 presents a flow chart describing the methodology and procedures to validate the diesel fraction content in H-Oil VGO measured by ASTM D 7169 and ASTM D 1160
Legend explanation:
G = content of diesel fraction, measured by ASTM D 7169, wt.%;
E = content of diesel fraction, measured by ASTM D 1160, vol.%
X = FCCPT fractionation section feed rate, t/h;
Y = FCCPT fractionation section diesel product rate, t/h;
Y + ΔY = FCCPT fractionation section diesel product rate when H-Oil VGO is processed, t/h;
Z = H-Oil VGO processed in FCCPT fractionation section, t/h;
B = H-Oil diesel flow rate estimated as a multiplication of H-Oil VGO flow rate by the content of diesel fraction, measured by ASTM D 7169, t/h;
C = H-Oil diesel flow rate estimated as a multiplication of H-Oil VGO flow rate by the content of diesel fraction, measured by ASTM D 1160, multiplied by the density of H-Oil diesel, t/h;
Comparison of ΔY with B, and C
If ΔY ≈ B (C), then ASTM D 7169 (ASTM D 1160) correctly quantifies diesel content in H-Oil VGO;
If ΔY > B (C), then ASTM D 7169 (ASTM D 1160) underestimates the diesel content in H-Oil VGO;
If ΔY < B (C), then ASTM D 7169 (ASTM D 1160) overestimates the diesel content in H-Oil VGO.

2.3. Commercial Distillation Process Simulation

A software process simulator was employed to simulate the FCCPT main fractionator operation for both cases using as input process stream characteristics those obtained by the ASTM D 1160, and the (ASTM D 7169 methods. All distillation curves were converted to True Boiling Point (TBP) curves using published in literature methods [34,35]. ASTM D86 distillation curves were converted with API Procedure 3A1.1 to TBP Curves [34]. ASTM D1160 distillation data are entered as atmospheric pressure equivalent temperature curve (AET) and is converted to TBP using the procedure described in API Technical Data book [35]. The ASTM D 2887 (simulated distillation) curve is converted by a two-step process—first to weight % ASTM D86 curve and then to TBP in accordance with the procedure described by Riazi [34]. HTDS (ASTM D7169) distillation curves are entered as a weight % true boiling point curves for the lack of a correlation to convert it to TBP Curve. Standard methods were applied for the generation of the pseudo-components and their molecular weight, critical properties and physical properties: New API method (Riazi–Daubert extended method) for molecular weight prediction, API Method for critical properties prediction [34].
Based on the measured flow rate of all outlet streams of the FCCPT stabilization column, the characteristics of the column inlet stream were obtained through summation. A simulation model was created for the stabilization section where the stabilization column is located. The Grayson–Streed equation [36] was used for the phase equilibrium calculations and the Lee–Kesler equation [37,38] was used for the enthalpy calculations.
The simulation model was fine-tuned to match the instrument readings as close as possible. The instrument readings are from a snapshot of the FCCPT Stabilization Section actual operation at the moment the product samples were collected (usually at 8:00 am). The only variable that was left free was the flowrate of the diesel fraction from the side-stripper column K-102.

3. Results

3.1. Laboratory Test Results

Figure 4 summarizes the variation of diesel fraction content (boiling ≤ 360 °C) in H-Oil HAGO, and LVGO for 2021 and 2022, when ASTM D 7169 is used. It is evident from these data that diesel in HAGO varies between 10.4 and 53.4 wt.%, averaging at 21.7 wt.%. Whereas the diesel in LVGO varies between 18 and 42 wt.%, averaging at 24.8 wt.%. It is clear from these data that a sufficient amount of diesel fraction remains in the H-Oil heavy distillates, which is unfavorable from an oil refining economic point of viewm and presents a strong incentive to recover the diesel fraction from H-Oil HAGO, and LVGO. However, the physical distillation data obtained by the use of ASTM D 1160 exhibits much lower content of diesel fraction in H-Oil HAGO, and LVGO as shown in Figure 5. The data in Figure 5a indicate 2.3 vol.% diesel fraction content in HAGO, according to ASTM D 1160, versus 12.4 wt.% according to the ASTM D 7169 method. The data in Figure 5 b indicate 5.0 vol.% diesel fraction content in LVGO, according to ASTM D 1160, versus 18.2 wt.% according to the ASTM D 7169 method. The ASTM D 1160 results disprove the opinion of poor diesel extraction in the H-Oil fractionator columns based on the ASTM D 7169 results. In order to validate which method provides more reliable information about the content of diesel fraction in H-Oil heavy distillates, a decision was made to perform a commercial test in which the H-Oil heavy distillates were to be processed in the FCCPT main fractionator.

3.2. Commercial Distillation Test Results

Table 2 summarizes the operating conditions in the FCC feed hydrotreating section during the commercial test with and without processing H-Oil heavy distillates in the FCC feed hydrotreater stabilization column. For a better understanding of the meaning of the process parameters shown in Table 2, a more detailed diagram of the FCC feed hydrotreating section stabilization column and the stripping column is given in Figure 6.
It is evident from the data in Table 2 that the operating conditions in the FCC feed hydrotreating section were almost the same for both studied cases. This may imply that any additional quantity of produced diesel in the FCC feed hydrotreating section should come from the additional H-Oil VGO blend processed in the stabilization column.
Table 3 presents data of the material balance of the LNB FCC feed hydrotreating section (called also FCC pretreater) for both studied cases in this research: Case 1—without processing H-Oil heavy distillates (VGO = vacuum gas oil); and Case 2—with processing H-Oil VGO. The data in Table 3 indicates that the processing of 39 t/h H-Oil VGO blend resulted in 3.4 t/h higher amount of produced diesel fraction from the FCC feed hydrotreating section. This equals to 8.7 wt.% of the H-Oil VGO processed in the FCCPT stabilization column.
Table 4 presents data for the characteristics of FCCPT feed, HTVGO, and diesel, and those of the H-Oil heavy distillates measured by the ASTM D 1160 and the ASTM D 7169 methods for Case 2. It is worth mentioning here that the characteristics of the FCCPT feed, HTVGO, and diesel for Case 1 were identical with those of Case 2. The data in Table 4 indicates again a very big difference in the content of diesel fraction (boiling ≤ 360 °C) in the H-Oil VGO blend, that is additionally processed in the FCCPT stabilization column, measured by ASTM D 7169 (9.6 wt.%) and by the ASTM D 1160 (1.7 vol.%). If one takes a look at the data in Table 3, it can be seen that the additional amount of diesel separated from the FCCPT stabilization column, that comes from the H-Oil VGO blend, presents 8.7 wt.% of the H-Oil VGO processed in the column. This value is very close to that measured by the ASTM D 7169 and too far from the value reported by the ASTM D 1160 method. It should be pointed out here that the characteristics of the diesel fraction separated from the FCCPT stabilization column and the following stripping column were the same for both studied cases. This means that the increased quantity of produced diesel fraction from the FCCPT stabilization column and the following stripping column comes from the increased content of diesel fraction in the H-Oil VGO blend.
Table 5 presents data of FCC section operating conditions and FCC yields registered for Case 1, and Case 2 studied in this work. This data shows that the separation of diesel fraction from the H-Oil VGO not only increases the amount of diesel produced in the refinery, but also enhances the conversion in the FCC unit, at the expense of lowering the light cycle oil (LCO) yield. By doing an economical evaluation using the LP (linear programming) model of the LNB refinery, the margin improvement from the separation of diesel fraction from the H-Oil VGO amounts to about 7 MM USD/year.

3.3. Distillation Process Simulation Results

The results from the simulation of the FCCPT stabilization column operation by the use of the software process simulator are presented in the Supplementary Materials as Figures S1–S6.
The feed for the FCCPT stabilization column has been reconstituted on the base of data for the distillation characteristics, the density of the liquid products, and the individual component composition of the gaseous products. Three cases were simulated: Simulation Case 1 using ASTM D 86 for wild naphtha, and diesel distillation data characterization, and simulated distillation ASTM D 2887 extended for the stabilized HTVGO characterization; Simulation Case 2 with the H-Oil VGO blend, and the stabilized HTVGO (the bottom product from the FCCPT stabilization column) distillation characteristics measured by the ASTM D 1160; and Simulation Case 3 with the H-Oil VGO blend, and the stabilized HTVGO distillation characteristics measured by the ASTM D 7169 method. Characteristics of the hydrocarbon gas product, the wild naphtha, the diesel fraction, and the stable hydrotreated VGO for the three studied simulation cases are presented in Tables S1–S4. It is evident from the data in the Tables S1–S3 that the distillation characteristics of the wild naphtha, the diesel fraction, and the stabilized hydriotreated VGO (HTVGO) are almost the same, that is an indicator of the same efficiency of fractionation for all studied cases.
It is interesting to note that the sulphur content in the diesel faction and the HTVGO is higher in Case 2 due to the higher sulphur content in the H-Oil VGO blend. This is also an indicator that the diesel fraction in Case 2 contains material from the H-Oil VGO blend.
The outlet stream summation for Simulation Case 1 is shown in Figure S1. The FCCPT stabilization section simulation for heat and material balance for Simulation Case 1 is represented in Figure S2, where the calculated temperature, pressure, and mass flowrate for each material stream is displayed along with the readings from the instruments. It can be seen from this data that the simulation model is a close representation of the actual operation of the FCCPT stabilization section.
In Figure S3 the summation of the FCCPT stabilization column outlet streams to form the inlet stream composition is done, while the characterization of the H-Oil VGO blend and the stabilized HTVGO streams is based on the ASTM D1160 analyses. The following assumption was made for Simulation Case 2: since the flowrate and characteristics of the feedstock to FCCPT stabilization section are the same for Simulation Case 1 and Simulation Case 2, the same yield of the diesel fraction is assumed for Simulation Case 1 and Simulation Case 2 with the same distillation curve.
Figure S4 represents the heat and material balance performed for Simulation Case 2, using the above-mentioned ASTM D 1160 analyses to sum-up the inlet stream to the FCCPT stabilization section. It is visible that the flow rate of the diesel outlet stream from the side-stripper K-102 deviates considerably from the amount measured with the field flowmeter.
Figure S5 shows the summation of the outlet streams of the FCCPT stabilization section, but now the characterization of the H-Oil VGO blend and the HTVGO are defined using the results from the ASTM D 7169 analyses. It shall be noted that the ASTM D 7169 distillation curves were entered as TBP curves directly. The same applies for the flowrate and distillation properties of the diesel fraction in this version of Simulation Case 3. Figure S6 displays the heat and material balance for Simulation Case 3, where the inlet stream uses the VGO streams characterization by HTSD ASTM D 7169 method. It can be seen that the material balance here closely matches the actual plant operation. The diesel draw-off temperature is slightly higher than the actual instrument readings and could be attributed to deviations of the predicted essential properties of the heavier (360 °C+) pseudo-components, such as molecular weight and critical properties.

4. Discussion

The proper characterization of petroleum oils is important not only for distillation column design but also for correct evaluation of the existent separation equipment performance [26,27,28]. Kaes [25] states that an ASTM D 1160 apparatus can be used to extend the crude TBP data. He pointed out that the ASTM D 1160 distillation better approximates a TBP distillation because it is carried out under vacuum; can distill heavier materials than a TBP; much simpler to run than TBP; and it is the best test for refinery vacuum distillation unit calculations [25]. Kaes considers the gas chromatographic simulated distillation method to be an unreliable method for conversion to TBP curve, and due to the fact that it derives the boiling data by using standard mixtures of n-paraffins, it is deemed to report inaccurate results for streams with significant aromatic content [25].
Golden et al. [26,27,28], however, argue that the use of the ASTM D 1160 method is worse than employing inaccurate TBP data in the design process of a vacuum distillation column. They conclude that few designers know the proper feed characterization techniques, including the use of a modern ASTM D 7169 chromatographic method. Golden et al. summarize that more than 50 vacuum distillation units have been field tested to confirm the validity of using ASTM D 7169 as a TBP curve to model crude and vacuum distillation unit operation [35].
While Kaes [25] seems to prefer using ASTM D 1160 for heavy oil characterization, Golden et al. [26,27,28] categorically deny ASTM D 1160, and strongly recommend the use of ASTM D 7169 for characterization of heavy oils.
The data shown in Figure 5 appear similar to the comparison of distillation curves of the ASTM D 86 and the simulated distillation (ASTM D 2887) reported by Riazi [30]. The data in Figure 5 also look similar to the ASTM D 86 and TBP curves reported by Riazi [30] Both the TBP and simulation distillation curves lie below the ASTM D 86 and the ASTM D 1160 curves for evaporation lower than 50% and lie above these curves for evaporation higher than 50%. Riazi [30] argues that the ASTM D 86 distillation data do not represent actual boiling point of components in a petroleum fraction, while the TBP, due to the high degree of fractionation, gives accurate component distribution for mixtures. Riazi also concludes that ASTM D 1160 distillation data is measured more accurately than ASTM D 86 since it is conducted at low pressure [34]. For this reason, ASTM D 1160 curves are closer to TBP curves at the same pressure base. Nevertheless, the similar appearance of the difference in the distillation curves between TBP and ASTM D 86 and that observed in the data of Figure 5 for ASTM D 7169 and ASTM D 1160 may suggest that ASTM D 7169 could be closer to TBP than the ASTM D 1160. Moreover, in our earlier research [24], we proved that the simulated distillation method ASTM D 2887 is equivalent to TBP, even for high aromatic oils like the fluid catalytic cracking light and heavy gas oils. All these findings suggest that the gas chromatographic HTSD (ASTM D 7169) should be closer to the TBP than the physical vacuum distillation method ASTM D 1160, and therefore, it should better characterize the heavy petroleum fractions.
The data in Table 2 show that the LNB FCC feed hydrotreating section operated at the same conditions in the hydrotreating reaction section (the same reaction temperature = 357 °C; the same feed rate = 160 t/h; and the same reaction pressure = 41 bar (g)) for both studied cases. Considering the same quality of the feed for the LNB FCC feed hydrotreating section (see the data in Table S5), one can expect the same vacuum gas oil conversion to take place in the hydrotreating reaction section, and thus, the same amount of generated diesel fraction in this section for both studied cases. Therefore, a different diesel fraction quantity registration in both cases must be ascribed to a separation of an additional amount of diesel fraction from the H-Oil VGO blend processed in the stabilization column during Case 2. The higher fuel gas consumption in the heater, heating the stabilization column feed during Case 2 suggests a higher extent of evaporation occurring in the stabilization column feed during Case 2, which could be due to a higher amount of low boiling material in the column feed in Case 2. If one calculates the total fluid flow rate through the six passes of the heater from Figure 6, it can be seen that for Case 1, it is 562 m3/h, versus 552 m3/h for Case 2. Irrespective of the lower total fluid flow rate in the heater in Case 2, the higher fuel gas consumption confirms the suggestion that the stabilization column feed should contain a higher amount of lighter material. The higher total fluid flow rate in Case 1, irrespective of the lower throughput (160 t/h feed rate for the FCCPT in Case 1) than in Case 2 (160 t/h feed rate for the FCCPT reaction section plus 39 t/h H-Oil VGO blend in the stabilization section), can be explained by the higher percent of recycling of stabilized HTVGO through the heater. This is evident from the higher percent of opening the valve providing recycling during the heater for Case 1.
The data in Table 3 and Table 4 indicate much better agreement between the separated diesel fraction from H-Oil VGO blend (8.7 wt.%) in the FCCPT stabilization column and that measured in the H-Oil VGO blend by ASTM D 7169 (9.6 wt.%) than the measured by ASTM D 1160 diesel fraction content in the H-Oil VGO blend (1.7 vol.%). Having in mind that the density of the diesel fraction (see the data in Table S2) is lower than that of the H-Oil VGO blend, the amount of diesel fraction in H-Oil VGO blend becomes even lower; 1.6 wt.% based on the ASTM D 1160 distillation data. These results support the opinion of Golden et al. [26,27,28] that the gas chromatographic method ASTM D 7169 better characterizes heavy oils than the ASTM D 1160 method. The separation efficiency of the FCCPT stabilization column seems to be higher than that of the ASTM D 1160 apparatus, and it is better matched to the ASTM D 7169 method.
The data in Table 5 exhibit that the removal of the diesel fraction from the H-Oil VGO has a positive effect on the FCC unit performance leading to increased conversion by 0.53% that along with the increased diesel production in the FCCPT section resulted in improved refinery performance expressed by increased margin with 7.2 MM USD/year.
The results shown in Figure S2 (Simulation Case 1) indicate a very good match between the operating data and the simulated data of the stabilization column. This suggests that the characterization of the streams of the stabilization column using ASTM D 86 distillation data for wild naphtha, and FCCP diesel, and the simulated distillation ASTM D 2887 data for the stabilized hydrotreated vacuum gas oil and the applied approach the FCCPT stabilization column operation simulation are correct.
The results shown in Figure S4 (Simulation Case 2) show that agreement between the operating data and the simulated data of the stabilization column is not very good, especially for the draw-off of diesel fraction. The draw-off of diesel fraction is simulated to be 17,900 kg/h, while the actual draw-off of the diesel fraction was 20,150 kg/h. This is an indicator for underestimation of diesel fraction content in the feed for the stabilization column, which should be attributed to the lower content of diesel fraction in the heavy oils measured by the ASTM D 1160 method for the H-Oil VGO blend, and the stabilized hydrotreated vacuum gas oil. All attempts to increase the draw-off of diesel fraction like modifying operating conditions of the simulated stabilization column failed to give any positive results. This clearly implies that the column feed characterization is not sufficiently well defined when ASTM D 1160 is used.
The results shown in Figure S6 (Simulation Case 3) show that agreement between the operating data and the simulated data of the stabilization column is very good. The draw-off of diesel fraction is simulated to be 20,150 kg/h, which exactly equals the measured diesel fraction draw off. However, this excellent agreement between measured and simulated diesel draw-off has been achieved by a slightly higher than the actual instrument readings draw-off temperature. This can be attributed to deviations of the predicted essential properties of the heavier (360 °C+) pseudo-components, such as molecular weight and critical properties, as was discussed in our earlier study [39]. In opposition to Simulation Case 2, where the column feed characterization was based on ASTM D 1160 distillation data, Simulation Case 3 allowed for a fine-tuning of the column performance simulation, indicating that the ASTM D 7169 is superior to the ASTM D 1160 method. Another important finding in this simulation study is that the ASTM D 7169 entered as a TBP distillation in the software process simulator led to the obtaining of satisfactory simulation results. This implies that the ASTM D 7169 applied for heavy oils (boiling above 360 °C) characterization could be considered equivalent to TBP, as we found out in our earlier research that the simulation distillation method ASTM D 2887 was equivalent to TBP for petroleum oils boiling below 360 °C [24].

5. Conclusions

The distillation characterization of heavy oils is an important petroleum characterization method because it provides information about the quality of separation taking place in the oil refining distillation columns. It is also important for the design of new separation equipment. Laboratory physical vacuum distillation tests (ASTM D 1160) and gas chromatographic simulated distillation analyses are typically used to evaluate the efficiency of separation occurring in the oil refining distillation columns which separate mixtures containing heavy oils. These laboratory methods are reported in the literature to be used for the design of new separation equipment. The results of this study support the opinion expressed by some researchers that the HTSD (ASTM D 7169) is superior for the characterization of heavy oils than the physical vacuum distillation test ASTM D 1160. The commercial test performed at a commercial FCC pretreater stabilization column showed that the yield of diesel fraction separated from a H-Oil VGO blend better matched to the content of this fraction in the H-Oil VGO blend measured by the ASTM D 7169 method than that measured by the ASTM D 1160 method. The better distillation characterization of the heavy oils by the ASTM D 7169 method was also confirmed by the use of software process simulator, demonstrating much better agreement between simulation results with the field observations than those obtained during the use of the ASTM D 1160 method. A conclusion could be made that the ASTM D 7169 method could be considered equivalent to TBP for heavy oils boiling above 360 °C.
Irrespective of the higher costs for single measurement by the ASTM D 7169 method, this method can deliver a substantial improvement in oil refining margin, which outweighs the costs many times over. Thus, we would consider using the ASTM D 7169 method instead of the ASTM D 1160 in our oil refining practice from now on.

Supplementary Materials

The following supporting information can be downloaded at: https://www.mdpi.com/article/10.3390/app122211824/s1, Figure S1: FCCPT Stabilization Section outlet stream summation to make-up the K-101 feed composition for Simulation Case 1; Figure S2: Simulation Flow diagram for performing Heat and Material balance for Simulation Case 1 with calculated (assumed) process variables vs. instrument readings; Figure S3: FCCPT Stabilization Section outlet stream summation to make-up the K-101 feed composition for Simulation Case 2. The characterization of the H-Oil VGO Blend and the Stabilized HTVGO is based on ASTM D 1160; Figure S4: Simulation Flow diagram for performing Heat and Material balance for Simulation Case 2—ASTM D 1160 with calculated (assumed) process variables vs. instrument readings; Figure S5: FCCPT Stabilization Section outlet stream summation to make-up the K-101 feed composition for Simulation Case 3. The characterization of the H-Oil VGO Blend and the Stabilized HTVGO is based on ASTM D 7169; Figure S6: Simulation Flow diagram for performing Heat and Material balance for Simulation Case 3—ASTM D 7169 with calculated (assumed) process variables vs. instrument readings; Table S1: Properties of wild naphtha from the FCC hydrotreating section (FCC pretreater) for both studied cases title; Table S2: Properties of diesel fraction from the FCC hydrotreating section (FCC pretreater) for both studied cases; Table S3: Properties of stable hydrotreated VGO from the FCC hydrotreating section (FCC pretreater); Table S4: Properties of hydrocarbon gas product from the FCC hydrotreating section (FCC pretreater) for both studied cases; Table S5: Properties of FCCPT vacuum gas oil feed for both cases.

Author Contributions

Conceptualization, D.S.; methodology, I.S.; software, S.V.; validation, R.D., M.I.; formal analysis, G.A.; investigation, M.I., G.A., R.D.; resources, D.S.; data curation, I.S., D.Y.; writing—original draft preparation, D.S., I.S., S.V.; writing—review and editing, D.S. All authors have read and agreed to the published version of the manuscript.

Funding

This research received no external funding.

Institutional Review Board Statement

Not applicable.

Informed Consent Statement

Not applicable.

Data Availability Statement

Not applicable.

Conflicts of Interest

The authors declare no conflict of interest.

Nomenclature

APIAmerican petroleum institute
ASTMAmerican Society for Testing and Materials
CLconfidence limits
FCCfluid catalytic cracking
FCCPTfluid catalytic cracking pretreater = FCC feed hydrotreater
FIDflame ionization detector
GCgas chromatography
HAGOheavy atmospheric gas oil
HCOheavy cycle oil
HTSD high temperature simulated distillation
HVGOheavy vacuum gas oil
HTVGOhydrotreated vacuum gas oil
LCOlight cycle oil
LNBLUKOIL Neftohim Burgas
LVGOlight vacuum gas oil
TBPtrue boiling point
VGOvacuum gas oil

References

  1. Stratiev, D.; Shishkova, I.; Dinkov, R.; Dobrev, D.; Argirov, G.; Yordanov, D. The Synergy between Ebullated Bed Vacuum Residue Hydrocracking and Fluid Catalytic Cracking Processes in Modern Refining—Commercial Experience; Professor Marin Drinov Publishing House, Bulgarian Academy of Sciences: Sofia, Bulgaria, 2022; pp. 1–750. [Google Scholar]
  2. Kumar, S.; Mhetre, A.S. Comparative techno-economic evaluation of potential processing schemes for petroleum crude oil distillation. Results Eng. 2022, 14, 100480. [Google Scholar] [CrossRef]
  3. Yang, K.; Liu, S.; He, C.; Zhang, B.; Chen, Q.; Pan, M. Improving energy saving of crude oil distillation units with optimal operations. J. Clean. Prod. 2020, 263, 12134. [Google Scholar] [CrossRef]
  4. Al Jlibawi, A.H.H.; Othman, M.L.; Noor, B.S.M.; Sajitt, A.H.M.S. Optimization of distribution control system in oil refinery by applying hybrid machine learning techniques. IEEE Access 2022, 10, 3890–3903. [Google Scholar] [CrossRef]
  5. Chen, K.; Zhang, H.; Liu, D.; Liu, H.; Guo, A.; Wang, Z. Investigation of the coking behavior of serial petroleum residues derived from deep-vacuum distillation of Venezuela extra-heavy oil in laboratory scale coking. Fuel 2018, 219, 159–165. [Google Scholar] [CrossRef]
  6. Mathew, T.J.; Narayanan, S.; Jalan, A.; Matthews, L.; Gupta, H.; Billimoria, R.; Pereira, C.S.; Goheen, C.; Tawarmalani, M.; Agrawal, R. Advances in distillation: Significant reductions in energy consumption and carbon dioxide emissions for crude oil separation. Joule 2022, 6, 2500–2512. [Google Scholar] [CrossRef]
  7. Chernysheva, E.A.; Piskunov, I.V.; Kapustin, V.M. Enhancing the efficiency of refinery crude oil distillation process by optimized preliminary feedstock blending (Review). Petrol. Chem. 2020, 60, 1–15. [Google Scholar] [CrossRef]
  8. Liu, Q.; Yang, S.; Liu, Z.; Liu, Q.; Shi, L.; Han, W.; Zhang, L.; Li, M. Comparison of TG-MS and GC-simulated distillation for determination of the boiling point distribution of various oils. Fuel 2021, 301, 121088. [Google Scholar] [CrossRef]
  9. Coutinho, D.M.; França, D.; Vanini, G.; Gomes, A.O.; Azevedo, D.A. Understanding the molecular composition of petroleum and its distillation cuts. Fuel 2022, 311, 122594. [Google Scholar] [CrossRef]
  10. Characterization of Crude Oil by Simulated Distillation. Patent WO2016111965A1, 14 July 2016.
  11. Hogge, J.W.; Lord, D.L.; Allen, R.G.; Rudeen, D.K. Crude Oil Compositional Analysis Methods and Their Impact on Thermophysical Properties. Available online: https://www.osti.gov/servlets/purl/1643076 (accessed on 16 November 2022).
  12. Carbognani, L.; Gómez, L.D.; Oldenburg, T.B.P.; Almao, P.P. Determination of molecular masses for petroleum distillates by simulated distillation. CTF 2012, 4, 43–55. [Google Scholar]
  13. Diaz, O.C.; Yarranton, H.W. Applicability of simulated distillation for heavy Oils. Energy Fuels 2019, 33, 6083–6087. [Google Scholar] [CrossRef]
  14. Villalanti, D.C.; Raia, J.C.; Subramanian, M.; Williams, B. Application of high-temperature simulated distillation to the residuum oil supercritical extraction process in petroleum refining. J. Chromatogr. Sci. 2000, 38, 1–5. [Google Scholar]
  15. Villalanti, D.C.; Raia, J.C.; Maynard, J.B. High-temperature simulated distillation applications in petroleum characterization. In Encyclopedia of Analytical Chemistry; John Wiley & Sons, Ltd.: Hoboken, NJ, USA, 2006. [Google Scholar]
  16. PAC. Improving Accuracy and Precision in Crude Oil Boiling Point Distribution Analysis. Available online: https://www.digitalrefining.com/article/1002798/improving-accuracy-and-precision-in-crude-oil-boiling-point-dstribution-analysis#.Y19mT3ZByUk (accessed on 31 October 2022).
  17. Yang, X. Operational Optimization of Crude Oil Distillation Systems with Limited Information. Ph.D. Thesis, The University of Manchester, Hong Kong, China, 2019. [Google Scholar]
  18. Azinfar, B.; Zirrahi, M.; Hassanzadeh, H.; Abedi, J. Characterization of heavy crude oils and residues using combined Gel Permeation Chromatography and simulated distillation. Fuel 2018, 233, 885–893. [Google Scholar] [CrossRef]
  19. Espinosa-Pena, M.; Figueroa-Gomez, Y.; Jimenez-Cruz, F. Simulated distillation yield curves in heavy crude oils: A comparison of precision between ASTM D-5307 and ASTM D-2892 physical distillation. Energy Fuels 2004, 18, 1832–1840. [Google Scholar] [CrossRef]
  20. Nikolaychuck, E.; Veli, A.; Stratiev, D.; Shishkova, I.; Burilkova, A.; Tamahkiarova, E.; Mitkova, M.; Yordanov, D. Physical vacuum distillation and high temperature simulated distillation of residual oils from different origin. IJOGCT 2018, 17, 208–221. [Google Scholar] [CrossRef]
  21. Jennerwein, M.K.; Eschner, M.S.; Wilharm, T.; Zimmermann, R.; Gröger, T.M. Proof of concept of high-temperature comprehensive two-dimensional gas chromatography time-of-flight mass spectrometry for two-dimensional simulated distillation of crude oils. Energy Fuels 2017, 31, 11651–11659. [Google Scholar] [CrossRef]
  22. Blomberg, J.; Schoenmakers, P.J.; Brinkman, U.A.T. Gas chromatographic methods for oil analysis. J. Chromatogr. A 2002, 972, 137–173. [Google Scholar] [CrossRef]
  23. Durand, J.-P.; Bré, A.; Béboulène, J.-J.; Ducrozet, A.; Carbonneaux, S. Improvement of simulated distillation methods by gas chromatography in routine analysis. Oil Gas Sci. Technol. 1999, 54, 431–438. [Google Scholar] [CrossRef]
  24. Stratiev, D.S.; Marinov, I.; Nedelchev, A.; Velkov, I.; Stratiev, D.D.; Veli, A.; Mitkova, M.; Stanulov, K. Evaluation of approaches for conversion of ASTM into TBP distillation data of oil fractions. OGEM 2014, 4, 216–221. [Google Scholar]
  25. Kaes, G. Refinery Process Modeling, a Practical Guide to Steady State Modeling of Petroleum Processes; Athens Printing Company: Athens, Greece, 2000. [Google Scholar]
  26. Golden, S.; Barletta, T.; White, S. Vacuum unit performance. Sour. Heavy 2012, 11–15. Available online: www.digitalrefining.com/article/1000565 (accessed on 7 November 2022).
  27. Golden, S.; Villalanti, D.C.; Martin, G.R. Feed characterization and deep cut vacuum columns: Simulation and design. In Proceedings of the AIChE 1994 Spring National Meeting, Atlanta, GA, USA, 18–20 April 1994. [Google Scholar]
  28. Golden, S.; Barletta, T. Designing vacuum units. PTQ 2006, Q2, 105–110. [Google Scholar]
  29. Stratiev, D.S.; Shishkova, I.K.; Dinkov, R.K.; Petrov, I.P.; Kolev, I.V.; Yordanov, D.; Sotirov, S.; Sotirova, E.N.; Atanassova, V.K.; Ribagin, S.; et al. Crude slate, FCC slurry oil, recycle, and operating conditions effects on H-Oil® product quality. Processes 2021, 9, 952. [Google Scholar] [CrossRef]
  30. ASTM D7169-20e1; Standard Test Method for Boiling Point Distribution of Samples with Residues Such as Crude Oils and Atmospheric and Vacuum Residues by High Temperature Gas Chromatography. ASTM: West Conshohocken, PA, USA, 2020.
  31. ASTM D1160-18; Standard Test Method for Distillation of Petroleum Products at Reduced Pressure. ASTM: West Conshohocken, PA, USA, 2018.
  32. ASTM D4052-22; Standard Test Method for Density, Relative Density, and API Gravity of Liquids by Digital Density Meter. ASTM: West Conshohocken, PA, USA, 2022.
  33. Stratiev, D.S.; Shishkova, I.K.; Dobrev, D.S. Fluid catalytic cracking feed hydrotreatment and its severity impact on product yields and quality. FPT 2012, 94, 16–25. [Google Scholar] [CrossRef]
  34. Riazi, M.R. Characterization and Properties of Petroleum Fractions; ASTM International: West Conshohocken, PA, USA, 2007. [Google Scholar]
  35. Technical Data Book—Petroleum Refining, 6th ed.; American Petroleum Institute: Washington, DC, USA, 1997.
  36. Walas, S.M. Phase Equilibria in Chemical Engineering; Butterworth-Heinemann: Burlington, MA, USA, 1985. [Google Scholar]
  37. Lee, B.I.; Kesler, M.G. A Generalized thermodynamic correlation based on three-parameter corresponding states. AIChE J. 1975, 21, 510–527. [Google Scholar] [CrossRef]
  38. Kesler, M.G.; Lee, B.I. Improve prediction of enthalpy of fractions. Hydrocarb. Process 1976, 55, 153–158. [Google Scholar]
  39. Vasilev, S.; Stratiev, D.; Shishkova, I. Simulation of visbreaker fractionator column—Step by step procedures. In Proceedings of the 44th International Petroleum Conference, Bratislava, Slovakia, 21–22 September 2009. [Google Scholar]
Figure 1. Diesel fraction (boiling below 360 °C) yield in heavy oils measured by HTSD (ASTM D 7169) versus diesel fraction yield measured by the physical vacuum distillation method ASTM D 1160.
Figure 1. Diesel fraction (boiling below 360 °C) yield in heavy oils measured by HTSD (ASTM D 7169) versus diesel fraction yield measured by the physical vacuum distillation method ASTM D 1160.
Applsci 12 11824 g001
Figure 2. A process diagram of Feed hydrotreating, FCC Reactor-Regenerator and Fractionation sections in the LUKOIL Neftohim Burgas FCC complex unit.
Figure 2. A process diagram of Feed hydrotreating, FCC Reactor-Regenerator and Fractionation sections in the LUKOIL Neftohim Burgas FCC complex unit.
Applsci 12 11824 g002
Figure 3. A flow chart of methodology used in the commercial distillation test to validate the diesel fraction content in H-Oil VGO measured by ASTM D 7169, and ASTM D 1160 methods.
Figure 3. A flow chart of methodology used in the commercial distillation test to validate the diesel fraction content in H-Oil VGO measured by ASTM D 7169, and ASTM D 1160 methods.
Applsci 12 11824 g003
Figure 4. Variation of diesel fraction content (boiling ≤ 360 °C) in H-Oil HAGO, and LVGO.
Figure 4. Variation of diesel fraction content (boiling ≤ 360 °C) in H-Oil HAGO, and LVGO.
Applsci 12 11824 g004
Figure 5. HTSD and physical vacuum distillation (ASTM D 1160) data for H-Oil HAGO (a), and LVGO (b).
Figure 5. HTSD and physical vacuum distillation (ASTM D 1160) data for H-Oil HAGO (a), and LVGO (b).
Applsci 12 11824 g005
Figure 6. Process diagram of the LNB FCCPT stabilization column.
Figure 6. Process diagram of the LNB FCCPT stabilization column.
Applsci 12 11824 g006
Table 1. Repeatability of the distillation methods ASTM D 7169, and ASTM D 1160 applied to the studied H-Oil heavy distillates.
Table 1. Repeatability of the distillation methods ASTM D 7169, and ASTM D 1160 applied to the studied H-Oil heavy distillates.
Evaporate, %95% CL (ASTM D 7169), °C95% CL (ASTM D 1160), °C
IBP917
53.03.2
103.03.2
203.03.2
304.03.2
404.03.2
504.03.2
604.03.3
704.03.3
804.03.3
904.03.3
Cost per a single analysis, USD10464
Table 2. Operating conditions during the commercial test without (Case 1) and with (Case 2) processing of H-Oil heavy distillates in the FCC feed hydrotreater stabilization column.
Table 2. Operating conditions during the commercial test without (Case 1) and with (Case 2) processing of H-Oil heavy distillates in the FCC feed hydrotreater stabilization column.
Process Parameters in the LNB FCC Feed Hydrotreating SectionUnitCase 1Case 2
Charge heater inlet temperature°C339340
Inlet pressure in the charge heaterbar4444
First hydrotreating reactor inlet temperature°C357357
First hydrotreating reactor inlet pressurebar (g)4141
Inlet temperature in the heater, heating the stabilization column feed°C301302
Stabilization column feed inlet temperature°C374375
Stabilization column top temperature°C100100
Stabilization column first packing bed temperature°C182175
Stabilization column second packing bed temperature°C293298
Stabilization column bottom temperature°C359355
Stabilization column top pressurebar (g)0.390.4
Stabilization column bottom pressurebar (g)0.520.52
Steam rate in the bottom of the stabilization columnkg/h38523952
Steam rate in the stripping columnkg/h120120
Hydrotreated VGO (bottom) product temperature°C374376
Fuel gas rate in the heater, heating the stabilization column feednm3/h15621779
Stabilization column wash oil ratem3/h9.011.6
First pump around rate (below the first packing bed)m3/h127125
Second pump around rate (below the second packing bed)m3/h3031
First pass rate during the heater, heating the stabilization column feedm3/h7269
Second pass rate during the heater, heating the stabilization column feedm3/h6869
Third pass rate during the heater, heating the stabilization column feedm3/h8383
Fourth pass rate during the heater, heating the stabilization column feedm3/h7477
Fifth pass rate during the heater, heating the stabilization column feedm3/h131126
Sixth pass rate during the heater, heating the stabilization column feedm3/h134128
Feed flow rate of the FCC feed hydrotreating sectiont/h160160
Flow rate of H-Oil heavy distillate blendt/h039
Percent of opening the valve providing recycling during the heater, heating the stabilization column feed%193
Table 3. Quantity of feeds and products of the FCCPT (FCC feed pretreater (hydrotreating section) obtained during the commercial test without (Case 1) and with (Case 2) processing of H-Oil heavy distillates in the FCC feed hydrotreater stabilization column.
Table 3. Quantity of feeds and products of the FCCPT (FCC feed pretreater (hydrotreating section) obtained during the commercial test without (Case 1) and with (Case 2) processing of H-Oil heavy distillates in the FCC feed hydrotreater stabilization column.
FCCPT Feed Component Flow RateWithout H-Oil VGO Processing in the FCCPT Stabilization Column (Case 1)With H-Oil VGO Processing in the FCCPT Stabilization Column (Case 2)Δ Diesel Fraction, t/h% of Δ Diesel Fraction of H-Oil VGO Processed in the FCCPT Stabilization Column
FCCPT VGO feed rate, t/h160 160
H-Oil VGO entering in FCCPT stabilization column, t/h 39
Hydrogen make up, t/h0.85 0.83
FCCPT Productst/hyields, wt.%t/hyields, wt.%
FCCPT gas flow rate, t/h1.10.71.20.7
FCCPT H2S flow rate, t/h3.82.43.72.3
FCCPT naphta flow rate, t/h2.11.31.81.2
FCCPT diesel flow rate, t/h16.610.420.012.53.48.7
Hydrotreated VGO flow rate, t/h137.085.6172.9
Losses, t/h0.20.10.2
Table 4. Characteristics of FCCPT feed, HTVGO, and diesel, and those of the H-Oil heavy distillates measured by ASTM D 1160, and the ASTM D 7169 methods for Case 2.
Table 4. Characteristics of FCCPT feed, HTVGO, and diesel, and those of the H-Oil heavy distillates measured by ASTM D 1160, and the ASTM D 7169 methods for Case 2.
ParameterFCCPT FeedFCCPT DieselFCCPT HTVGOH-Oil VGO BlendH-Oil HVGOH-Oil LVGOH-Oil HAGO
Density at 15 °C, g/cm30.92540.88950.91200.93920.95390.94900.9344
Sulphur, wt.%2.080.1050.2070.610.790.630.54
Distillation, wt.%/°CASTM D 7169
0.5349213348320397317313
5367240365347416341342
10381260377361429354355
30418303411397463390386
50446330439428489419410
70485352474466515452438
90535397525524553515495
95561434551556577543531
99.5638521615633655593625
Recovery, %104.888.9104.2103.0112.1101.4100.2
Boiling up to 360 °C, wt.%3.376.43.79.60.013.012.8
Distillation, vol.%/°CASTM D 1160
0.05373225376343426271324
5394282394374456366374
10404297404386463377382
30432330426411483405403
50459345450434495425416
55467349458442500428422
60475353465449506438427
65482358471459511447434
70490 478466518456441
80505 495483529476456
85515 506494536487466
90525 519 543496477
Boiling up to 360 °C, vol.%066.901.70.04.51.1
Table 5. FCC section operating conditions and FCC yields registered for Case 1, and Case 2 studied in this work.
Table 5. FCC section operating conditions and FCC yields registered for Case 1, and Case 2 studied in this work.
ParameterCase 1Case 2
without H-Oil Diesel Separationwith H-Oil Diesel Separation
FCC feed rate, t/h174173
H-Oil VGO in FCC feed, wt.%21.820.6
H-Oil diesel in FCC feed, wt.%2.00.0
Riser outlet temperature, °C550550
Combined feed temperature, °C313318
Regenerator dense bed temperature, °C704703
Regenerator dilute bed temperature, °C692691
Air rate for coke burning, kNm3/h105.3106.3
CTO ratio9.599.68
Heat of reaction, kJ/kg599617
Delta coke, wt.%0.540.54
Yields and conversion, wt.%
Dry gas5.695.82
C3 fraction8.598.62
C4 fraction14.0014.16
Gasoline43.9044.14
LCO7.717.01
HCO8.819.36
Slurry oil6.055.68
Coke5.225.21
Losses0.030.01
Total100.00100.00
Conversion77.4377.96
Publisher’s Note: MDPI stays neutral with regard to jurisdictional claims in published maps and institutional affiliations.

Share and Cite

MDPI and ACS Style

Stratiev, D.; Shishkova, I.; Ivanov, M.; Dinkov, R.; Argirov, G.; Vasilev, S.; Yordanov, D. Validation of Diesel Fraction Content in Heavy Oils Measured by High Temperature Simulated Distillation and Physical Vacuum Distillation by Performance of Commercial Distillation Test and Process Simulation. Appl. Sci. 2022, 12, 11824. https://doi.org/10.3390/app122211824

AMA Style

Stratiev D, Shishkova I, Ivanov M, Dinkov R, Argirov G, Vasilev S, Yordanov D. Validation of Diesel Fraction Content in Heavy Oils Measured by High Temperature Simulated Distillation and Physical Vacuum Distillation by Performance of Commercial Distillation Test and Process Simulation. Applied Sciences. 2022; 12(22):11824. https://doi.org/10.3390/app122211824

Chicago/Turabian Style

Stratiev, Dicho, Ivelina Shishkova, Mihail Ivanov, Rosen Dinkov, Georgi Argirov, Svetlin Vasilev, and Dobromir Yordanov. 2022. "Validation of Diesel Fraction Content in Heavy Oils Measured by High Temperature Simulated Distillation and Physical Vacuum Distillation by Performance of Commercial Distillation Test and Process Simulation" Applied Sciences 12, no. 22: 11824. https://doi.org/10.3390/app122211824

APA Style

Stratiev, D., Shishkova, I., Ivanov, M., Dinkov, R., Argirov, G., Vasilev, S., & Yordanov, D. (2022). Validation of Diesel Fraction Content in Heavy Oils Measured by High Temperature Simulated Distillation and Physical Vacuum Distillation by Performance of Commercial Distillation Test and Process Simulation. Applied Sciences, 12(22), 11824. https://doi.org/10.3390/app122211824

Note that from the first issue of 2016, this journal uses article numbers instead of page numbers. See further details here.

Article Metrics

Back to TopTop