Thermodynamic Analysis of Three Internal Reforming Protonic Ceramic Fuel Cell-Gas Turbine Hybrid Systems
Abstract
1. Introduction
2. System Description
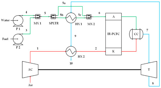
2.1. Case 1
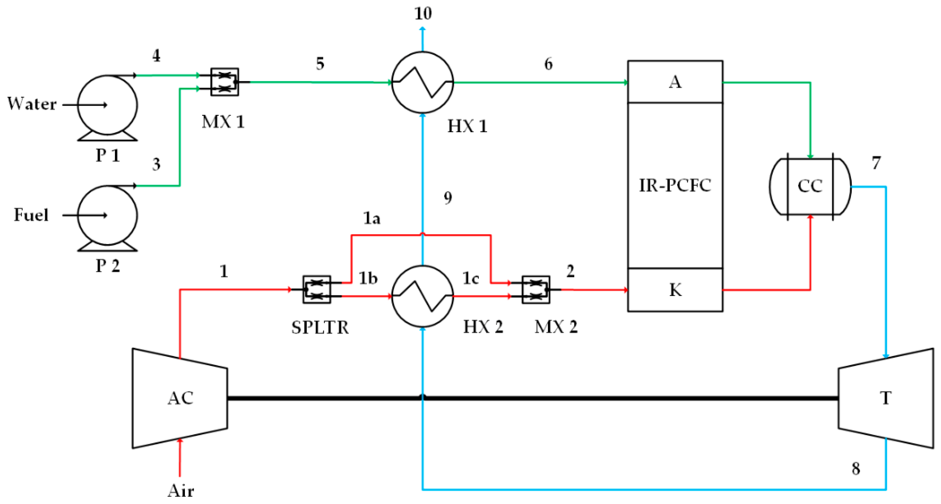
2.2. Case 2
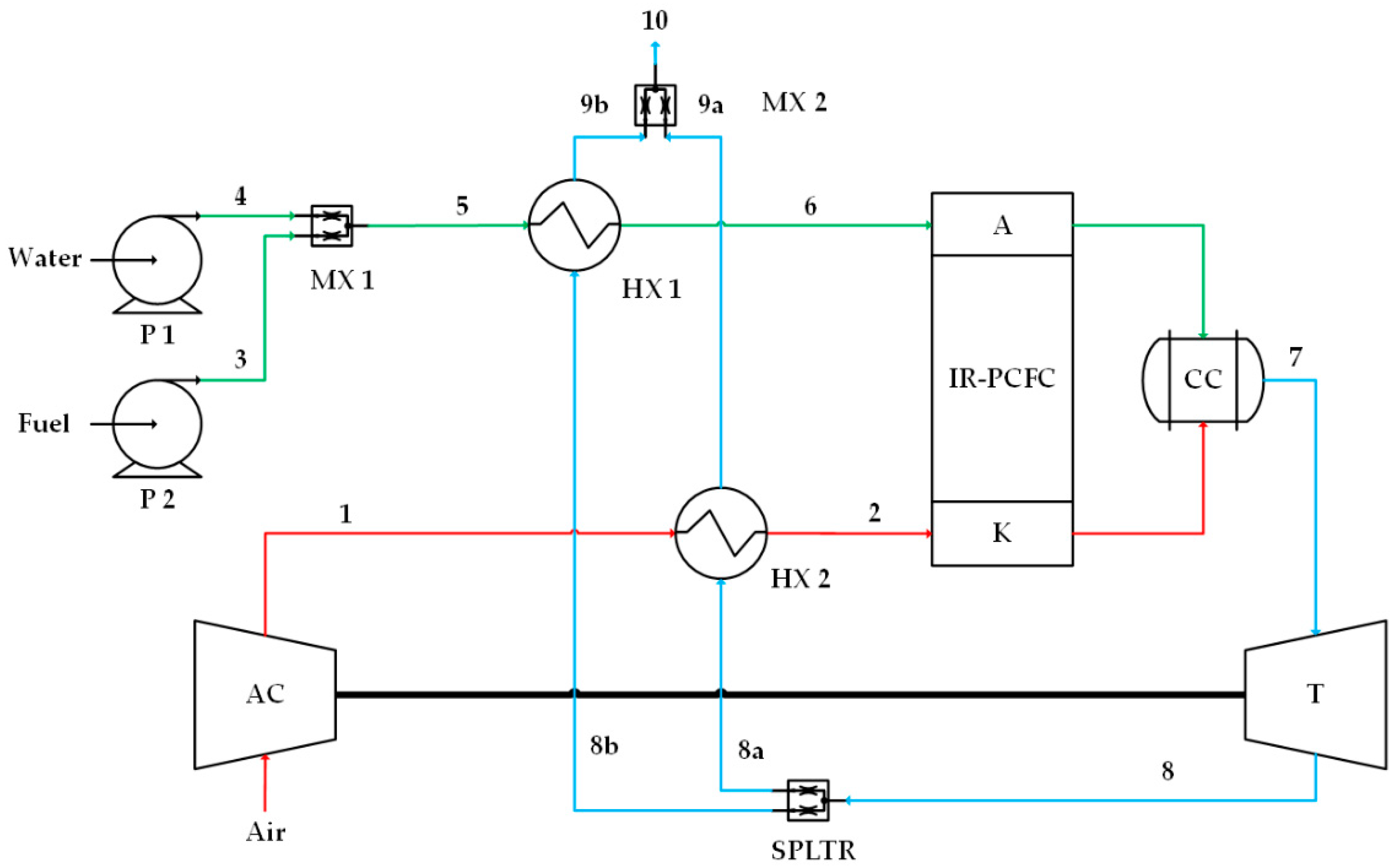
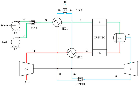
2.3. Case 3
3. Modeling
3.1. Protonic Ceramic Fuel Cell
3.1.1. Activation Polarization
3.1.2. Ohmic Polarization
3.1.3. Concentration Polarization
3.2. Efficiency
3.3. Exergy
4. Model Validation
5. Results and Discussion
5.1. Case Comparison
5.2. Effect of Air Flow Rate
5.3. Effect of Fuel Utilization Factor
5.4. Effect of Steam to Carbon Ratio
5.5. Fuel Comparison
6. Conclusions
- The third system (case 3) is considered an appropriate design for IR-PCFC/GT hybrid as it has low exergy destruction and high system efficiency.
- The amount of air flow in a PCFC/GT hybrid system plays an important role in the overall power output. Increasing air stoichiometry from 2 to 4 can significantly reduce energy efficiency from 71 to 51% and exergy efficiency from 77 to 66%. Power consumed by air compressor plays a role in the overall system efficiency.
- S/C is also an important factor in this PCFC/GT hybrid system, because the energy efficiency drops drastically from 71 to 50% when S/C is increased from 2 to 7. Dilution of the reactants causes a decrease in the temperature of each component, a decrease of the power generated by the fuel cell and turbine, and an increase of the total exergy destruction.
- For areas which have limited access to methane and higher access to propane or butane, this study shows that propane and butane are good alternatives to methane. An energy efficiency of 68% and exergy efficiency of 75% for propane- or butane-fueled hybrid systems can be achieved.
Author Contributions
Funding
Data Availability Statement
Conflicts of Interest
Nomenclature
| Roman Letters | |
| A | Area (m2) |
| AC | Air compressor |
| CC | Combustion chamber |
| D | Diffusion (m2/s) |
| E | Energy |
| E | Voltage (V) |
| ER | External reforming |
| F | Faraday constant |
| G | Gibbs free energy |
| GT | Gas turbine |
| h | Enthalpy (J/mol) |
| HX | Heat exchanger |
| i0 | Exchange current density (A/m2) |
| ic | Current density (A/m2) |
| ij | Molecule diffused |
| IR | Internal reforming |
| MX | Mixer |
| N | Mol |
| n | Number of electron transfer |
| n/a | not available |
| NTU | Number of thermal unit |
| P | Power (W) |
| P | Pressure (Bar) |
| P | Pump |
| PCFC | Protonic ceramic fuel cell |
| Q | Heat (J) |
| R | Real gas constant |
| S/C | Steam to carbon ratio |
| SOFC | Solid oxide fuel cell |
| SPLTR | Splitter |
| T | Temperature (K) |
| U | Coefficient of heat transfer (W/m2/K) |
| Uf | Fuel utilization factor |
| WGS | Water–gas shift |
| Greek Letters | |
| β | Transfer coefficient of Butler-Volmer |
| δ | Thickness (m) |
| ε | Porosity |
| η | Polarization |
| σ | Conductivity (S/m) |
| τ | Tortuosity |
| Ω | Lennard-Jones parameters |
| Subscripts | |
| act | Activation |
| conc | Concentration |
| in | Inlet |
| j | Fuel cell structure (anode, cathode, and electrolyte) |
| K | Knudsen |
| max | Maximum |
| min | Minimum |
| mix | Mixture |
| ohm | Ohmic |
| out | Outlet |
| p | Product |
| r | Reactant |
| s | Isentropic |
| TPB | Three-phase boundary |
| Superscripts | |
| eff | Effective |
| OCV | Open circuit voltage |
References
- Duan, L.Q.; Huang, K.X.; Zhang, X.Y.; Yang, Y.P. Comparison study on different SOFC hybrid systems with zero-CO2 emission. Energy 2013, 58, 66–77. [Google Scholar] [CrossRef]
- Tseng, C.L.; Tseng, C.J.; Chen, J.C. Thermodynamic analysis of a photoelectrochemical hydrogen production system. Int. J. Hydrog. Energy 2010, 35, 2781–2785. [Google Scholar] [CrossRef]
- Hsu, Y.P.; Lee, S.W.; Chang, J.K.; Tseng, C.J.; Lee, K.R.; Wang, C.H. Effects of platinum doping on the photoelectrochemical properties of Fe2O3 electrodes. Int. J. Electrochem. Sci. 2013, 8, 11615–11623. [Google Scholar]
- Stamatis, A.; Vinni, C.; Bakalis, D.; Tzorbatzoglou, F.; Tsiakaras, P. Exergy analysis of an intermediate temperature solid oxide fuel cell-gas turbine hybrid system fed with ethanol. Energies 2012, 5, 4268–4287. [Google Scholar] [CrossRef]
- Prodromidis, G.N.; Coutelieris, F. The effect of biogas origin on the electricity production by solid oxide fuel cells. App. Sci. 2021, 11, 3112. [Google Scholar] [CrossRef]
- Jhuang, J.W.; Lee, K.R.; Lee, S.W.; Wang, B.; Xia, C.; Hung, I.M.; Tseng, C.J. A triple (e−/O2−/H+) conducting perovskite BaCo0.4Fe0.4Zr0.1Y0.1O3-δ for low temperature solid oxide fuel cell. Int. J. Hydrog. Energy 2021, 46, 9767–9774. [Google Scholar] [CrossRef]
- Fan, S.; Zhu, P.; Liu, Y.; Yang, L.; Jin, Z. Three-dimensional structure research of anode-supported planar solid oxide fuel cells. J Energy Eng.-Asce 2022, 148, 04022010. [Google Scholar] [CrossRef]
- Kalinci, Y.; Dincer, I. Analysis and performance assessment of NH3 and H2 fed SOFC with proton-conducting electrolyte. Int. J. Hydrog. Energy 2018, 43, 5795–5807. [Google Scholar] [CrossRef]
- Jhuang, J.W.; Lee, K.R.; Lee, S.W.; Chang, J.K.; Jang, S.C.; Tseng, C.J. Microstructures and electrical properties of zirconium doped barium cerate perovskite proton conductors. Int. J. Hydrog. Energy 2019, 44, 21174–21180. [Google Scholar] [CrossRef]
- Cocco, D.; Tola, V. Externally reformed solid oxide fuel cell-micro-gas turbine (SOFC-MGT) hybrid systems fueled by methanol and di-methyl-ether (DME). Energy 2009, 34, 2124–2130. [Google Scholar] [CrossRef]
- Lee, K.R.; Tseng, C.J.; Jang, S.C.; Lin, J.C.; Wang, K.W.; Chang, J.K.; Chen, T.C.; Lee, S.W. Fabrication of anode-supported thin BCZY electrolyte protonic fuel cells using NiO sintering aid. Int. J. Hydrog. Energy 2019, 44, 23784–23792. [Google Scholar] [CrossRef]
- Moretti, C.; Corona, B.; Rühlin, V.; Götz, T.; Junginger, M.; Brunner, T.; Obernberger, I.; Shen, L. Combining biomass gasification and solid oxid fuel cell for heat and power generation: An early-stage life cycle assessment. Energies 2020, 13, 2773. [Google Scholar] [CrossRef]
- Yang, C.H.; Chang, S.C.; Chan, Y.H.; Chang, W.S. Dynamic analysis of the multi-stack SOFC-CHP system for power modulation. Energies 2019, 12, 3686. [Google Scholar]
- Liso, V.; Zhao, Y.; Yang, W.; Nielsen, M.P. Modelling of a solid oxide fuel cell CHP system coupled with a hot water storage tank for a single household. Energies 2015, 8, 2211–2229. [Google Scholar] [CrossRef]
- Narayanan, M.; Mengedoht, G.; Commerell, W. Evaluation of SOFC-CHP’s ability to integrate thermal and electrical energy system decentrally in a single-family house with model predictive controller. Sustain. Energy Technol. Assess 2021, 233, 113876. [Google Scholar] [CrossRef]
- Barelli, L.; Bidini, G.; Gallorini, F.; Ottaviano, P.A. Design optimization of a SOFC-based CHP system through dynamic analysis. Int. J. Hydrog. Energy 2013, 38, 354–369. [Google Scholar] [CrossRef]
- Lai, H.X.; Harun, N.F.; Tucker, D.; Adams, T.A. Design and eco-technoeconomic analyses of SOFC/GT hybrid systems accounting for long-term degradation effects. Int. J. Hydrog. Energy 2021, 46, 5612–5629. [Google Scholar] [CrossRef]
- Barelli, L.; Bidini, G.; Ottaviano, A. Integration of SOFC/GT hybrid systems in Micro-Grids. Energy 2017, 118, 716–728. [Google Scholar] [CrossRef]
- Wang, X.S.; Lv, X.J.; Weng, Y.W. Performance analysis of a biogas-fueled SOFC/GT hybrid system integrated with anode-combustor exhaust gas recirculation loops. Energy 2020, 197, 117213. [Google Scholar] [CrossRef]
- Badur, J.; Lemański, M.; Kowalczyk, T.; Ziółkowski, P.; Kornet, S. Zero-dimensional robust model of an SOFC with internal reforming for hybrid energy cycles. Energy 2018, 158, 128–138. [Google Scholar] [CrossRef]
- Martinez, A.S.; Brouwer, J.; Samuelsen, G.S. Comparative analysis of SOFC-GT freight locomotive fueled by natural gas and diesel with onboard reformation. Appl. Energy 2015, 148, 421–438. [Google Scholar] [CrossRef]
- Ghorbani, S.; Khoshgoftar-Manesh, M.H.; Nourpour, M.; Blanco-Marigorta, A.M. Exergoeconomic and exergoenvironmental analyses of an integrated SOFC-GT-ORC hybrid system. Energy 2020, 206, 118151. [Google Scholar] [CrossRef]
- Bakalis, D.P.; Stamatis, A.G. Optimization methodology of turbomachines for hybrid SOFC-GT applications. Energy 2014, 70, 86–94. [Google Scholar] [CrossRef]
- Bang-Møller, C.; Rokni, M.; Elmegaard, B. Exergy analysis and optimization of a biomass gasification, solid oxide fuel cell and micro gas turbine hybrid system. Energy 2011, 36, 4740–4752. [Google Scholar] [CrossRef]
- Duong, P.A.; Ryu, B.; Kim, C.; Lee, J.; Kang, H. Energy and exergy analysis of an ammonia fuel cell integrated system for marine vessels. Energies 2022, 15, 3331. [Google Scholar] [CrossRef]
- Pirkandi, J.; Penhani, H.; Maroufi, A. Thermodynamic analysis of the performance of a hybrid system consisting of steam turbine, gas turbine and solid oxide fuel cell (SOFC-GT-ST). Energy Convers. Manag. 2020, 213, 112816. [Google Scholar] [CrossRef]
- Eisavi, B.; Chitsaz, A.; Hosseinpour, J.; Ranjbar, F. Thermo-environmental and economic comparison of three different arrangements of solid oxide fuel cell-gas turbine (SOFC-GT) hybrid systems. Energy Convers. Manag. 2018, 168, 343–356. [Google Scholar] [CrossRef]
- Zhao, Y.R.; Sadhukhan, J.; Lanzini, A.; Brandon, N.; Shah, N. Optimal integration strategies for a syngas fuelled SOFC and gas turbine hybrid. J. Power Sources 2011, 196, 9516–9527. [Google Scholar] [CrossRef]
- Van Biert, L.; Woudstra, T.; Godjevac, M.; Visser, K.; Aravind, P.V. A thermodynamic comparison of solid oxide fuel cell-combined cycles. J. Power Sources 2018, 397, 382–396. [Google Scholar] [CrossRef]
- Ni, M.; Leung, D.Y.C.; Leung, M.K.H. Thermodynamic analysis of ammonia fed solid oxide fuel cells: Comparison between proton-conducting electrolyte and oxygen ion-conducting electrolyte. J. Power Sources 2008, 183, 682–686. [Google Scholar] [CrossRef]
- Cheng, T.C.; Huang, T.Y.; Chen, C.F.; Tseng, C.J.; Lee, S.W.; Chang, J.K.; Jang, J.S.C. Analysis of an intermediate-temperature proton-conducting SOFC hybrid system. Int. J. Green Energy 2016, 13, 1640–1647. [Google Scholar] [CrossRef]
- Sasmoko; Lee, S.W.; Bhavanari, M.; Wijayanti, W.; Osman, N.; Tseng, C.J. System analysis of a protonic ceramic fuel cell and gas turbine hybrid system with methanol reformer. Int. J. Hydrog. Energy 2022, in press. [CrossRef]
- Schädel, B.T.; Duisberg, M.; Deutschmann, O. Steam reforming of methane, ethane, propane, butane, and natural gas over a rhodium-based catalyst. Catal. Today 2009, 142, 42–51. [Google Scholar] [CrossRef]
- Lee, Y.S. Mixing Effect of Transition Metals, Aliovalent Dopants and Component Elements on Proton-Conducting Properties of Perovskite-Type Oxides. Ph.D. Thesis, Kyushu University, Fukuoka, Japan, 2017; p. 50. [Google Scholar]
- Potter, A.R.; Baker, R.T. Impedance studies on Pt|SrCe0.95Yb0.05O3|Pt under dried and humidified air, argon and hydrogen. Solid State Ionics 2006, 177, 1917–1924. [Google Scholar] [CrossRef]
- Iwahara, H. High temperature proton conducting oxides and their applications to solid electrolyte fuel cells and steam electrolyzer for hydrogen production. Solid State Ionics 1988, 28–30, 573–578. [Google Scholar] [CrossRef]
- Song, J.; Hei, Y.; Li, C.; Yang, N.; Meng, B.; Tan, X.; Sunarso, J.; Liu, S. Dehydrogenation coupling of methane using catalyst-loaded proton-conducting perovskite hollow fiber membranes. Membranes 2022, 12, 191. [Google Scholar] [CrossRef]
- Hang, Q.; Hou, Y.; Chen, L.; Wang, L.; Chou, K. Enhancement of electrochemical performance for proton conductive solid oxide fuel cell by 30%GDC-LSCF cathode. Ceram. Int. 2022, 48, 17816–17827. [Google Scholar]
- Chen, C.; Dong, Y.; Li, L.; Wang, Z.; Liu, M.; Rainwater, B.H. High performance of anode supported BaZr0.1Ce0.7Y0.1Yb0.1O3-δ proton-conducting electrolyte micro-tubular cells with asymmetric structure for IT-SOFCs. J. Electroanal. Chem. 2019, 844, 49–57. [Google Scholar] [CrossRef]
- Arpornwichanop, A.; Patcharavorachot, Y.; Assabumrungrat, S. Analysis of a proton-conducting SOFC with direct internal reforming. Chem. Eng. Sci. 2010, 65, 581–589. [Google Scholar] [CrossRef]
- Patcharavorachot, Y.; Brandon, N.P.; Paengjuntuek, W.; Assabumrungrat, S.; Arpornwichanop, A. Analysis of planar solid oxide fuel cells based on proton-conducting electrolyte. Solid State Ionics 2010, 181, 1568–1576. [Google Scholar] [CrossRef]
- Brus, G.; Miyawaki, K.; Iwai, H.; Saito, M.; Yoshida, H. Tortuosity of an SOFC anode estimated from saturation currents and a mass transport model in comparison with a real micro-structure. Solid State Ionics 2014, 265, 13–21. [Google Scholar] [CrossRef]
- Gostovic, D.; Smith, J.R.; Kundinger, D.P.; Jones, K.S.; Wachsman, E.D. Three-dimensional reconstruction of porous LSCF cathodes. Electrochem. Solid-State Lett. 2007, 10, B214. [Google Scholar] [CrossRef]
- Cheddie, F.F.; Murray, R. Thermo-economic modeling of a solid oxide fuel cell/gas turbine power plant with semi-direct coupling and anode recycling. Int. J. Hydrog. Energy 2010, 35, 11208–11215. [Google Scholar] [CrossRef]
- Chan, S.H.; Khor, K.A.; Xia, Z.T. A complete polarization model of a solid oxide fuel cell and its sensitivity to the change of cell component thickness. J. Power Sources 2001, 93, 130–140. [Google Scholar] [CrossRef]
- Takamura, Y.; Leonard, K.; Luo, A.; Martin, L.W.; Matsumoto, H. Platinum nanoparticle induced nanoionic effects on electrical conduction in strontium cerate and zirconate. J. Solid State Electrochem. 2019, 23, 953–996. [Google Scholar] [CrossRef]
- NIST-Webbook. Available online: https://webbook.nist.gov/chemistry/ (accessed on 26 February 2022).
- Dincer, I.; Rosen, M.A. Exergy: Energy, Environment and Sustainable Development, 2nd ed.; Elsevier: Oxford, UK, 2013; pp. 35, 39, 46. [Google Scholar]
- Ni, M.; Leung, D.Y.C.; Leung, M.K.H. Electrochemical modeling of ammonia-fed solid oxide fuel cells based on proton conducting electrolyte. J. Power Sources 2008, 183, 687–692. [Google Scholar] [CrossRef]
- Ni, M.; Leung, M.K.H.; Leung, D.Y.C. Parametric study of solid oxide fuel cell performance. Energy Convers. Manag. 2007, 48, 1525–1535. [Google Scholar] [CrossRef]











| Parameter | Value |
|---|---|
| PCFC | |
| Material of anode/electrolyte/cathode | Ni-SrCe0.9Y0.1O3-α [34]/SrCe0.95Yb0.05O3-α [35,36,37]/La0.6Sr0.4Co0.2Fe0.8O3-α [38] |
| Thickness of anode/electrolyte/cathode, μm | 220 [39]/50 [32,40]/50 [8,32,40] |
| Number of cells | 50,000 |
| Active membrane area per cell, m2 | 0.01 [32] |
| Operating pressure, atm | 3 [32] |
| Operating temperature, K | 873–1073 [41] |
| Anode electrode conductivity, S/m | −8 × 10−7T4 + 0.0027T3 − 3.3657T2 + 1875.6T − 366,965 [34] |
| Anode electrode porosity | 0.33 [42] |
| Anode electrode tortuosity | 2 [42] |
| Anode electrode pore radius, μm | 0.75 [42] |
| Cathode electrode conductivity, S/m | 8 × 10−6T2 − 0.0022T − 0.5053 [38] |
| Cathode electrode porosity | 0.21 [43] |
| Cathode electrode tortuosity | 2.5 [43] |
| Cathode electrode pore radius, μm | 0.07 [43] |
| Electrolyte conductivity, S/m | 225.92 exp(−6.3 × 103T) [35,40] |
| Fuel utilization | 0.85 [22,23,24,27] |
| Air flow rate, mol/s | 56 (air stoichiometry of 2) [44] |
| Fuel flow rate, mol/s | 3.2 (air stoichiometry of 1.1) |
| Steam to carbon ratio | 2 |
| Gas turbine | |
| Pressure ratio | 3:1 [32] |
| Isentropic efficiency, % | 85 [27] |
| Air compressor | |
| Pressure ratio | 1:3 [32] |
| Isentropic efficiency, % | 85 [27] |
| Components | Energy Analysis | Exergy Analysis |
|---|---|---|
| PCFC | ||
| Combustion chamber | ||
| Turbine | ||
| Air compressor | ||
| Pump | ||
| Heat exchanger | ||
| Mixer | ||
| Splitter |
| Stream Number | T (K) | ||||||||
|---|---|---|---|---|---|---|---|---|---|
| Case 1 | Case 2 | Case 3 | Case 1 | Case 2 | Case 3 | Case 1 | Case 2 | Case 3 | |
| 1. | 426 | 426 | 426 | 187 | 187 | 187 | 7 | 7 | 7 |
| 1a | n/a | 426 | n/a | n/a | 81 | n/a | n/a | 3 | n/a |
| 1b | n/a | 426 | n/a | n/a | 107 | n/a | n/a | 4 | n/a |
| 1c | n/a | 1133 | n/a | n/a | 534 | n/a | n/a | 4 | n/a |
| 2. | 850 | 841 | 1037 | 569 | 559 | 805 | 7 | 7 | 7 |
| 3. | 394 | 394 | 394 | 10 | 10 | 10 | 2694 | 2694 | 2694 |
| 4. | 298 | 298 | 298 | 0 | 0 | 0 | 62 | 62 | 62 |
| 5. | 312 | 312 | 312 | 9 | 9 | 9 | 2740 | 2741 | 2740 |
| 5a | 312 | n/a | n/a | 2 | n/a | n/a | 658 | n/a | n/a |
| 5b | 312 | n/a | n/a | 7 | n/a | n/a | 2083 | n/a | n/a |
| 5c | 1162 | n/a | n/a | 211 | n/a | n/a | 2083 | n/a | n/a |
| 6. | 854 | 837 | 1023 | 168 | 162 | 224 | 2740 | 2741 | 2740 |
| 7. | 1426 | 1422 | 1541 | 1748 | 1742 | 1982 | 86 | 86 | 86 |
| 8. | 1163 | 1160 | 1261 | 1069 | 1064 | 1249 | 86 | 86 | 86 |
| 8a | n/a | n/a | 1261 | n/a | n/a | 937 | n/a | n/a | 65 |
| 8b | n/a | n/a | 1261 | n/a | n/a | 312 | n/a | n/a | 22 |
| 9. | 955 | 854 | n/a | 713 | 557 | n/a | 86 | 86 | n/a |
| 9a | n/a | n/a | 639 | n/a | n/a | 203 | n/a | n/a | 65 |
| 9b | n/a | n/a | 324 | n/a | n/a | 4 | n/a | n/a | 22 |
| 10. | 627 | 635 | 537 | 257 | 266 | 164 | 86 | 86 | 86 |
Publisher’s Note: MDPI stays neutral with regard to jurisdictional claims in published maps and institutional affiliations. |
© 2022 by the authors. Licensee MDPI, Basel, Switzerland. This article is an open access article distributed under the terms and conditions of the Creative Commons Attribution (CC BY) license (https://creativecommons.org/licenses/by/4.0/).
Share and Cite
Sasmoko; Lee, S.-W.; Bhavanari, M.; Wijayanti, W.; Wardana, I.N.G.; Azhari, A.A.; Tseng, C.-J. Thermodynamic Analysis of Three Internal Reforming Protonic Ceramic Fuel Cell-Gas Turbine Hybrid Systems. Appl. Sci. 2022, 12, 11140. https://doi.org/10.3390/app122111140
Sasmoko, Lee S-W, Bhavanari M, Wijayanti W, Wardana ING, Azhari AA, Tseng C-J. Thermodynamic Analysis of Three Internal Reforming Protonic Ceramic Fuel Cell-Gas Turbine Hybrid Systems. Applied Sciences. 2022; 12(21):11140. https://doi.org/10.3390/app122111140
Chicago/Turabian StyleSasmoko, Sheng-Wei Lee, Mallikarjun Bhavanari, Widya Wijayanti, I.N.G. Wardana, Ahmad Andi Azhari, and Chung-Jen Tseng. 2022. "Thermodynamic Analysis of Three Internal Reforming Protonic Ceramic Fuel Cell-Gas Turbine Hybrid Systems" Applied Sciences 12, no. 21: 11140. https://doi.org/10.3390/app122111140
APA StyleSasmoko, Lee, S.-W., Bhavanari, M., Wijayanti, W., Wardana, I. N. G., Azhari, A. A., & Tseng, C.-J. (2022). Thermodynamic Analysis of Three Internal Reforming Protonic Ceramic Fuel Cell-Gas Turbine Hybrid Systems. Applied Sciences, 12(21), 11140. https://doi.org/10.3390/app122111140

