Performance Analysis of the YOLOv4 Algorithm for Pavement Damage Image Detection with Different Embedding Positions of CBAM Modules
Abstract
1. Introduction
2. Data Preparation
- ◆
- Transverse crack: Tcrack;
- ◆
- Longitudinal cracks: Lcrack;
- ◆
- Alligator crack: Acrack;
- ◆
- Cracks sealing: Repair.
3. Image Processing Algorithms
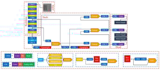
3.1. YOLOv4 Algorithms
3.2. CBAM Module
- Channel attention module
- Spatial attention module
3.3. K-Means++ Clustering Algorithm
4. Improved YOLOv4 Algorithm
4.1. Adding Attention Modules
4.2. Anchor Box Optimization
- Extract the width and height of the rectangular boxes of all Bounding boxes;
- Selected an Anchor box as the initial clustering center at random from all Bounding boxes;
- It calculates the distance D) between the centroids of all Bounding boxes and the centroids of existing Anchor boxes, and thus calculates the probability P() of each Bounding box being selected as the next clustering center; the further the bounding box was from the initial clustering center, the more likely it was to be selected. P() is calculated as shown in Equation (1):
- After that, the IOU value of each bounding box and each anchor box is calculated as shown in Figure 8, and the Anchor box with the largest IOU value is selected in each Bounding box and attributed to that Anchor box;
- Repeat the four step until the classification of the Bounding box no longer changes, and obtain the final Anchor box.
5. Results and Analysis
5.1. Evaluation Criteria
- True positives (TP): the positive sample is correctly identified as a positive sample (i.e., the transverse crack image is correctly identified);
- True negatives (TN): negative samples are correctly identified as negative samples (i.e., the non-transverse crack images are correctly identified as non-transverse cracks);
- False positives (FP): negative samples are incorrectly identified as positive samples (i.e., the non-transverse crack images are incorrectly identified as the transverse cracks);
- False negatives (FN): positive samples are incorrectly identified as negative samples (i.e., the transverse crack images are incorrectly identified as the non-transverse cracks).
5.2. Test Results
5.2.1. Comparison of the Effect between K-Means++ and K-Means Algorithms
5.2.2. Comparison of the Effect on Adding Different Attention Modules
5.2.3. Comparison Experiments of the Four Improved Models
- YOLOv4-1 = YOLOv4N2 + YOLOv4H1;
- YOLOv4-2 = YOLOv4N2 + YOLOv4H2;
- YOLOv4-3 = YOLOv4H1 + YOLOv4H2;
- YOLOv4-4 = YOLOv4N2 + YOLOv4H1 + YOLOv4H2.
6. Discussion
7. Conclusions
Author Contributions
Funding
Institutional Review Board Statement
Informed Consent Statement
Data Availability Statement
Conflicts of Interest
References
- Silva, L.A.; Sanchez San Blas, H.; Peral García, D.; Sales Mendes, A.; Villarubia González, G. An Architectural Multi-Agent System for a Pavement Monitoring System with Pothole Recognition in UAV Images. Sensors 2020, 20, 6205. [Google Scholar] [CrossRef]
- Lee, J.; Nam, B. Effects of pavement surface conditions on traffic crash severity. J. Transp. Eng. 2015, 11, 1–11. [Google Scholar] [CrossRef]
- Li, Y.T.; Qin, Y.H.; Wang, H.; Xu, S.; Li, S. Study of Texture Indicators Applied to Pavement Wear Analysis Based on 3D Image Technology. Sensors 2022, 22, 4955. [Google Scholar] [CrossRef] [PubMed]
- Hu, G.X.; Hu, B.L.; Yang, Z.; Huang, L.; Li, P. Pavement Crack Detection Method Based on Deep Learning Models. Wirel. Commun. Mob. Comput. 2021, 2021, 5573590. [Google Scholar] [CrossRef]
- Yu, J.M.; Lee, C. Survival Model-Based Economic Evaluation of Preventive Maintenance Practice on Asphalt Pavement. J. South China Univ. Technol. Nat. Sci. 2012, 40, 133–137. [Google Scholar]
- Subirats, P.; Dumoulin, J.; Legeay, V.; Barba, D. Automation of Pavement Surface Crack Detection Using the Continuous Wavelet Transform. In Proceedings of the 2006 IEEE International Conference on Image Processing, Atlanta, GA, USA, 8–11 October 2006; pp. 3037–3040. [Google Scholar]
- Nguyen, T.S.; Avila, M.; Begot, S. Automatic Detection and Classification of Defect on Road Pavement Using Anisotropy Measure. In Proceedings of the 2009 17th European Signal Processing Conference, Glasgow, UK, 24–28 August 2009; pp. 617–621. [Google Scholar]
- Dollar, P.; Zitnick, C.L. Fast Edge Detection Using Structured Forests. IEEE Trans. Pattern Anal. Mach. Intell. 2015, 37, 1558–1570. [Google Scholar] [CrossRef]
- Akay, B. A study on particle swarm optimization and artificial bee colony algorithms for multilevel thresholding. Appl. Soft Comput. 2013, 13, 3066–3091. [Google Scholar] [CrossRef]
- Vo, A.V.; Truong-Hong, L.; Laefer, D.F.; Bertolotto, M. Octree-based region growing for point cloud segmentation. ISPRS J. Photogramm. Remote Sens. 2015, 104, 88–100. [Google Scholar] [CrossRef]
- Wang, Y.; Zhang, J.Y.; Liu, J.X.; Zhang, Y.; Chen, Z.P.; Li, C.G.; He, K.; Bin Yan, R. Research on Crack Detection Algorithm of the Concrete Bridge Based on Image Processing. Procedia Comput. Sci. 2019, 154, 610–616. [Google Scholar] [CrossRef]
- Hong, X.J. Based on Fractional Differential Enhancement New Model of Pavement Crack. J. Highw. Transp. Res. Dev. 2016, 33, 83–87. [Google Scholar]
- Nnolim, U.A. Automated crack segmentation via saturation channel thresholding, area classification and fusion of modified level set segmentation with Canny edge detection. Heliyon 2020, 6, e05748. [Google Scholar] [CrossRef] [PubMed]
- Hoang, N.D.; Nguyen, Q.L.; Tran, V.-D. Automatic recognition of asphalt pavement cracks using metaheuristic optimized edge detection algorithms and convolution neural network. Autom. Constr. 2018, 94, 203–213. [Google Scholar]
- Sheng, L. Method of shadow pavement crack extraction based on improved local threshold segmentation. Wirel. Internet Technol. 2018, 20, 112–113. [Google Scholar]
- Zhang, D.; Li, Q.; Chen, Y.; Cao, M.; He, L.; Zhang, B. An efficient and reliable coarse-to-fine approach for asphalt pavement crack detection. Image Vis. Comput. 2017, 57, 130–146. [Google Scholar] [CrossRef]
- Song, M.; Cui, D.; Yu, C.; An, J.; Chang, C.-I. Crack Detection Algorithm for Photovoltaic Image Based on Multi-Scale Pyramid and Improved Region Growing. In Proceedings of the 2018 IEEE 3rd International Conference on Image, Vision and Computing (ICIVC), Chongqing, China, 27–29 June 2018; pp. 128–132. [Google Scholar]
- Li, W.; Sun, Z.Y. Pavement Crack Type Judgment Method Based on Three-dimensional Pavement Data. China J. Highw. Transp. 2015, 28, 21–28. [Google Scholar]
- Mohan, A.; Poobal, S. Crack detection using image processing: A critical review and analysis. Alex. Eng. J. 2017, 57, 787–798. [Google Scholar] [CrossRef]
- Yao, Y.; Tung, S.; Glisic, B. Crack detection and characterization techniques—An overview. Struct. Control Health Monit. 2015, 21, 1387–1413. [Google Scholar] [CrossRef]
- Xiang, X.; Zhang, Y.; El Saddik, A. Pavement Crack Detection Network Based on Pyramid Structure and Attention Mechanism. IET Image Process. 2020, 14, 1580–1586. [Google Scholar] [CrossRef]
- Tsai, Y.C.; Kaul, V.; Mersereau, R.M. Critical Assessment of Pavement Distress Segmentation Methods. J. Transp. Eng. 2010, 136, 11–19. [Google Scholar] [CrossRef]
- Girshick, R.; Donahue, J.; Darrell, T.; Malik, J. Rich Feature Hierarchies for Accurate Object Detection and Semantic Segmentation. In Proceedings of the IEEE Conference on Computer Vision and Pattern Recognition, Columbus, OH, USA, 23–28 June 2014; pp. 580–587. [Google Scholar]
- Girshick, R. Fast R-CNN. In Proceedings of the International Conference on Computer Vision, Santiago, Chile, 7–13 December 2015; pp. 1440–1448. [Google Scholar]
- Ren, S.; He, K.; Girshick, R.; Sun, J. Faster R-CNN: Towards real-time object detection with region proposal networks. In Proceedings of the Conference on Neural Information Processing Systems, Montreal, QC, Canada, 7–12 December 2015; pp. 91–99. [Google Scholar]
- Redmon, J.; Divvala, S.; Girshick, R.; Farhadi, A. You only look once: Unified, real-time object detection. In Proceedings of the IEEE Conference on Computer Vision and Pattern Recognition, Seattle, WA, USA, 27–30 June 2016; pp. 779–788. [Google Scholar]
- Chen, L.L.; Zhang, Z.D.; Peng, L. Fast single shot multibox detector and its application on vehicle counting system. IET Intell. Transp. Syst. 2018, 12, 1406–1413. [Google Scholar] [CrossRef]
- Redmon, J.; Farhadi, A. YOLO9000: Better, faster, stronger. In Proceedings of the IEEE Conference on Computer Vision and Pattern Recognition, Honolulu, HI, USA, 21–26 July 2017; pp. 6517–6525. [Google Scholar]
- Redmon, J.; Farhadi, A. YOLOv3: An incremental improvement. arXiv 2018, arXiv:1804.02767. [Google Scholar]
- Li, M.; Zhang, Z.; Lei, L.; Wang, X.; Guo, X. Agricultural Greenhouses Detection in High-Resolution Satellite Images Based on Convolutional Neural Networks: Comparison of Faster R-CNN, YOLO v3 and SSD. Sensors 2020, 20, 4938. [Google Scholar] [CrossRef] [PubMed]
- Morera, Á.; Sánchez, Á.; Moreno, A.B.; Sappa, Á.D.; Vélez, J.F. SSD vs. YOLO for Detection of Outdoor Urban Advertising Panels under Multiple Variabilities. Sensors 2020, 20, 4587. [Google Scholar] [CrossRef]
- da Silva, D.Q.; dos Santos, F.N.; Sousa, A.J.; Filipe, V. Visible and Thermal Image-Based Trunk Detection with Deep Learning for Forestry Mobile Robotics. Imaging 2021, 7, 176. [Google Scholar] [CrossRef] [PubMed]
- Bochkovskiy, A.; Wang, C.Y.; Liao, H.Y.M. YOLOv4: Optimal Speed and Accuracy of Object Detection. arXiv 2020, arXiv:2004.10934. [Google Scholar]
- Yang, F. A Real-Time Apple Targets Detection Method for Picking Robot Based on Improved YOLOv5. Remote Sens. 2021, 13, 1619. [Google Scholar]
- Chen, W.; Ju, C.; Li, Y.; Hu, S.; Qiao, X. Sugarcane Stem Node Recognition in Field by Deep Learning Combining Data Expansion. Appl. Sci. 2021, 11, 8663. [Google Scholar] [CrossRef]
- Umair, M.; Farooq, M.U.; Raza, R.H.; Chen, Q.; Abdulhai, B. Efficient Video-based Vehicle Queue Length Estimation using Computer Vision and Deep Learning for an Urban Traffic Scenario. Processes 2021, 9, 1786. [Google Scholar] [CrossRef]
- Zhang, B.; Sun, C.-F.; Fang, S.-Q.; Zhao, Y.-H.; Su, S. Workshop Safety Helmet Wearing Detection Model Based on SCM-YOLO. Sensors 2022, 22, 6702. [Google Scholar] [CrossRef]
- Li, S.; Gu, X.; Xu, X.; Xu, D.; Zhang, T.; Liu, Z.; Dong, Q. Detection of concealed cracks from ground penetrating radar images based on deep learning algorithm. Constr. Build. Mater. 2021, 273, 121949. [Google Scholar] [CrossRef]
- Wong, M.A. Algorithm AS 136: A K-Means Clustering Algorithm. J. R. Stat. Soc. 1979, 28, 100–108. [Google Scholar]
- Woo, S.; Park, J.; Lee, J.-Y.; Kweon, I.S. CBAM: Convolutional Block Attention Module. In Proceedings of the European Conference on Computer Vision, Munich, Germany, 8–14 September 2018; pp. 3–19. [Google Scholar]
- Zhang, Y.X.; Huang, J.; Cai, F. On Bridge Surface Crack Detection Based on an Improved YOLO v3 Algorithm. IFAC Pap. 2020, 53, 8205–8210. [Google Scholar] [CrossRef]
- Yang, B.; Gao, Z.; Gao, Y.; Zhu, Y. Rapid Detection and Counting of Wheat Ears in the Field Using YOLOv4 with Attention Module. Agronomy 2021, 11, 1202. [Google Scholar] [CrossRef]
- Arthur, D.; Vassilvitskii, S. k-means++: The Advantages of Careful Seeding. In Proceedings of the 18th ACM-SIAM Symposium on Discrete Algorithms, New Orleans, LA, USA, 7–9 January 2007; pp. 1027–1035. [Google Scholar]
- He, K.M.; Zhang, X.Y.; Ren, S.; Sun, J. Spatial pyramid pooling in deep convolutional networks for visual recognition. In Proceedings of the IEEE Transactions on Pattern Analysis and Machine Intelligence, Zurich, Switzerland, 6–12 September 2014; pp. 1904–1916. [Google Scholar]
- Liu, S.; Qi, L.; Qin, H.; Shi, J.; Jia, J. Path Aggregation Network for Instance Segmentation. In Proceedings of the 2018 IEEE/CVF Conference on Computer Vision and Pattern Recognition (CVPR), Salt Lake City, UT, USA, 18–23 June 2018. [Google Scholar]
- Sun, X.Q.; Huang, Q.; Li, Y.; Huang, Y. An Improved Vehicle Detection Algorithm based on YOLOV3. In Proceedings of the 2019 IEEE International Conference on Parallel & Distributed Processing with Applications, Big Data & Cloud Computing, Sustainable Computing & Communications, Social Computing & Networking (ISPA/BDCloud/SocialCom/SustainCom), Xiamen, China, 16–18 December 2019; pp. 1445–1550. [Google Scholar]
- Xue, Y.; Ju, Z. Multiple pedestrian tracking under first-person perspective using deep neural network and social force optimization. Optik 2021, 240, 166981. [Google Scholar] [CrossRef]
- Li, H.; Deng, L.; Yang, C.; Liu, J.; Gu, Z. Enhanced YOLO v3 Tiny Network for Real-time Ship Detection from Visual Image. IEEE Access 2021, 9, 16692–16706. [Google Scholar] [CrossRef]
- Qu, Z.; Zhu, F.; Qi, C. Remote Sensing Image Target Detection: Improvement of the YOLOv3 Model with Auxiliary Networks. Remote Sens. 2021, 13, 3908. [Google Scholar] [CrossRef]
- Wang, K.; Liu, M.; Ye, Z. An advanced YOLOv3 method for small-scale road object detection. Appl. Soft Comput. 2021, 112, 107846. [Google Scholar] [CrossRef]
- Selvaraju, R.R.; Cogswell, M.; Das, A.; Vedantam, R.; Parikh, D.; Batra, D. Grad-CAM: Visual Explanations from Deep Networks via Gradient-based Localization. Int. J. Comput. Vis. 2020, 128, 336–359. [Google Scholar] [CrossRef]













| Types | P (%) | R (%) | F1-Score (%) | mAP (%) | FPS (f/s) | |
|---|---|---|---|---|---|---|
| Methods | ||||||
| YOLOv4 (K-means) | 96.47 | 37.92 | 54 | 79.99 | 15.43 | |
| YOLOv4 (K-means++) | 95.81 | 50.48 | 65.5 | 80.92 | 15.38 | |
| Types | P (%) | R (%) | F1-Score (%) | mAP (%) | FPS (f/s) | |
|---|---|---|---|---|---|---|
| Methods | ||||||
| YOLOv4 (K-means++) | 95.81 | 50.48 | 65.5 | 80.92 | 15.38 | |
| YOLOv4B1 | 4.17 | 0.09 | 0 | 3.18 | 7.16 | |
| YOLOv4B2 | 95.05 | 50.38 | 64.75 | 75.84 | 6.44 | |
| YOLOv4N1 | 94.72 | 36.23 | 48.5 | 74.77 | 5.08 | |
| YOLOv4N2 | 95.84 | 53.23 | 68 | 82.51 | 6.52 | |
| YOLOv4H1 | 95.00 | 54.39 | 64.5 | 81.16 | 9.52 | |
| YOLOv4H2 | 96.07 | 57.30 | 70.25 | 82.45 | 14.85 | |
| Types | P (%) | R (%) | F1-Score (%) | mAP (%) | FPS (f/s) | |
|---|---|---|---|---|---|---|
| Methods | ||||||
| YOLOv4(K-means++) | 95.81 | 50.48 | 65.5 | 80.92 | 15.38 | |
| YOLOv4-1 | 95.19 | 54.95 | 69 | 81.00 | 13.81 | |
| YOLOv4-2 | 94.89 | 52.46 | 67 | 81.34 | 14.06 | |
| YOLOv4-3 | 96.23 | 56.22 | 70.25 | 82.95 | 13.90 | |
| YOLOv4-4 | 95.60 | 56.01 | 69.75 | 81.50 | 13.93 | |
Publisher’s Note: MDPI stays neutral with regard to jurisdictional claims in published maps and institutional affiliations. |
© 2022 by the authors. Licensee MDPI, Basel, Switzerland. This article is an open access article distributed under the terms and conditions of the Creative Commons Attribution (CC BY) license (https://creativecommons.org/licenses/by/4.0/).
Share and Cite
Li, L.; Fang, B.; Zhu, J. Performance Analysis of the YOLOv4 Algorithm for Pavement Damage Image Detection with Different Embedding Positions of CBAM Modules. Appl. Sci. 2022, 12, 10180. https://doi.org/10.3390/app121910180
Li L, Fang B, Zhu J. Performance Analysis of the YOLOv4 Algorithm for Pavement Damage Image Detection with Different Embedding Positions of CBAM Modules. Applied Sciences. 2022; 12(19):10180. https://doi.org/10.3390/app121910180
Chicago/Turabian StyleLi, Li, Baihao Fang, and Jie Zhu. 2022. "Performance Analysis of the YOLOv4 Algorithm for Pavement Damage Image Detection with Different Embedding Positions of CBAM Modules" Applied Sciences 12, no. 19: 10180. https://doi.org/10.3390/app121910180
APA StyleLi, L., Fang, B., & Zhu, J. (2022). Performance Analysis of the YOLOv4 Algorithm for Pavement Damage Image Detection with Different Embedding Positions of CBAM Modules. Applied Sciences, 12(19), 10180. https://doi.org/10.3390/app121910180

