Fuel Consumption Reduction and Efficiency Improvement in Urban Street Sweeper Using Power Split with Lockup Clutch Transmission
Abstract
1. Introduction
2. Materials and Methods
2.1. Reference Vehicle
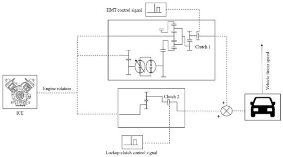
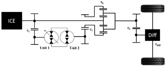
2.2. Powertrain Layout
- Hydromechanical (HM) power split input coupled transmission.
- Hydrostatic transmission.
- Hydromechanical (HM) power split input-coupled transmission with lockup clutch.
2.3. Numerical Models and Control Strategies
2.3.1. Volumetric and Hydromechanical Losses
2.3.2. Pump Displacement Control Strategy
2.3.3. Lockup Clutch Dynamic Control
2.3.4. Transmission Characterization
2.3.5. UNI-EN 15429 Cycle
2.3.6. Mission Test
3. Results and Discussion
3.1. Hydraulic Transmission and HMT Input-Coupled Transmission Characterization
3.2. Comparison between Input-Coupled HMT and Input-Coupled HMT with Lockup Clutch—UNI EN 15429-2
3.3. Comparison between Input-Coupled HMT and Input-Coupled HMT with Lockup Clutch—Mission Test
4. Conclusions
Author Contributions
Funding
Institutional Review Board Statement
Informed Consent Statement
Data Availability Statement
Conflicts of Interest
References
- Reis, S.; Cowie, H.; Riddell, K.; Steinle, S.; Apsley, A. Urban Air Quality Citizen Science Phase 1: Review of Methods and Projects; Scottish Environment Protection Agency: Stirling, UK, 2013. [Google Scholar]
- Marinov, M.B.; Topalov, I.; Gieva, E.; Nikolov, G. Air quality monitoring in urban environments. Proc. Int. Spring Semin. Electron. Technol. 2016, 2016, 443–448. [Google Scholar] [CrossRef]
- Dangi, M.B.; Fernandez, D.; Bom, U.B.; Belbase, S.; Kaphle, R. Evaluation of environmental impact assessment report preparation and public participation in landfill projects in Nepal. Habitat Int. 2015, 46, 72–81. [Google Scholar] [CrossRef]
- Ishaq, M.; Ishaq, H.; Nawaz, A. Life cycle assessment of electric scooters for mobility services: A green mobility solutions. Int. J. Energy Res. 2022, 1–18. [Google Scholar] [CrossRef]
- Zhang, S.P.; Tak, T.O. Efficiency evaluation of electric bicycle power transmission systems. Sustainability 2021, 13, 10988. [Google Scholar] [CrossRef]
- Rossetti, A.; Macor, A.; Benato, A. Impact of control strategies on the emissions in a city bus equipped with power-split transmission. Transp. Res. Part D Transp. Environ. 2017, 50, 357–371. [Google Scholar] [CrossRef]
- MacOr, A.; Rossetti, A. Fuel consumption reduction in urban buses by using power split transmissions. Energy Convers. Manag. 2013, 71, 159–171. [Google Scholar] [CrossRef]
- Ritari, A.; Vepsäläinen, J.; Kivekäs, K.; Tammi, K.; Laitinen, H. Energy consumption and lifecycle cost analysis of electric city buses with multispeed gearboxes. Energies 2020, 13, 2117. [Google Scholar] [CrossRef]
- Liu, X.; Sun, D.; Qin, D.; Liu, J. Achievement of fuel savings in wheel loader by applying hydrodynamic mechanical power split transmissions. Energies 2017, 10, 1267. [Google Scholar] [CrossRef]
- Kim, Y.S.; Kim, W.S.; Abu Ayub Siddique, M.; Baek, S.Y.; Baek, S.M.; Cheon, S.H.; Lee, S.D.; Lee, K.H.; Hong, D.H.; Park, S.U.; et al. Power transmission efficiency analysis of 42 kW power agricultural tractor according to tillage depth during moldboard plowing. Agronomy 2020, 10, 1263. [Google Scholar] [CrossRef]
- Siddique, M.A.A.; Baek, S.M.; Baek, S.Y.; Kim, W.S.; Kim, Y.S.; Kim, Y.J.; Lee, D.H.; Lee, K.H.; Hwang, J.Y. Simulation of fuel consumption based on engine load level of a 95 kw partial power-shift transmission tractor. Agriculture 2021, 11, 276. [Google Scholar] [CrossRef]
- Nyhan, M.; Sobolevsky, S.; Kang, C.; Robinson, P.; Corti, A.; Szell, M.; Streets, D.; Lu, Z.; Britter, R.; Barrett, S.R.H.; et al. Predicting vehicular emissions in high spatial resolution using pervasively measured transportation data and microscopic emissions model. Atmos. Environ. 2016, 140, 352–363. [Google Scholar] [CrossRef]
- Luo, X.; Dong, L.; Dou, Y.; Zhang, N.; Ren, J.; Li, Y.; Sun, L.; Yao, S. Analysis on spatial-temporal features of taxis’ emissions from big data informed travel patterns: A case of Shanghai, China. J. Clean. Prod. 2017, 142, 926–935. [Google Scholar] [CrossRef]
- Saboohi, Y.; Farzaneh, H. Model for developing an eco-driving strategy of a passenger vehicle based on the least fuel consumption. Appl. Energy 2009, 86, 1925–1932. [Google Scholar] [CrossRef]
- Ting, K.H.; Lee, L.S.; Pickl, S.; Seow, H.V. Shared mobility problems: A systematic review on types, variants, characteristics, and solution approaches. Appl. Sci. 2021, 11, 7996. [Google Scholar] [CrossRef]
- Sun, Y.; Xu, J.; Lin, G.; Ni, F.; Simoes, R. An optimal performance based new multi-objective model for heat and power hub in large scale users. Energy 2018, 161, 1234–1249. [Google Scholar] [CrossRef]
- D’Andrea, D.; Epasto, G.; Bonanno, A.; Guglielmino, E.; Benazzi, G. Failure analysis of anti-friction coating for cylinder blocks in axial piston pumps. Eng. Fail. Anal. 2019, 104, 126–138. [Google Scholar] [CrossRef]
- Senatore, A.; Risitano, G.; Scappaticci, L.; D’andrea, D. Investigation of the tribological properties of different textured lead bronze coatings under severe load conditions. Lubricants 2021, 9, 34. [Google Scholar] [CrossRef]
- Khaskhoussi, A.; Risitano, G.; Calabrese, L.; D’Andrea, D. Investigation of the Wettability Properties of Different Textured Lead/Lead-Free Bronze Coatings. Lubricants 2022, 10, 82. [Google Scholar] [CrossRef]
- Previti, U.; Galvagno, A.; Risitano, G.; Alberti, F. Smart Design: Application of an Automatic New Methodology for the Energy Assessment and Redesign of Hybrid Electric Vehicle Mechanical Components. Vehicles 2022, 4, 586–607. [Google Scholar] [CrossRef]
- Budich, R.; Hübner, M. Vehicle Simulation of an Electric Street Sweeper for Substitution Analysis; Springer: Wiesbaden, Germany, 2016; pp. 673–690. [Google Scholar] [CrossRef]
- Rosenkranz, R.; Altinsoy, E.; Nicht, A. Noise emission of electric street sweepers-Perceptual evaluation of their sound. Proc. Forum Acust. 2014, 2014. [Google Scholar]
- D’Andrea, D.; Risitano, G.; Desiderio, E.; Quintarelli, A.; Milone, D.; Alberti, F. Artificial Neural Network Prediction of the Optimal Setup Parameters of a Seven Degrees of Freedom Mathematical Model of a Race Car: IndyCar Case Study. Vehicles 2021, 3, 300–329. [Google Scholar] [CrossRef]
- Irimia, P. Modern Developments of the Hydraulic Transmissions in Automotive Technology. Rom. Acad. Tech. Sci. Agir Press. House 2012, 2012, 2066–6586. [Google Scholar]
- Kim, N.; Rousseau, A. A comparative study of hydraulic hybrid systems for class 6 trucks. SAE Tech. Pap. 2013, 2, 1472. [Google Scholar] [CrossRef]
- Uebel, K.; Raduenz, H.; Krus, P.; De Negri, V.J. Design optimisation strategies for a hydraulic hybrid wheel loader. In Proceedings of the BATH/ASME 2018 Symposium on Fluid Power and Motion Control, Bath, UK, 12–14 September 2018; p. V001T01A001. [Google Scholar] [CrossRef]
- Comellas, M.; Pijuan, J.; Potau, X.; Nogués, M.; Roca, J. Analysis of a hydrostatic transmission driveline for its use in off-road multiple axle vehicles. J. Terramechanics 2012, 49, 245–254. [Google Scholar] [CrossRef]
- Ossyra, J.C.; Ivantysynova, M. Drive line control for off-road vehicles helps to save fuel. SAE Tech. Pap. 2004, 1, 2673. [Google Scholar] [CrossRef]
- Macor, A.; Rossetti, A. Optimization of hydro-mechanical power split transmissions. Mech. Mach. Theory 2011, 46, 1901–1919. [Google Scholar] [CrossRef]
- Cheong, K.L.; Li, P.Y.; Sedler, S.; Chase, T.R. Comparison between Input Coupled and Output Coupled Power-split Configurations in Hybrid Vehicles. IFPE Conf. Proc. 2011, 5, 243–252. [Google Scholar]
- Kress, J.H. Hydrostatic Power-Splitting Transmissions for Wheeled Vehicles—Classification and Theory of Operation; SAE: Warrendale, PA, USA, 1968; pp. 2282–2306. [Google Scholar]
- Yamamoto, M.; Wakahara, T.; Okahara, H.; Oshita, H. Hydraulic System, Shift and Lockup Clutch Controls Developed for a Large Torque Capacity CVT; SAE Technical Paper; SAE: Warrendale, PA, USA, 2004. [Google Scholar]
- Ochi, Y.; Segawa, S.; Higashimata, A. Slip Control for a Lock-Up Clutch with a Robust Control Method; IEEE: Piscataway, NJ, USA, 2004; pp. 744–749. [Google Scholar]
- Carl, B.; Ivantysynova, M.; Williams, K. Comparison of operational characteristics in power split continuously variable transmissions. SAE Tech. Pap. 2006, 1, 776–790. [Google Scholar] [CrossRef]
- Rossetti, A.; MacOr, A. Multi-objective optimization of hydro-mechanical power split transmissions. Mech. Mach. Theory 2013, 62, 112–128. [Google Scholar] [CrossRef]
- Krauss, A.; Ivantysynova, M. Power split transmissions versus hydrostatic multiple motor concepts—A comparative analysis. SAE Tech. Pap. 2004, 113, 403–414. [Google Scholar] [CrossRef]



















| Parameter | Value |
|---|---|
| Engine power (PICE) | 25 kW |
| Engine speed (ωICE) | 1800 rpm |
| Maximum wheel torque (Cwheel) | 4200 Nm |
| Maximum vehicle speed (Vmax) | 25 km/h |
| Vehicle mass (m) | 2400 kg |
| Wheel radius (rwheel) | 0.35 m |
| Parameter | Value |
|---|---|
| Max pressure difference (Δp) | 380 bar |
| Maximum unit speed (ωmotor/pump) | 3500 rpm |
| Full mechanical point (FMP) | 10 km/h |
| Differential transmission ratio (τdiff) | 4 |
| Planetary transmission ratio (τ0) | −1/3 |
| Hydrostatic | CVT IC | CVT IC with Lockup Clutch | ||
|---|---|---|---|---|
| Parameter | Value | Value | Value | |
| Gear ratio | τ1 | 0.51 | 0.51 | 0.51 |
| Gear ratio | τ2 | 0.32 | 0.32 | |
| Gear ratio | τ3 | 2.41 | ||
| Displacement | VI | 40 cc | 40 cc | 40 cc |
| Displacement | VII | 39 cc | 39 cc | 39 cc |
| Gear ratio | τ5 | 4.52 | 3.77 | |
| Gear ratio | τdiff | 4 | 4 | 4 |
| Gear ratio | τ0 | 1/3 | 1/3 | |
| Gear ratio | τ6 | 6 | ||
| Gear ratio | τidle | 1 |
| Mode | Value | Power Transmission |
|---|---|---|
| Urban driving | 1 | Hydromechanical |
| Working | 0 | Mechanical |
| Power Split | Power Split Lockup | |
|---|---|---|
| Global efficiency | 0.63 | 0.91 |
| Fuel consumption | 0.95 g/s | 0.7 g/s |
Publisher’s Note: MDPI stays neutral with regard to jurisdictional claims in published maps and institutional affiliations. |
© 2022 by the authors. Licensee MDPI, Basel, Switzerland. This article is an open access article distributed under the terms and conditions of the Creative Commons Attribution (CC BY) license (https://creativecommons.org/licenses/by/4.0/).
Share and Cite
D’Andrea, D.; Risitano, G.; Alberti, F. Fuel Consumption Reduction and Efficiency Improvement in Urban Street Sweeper Using Power Split with Lockup Clutch Transmission. Appl. Sci. 2022, 12, 10160. https://doi.org/10.3390/app121910160
D’Andrea D, Risitano G, Alberti F. Fuel Consumption Reduction and Efficiency Improvement in Urban Street Sweeper Using Power Split with Lockup Clutch Transmission. Applied Sciences. 2022; 12(19):10160. https://doi.org/10.3390/app121910160
Chicago/Turabian StyleD’Andrea, Danilo, Giacomo Risitano, and Fabio Alberti. 2022. "Fuel Consumption Reduction and Efficiency Improvement in Urban Street Sweeper Using Power Split with Lockup Clutch Transmission" Applied Sciences 12, no. 19: 10160. https://doi.org/10.3390/app121910160
APA StyleD’Andrea, D., Risitano, G., & Alberti, F. (2022). Fuel Consumption Reduction and Efficiency Improvement in Urban Street Sweeper Using Power Split with Lockup Clutch Transmission. Applied Sciences, 12(19), 10160. https://doi.org/10.3390/app121910160

