Hybrid Model Based on an SD Selection, CEEMDAN, and Deep Learning for Short-Term Load Forecasting of an Electric Vehicle Fleet
Abstract
1. Introduction
1.1. Problem Statement
1.2. Proposed Solutions
- a unique heterogeneous fleet of 1000 EVs, grouped into long-range, mid-range, and short-range EVs, in terms of their battery capacity;
- the three-day-ahead predictions with high accuracy achieved on real data provided by FleetCarma Inc. (Waterloo, ON, Canada);
- an evaluation with various methods comprising the SD selection, the CEEMDAN method, and different RNN architectures.
2. Materials and Methods
2.1. SD Approach Using XGB and k-Means
2.2. Complete Ensemble Empirical Mode Decomposition with Adaptive Noise (CEEMDAN)
- i.
- Add white noise with a normal distribution to the original signal The signal for the ith decomposition, where i denotes the number of decompositions, is represented as
- ii.
- The EMD decomposes the trial signal Si(t) to obtain correspondingly, so
- iii.
- Add white noise to the residual , execute the trial i times (i = 1, 2, ⋯, I), and each trial adopts EMD to decomposeto find its first-order component .Residual
- iv.
- Then, the signal is further decomposed by EMD to calculate the second IMF mode and the relating residue by repeating the above decomposition process. When the residual cannot be decomposed by EMD, the program ends. The original signal can be represented as:
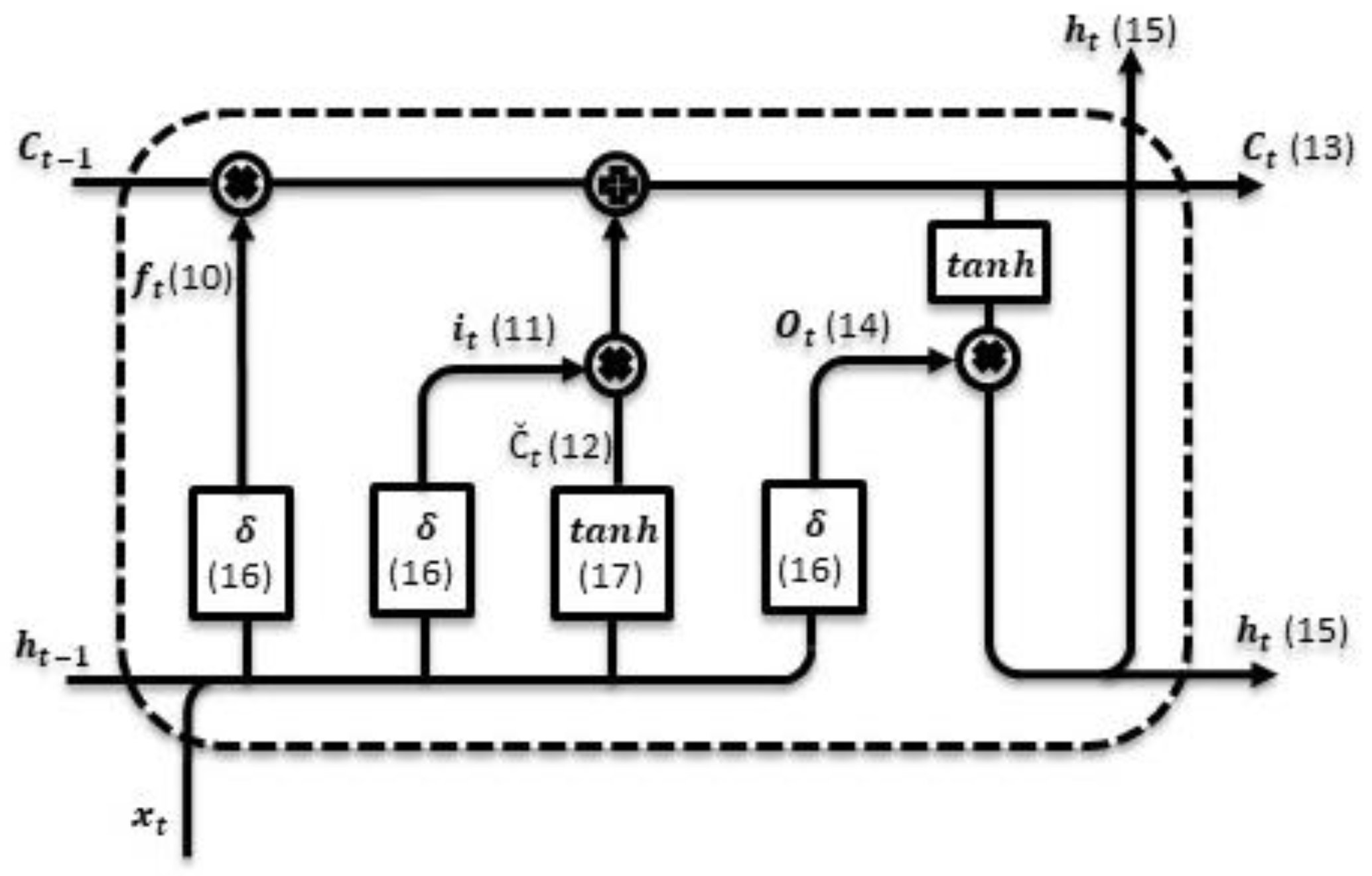
2.3. Long Short-Term Memory (LSTM) and Bidirectional LSTMs
2.4. Gated Recurrent Unit (GRU)
2.5. The Proposed SD-CEEMDAN-BiLSTM Prediction Model
- I.
- The feature weight is calculated by the XGB method and is merged with the k-means algorithm to establish the SD cluster.
- II.
- The CEEMDAN method is utilized to decompose the charging load into several IMF sequences (i = 1, 2, ⋯, M) and one residue .
- III.
- Each IMF and the residue item are normalized and used as the input to the BiLSTM model for training and obtaining the predicted values, respectively. The results of the test set predictions are (i = 1, 2, ⋯, M) and
- IV.
- Then, the final forecast results are adjusted using the below formula.where L is the test series length, and is the final predictive series of the test set.
3. Data Pre-Processing and Feature Analysis
3.1. Data Description and Input Variable
3.2. XGB Feature Importance
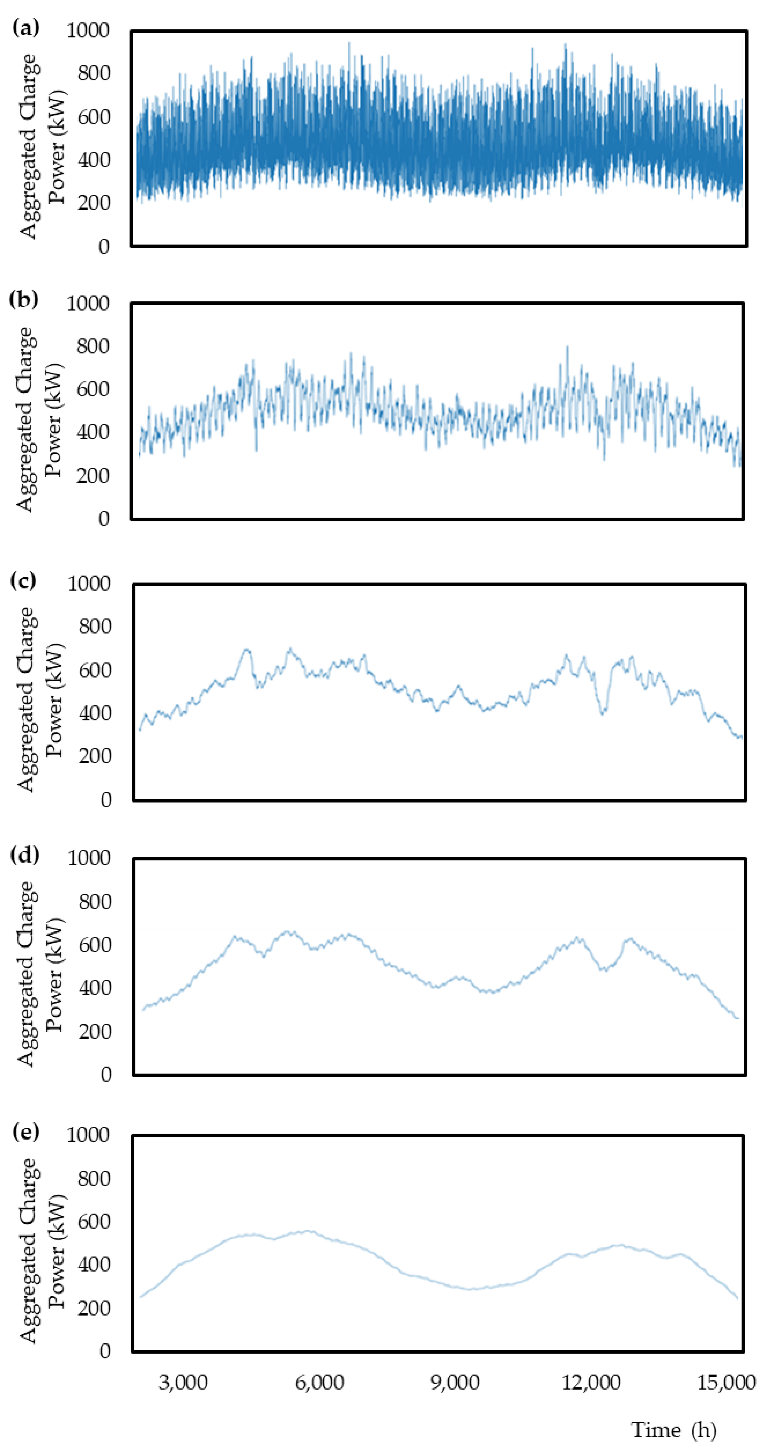
3.3. Data Decomposition
3.4. Evaluation Indicators
4. Results
5. FutureWork
- Examine reinforcement learning approaches for dealing with real large datasets composed of time series.To learn the individual EV user energy consumption in order to reduce peak power on an aggregate level.To investigate the individual and cumulative impact of battery capacity and time of use rate on the charging behavior of EV users.
- Apply smart charging strategy to minimize overall vehicle energy use costs.
- Develop a methodology that facilitates the decision making in real-time, using models that can be applied to a wide range of vehicle models and/or groups.
6. Conclusions
- 1.
- The hybrid approach is feasible and reasonable for the three-day-ahead load forecasting of a real-life dataset that was collected from 1000 EVs in nine provinces in Canada from 2017 to 2019.
- 2.
- The SD algorithm applied for optimizing the single models and the CEEMDAN technique applied in extracting the various components could both improve the prediction performance of the single models.
- 3.
- Overall, the proposed SD-CEEMDAN-BiLSTM model shows a competitive technique for enhancing the charging load prediction accuracy of the EV fleet.
Author Contributions
Funding
Institutional Review Board Statement
Informed Consent Statement
Data Availability Statement
Acknowledgments
Conflicts of Interest
Nomenclature
| EV | Electric Vehicle |
| STLF | Short-Term Load Forecasting |
| SD | Similar Day |
| AI | Artificial Intelligence |
| ML | Machine Learning |
| RNN | Recurrent Neural Network |
| LSTM | Long Short-Term Memory |
| BiLSTM | Bidirectional LSTM |
| GRU | Gated Recurrent Unit |
| XGB | Extreme Gradient Boosting |
| EMD | Empirical Mode Decomposition |
| IMFs | Intrinsic Mode Functions |
| EEMD | Ensemble EMD |
| CEEMDAN | CEEMD with Adaptive Noise |
| MR | Mid-Range |
| SR | Short-Range |
| the nth decision tree | |
| F | space |
| loss function | |
| prediction and target values | |
| regularization term | |
| n | the number of targets |
| number of leaf nodes | |
| the score of leaf nodes | |
| γ and β | penalty factors |
| white noise | |
| original signal | |
| Si(t) | experimental signal |
| residual | |
| input gate | |
| forget gate | |
| output gate | |
| activation functions | |
| zt | update gate vector |
| Ht−1 | output at t−1 time slot |
| rt | reset gate vector |
| xt | input gate at the current moment |
| Ϭg, ϕh | sigmoid and hyperbolic function |
| Čt | the current state of the cell |
| cell state | |
| input, output, and update gates | |
| activation function and reset gate | |
| W, U, b | parameter matrices and vector |
| sigmoid and hyperbolic function | |
| total predicted number of days | |
| predictive value | |
| actual value | |
| test set | |
| final predicted result | |
| RMSE | root mean squared error |
| MAE | mean absolute error |
| MAPE | mean absolute percent error |
| MSE | mean squared error |
References
- World Economic Forum. Worldwide Sales of EVs. Available online: https://www.weforum.org/agenda/2022/02/electric-cars-sales-evs/ (accessed on 24 February 2022).
- PV magazine International. Global Electric Car Fleet by 2030. Available online: https://www.pv-magazine.com/2019/05/28/global-electric-car-fleet-may-reach-250-million-by-2030/ (accessed on 24 February 2022).
- Zhu, J.; Yang, Z.; Guo, Y.; Zhang, J.; Yang, H. Short-Term Load Forecasting for Electric Vehicle Charging Stations Based on Deep Learning Approaches. Appl. Sci. 2019, 9, 1723. [Google Scholar] [CrossRef]
- Xiao, L.; Shao, W.; Wang, C.; Zhang, K.; Lu, H. Research and Application of a Hybrid Model Based on Multi-Objective Optimization for Electrical Load Forecasting. Appl. Energy 2016, 180, 213–233. [Google Scholar] [CrossRef]
- Peng, T.; Zhang, C.; Zhou, J.; Nazir, M.S. An Integrated Framework of Bi-Directional Long-Short Term Memory (BiLSTM) Based on Sine Cosine Algorithm for Hourly Solar Radiation Forecasting. Energy 2021, 221, 119887. [Google Scholar] [CrossRef]
- Ma, Z.; Chen, H.; Wang, J.; Yang, X.; Yan, R.; Jia, J.; Xu, W. Application of Hybrid Model Based on Double Decomposition, Error Correction and Deep Learning in Short-Term Wind Speed Prediction. Energy Convers. Manag. 2020, 205, 112345. [Google Scholar] [CrossRef]
- Lin, H.; Sun, Q. Crude Oil Prices Forecasting: An Approach of Using CEEMDAN-Based Multi-Layer Gated Recurrent Unit Networks. Energies 2020, 13, 1543. [Google Scholar] [CrossRef]
- Lin, Y.; Yan, Y.; Xu, J.; Liao, Y.; Ma, F. Forecasting Stock Index Price Using the CEEMDAN-LSTM Model. N. Am. J. Econ. Financ. 2021, 57, 101421. [Google Scholar] [CrossRef]
- Zhou, J.; Chen, D. Carbon Price Forecasting Based on Improved CEEMDAN and Extreme Learning Machine Optimized by Sparrow Search Algorithm. Sustainability 2021, 13, 4896. [Google Scholar] [CrossRef]
- Massaoudi, M.; Refaat, S.S.; Chihi, I.; Trabelsi, M.; Oueslati, F.S.; Abu-Rub, H. A Novel Stacked Generalization Ensemble-Based Hybrid LGBM-XGB-MLP Model for Short-Term Load Forecasting. Energy 2021, 214, 118874. [Google Scholar] [CrossRef]
- Wu, J.; Zhou, T.; Li, T. Detecting Epileptic Seizures in EEG Signals with Complementary Ensemble Empirical Mode Decomposition and Extreme Gradient Boosting. Entropy 2020, 22, 140. [Google Scholar] [CrossRef]
- Zheng, H.; Yuan, J.; Chen, L. Short-Term Load Forecasting Using EMD-LSTM Neural Networks with a Xgboost Algorithm for Feature Importance Evaluation. Energies 2017, 10, 1168. [Google Scholar] [CrossRef]
- Zhu, K.; Geng, J.; Wang, K. A Hybrid Prediction Model Based on Pattern Sequence-Based Matching Method and Extreme Gradient Boosting for Holiday Load Forecasting. Electr. Power Syst. Res. 2021, 190, 106841. [Google Scholar] [CrossRef]
- Haq, R. Machine Learning for Load Profile Data Analytics and Short-Term Load Forecasting. Master’s Thesis, Electrical South Dakota State University, Brookings, SD, USA, 2019. [Google Scholar]
- Nie, H.; Liu, G.; Liu, X.; Wang, Y. Hybrid of ARIMA and SVMs for Short-Term Load Forecasting. Energy Procedia 2012, 16, 1455–1460. [Google Scholar] [CrossRef]
- Chen, Y.; Luh, P.B.; Guan, G.; Zhao, Y.; Michel, L.D.; Coolbeth, M.A.; Friedland, P.B.; Rourke, S.J. Short-Term Load Forecasting: Similar Day-Based Wavelet Neural Networks. IEEE Trans. Power Syst. 2010, 25, 322–330. [Google Scholar] [CrossRef]
- Henselmeyer, S.; Grzegorzek, M. Short-Term Load Forecasting Using an Attended Sequential Encoder-Stacked Decoder Model with Online Training. Appl. Sci. 2021, 11, 4927. [Google Scholar] [CrossRef]
- Sun, X.; Luh, P.B.; Cheung, K.W.; Guan, W.; Michel, L.D.; Venkata, S.S.; Miller, M.T. An Efficient Approach to Short-Term Load Forecasting at the Distribution Level. IEEE Trans. Power Syst. 2016, 31, 2526–2537. [Google Scholar] [CrossRef]
- Mamun, A.A.; Sohel, M.; Mohammad, N.; Haque Sunny, M.S.; Dipta, D.R.; Hossain, E. A Comprehensive Review of the Load Forecasting Techniques Using Single and Hybrid Predictive Models. IEEE Access 2020, 8, 134911–134939. [Google Scholar] [CrossRef]
- Bouktif, S.; Fiaz, A.; Ouni, A.; Serhani, M. Optimal Deep Learning LSTM Model for Electric Load Forecasting Using Feature Selection and Genetic Algorithm: Comparison with Machine Learning Approaches. Energies 2018, 11, 1636. [Google Scholar] [CrossRef]
- Kong, W.; Dong, Z.Y.; Jia, Y.; Hill, D.J.; Xu, Y.; Zhang, Y. Short-Term Residential Load Forecasting Based on LSTM Recurrent Neural Network. IEEE Trans. Smart Grid 2019, 10, 841–851. [Google Scholar] [CrossRef]
- Wu, L.; Kong, C.; Hao, X.; Chen, W. A Short-Term Load Forecasting Method Based on GRU-CNN Hybrid Neural Network Model. Math. Probl. Eng. 2020, 2020, 1428104. [Google Scholar] [CrossRef]
- Du, J.; Cheng, Y.; Zhou, Q.; Zhang, J.; Zhang, X.; Li, G. Power Load Forecasting Using BiLSTM-Attention. IOP Conf. Ser. Earth Environ. Sci. 2020, 440, 032115. [Google Scholar] [CrossRef]
- Huang, Z.; Yang, F.; Xu, F.; Song, X.; Tsui, K.-L. Convolutional Gated Recurrent Unit–Recurrent Neural Network for State-of-Charge Estimation of Lithium-Ion Batteries. IEEE Access 2019, 7, 93139–93149. [Google Scholar] [CrossRef]
- Mohsenimanesh, A.; Entchev, E.; Lapouchnian, A.; Ribberink, H. A Comparative Study of Deep Learning Approaches for Day-Ahead Load Forecasting of an Electric Car Fleet. In Database and Expert Systems Applications—DEXA 2021 Workshops; Kotsis, G., Tjoa, A.M., Khalil, I., Moser, B., Mashkoor, A., Sametinger, J., Fensel, A., Martinez-Gil, J., Fischer, L., Czech, G., et al., Eds.; Communications in Computer and Information Science; Springer International Publishing: Cham, Switzerland, 2021; Volume 1479, pp. 239–249. [Google Scholar] [CrossRef]
- AL-Musaylh, M.S.; Deo, R.C.; Li, Y.; Adamowski, J.F. Two-Phase Particle Swarm Optimized-Support Vector Regression Hybrid Model Integrated with Improved Empirical Mode Decomposition with Adaptive Noise for Multiple-Horizon Electricity Demand Forecasting. Appl. Energy 2018, 217, 422–439. [Google Scholar] [CrossRef]
- Hong, W.-C.; Fan, G.-F. Hybrid Empirical Mode Decomposition with Support Vector Regression Model for Short Term Load Forecasting. Energies 2019, 12, 1093. [Google Scholar] [CrossRef]
- Colominas, M.A.; Schlotthauer, G.; Torres, M.E. Improved Complete Ensemble EMD: A Suitable Tool for Biomedical Signal Processing. Biomed. Signal Process. Control 2014, 14, 19–29. [Google Scholar] [CrossRef]
- Rezaie-Balf, M.; Maleki, N.; Kim, S.; Ashrafian, A.; Babaie-Miri, F.; Kim, N.W.; Chung, I.-M.; Alaghmand, S. Forecasting Daily Solar Radiation Using CEEMDAN Decomposition-Based MARS Model Trained by Crow Search Algorithm. Energies 2019, 12, 1416. [Google Scholar] [CrossRef]
- Jiang, F.; Zhang, Y. Electric Load Forecasting Based on CEEMDAN and LSSVM Optimized by Cuckoo Search Algorithm. In Proceedings of the 2019 IEEE 3rd Conference on Energy Internet and Energy System Integration (EI2), Changsha, China, 8–10 November 2019; pp. 1536–1541. [Google Scholar] [CrossRef]
- Torres, M.E.; Colominas, M.A.; Schlotthauer, G.; Flandrin, P. A Complete Ensemble Empirical Mode Decomposition with Adaptive Noise. In Proceedings of the 2011 IEEE International Conference on Acoustics, Speech and Signal Processing (ICASSP), Prague, Czech Republic, 22–27 May 2011; pp. 4144–4147. [Google Scholar] [CrossRef]
- Zhu, J.; Yang, Z.; Mourshed, M.; Guo, Y.; Zhou, Y.; Chang, Y.; Wei, Y.; Feng, S. Electric Vehicle Charging Load Forecasting: A Comparative Study of Deep Learning Approaches. Energies 2019, 12, 2692. [Google Scholar] [CrossRef]
- Bidirectional Recurrent Neural Networks—Wikipedia. Available online: https://en.wikipedia.org/wiki/Bidirectional_recurrent_neural_networks (accessed on 23 June 2022).








| Layers | Units | MAPE (Testing) | MAPE (Training) |
|---|---|---|---|
| 1 | 5 | 3.24 | 3.04 |
| 1 | 30 | 3.10 | 2.99 |
| 1 | 50 | 3.15 | 2.98 |
| 1 | 100 | 3.12 | 2.95 |
| 2 | 5 | 2.95 | 2.96 |
| 2 | 30 | 2.84 | 3.02 |
| 2 | 50 | 2.79 | 3.03 |
| 2 | 100 | 2.63 | 2.93 |
| 3 | 5 | 2.99 | 3.11 |
| 3 | 30 | 2.89 | 3.05 |
| 3 | 50 | 2.87 | 3.02 |
| 3 | 100 | 2.83 | 3.01 |
| Model | Train MAE | Test MAE | Train MAPE | Test MAPE | Train RMSE | Test RMSE |
|---|---|---|---|---|---|---|
| GRU | 23.57 | 22.50 | 6.26 | 6.42 | 30.47 | 30.34 |
| LSTM | 25.70 | 25.14 | 6.44 | 7.26 | 28.04 | 33.70 |
| Bi-LSTM | 20.09 | 22.37 | 5.03 | 6.43 | 27.80 | 29.81 |
| SD-BiLSTM | 18.46 | 18.93 | 3.98 | 4.33 | 21.59 | 23.77 |
| CEEMDAN-BiLSTM | 15.23 | 16.90 | 3.42 | 3.81 | 18.01 | 18.24 |
| SD-CEEMDAN-BiLSTM | 11.02 | 13.10 | 2.54 | 2.63 | 13.64 | 14.51 |
| GRU | LSTM | Bi-LSTM | SD-BiLSTM | CEEMDAN-BiLSTM | SD-CEEMDAN-BiLSTM | |
|---|---|---|---|---|---|---|
| January | 5.68 | 6.45 | 5.32 | 3.63 | 3.18 | 2.21 |
| February | 10.13 | 7.84 | 6.16 | 3.78 | 3.01 | 2.00 |
| March | 4.66 | 5.58 | 5.82 | 3.73 | 3.10 | 1.76 |
| April | 7.48 | 6.51 | 5.99 | 4.10 | 3.13 | 2.76 |
| May | 7.25 | 6.94 | 4.83 | 3.57 | 2.71 | 2.54 |
| Avg. | 7.04 | 6.66 | 5.62 | 3.76 | 3.02 | 2.25 |
| GRU | LSTM | Bi-LSTM | SD-BiLSTM | CEEMDAN-BiLSTM | SD-CEEMDAN-BiLSTM | |
|---|---|---|---|---|---|---|
| January | 7.27 | 7.29 | 6.41 | 4.46 | 3.72 | 2.23 |
| February | 7.10 | 9.01 | 5.77 | 3.84 | 4.00 | 2.14 |
| March | 6.70 | 4.93 | 4.60 | 4.72 | 3.95 | 2.88 |
| April | 8.64 | 5.38 | 5.61 | 3.18 | 3.16 | 2.57 |
| May | 9.82 | 6.73 | 5.08 | 3.20 | 3.70 | 2.66 |
| Avg. | 7.90 | 6.67 | 5.49 | 3.88 | 3.70 | 2.49 |
Publisher’s Note: MDPI stays neutral with regard to jurisdictional claims in published maps and institutional affiliations. |
© 2022 by the authors. Licensee MDPI, Basel, Switzerland. This article is an open access article distributed under the terms and conditions of the Creative Commons Attribution (CC BY) license (https://creativecommons.org/licenses/by/4.0/).
Share and Cite
Mohsenimanesh, A.; Entchev, E.; Bosnjak, F. Hybrid Model Based on an SD Selection, CEEMDAN, and Deep Learning for Short-Term Load Forecasting of an Electric Vehicle Fleet. Appl. Sci. 2022, 12, 9288. https://doi.org/10.3390/app12189288
Mohsenimanesh A, Entchev E, Bosnjak F. Hybrid Model Based on an SD Selection, CEEMDAN, and Deep Learning for Short-Term Load Forecasting of an Electric Vehicle Fleet. Applied Sciences. 2022; 12(18):9288. https://doi.org/10.3390/app12189288
Chicago/Turabian StyleMohsenimanesh, Ahmad, Evgueniy Entchev, and Filip Bosnjak. 2022. "Hybrid Model Based on an SD Selection, CEEMDAN, and Deep Learning for Short-Term Load Forecasting of an Electric Vehicle Fleet" Applied Sciences 12, no. 18: 9288. https://doi.org/10.3390/app12189288
APA StyleMohsenimanesh, A., Entchev, E., & Bosnjak, F. (2022). Hybrid Model Based on an SD Selection, CEEMDAN, and Deep Learning for Short-Term Load Forecasting of an Electric Vehicle Fleet. Applied Sciences, 12(18), 9288. https://doi.org/10.3390/app12189288
