Next Article in Journal
Impact of Concrete Degradation on the Long-Term Safety of a Near-Surface Radioactive Waste Disposal Facility in Korea
Previous Article in Journal
Analysis of the Development Trend of Sports Research in China and Taiwan Using Natural Language Processing
 
 
Font Type:
Arial Georgia Verdana
Font Size:
Aa Aa Aa
Line Spacing:
Column Width:
Background:
Article

Vibration Reduction of a Timoshenko Beam with Multiple Parallel Nonlinear Energy Sinks

School of Science, Harbin Institute of Technology, Shenzhen 518055, China
*
Authors to whom correspondence should be addressed.
Appl. Sci. 2022, 12(18), 9008; https://doi.org/10.3390/app12189008
Submission received: 16 August 2022 / Revised: 6 September 2022 / Accepted: 6 September 2022 / Published: 8 September 2022
(This article belongs to the Section Acoustics and Vibrations)

Abstract

:
A nonlinear energy sink is a promising device to reduce structural vibrations. In this work, the vibration reduction performances of multiple parallel nonlinear energy sinks attached to a short beam are investigated based on the Timoshenko beam theory. The dynamic equations of a vibration reduction system subjected to a harmonic excitation are established. The frequency responses are analyzed based on Galerkin discretization and the harmonic balance method, and the accuracy is verified by the Runge–Kutta method. An optimization method based on the genetic algorithm is proposed for the number, location, and cubic stiffness of the nonlinear energy sinks. The study reveals that, with the same total mass, multiple parallel nonlinear energy sinks can achieve a larger vibration reduction ratio than a single nonlinear energy sink. The parameter influences of the nonlinear energy sinks are revealed, and unstable responses with large cubic stiffness are presented. The optimal locations of the multiple parallel nonlinear energy sinks are related to low-order modal shapes. A larger reduction ratio on the resonant amplitude can be achieved compared to a uniform distribution of the nonlinear energy sinks. The optimal locations and cubic stiffness are related to the number of nonlinear energy sinks. In the studied case, the optimal number of nonlinear energy sinks was two.

1. Introduction

Passive vibration reduction has been widely used in civil engineering [1,2,3], spacecraft [4,5,6], and mechanical systems [7,8]. Traditional linear dynamic vibration absorbers (DVA) are effective within a specific narrow frequency band [9,10]. The concept of a nonlinear energy sink (NES) was firstly proposed by Vakakis [11] in 2001. Compared to the DVA, an NES has the advantages of a broad vibration suppression band, small additional mass, and not changing the natural frequency of the primary system. NES has been widely used for the vibration reduction of beams [12,13], plates [14,15,16], and shells [17,18,19].
Many researchers have applied the NESs to continuous beam structures and investigated their vibration reduction performance. Georgiades and Vakakis [20] utilized an NES to dissipate the vibration energy of a simply supported linear beam subjected to an impact excitation. Kani et al. [21] investigated a nonlinear simply supported beam coupled with an NES; a harmonic excitation was used. Liu et al. [22] investigated the vibration mitigation of the nonlinear principal resonance response of a beam-like lattice structure with an NES. Chouvion [23] investigated the nonlinear vibration of a beam with an NES under nonideal boundary supports. Zhang et al. [24] analyzed the effectiveness of an NES coupled to an axially moving string that was subjected to transversal wind loading. Chen et al. [25] investigated the effect of an NES attaching to a laminated composited beam subjected to harmonic excitation. It has been proved that NESs are effective for beams with different structures, excitations, and boundary conditions. Recent research shows that applying multiple parallel NESs can further improve vibration reduction performance. Vaurigaud et al. [26] studied the vibration response of a main oscillator coupled with multiple parallel NESs and optimized the damping ratio of the NESs to guarantee that energy pumping would occur. The vibration absorption rate of parallel NESs was significantly improved and was better than that of one NES. Savadkoohi et al. [27] experimentally studied the vibration reduction performance of a 4-DOF main oscillator coupled with two parallel NESs and demonstrated the efficiency of the parallel NESs. Zhang et al. [28] attached the NESs to axially moving beams and compared the vibration reduction efficiencies of one NES and parallel NESs. The results indicated that the parallel NESs with less total attached mass could obtain better vibration reduction. Chen et al. [29] compared the vibration absorption of single and two parallel NESs of equal mass and found that by tuning the nonlinear stiffness and damping ratio of NESs, the parallel NESs could eliminate the higher branches of the system more effectively. Li et al. [30] applied novel lever parallel NESs to a beam, and the results showed that the vibration absorption performance of lever-type parallel nonlinear energy sinks was better than lever-type single nonlinear energy sinks under the same attached mass. Most of the existing research focuses on the vibration reduction of long beams, with the modeling method based on the Euler beam theory. However, the method is unsuitable for short beams, especially with length/thickness ratios below 5. The Euler beam theory, without considering shear deformation, induces large errors in predicting the dynamic responses of short beams with NESs. There is a lack of research on the theoretical analysis of a short beam attached to multiple parallel NESs.
The parameters of NESs are essential to vibration reduction performance. Georgiades and Vakakis [20] carried out a sensitivity analysis to obtain the optimal nonlinear stiffness of NESs. Chen et al. [25] optimized the parameters of NESs with a sensitivity analysis. Mamaghani et al. [31] numerically investigated the effects of the damping ratio of NESs, as well as the magnitude of the external force to the beam, and obtained the optimized parameters of NESs. Kani et al. [32] optimized the parameters of NESs with both sensitivity analysis and the particle swarm optimization (PSO) method and obtained the best combination of mass and damping ratio of NESs. These studies indicate that parameter optimization is essential for improving the vibration reduction performance of NESs. Moreover, research has shown that optimization for the NESs’ locations can effectively improve their vibration reduction performance. Khazaee et al. [33] investigated the stochastic optimization of multiple parallel NESs when they are attached to a simply supported pipe; both parameters and locations were taken into account. The results showed that stochastic optimization had better robustness than deterministic optimization. Georgiades and Vakakis [34] performed parametric studies by varying the parameters and location of the NES; the results showed that the optimal position for the NES attachments is at the antinodes of the linear modes of the plate. Bab et al. [35] investigated the effects of position and damping of the NES on a rotating beam, and the results showed that the optimal position for connecting the NES to a rotating beam is at the beam tip. In the above research, the number of NESs is predetermined. It remains unknown whether there is an optimal number of NESs, and the relationship between the optimal location and number of NESs is not clear. Multi-variable optimization, including the number, location, and parameters of NESs, is expected to achieve a better design.
In this work, a short beam coupled with multiple parallel NESs is investigated, and a model is established based on Timoshenko beam theory. The parameter influences of the mass ratio, the damping ratio, cubic stiffness, and the locations of the NESs on vibration reduction performance are revealed. An optimization method is proposed based on a genetic algorithm for the multiple parallel NESs. The main contribution of this work lies in two aspects. (i) A continuum model is established for a beam coupled with multiple parallel NESs based on the Timoshenko beam theory, considering shear deformation; thus, the model applies to short beams. (ii) The number, locations, and parameters of the NESs are optimized simultaneously, and some new design guidelines for vibration reduction are provided based on the optimization results.

2. Methods

2.1. Modeling

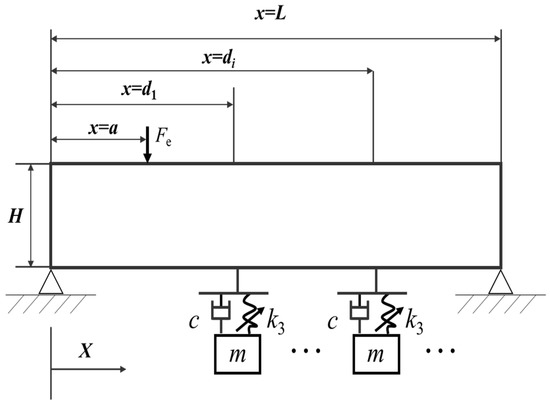
A short beam coupled with multiple parallel NESs is shown in Figure 1. The length, thickness, and width of the beam are denoted by L, H, and B, respectively. Generally, a short beam is defined as the ratio L/H within the range of 2.5~5 [36], and the shear deformation cannot be ignored for short beams. There are N nonlinear energy sinks on the beam. The mass, cubic stiffness, and damping of each NES are denoted by m, k3, and c, respectively. di is the distance of the ith nonlinear energy sink away from the left end of the beam. a is the place where a harmonic excitation Fe = F cos(2πft) is imposed, where F and f are the amplitude and frequency of the external harmonic excitation, respectively.
In this section, the equations of motion are derived from the Timoshenko theory. It takes the effects of shear deformations and rotary inertias into account, and it is more applicable to short beams, deep beams, and laminated beams.
According to the d’Alembert principle, the force and moment equilibrium equations can be written as:
ρ A ( x ) 2 w ( x , t ) t 2 = Q ( x , t ) x + q ( x , t ) + F ( x * , t ) ρ I ( x ) 2 θ ( x , t ) t 2 = M ( x , t ) x Q ( x , t ) }
where ρ is the density of the beam material, A(x) is the area of the beam section, I(x) is the rotary inertial of the beam section, q (x, t) is a continuous distributed force on the beam, F (x*, t) is a concentrated force, imposed at x = x*, M (x, t) is the bending moment, and Q (x, t) is the shearing force.
The fundamental functions of the beam in material mechanics can be written as:
M ( x , t ) = E I ( x ) θ ( x , t ) x θ ( x , t ) w ( x , t ) x = Q ( x , t ) γ A ( x ) G }
where γ is a constant, determined by the section shape of the beam, and G is the shearing modulus, determined by the beam material.
Analyzing the relationship between shear force and deformation, the total slope of the beam deflection curve can be written as:
w ( x , t ) / x = θ ( x , t ) ψ ( x , t )
where Ψ (x, t) is the shearing angle, also called slope loss.
Substituting Equations (2) and (3) into Equation (1), the vibration equation of a beam under external forces can be written as:
E I 4 w ( x , t ) x 4 + ρ A 2 w ( x , t ) t 2 + C w ( x , t ) t ρ I ( 1 + E γ G ) 4 w ( x , t ) x 2 t 2 + ρ 2 I 4 w ( x , t ) γ G t 4 = q ( x , t ) + ρ I γ A G 2 q ( x , t ) t 2 E I γ A G 2 q ( x , t ) x 2 + F ( x * , t ) + ρ I γ A G 2 F ( x * , t ) t 2
where C is the structure damping coefficient of the beam. When the beam vibrates freely, the free vibration function can be written as:
E I 4 w ( x , t ) x 4 + ρ A 2 w ( x , t ) t 2 + C w ( x , t ) t ρ I ( 1 + E γ G ) 4 w ( x , t ) x 2 t 2 + ρ 2 I 4 w ( x , t ) γ G t 4 = 0
where the 4th and 5th term in Equation (5) consider the shearing deformation and the effect of the moment of inertia, respectively.
After attaching N NESs to the beam, the coupled vibration equations of the system can be written as:
E I 4 w ( x , t ) x 4 + ρ A 2 w ( x , t ) t 2 + C w ( x , t ) t ρ I ( 1 + E γ G ) 4 w ( x , t ) x 2 t 2 + ρ 2 I 4 w ( x , t ) γ G t 4 = q ( x , t ) + ρ I γ A G 2 q ( x , t ) t 2 E I γ A G 2 q ( x , t ) x 2 + F ( x * , t ) + ρ I γ A G 2 F ( x * , t ) t 2 + i = 1 N ( k i ( w ( d i , t ) z i ( t ) ) 3 + c i ( w ( d i , t ) t d z i ( t ) d t ) ) i = 1 N ( m i d 2 z i ( t ) d t 2 + k i ( z i ( t ) w ( d i , t ) ) 3 + c i ( d z i ( t ) d t w ( d i , t ) t ) ) = 0
where mi, ki, and ci are the parameters of the ith NES on the beam.
In order to express equations of motion in dimensionless form, the following variables are defined:
w ¯ i ( x , t ) = w i ( x , t ) L , x ¯ = x L , z ¯ i = z L , t ¯ = t L 2 E I ρ A , C ¯ = C ρ A E I , c i ¯ = c i ρ A E I , p = ( 1 + E γ G ) I A L 2 , q = E I 2 γ A G L 4 , K i ¯ = k i L 6 E I , r i = I K ¯ i L 2 γ A 2 G , s = E I 2 γ A 2 G L 2 , μ = L 3 E I , η = I γ A 2 G L 2 , ε i = m i ρ A , f ¯ = f ω 0
and thus, the equations of motion for the Timoshenko theory in dimensionless form are obtained as:
2 w ¯ ( x ¯ i , t ¯ ) t ¯ 2 + 4 w ¯ ( x ¯ , t ¯ ) x ¯ 4 + C ¯ w ¯ ( x ¯ i , t ¯ ) t ¯ p 4 w ¯ ( x ¯ i , t ¯ ) x ¯ 2 t ¯ 2 + q γ G 4 w ¯ ( x ¯ i , t ¯ ) t ¯ 4 + i = 1 N ( K i ¯ ( w ¯ ( x ¯ i , t ¯ ) z ¯ i ( t ¯ ) ) 3 + ( 2 t ¯ 2 r i ( w ¯ ( x ¯ i , t ¯ ) z ¯ i ( t ¯ ) ) 3 ) + c ¯ i ( w ¯ ( x ¯ i , t ¯ ) t ¯ d z i ¯ ( t ¯ ) d t ¯ ) ) + s ( 3 w ¯ ( x ¯ i , t ¯ ) t ¯ 3 d 3 z i ¯ ( t ¯ ) d t ¯ 3 ) = μ F ¯ ( x * ¯ , t ¯ ) + η 2 t ¯ 2 F ¯ ( x * ¯ , t ¯ ) i = 1 N ε i d 2 z ¯ ( t ) d t ¯ 2 + i = 1 N ( K ¯ i ( z i ¯ ( t ¯ ) w ¯ ( x ¯ i , t ¯ ) ) + c i ¯ ( d z i ¯ ( t ¯ ) d t ¯ w ¯ ( x ¯ i , t ¯ ) t ¯ ) ) = 0
By eliminating the effects of shear deformation and rotary inertial from Equation (8), the equations of motion according to Euler–Bernoulli theory are obtained as follows:
2 w ¯ ( x ¯ i , t ¯ ) t ¯ 2 + 4 w ¯ ( x ¯ , t ¯ ) x ¯ 4 + C ¯ w ¯ ( x ¯ i , t ¯ ) t ¯ + i = 1 N ( K i ¯ ( w ¯ ( x ¯ i , t ¯ ) z ¯ i ( t ¯ ) ) 3 + c ¯ i ( w ¯ ( x ¯ i , t ¯ ) t ¯ d z i ¯ ( t ¯ ) d t ¯ ) ) = μ F ¯ ( x * ¯ , t ¯ ) i = 1 N ε i d 2 z i ¯ ( t ) d t ¯ 2 + i = 1 N ( K ¯ i ( z i ¯ ( t ¯ ) w ¯ ( x ¯ i , t ¯ ) ) + c i ¯ ( d z i ¯ ( t ¯ ) d t ¯ w ¯ ( x ¯ i , t ¯ ) t ¯ ) ) = 0
In order to study the steady-state response of the system, the Galerkin method combined with the harmonic balance method is used. Considering the geometric boundary conditions of simply supported ends, the w ¯ ( x ¯ , t ¯ ) , the vertical displacement can be assumed as:
w ¯ ( x ¯ , t ¯ ) = j = 1 M sin ( j π x ¯ L ¯ ) ( A j sin ( 2 π f ¯ t ¯ ) + B j cos ( 2 π f ¯ t ¯ ) )
where M indicates the adequate truncated order mode shapes. For this work, the first four mode shapes are considered, and thus, M is set as 4.
In order to solve the dimensionless nonlinear equations of motion in Equation (8), Equation (10) is substituted into Equation (8), and 4 + N discrete nonlinear equations of the coupled system are obtained. Equaling the harmonic coefficients of sine and cosine at both ends, respectively, a system of 8 + 2N nonlinear equations is obtained. Then, the Newton–Rapson method, combined with the arc-length method, is used to obtain the approximate analytical solutions. Finally, the amplitude frequency curves are obtained for the fixed values of system parameters and varying the excitation frequency.

2.2. Optimization

The performance of NESs is affected by the parameters, number, and locations of the NESs. The optimization objective is to maximize NES efficiency at the first resonance frequency. In order to compare the vibration reduction performance of NESs, the optimization problem can be described as:
max η NES = 0 t ¯ ( i = 1 N c i ( w ¯ ( x ¯ | x ¯ = d ¯ i , t ¯ ) z ˙ i ) ) 0 t ¯ F ( t ) w ¯ ( x ¯ | x ¯ = x ¯ * , t ¯ ) s . t .   { 0 N 5 ,   N   N + , 10 5 k 3 10 9   N / m 3 , 0 d ¯ i 1 ,   d ¯ i = 0.05 × N +
where the NESs’ efficiency [20] is selected as the indicator, denoted by ηNES, and N+ refers to the positive integer set. To obtain an acceptable result, the responses of the beam must be stable, and unstable nonlinear phenomena are not supposed to occur.
Finding the optimal values of k3 and the locations for NESs is a global searching problem. Exhausting all the possible combinations is a time-consuming process. In this study, a genetic algorithm is employed to solve the problem. The flowchart of the optimization approach is shown in Figure 2. The first step is to code for the k3 and the locations for the NESs. When optimizing the k3 for an NES, the chromosomes are coded with a real coding method. The number in the chromosomes array refers to the real value of k3. When optimizing the locations for NESs, the binary coding method is used, and the number “1” and “0” in the strings indicate whether there is a nonlinear energy sink mounted there. Five hundred chromosomes are generated as the first generation to guarantee its diversity. After calculating the fitness function ηNES of the first generation, the best chromosomes are selected. Then, the “cross” and “mutation” operators are performed. The mutation operator here is set at 0.5, which can prevent the algorithm from being trapped into a locally optimal solution. The maximum number of iterations Genmax is set at 20 to guarantee that the algorithm will have good quality as well as convergence.

3. Analysis Results

In this section, the difference between these two types of beam theories is discussed. The frequency responses are demonstrated. The influences of the NES parameters on vibration reduction performance are revealed. The optimizations of k3 and the configuration of multiple parallel NESs are carried out with the genetic algorithm.

3.1. Modal Analysis

The performance of NESs is affected by the parameters, number, and locations of the NESs. Modal analysis is performed to present the differences between Timoshenko beam theory and Euler beam theory. A finite element beam is established with ABAQUS 6.14 to verify the accuracy of the first four resonance frequencies, and a B21 beam element is used. For a short beam [36], the ratio of length L to height H is from 2.5 to 5. Here, the constant parameters for the short beam and the nonlinear energy sinks are fixed to L = 1 m, H = 0.2 m, B = 0.2 m, E = 2.1 GPa, ρ = 7.8 × 103 kg/m3, a = 0.2 m, and F = 1 × 105 N. The first four modal frequencies of the beam based on each theory are listed in Table 1. Compared with the finite element results, it is shown that as the order of modal frequency increases, the errors based on the Euler theory are obviously enlarged, while the frequency errors of each mode based on Timoshenko beam theory are within 1%. Thus, the response results in the following sections are solutions based on Timoshenko beam theory. It should be noted that the proposed method, based on Timoshenko beam theory, also applies to long beams with L/H > 5, and the results are similar to those based on Euler beam theory.
The first four mode shapes are shown in Figure 3; the ratios of the first mode peak and the rest mode peak are nearly equal to 8:1. Thus, in the following section, the responses of the first mode are mainly considered, and the measuring point is set at x = 0.6 m, which does not only focus on the response of the first mode but also takes the rest mode into consideration. In the following figures, W ¯ represents the amplitude of the steady-state response of the measuring point on the beam.

3.2. Vibration Reduction Performance

The main purpose of introducing NESs is to reduce the vibration amplitude of the beam. In this work, the m, c, and k3 of each NES are the same. Equation (8) is solved with a semi-analytical method, and the performance of the three NESs is shown in Figure 4. To validate its accuracy, a fourth-order Runge–Kutta method is employed, and the results are compared in Figure 4. It is shown that a good agreement occurs when comparing the numerical simulation results and the semi-analytical results. In the following analysis, the approximate solutions based on the semi-analytical method will be used. When attaching three NESs to a beam, significant vibration reduction is obtained. The drop percent of the response amplitude at the first resonance frequency is up to 47.42%. It demonstrates the high efficiency of NESs.

3.3. Parameter Analysis

To further improve the performance of NESs, the effects of NES parameters are investigated by varying the value of m, c, and k3, respectively. The NESs are mounted randomly on a beam in this section. The parameter influence of the mass ratio ε is demonstrated in Figure 5. The system parameters are fixed to ζ = 0.1, k3 = 107 N/m3, d1 = 0.5 m, d2 = 0.75 m, d3 = 0.8 m. As ε increases from 0.05 to 0.2, better performances at the first two resonance frequencies are obtained. However, there is usually a limit to the total attached mass.
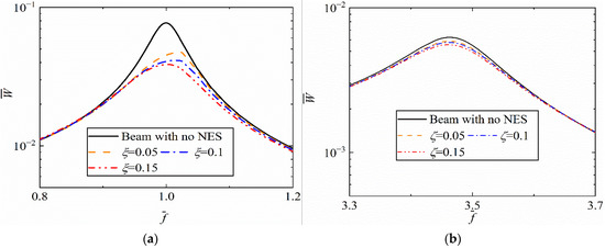
The parameter influence of the damping ratio ζ is demonstrated in Figure 6. The system parameters are fixed to k3 = 107 N/m3, ε = 0.1, d1 = 0.5 m, d2 = 0.75 m, and d3 = 0.8 m. As the damping ratio ζ increases from 0.05 to 0.15, the amplitude of the beam decreases in all frequency ranges. However, due to material limits, there is usually a limit to damping ratios as well.
The parameter influence of cubic stiffness k3 is shown in Figure 7. The system parameters are fixed to ε = 0.1, ζ = 0.1, d1 = 0.5 m, d2 = 0.75 m, and d3 = 0.8 m. With cubic stiffness ranges from 100 to 107 N/m3, the resonant amplitudes are almost the same. This indicates that it is not possible to improve vibration reduction performance by adjusting cubic stiffness within this range. With the cubic stiffness of 108 N/m3, a larger reduction is achieved for the first resonant amplitude, together with a slight change of resonant frequency. With the cubic stiffness of 109 N/m3, an unstable response is exhibited due to strong nonlinearity.
To obtain reliable vibration reduction performance, in the following section, all the optimization results are based on the stable response of the NESs. However, trying to find the optimal value of k3 with the method of exhaustion is very time-consuming. To obtain the optimal value in a short time, the genetic algorithm is used to solve this problem. The optimization function is the energy dissipated portion ηNES. The searching range of k3 is set at k3 = [105, 109] N/m3, where the steady-state results can be guaranteed. The constant parameters of the genetic algorithm are fixed at P(N) = 500, Genmax = 20. After iterating for 20 generations, the optimal k3 value for three NESs is founded at k3 = 9 × 107 N/m3.

4. Optimization Results

In this section, the total attached mass of NESs is a constant, and the optimal number and distribution of NESs are investigated.
The effect of NES distribution on vibration reduction is considered. For three NESs, the system parameters are fixed to ε = 0.1, ζ = 0.1 and k3 = 9 × 107 N/m3. The constant parameters of the genetic algorithm are fixed to P(N) = 500, Genmax = 20. The optimal locations of three NESs, obtained with the genetic algorithm, are mounted at d1 = 0.5 m, d2 = 0.6 m, d3 = 0.75 m. To demonstrate the effect of the optimal distribution, a uniform distribution of three NESs is set as a reference group, i.e., d1 = 0.25 m, d2 = 0.5 m, d3 = 0.75 m. The optimization process of the genetic algorithm for three NESs is listed in Table 2. The optimal results are achieved with three iterations. The vibration reduction performances are listed in Table 3. To verify the convergence of the optimal results, an optimization with initial population P(N) = 1000 was carried out, and the same optimal results were obtained. The performances of optimal distribution and uniform distribution are shown in Figure 8. Compared with the uniform distribution, the optimal distribution decreased by 5.19% more at the first resonance. This not only demonstrates the effect of distribution on performance but also proves the efficiency of the genetic algorithm.
The effect of the NES number on vibration reduction is considered. Here, N varies from one to five, and the corresponding k3 is optimized. The optimal locations for different N NESs are obtained, and the optimal performances of N NESs are shown in Figure 9. From Figure 9, it is found that under the premise of not changing the total attached mass, maximum vibration reduction occurs at N = 2. However, when the number of parallel nonlinear energy sinks continues to increase, the vibration reductions decrease. It is not the case that more is better.
The mounting locations of nonlinear energy sinks and their performances are listed in Table 4. Both the vibration reduction performance at the first resonance and the second resonance are analyzed.
According to the results of the genetic algorithm, the optimal locations and cubic stiffness are different for different numbers of nonlinear energy sinks. When there is only one nonlinear energy sink attached to the beam, the optimal mounting location is at d1 = 0.5 m, where the peak of the first modal shape occurs. When N increases to two, the optimal mounting locations are d1 = 0.5 m, d2 = 0.75 m, where the peaks of the first two modes occur, respectively. When N increases to three, the optimal mounting locations are d1 = 0.5 m, d2 = 0.75 m, d3 = 0.6 m, and d3 is the location where the performance computed. A conclusion can be drawn that the optimal locations of multiple parallel NESs are related to both low-order modal shapes. The optimal locations for Ns equal to 4 and 5 are obtained with the genetic algorithm, and the performances are compared with other distributions as well. It is found that the optimal number of NESs is not the case of ‘the more, the better’. In this study, the N of the best vibration reduction performance equals to 2, and a further increase in the number of NESs may lead to declining effective performance.
In conclusion, the optimization results provide three guidelines for vibration reduction design with NESs. Firstly, it is effective to divide a single NES into multiple parallel NESs for better vibration reduction performance. However, there is an optimal number of NESs, and more is not better. Secondly, a uniform distribution of NESs is not the best choice, and the optimal locations are related to the modal shape of the beam. Thirdly, it is essential to optimize the number, location, and parameters of the NESs simultaneously to achieve the best performance.

5. Conclusions

A simply supported beam coupled with distributed NESs is investigated, and the responses are investigated based on Timoshenko beam theory. Numerical simulation verified the accuracy of the analytical results based on the harmonic balance method. The effects of the NES parameters on vibration reduction were discussed. The parameters and locations of NESs were optimized with the genetic algorithm method, and several optimized parallel NESs were investigated. The conclusions can be drawn as follows:
(1)
For a short beam coupled with NESs, it is necessary to establish dynamic models with Timoshenko beam theory. The errors of the first four resonance frequencies based on Timoshenko beam theory were within 1%, while those based on Euler beam theory exceeded 69%. With the same total mass, the multiple parallel nonlinear energy sinks achieved better vibration reduction performance than a single nonlinear energy sink, and the first resonant peak was reduced by 54.55%.
(2)
When increasing the mass ratio and damping ratio of NESs, better performance at the first two resonance frequencies can be obtained. When adjusting the cubic stiffness of NESs, effective vibration reduction is obtained within a certain range. Unstable responses occur when the value of cubic stiffness exceeds a threshold.
(3)
The optimal locations of multiple parallel NESs are related to low-order modal shapes, and the optimal locations and cubic stiffness are different for different numbers of nonlinear energy sinks. In the studied case, when the number of parallel NESs equaled two, the best performance was obtained. A further increase in the number of NESs may lead to declining effective performance.

Author Contributions

W.-Y.Z.: conceptualization, methodology, software, writing—original draft, visualization. M.-Q.N.: conceptualization, resources, writing—review and editing, supervision, funding acquisition. L.-Q.C.: conceptualization, resources, writing—review and editing, supervision, funding acquisition. All authors have read and agreed to the published version of the manuscript.

Funding

This research was funded by [the National Natural Science Foundation of China] grant number [11872159, 11902097, 12132002, and 62188101] and [Guangdong Basic and Applied Basic Research Foundation] grant number [2022A1515012054].

Institutional Review Board Statement

Not applicable.

Informed Consent Statement

Not applicable.

Data Availability Statement

The data presented in this study are available on request from the corresponding author.

Acknowledgments

The authors would like to thank all the peer reviewers and editors for their valuable contribution to this work.

Conflicts of Interest

The authors declare no conflict of interest.

References

  1. Botis, M.F.; Cerbu, C. A method for reducing of the overall torsion for reinforced concrete multi-storey irregular structures. Appl. Sci. 2020, 10, 5555. [Google Scholar] [CrossRef]
  2. Cheng, L.H.; Lu, J.T.; Li, S.M.; Ding, R.; Xu, K.; Li, X.L. Fusion method and application of several source vibration fault signal spatio-temporal multi-correlation. Appl. Sci. 2021, 11, 4318. [Google Scholar] [CrossRef]
  3. Lara-Valencia, L.A.; Farbiarz-Farbiarz, Y.; Valencia-González, Y. Design of a tuned mass damper inerter (TMDI) based on an exhaustive search optimization for structural control of buildings under seismic excitations. Shock. Vib. 2020, 2020, 8875268. [Google Scholar] [CrossRef]
  4. Liu, Y.; Chen, K.; Zhang, Y.; Ma, X.; Wang, L. Low-frequency and large-scale hybrid sound absorption using active force control. Acoust. Aust. 2021, 49, 93–103. [Google Scholar] [CrossRef]
  5. Li, Z.; Song, Z.; Yuan, W.; He, X. Axially functionally graded design methods for beams and their superior characteristics in passive thermal buckling suppressions. Compos. Struct. 2021, 257, 113390. [Google Scholar] [CrossRef]
  6. Malhotra, A.; Roy, T.; Matsagar, V. Effectiveness of friction dampers in seismic and wind response control of connected adjacent steel buildings. Shock. Vib. 2020, 2020, 8304359. [Google Scholar] [CrossRef]
  7. Braga, M.T.; Alves, M.T.S.; Cavalini, A.A.; Steffen, V. Influence of temperature on the passive control of a rotating machine using wires of shape memory alloy in the suspension. Smart Mater. Struct. 2020, 29, 035040. [Google Scholar] [CrossRef]
  8. Wang, Q.; Zeng, J.; Wu, Y.; Zhu, B. Study on semi-active suspension applied on car body underneath suspended system of high-speed railway vehicle. J. Vib. Control 2020, 26, 671–679. [Google Scholar] [CrossRef]
  9. Ding, H.; Chen, L.Q. Designs, analysis, and applications of nonlinear energy sinks. Nonlinear Dyn. 2020, 100, 3061–3107. [Google Scholar] [CrossRef]
  10. Wang, X.; Yang, B.; Guo, S. Nonlinear convergence active vibration absorber for single and multiple frequency vibration control. J. Vib. Control 2017, 411, 289–303. [Google Scholar] [CrossRef]
  11. Vakakis, A.F. Inducing passive nonlinear energy sinks in vibrating systems. J. Vib. Acoust. 2001, 123, 324–332. [Google Scholar] [CrossRef]
  12. He, M.X.; Tang, Y.; Ding, Q. Dynamic analysis and optimization of a cantilevered beam with both the acoustic black hole and the nonlinear energy sink. J. Intel. Mat. Syst. Str. 2022, 33, 70–83. [Google Scholar] [CrossRef]
  13. Li, H.; Li, A.; Kong, X. Design criteria of bistable nonlinear energy sink in steady-state dynamics of beams and plates. Nonlinear Dyn. 2021, 103, 1475–1497. [Google Scholar] [CrossRef]
  14. Zhang, W.x.; Chen, J.e. Influence of geometric nonlinearity of rectangular plate on vibration reduction performance of nonlinear energy sink. J. Mech. Sci. Technol. 2020, 34, 3127–3135. [Google Scholar] [CrossRef]
  15. Li, H.; Touzé, C.; Pelat, A.; Gautier, F. Combining nonlinear vibration absorbers and the Acoustic Black Hole for passive broadband flexural vibration mitigation. Int. J. Nonlin. Mech. 2021, 129, 103558. [Google Scholar] [CrossRef]
  16. Zhou, J.; Xu, M.; Zha, J.; Yang, Z. The suppression of nonlinear panel flutter response at elevated temperatures using a nonlinear energy sink. Meccanica 2021, 56, 41–57. [Google Scholar] [CrossRef]
  17. de Lima, D.M.; López-Yánez, P.A.; Pereira, M.A. Vibration control device for steel tubular towers of horizontal axis wind turbines. Lat. Am. J. Solids. Struct. 2019, 16, 1–21. [Google Scholar]
  18. de Pietro, M.; Biferale, L.; Boffetta, G.; Cencini, M. Time irreversibility in reversible shell models of turbulence. Eur. Phys. J. E 2018, 41, 48. [Google Scholar] [CrossRef]
  19. Zang, J.; Cao, R.Q.; Zhang, Y.W. Steady-state response of a viscoelastic beam with asymmetric elastic supports coupled to a lever-type nonlinear energy sink. Nonlinear Dyn. 2021, 105, 1327–1341. [Google Scholar] [CrossRef]
  20. Georgiades, F.; Vakakis, A.F. Dynamics of a linear beam with an attached local nonlinear energy sink. Commun. Nonlinear Sci. 2007, 12, 643–651. [Google Scholar] [CrossRef]
  21. Kani, M.; Khadem, S.E.; Pashaei, M.H.; Dardel, M. Vibration control of a nonlinear beam with a nonlinear energy sink. Nonlinear Dyn. 2016, 83, 1–22. [Google Scholar] [CrossRef]
  22. Liu, G.; Chen, G.F.; Cui, F.S. Vibration suppression for beam-like repeating lattice structure based on equivalent model by a nonlinear energy sink. Math. Probl. Eng. 2021, 2021, 6659598. [Google Scholar] [CrossRef]
  23. Chouvion, B. A wave approach to show the existence of detached resonant curves in the frequency response of a beam with an attached nonlinear energy sink. Mech. Res. Commun. 2019, 95, 16–22. [Google Scholar] [CrossRef]
  24. Zhang, Y.W.; Zang, J.; Yang, T.Z.; Fang, B.; Wen, X. Vibration suppression of an axially moving string with transverse wind loadings by a nonlinear energy sink. Math. Probl. Eng. 2013, 2013, 348042. [Google Scholar] [CrossRef]
  25. Zhang, Y.W.; Hou, S.; Zhang, Z.; Zang, J.; Ni, Z.Y.; Teng, Y.Y.; Chen, L.Q. Nonlinear vibration absorption of laminated composite beams in complex environment. Nonlinear Dyn. 2020, 99, 2605–2622. [Google Scholar] [CrossRef]
  26. Vaurigaud, B.; Savadkoohi, A.T.; Lamarque, C.H. Targeted energy transfer with parallel nonlinear energy sinks. Part I: Design theory and numerical results. Nonlinear Dyn. 2011, 66, 763–780. [Google Scholar] [CrossRef]
  27. Savadkoohi, A.T.; Vaurigaud, B.; Lamarque, C.H.; Pernot, S. Targeted energy transfer with parallel nonlinear energy sinks, part II: Theory and experiments. Nonlinear Dyn. 2012, 67, 37–46. [Google Scholar] [CrossRef]
  28. Zhang, Y.W.; Zhang, Z.; Chen, L.Q.; Yang, T.Z.; Fang, B.; Zang, J. Impulse-induced vibration suppression of an axially moving beam with parallel nonlinear energy sinks. Nonlinear Dyn. 2015, 82, 61–71. [Google Scholar] [CrossRef]
  29. Chen, J.E.; He, W.; Zhang, W.; Yao, M.H.; Liu, J.; Sun, M. Vibration suppression and higher branch responses of beam with parallel nonlinear energy sinks. Nonlinear Dyn. 2018, 291, 885–904. [Google Scholar] [CrossRef]
  30. Li, C.; Chen, G.; Fang, B.; Zang, J.; Zhang, Y. Vibration control for lever-type parallel nonlinear energy trap. J. Vib. Shock. 2021, 40, 54–64. [Google Scholar]
  31. Mamaghani, A.E.; Khadem, S.E.; Bab, S.; Pourkiaee, S.M. Irreversible passive energy transfer of an immersed beam subjected to a sinusoidal flow via local nonlinear attachment. Int. J. Mech. Sci. 2018, 138, 427–447. [Google Scholar] [CrossRef]
  32. Kani, M.; Khadem, S.E.; Pashaei, M.H.; Dardel, M. Design and performance analysis of a nonlinear energy sink attached to a beam with different support conditions. J. Mech. Eng. Sci. 2016, 230, 527–542. [Google Scholar] [CrossRef]
  33. Khazaee, M.; Khadem, S.E.; Moslemi, A.; Abdollahi, A. A comparative study on optimization of multipleple essentially nonlinear isolators attached to a pipe conveying fluid. Mech. Syst. Signal. Process. 2020, 141, 106442. [Google Scholar] [CrossRef]
  34. Georgiades, F.; Vakakis, A.F. Passive targeted energy transfers and strong modal interactions in the dynamics of a thin plate with strongly nonlinear attachments. Int. J. Solids Struct. 2009, 46, 2330–2353. [Google Scholar] [CrossRef]
  35. Bab, S.; Khadem, S.E.; Mahdiabadi, M.K.; Shahgholi, M. Vibration mitigation of a rotating beam under external periodic force using a nonlinear energy sink (NES). J. Vib. Control 2017, 23, 1001–1025. [Google Scholar] [CrossRef]
  36. Schnabl, S.; Saje, M.; Turk, G.; Planinc, I. Analytical solution of two-layer beam taking into account interlayer slip and shear deformation. J. Struct. Eng. 2007, 133, 886–894. [Google Scholar] [CrossRef]
Figure 1. A short beam coupled with multiple parallel nonlinear energy sinks.
Figure 1. A short beam coupled with multiple parallel nonlinear energy sinks.
Applsci 12 09008 g001
Figure 2. Flowchart of the genetic algorithm.
Figure 2. Flowchart of the genetic algorithm.
Applsci 12 09008 g002
Figure 3. Schematic of the first four modal shapes.
Figure 3. Schematic of the first four modal shapes.
Applsci 12 09008 g003
Figure 4. (a) Numerical verification; (b) local magnified view.
Figure 4. (a) Numerical verification; (b) local magnified view.
Applsci 12 09008 g004
Figure 5. (a) Response at the first resonance frequency under varying mass ratio; (b) response at the second resonance frequency under varying mass ratio.
Figure 5. (a) Response at the first resonance frequency under varying mass ratio; (b) response at the second resonance frequency under varying mass ratio.
Applsci 12 09008 g005
Figure 6. (a) Response at the first resonance frequency under varying damping ratio; (b) response at the second resonance frequency under varying damping ratio.
Figure 6. (a) Response at the first resonance frequency under varying damping ratio; (b) response at the second resonance frequency under varying damping ratio.
Applsci 12 09008 g006
Figure 7. (a) Response at the first resonance frequency under varying cubic stiffness; (b) response at the second resonance frequency under varying cubic stiffness.
Figure 7. (a) Response at the first resonance frequency under varying cubic stiffness; (b) response at the second resonance frequency under varying cubic stiffness.
Applsci 12 09008 g007
Figure 8. Comparison of the performance between the optimal distribution and the uniform distribution.
Figure 8. Comparison of the performance between the optimal distribution and the uniform distribution.
Applsci 12 09008 g008
Figure 9. (a) Response at the first resonance frequency under varying number of NESs; (b) response at the second resonance frequency under varying number of NESs.
Figure 9. (a) Response at the first resonance frequency under varying number of NESs; (b) response at the second resonance frequency under varying number of NESs.
Applsci 12 09008 g009
Table 1. Comparison of the first four modal frequencies between two beam theories.
Table 1. Comparison of the first four modal frequencies between two beam theories.
OrderTimoshenko Theory (Error)Euler Theory (Error)
1st43.94 Hz (0.06%)46.92 Hz (6.71%)
2nd152.75 Hz (0.24%)187.72 Hz (22.89%)
3rd292.15 Hz (0.34%)423.33 Hz (44.90%)
4th440.24 Hz (0.35%)747.96 Hz (69.90%)
Table 2. The distribution optimization process of the genetic algorithm.
Table 2. The distribution optimization process of the genetic algorithm.
Iterationdi (m)The 1st PeakReductionThe 2nd PeakReduction
0/0.077/0.0062/
1[0.35, 0.75, 0.8]0.04442.86%0.00587.05%
2[0.45, 0.5, 0.8]0.04245.45%0.00587.05%
3[0.5, 0.6, 0.75]0.04048.05%0.00578.06%
4[0.5, 0.6, 0.75]0.04048.05%0.00578.06%
Table 3. Comparison of the performance between different distributions of parallel NESs.
Table 3. Comparison of the performance between different distributions of parallel NESs.
Distributiondi (m)The 1st PeakReductionThe 2nd PeakReduction
No NES/0.077/0.0062/
Optimal[0.5, 0.6, 0.75]0.04048.05%0.00578.06%
Uniform[0.25, 0.5, 0.75]0.04442.86%0.00569.67%
Table 4. Comparison of the performance between different numbers of NESs.
Table 4. Comparison of the performance between different numbers of NESs.
Ndi (m)k3 (N/m3)The 1st PeakReductionThe 2nd PeakReduction
0//0.077/0.0062/
1[0.5]1.9 × 1090.04442.85%0.00620.03%
2[0.5, 0.75]4.1 × 1080.03554.55%0.00586.54%
3[0.5, 0.6, 0.75]9.0 × 1070.04048.05%0.00578.06%
4[0.2, 0.25, 0.6, 0.75]7.0 × 1070.04146.75%0.00568.06%
5[0.05, 0.5, 0.75, 0.8, 0.95]4.0 × 1070.04640.25%0.005511.29%
Publisher’s Note: MDPI stays neutral with regard to jurisdictional claims in published maps and institutional affiliations.

Share and Cite

MDPI and ACS Style

Zhang, W.-Y.; Niu, M.-Q.; Chen, L.-Q. Vibration Reduction of a Timoshenko Beam with Multiple Parallel Nonlinear Energy Sinks. Appl. Sci. 2022, 12, 9008. https://doi.org/10.3390/app12189008

AMA Style

Zhang W-Y, Niu M-Q, Chen L-Q. Vibration Reduction of a Timoshenko Beam with Multiple Parallel Nonlinear Energy Sinks. Applied Sciences. 2022; 12(18):9008. https://doi.org/10.3390/app12189008

Chicago/Turabian Style

Zhang, Wen-Yong, Mu-Qing Niu, and Li-Qun Chen. 2022. "Vibration Reduction of a Timoshenko Beam with Multiple Parallel Nonlinear Energy Sinks" Applied Sciences 12, no. 18: 9008. https://doi.org/10.3390/app12189008

APA Style

Zhang, W.-Y., Niu, M.-Q., & Chen, L.-Q. (2022). Vibration Reduction of a Timoshenko Beam with Multiple Parallel Nonlinear Energy Sinks. Applied Sciences, 12(18), 9008. https://doi.org/10.3390/app12189008

Note that from the first issue of 2016, this journal uses article numbers instead of page numbers. See further details here.

Article Metrics

Back to TopTop