Fast Method of Computations of Ripples in the Junction Temperature of Discrete Power SiC-MOSFETs at the Steady State
Abstract
:Featured Application
Abstract
1. Introduction
2. Computation Method
- (a)
- Setting the value of the transistor temperature TEMP equal to ambient temperature Ta.
- (b)
- Transient analysis of the tested circuit for a time equal to two periods of the control signal and registrations of the waveforms of p(t) and Tj(t).
- (c)
- Calculation of the average value of power pavg dissipated in the transistor using the results of the SPICE computations.
- (d)
- Calculation of the junction temperature Tj value at the steady state using the formula
- (e)
- Comparing the values of TEMP and Tj. If the difference is bigger than 1 K, TEMP should be substituted by Tj and then jump to point (b). If this condition is not fulfilled, jump to point (f).
- (f)
- Waveforms of p(t) and Tj(t) obtained in point (b) correspond to the waveforms of these quantities at the steady state.

- At first, a SPICE input file should be formulated. In this file the option TEMP should be equal to the ambient temperature given in Celsius degrees and the initial conditions of capacitors’ voltages in the thermal model should be equal to zero.
- Next, the transient analysis of the tested network is performed with the final time equal to two periods of a stimulating signal.
- After this analysis, the average value pavg of the power dissipated and the peak-to-peak value Tjpp of ΔTj are calculated using a graphical post-processor of SPICE for the time equal to the doubled period of the stimulating signal.
- Next, the average value Tjavg of the transistor junction temperature at the steady state is estimated using the Formula (2).
- If the value of TEMP differs from the difference Tjavg − Tjpp/2 more than 1 °C, the algorithm should jump to point 6, otherwise, the results obtained in point 2 correspond to the steady state and the algorithm stops.
- The SPICE input file is modified. In this file the value of TEMP equal to the difference between Tjavg and Tjpp/2 is set and the algorithm jumps to point 1.
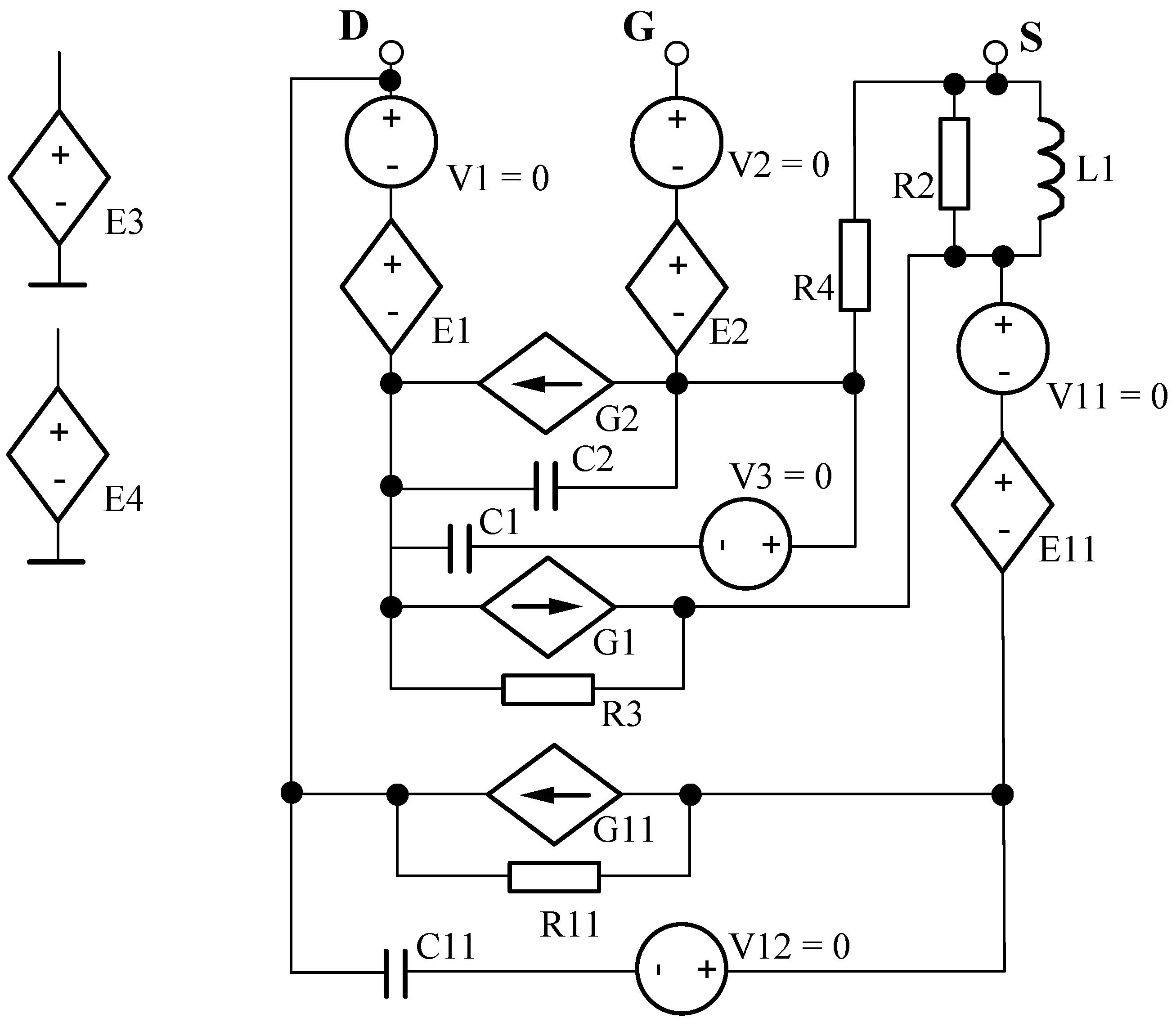
3. Investigated Circuits
- (a)
- a transistor operating without an additional cooling system (system A),
- (b)
- a transistor mounted in a system containing a heat sink and a fan (system B),
- (c)
- a transistor mounted in the cooling system ensuring perfect cooling of its case: the ideal cold plate (system C).
4. Investigations Results
4.1. Verification of the Method
4.2. Analyses of Properties of the Considered Networks
5. Conclusions
Author Contributions
Funding
Institutional Review Board Statement
Informed Consent Statement
Data Availability Statement
Conflicts of Interest
References
- Perret, R. Power Electronics Semiconductor Devices; John Wiley & Sons: Hoboken, NJ, USA, 2009. [Google Scholar]
- Rashid, M.H. Power Electronic Handbook; Academic Press: Cambridge, MA, USA; Elsevier: Amsterdam, The Netherlands, 2007. [Google Scholar]
- Kazimierczuk, M.K. Pulse-width Modulated DC-DC Power Converters; John Wiley &Sons, Ltd.: Hoboken, NJ, USA, 2008. [Google Scholar]
- Górecki, P.; Górecki, K. Methods of Fast Analysis of DC-DC Converters—A Review. Electronics 2021, 10, 2920. [Google Scholar] [CrossRef]
- Schweitzer, D.; Ender, F.; Hantos, G.; Szabo, P.G. Thermal transient characterization of semiconductor devices with multiple heat-sources—Fundamentals for a new thermal standard. Microelectron. J. 2015, 46, 174–182. [Google Scholar] [CrossRef]
- Blackburn, D.L. Temperature measurements of semiconductor devices—A review. In Proceedings of the Twentieth Annual IEEE Semiconductor Thermal Measurement and Management Symposium, San Jose, CA, USA, 11 March 2004; pp. 70–80. [Google Scholar]
- Bagnoli, P.E.; Casarosa, C.; Ciampi, M.; Dallago, E. Thermal resistance analysis by induced transient (TRAIT) method for power electronic devices thermal characterization. IEEE Trans. Power Electron. I Fundam. Theory 1998, 13, 1208–1219. [Google Scholar] [CrossRef]
- Górecki, P.; Wojciechowski, D. Accurate Computation of IGBT Junction Temperature in PLECS. IEEE Trans. Electron Dev. 2020, 67, 2865–2871. [Google Scholar] [CrossRef]
- Dupont, L.; Avenas, Y.; Jeannin, P.O. Comparison of Junction Temperature Evaluations in a Power IGBT Module Using an IR Camera and Three Thermosensitive Electrical Parameters. IEEE Trans. Ind. Appl. 2013, 49, 1599–1608. [Google Scholar] [CrossRef]
- Bryant, A.; Parker-Allotey, N.A.; Hamilton, D.; Swan, I.; Mawby, P.A.; Ueta, T.; Nishijima, T.; Hamada, K. A Fast Loss and Temperature Simulation Method for Power Converters, Part I: Electrothermal Modeling and Validation. IEEE Trans. Power Electron. 2012, 27, 248–257. [Google Scholar] [CrossRef]
- Ceccarelli, L.; Kotecha, R.; Iannuzzo, F.; Mantooth, A. Fast Electro-thermal Simulation Strategy for SiC MOSFETs Based on Power Loss Mapping. In Proceedings of the 2018 IEEE International Power Electronics and Application Conference and Exposition (PEAC), Shenzhen, China, 4–7 November 2018. [Google Scholar]
- Górecki, K.; Zarębski, J.; Górecki, P. Influence of Thermal Phenomena on the Characteristics of Selected Electronics Networks. Energies 2021, 14, 4750. [Google Scholar] [CrossRef]
- Swan, I.; Bryant, A.; Mawby, P.A.; Ueta, T.; Nishijima, T.; Hamada, K. A Fast Loss and Temperature Simulation Method for Power Converters, Part II: 3-D Thermal Model of Power Module. IEEE Tran. Power Electron. 2012, 27, 258–268. [Google Scholar] [CrossRef]
- Langbauer, T.; Mentin, C.; Rindler, M.; Vollmaier, F.; Connaughton, A.; Krischan, K. Closing the Loop between Circuit and Thermal Simulation: A System Level Co-Simulation for Loss Related Electro-Thermal Interactions. In Proceedings of the 2019 25th International Workshop on Thermal Investigations of ICs and Systems (THERMINIC), Lecco, Italy, 25–27 September 2019. [Google Scholar]
- Ceccarelli, L.; Bahman, A.S.; Iannuzzo, F.; Blaabjerg, F. A Fast Electro-Thermal Co-Simulation Modeling Approach for SiC Power MOSFETs. In Proceedings of the 2017 IEEE Applied Power Electronics Conference and Exposition (APEC), Tampa, FL, USA, 26–30 March 2017. [Google Scholar]
- Szekely, V. A new evaluation method of thermal transient measurement results. Microelectr. J. 1997, 28, 277–292. [Google Scholar] [CrossRef]
- Górecki, K.; Zarębski, J.; Górecki, P.; Ptak, P. Compact thermal models of semiconductor devices—A review. Int. J. Electron. Telecommun. 2019, 65, 151–158. [Google Scholar]
- Górecki, K.; Posobkiewicz, K. Selected problems of power MOSFETs thermal parameters measurements. Energies 2021, 14, 8353. [Google Scholar] [CrossRef]
- Górecki, K.; Zarębski, J. The Method of a Fast Electrothermal Transient Analysis of Single-Inductance DC–DC Converters. IEEE Trans. Power Electron. 2012, 27, 4005–4012. [Google Scholar] [CrossRef]
- Górecki, P.; Górecki, K. Analysis of the Usefulness Range of the Averaged Electrothermal Model of a Diode-Transistor Switch to Compute the Characteristics of the Boost Converter. Energies 2021, 14, 154. [Google Scholar] [CrossRef]
- Pietrenko, W.; Janke, W. Design and simulation of PWM Switch-mode Power Converters. Bull. Pol. Acad. Sci. Tech. Sci. 1999, 47, 291–300. [Google Scholar]
- Górecki, P.; Górecki, K.; Kisiel, R.; Brzozowski, E.; Bar, J.; Guziewicz, M. Investigations of an influence of the assembling method of the die to the case on thermal parameters of IGBTs. IEEE Trans. Compon. Packag. Manuf. Technol. 2021, 11, 1988–1996. [Google Scholar] [CrossRef]
- Ciappa, M.; Carbognami, F.; Cora, P.; Fichtner, W. A novel thermomechanics-based lifetime prediction model for cycle fatigue failure mechnisms in power semiconductors. Microelectron. Reliab. 2002, 42, 1653–1658. [Google Scholar] [CrossRef]
- Górecki, P.; Górecki, K. Measurements and computations of internal temperatures of the IGBT and the diode situated in the common case. Electronics 2021, 10, 210. [Google Scholar] [CrossRef]
- Górecki, K.; Detka, K. Application of Average Electrothermal Models in the SPICE-Aided Analysis of Boost Converters. IEEE Trans. Ind. Electron. 2019, 66, 2746–2755. [Google Scholar] [CrossRef]
- Castellazzi, A.; Kraus, R.; Seliger, N.; Schmitt-Landsiedel, D. Reliability analysis of power MOSFET’s with the help of compact models and circuit simulation. Microelectr. Reliab. 2002, 42, 1605–1610. [Google Scholar] [CrossRef]
- Mantooth, H.A.; Peng, K.; Santi, E.; Hudgins, J.L. Modeling of Wide Bandgap Power Semiconductor Devices—Part I. IEEE Trans. Electron Dev. 2015, 62, 423–433. [Google Scholar] [CrossRef]
- Hazra, S.; De, A.; Cheng, L.; Palmour, J.; Schupbach, M.; Hull, B.A.; Allen, S.; Bhattacharya, S. High Switching Performance of 1700-V, 50-A SiC Power MOSFET Over Si IGBT/BiMOSFET for Advanced Power Conversion Applications. IEEE Trans. Power Electron. 2016, 31, 4742–4754. [Google Scholar]
- Zhang, L.; Yuan, X.; Wu, X.; Shi, C.; Zhang, J.Z.Y. Performance Evaluation of High-Power SiC MOSFET Modules in Comparison to Si IGBT Modules. IEEE Trans. Power Electron. 2019, 34, 1181–1196. [Google Scholar] [CrossRef]
- Scognamillo, C.; Catalano, A.P.; Riccio, M.; d’Alessandro, V.; Codecasa, L.; Borghese, A.; Tripathi, R.N.; Castellazzi, A.; Breglio, G.; Irace, A. Compact Modeling of a 3.3 kV SiC MOSFET Power Module for Detailed Circuit-Level Electrothermal Simulations Including Parasitics. Energies 2021, 14, 4683. [Google Scholar] [CrossRef]
- Semiconductor, R.O.H.M. SCT3060AL N-Channel SiC Power MOSFET, 2015. Data Sheet. Available online: www.rohm.com (accessed on 1 September 2022).
- Semiconductor, R.O.H.M. SCT3060ALHR SPICE Model. Available online: https://www.rohm.com/products/sic-power-devices/sic-mosfet/sct3060alhr-product#technicalAricleSubMenu (accessed on 8 August 2022).
- IR2125 Current Limiting Single Channel Driver, Infineon Technologies, Data Sheet No. PD60017 Rev.Q, 2004. Available online: https://www.infineon.com/dgdl/Infineon-IR2125-DS-v01_00-EN.pdf?fileId=5546d462533600a4015355c85ba31694 (accessed on 1 September 2022).
- Górecki, K.; Posobkiewicz, K. Influence of a Cooling System on Power MOSFETs’ Thermal Parameters. Energies 2022, 15, 2923. [Google Scholar] [CrossRef]















| Parameter | System A | System B | System C |
|---|---|---|---|
| Rth (K/W) | 42.5 | 3.2 | 0.7 |
| a1 | 0.04 | 0.03 | 0.2 |
| τth1 (s) | 0.8 | 0.0001 | 0.0004 |
| a2 | 0.86 | 0.07 | 0.15 |
| τth2 (s) | 42 | 0.01 | 0.0045 |
| a3 | 0.1 | 0.5 | 0.65 |
| τth3 (s) | 105 | 0.7 | 0.006 |
| a4 | 0.05 | ||
| τth4 (s) | 8 | ||
| a5 | 0.35 | ||
| τth5 (s) | 540 |
Publisher’s Note: MDPI stays neutral with regard to jurisdictional claims in published maps and institutional affiliations. |
© 2022 by the authors. Licensee MDPI, Basel, Switzerland. This article is an open access article distributed under the terms and conditions of the Creative Commons Attribution (CC BY) license (https://creativecommons.org/licenses/by/4.0/).
Share and Cite
Górecki, K.; Górecki, P. Fast Method of Computations of Ripples in the Junction Temperature of Discrete Power SiC-MOSFETs at the Steady State. Appl. Sci. 2022, 12, 8887. https://doi.org/10.3390/app12178887
Górecki K, Górecki P. Fast Method of Computations of Ripples in the Junction Temperature of Discrete Power SiC-MOSFETs at the Steady State. Applied Sciences. 2022; 12(17):8887. https://doi.org/10.3390/app12178887
Chicago/Turabian StyleGórecki, Krzysztof, and Paweł Górecki. 2022. "Fast Method of Computations of Ripples in the Junction Temperature of Discrete Power SiC-MOSFETs at the Steady State" Applied Sciences 12, no. 17: 8887. https://doi.org/10.3390/app12178887
APA StyleGórecki, K., & Górecki, P. (2022). Fast Method of Computations of Ripples in the Junction Temperature of Discrete Power SiC-MOSFETs at the Steady State. Applied Sciences, 12(17), 8887. https://doi.org/10.3390/app12178887
