An Overview of Non-Isolated Hybrid Switched-Capacitor Step-Up DC–DC Converters
Abstract
:Featured Application
Abstract
1. Introduction
2. Classification of Switched Capacitors Converters
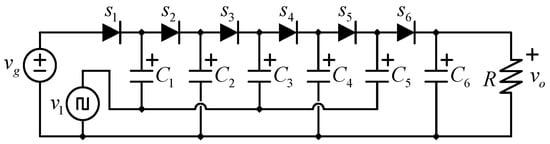
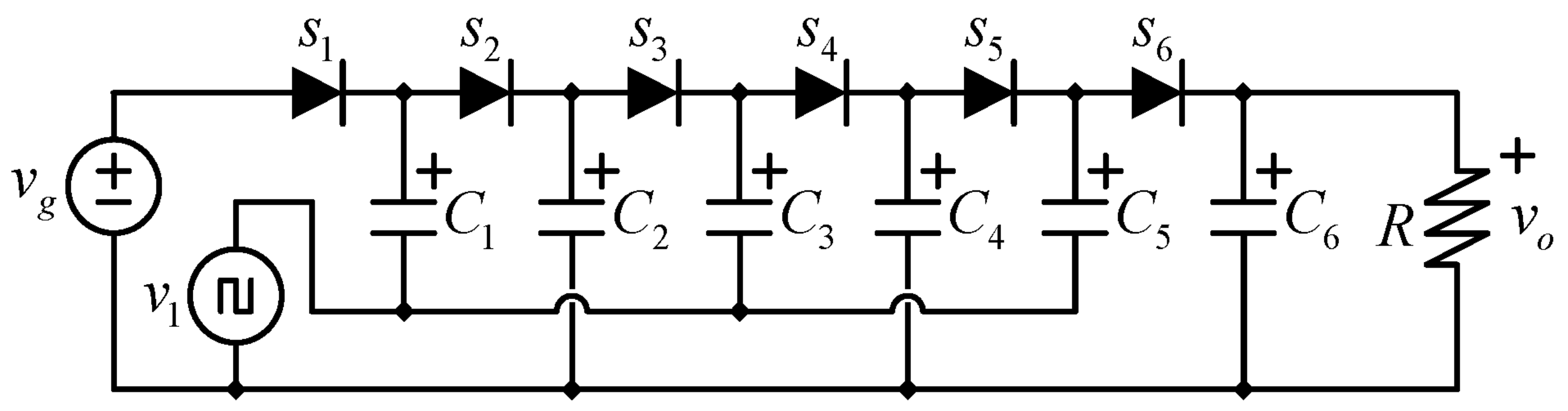
2.1. Ac–Dc Rectifiers with Voltage Multiplication Function and a Single Input Signal
2.2. SC Voltage Multipliers with Digital Input Signals
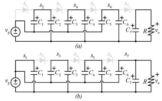
2.3. SC Controlled by Transistors, the Elementary Principle
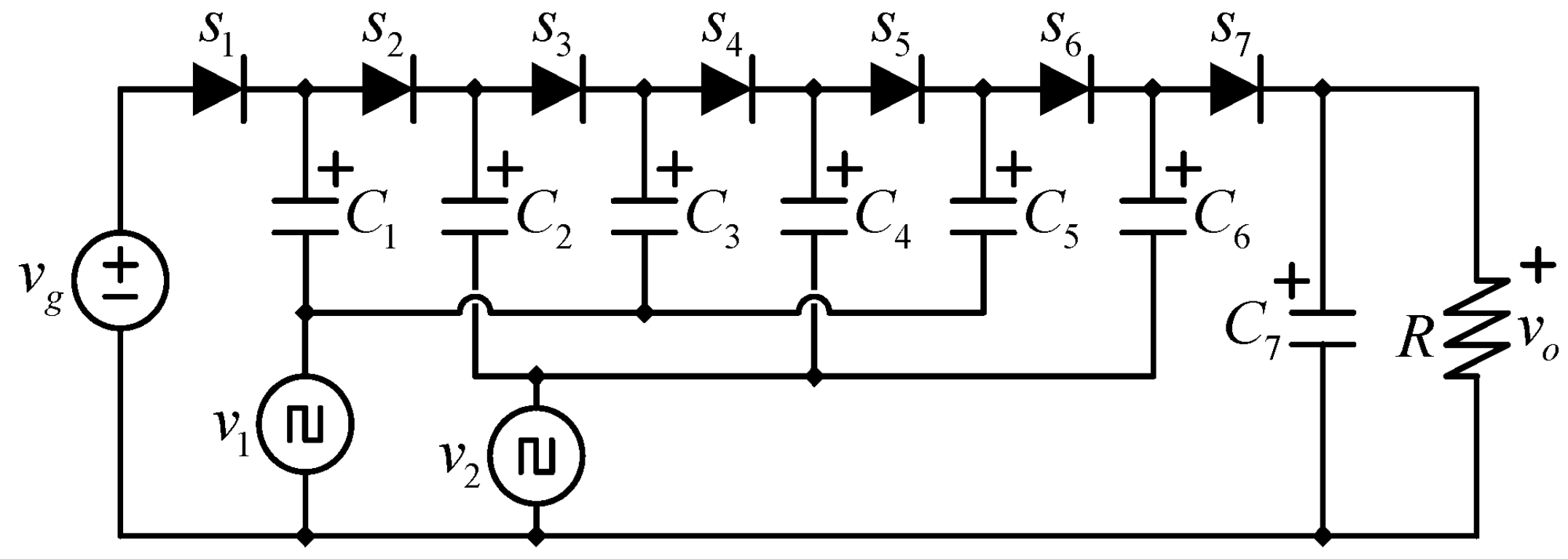
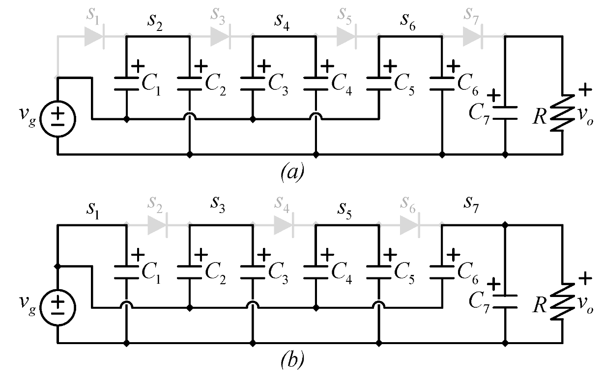
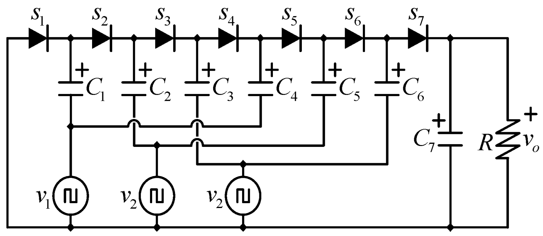
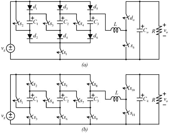
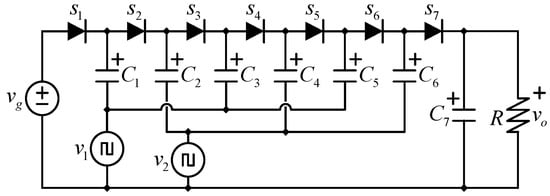
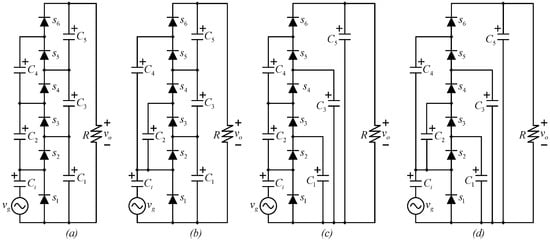
3. Switched-Capacitor Circuits Controlled by Transistors
4. The Charge Interchange between Capacitors
4.1. Different Types of Charge Interchange
- If the peak current is too large, it may damage the components (transistors and capacitors). In transistors, a large current, such as the peak current in the SC converters, causes an increase in the switching losses of the transistor, increasing its junction temperature [117].
- A spike current has a larger RMS value than a flat one. It is better to have a flat current.
- There is an effort to reduce parasitic resistances in new devices, transistors, and capacitors; we can expect that the peak current will be larger if we use better components.
4.2. Energy Analysis on the Non-Resonant Charge Interchange
- (i)
- The stored energy ratio is always smaller than 1, which is expected from the efficiency analysis in the power converters.
- (ii)
- The capacitance of the capacitors seems to disappear from (7), but this is only when the capacitors are equal. If the capacitors are different, the ratio among the capacitances would appear as a factor in Equation (7).
- (iii)
- The minimum ratio (or efficiency) observed when capacitors are equal is 0.5 of 50%, but this is only the minimum. The efficiency may be larger if the second capacitor initially has more than 50% of the other one. The efficiency remains over 90%. On the other hand, if one capacitor’s initial voltage is smaller than 50% of the other, the efficiency decreases rapidly.
- (iv)
- The efficiency is larger if the initial difference of the voltages is smaller, but if the initial voltage of the capacitors is equal, the charge interchange would be zero. Then, the 100% efficiency has a trade-off versus the amount of charge transferred. This is another way of seeing why pure SC circuits are mainly used in low-power applications.
4.3. Energy Analysis in the Resonant Charge Interchange
4.4. Simulation of the Energy Recovery Phenomena
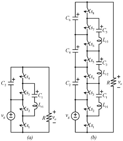
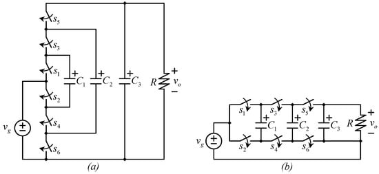
5. Hybrid SC Converters
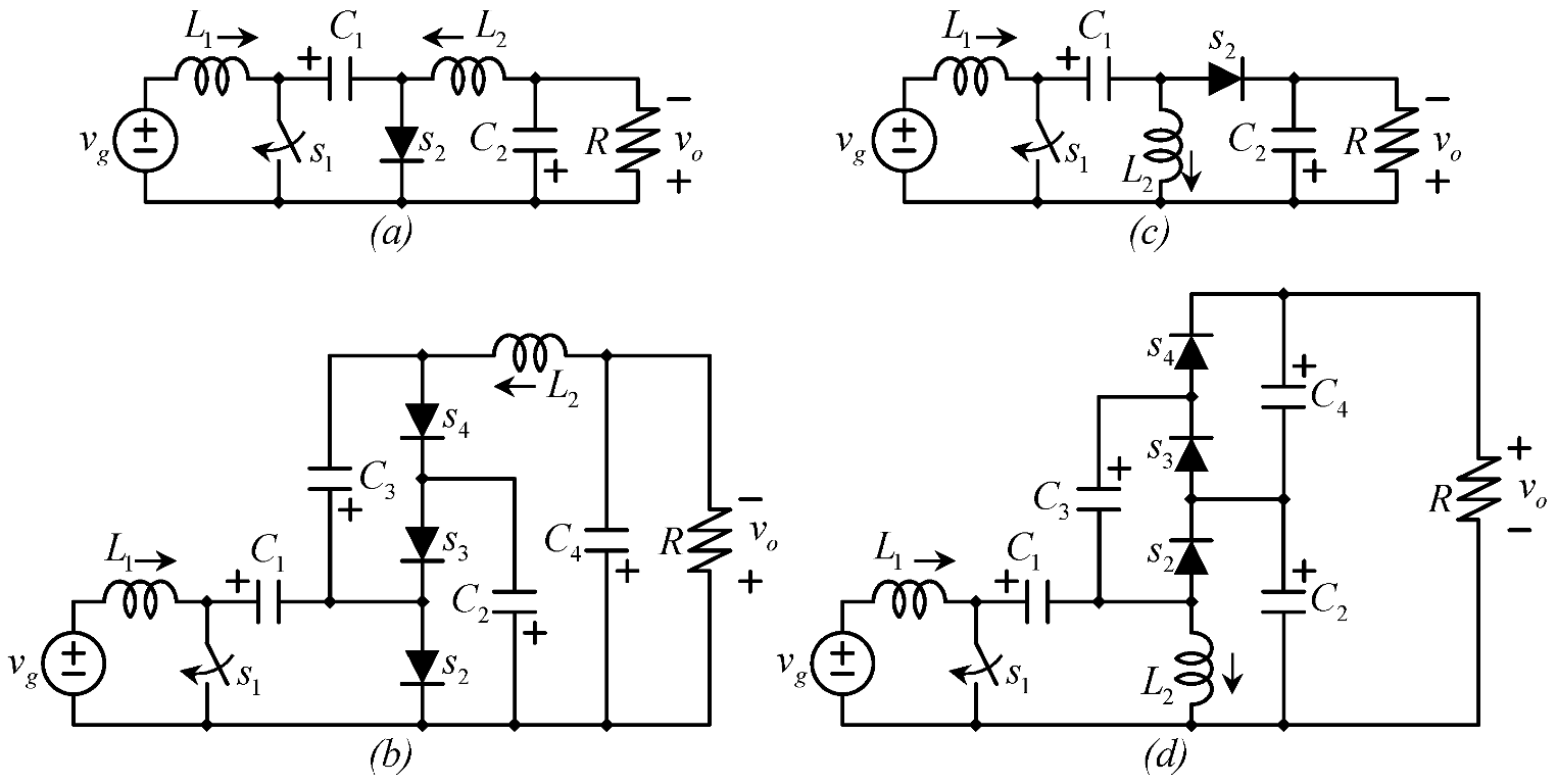
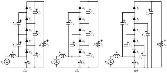
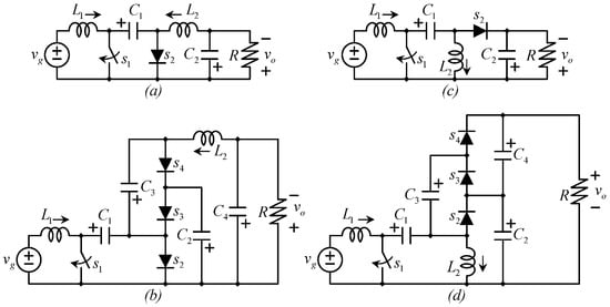
5.1. The Traditional Boost Converters with an Input SC Multiplier
5.2. The Traditional Boost Converters with an Output SC Multiplier
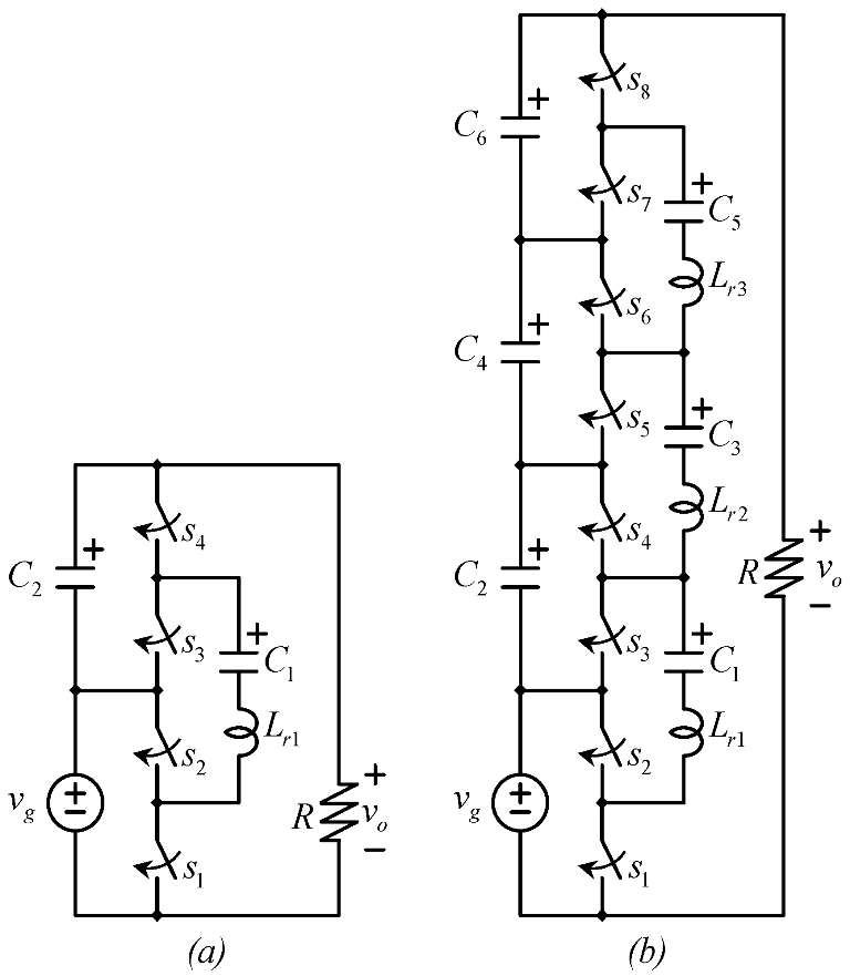
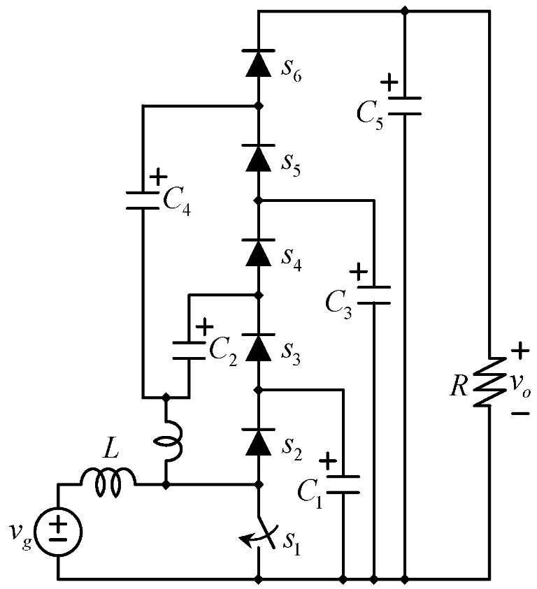
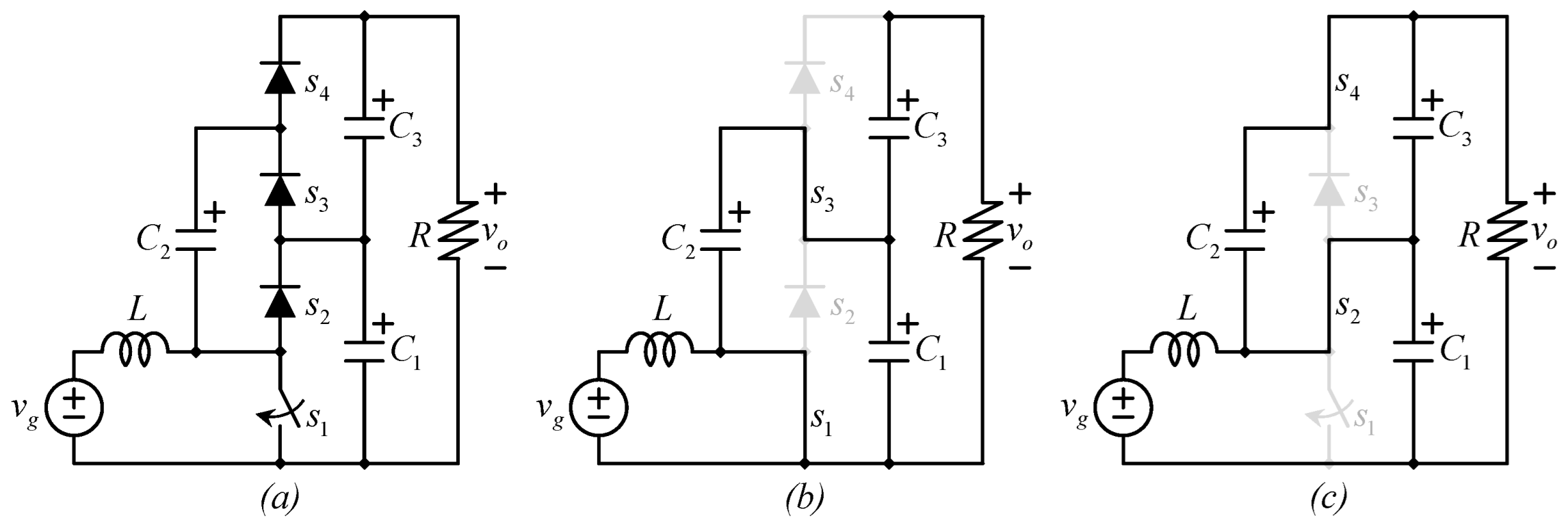
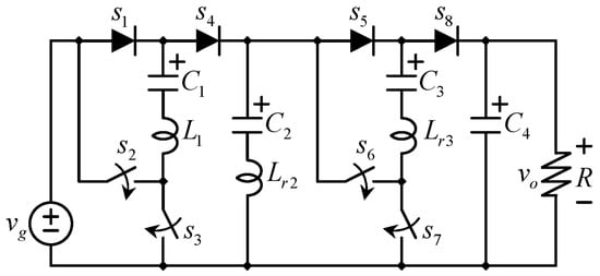
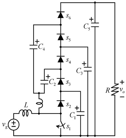
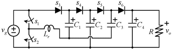
5.3. Other Traditional Converters with SC Voltage Multipliers
5.4. Traditional SC Converters Modified to Have Resonant Charge Interchange
5.5. Demonstrative Experimental Results
6. Conclusions
Author Contributions
Funding
Institutional Review Board Statement
Informed Consent Statement
Data Availability Statement
Acknowledgments
Conflicts of Interest
References
- Lew, D.; Bakke, J.; Bloom, A.; Brown, P.; Caspary, J.; Clack, C.; Miller, N.; Orths, A.; Silverstein, A.; Simonelli, J.; et al. Transmission Planning for 100% Clean Electricity: Enabling Clean, Affordable, and Reliable Electricity. IEEE Power Energy Mag. 2021, 19, 56–66. [Google Scholar] [CrossRef]
- Holttinen, H.; Groom, A.; Kennedy, E.; Woodfin, D.; Barroso, L.; Orths, A.; Ogimoto, K.; Wang, C.; Moreno, R.; Parks, K.; et al. Variable Renewable Energy Integration: Status Around the World. IEEE Power Energy Mag. 2021, 19, 86–96. [Google Scholar] [CrossRef]
- O’Malley, M.; Bowen, T.; Bialek, J.; Braun, M.; Cutululis, N.; Green, T.; Hansen, A.; Kennedy, E.; Kiviluoma, J.; Leslie, J.; et al. Enabling Power System Transformation Globally: A System Operator Research Agenda for Bulk Power System Issues. IEEE Power Energy Mag. 2021, 19, 45–55. [Google Scholar] [CrossRef]
- O’Connell, R.; Phadke, A.; O’Boyle, M.; Clack, C.T.; Denholm, P.; Ernst, B. Carbon-Free Energy: How Much, How Soon? IEEE Power Energy Mag. 2021, 19, 67–76. [Google Scholar]
- Jana, A.S.; Lin, C.-H.; Kao, T.-H.; Chang, C.-H. A High Gain Modified Quadratic Boost DC–DC Converter with Voltage Stress Half of Output Voltage. Appl. Sci. 2022, 12, 4914. [Google Scholar] [CrossRef]
- Pesce, C.; Riedemann, J.; Peña, R.; Degano, M.; Pereda, J.; Villalobos, R.; Maury, C.; Young, H.; Andrade, I. A Modified Multi-Winding DC–DC Flyback Converter for Photovoltaic Applications. Appl. Sci. 2021, 11, 11999. [Google Scholar] [CrossRef]
- Alavi, O.; Rajabloo, T.; De Ceuninck, W.; Daenen, M. Non-Isolated DC–DC Converters in Fuel Cell Applications: Thermal Analysis and Reliability Comparison. Appl. Sci. 2022, 12, 5026. [Google Scholar] [CrossRef]
- Lopez-Caiza, D.; Renaudineau, H.; Muller, N.; Flores-Bahamonde, F.; Kouro, S.; Rodriguez, J. Dual-Boost Inverter for PV Microinverter Application—An Assessment of Control Strategies. Appl. Sci. 2022, 12, 5952. [Google Scholar] [CrossRef]
- Erickson, R.W.; Maksimovic, D. Fundamentals of Power Electronics, 2nd ed.; Kluwer: Boston, MA, USA, 2004. [Google Scholar]
- Rashid, M. Power Electronics: Circuits, Devices and Applications, 3rd ed.; Prentice Hall: London, UK, 2004. [Google Scholar]
- Undeland, M.N.; Robbins, W.P.; Mohan, N. Power Electronics. In Converters, Applications, and Design, 3rd ed.; John Whiley & Sons: Hoboken, NJ, USA, 1995. [Google Scholar]
- Kazmierkowski, M.P.; Krishnan, R.; Blaabjerg, F. Control in Power Electronics Selected Problems; Academic Press: Cambridge, MA, USA, 2002. [Google Scholar]
- de Souza, A.; Tofoli, F.; Ribeiro, E. Switched Capacitor DC–DC Converters: A Survey on the Main Topologies, Design Characteristics, and Applications. Energies 2021, 14, 2231. [Google Scholar] [CrossRef]
- Tanzawa, T. Innovation of Switched-Capacitor Voltage Multiplier: Part 1: A Brief History. IEEE Solid State Circuits Mag. 2016, 8, 51–59. [Google Scholar] [CrossRef]
- Tanzawa, T. Innovation of Switched-Capacitor Voltage Multiplier: Part 2: Fundamentals of the Charge Pump. IEEE Solid State Circuits Mag. 2016, 8, 83–92. [Google Scholar] [CrossRef]
- Tanzawa, T. Innovation of Switched-Capacitor Voltage Multiplier: Part 3: State of the Art of Switching Circuits and Applications of Charge Pumps. IEEE Solid State Circuits Mag. 2016, 8, 63–73. [Google Scholar] [CrossRef]
- Falkner, A. Generalised Cockcroft-Walton voltage multipliers. Electron. Lett. 1973, 9, 585–586. [Google Scholar] [CrossRef]
- Dickson, J. On-chip high-voltage generation in MNOS integrated circuits using an improved voltage multiplier technique. IEEE J. Solid State Circuits 1976, 11, 374–378. [Google Scholar] [CrossRef]
- Brugler, J. Theoretical performance of voltage multiplier circuits. IEEE J. Solid State Circuits 1971, 6, 132–135. [Google Scholar] [CrossRef]
- Makowski, M.S.; Maksimovic, D. Performance limits of switched-capacitor DC–DC converters. In Proceedings of the PESC 1995, Power Electronics Specialist Conference, Atlanta, GA, USA, 18–22 June 1995; pp. 1215–1221. [Google Scholar]
- Ueno, F.; Inoue, T.; Oota, I.; Harada, I. Emergency power supply for small computer systems. In Proceedings of the IEEE In-ternational Sympoisum on Circuits and Systems, Singapore, 11–14 June 1991; pp. 1065–1068. [Google Scholar]
- Rosas-Caro, J.C.; Ramirez, J.M.; Vite, P.M.G. A novel two switches based DC–DC multilevel voltage multiplier. In Proceedings of the 2008 International Symposium on Power Electronics, Electrical Drives, Automation and Motion, Ischia, Italy, 11–13 June 2008; pp. 930–934. [Google Scholar] [CrossRef]
- Lopez, A.; Diez, R.; Perilla, G.; Patino, D. Analysis and Comparison of Three Topologies of the Ladder Multilevel DC/DC Converter. IEEE Trans. Power Electron. 2012, 27, 3119–3127. [Google Scholar] [CrossRef]
- Daowd, M.; Antoine, M.; Omar, N.; Van den Bossche, P.; Van Mierlo, J. Single Switched Capacitor Battery Balancing System Enhancements. Energies 2013, 6, 2149–2174. [Google Scholar] [CrossRef]
- Li, S.; Zheng, Y.; Wu, B.; Smedley, K.M. A Family of Resonant Two-Switch Boosting Switched-Capacitor Converter with ZVS Operation and a Wide Line Regulation Range. IEEE Trans. Power Electron. 2017, 33, 448–459. [Google Scholar] [CrossRef]
- Bhaskar, M.S.; Padmanaban, S.; Blaabjerg, F. A Multistage DC–DC Step-Up Self-Balanced and Magnetic Component-Free Converter for Photovoltaic Applications: Hardware Implementation. Energies 2017, 10, 719. [Google Scholar] [CrossRef]
- Peng, F.Z.; Zhang, F.; Qian, Z. A novel compact DC–DC converter for 42 V systems. In Proceedings of the IEEE 34th Annual Conference on Power Electronics Specialist, Acapulco, Mexico, 15–19 June 2003; Volume 1, pp. 33–38. [Google Scholar]
- Pan, Z.; Zhang, F.; Peng, F.Z. Power losses and efficiency analysis of multilevel dc–dc converters. In Proceedings of the Twentieth Annual IEEE Applied Power Electronics Conference and Exposition, Austin, TX, USA, 06–10 March 2005; Volume 3, pp. 1393–1398. [Google Scholar]
- Zhang, F.; Du, L.; Peng, F.Z.; Qian, Z. A New Design Method for High-Power High-Efficiency Switched-Capacitor DC–DC Converters. IEEE Trans. Power Electron. 2008, 23, 832–840. [Google Scholar] [CrossRef]
- Qian, W.; Peng, F.Z.; Shen, M.; Tolbert, L.M. 3X DC–DC Multiplier/Divider for HEV Systems. In Proceedings of the 2009 Twenty-Fourth Annual IEEE Applied Power Electronics Conference and Exposition, Washington, DC, USA, 15–19 February 2009; pp. 1109–1114. [Google Scholar]
- Qian, W.; Cha, H.; Peng, F.Z.; Tolbert, L.M. 55-kW Variable 3X DC–DC Converter for Plug-in Hybrid Electric Vehicles. IEEE Trans. Power Electron. 2011, 27, 1668–1678. [Google Scholar] [CrossRef]
- Khan, F.H.; Tolbert, L.M. A Multilevel Modular Capacitor-Clamped DC–DC Converter. IEEE Trans. Ind. Appl. 2007, 43, 1628–1638. [Google Scholar] [CrossRef]
- Qian, W.; Cao, D.; Cintron-Rivera, J.G.; Gebben, M.; Wey, D.; Peng, F.Z. A Switched-Capacitor DC–DC Converter with High Voltage Gain and Reduced Component Rating and Count. IEEE Trans. Ind. Appl. 2012, 48, 1397–1406. [Google Scholar] [CrossRef]
- Ben-Yaakov, S. Behavioral Average Modeling and Equivalent Circuit Simulation of Switched Capacitors Converters. IEEE Trans. Power Electron. 2011, 27, 632–636. [Google Scholar] [CrossRef]
- Cheung, C.-K.; Tan, S.-C.; Tse, C.K.; Ioinovici, A. On Energy Efficiency of Switched-Capacitor Converters. IEEE Trans. Power Electron. 2012, 28, 862–876. [Google Scholar] [CrossRef]
- Jevtic, R.; Le, H.-P.; Blagojevic, M.; Bailey, S.; Asanović, K.; Alon, E.; Nikolic, B. Per-Core DVFS With Switched-Capacitor Converters for Energy Efficiency in Manycore Processors. IEEE Trans. Very Large Scale Integr. (VLSI) Syst. 2014, 23, 723–730. [Google Scholar] [CrossRef]
- Mayo-Maldonado, J.; Rosas Caro, J.C.; Rapsisarada, P. Modeling Approaches for DC–DC Converters with Switched Capaci-tors. IEEE Trans. Ind. Electron. 2015, 62, 953–959. [Google Scholar]
- Ballo, A.; Grasso, A.D.; Palumbo, G. A Review of Charge Pump Topologies for the Power Management of IoT Nodes. Electronics 2019, 8, 480. [Google Scholar] [CrossRef]
- Shin, S.-U.; Hong, S.-W.; Lee, H.-M.; Cho, G.-H. High-Efficiency Hybrid Dual-Path Step-Up DC–DC Converter with Continuous Output-Current Delivery for Low Output Voltage Ripple. IEEE Trans. Power Electron. 2020, 35, 6025–6038. [Google Scholar]
- Rosas-Caro, J.C.; Mayo-Maldonado, J.C.; Mancilla-David, F.; Valderrabano-Gonzalez, A.; Carbajal, F.B. Single-inductor resonant switched capacitor voltage multiplier with safe commutation. IET Power Electron. 2015, 8, 507–516. [Google Scholar] [CrossRef]
- Rosas-Caro, J.C.; Mayo-Maldonado, J.C.; Valderrabano-Gonzalez, A.; Beltran-Carbajal, F.; Ramirez-Arredondo, J.M.; Rodriguez-Rodriguez, J.R. DC–DC multiplier boost converter with resonant switching. Electr. Power Syst. Res. 2015, 119, 83–90. [Google Scholar] [CrossRef]
- Zou, K.; Scott, M.J.; Wang, J. A Switched-Capacitor Voltage Tripler With Automatic Interleaving Capability. IEEE Trans. Power Electron. 2011, 27, 2857–2868. [Google Scholar] [CrossRef]
- Mayo-Maldonado, J.C.; Maupong, T.M.; Valdez-Resendiz, J.E.; Rosas-Caro, J.C. Storage and Dissipation Limits in Resonant Switched-Capacitor Converters. Math. Probl. Eng. 2018, 2018, 1054179. [Google Scholar] [CrossRef]
- Kawa, A.; Stala, R.; Mondzik, A.; Pirog, S.; Penczek, A. High-power thyristor-based dc–dc switched-capacitor voltage multi-pliers: Basic concept and novel derived topology with reduced number of switches. IEEE Trans. Power Electron. 2016, 31, 6797–6813. [Google Scholar]
- Choi, H.; Jang, M. and Pou, J. High-gain soft-switching interleaved switched-capacitor DC–DC converter with phase-shedding technique. IET Power Electron. 2017, 10, 1013–1022. [Google Scholar] [CrossRef]
- Lenk, R. Practical Design of Power Supplies; IEEE Press: Piscataway, NJ, USA, 2005. [Google Scholar] [CrossRef]
- Abutbul, O.; Gherlitz, A.; Berkovich, Y.; Ioinovici, A. Step-up switching-mode converter with high voltage gain using a switched-capacitor circuit. IEEE Trans. Circuits Syst. I Regul. Pap. 2003, 50, 1098–1102. [Google Scholar] [CrossRef]
- Rodič, M.; Milanovič, M.; Truntič, M.; Ošlaj, B. Switched-Capacitor Boost Converter for Low Power Energy Harvesting Ap-plications. Energies 2018, 11, 3156. [Google Scholar] [CrossRef]
- Ošlaj, B.; Truntič, M. Control of a Modified Switched-Capacitor Boost Converter. Electronics 2022, 11, 654. [Google Scholar] [CrossRef]
- Guo, R.; Liang, Z.; Huang, A.Q. A Family of Multimodes Charge Pump based DC–DC Converter with High Efficiency over Wide Input and Output Range. IEEE Trans. Power Electron. 2012, 27, 4788–4798. [Google Scholar] [CrossRef]
- Rosas-Caro, J.C.; Ramirez, J.M.; Peng, F.Z.; Valderrabano, A. A DC–DC multilevel boost converter. IET Power Electron. 2010, 3, 129–137. [Google Scholar] [CrossRef]
- Uno, M.; Tanaka, K. Single-switch multioutput charger using voltage multiplier for series-connected lithium-ion battery/supercapacitor equalization. IEEE Trans. Ind. Electron. 2012, 60, 3227–3239. [Google Scholar] [CrossRef]
- Park, Y.; Jung, B.; Choi, S. Nonisolated ZVZCS Resonant PWM DC–DC Converter for High Step-Up and High-Power Applications. IEEE Trans. Power Electron. 2012, 27, 3568–3575. [Google Scholar] [CrossRef]
- Iqbal, A.; Sagar Bhaskar, M.; Meraj, M.; Padmanaban, S. DC-Transformer Modelling, Analysis and Comparison of the Experimental Investigation of a Non-Inverting and Non-Isolated Nx Multilevel Boost Converter (Nx MBC) for Low to High DC Voltage Applications. IEEE Access 2018, 6, 70935–70951. [Google Scholar] [CrossRef]
- Rosas-Caro, J.; Garcia-Vite, P.M.; Lozano, J.; Gonzalez-Rodriguez, A.; Castillo-Gutierrez, R.; Castillo-Ibarra, R. Generalized DC–DC multiplier converter topology. IEICE Electron. Express 2012, 9, 1522–1527. [Google Scholar] [CrossRef]
- Mayo-Maldonado, J.; Salas-Cabrera, R.; Rosas-Caro, J.; De Leon-Morales, J.; Salas-Cabrera, E. Modelling and control of a DC–DC multilevel boost converter. IET Power Electron. 2011, 4, 693–700. [Google Scholar] [CrossRef]
- Iqbal, A.; Bhaskar, M.S.; Meraj, M.; Padmanaban, S.; Rahman, S. Closed-Loop Control and Boundary for CCM and DCM of Nonisolated Inverting N× Multilevel Boost Converter for High-Voltage Step-Up Applications. IEEE Trans. Ind. Electron. 2019, 67, 2863–2874. [Google Scholar] [CrossRef]
- Li, X.; Zhang, X.; Jiang, W.; Wang, J.; Wang, P.; Wu, X. A Novel Assorted Nonlinear Stabilizer for DC–DC Multilevel Boost Converter with Constant Power Load in DC Microgrid. IEEE Trans. Power Electron. 2020, 35, 11181–11192. [Google Scholar] [CrossRef]
- Villarreal-Hernandez, C.A.; Ruiz-Martinez, O.F.; Mayo-Maldonado, J.C.; Escobar, G.; Valdez-Resendiz, J.E.; Rosas-Caro, J.C. Minimum Current Ripple Point Tracking Control for Interleaved Dual Switched-Inductor DC–DC Converters. IEEE Trans. Ind. Electron. 2020, 68, 175–185. [Google Scholar] [CrossRef]
- Rosas-Caro, J.C.; Mayo-Maldonado, J.C.; Salas-Cabrera, R.; Gonzalez-Rodriguez, A.; Salas-Cabrera, E.N.; Castillo-Ibarra, R. A family of DC–DC multiplier converters. Eng. Lett. 2011, 19, 57–67. [Google Scholar]
- Rosas-Caro, J.C.; Sanchez, V.M.; Vazquez-Bautista, R.F.; Morales-Mendoza, L.J.; Mayo-Maldonado, J.C.; Garcia-Vite, P.M.; Barbosa, R. A novel DC–DC multilevel SEPIC converter for PEMFC systems. Int. J. Hydrog. Energy 2016, 41, 23401–23408. [Google Scholar] [CrossRef]
- Prudente, M.; Pfitscher, L.L.; Emmendoerfer, G.; Romaneli, E.F.; Gules, R. Voltage Multiplier Cells Applied to Non-Isolated DC–DC Converters. IEEE Trans. Power Electron. 2008, 23, 871–887. [Google Scholar] [CrossRef]
- Young, C.M.; Chen, M.H.; Chang, T.A.; Ko, C.C.; Jen, K.K. Cascade Cockcroft—Walton Voltage Multiplier Applied to Transformerless High Step-Up DC–DC Converter. IEEE Trans. Ind. Electron. 2013, 60, 523–537. [Google Scholar] [CrossRef]
- Wu, B.; Li, S.; Liu, Y.; Smedley, K.M. A New Hybrid Boosting Converter for Renewable Energy Applications. IEEE Trans. Power Electron. 2015, 31, 1203–1215. [Google Scholar] [CrossRef]
- Tran, V.-T.; Nguyen, M.-K.; Choi, Y.-O.; Cho, G.-B. Switched-Capacitor-Based High Boost DC–DC Converter. Energies 2018, 11, 987. [Google Scholar] [CrossRef]
- Liu, J.; Xu, M.; Zeng, J.; Wu, J.; Eric, C.K.W. Modified voltage equaliser based on Cockcroft–Walton voltage multipliers for series-connected supercapacitors. IET Electr. Syst. Transp. 2018, 8, 44–51. [Google Scholar] [CrossRef]
- Dias, J.C.; Lazzarin, T.B. A Family of Voltage-Multiplier Unidirectional Single-Phase Hybrid Boost PFC Rectifiers. IEEE Trans. Ind. Electron. 2017, 65, 232–241. [Google Scholar] [CrossRef]
- Young, C.-M.; Chen, H.-L.; Chen, M.-H. A Cockcroft–Walton Voltage Multiplier Fed by a Three-Phase-to-Single-Phase Matrix Converter with PFC. IEEE Trans. Ind. Appl. 2013, 50, 1994–2004. [Google Scholar] [CrossRef]
- Guimaraes, J.C.; Cortez, D.F.; Badin, A.A. Single-Phase Hybrid Switched-Capacitor Interleaved AC-DC Boost Converter. IEEE Access 2021, 9, 140799–140808. [Google Scholar] [CrossRef]
- Kim, P.; Lee, S.; Park, J.; Choi, S. High step-up interleaved boost converters using voltage multiplier cells. In Proceedings of the 8th International Conference on Power Electronics-ECCE Asia, Jeju, Korea, 30 May–3 June 2011; pp. 2844–2851. [Google Scholar] [CrossRef]
- Tofoli, F.L.; Oliveira, D.D.S.; Torrico-Bascopé, R.P.; Alcazar, Y.J.A. Novel Nonisolated High-Voltage Gain DC–DC Converters Based on 3SSC and VMC. IEEE Trans. Power Electron. 2012, 27, 3897–3907. [Google Scholar] [CrossRef]
- Alcazar, Y.J.A.; Oliveira, D.D.S.; Tofoli, F.L.; Torrico-Bascope, R.P. DC–DC Nonisolated Boost Converter Based on the Three-State Switching Cell and Voltage Multiplier Cells. IEEE Trans. Ind. Electron. 2012, 60, 4438–4449. [Google Scholar] [CrossRef]
- Lee, S.; Kim, P.; Choi, S. High Step-Up Soft-Switched Converters Using Voltage Multiplier Cells. IEEE Trans. Power Electron. 2012, 28, 3379–3387. [Google Scholar] [CrossRef]
- Prabhala, V.A.K.; Fajri, P.; Gouribhatla, V.S.P.; Baddipadiga, B.P.; Ferdowsi, M. A DC–DC Converter with High Voltage Gain and Two Input Boost Stages. IEEE Trans. Power Electron. 2015, 31, 4206–4215. [Google Scholar] [CrossRef]
- Muller, L.; Kimball, J.W. Dual-input high gain DC–DC converter based on the Cockcroft-Walton multiplier. In Proceedings of the 2014 IEEE Energy Conversion Congress and Exposition (ECCE), Pittsburgh, PA, USA, 14–18 September 2014; pp. 5360–5367. [Google Scholar] [CrossRef]
- Chen, J.; Wang, C.; Li, J. An Input-Parallel-Output-Series Switched-Capacitor Three-level Boost Converter with a Three-Loop Control Strategy. Energies 2018, 11, 2631. [Google Scholar] [CrossRef]
- Rajaei, A.; Khazan, R.; Mahmoudian, M.; Mardaneh, M.; Gitizadeh, M. A Dual Inductor High Step-Up DC/DC Converter Based on the Cockcroft–Walton Multiplier. IEEE Trans. Power Electron. 2018, 33, 9699–9709. [Google Scholar] [CrossRef]
- Chen, J.; Sha, D.; Yan, Y.; Liu, B.; Liao, X. Cascaded High Voltage Conversion Ratio Bidirectional Nonisolated DC–DC Converter With Variable Switching Frequency. IEEE Trans. Power Electron. 2017, 33, 1399–1409. [Google Scholar] [CrossRef]
- Zhu, B.; Zeng, Q.; Vilathgamuwa, M.; Li, Y.; Chen, Y. A Generic Control-Oriented Model Order Reduction Approach for High Step-Up DC/DC Converters Based on Voltage Multiplier. Energies 2019, 12, 1971. [Google Scholar] [CrossRef]
- Bhaskar, M.S.; Meraj, M.; Iqbal, A.; Padmanaban, S. Nonisolated Symmetrical Interleaved Multilevel Boost Converter with Reduction in Voltage Rating of Capacitors for High-Voltage Microgrid Applications. IEEE Trans. Ind. Appl. 2019, 55, 7410–7424. [Google Scholar] [CrossRef]
- Bhaskar, M.S.; Almakhles, D.J.; Padmanaban, S.; Blaabjerg, F.; Subramaniam, U.; Ionel, D.M. Analysis and Investigation of Hybrid DC–DC Non-Isolated and Non-Inverting Nx Interleaved Multilevel Boost Converter (Nx-IMBC) for High Voltage Step-Up Applications: Hardware Implementation. IEEE Access 2020, 8, 87309–87328. [Google Scholar] [CrossRef]
- Meraj, M.; Bhaskar, M.S.; Iqbal, A.; Al-Emadi, N.; Rahman, S. Interleaved Multilevel Boost Converter with Minimal Voltage Multiplier Components for High-Voltage Step-Up Applications. IEEE Trans. Power Electron. 2020, 35, 12816–12833. [Google Scholar] [CrossRef]
- Zarepour, A.; Rajaei, A.; Mohammadi-Moghadam, H.; Shahparasti, M. A High Gain AC-DC Rectifier Based on Current-Fed Cockcroft-Walton Voltage Multiplier for Motor Drive Applications. Sustainability 2021, 13, 12317. [Google Scholar] [CrossRef]
- Ramanathan, G.G.; Urasaki, N. Non-Isolated Interleaved Hybrid Boost Converter for Renewable Energy Applications. Energies 2022, 15, 610. [Google Scholar] [CrossRef]
- Mayo-Maldonado, J.C.; Valdez-Resendiz, J.E.; Sanchez, V.M.; Rosas-Caro, J.C.; Claudio-Sanchez, A.; Puc, F.C. A novel PEMFC power conditioning system based on the interleaved high gain boost converter. Int. J. Hydrog. Energy 2018, 44, 12508–12514. [Google Scholar] [CrossRef]
- Jang, Y.; Jovanovic, M.M. Interleaved Boost Converter with Intrinsic Voltage-Doubler Characteristic for Universal-Line PFC Front End. IEEE Trans. Power Electron. 2007, 22, 1394–1401. [Google Scholar] [CrossRef]
- Shenoy, P.S.; Amaro, M.; Morroni, J.; Freeman, D. Comparison of a Buck Converter and a Series Capacitor Buck Converter for High-Frequency, High-Conversion-Ratio Voltage Regulators. IEEE Trans. Power Electron. 2016, 31, 7006–7015. [Google Scholar] [CrossRef]
- Pradeep Shenoy, Design of a High-Frequency Series Capacitor Buck Converter, TI. Literature Number: SLUP337. 2016. Available online: https://www.ti.com/seclit/ml/slup337/slup337.pdf (accessed on 25 May 2022).
- Rosas-Caro, J.C.; Escobar, G.; Valdez-Resendiz, J.E.; Maldonado, J.C.M.; Beltran-Carbajal, F.; Del-Valle-Soto, C. Analysis of the Input Current-Ripple in the Series-Capacitor Boost Converter. IEEE Trans. Ind. Electron. 2020, 68, 10303–10308. [Google Scholar] [CrossRef]
- Ahmad, J.; Zaid, M.; Sarwar, A.; Lin, C.-H.; Ahmad, S.; Sharaf, M.; Zaindin, M.; Firdausi, M. A Voltage Multiplier Circuit Based Quadratic Boost Converter for Energy Storage Application. Appl. Sci. 2020, 10, 8254. [Google Scholar] [CrossRef]
- Zaid, M.; Lin, C.-H.; Khan, S.; Ahmad, J.; Tariq, M.; Mahmood, A.; Sarwar, A.; Alamri, B.; Alahmadi, A. A Family of Transformerless Quadratic Boost High Gain DC–DC Converters. Energies 2021, 14, 4372. [Google Scholar] [CrossRef]
- Zheng, Y.; Xie, W.; Smedley, K.M. A Family of Interleaved High Step-Up Converters with Diode–Capacitor Technique. IEEE J. Emerg. Sel. Top. Power Electron. 2019, 8, 1560–1570. [Google Scholar] [CrossRef]
- Truong, V.-A.; Luong, X.-T.; Nguyen, P.-T.; Quach, T.-H. The Improvement Switching Technique for High Step-Up DC–DC Boost Converter. Electronics 2020, 9, 981. [Google Scholar] [CrossRef]
- Alzahrani, A.; Shamsi, P.; Ferdowsi, M. Interleaved Multistage Step-Up Topologies with Voltage Multiplier Cells. Energies 2020, 13, 5990. [Google Scholar] [CrossRef]
- Park, S.; Park, Y.; Choi, S.; Choi, W.; Lee, K.-B. Soft-Switched Interleaved Boost Converters for High Step-Up and High-Power Applications. IEEE Trans. Power Electron. 2010, 26, 2906–2914. [Google Scholar] [CrossRef]
- Kumar, P.; Veerachary, M. Z-Network Plus Switched-Capacitor Boost DC–DC Converter. IEEE J. Emerg. Sel. Top. Power Electron. 2019, 9, 791–803. [Google Scholar] [CrossRef]
- Duong, T.-D.; Nguyen, M.-K.; Tran, T.-T.; Lim, Y.-C.; Choi, J.-H. Transformerless High Step-Up DC–DC Converters with Switched-Capacitor Network. Electronics 2019, 8, 1420. [Google Scholar] [CrossRef]
- Axelrod, B.; Berkovich, Y.; Ioinovici, A. Switched-Capacitor/Switched-Inductor Structures for Getting Transformerless Hybrid DC–DC PWM Converters. IEEE Trans. Circuits Syst. I Regul. Pap. 2008, 55, 687–696. [Google Scholar] [CrossRef]
- Axelrod, B.; Golan, G.; Berkovich, Y.; Shenkman, A. Diode–capacitor voltage multipliers combined with boost-converters: Topologies and characteristics. IET Power Electron. 2012, 5, 873–884. [Google Scholar] [CrossRef]
- Vecchia, M.D.; Broeck, G.V.D.; Ravyts, S.; Driesen, J. Novel Step-Down DC–DC Converters Based on the Inductor–Diode and Inductor–Capacitor–Diode Structures in a Two-Stage Buck Converter. Energies 2019, 12, 1131. [Google Scholar] [CrossRef]
- Malik, M.Z.; Tirth, V.; Ali, A.; Farooq, A.; Algahtani, A.; Verma, R.; Islam, S.; Irshad, K.; Abdalla, A.N. Efficient Topology for DC–DC Boost Converter Based on Charge Pump Capacitor for Renewable Energy System. Int. J. Photoenergy 2021, 2021, 6675720. [Google Scholar] [CrossRef]
- Shen, M.; Peng, F.Z.; Tolbert, L.M. Multilevel DC–DC Power Conversion System with Multiple DC Sources. IEEE Trans. Power Electron. 2008, 23, 420–426. [Google Scholar] [CrossRef]
- Sano, K.; Fujita, H. Voltage-Balancing Circuit Based on a Resonant Switched-Capacitor Converter for Multilevel Inverters. IEEE Trans. Ind. Appl. 2008, 44, 1768–1776. [Google Scholar] [CrossRef]
- Chen, W.; Huang, A.Q.; Li, C.; Wang, G.; Gu, W. Analysis and Comparison of Medium Voltage High Power DC/DC Converters for Offshore Wind Energy Systems. IEEE Trans. Power Electron. 2012, 28, 2014–2023. [Google Scholar] [CrossRef]
- Kawa, A.; Stala, R. SiC-Based Bidirectional Multilevel High-Voltage Gain Switched-Capacitor Resonant Converter with Improved Efficiency. Energies 2020, 13, 2445. [Google Scholar] [CrossRef]
- Stillwell, A.; Pilawa-Podgurski, R.C.N. A Resonant Switched-Capacitor Converter with GaN Transistors for High-Efficiency Power Delivery to Series-Stacked Processors. IEEE J. Emerg. Sel. Top. Power Electron. 2019, 8, 3139–3150. [Google Scholar] [CrossRef]
- Stala, R.; Waradzyn, Z.; Folmer, S. DC–DC High-Voltage-Gain Converters with Low Count of Switches and Common Ground. Energies 2020, 13, 5657. [Google Scholar] [CrossRef]
- Xu, J.; Gu, L.; Rivas-Davila, J. Effect of Class 2 Ceramic Capacitor Variations on Switched-Capacitor and Resonant Switched-Capacitor Converters. IEEE J. Emerg. Sel. Top. Power Electron. 2019, 8, 2268–2275. [Google Scholar] [CrossRef]
- Law, K.; Cheng, K.; Yeung, Y. Design and analysis of switched-capacitor-based step-up resonant converters. IEEE Trans. Circuits Syst. I: Regul. Pap. 2005, 52, 943–948. [Google Scholar] [CrossRef]
- Cao, D.; Peng, F.Z. Multiphase Multilevel Modular DC–DC Converter for High-Current High-Gain TEG Application. IEEE Trans. Ind. Appl. 2011, 47, 1400–1408. [Google Scholar] [CrossRef]
- Cao, D.; Peng, F.Z. Zero-Current-Switching Multilevel Modular Switched-Capacitor DC–DC Converter. IEEE Trans. Ind. Appl. 2010, 46, 2536–2544. [Google Scholar] [CrossRef]
- Zou, K.; Scott, M.J.; Wang, J. Switched-Capacitor-Cell-Based Voltage Multipliers and DC–AC Inverters. IEEE Trans. Ind. Appl. 2012, 48, 1598–1609. [Google Scholar] [CrossRef]
- Valdez-Reséndiz, J.; Claudio-Sánchez, A.; Rosas-Caro, J.; Guerrero-Ramírez, G.; Mayo-Maldonado, J.; Tapia-Hernández, A. Resonant switched capacitor voltage multiplier with interleaving capability. Electr. Power Syst. Res. 2016, 133, 365–372. [Google Scholar] [CrossRef]
- Uno, M.; Nakane, T.; Shinohara, T. LLC Resonant Voltage Multiplier-Based Differential Power Processing Converter Using Voltage Divider with Reduced Voltage Stress for Series-Connected Photovoltaic Panels under Partial Shading. Electronics 2019, 8, 1193. [Google Scholar] [CrossRef]
- Lei, H.; Hao, R.; You, X.; Li, F. Nonisolated High Step-Up Soft-Switching DC–DC Converter with Interleaving and Dickson Switched-Capacitor Techniques. IEEE J. Emerg. Sel. Top. Power Electron. 2019, 8, 2007–2021. [Google Scholar] [CrossRef]
- Stala, R.; Waradzyn, Z.; Folmer, S. Input Current Ripple Reduction in a Step-Up DC–DC Switched-Capacitor Switched-Inductor Converter. IEEE Access 2022, 10, 19890–19904. [Google Scholar] [CrossRef]
- Górecki, P. Electrothermal Averaged Model of a Diode–IGBT Switch for a Fast Analysis of DC–DC Converters. IEEE Trans. Power Electron. 2022, 37, 13003–13013. [Google Scholar] [CrossRef]
- Górecki, P.; Górecki, K. Methods of Fast Analysis of DC–DC Converters—A Review. Electronics 2021, 10, 2920. [Google Scholar] [CrossRef]


































| Topology | Number of Switches | Maximum Voltage on a Switch | Number of Capacitors | Maximum Voltage on a Capacitor | Output Voltage |
|---|---|---|---|---|---|
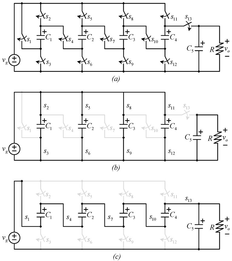
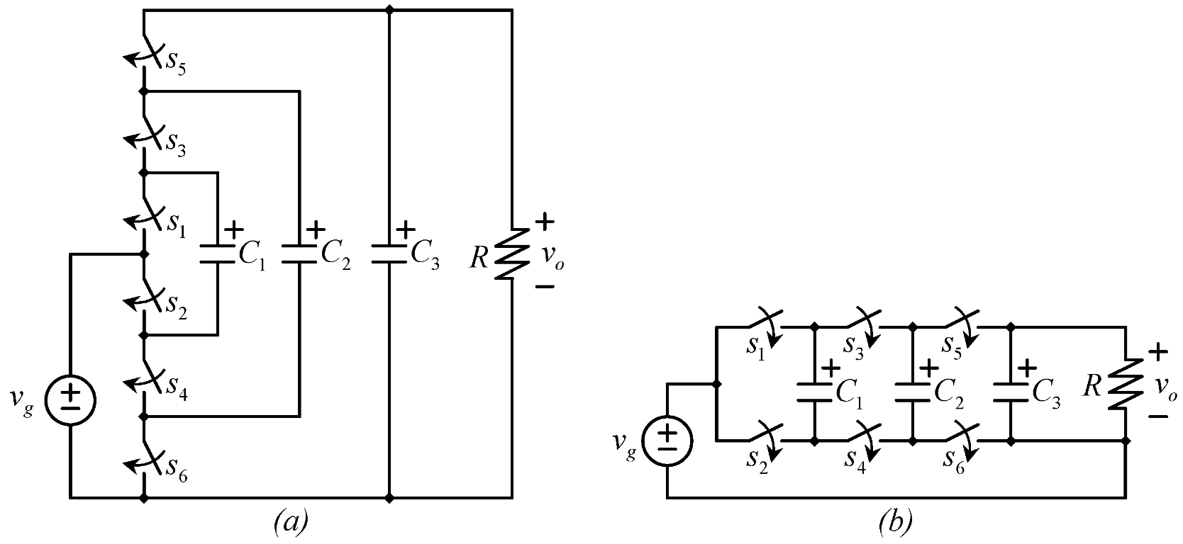
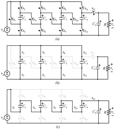
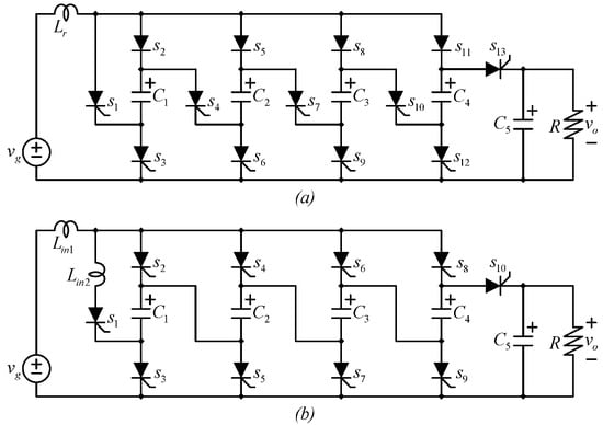
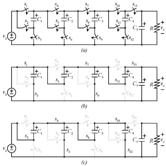
| 5× Series-Parallel (Figure 10a) | 13 | 4× Vg | 5 | 5× Vg | 5× Vg |
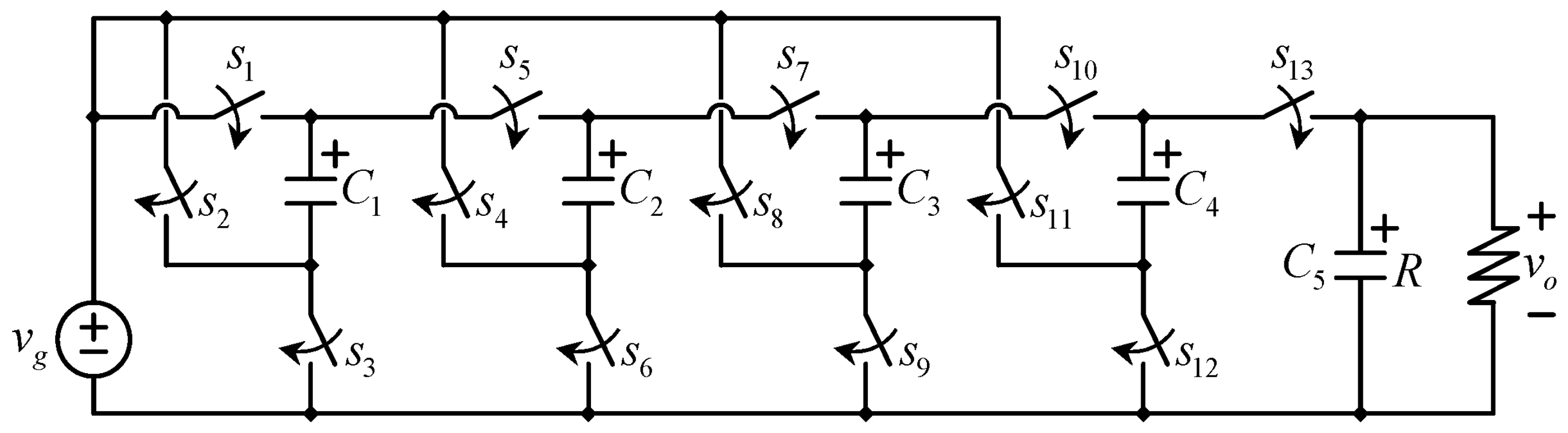
| 8× Fibonacci (Figure 11a) | 13 | 5× Vg | 5 | 8× Vg | 8× Vg |
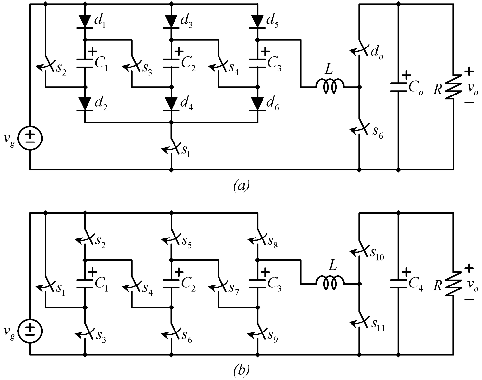
| 4× Ladder (Figure 12a) | 8 | Vg | 6 | Vg | 4× Vg |
| 6× Ladder (no draw) | 12 | Vg | 10 | Vg | 6× Vg |
| 3× Flying Capacitor (Figure 13a) | 6 | Vg | 3 | 3× Vg | 3× Vg |
| 5× Flying Capacitor (no draw) | 10 | Vg | 5 | 5× Vg | 5× Vg |
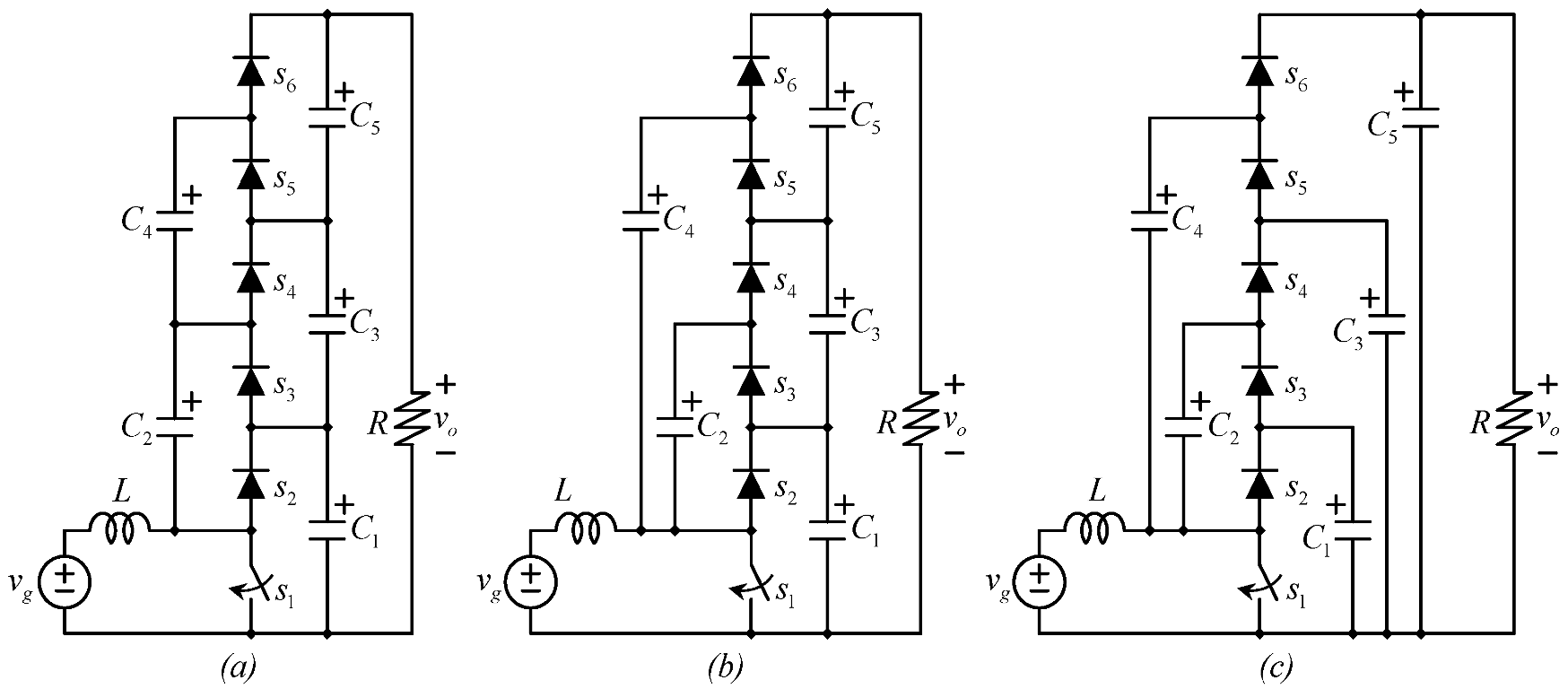
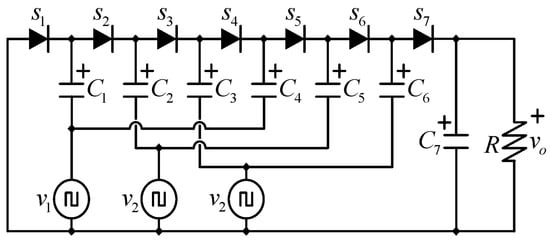
| 5× MMCC (Figure 15) | 13 | Vg | 5 | 5× Vg | 5× Vg |
| Title | Reference | Peak Efficiency Reported | Power Rating of Experiment |
|---|---|---|---|
| Multilevel DC–DC Power Conversion System with Multiple DC Sources | [102] | 98.9% | 10 kW |
| Analysis and Comparison of Medium-Voltage High-Power DC/DC Converters for Offshore Wind Energy Systems | [104] | 99.1% | 22 kW |
| SiC-Based Bidirectional Multilevel High-Voltage Gain Switched-Capacitor Resonant Converter with Improved Efficiency | [105] | 97% | 5 kW |
| DC–DC High-Voltage-Gain Converters with Low Count of Switches and Common Ground | [107] | 91% | 300 W |
| Design and Analysis of Switched-Capacitor-Based Step-Up Resonant Converters | [109] | 94.4% | 100 W |
| Multiphase Multilevel Modular DC–DC Converter for High-Current High-Gain TEG Application | [110] | 97% | 650 W |
| Zero-Current-Switching Multilevel Modular Switched-Capacitor DC–DC Converter | [111] | 98% | 150 W |
| Switched-Capacitor-Cell-Based Voltage Multipliers and DC–AC Inverters | [112] | 96% | 1 kW |
| Resonant switched-capacitor voltage multiplier with interleaving capability | [113] | 95.5% | 150 W |
| LLC Resonant Voltage Multiplier-Based Differential Power Processing Converter Using Voltage Divider with Reduced Voltage Stress for Series-Connected Photovoltaic Panels under Partial Shading | [114] | 99.6% | 1.2 kW |
| Nonisolated High Step-Up Soft-Switching DC–DC Converter with Interleaving and Dickson Switched-Capacitor Techniques | [115] | 97.9% | 1 kW |
| Input Current Ripple Reduction in a Step-Up DC–DC Switched-Capacitor Switched-Inductor Converter | [116] | 95% | 700 W |
| vC1(0) | vC2(0) | iL(0) | Initial Stored Energy |
|---|---|---|---|
| 10 | 0 | 0 | 10 |
| 9.80581 | 1.96116 | 0 | 10 |
| 9.28477 | 3.71391 | 0 | 10 |
| 8.57493 | 5.14496 | 0 | 10 |
| 7.80869 | 6.24695 | 0 | 10 |
| Capacitance of Capacitors C1 = C2 = C3 | 10 µF |
|---|---|
| Inductance L | 1 mH |
| MOSFET | IRFP4127PbF |
| Diodes (all 3) | APT60S20BG |
| Switching frequency | 50 kHz |
| Output load resistor R | 100 Ω |
Publisher’s Note: MDPI stays neutral with regard to jurisdictional claims in published maps and institutional affiliations. |
© 2022 by the authors. Licensee MDPI, Basel, Switzerland. This article is an open access article distributed under the terms and conditions of the Creative Commons Attribution (CC BY) license (https://creativecommons.org/licenses/by/4.0/).
Share and Cite
Rosas-Caro, J.C.; Mayo-Maldonado, J.C.; Valdez-Resendiz, J.E.; Alejo-Reyes, A.; Beltran-Carbajal, F.; López-Santos, O. An Overview of Non-Isolated Hybrid Switched-Capacitor Step-Up DC–DC Converters. Appl. Sci. 2022, 12, 8554. https://doi.org/10.3390/app12178554
Rosas-Caro JC, Mayo-Maldonado JC, Valdez-Resendiz JE, Alejo-Reyes A, Beltran-Carbajal F, López-Santos O. An Overview of Non-Isolated Hybrid Switched-Capacitor Step-Up DC–DC Converters. Applied Sciences. 2022; 12(17):8554. https://doi.org/10.3390/app12178554
Chicago/Turabian StyleRosas-Caro, Julio C., Jonathan C. Mayo-Maldonado, Jesus E. Valdez-Resendiz, Avelina Alejo-Reyes, Francisco Beltran-Carbajal, and Oswaldo López-Santos. 2022. "An Overview of Non-Isolated Hybrid Switched-Capacitor Step-Up DC–DC Converters" Applied Sciences 12, no. 17: 8554. https://doi.org/10.3390/app12178554
APA StyleRosas-Caro, J. C., Mayo-Maldonado, J. C., Valdez-Resendiz, J. E., Alejo-Reyes, A., Beltran-Carbajal, F., & López-Santos, O. (2022). An Overview of Non-Isolated Hybrid Switched-Capacitor Step-Up DC–DC Converters. Applied Sciences, 12(17), 8554. https://doi.org/10.3390/app12178554

