Classification with Fuzzification Optimization Combining Fuzzy Information Systems and Type-2 Fuzzy Inference
Abstract
1. Introduction
2. Materials and Methods
2.1. Materials
2.2. Methods
2.2.1. Fuzzy Sets and Interval Type-2 Fuzzy Sets
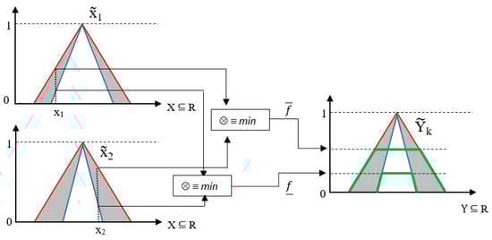
2.2.2. Mamdani Type-2 Fuzzy System
- 1)
- Compute the membership intervals of for each , , i = 1, …, I; n = 1, …, N
- 2)
- Compute the firing interval of the n-th rule:
- 3)
- Apply type reduction to combine with corresponding rule consequents.
2.2.3. Rule Induction with Information Systems
- Introduce an information system with decision attribute,
- Eliminate information system inconsistency, i.e., objects with the same information function values, but different decision values, applying lower or upper approximation precision analysis,
- Provide attribute reduct,
- Apply rule induction and define rules for all considered decisions, which cover the decision problem.
Inconsistency Elimination
| Algorithm 1 (inconsistency elimination algorithm): |
| Input:Inconsistent information system Output:Consistent information system Let xi and xj are casing inconsistency (xi, xj ∈ U) and let , then:
|

- 1)
- X1 = {x1, x3, x4, x6}; X2 = {x2, x5},
- 2)
- B↓X1= {x1, x3, x6},= 3/6 = 0.5; B↓X2 = {x5}, = 1/6 ≈ 0.17, which implies U = U\{x2}.
Rule Induction
| Algorithm 2 (rule induction algorithm): |
| Input:Information system with decision attribute Output:Corresponding decision rules Step 1: Generate Mk, k = 1, 2, …, |U| matrixes using the so-called discernibility matrix of the information system, denoted below as M(IS) and defined as: Step 3: Define the set of decision rules. |
- 1)
- If i ≠ k then
- 2)
- Ifandthen



- Implicant2 (M2): x2 ⇒ c,
- Implicant3 (M3): x3 ⇒ a,
- Implicant4 (M4): x4 ⇒ a ∧ c,
- Implicant5 (M5): x5 ⇒ a ∨ b.
- Rule2 = df. f(x2,c) ⇒ (decision: 1),
- Rule3 = df. f(x4,a) ∧ f(x4,c) ⇒ (decision: 2).
2.2.4. Type-1 Fuzzy Information System
- (f(object1, attribute1) ∧ f(object2, attribute1)) ∨ f(object3, attribute2),
- If ((f(object1, attribute1) is low) ⊗ (f(object2, attribute1) is high)) ⊕ (f(object3, attribute2) is medium) Then D.
2.2.5. Transformation into Type-2 Fuzzy Sets
2.2.6. Fuzzy Rules Optimization
- The number of Gaussian functions for fuzzification: {3, 5, 7, 9, 11}. The fuzzification procedure is as follows: generate the medium membership function and, next, the rest of the membership functions based on it. All Gaussians are transformed into type-2 fuzzy sets by changing the standard deviation value (called sigma_offset parameter). The sigma_offset defines the FOU of the corresponding IT2 fuzzy sets. The same value was applied for each Gaussian function.
- If the standard deviations applied to the Gaussians are the same or not: {equal, progressive}—progressive assumes the concentration of membership functions around the mean or central values. For 3 Gaussians, equal and progressive, give the same fuzzification result.
- If the mean of the medium basic function is derived directly from the corresponding data set or if a fixed value is used: {mean, center}—center assumes Gaussian distribution with fixed mean 0.5.
3. Results
4. Discussion
5. Conclusions
Author Contributions
Funding
Institutional Review Board Statement
Informed Consent Statement
Conflicts of Interest
References
- Bertsimas, D.; Dunn, J.; Pawlowski, C.; Zhuo, Y.D. Robust Classification. Inf. J. Optim. 2019, 1, 2–34. [Google Scholar] [CrossRef]
- Sarkar, S.K.; Oshiba, K.; Giebisch, D.; Singer, Y. Robust Classification of Financial Risk, NIPS 2018 Workshop on Challenges and Opportunities for AI in Financial Services: The Impact of Fairness, Explainability, Accuracy, and Privacy. arXiv 2018, arXiv:1811.11079. [Google Scholar]
- Zadeh, L. Fuzzy sets. Inf. Control 1965, 8, 338–353. [Google Scholar] [CrossRef]
- Mendel, J.M.; John, R.I. Type-2 fuzzy sets made simple. IEEE Trans. Fuzzy Syst. 2002, 10, 117–127. [Google Scholar] [CrossRef]
- Mendel, J.M. Type-2 Fuzzy Sets and Systems: How to Learn About Them. IEEE Smc Enewsletter 2009, 27, 1–7. [Google Scholar]
- Mendel, J.M. Uncertain Rule-Based Fuzzy Logic Systems: Introduction and New Directions; Prentice-Hall: Upper Saddle River, NJ, USA, 2001. [Google Scholar]
- Castillo, O.; Melin, P. Type-2 Fuzzy Logic Theory and Applications; Springer: Berlin, Germany, 2008. [Google Scholar]
- Hagras, H. A hierarchical type-2 fuzzy logic control architecture for autonomous mobile robots. Ieee Trans. Fuzzy Syst. 2004, 12, 524–539. [Google Scholar] [CrossRef]
- Hagras, H. Type-2 FLCs: A new generation of fuzzy controllers. Ieee Comput. Intell. Mag. 2007, 2, 30–43. [Google Scholar] [CrossRef]
- Wu, D.; Tan, W.W. Genetic learning and performance evaluation of type-2 fuzzy logic controllers. Eng. Appl. Artif. Intell. 2006, 19, 829–841. [Google Scholar] [CrossRef]
- Wu, D.; Tan, W.W. A simplified type-2 fuzzy controller for real-time control. ISA Trans. 2006, 15, 503–516. [Google Scholar]
- Pawlak, Z. Information systems—Theoretical foundations. Inf. Syst. 1981, 6, 205–218. [Google Scholar] [CrossRef]
- Pawlak, Z. Rough Sets: Theoretical Aspects of Reasoning about Data, System Theory, Knowledge Engineering and Problem Solving; Kluwer Academic Publishers: Dordrecht, The Netherlands, 1991; Volume 9. [Google Scholar]
- Pawlak, Z. Rough Sets; Basic notions, Report no 431; Institute of Computer Science, Polish Academy of Sciences: Warsaw, Poland, 1981. [Google Scholar]
- Halder, A.; Kumar, A. Active learning using rough fuzzy classifier for cancer prediction from microarray gene expression data. J. Biomed. Inform. 2019, 92, 1–13. [Google Scholar] [CrossRef] [PubMed]
- Onan, A. A fuzzy-rough nearest neighbor classifi-er combined with consistency-based subset evaluation and instance selection for automated diagnosis of breast cancer. Expert Syst. Appl. 2015, 42, 6844–6852. [Google Scholar] [CrossRef]
- Wang, C.; Chen, D.; Hu, Q. Fuzzy information systems and their homomorphisms. Fuzzy Sets Syst. 2014, 249, 128–138. [Google Scholar] [CrossRef]
- Dubois, D. The role of fuzzy sets in decision sciences: Old techniques and new directions. Fuzzy Sets Syst. 2011, 184, 3–28. [Google Scholar] [CrossRef]
- Lee, M.-C.; Chang, T. Rule Extraction Based on Rough Fuzzy Sets in Fuzzy Information Systems. Trans. Cci Iii Lncs 2011, 6560, 115–127. [Google Scholar]
- Ye, J.; Zhan, J.; Xu, Z. A novel decision-making approach based on three-way decisions in fuzzy information systems. Inf. Sci. 2020, 541, 362–390. [Google Scholar] [CrossRef]
- Cheruku, R.; Edla, D.R.; Kuppili, V.; Dharavath, R. RST-Bat-Miner: A fuzzy rule miner integrating rough set feature selection and bat optimization for detection of diabetes disease. Appl. Soft. Comput. 2018, 67, 764–780. [Google Scholar] [CrossRef]
- Dai, J.H.; Chen, J.L. Feature selection via normative fuzzy information weight with application into tumor classification. Appl. Soft Comput. 2020, 92, 106299. [Google Scholar] [CrossRef]
- Jensen, R.; Shen, Q. Semantics-preserving dimensionality reduction: Rough and fuzzy-rough-based approaches. Ieee Trans. Knowl. Data Eng. 2004, 16, 1457–1471. [Google Scholar] [CrossRef]
- Lin, Y.; Li, Y.; Wang, C.; Chen, J. Attribute reduction for multi-label learning with fuzzy rough set. Knowl. Based Syst. 2018, 152, 51–61. [Google Scholar] [CrossRef]
- Maji, P.; Garai, P. Fuzzy–Rough Simultaneous Attribute Selection and Feature Extraction Algorithm. Ieee Trans. Cybern. 2013, 43, 1166–1177. [Google Scholar] [CrossRef]
- Yu, G. Characterizations and uncertainty measurement of a fuzzy information system and related results. Soft Comput. 2020, 24, 12753–12771. [Google Scholar] [CrossRef]
- de Cock, M.; Cornelis, C.; Kerre, E.E. Fuzzy rough sets: The forgotten step. Ieee Trans. Fuzzy Syst. 2007, 15, 121–130. [Google Scholar] [CrossRef]
- Dubois, D.; Prade, H. Rough fuzzy sets and fuzzy rough sets. Int. J. Gen. Syst. 1990, 17, 191–209. [Google Scholar] [CrossRef]
- Mieszkowicz-Rolka, A.; Rolka, L. Fuzziness in information systems. In Electronic Notes in Theoretical Computer Science; Elsevier: Amsterdam, The Netherlands, 2003; Volume 82. [Google Scholar]
- Wu, W.; Mi, J.; Zhang, W. Generalized fuzzy rough sets. Inf. Sci. 2003, 151, 263–282. [Google Scholar] [CrossRef]
- Yeung, D.S.; Chen, D.G.; Tsang, E.; Lee, J.; Wang, X.Z. On the generalization of fuzzy rough sets. Ieee Trans. Fuzzy Syst. 2005, 13, 343–361. [Google Scholar] [CrossRef]
- Vluymans, S.; D’eer, L.; Saeys, Y.; Cornelis, C. Applications of Fuzzy Rough Set Theory in Machine Learning: A Survey. Fundam. Inform. 2015, 142, 53–86. [Google Scholar] [CrossRef]
- Tabakov, M.; Kwasnicka, H.; Kozak, P.; Dziegiel, P.; Pula, B. Recognition of HER-2/neu breast cancer cell membranes with fuzzy rough sets. Recent researches in medicine, biology and bioscience. In Proceedings of the 4th International Conference on Bioscience and Bioinformatics (ICBB ’13), Chania, Crete Island, Greece, 27–29 August 2013; WSEAS Press; pp. 169–176. [Google Scholar]
- Dua, D.; Graff, C. UCI Machine Learning Repository; University of California, School of Information and Computer Science: Irvine, CA, USA, 2019; Available online: http://archive.ics.uci.edu/ml (accessed on 31 December 2020).
- Yeh, I.C.; Yang, K.J.; Ting, T.M. Knowledge discovery on RFM model using Bernoulli sequence. Expert Syst. Appl. 2009, 36, 5866–5871. [Google Scholar] [CrossRef]
- Mangasarian, O.L.; Wolberg, W.H. Cancer diagnosis via linear programming. SIAM News 1990, 23, 1–18. [Google Scholar]
- Lyon, R.J.; Stappers, B.W.; Cooper, S.; Brooke, J.M.; Knowles, J.D. Fifty Years of Pulsar Candidate Selection: From simple filters to a new principled real-time classification approach. Mon. Not. R. Astron. Soc. 2016, 459, 1104–1123. [Google Scholar] [CrossRef]
- Khozeimeh, F.; Alizadehsani, R.; Roshanzamir, M.; Khosravi, A.; Layegh, P.; Nahavandi, S. An expert system for selecting wart treatment method. Comput. Biol. Med. 2017, 81, 167–175. [Google Scholar] [CrossRef]
- Little, M.A.; McSharry, P.E.; Roberts, S.J.; Costello, D.A.E.; Moroz, I.M. Exploiting Nonlinear Recurrence and Fractal Scaling Properties for Voice Disorder Detection. Biomed. Eng. Online 2007, 6. [Google Scholar] [CrossRef]
- Wu, D. On the Fundamental Differences Between Interval Type-2 and Type-1 Fuzzy Logic Controllers. IEEE Trans. Fuzzy Syst. 2012, 20, 832–848. [Google Scholar] [CrossRef]
- Skowron, A.; Suraj, Z. A Rough Set Approach to Real-Time State Identification for Decision Making; Institute of Computer Science Report 18/93; Warsaw University of Technology: Warsaw, Poland, 1993; p. 27. [Google Scholar]
- Skowron, A.; Suraj, Z. A Rough Set Approach to Real-Time State Identification. Bull. Eur. Assoc. Comput. Sci. 1993, 50, 264. [Google Scholar]
- Karnik, N.N.; Mendel, J.M.; Liang, Q. Type-2 fuzzy logic systems. IEEE Trans. Fuzzy Syst. 1999, 7, 643–658. [Google Scholar] [CrossRef]
- Bronstein, I.N.; Semendjajew, K.A.; Musiol, G.; Mühlig, H. Taschenbuch der Mathematik; Verlag Harri Deutsch: Frankfurt, Germany; Zurich, Switzerland, 2001; p. 1258. [Google Scholar]
- Wu, D. An overview of alternative type-reduction approaches for reducing the computational cost of interval type-2 fuzzy logic controllers. In Proceedings of the 2012 IEEE International Conference on Fuzzy Systems, Brisbane, Australia, 10–15 June 2012. [Google Scholar]
- Wu, D. Approaches for reducing the computational cost of interval type-2 fuzzy logic systems: Overview and comparisons. IEEE Trans. Fuzzy Syst. 2013, 21, 80–99. [Google Scholar] [CrossRef]
- Wu, D.; Mendel, J.M. Enhanced Karnik–Mendel algorithms. IEEE Trans. Fuzzy Syst. 2009, 17, 923–934. [Google Scholar]
- Wu, D.; Nie, M. Comparison and practical implementation of type reduction algorithms for type-2 fuzzy sets and systems. In Proceedings of the 2011 IEEE International Conference on Fuzzy Systems, Taipei, Taiwan, 27–30 June 2011; pp. 2131–2138. [Google Scholar]
- Peng, L.; Chen, W.; Zhou, W.; Li, F.; Yang, J.; Zhang, J. An immune-inspired semi-supervised algorithm for breast cancer diagnosis. Comput. Methods Programs Biomed. 2016, 134, 259–265. [Google Scholar] [CrossRef]
- Utomo, C.P.; Kardiana, A.; Yuliwulandari, R. Breast Cancer Diagnosis using Artificial Neural Networks with Extreme Learning Techniques. Int. J. Adv. Res. Artif. Intell. Ijarai 2014, 3, 10–14. [Google Scholar]
- Akay, A.F. Support vector machines combined with feature selection for breast cancer diagnosis. Expert Syst. Appl. 2009, 36, 3240–3247. [Google Scholar] [CrossRef]
- Kumar, G.R.; Nagamani, K. Banknote authentication system utilizing deep neural network with PCA and LDA machine learning techniques. Int. J. Recent Sci. Res. 2018, 9, 30036–30038. [Google Scholar]
- Kumar, C.; Dudyala, A.K. Bank note authentication using decision tree rules and machine learning techniques. In Proceedings of the 2015 International Conference on Advances in Computer Engineering and Applications, Ghaziabad, India, 19–20 March 2015; pp. 310–314. [Google Scholar]
- Jaiswal, R.; Jaiswal, S. Banknote Authentication using Random Forest Classifier. Int. J. Digit. Appl. Contemp. Res. 2019, 7, 1–4. [Google Scholar]
- Sarma, S.S. Bank Note Authentication: A Genetic Algorithm Supported Neural based Approach. Int. J. Adv. Res. Comput. Sci. 2016, 7, 97–102. [Google Scholar]
- Wang, Y.; Pan, Z.; Zheng, J.; Qian, L.; Li, M. A hybrid ensemble method for pulsar candidate classification. Astrophys. Space Sci. 2019, 8, 1–13. [Google Scholar] [CrossRef]
- Basarslan, M.S.; Kayaalp, F. A hybrid classification example in the diagnosis of skin disease with cryotherapy and immunotherapy treatment. In Proceedings of the 2018 2nd International Symposium on Multidisciplinary Studies and Innovative Technologies (ISMSIT), Ankara, Turkey, 19–21 October 2018. [Google Scholar]
- Cüvitoglu, A.; Isik, Z. Evaluation machine learning approaches for classification of cryotherapy and immunotherapy datasets. Int. J. Mach. Learn. Comput. 2018, 4, 331–335. [Google Scholar]
- Nilashi, M.; Ibrahim, O.; Ahmadi, H.; Shahmoradi, L. A knowledge-based system for breast cancer classification using fuzzy logic method. Telemat. Inform. 2017, 34, 133–144. [Google Scholar] [CrossRef]
- V, P.; Souza, d.; Torres, L.C.B.; Guimarães, A.J.; Araujo, V.S. Pulsar detection for wavelets SODA and regularized fuzzy neural networks based on andneuron and robust activation function. Int. J. Artif. Intell. Tools 2019, 28, 1950003. [Google Scholar]
- Souza, P.V.d.; Silva, G.R.L.; Torres, L.C.B. Uninorm based regularized fuzzy neural networks. In Proceedings of the 2018 IEEE conference on evolving and adaptive intelligent systems (EAIS), Rhodes, Greece, 25–27 May 2018; pp. 1–8. [Google Scholar]
- De Campos Souza, P.V. Pruning fuzzy neural networks based on unineuron for problems of classification of patterns. J. Intell. Fuzzy Syst. 2018, 35, 1–9. [Google Scholar]
- Guimarães, A.J.; Souza, P.V.d.; Araújo, V.J.S.; Rezende, T.S.; Araújo, V.S. Pruning Fuzzy Neural Network Applied to the Construction of Expert Systems to Aid in the Diagnosis of the Treatment of Cryotherapy and Immunotherapy. Big Data Cogn. Comput. 2019, 3, 22. [Google Scholar] [CrossRef]







| Benchmark | Number of Attributes | Number of Samples | Class Proportions |
|---|---|---|---|
| Blood Transfusion [35] | 7 | 748 | 76%/24% |
| Breast Cancer Data | 4 | 569 | 63%/37% |
| Breast Cancer Wisconsin [36] | 9 | 683 | 65%/35% |
| Data Banknote Authentication | 4 | 1372 | 56%/44% |
| Haberman | 3 | 305 | 73%/27% |
| Heart | 13 | 303 | 46%/54% |
| HTRU 2 [37] | 8 | 17898 | 9%/91% |
| Immunotherapy [38] | 7 | 90 | 79%/21% |
| Indian Liver Patient | 10 | 583 | 71%/29% |
| Ionosphere | 34 | 351 | 64%/36% |
| Parkinson [39] | 22 | 187 | 74%/26% |
| Pima Indians Diabetes | 8 | 768 | 65%/35% |
| Vertebral | 6 | 310 | 68%/32% |
| Attribute1 | Attribute2 | Attribute3 | … | Decision Attribute | |
|---|---|---|---|---|---|
| Object1 | {low, medium, high} | {low, medium, high} | {low, medium, high} | … | D1 |
| Object2 | {low, medium, high} | {low, medium, high} | {low, medium, high} | … | D2 |
| Object3 | {low, medium, high} | {low, medium, high} | {low, medium, high} | … | D3 |
| … | … | … | … | … | … |
| Attribute1 | Attribute2 | |
|---|---|---|
| Object1 | low | high |
| Object2 | medium | low |
| Object3 | medium | low |
| Object4 | high | high |
| Object5 | low | high |
![]() <3 Gausses, Equal, Center> | ![]() <3 Gausses, Equal, Mean> |
![]() <3 Gausses, Progressive, Center> | ![]() <3 Gausses, Progressive, Mean> |
![]() <5 Gausses, Equal, Center> | ![]() <5 Gausses, Equal, Mean> |
![]() <5 Gausses, Progressive, Center> | ![]() <5 Gausses, Progressive, Mean> |
![]() <7 Gausses, Equal, Center> | ![]() <7 Gausses, Equal, Mean> |
![]() <7 Gausses, Progressive, Center> | ![]() <7 Gausses, Progressive, Mean> |
![]() <9 Gausses, Equal, Center> | ![]() <9 Gausses, Equal, Mean> |
![]() <9 Gausses, Progressive, Center> | ![]() <9 Gausses, Progressive, Mean> |
![]() <11 Gausses, Equal, Center> | ![]() <11 Gausses, Equal, Mean> |
![]() <11 Gausses, Progressive, Center> | ![]() <11 Gausses, Progressive, Mean> |
| Data Set | k-Value |
|---|---|
| Blood Transfusion | 10 |
| Breast Cancer Data | 10 |
| Breast Cancer Wisconsin | 10 |
| Data Banknote Authentication | 10 |
| Haberman | 6 |
| Heart | 5 |
| HTRU 2 | 10 |
| Immunotherapy | 4 |
| Indian Liver Patient | 10 |
| Ionosphere | 6 |
| Parkinson | 4 |
| Pima Indians Diabetes | 10 |
| Vertebral | 5 |
| Data Set | Classification Accuracy | F-Score | Classifier |
|---|---|---|---|
| Blood Transfusion | 0.742 | 0.541 | <11 Gausses, Equal, Mean> |
| Breast Cancer Data | 0.918 | 0.912 | <7 Gausses, Progressive, Mean> |
| Breast Cancer Wisconsin | 0.961 | 0.957 | <3 Gausses, Equal, Center> or <3 Gausses, Progressive, Center> |
| Data Banknote Authentication | 0.99 | 0.993 | <9 Gausses, Progressive, Mean> |
| Haberman | 0.783 | 0.655 | <9 Gausses, Progressive, Mean> |
| Heart | 0.802 | 0.802 | <5 Gausses, Equal, Mean> |
| HTRU 2 | 0.968 | 0.89 | <9 Gausses, Progressive, Center> |
| Immunotherapy | 0.889 | 0.8 | <9 Gausses, Progressive, Mean> |
| Indian Liver Patient | 0.686 | 0.592 | <7 Gausses, Progressive, Mean> |
| Ionosphere | 0.896 | 0.888 | <7 Gausses, Equal, Mean> |
| Parkinson | 0.881 | 0.847 | <7 Gausses, Progressive, Center> |
| Pima Indians Diabetes | 0.732 | 0.677 | <11 Gausses, Progressive, Center> |
| Vertebral | 0.85 | 0.821 | <9 Gausses, Equal, Center> |
| Data Set | Our Approach | Other Classifiers |
|---|---|---|
| Breast Cancer Data | 0.912 | Immune-inspired semi-supervised Algorithm, introduced in [49]: 0.973 |
| Breast Cancer Wisconsin | 0.957 | Extreme Learning Machine Neural Networks, introduced in [50]: 0.978 Immune-inspired semi-supervised algorithm, introduced in [49]: 0.965 Support vector machines combined with Feature Selection, introduced in [51]: 0.997 |
| Data Banknote Authentication | 0.993 | Deep Neural Network with PCA and LDA, introduced in [52]: 0.99 Decision tree approach, introduced in [53]: 0.994 Random Forest approach, introduced in [54]: 0.948 Neural Network-Genetic Algorithm, introduced in [55]: 1 |
| HTRU 2 | 0.89 | Classical classifiers: C4.5: 0.74; MLP: 0.752; NB: 0.692; SVM: 0.789 GH-VFDT Algorithm, introduced in [37]: 0.862 A hybrid ensemble method, introduced in [56]: 0.918 (with respect to a voting threshold parameter) |
| Immunotherapy | 0.8 | A hybrid classification approach. introduced in [57]: 0.851 Considering evaluation of machine learning techniques [58]: 0.91 |
| Data Set | Our Approach | Fuzzy Classifiers |
|---|---|---|
| Breast Cancer Wisconsin | 0.961 | EM-PCA-CART-Fuzzy Rule-Based classification, introduced in [59]: 0.932 |
| HTRU 2 | 0.968 | Fuzzy neural network models: SORAF model [60]: 0.9597; models introduced in [61,62]: 0.961 and 0.952 respectively. |
| Immunotherapy | 0.889 | Fuzzy neural network approach, introduced in [63]: 84.32 |
Publisher’s Note: MDPI stays neutral with regard to jurisdictional claims in published maps and institutional affiliations. |
© 2021 by the authors. Licensee MDPI, Basel, Switzerland. This article is an open access article distributed under the terms and conditions of the Creative Commons Attribution (CC BY) license (https://creativecommons.org/licenses/by/4.0/).
Share and Cite
Tabakov, M.; Chlopowiec, A.; Chlopowiec, A.; Dlubak, A. Classification with Fuzzification Optimization Combining Fuzzy Information Systems and Type-2 Fuzzy Inference. Appl. Sci. 2021, 11, 3484. https://doi.org/10.3390/app11083484
Tabakov M, Chlopowiec A, Chlopowiec A, Dlubak A. Classification with Fuzzification Optimization Combining Fuzzy Information Systems and Type-2 Fuzzy Inference. Applied Sciences. 2021; 11(8):3484. https://doi.org/10.3390/app11083484
Chicago/Turabian StyleTabakov, Martin, Adrian Chlopowiec, Adam Chlopowiec, and Adam Dlubak. 2021. "Classification with Fuzzification Optimization Combining Fuzzy Information Systems and Type-2 Fuzzy Inference" Applied Sciences 11, no. 8: 3484. https://doi.org/10.3390/app11083484
APA StyleTabakov, M., Chlopowiec, A., Chlopowiec, A., & Dlubak, A. (2021). Classification with Fuzzification Optimization Combining Fuzzy Information Systems and Type-2 Fuzzy Inference. Applied Sciences, 11(8), 3484. https://doi.org/10.3390/app11083484





















