Susceptibility of Staphylococcus epidermidis to Argon Cold Plasma Jet by Oxygen Admixture
Abstract
1. Introduction
2. Materials and Experimental Setup
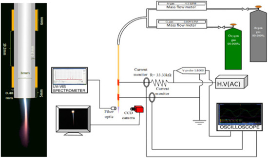
2.1. Non-Thermal APPJ System
2.2. Biological Measurements Set-Up
2.2.1. Test Organism
2.2.2. Treatments and Bacterial Count
3. Results and Discussion
3.1. The Effect of Oxygen Gas Mixing on ACPPJ
3.2. Anti-Bacterial Activity of Non-Thermal APPJ
4. Summary
Author Contributions
Funding
Institutional Review Board Statement
Informed Consent Statement
Data Availability Statement
Acknowledgments
Conflicts of Interest
References
- Brown, M.M.; Horswill, A.R. Staphylococcus epidermidis—Skin friend or foe? PLoS Pathog. 2020, 16, e1009026. [Google Scholar] [CrossRef]
- Guo, L.; Xu, R.; Gou, L.; Liu, Z.; Zhao, Y.; Liu, D.; Zhang, L.; Chen, H.; Kong, M.G. Mechanism of Virus Inactivation by cold atmospheric-pressure plasma and plasma-activated water. Appl. Environ. Microbiol. 2018, 84. [Google Scholar] [CrossRef] [PubMed]
- Xia, T.; Kleinheksel, A.; Lee, E.M.; Qiao, Z.; Wigginton, K.R.; Clack, H.L. Inactivation of airborne viruses using a packed bed non-thermal plasma reactor. J. Phys. D Appl. Phys. 2019, 52, 255201. [Google Scholar] [CrossRef] [PubMed]
- Kogelschatz, U. Dielectric-barrier discharges: Their history, discharge physics, and industrial applications. Plasma Chem. Plasma Process. 2003, 23, 1–46. [Google Scholar] [CrossRef]
- Tsigutkin, K.; Kroupp, E.; Stambulchik, E.; Osin, D.; Doron, R.; Arad, R.; Starobinets, A.; Maron, Y.; Uschmann, I.; Förster, E.; et al. Diagnostics and investigations of the plasma and field properties in pulsed-plasma configurations. IEEJ Trans. Fundam. Mater. 2004, 124, 501–508. [Google Scholar] [CrossRef][Green Version]
- Donko, Z.; Apai, P.; Szalai, L.; Rozsa, K.; Tobin, R. The segmented hollow cathode discharge: A pumping source for UV metal ion lasers. IEEE Trans. Plasma Sci. 1996, 24, 33–34. [Google Scholar] [CrossRef][Green Version]
- Mahony, C.M.O.; Gans, T.; Graham, W.G.; Maguire, P.D.; Petrović, Z.L. Ultrasmall radio frequency driven microhollow cathode discharge. Appl. Phys. Lett. 2008, 93, 11501. [Google Scholar] [CrossRef]
- Rauscher, H.; Perucca, M.; Buyle, G. Plasma Technology for Hyperfunctional Surfaces: Food, Biomedical and Textile Applications; Wiley: New York, NY, USA, 2010. [Google Scholar]
- Moisan, M.; Barbeau, J.; Crevier, M.-C.; Pelletier, J.; Philip, N.; Saoudi, B. Plasma sterilization. Methods and mechanisms. Pure Appl. Chem. 2002, 74, 349–358. [Google Scholar] [CrossRef]
- Lu, X.; Jiang, Z.; Xiong, Q.; Tang, Z.; Pan, Y. A single electrode room-temperature plasma jet device for biomedical applications. Appl. Phys. Lett. 2008, 92, 151504. [Google Scholar] [CrossRef]
- Laroussi, M.; Hynes, W.; Akan, T.; Lu, X.; Tendero, C. The plasma pencil: A source of hypersonic cold plasma bullets for biomedical applications. IEEE Trans. Plasma Sci. 2008, 36, 1298–1299. [Google Scholar] [CrossRef]
- Korolev, Y.D.; Mesyats, G.A. Physics of Pulsed Breakdown in Gases; Ural Division of the Russian Academy of Science: Ekaterinburg, Russia, 1998. [Google Scholar]
- Nan, J.; Ji, A.; Cao, Z. Atmospheric pressure plasma jet: Effect of electrode configuration, discharge behavior, and its formation mechanism. J. Appl. Phys. 2009, 106, 013308. [Google Scholar]
- Puač, N.; Maletić, D.; Lazović, S.; Malović, G.; Đorđević, A.; Petrović, Z. Current–voltage characteristics of atmospheric pressure plasma jet. Publ. Astron. Obs. Belgrade 2010, 89, 307–310. [Google Scholar]
- Xian, Y.; Wu, S.; Wang, Z.; Huang, Q.; Lu, X.; Kolb, J.F. Discharge dynamics and modes of an atmospheric pressure non-equilibrium air plasma jet. Plasma Process. Polym. 2013, 10, 372–378. [Google Scholar] [CrossRef]
- Wu, S.; Xu, H.; Lu, X.; Pan, Y. Effect of pulse rising time of pulse dc voltage on atmospheric pressure non-equilibrium plasma. Plasma Process. Polym. 2013, 10, 136–140. [Google Scholar] [CrossRef]
- Xian, Y.; Lu, X.; Tang, Z.; Xiong, Q.; Gong, W.; Liu, D.; Jiang, Z.; Pan, Y. Optical and electrical diagnostics of an atmospheric pressure room-temperature plasma plume. J. Appl. Phys. 2010, 107, 063308. [Google Scholar] [CrossRef]
- Feng, H.; Sun, P.; Chai, Y.; Tong, G.; Zhang, J.; Zhu, W.; Fang, J. The interaction of a direct-current cold atmospheric-pressure air plasma with bacteria. IEEE Trans. Plasma Sci. 2008, 37, 121–127. [Google Scholar] [CrossRef]
- Machala, Z.; Hensel, K.; Akishev, Y. Plasma for Bio-Decontamination, Medicine and Food Security; Springer: Berlin/Heidelberg, Germany, 2012. [Google Scholar]
- Lu, X.; Laroussi, M.; Puech, V. On atmospheric-pressure non-equilibrium plasma jets and plasma bullets. Plasma Sources Sci. Technol. 2012, 21, 034005. [Google Scholar] [CrossRef]
- Byrd, A.L.; Belkaid, Y.; Segre, J.A. The human skin microbiome. Nat. Rev. Microbiol. 2018, 16, 143–155. [Google Scholar] [CrossRef] [PubMed]
- Mariotti, D.; Shimizu, Y.; Sasaki, T.; Koshizaki, N. Gas temperature and electron temperature measurements by emission spectroscopy for an atmospheric microplasma. J. Appl. Phys. 2007, 101, 013307. [Google Scholar] [CrossRef]
- Becker, K.; Kogelschatz, U.; Schoenbach, K.; Barker, R. Non-Equilibrium Air Plasmas at Atmospheric Pressure; IOP: Bristol, UK, 2005. [Google Scholar]
- Basher, A.H.; Mohamed, A.-H. Laminar and turbulent flow modes of cold atmospheric pressure argon plasma jet. Polymers 2018, 9, 630. [Google Scholar] [CrossRef]
- Knake, N.; Reuter, S.; Niemi, K.; Der Gathen, V.S.-V.; Winter, J. Absolute atomic oxygen density distributions in the effluent of a microscale atmospheric pressure plasma jet. J. Phys. D Appl. Phys. 2008, 41. [Google Scholar] [CrossRef]
- Lu, X.; Naidis, G.; Laroussi, M.; Reuter, S.; Graves, D.; Ostrikov, K. Reactive species in non-equilibrium atmospheric-pressure plasmas: Generation, transport, and biological effects. Phys. Rep. 2016, 630, 1–84. [Google Scholar] [CrossRef]
- Boekema, B.; Stoop, M.; Vlig, M.; van Liempt, J.; Sobota, A.; Ulrich, M.; Middelkoop, E. Antibacterial and safety tests of a flexible cold atmospheric plasma device for the stimulation of wound healing. Appl. Microbiol. Biotechnol. 2021, 105, 2057–2070. [Google Scholar] [CrossRef] [PubMed]
- Matthes, R.; Lührman, A.; Holtfreter, S.; Kolata, J.; Radke, D.; Hübner, N.-O.; Assadian, O.; Kramer, A. Antibacterial activity of cold atmospheric pressure argon plasma against 78 genetically different (mecA, luk-P, agr or capsular polysaccharide type) staphylococcus aureus strains. Ski. Pharmacol. Physiol. 2016, 29, 83–91. [Google Scholar] [CrossRef]
- Song, S.H.; Park, K.U.; Lee, J.H.; Kim, E.C.; Kim, J.Q.; Song, J. Electrospray ionization-tandem mass spectrometry analysis of the mycolic acid profiles for the identification of common clinical isolates of mycobacterial species. J. Microbiol. Methods 2009, 77, 165–177. [Google Scholar] [CrossRef] [PubMed]
- Yu, H.; Perni, S.; Shi, J.; Wang, D.; Kong, M.; Shama, G. Effects of cell surface loading and phase of growth in cold atmospheric gas plasma inactivation of Escherichia coli K12. J. Appl. Microbiol. 2006, 101, 1323–1330. [Google Scholar] [CrossRef]
- Montie, T.; Kelly-Wintenberg, K.; Roth, J. An overview of research using the one atmosphere uniform glow discharge plasma (OAUGDP) for sterilization of surfaces and materials. IEEE Trans. Plasma Sci. 2000, 28, 41–50. [Google Scholar] [CrossRef]
- Ouf, S.A.; El-Adly, A.A.; Mohamed, A.-A.H. Inhibitory effect of silver nanoparticles mediated by atmospheric pressure air cold plasma jet against dermatophyte fungi. J. Med. Microbiol. 2015, 64, 1151–1161. [Google Scholar] [CrossRef][Green Version]
- Mohamed, A.-A.H.; Al-Mashraqi, A.A.; Shariff, S.M.; Benghanem, M.; Basher, A.H.; Ouf, S.A. Generation of large volume atmospheric pressure air plasma. IEEE Trans. Plasma Sci. 2014, 42, 2488–2489. [Google Scholar] [CrossRef]
- Laroussi, M.; Lu, X.; Malott, C.M. A non-equilibrium diffuse discharge in atmospheric pressure air. Plasma Sources Sci. Technol. 2003, 12, 53–56. [Google Scholar] [CrossRef]
- El-Sayed, W.; Ouf, S.; Mohamed, A.H. Deterioration to extinction of wastewater bacteria by non-thermal atmospheric pressure air plasma as assessed by 16s rDNA-DGGE fingerprinting. Front. Microbiol. 2015, 6, 1098. [Google Scholar] [CrossRef]
- Ohkawa, H.; Akitsu, T.; Tsuji, M.; Kimura, H.; Kogoma, M.; Fukushima, K. Pulse-modulated, high-frequency plasma sterilization at atmospheric-pressure. Surf. Coat. Technol. 2006, 200, 5829–5835. [Google Scholar] [CrossRef]
- Yang, L.; Chen, J.; Gao, J. Low temperature argon plasma sterilization effect on Pseudomonas aeruginosa and its mechanisms. J. Electrost. 2009, 67, 646–651. [Google Scholar] [CrossRef]
- Takeda, K.; Yamada, H.; Ishikawa, K.; Sakakita, H.; Kim, J.; Ueda, M.; Ikeda, J.-I.; Akimoto, Y.; Kataoka, Y.; Yokoyama, N.; et al. Systematic diagnostics of the electrical, optical, and physicochemical characteristics of low-temperature atmospheric-pressure helium plasma sources. J. Phys. D Appl. Phys. 2019, 52, 165202. [Google Scholar] [CrossRef]
- Suhem, K.; Matan, N.; Nisoa, M.; Matan, N. Inhibition of Aspergillus flavus on agar media and brown rice cereal bars using cold atmospheric plasma treatment. Int. J. Food Microbiol. 2013, 161, 107–111. [Google Scholar] [CrossRef] [PubMed]
- Critzer, F.J.; Kelly-Wintenberg, K.; South, S.L.; Golden, D.A. Atmospheric plasma inactivation of foodborne pathogens on fresh produce surfaces. J. Food Prot. 2007, 70, 2290–2296. [Google Scholar] [CrossRef] [PubMed]
- Fernández, A.; Noriega, E.; Thompson, A. Inactivation of salmonella enterica serovar typhimurium on fresh produce by cold atmospheric gas plasma technology. Food Microbiol. 2013, 33, 24–29. [Google Scholar] [CrossRef] [PubMed]
- Mendis, D.A.; Rosenberg, M.; Azam, F. A note on the possible electrostatic disruption of bacteria. IEEE Trans. Plasma Sci. 2000, 28, 1304–1306. [Google Scholar] [CrossRef]
- Nicol, M.J.; Brubaker, T.R.; Ii, B.J.H.; Simmons, A.N.; Kazemi, A.; Geissel, M.A.; Whalen, C.T.; Siedlecki, C.A.; Bilén, S.G.; Knecht, S.D.; et al. Antibacterial effects of low-temperature plasma generated by atmospheric-pressure plasma jet are mediated by reactive oxygen species. Sci. Rep. 2020, 10, 1–11. [Google Scholar] [CrossRef]







Publisher’s Note: MDPI stays neutral with regard to jurisdictional claims in published maps and institutional affiliations. |
© 2021 by the authors. Licensee MDPI, Basel, Switzerland. This article is an open access article distributed under the terms and conditions of the Creative Commons Attribution (CC BY) license (https://creativecommons.org/licenses/by/4.0/).
Share and Cite
Mohamed, A.-A.H.; Basher, A.H.; Almarashi, J.Q.M.; Ouf, S.A. Susceptibility of Staphylococcus epidermidis to Argon Cold Plasma Jet by Oxygen Admixture. Appl. Sci. 2021, 11, 3455. https://doi.org/10.3390/app11083455
Mohamed A-AH, Basher AH, Almarashi JQM, Ouf SA. Susceptibility of Staphylococcus epidermidis to Argon Cold Plasma Jet by Oxygen Admixture. Applied Sciences. 2021; 11(8):3455. https://doi.org/10.3390/app11083455
Chicago/Turabian StyleMohamed, Abdel-Aleam H., Abdulrahman H. Basher, Jamal Q. M. Almarashi, and Salama A. Ouf. 2021. "Susceptibility of Staphylococcus epidermidis to Argon Cold Plasma Jet by Oxygen Admixture" Applied Sciences 11, no. 8: 3455. https://doi.org/10.3390/app11083455
APA StyleMohamed, A.-A. H., Basher, A. H., Almarashi, J. Q. M., & Ouf, S. A. (2021). Susceptibility of Staphylococcus epidermidis to Argon Cold Plasma Jet by Oxygen Admixture. Applied Sciences, 11(8), 3455. https://doi.org/10.3390/app11083455

