Punching Shear Strength of Reinforced Concrete Flat Plates with GFRP Vertical Grids
Abstract
1. Introduction
2. Shear Strength Equations
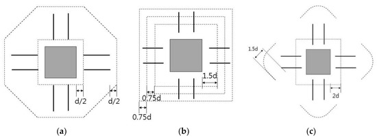
2.1. ACI Building Code (ACI 318–19)
- : the nominal shear strength provided by concrete (ACI 318) (kN).
- : the nominal shear strength (ACI 318) (kN).
- : the perimeter of the critical section (mm).
- d: the effective depth of the slab (mm).
- s: the spacing of the shear reinforcement (mm).
- : the modification factor to reflect the reduced mechanical properties of lightweight concrete.
- : the size effect factor.
- : the sectional area of the vertical strip of the GFRP grid (mm²).
- n: the number of vertical components of the vertical grid.
- : the tensile strength of the GFRP (MPa).
- : the thickness of the vertical grid (mm).
- : the width of the vertical grid (mm).
2.2. British Standard Code
2.3. Eurocode 2
3. Experimental Program
3.1. Materials
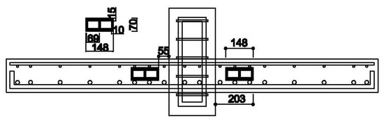
3.2. Specimen Details
- : yield line theory flexural strength (ACI 318-19) (kN).
- : flexural capacity of slab per unit width.
- c: side length of column.
- : ratio of tension reinforced bar.
- : compressive strength of concrete (MPa).
3.3. Set Up and Instrumentation
4. Test Results
4.1. Crack Patterns and Failure
4.2. Shear Reinforcement
4.3. Amount of Shear Reinforcement
4.4. Spacing of GFRP Vertical Strips
4.5. Comparison of Code Predictions and Experimental Results
5. Conclusions
- (1)
- The control specimen showed a cone-shaped, sharply sloped punching shear failure mode within the critical section that was 1/2 of the effective slab depth from the column face. The specimen with a GFRP plate reinforcement showed a cone-shaped failure with a gentle slope and the failure mode had wide critical sections.
- (2)
- The shear strength of the concrete flat plates shear reinforced with a GFRP exhibited an increase of an average of 30% compared with that of the specimen without shear reinforcement. That is, the GFRP plate shear reinforcement effectively resisted the punching shear.
- (3)
- The shear strength also appeared to increase with the amount of the GFRP plate. From the analysis of the shear strength attributed to the spacing of the vertical strips of the GFRP plate, the shear strength appeared to be the highest when the reinforcement spacing was 0.3d.
- (4)
- When comparing the test results with the computed shear strengths using the equations of ACI 318, BS 8110 and Eurocode 2, we found that BS 8110 with an average ratio of shear strength of 1.06 and a standard deviation of 0.15 and Eurocode 2 with an average ratio of shear strength of 1.16 and a standard deviation of 0.08 yielded shear strength values closer to the experimental values than ACI 318. This was because they incorporated the effects of the tension reinforcement ratio. ACI 318, with an average ratio of shear strength of 1.67 and a standard deviation of 0.12, underestimated the experiment results.
Author Contributions
Funding
Institutional Review Board Statement
Informed Consent Statement
Data Availability Statement
Conflicts of Interest
Nomenclature
| Sectional area of the vertical strip of the GFRP plate | |
| Perimeter of the critical section | |
| c | Side length of the square column |
| d | Effective depth of the slab |
| Specified compressive strength of the concrete | |
| Specified tensile strength of the GFRP plate | |
| Flexural capacity of the slab per unit width | |
| n | Number of vertical components of the GFRP plate |
| Yield line theory flexural strength | |
| s | Center-to-center spacing of the shear reinforcement |
| Thickness of the FRP plate | |
| Nominal shear strength provided by the concrete | |
| Nominal shear strength provided by the concrete | |
| Nominal shear strength provided by the concrete | |
| Nominal shear strength provided by the GFRP plate | |
| Nominal shear strength provided by the GFRP plate | |
| Nominal shear strength provided by the GFRP plate | |
| Nominal punching shear strength | |
| Nominal punching shear strength | |
| Nominal punching shear strength | |
| Width of the FRP plate | |
| Ratio of the tension reinforced bar | |
| Modification factor to reflect the reduced mechanical properties of lightweight concrete relative to the normal weight concrete of the same compressive strength. | |
| Factor used to modify the shear strength based on the effects of member depth, commonly referred to as the size effect factor. |
References
- Karayannis, C.G.; Kosmidou, P.M.K.; Chalioris, C.E. Reinforced concrete beams with carbon fiber reinforced polymer bars-experimental study. Fibers 2018, 6, 99. [Google Scholar] [CrossRef]
- Kosmidou, P.M.K.; Chalioris, C.E.; Karayannis, C.G. Flexural/shear strength of RC beams with longitudinal FRP bars an analytical approach. Comput. Concr. 2018, 22, 573–592. [Google Scholar]
- Moradi, E.; Naderpour, H.; Kheyroddin, A. An experimental approach for shear strengthening of RC beams using a proposed technique by embedded through-section FRP sheets. Compos. Struct. 2020, 238, 111988. [Google Scholar] [CrossRef]
- Chalioris, C.E.; Zapris, A.G.; Karayannis, C.G. U-jacketing applications of Fiber reinforced polymers in reinforced concrete t-beams against shear-test and design. Fibers 2020, 8, 13. [Google Scholar] [CrossRef]
- Bouguerra, K.; Ahmed, E.A.; El-Gamal, S.; Benmokrane, B. Testing of full scale concrete bridge deck slabs reinforced with fiber-reinforced polymer (FRP) bars. Constr. Build. Mater. 2011, 25, 3956–3965. [Google Scholar] [CrossRef]
- Hassan, M.; Ahmed, E.A.; Benmokrane, B. Punching shear behavior of two way slabs reinforced with FRP shear reinforcement. J. Compos. Constr. 2015, 19, 04014030. [Google Scholar] [CrossRef]
- Meisami, M.H.; Mostofinejad, D.; Nakamura, H. Punching shear strengthening of two-way flat slabs using CFRP rods. Compos. Struct. 2013, 99, 112–122. [Google Scholar] [CrossRef]
- Soudki, K.; El-Sayed, A.K.; Vanzwol, T. Strengthening of concrete slab-column connections using CFRP strips. J. King Saud. Univ. Eng. Sci. 2012, 24, 25–33. [Google Scholar] [CrossRef]
- Amiri, S.; Talaeitaba, S.B. Punching shear strengthening of flat slabs with EBROG and EBRIG-FRP strips. Structures 2020, 26, 139–155. [Google Scholar] [CrossRef]
- Ruggieri, S.; Porco, F.; Uva, G. A numerical procedure for modeling the floor deformability in seismic analysis of existing RC buildings. J. Build. Eng. 2018, 19, 273–284. [Google Scholar] [CrossRef]
- Ruggieri, S.; Porco, F.; Uva, G. A practical approach for estimating the floor deformability in existing RC buildings: Evaluation of the effects in the structural response and seismic fragility. Bull. Earthq. Eng. 2020, 18, 2083–2113. [Google Scholar] [CrossRef]
- ACI 318 Committee. Building Code Requirements for Reinforced Concrete and Commentary (ACI 318-19); American Concrete Institute: Farmington Hills, MI, USA, 2011. [Google Scholar]
- British Standards Institution. BS 8110: Structural Use of Concrete, Part. 1: Code of Practice for Design and Construction; British Standards Institution: London, UK, 1997. [Google Scholar]
- British Standards Institution. Eurocode 2: Design of Concrete Structures, Part 1-1: General Rules and Rules for Buildings; British Standards Institution: London, UK, 2005. [Google Scholar]
- Kim, D.J.; Kim, M.S.; Choi, J.; Kim, H.; Scanlon, A.; Lee, Y.H. Concrete Beams with Fiber-Reinforced Polymer Shear Reinforcement. ACI Struct. J. 2014, 111, 903–912. [Google Scholar] [CrossRef]
- Marzouk, H.; Hussein, A. Experimental Investigations on the Behavior of High-Strength Concrete Slabs. ACI Struct. J. 1992, 88, 107–713. [Google Scholar]
- Collins, M.P.; Kuchma, D.K. How Safe Are Our Large Lightly Reinforced Beams, Slabs, and Footings. ACI Struct. J. 1999, 96, 482–490. [Google Scholar]
- Johansen, K.W. Yield Line Formulae for Slabs; CRC Press: Boca Raton, FL, USA, 1962. [Google Scholar]
- Lips, S.; Ruiz, M.F.; Muttoni, A. Experimental Investigation on Punching Strength and Deformation Capacity of Shear-Reinforced Slabs. ACI Struct. J. 2012, 109, 889–900. [Google Scholar]
- Park, H.G.; Choi, K.K.; Chung, L. Strain-based strength model for direct punching shear of interior slab-column connections. Eng. Struct. 2011, 33, 1062–1073. [Google Scholar] [CrossRef]
- Yang, J.M.; Yoon, Y.S.; Cook, W.D.; Mitchell, D. Punching Shear Behavior of Two-Way Slabs Reinforced with High-Strength Steel. ACI Struct. J. 2010, 107, 468–475. [Google Scholar]











| Type | Diameter (mm) | Tensile Strength (MPa) | Elastic Modulus (GPa) |
|---|---|---|---|
| Flexural reinforcing bar | 22 | 500 | 200 |
| Steel stirrup | 9.5 | 400 | 200 |
| GFRP | - | 480 | 50 |
| Specimen | Slab Characteristics | Shear Reinforcement | Calculated Values | |||||||||
|---|---|---|---|---|---|---|---|---|---|---|---|---|
(MPa) | Slab Size (mm) | Column Size (mm) | h (mm) | d (mm) | ρ (%) | (MPa) | s/d | Amount of Reinforcement (kN) | (kN) | (kN) | ||
| Control | 21 | 2000 2000 | 250 250 | 180 | 138 | 2.2 | - | - | - | - | 1252 | 374 |
| G-184B | 480 | 384 | 0.5 | 184 | 1252 | 368 | ||||||
| G-184C | 384 | 0.75 | 184 | 1252 | 351 | |||||||
| G-246A | 512 | 0.3 | 246 | 1252 | 429 | |||||||
| G-246B | 512 | 0.5 | 246 | 1252 | 391 | |||||||
| G-246C | 512 | 0.75 | 246 | 1252 | 384 | |||||||
| G-307A | 640 | 0.3 | 307 | 1252 | 466 | |||||||
| G-307B | 640 | 0.5 | 307 | 1252 | 415 | |||||||
| G-369B | 768 | 0.5 | 369 | 1252 | 449 | |||||||
| Design Condes | |||||
|---|---|---|---|---|---|
| Shear Strength | Size Effect | Reinforcement Ratio | Critical Perimeter | GFRP Vertical Grid | |
| ACI 318–19 | - | ||||
| BS 8110–97 | Or 1.25 | ||||
| Eurocode 2 | |||||
| Experiment | ACI 318-19 | BS 8110-97 | Eurocode 2 | ||||
|---|---|---|---|---|---|---|---|
| Specimen | (kN) | (kN) | (kN) | ||||
| Control | 450 | 374 | 1.20 | 397 | 1.13 | 315 | 1.43 |
| Specimens | Displacement (mm) | ||||
|---|---|---|---|---|---|
| ACI 318-19 | BS 8110-97 | EC2 | |||
| G-184B | 11.89 | 621 | 1.69 | 1.15 | 1.17 |
| G-184C | 10.35 | 612 | 1.75 | 1.00 | 1.22 |
| G-246A | 12.01 | 690 | 1.61 | 1.25 | 1.10 |
| G-246B | 14.16 | 635 | 1.62 | 1.03 | 1.13 |
| G-246C | 10.12 | 562 | 1.46 | 0.82 | 1.03 |
| G-307A | 15.42 | 815 | 1.90 | 1.30 | 1.31 |
| G-307B | 12.05 | 694 | 1.68 | 1.01 | 1.17 |
| G-369B | 16.82 | 753 | 1.68 | 0.95 | 1.18 |
| Average ratio | 1.67 | 1.06 | 1.16 | ||
| Standard deviation | 0.12 | 0.15 | 0.08 | ||
Publisher’s Note: MDPI stays neutral with regard to jurisdictional claims in published maps and institutional affiliations. |
© 2021 by the authors. Licensee MDPI, Basel, Switzerland. This article is an open access article distributed under the terms and conditions of the Creative Commons Attribution (CC BY) license (http://creativecommons.org/licenses/by/4.0/).
Share and Cite
Kim, M.S.; Lee, Y.H. Punching Shear Strength of Reinforced Concrete Flat Plates with GFRP Vertical Grids. Appl. Sci. 2021, 11, 2736. https://doi.org/10.3390/app11062736
Kim MS, Lee YH. Punching Shear Strength of Reinforced Concrete Flat Plates with GFRP Vertical Grids. Applied Sciences. 2021; 11(6):2736. https://doi.org/10.3390/app11062736
Chicago/Turabian StyleKim, Min Sook, and Young Hak Lee. 2021. "Punching Shear Strength of Reinforced Concrete Flat Plates with GFRP Vertical Grids" Applied Sciences 11, no. 6: 2736. https://doi.org/10.3390/app11062736
APA StyleKim, M. S., & Lee, Y. H. (2021). Punching Shear Strength of Reinforced Concrete Flat Plates with GFRP Vertical Grids. Applied Sciences, 11(6), 2736. https://doi.org/10.3390/app11062736

