Proportional Double Derivative Linear Quadratic Regulator Controller Using Improvised Grey Wolf Optimization Technique to Control Quadcopter
Abstract
1. Introduction
2. Mathematical Model of Quadrotor
- The structure of the quadrotor is rigid and symmetric.
- The propellers are rigid.
- Thrust and drag forces are proportional to the square of the rotor’s speed.
- The center of mass and the origin of the coordinate system coincide.
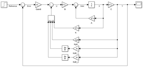
3. Controller Design
4. Nature-Inspired Optimization Algorithm
4.1. Overview of Grey Wolf Optimization (GWO) Algorithm
4.2. Improved Grey Wolf Optimization (IGWO) Algorithm
5. Result and Discussion
5.1. Performance Comparison between Improved Grey Wolf Optimization (IGWO) Proportional Double Derivative and Linear Quadratic Regulator (PD2-LQR) Controller with a Conventional Controller and Original GWO-Based Controller
5.2. Performance Comparison of IGWO PD2-LQR Controller with Different Quadrotor’s Parameters
5.3. Robustness Test
5.4. Summary
6. Conclusions
Author Contributions
Funding
Institutional Review Board Statement
Informed Consent Statement
Data Availability Statement
Acknowledgments
Conflicts of Interest
References
- Badr, S.; Mehrez, O.; Kabeel, A.E. A design modification for a quadrotor UAV: Modeling, control and implementation. Adv. Robot. 2019, 33, 13–32. [Google Scholar] [CrossRef]
- Jiang, F.; Pourpanah, F.; Hao, Q. Design, Implementation, and Evaluation of a Neural-Network-Based Quadcopter UAV Sys-tem. IEEE Trans. Ind. Electron. 2020, 67, 2076–2085. [Google Scholar] [CrossRef]
- Noormohammadi-Asl, A.; Esrafilian, O.; Arzati, M.A.; Taghirad, H.D. System identification and H∞-based control of quadrotor attitude. Mech. Syst. Signal Process. 2020, 135, 106358. [Google Scholar] [CrossRef]
- Hasseni, S.-E.-I.; Abdou, L.; Glida, H.-E. Parameters tuning of a quadrotor PID controllers by using nature-inspired algorithms. Evol. Intell. 2019, 1–13. [Google Scholar] [CrossRef]
- Khatoon, S.; Nasiruddin, I.; Shahid, M. Design and Simulation of a Hybrid PD-ANFIS Controller for Attitude Tracking Control of a Quadrotor UAV. Arab. J. Sci. Eng. 2017, 42, 5211–5229. [Google Scholar] [CrossRef]
- Xiu, C.; Liu, F.; Xu, G. General model and improved global sliding mode control of the four-rotor aircraft. Proc. Inst. Mech. Eng. Part I J. Syst. Control. Eng. 2017, 232, 383–389. [Google Scholar] [CrossRef]
- Kuantama, E.; Vesselenyi, T.; Dzitac, S.; Tarca, R. PID and Fuzzy-PID Control Model for Quadcopter Attitude with Disturbance Parameter. Int. J. Comput. Commun. Control. 2017, 12, 519–532. [Google Scholar] [CrossRef]
- El Gmili, N.; Mjahed, M.; el Kari, A.; Ayad, H. Particle Swarm Optimization and Cuckoo Search-Based Approaches for Quadrotor Control and Trajectory Tracking. Appl. Sci. 2019, 9, 1719. [Google Scholar] [CrossRef]
- Burggräf, P.; Martínez, A.R.P.; Roth, H.; Wagner, J. Quadrotors in factory applications: Design and implementation of the quadrotor’s P-PID cascade control system. SN Appl. Sci. 2019, 1, 722. [Google Scholar] [CrossRef]
- Erkol, H.O. Attitude controller optimization of four-rotor unmanned air vehicle. Int. J. Micro Air Veh. 2017, 10, 42–49. [Google Scholar] [CrossRef]
- Abdelhay, S.; Zakriti, A. Modeling of a Quadcopter Trajectory Tracking System Using PID Controller. Procedia Manuf. 2019, 32, 564–571. [Google Scholar] [CrossRef]
- Okyere, E.; Bousbaine, A.; Poyi, G.T.; Joseph, A.K.; Andrade, J.M. LQR controller design for quad-rotor helicopters. J. Eng. 2019, 2019, 4003–4007. [Google Scholar] [CrossRef]
- Martins, L.; Cardeira, C.; Oliveira, P. Linear Quadratic Regulator for Trajectory Tracking of a Quadrotor. IFAC-PapersOnLine 2019, 52, 176–181. [Google Scholar] [CrossRef]
- Shah, J.; Okasha, M.; Faris, W. Gain scheduled integral linear quadratic control for quadcopter. Int. J. Eng. Technol. 2018, 7, 81–85. [Google Scholar] [CrossRef]
- Jia, Z.; Yu, J.; Mei, Y.; Chen, Y.; Shen, Y.; Ai, X. Integral backstepping sliding mode control for quadrotor helicopter under external uncertain disturbances. Aerosp. Sci. Technol. 2017, 68, 299–307. [Google Scholar] [CrossRef]
- Basri, M.A.M.; Husain, A.R.; Danapalasingam, K.A. Nonlinear Control of an Autonomous Quadrotor Unmanned Aerial Vehicle using Backstepping Controller Optimized by Particle Swarm Optimization. J. Eng. Sci. Technol. Rev. 2015, 8, 39–45. [Google Scholar] [CrossRef]
- Mofid, O.; Mobayen, S. Adaptive sliding mode control for finite-time stability of quad-rotor UAVs with parametric uncertainties. ISA Trans. 2018, 72, 1–14. [Google Scholar] [CrossRef]
- Castillo-Zamora, J.J.; Camarillo-Gomez, K.A.; Perez-Soto, G.I.; Rodriguez-Resendiz, J. Comparison of PD, PID and Sliding-Mode Position Controllers for V–Tail Quadcopter Stability. IEEE Access 2018, 6, 38086–38096. [Google Scholar] [CrossRef]
- Pan, F.; Liu, L.; Xue, D. Optimal PID controller design with Kalman filter for Qball-X4 quad-rotor unmanned aerial vehicle. Trans. Inst. Meas. Control. 2017, 39, 1785–1797. [Google Scholar] [CrossRef]
- Tanveer, M.; Ahmed, S.F.; Hazry, D.; Warsi, F.A.; Joyo, M.K. Stabilized controller design for attitude and altitude controlling of quad-rotor under disturbance and noisy condi-tions. Am. J. Appl. Sci. 2013, 10, 819–831. [Google Scholar] [CrossRef]
- Moreno-Valenzuela, J.; Perez-Alcocer, R.; Guerrero-Medina, M.; Dzul, A. Nonlinear PID-Type Controller for Quadrotor Trajectory Tracking. IEEE/ASME Trans. Mechatron. 2018, 23, 2436–2447. [Google Scholar] [CrossRef]
- Zhi, Y.; Li, G.; Song, Q.; Yu, K.; Zhang, J. Flight control law of unmanned aerial vehicles based on robust servo linear quadratic regulator and Kalman filtering. Int. J. Adv. Robot. Syst. 2017, 14. [Google Scholar] [CrossRef]
- Alkamachi, A.; Erçelebi, E. H∞ control of an overactuated tilt rotors quadcopter. J. Central South Univ. 2018, 25, 586–599. [Google Scholar] [CrossRef]
- Bonna, R.; Camino, J. Trajectory Tracking Control of a Quadrotor Using Feedback Linearization. In Proceedings of the XVII International Symposium on Dynamic Problems of Mechanics (DINAME), Natal, Brazil, 22–27 February 2015. [Google Scholar]
- Huo, X.; Huo, M.; Karimi, H.R. Attitude Stabilization Control of a Quadrotor UAV by Using Backstepping Approach. Math. Probl. Eng. 2014, 2014, 1–9. [Google Scholar] [CrossRef]
- Cömert, C.; Kasnakoğlu, C. Comparing and Developing PID and Sliding Mode Controllers for Quadrotor. Int. J. Mech. Eng. Robot. Res. 2017, 6, 194–199. [Google Scholar] [CrossRef]
- Mohammadi, M.; Shahri, A.M. Adaptive Nonlinear Stabilization Control for a Quadrotor UAV: Theory, Simulation and Experimentation. J. Intell. Robot. Syst. 2013, 72, 105–122. [Google Scholar] [CrossRef]
- Dou, J.; Kong, X.; Wen, B. Altitude and attitude active disturbance rejection controller design of a quadrotor unmanned aerial vehicle. Proc. Inst. Mech. Eng. Part G J. Aerosp. Eng. 2017, 231, 1732–1745. [Google Scholar] [CrossRef]
- Raza, S.; Gueaieb, W. Intelligent Flight Control of an Autonomous Quadrotor. Motion Control 2010, 1, 245–264. [Google Scholar]
- Xiang, T.; Jiang, F.; Hao, Q.; Cong, W. Adaptive flight control for quadrotor UAVs with dynamic inversion and neural networks. In Proceedings of the 2016 IEEE International Conference on Multisensor Fusion and Integration for Intelligent Systems (MFI), Baden-Baden, Germany, 19–21 September 2016. [Google Scholar]
- Kennedy, J.; Eberhart, R. Particle swarm optimization. In Proceedings of the ICNN’95- International Conference on Neural Networks, Perth, WA, Australia, 27 November–1 December 1995. [Google Scholar]
- Goldberg, D.E.; Holland, J.H. Genetic Algorithms and Machine Learning. Mach. Learn. 1988, 3, 95–99. [Google Scholar] [CrossRef]
- Dorigo, M.; Caro, G.D. Ant colony optimization: A new meta-heuristic. In Proceedings of the 1999 Congress on Evolutionary Computation-CEC99 (Cat. No. 99TH8406), Washington, DC, USA, 6–9 July 1999. [Google Scholar]
- Mohan, B.C.; Baskaran, R. A survey: Ant Colony Optimization based recent research and implementation on several engineering domain. Expert Syst. Appl. 2012, 39, 4618–4627. [Google Scholar] [CrossRef]
- Karaboga, D. An Idea Based on Honey Bee Swarm for Numerical Optimization; Technical Report-TR06; Erciyes University: Talas, Turkey, 2005. [Google Scholar]
- Karaboga, D.; Gorkemli, B.; Ozturk, C.; Karaboga, N. A comprehensive survey: Artificial bee colony (ABC) algorithm and applications. Artif. Intell. Rev. 2014, 42, 21–57. [Google Scholar] [CrossRef]
- Yang, X.; Suash, D. Cuckoo Search via Lévy flights. In Proceedings of the 2009 World Congress on Nature & Biologically Inspired Computing (NaBIC), Coimbatore, India, 9–11 December 2009. [Google Scholar]
- Joshi, A.S.; Kulkarni, O.; Kakandikar, G.; Nandedkar, V.M. Cuckoo Search Optimization—A Review. Mater. Today: Proc. 2017, 4, 7262–7269. [Google Scholar] [CrossRef]
- Saud, L.J.; Hasan, A.F. Design of an Optimal Integral Backstepping Controller for a Quadcopter. J. Eng. 2018, 24, 46–65. [Google Scholar] [CrossRef]
- Imane, S.; Mostafa, M.; Hassan, A.; Abdeljalil, E.K. Control of a quadcopter using reference model and genetic algorithm methods. In Proceedings of the 2015 Third World Conference on Complex Systems (WCCS), Marrakech, Morocco, 23–25 November 2015. [Google Scholar]
- Ding, L.; Wang, Z. A Robust Control for an Aerial Robot Quadrotor under Wind Gusts. J. Robot. 2018, 2018, 1–8. [Google Scholar] [CrossRef]
- Merabti, H.; Bouchachi, I.; Belarbi, K. Nonlinear model predictive control of quadcopter. In Proceedings of the 2015 16th International Conference on Sciences and Techniques of Automatic Control and Computer Engineering (STA), Monastir, Tunisia, 21–23 December 2015. [Google Scholar]
- Yazid, E.; Garratt, M.; Santoso, F. Position control of a quadcopter drone using evolutionary algorithms-based self-tuning for first-order Takagi–Sugeno–Kang fuzzy logic autopilots. Appl. Soft Comput. 2019, 78, 373–392. [Google Scholar] [CrossRef]
- Adriansyah, A.; Amin, S.H.M.; Minarso, A.; Ihsanto, E. Improvement of quadrotor performance with flight control system using particle swarm proportion-al-integral-derivative (PS-PID). J. Teknol. 2017, 79, 121–128. [Google Scholar]
- Nada El, G.; Ayad, H. Quadrotor Identification through the Cooperative Particle Swarm Optimization-Cuckoo Search Approach. Comput. Intell. Neurosci. CIN 2019, 2019, 10. [Google Scholar]
- Khuwaja, K.; Lighari, N.-U.-Z.; Tarca, I.C.; Tarca, R.C. PID Controller Tuning Optimization with Genetic Algorithms for a Quadcopter. Recent Innov. Mechatron. 2018, 5, 5. [Google Scholar] [CrossRef]
- Alkamachi, A.; Erçelebi, E. Modelling and Genetic Algorithm Based-PID Control of H-Shaped Racing Quadcopter. Arab. J. Sci. Eng. 2017, 42, 2777–2786. [Google Scholar] [CrossRef]
- Salgotra, R.; Singh, U.; Sharma, S. On the improvement in grey wolf optimization. Neural Comput. Appl. 2019, 32, 3709–3748. [Google Scholar] [CrossRef]
- Jayabarathi, T.; Raghunathan, T.; Adarsh, B.R.; Suganthan, P.N. Economic dispatch using hybrid grey wolf optimizer. Energy 2016, 111, 630–641. [Google Scholar] [CrossRef]
- Kamboj, V.K.; Bath, S.K.; Dhillon, J.S. Solution of non-convex economic load dispatch problem using Grey Wolf Optimizer. Neural Comput. Appl. 2016, 27, 1301–1316. [Google Scholar] [CrossRef]
- Sultana, U.; Khairuddin, A.B.; Mokhtar, A.S.; Zareen, N.; Sultana, B. Grey wolf optimizer based placement and sizing of multiple distributed generation in the distribution system. Energy 2016, 111, 525–536. [Google Scholar] [CrossRef]
- Nahak, N.; Mallick, R.K. Damping of power system oscillations by a novel DE-GWO optimized dual UPFC controller. Eng. Sci. Technol. Int. J. 2017, 20, 1275–1284. [Google Scholar] [CrossRef]
- Zhang, S.; Zhou, Y. Grey Wolf Optimizer Based on Powell Local Optimization Method for Clustering Analysis. Discret. Dyn. Nat. Soc. 2015, 2015, 1–17. [Google Scholar] [CrossRef]
- Emary, E.; Zawbaa, H.M.; Hassanien, A.E. Binary grey wolf optimization approaches for feature selection. Neurocomputing 2016, 172, 371–381. [Google Scholar] [CrossRef]
- Das, K.R.; Das, D.; Das, J. Optimal tuning of PID controller using GWO algorithm for speed control in DC motor. In Proceedings of the 2015 International Conference on Soft Computing Techniques and Implementations (ICSCTI), Faridabad, India, 8–10 October 2015. [Google Scholar]
- Kuppusamy, M.S.; Sivasubramanian, M.; Pannerselvam, G.; Jebasingh Kirubakaran, S.J. Grey wolf optimization algorithm based speed control of three phase induction motor. Int. J. Comput. Technol. Appl. 2016, 9, 3889–3895. [Google Scholar]
- Yadav, S.; Verma, S.; Nagar, S. Optimized PID Controller for Magnetic Levitation System. IFAC-PapersOnLine 2016, 49, 778–782. [Google Scholar] [CrossRef]
- Ramadan, H. Optimal fractional order PI control applicability for enhanced dynamic behavior of on-grid solar PV systems. Int. J. Hydrogen Energy 2017, 42, 4017–4031. [Google Scholar] [CrossRef]
- Yusof, Y.; Mustaffa, Z. Time Series Forecasting of Energy Commodity Using Grey Wolf Optimizer. In Proceedings of the 2015 International Multi Conference of Engineers and Computer Scientists (IMECS’15), Hong Kong, China, 18 March 2015. [Google Scholar]
- Biyanto, T.R.; Afdanny, N.; Alfarisi, M.S.; Haksoro, T.; Kusumaningtyas, S.A. Optimization of acid gas sweetening plant based on least squares—Support Vector Machine (LS-SVM) Model and Grey Wolf Optimizer (GWO). In Proceedings of the 2016 International Seminar on Sensors, Instrumentation, Measurement and Metrology (ISSIMM), Malang, Indonesia, 10–11 August 2016. [Google Scholar]
- Zainal, N.A.; Mustaffa, Z. Developing a gold price predictive analysis using Grey Wolf Optimizer. In Proceedings of the 2016 IEEE Student Conference on Research and Development (SCOReD), Kuala Lumpur, Malaysia, 13–14 December 2016. [Google Scholar]
- Zhang, S.; Zhou, Y. Template matching using grey wolf optimizer with lateral inhibition. Optik 2017, 130, 1229–1243. [Google Scholar] [CrossRef]
- Sujatha, K.; Punithavathani, D.S. Optimized ensemble decision-based multi-focus imagefusion using binary genetic Grey-Wolf optimizer in camera sensor networks. Multimed. Tools Appl. 2017, 77, 1735–1759. [Google Scholar] [CrossRef]
- Dudani, K.; Chudasama, A. Partial discharge detection in transformer using adaptive grey wolf optimizer based acoustic emission technique. Cogent Eng. 2016, 3, 1256083. [Google Scholar] [CrossRef]
- Zhang, S.; Zhou, Y.; Li, Z.; Pan, W. Grey wolf optimizer for unmanned combat aerial vehicle path planning. Adv. Eng. Softw. 2016, 99, 121–136. [Google Scholar] [CrossRef]
- Khalilpourazari, S.; Khalilpourazary, S. Optimization of production time in the multi-pass milling process via a Robust Grey Wolf Optimizer. Neural Comput. Appl. 2016, 29, 1321–1336. [Google Scholar] [CrossRef]
- Karnavas, Y.L.; Chasiotis, I.E. PMDC coreless micro-motor parameters estimation through Grey Wolf Optimizer. In Proceedings of the 2016 XXII International Conference on Electrical Machines (ICEM), Lausanne, Switzerland, 4–7 September 2016. [Google Scholar]
- Verma, S.K.; Yadav, S.; Nagar, S.K. Optimization of Fractional Order PID Controller Using Grey Wolf Optimizer. J. Control. Autom. Electr. Syst. 2017, 28, 314–322. [Google Scholar] [CrossRef]
- Song, X.; Tang, L.; Zhao, S.; Zhang, X.; Li, L.; Huang, J.; Cai, W. Grey Wolf Optimizer for parameter estimation in surface waves. Soil Dyn. Earthq. Eng. 2015, 75, 147–157. [Google Scholar] [CrossRef]
- Doukhi, O.; Fayjie, A.R.; Lee, D.J. Intelligent Controller Design for Quad-Rotor Stabilization in Presence of Parameter Variations. J. Adv. Transp. 2017, 2017, 1–10. [Google Scholar] [CrossRef]
- Rubí, B.; Pérez, R.; Morcego, B. A Survey of Path Following Control Strategies for UAVs Focused on Quadrotors. J. Intell. Robot. Syst. 2020, 98, 241–265. [Google Scholar] [CrossRef]
- Doukhi, O.; Lee, D.J. Neural Network-based Robust Adaptive Certainty Equivalent Controller for Quadrotor UAV with Un-known Disturbances. Int. J. Control Autom. Syst. 2019, 17, 2365–2374. [Google Scholar] [CrossRef]
- Barikbin, B.; Fakharian, A. Trajectory tracking for quadrotor UAV transporting cable-suspended payload in wind presence. Trans. Inst. Meas. Control. 2019, 41, 1243–1255. [Google Scholar] [CrossRef]
- Miranda-Colorado, R.; Aguilar, L.T. Robust PID control of quadrotors with power reduction analysis. ISA Trans. 2020, 98, 47–62. [Google Scholar] [CrossRef]
- Nguyen, N.P.; Hong, S.K. Sliding Mode Thau Observer for Actuator Fault Diagnosis of Quadcopter UAVs. Appl. Sci. 2018, 8, 1893. [Google Scholar] [CrossRef]
- Wu, Y.; Hu, K.; Sun, X.-M.; Yuhu, W.; Kaijian, H.; Ximing, S. Modeling and Control Design for Quadrotors: A Controlled Hamiltonian Systems Approach. IEEE Trans. Veh. Technol. 2018, 67, 11365–11376. [Google Scholar] [CrossRef]
- Dong, J.; He, B. Novel Fuzzy PID-Type Iterative Learning Control for Quadrotor UAV. Sensors 2018, 19, 24. [Google Scholar] [CrossRef]
- Siti, I.; Mjahed, M.; Ayad, H.; El Kari, A. New Trajectory Tracking Approach for a Quadcopter Using Genetic Algorithm and Reference Model Methods. Appl. Sci. 2019, 9, 1780. [Google Scholar] [CrossRef]
- Thanh, H.L.N.N.; Hong, S.K. Quadcopter Robust Adaptive Second Order Sliding Mode Control Based on PID Sliding Surface. IEEE Access 2018, 6, 66850–66860. [Google Scholar] [CrossRef]
- Thanh, H.; Hong, S.K. Robust Dynamic Sliding Mode Control-Based PID–Super Twisting Algorithm and Disturbance Observer for Second-Order Nonlinear Systems: Application to UAVs. Electronics 2019, 8, 760. [Google Scholar]
- Moussa, L. Robust Integral Terminal Sliding Mode Control for Quadrotor UAV with External Disturbances. Int. J. Aerosp. Eng. 2019, 2019, 1–10. [Google Scholar]
- Nadda, S.; Swarup, A. On adaptive sliding mode control for improved quadrotor tracking. J. Vib. Control. 2018, 24, 3219–3230. [Google Scholar] [CrossRef]
- Ru, P.; Subbarao, K. Nonlinear Model Predictive Control for Unmanned Aerial Vehicles. Aerospace 2017, 4, 31. [Google Scholar] [CrossRef]
- Mirjalili, S.; Mirjalili, S.M.; Lewis, A. Grey Wolf Optimizer. Adv. Eng. Softw. 2014, 69, 46–61. [Google Scholar] [CrossRef]
- Tanveer, M.H.; Hazry, D.; Ahmed, S.F.; Joyo, M.K.; Warsi, F.A.; Kamarudin, H.; Wan, K.; Razlan, Z.M.; Hussain, A.T. Feedback sensor noise rejection control strategy for quadrotor UAV system. AIP Conf. Proc. 2015, 1660, 070053. [Google Scholar] [CrossRef]
- Li, J.; Li, Y. Dynamic analysis and PID control for a quadrotor. In Proceedings of the 2011 IEEE International Conference on Mechatronics and Automation, Beijing, China, 7–10 August 2011. [Google Scholar]
- Rich, M.; Elia, N.; Jones, P.C. Design and implementation of an H∞ controller for a quadrotor helicopter. In Proceedings of the 21st Mediterranean Conference on Control and Automation, Platanias, Greece, 25–28 June 2013. [Google Scholar]
- Hong, S.K.; Nguyen, N.P. Position control of a hummingbird quadcopter augmented by gain scheduling. Int. J. Eng. Res. Technol. 2018, 11, 1485–1498. [Google Scholar]













| Model | Reference | Parameter | |||||||
|---|---|---|---|---|---|---|---|---|---|
| Mass, m (kg) | Arm Length, L (meter) | Inertia x-Axis, Ix (kgm2) | Inertia y-Axis, Iy (kgm2) | Inertia z-Axis, Iz (kgm2) | Rotor Inertia, Jr (kgm2) | Thrust Coefficient, b (Ns2) | Drag Coefficient, d (Nms2) | ||
| 1 | [2] | 1.5000 | 0.1500 | 1.00 × 10−2 | 1.50 × 10−2 | 1.80 × 10−2 | 1.04 × 10−6 | 5.42 × 10−5 | 1.10 × 10−6 |
| 2 | [71] | 1.0230 | 0.2223 | 9.50 × 10−3 | 9.50 × 10−3 | 1.86 × 10−2 | 3.79 × 10−6 | 1.49 × 10−7 | 2.93 × 10−9 |
| 3 | [45] | 0.6500 | 0.2300 | 7.50 × 10−3 | 7.50 × 10−3 | 1.30 × 10−3 | 2.84 × 10−5 | 2.98 × 10−5 | 3.23 × 10−6 |
| 4 | [72] | 0.4500 | 0.1785 | 2.24 × 10−3 | 2.99 × 10−3 | 4.80 × 10−3 | 2.03 × 10−5 | 8.05 × 10−6 | 2.43 × 10−7 |
| 5 | [1] | 1.2500 | 0.2000 | 2.35 × 10−3 | 2.35 × 10−3 | 4.71 × 10−3 | 2.00 × 10−5 | 2.92 × 10−6 | 1.12 × 10−7 |
| 6 | [73] | 0.2000 | 0.5000 | 7.50 × 10−3 | 7.50 × 10−3 | 1.30 × 10−2 | 1.00 × 10−3 | 3.13 × 10−5 | 7.50 × 10−7 |
| 7 | [74] | 0.2850 | 0.1342 | 5.14 × 10−3 | 5.14 × 10−3 | 5.14 × 10−3 | 6.00 × 10−5 | - | 7.50 × 10−7 |
| 8 | [75] | 2.0000 | 0.2250 | 3.50 × 10−3 | 3.50 × 10−3 | 5.00 × 10−3 | 2.80 × 10−6 | 9.80 × 10−6 | 1.60 × 10−7 |
| 9 | [76] | 1.0230 | 0.2220 | 9.50 × 10−3 | 9.50 × 10−3 | 1.86 × 10−2 | 3.79 × 10−6 | 1.49 × 10−7 | 2.92 × 10−9 |
| 10 | [8] | 0.6500 | 0.4000 | 7.50 × 10−3 | 7.50 × 10−3 | 1.30 × 10−3 | 2.84 × 10−5 | 2.98 × 10−5 | 7.50 × 10−7 |
| 11 | [77] | 1.0000 | 0.2500 | 4.00 × 10−3 | 4.00 × 10−3 | 8.00 × 10−3 | - | - | - |
| 12 | [78] | 0.5300 | 0.4000 | 7.86 × 10−3 | 7.86 × 10−3 | 1.17 × 10−3 | 2.84 × 10−5 | 4.15E-5 | 7.5 × 10−7 |
| 13 | [79] | 1.1200 | 0.2300 | 1.19 × 10−2 | 1.19 × 10−2 | 2.23 × 10−2 | 8.50 × 10−4 | 7.73 × 10−6 | 1.28 × 10−7 |
| 14 | [80] | 1.1200 | 0.2300 | 1.19 × 10−2 | 1.19 × 10−2 | 2.23 × 10−2 | 8.50 × 10−4 | 7.73 × 10−6 | 1.28 × 10−7 |
| 15 | [81] | 0.4860 | 1.0000 | 3.83 × 10−3 | 3.83 × 10−3 | 7.66 × 10−3 | 2.84 × 10−5 | 2.98 × 10−3 | 3.23 × 10−2 |
| 16 | [21] | 1.7900 | 0.2000 | 3.00 × 10−2 | 3.00 × 10−2 | 4.00 × 10−2 | - | - | - |
| 17 | [41] | 1.9230 | 0.2053 | 9.40 × 10−2 | 9.40 × 10−2 | 8.60 × 10−2 | - | - | - |
| 18 | [82] | 0.2300 | 0.2300 | 7.50 × 10−3 | 7.50 × 10−3 | 1.30 × 10−2 | 6.00 × 10−5 | 3.13 × 10−5 | 7.50 × 10−7 |
| 19 | [5] | 0.6500 | 0.2300 | 7.50 × 10−3 | 7.50 × 10−3 | 1.30 × 10−2 | 6.00 × 10−5 | 3.13 × 10−5 | 7.50 × 10−7 |
| 20 | [83] | 0.8000 | 0.1650 | 2.24 × 10−2 | 2.24 × 10−2 | 4.36 × 10−2 | 1.04 × 10−6 | 5.42 × 10−5 | 1.10 × 10−6 |
| Controller | State | Roll | Pitch | Yaw | Altitude |
|---|---|---|---|---|---|
| PD | Proportional gain, KP | 0.935 | 0.935 | 1.4066 | 127.4166 |
| Derivative gain, KD | 0.4361 | 0.4361 | 0.5517 | 48.6953 | |
| PID | Proportional gain, KP | 2.0566 | 2.0566 | 2.0392 | 12.3688 |
| Integral gain, KI | 0.0423 | 0.0423 | 0.0479 | −0.0629 | |
| Derivative gain, KD | 0.4684 | 0.4684 | 0.4027 | 6.3616 | |
| LQR | Optimal LQR gain, K | [1 1.0505] | [1 1.0505] | [1 1.0129] | [1 1.8000] |
| State weighting matrix, Q | [I2 × 2] | [I2 × 2] | [I2 × 2] | [I2 × 2] | |
| Control weighting matrix, R | [1] | [1] | [1] | [1] | |
| P−LQR | Proportional gain, KP | −1.0084 | −1.0084 | −1.0105 | −1.0061 |
| PD−LQR | Proportional gain, KP | −1.0067 | −1.0067 | −1.0062 | −1.1653 |
| Derivative gain, KD | −0.3446 | −0.3446 | −0.3633 | 16.2935 | |
| PD2−LQR | Proportional gain, KP | −1.0073 | −1.0073 | −1.0070 | −0.9609 |
| Derivative gain 1, KD1 | −0.1948 | −0.1948 | −0.1991 | 1.71 | |
| Derivative gain 2, KD2 | −0.1948 | −0.1948 | −0.1991 | 1.6958 | |
| GWO PD2−LQR | Proportional gain, KP | 0.5215 | 0.5215 | −0.7398 | −0.0365 |
| Derivative gain 1, KD1 | 2.5482 | 2.5482 | 3.8812 | 16.8081 | |
| Derivative gain 1, KD2 | 2.6989 | 2.6989 | 3.4329 | 9.4481 | |
| IGWO PD2−LQR | Proportional gain, KP | −0.6122 | −0.6122 | −0.5639 | −0.7704 |
| Derivative gain 1, KD1 | −2.9517 | −2.9517 | 2.2259 | 33.2581 | |
| Derivative gain 1, KD2 | 7.8656 | 7.8656 | 0.7634 | −6.5025 |
| Motion | Controller | Rise Time, s | Settling Time, s | Overshoot, % | Steady-State Error | RMSE |
|---|---|---|---|---|---|---|
| Roll | PD | 0.8081 | 1.4739 | 0.0003 | 0.0000 | 0.3983 |
| PID | 0.4097 | 0.7524 | 1.1111 | 0.0043 | 0.3770 | |
| LQR | 2.1045 | 3.4910 | 0.5358 | 0.0054 | 0.4562 | |
| P-LQR | 0.7936 | 1.4624 | 0.9776 | 0.0041 | 0.3884 | |
| PD-LQR | 0.7497 | 1.2859 | 0.4363 | 0.0041 | 0.3768 | |
| PD2-LQR | 0.7653 | 1.3093 | 0.5610 | 0.0042 | 0.3748 | |
| GWO PD2LQR | 0.0461 | 0.0839 | 0.0029 | 0.0028 | 0.2174 | |
| IGWO PD2LQR | 0.0317 | 0.0526 | 0.0077 | 0.0013 | 0.2207 | |
| Pitch | PD | 0.8073 | 1.4726 | 0.0003 | 0.0000 | 0.3975 |
| PID | 0.4120 | 0.7779 | 1.1391 | 0.0044 | 0.3780 | |
| LQR | 2.1047 | 3.4923 | 0.5360 | 0.0054 | 0.4567 | |
| P-LQR | 0.8024 | 1.4708 | 1.0229 | 0.0041 | 0.3898 | |
| PD-LQR | 0.7438 | 1.2702 | 0.4502 | 0.0041 | 0.3782 | |
| PD2-LQR | 0.7608 | 1.2951 | 0.6169 | 0.0043 | 0.3764 | |
| GWO PD2LQR | 0.0466 | 0.0847 | 0.0025 | 0.0029 | 0.2190 | |
| IGWO PD2LQR | 0.0322 | 0.0533 | 0.0081 | 0.0013 | 0.2224 | |
| Yaw | PD | 0.8167 | 1.4605 | 0.0511 | 0.0000 | 0.3683 |
| PID | 0.4096 | 0.7259 | 0.5967 | 0.0043 | 0.3416 | |
| LQR | 2.0923 | 3.4511 | 0.5720 | 0.0057 | 0.3983 | |
| P-LQR | 0.8162 | 1.4219 | 0.3872 | 0.0045 | 0.3225 | |
| PD-LQR | 0.8020 | 1.4009 | 0.3650 | 0.0036 | 0.3220 | |
| PD2-LQR | 0.7675 | 1.3394 | 0.3798 | 0.0037 | 0.3216 | |
| GWO PD2LQR | 0.0261 | 0.0468 | 0.0185 | 0.0024 | 0.1722 | |
| IGWO PD2LQR | 0.0182 | 0.0308 | 0.0018 | 0.0012 | 0.1751 | |
| Altitude | PD | 0.7904 | 1.4203 | 0.0279 | 0.0000 | 0.3234 |
| PID | 0.7621 | 1.2380 | 0.6035 | 0.0038 | 0.3256 | |
| LQR | 2.7063 | 4.4146 | 0.3441 | 0.0021 | 0.3702 | |
| P-LQR | 1.2440 | 3.9587 | 8.0415 | 0.0035 | 0.3246 | |
| PD-LQR | 0.7405 | 1.3420 | 1.0609 | 0.0036 | 0.3259 | |
| PD2-LQR | 0.7935 | 1.2534 | 0.6056 | 0.0039 | 0.3223 | |
| GWO PD2LQR | 0.1342 | 0.2203 | 0.0000 | 0.0034 | 0.3760 | |
| IGWO PD2LQR | 0.1365 | 0.2245 | 0.0000 | 0.0014 | 0.3754 |
| Motion | Controller | Rise Time | Settling Time | Overshoot | Steady-State Error | RMSE |
|---|---|---|---|---|---|---|
| Roll | PD | −96.0911 | −96.4446 | − | 2.38 × 105 | −44.9991 |
| PID | −92.4543 | −92.8493 | −98.6043 | −71.0674 | −41.9429 | |
| LQR | −98.5063 | −98.5081 | −98.5642 | −76.2831 | −51.7968 | |
| P−LQR | −95.5406 | −96.2304 | − | −67.7181 | −43.0985 | |
| PD−LQR | −95.2626 | −95.2549 | − | −67.6491 | −41.8819 | |
| PD2−LQR | −95.8027 | −95.8197 | −98.3135 | −38.8650 | −41.5298 | |
| GWO PD2LQR | −13.5046 | −16.3954 | − | −19.5313 | 1.7487 | |
| Pitch | PD | −96.0246 | −96.3925 | − | 2.40 × 105 | −44.4740 |
| PID | −92.4090 | −93.0263 | −98.5899 | −69.9172 | −41.6645 | |
| LQR | −98.4826 | −98.4885 | −98.4921 | −75.2416 | −51.4610 | |
| P−LQR | −95.4426 | −96.0992 | − | −67.0264 | −42.8584 | |
| PD−LQR | −95.1770 | −95.1591 | − | −67.7696 | −41.6426 | |
| PD2−LQR | −95.7131 | −95.7103 | −98.2828 | −65.8460 | −41.3285 | |
| GWO PD2LQR | −13.5868 | −16.6083 | − | −17.8541 | 1.7764 | |
| Yaw | PD | −97.7647 | −97.8964 | − | 5.47 × 104 | −52.6835 |
| PID | −95.4107 | −95.6372 | −99.6335 | −71.5243 | −49.2793 | |
| LQR | −99.1297 | −99.1103 | −99.6867 | −78.7864 | −56.4742 | |
| P−LQR | −97.4038 | −97.5356 | − | −72.7710 | −45.7161 | |
| PD−LQR | −97.7309 | −97.7916 | −99.5685 | −61.4476 | −45.8574 | |
| PD2−LQR | −97.5933 | −97.6424 | − | −39.5690 | −45.7575 | |
| GWO PD2LQR | −20.3889 | −22.1660 | − | −17.7509 | 1.7519 | |
| Altitude | PD | −82.4165 | −83.8590 | − | 1.22 × 102 | 16.6380 |
| PID | −80.0311 | −79.9060 | − | −62.6273 | 15.3320 | |
| LQR | −95.0667 | −95.0044 | − | 1387.5152 | 1.4674 | |
| P−LQR | −88.7388 | −94.0784 | −100.0000 | −51.7419 | 15.8266 | |
| PD−LQR | −80.8053 | −82.4873 | − | 1.6224 | 15.2307 | |
| PD2−LQR | −82.9823 | −82.2273 | − | −34.3908 | 16.3365 | |
| GWO PD2LQR | 1.9638 | 2.2561 | − | 37.4687 | −0.1553 |
| Model | Rise Time, s | Settling Time, s | Overshoot, % | Steady-State Error | RMSE | |||||||||||||||
|---|---|---|---|---|---|---|---|---|---|---|---|---|---|---|---|---|---|---|---|---|
| Roll | Pitch | Yaw | Altitude | Roll | Pitch | Yaw | Altitude | Roll | Pitch | Yaw | Altitude | Roll | Pitch | Yaw | Altitude | Roll | Pitch | Yaw | Altitude | |
| 1 | 0.038 | 0.046 | 0.020 | 0.184 | 0.064 | 0.075 | 0.035 | 0.302 | 0.000 | 0.007 | 0.000 | 0.000 | 0.001 | 0.001 | 0.001 | 0.000 | 0.248 | 0.270 | 0.186 | 0.390 |
| 2 | 0.030 | 0.030 | 0.020 | 0.150 | 0.048 | 0.048 | 0.032 | 0.247 | 0.000 | 0.000 | 0.000 | 0.000 | 0.001 | 0.001 | 0.001 | 0.000 | 0.225 | 0.225 | 0.193 | 0.401 |
| 3 | 0.027 | 0.027 | 0.006 | 0.123 | 0.046 | 0.046 | 0.011 | 0.205 | 0.015 | 0.015 | 0.000 | 0.000 | 0.001 | 0.001 | 0.002 | 0.001 | 0.213 | 0.213 | 0.112 | 0.370 |
| 4 | 0.017 | 0.019 | 0.011 | 0.096 | 0.028 | 0.031 | 0.018 | 0.153 | 0.000 | 0.000 | 0.000 | 0.000 | 0.001 | 0.002 | 0.002 | 0.004 | 0.180 | 0.192 | 0.153 | 0.349 |
| 5 | 0.020 | 0.020 | 0.015 | 0.165 | 0.037 | 0.037 | 0.028 | 0.268 | 0.028 | 0.028 | 0.016 | 0.000 | 0.001 | 0.001 | 0.001 | 0.001 | 0.179 | 0.179 | 0.151 | 0.402 |
| 6 | 0.018 | 0.018 | 0.018 | 0.064 | 0.030 | 0.030 | 0.030 | 0.105 | 0.000 | 0.000 | 0.000 | 0.000 | 0.001 | 0.001 | 0.001 | 0.001 | 0.188 | 0.188 | 0.180 | 0.301 |
| 7 | 0.028 | 0.028 | 0.011 | 0.079 | 0.045 | 0.045 | 0.018 | 0.131 | 0.041 | 0.041 | 0.000 | 0.000 | 0.003 | 0.003 | 0.002 | 0.001 | 0.221 | 0.221 | 0.156 | 0.328 |
| 8 | 0.019 | 0.019 | 0.012 | 0.215 | 0.031 | 0.031 | 0.021 | 0.354 | 0.023 | 0.023 | 0.007 | 0.000 | 0.001 | 0.001 | 0.001 | 0.001 | 0.189 | 0.189 | 0.156 | 0.394 |
| 9 | 0.030 | 0.030 | 0.020 | 0.150 | 0.052 | 0.052 | 0.032 | 0.247 | 0.000 | 0.000 | 0.000 | 0.000 | 0.002 | 0.002 | 0.001 | 0.000 | 0.225 | 0.225 | 0.193 | 0.401 |
| 10 | 0.034 | 0.034 | 0.006 | 0.123 | 0.063 | 0.063 | 0.011 | 0.205 | 0.000 | 0.000 | 0.000 | 0.000 | 0.001 | 0.001 | 0.002 | 0.001 | 0.188 | 0.188 | 0.112 | 0.370 |
| 11 | 0.020 | 0.020 | 0.014 | 0.149 | 0.032 | 0.032 | 0.024 | 0.245 | 0.000 | 0.000 | 0.012 | 0.000 | 0.001 | 0.001 | 0.001 | 0.001 | 0.193 | 0.193 | 0.169 | 0.401 |
| 12 | 0.020 | 0.020 | 0.009 | 0.103 | 0.033 | 0.033 | 0.016 | 0.162 | 0.018 | 0.018 | 0.000 | 0.000 | 0.001 | 0.001 | 0.002 | 0.004 | 0.195 | 0.195 | 0.110 | 0.364 |
| 13 | 0.032 | 0.032 | 0.022 | 0.153 | 0.052 | 0.052 | 0.036 | 0.248 | 0.000 | 0.000 | 0.000 | 0.000 | 0.001 | 0.001 | 0.002 | 0.001 | 0.235 | 0.235 | 0.198 | 0.399 |
| 14 | 0.032 | 0.032 | 0.022 | 0.153 | 0.052 | 0.052 | 0.036 | 0.248 | 0.000 | 0.000 | 0.000 | 0.000 | 0.001 | 0.001 | 0.002 | 0.001 | 0.235 | 0.235 | 0.198 | 0.399 |
| 15 | 0.009 | 0.009 | 0.014 | 0.104 | 0.016 | 0.016 | 0.023 | 0.175 | 0.000 | 0.000 | 0.000 | 0.000 | 0.001 | 0.001 | 0.001 | 0.001 | 0.147 | 0.147 | 0.167 | 0.359 |
| 16 | 0.056 | 0.056 | 0.029 | 0.195 | 0.092 | 0.092 | 0.048 | 0.328 | 0.000 | 0.000 | 0.000 | 0.000 | 0.001 | 0.001 | 0.001 | 0.003 | 0.290 | 0.290 | 0.222 | 0.406 |
| 17 | 0.097 | 0.097 | 0.048 | 0.199 | 0.155 | 0.155 | 0.085 | 0.318 | 0.000 | 0.000 | 0.000 | 0.000 | 0.002 | 0.002 | 0.001 | 0.005 | 0.352 | 0.352 | 0.258 | 0.397 |
| 18 | 0.027 | 0.027 | 0.018 | 0.074 | 0.046 | 0.046 | 0.030 | 0.125 | 0.015 | 0.015 | 0.000 | 0.000 | 0.001 | 0.001 | 0.001 | 0.003 | 0.213 | 0.213 | 0.180 | 0.313 |
| 19 | 0.027 | 0.027 | 0.018 | 0.123 | 0.046 | 0.046 | 0.030 | 0.205 | 0.015 | 0.015 | 0.000 | 0.000 | 0.001 | 0.001 | 0.001 | 0.001 | 0.213 | 0.213 | 0.180 | 0.370 |
| 20 | 0.053 | 0.053 | 0.032 | 0.131 | 0.084 | 0.084 | 0.055 | 0.219 | 0.000 | 0.000 | 0.001 | 0.000 | 0.001 | 0.001 | 0.000 | 0.001 | 0.286 | 0.286 | 0.225 | 0.398 |
Publisher’s Note: MDPI stays neutral with regard to jurisdictional claims in published maps and institutional affiliations. |
© 2021 by the authors. Licensee MDPI, Basel, Switzerland. This article is an open access article distributed under the terms and conditions of the Creative Commons Attribution (CC BY) license (http://creativecommons.org/licenses/by/4.0/).
Share and Cite
Shauqee, M.N.; Rajendran, P.; Suhadis, N.M. Proportional Double Derivative Linear Quadratic Regulator Controller Using Improvised Grey Wolf Optimization Technique to Control Quadcopter. Appl. Sci. 2021, 11, 2699. https://doi.org/10.3390/app11062699
Shauqee MN, Rajendran P, Suhadis NM. Proportional Double Derivative Linear Quadratic Regulator Controller Using Improvised Grey Wolf Optimization Technique to Control Quadcopter. Applied Sciences. 2021; 11(6):2699. https://doi.org/10.3390/app11062699
Chicago/Turabian StyleShauqee, Mohamad Norherman, Parvathy Rajendran, and Nurulasikin Mohd Suhadis. 2021. "Proportional Double Derivative Linear Quadratic Regulator Controller Using Improvised Grey Wolf Optimization Technique to Control Quadcopter" Applied Sciences 11, no. 6: 2699. https://doi.org/10.3390/app11062699
APA StyleShauqee, M. N., Rajendran, P., & Suhadis, N. M. (2021). Proportional Double Derivative Linear Quadratic Regulator Controller Using Improvised Grey Wolf Optimization Technique to Control Quadcopter. Applied Sciences, 11(6), 2699. https://doi.org/10.3390/app11062699

