Next Article in Journal
Experimental Investigation on the Behavior of Gravelly Sand Reinforced with Geogrid under Cyclic Loading
Previous Article in Journal
WAMs Based Eigenvalue Space Model for High Impedance Fault Detection
 
 
Font Type:
Arial Georgia Verdana
Font Size:
Aa Aa Aa
Line Spacing:
Column Width:
Background:
Article

Improving the Energy Efficiency of an Existing Building by Dynamic Numerical Simulation

by
Lelia Letitia Popescu
*,
Razvan Stefan Popescu
and
Tiberiu Catalina
Faculty of Building Services, Technical University of Construction of Bucharest, 66 Pache Protopopescu Blvd., RO-021414 Bucharest, Romania
*
Author to whom correspondence should be addressed.
Appl. Sci. 2021, 11(24), 12150; https://doi.org/10.3390/app112412150
Submission received: 17 November 2021 / Revised: 8 December 2021 / Accepted: 16 December 2021 / Published: 20 December 2021
(This article belongs to the Topic Soft Computing)

Abstract

:
Nowadays, the enhancement of the existing building stock energy performance is a priority. To promote building energy renovation, the European Committee asks Member States to define retrofit strategies, finding cost-effective solutions. This research aims to investigate the relationship between the initial characteristics of an existing residential buildings and different types of retrofit solutions in terms of final/primary energy consumption and CO2 emissions. A multi-objective optimization has been carried out using experimental data in DesignBuilder dynamic simulation tool.

1. Introduction

Today’s global concern is major climate change, which affects the entire planet, and therefore a strong emphasis on reducing greenhouse gases has been established. The rising of global temperatures rise has disastrous effects on nature, leading to irreversible changes in many ecosystems, thus affecting the biodiversity. All this will have enormous costs for the EU economy and will dramatically affect countries’ ability to produce food.
Recently constructed buildings in the EU under energy efficiency criteria represent only a small amount of the total stock of buildings, which is mainly comprised of buildings that are several decades old, long before the first EU energy efficiency directives. Therefore, energy rehabilitation work on existing buildings is of great interest nowadays, as it is an important way to reduce energy consumption, which is currently mainly supplied from conventional sources (fossil fuels). It is already observed at the European level that renovation and energy rehabilitation works represent twice the value obtained by the construction of new buildings.
The construction sector is the largest consumer of energy in Europe: 40% of final energy use. According to European data [1], 75% of the buildings are not energy efficient and out of the total of these buildings, only 0.4–1.2% of stock is renovated each year. Data are collected in 2016 in support of the proposal to revise Directive 2010/31/EU, on the occasion of the publication of “Clean Energy for All Europeans”, a package of measures to accelerate the transition to clean energy, in line with the commitment in terms of reducing CO2 emissions by at least 40% by 2030, modernizing the economy and creating the conditions for sustainable jobs and growth [1].
The need for the Union to achieve its energy efficiency targets at the Union level—expressed in primary and/or final energy consumption—should be clearly set out in the form of a target of at least 32.5% for 2030 [2].
Nowadays, many studies were focused on the retrofitting of the existing building stock due to the climate change issue, but this process is also affected by the cost–benefit analysis of energy efficiency methods [3], or indoor comfort of retrofitted buildings [4]. The effects of energy efficient measures on climate change due to CO2 emissions from the point of view of buildings’ service performance is of interest [5,6], as it is an important parameter. Existing HVAC (heating, ventilation, and air conditioning) systems using conventional fuels can be partially or completely replaced with ‘green energy’ HVAC systems.
As a function of climate change over time, it is a great challenge for both architects and engineers to obtain an optimal solution which can achieve minimal energy consumption while also ensuring indoor comfort for new buildings. This goal is even more difficult to achieve for existing buildings, where the degree of freedom is considerably lower. Therefore, a way to approach the accomplishment of degree of energy consumption decrease through different methods is with the help of dynamic simulation tools.
A good building refurbishment requires a proper combination between thermal insulation for different buildings’ envelope zones (walls, ceiling, floor, …), better thermal resistance windows, but also renewable energy systems to make the building sustainable within its environment, a graphical representation of passive house’s principles is shown in Figure 1.
In order to be considered a passive house [7,8], a new or retrofitted house should fulfill certain criteria, such as:
-
All opaque building components of the exterior envelope of the house must be very well-insulated, this means a heat transfer coefficient (U-value) of 0.15 W/(m2K) at the most;
-
Window frames must be well insulated and fitted with low-e glazing filled with argon or krypton to prevent heat transfer, this means a U-value of 0.80 W/(m2K) or less, with g-values around 50% (g-value = total solar transmittance, proportion of the solar energy available for the room);
-
At least 75% of the heat from the exhaust air should be transferred to the fresh air by means of a heat exchanger, allowing a good indoor air quality same time with saving energy;
-
All edges, corners, connections, and penetrations must be planned and executed with great care, so that thermal bridges can be avoided. Thermal bridge care should be considered, as they cannot be completely excluded, but they must be reduced as far as possible;
-
The space heating energy demand should not exceed 15 kWh/m2 year (considering square meter of net living space);
-
The total energy to be used for all domestic applications (heating, hot water, and domestic electricity) must not exceed 60 kWh/m2 year (considering square meter of net living space);
-
A maximum of 0.6 air changes per hour at 50 Pascal pressure should be achieved, and verified with on-site pressure testing (in both pressurized and depressurized states);
-
Thermal comfort must be met for all living areas during winter as well as in summer, with not more than 10% of the hours in a given year over 25 °C.
Zero, net zero, nearly zero, passive, plus [9,10] which is the optimal balance between energy efficient and economical solution, but also possible for an existing house by means of dynamical simulation, is our purpose for this study. Residential and tertiary ground source heat pumps are widely used and many studies are found in the literature, with sensitivity analysis [10,11]. Another very important issue in sizing a heat pump system is also to calculate the investment, so a technical–economic analysis is crucial [12].
Romanian regulations followed the European trend in the last decade, concerning energy savings and greenhouse gases (GHG) emissions for the building sector [13,14,15,16]. Additionally, as a Member State of the European Union since early 2007, our country developed its own methodology for buildings energy performance calculation [17], which is, at present, in a recast stage. According to new regulation [14], starting from January 2021, all new buildings or existing ones which are to undergo major repairs (works performed on the building envelope and/or building’s installations whose costs exceed 25% of the tax value of the building, exclusively the value of the land on which the building is located) have to be near zero energy buildings, but also to be provided with at least 30% of their consumption from renewable energy. The near zero energy concept in Romania, as well as Romania’s climate zones for the winter, were recently re-defined [13]. Romania has five climate zones for winter time, the mildest one, “the climate zone I” defined by a conventional exterior temperature of −12 °C and the coldest one, “the climate zone IV” defined by a conventional exterior temperature of −24 °C. The temperature difference between two consecutive climate zones is of −3 °C. The climate of Romania is temperate continental, with four seasons. Summers are generally very warm to hot, depending on the climate zone. Winters are frosty or very frosty, with snow precipitation for most climatic zones.

2. Case Study

The objectives of the present study are to study by means of dynamical simulation with DesignBuilder tool, an existing residential building, situated in the countryside zone of Romania, district of Prahova, having a −15 °C conventional temperature for winter time. Our aim is to determine the optimal balance between energy efficient and economical solutions possible for an existing house by means of dynamic simulation. The energy efficiency of existing house envelope is experimentally fully determined.
The net living space of the house is of 214 m2, between the ground floor and first floor. The studied house was built in the year 2008, in concordance with the Romanian regulations from that period, making it a real case study house. For indoor heating, the building is equipped with wood fuel type boiler. The hot water supply is represented by an electrical boiler and no cooling system is provided, as the building is located near the mountains, having a mild summer period. The studied house is inhabited by a family of four, a couple of retirees and a couple of young people. Due to the fact that the retired couple stay home all day long, the heating system works 24 h and seven days a week. It should also be mentioned that there are unheated/unoccupied spaces, namely: the garage, the technical room, the attic of the house, and the basement. The domestic hot water demand was calculated according to the Romania legislation [17], considering a 50 L per person and day hot water demand.
Our goal is to apply as many of the passive house requirements, as the existing building allows in order to reduce the building’s energy consumption. As already described, the study was conducted on dynamical simulation level using DesignBuilder tool [18], which allows the design of a perfect match, between the architecture of the existing building and the simulated model, as can be seen in Figure 2.

3. Simulations and Scenarios

The studied house’s envelope has the following component description: the walls are made of bricks and thermally insulated with 10 cm polystyrene (partially insulated), the ground floor upon the basement is made of concrete, the ceiling of the first floor is made of concrete also, and no thermal insulation. The windows have a U-value of 0.5 W/(m2K), according to Romanian Energy Standards from the period when they were bought. Measurements were conducted for the thermal performance of walls using TESTO 435 equipment for thermal resistance or U-values, as well as infrared TESTO 885-2 for thermal bridges discovery. Figure 3 shows measured U-value for different walls of the house, which were used to determine the mean U-value used in the dynamical simulations.
Being an existing house, the thermal bridges were also our concern, so thermal imager TESTO 885-2 equipment was used to determine their presence. Both thermal images presented in Figure 4 and Figure 5 show that thermal bridges are presented and should be taken into consideration in further rehabilitation.
Both thermal images and measurements of the U-value for building’s exterior walls concluded, that house retrofit is needed from the energy consumption point of view, as well as monthly paid bills for energy.
Concerning the building’s installations, the heating source is represented by a standard wood fuel boiler (a 70% boiler efficiency), made of cast iron, with natural circulation of evacuated gases. The hot water is obtained with an electric boiler, for the four people who presently occupy the house.

4. Simulations and Scenarios

Designbuilder is a powerful tool for building simulation, using EnergyPlus software for energetic simulations, natural lighting, comfort, and CO2 emissions. The architecture is built in 3D with a high matching level with the real building with its envelope (walls, windows, basement), as well as its interior zones. Introducing the building thermal zones, it is a very important step because we can introduce different temperatures for every created zone.
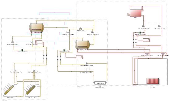
After the construction of the architecture, presented in Figure 2, the next step is to choose the HVAC scheme’s components from Designbuilder library [18] and to correlate then in order to create the real existing scheme, from the initial studied case. Figure 6 shows the heating and hot water supply systems scheme used in Designbuilder for the initial case.
For the retrofit case of the house, the following scenarios were simulated using the Designbuilder tool:
Scenario 1: The retrofit of the building’s envelope opaque components. The ‘before’ and ‘after’ of the envelope’s retrofit thermal performances are listed in Table 1. The exterior walls are partially insulated, so a mean thermal resistance is listed in the table; but in the simulation measured, the mean for each element was considered.
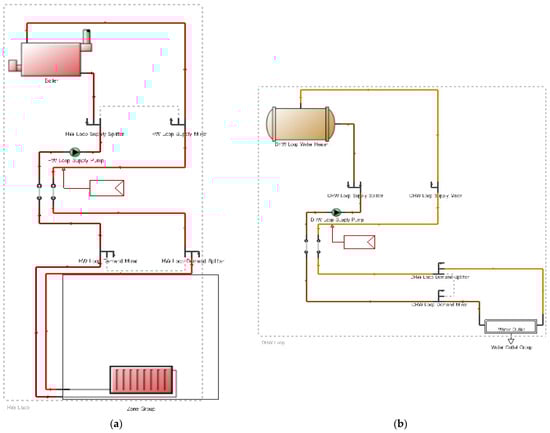
Scenario 2: As in Scenario 1, adding the exchange of well-insulated windows presented in Figure 7. For the heating system, there were not changes made. The wood fueled boiler was used to cover the hot water demand.
Scenario 3: Same as above—adding two flat solar panels, of 2 m2 surface each, were used for hot water supply.
Scenario 4: Adding thermal solar panels and photovoltaic panels (monocrystalline of 1.5 kWp installed power, on grid type), to cover total on-site electric sources, for the retrofit envelope’s case. Additionally, the envelope of the house is thermally insulated, the purpose being to obtain low energy consumption for the studied house.
These scenarios were taken into consideration, to be able to apply for the funding of the National Environmental Program (AFM), to improve energy efficiency of buildings. These funds are obtained only by reducing energy consumption and CO2 emissions, according to fixed levels imposed. Therefore, exploratory simulations using dynamic software are needed; later on, economic analysis for the investment is easier to obtain.

5. Results

The simulations using DesignBuilder software show all energy consumption—heating, cooling, lighting, domestic hot water, as well as renewable energy production—for the four presented rehabilitation solutions.
For the presented scenarios results are being presented in the table below:
Table 2 presents the results for the energy consumption decrease for every presented scenario analyzed. If only the envelope is thermally insulated, 11.63% of final energy is decreased; then, by adding to Scenario 1, the window replacement a 24.35% specific final energy decrease is obtained. Scenario 3 adds the thermal solar panel implementation to Scenario 2 and determines a 40.78% decrease of the specific final energy consumption. Scenario 4, the most complete one, brings a 44.84% decrease of specific final energy if added PV collectors are added. Concerning primary energy, 55.33% can be achieved for the best studied scenario. Carbon dioxide emissions are decreasing accordingly with maximum 56% for the last case study.
The PV yearly coverage of the electrical energy consumption is 99.5%, a good coverage degree being obtained.
The total energy class of the initial building is B, and the chosen retrofit scenario has an A energy class, according to Romanian methodology existing in the legislation [17]. According to Romanian Legislation [13] the NZEB (Near Zero Energy Building) situated in the same climate as our building (−15 °C conventional temperature for wintertime, climate zone II) should have a yearly primary energy consumption less than 111.0 kWh/m2 year and specific CO2 emission of 30 kg CO2/m2 year. For our best scenario, the yearly primary energy target could not be reached by almost 5%, but the specific yearly CO2 emissions were 7.7 times decreased because of the fact that renewable energies were used (biomass and solar). As a perspective maybe a heat pump should be investigated and taken into consideration; additionally, PV solar collectors can be added for heating and DHW (domestic hot water) purposes, with this renewable energy source.
An investment of 28 k euro was taken into account which includes building envelope complete rehabilitation and renewable energy systems implementation for Scenario 4. Concerning the building envelope rehabilitation, we took into account the external walls and windows, roof. The floors could not be isolated as it is an existing building and the free internal level high does not allow it. The economic viability depends on the local costs of energy for internal use and, in some countries, the often higher value per kW to sell back to the power grid. Without the benefits of the different ‘efficient energy’ programs in progress in Romania, the amortization is around 13 years, less than their life time, but this period can be significantly reduced by applying for one of the National Agency of Environmental Protection programs. The payback time was calculated according to Romanian legislation [17].

6. Conclusions

The initial case of the simulated building had a poorly thermal insulation envelope with high monthly energy consumption. The total energy class of this building according to Romanian legislation of buildings’ energy efficiency [17] was labeled “B”. The purpose of this research is to find measures to improve energy efficiency considering also renewable energy sources. The initial aim was to obtain a Near Zero Energy House (NZEB) but only some few percentage points are delimiting from this purpose, so we can conclude that a low energy house is simulated for the fourth scenario analyzed, the building being classed in energy label ‘A’. The Romanian Government’s target for the existing houses in the year 2020 was to improve energy efficiency by 40%, 50%, or 60% primary energy decrease founding by specific programs that are even now available [19]. Starting from the first of January 2021, the Romanian Government’s target changed and only NZEB buildings are allowed to be built.
A primary energy reduction of 55% is an acceptable savings, attained only by using PV and solar thermal collectors, as well as a thicker thermal insulation for the envelope. The final energy reduction between the initial case and the fourth scenario was 44.85% and the CO2 emissions decreased by 56%. The PV panels ensure 99.9% of the house’s electric energy consumption and the solar thermal collectors determine a 32% decrease in specific final energy consumption. Generally speaking, both the building’s envelope and use of renewable energy sources should be taken into account in order to achieve a near NZEB house, according to the dynamical simulations. These results should be further considered by the policy makers for future eligible funding of the government’s energy efficiency programs.
This study combined experimental work with numerical simulations, proving the importance of both sides in developing an energy strategy. The experimental data obtained by means of thermal images and building’s envelope components’ conductivity measurements describe the stage of the initial case and represent the incomes for the numerical simulations. Without the help of a dynamical simulation, the real energy consumption cannot be revealed, as the use of stationary heat transfer equations give a maximum instant energy consumption, which is reached few days over the year.
Further studies will take place to achieve a passive house with a lower energy consumption, with this case being a close perspective. In order to achieve that goal, ground source heat pumps, with active and/or passive cooling and a heat recovery unit for ventilation, should further studied.

Author Contributions

Conceptualization, L.L.P.; methodology, all authors; software, L.L.P.; validation, R.S.P.; formal analysis, T.C.; writing—original draft preparation, L.L.P.; writing—review and editing, L.L.P., R.S.P. and T.C. All authors have read and agreed to the published version of the manuscript.

Funding

This research was funded by The Technical University of Construction of Bucharest, Romania.

Institutional Review Board Statement

Not applied.

Informed Consent Statement

Not applied.

Data Availability Statement

Not applied.

Acknowledgments

The paper was elaborated within the research activities of the research grants: UTCB-CDI-2021-004 “The study of the indoor air quality- particle pollution” and UTCB-CDI-2021-005 “The study of the outdoor air quality from Bucharest, Romania based on pollution measurements”.

Conflicts of Interest

The authors declare no conflict of interest.

References

  1. Directive of the European Parliament and of the Council COM (2016) 765 Amending Directive 2010/31/EU on the Energy Performance of Buildings; European Commission: Brussels, Belgium, 2016.
  2. Directive (EU) 2018/2002 of the European Parliament and of the Council of 11 December 2018 amending Directive 2012/27/EU on Energy Efficiency. Available online: http://data.europa.eu/eli/dir/2018/2002/oj (accessed on 1 December 2021).
  3. Liu, Y.; Liu, T.; Ye, S.; Liu, Y. Cost-benefit analysis for Energy Efficiency Retrofit of existing buildings: A case study in China. J. Clean. Prod. 2018, 177, 493–506. [Google Scholar] [CrossRef]
  4. Penna, P.; Prada, A.; Cappelletti, F.; Gasparella, A. Multi-objectives optimization of Energy Efficiency Measures in existing buildings. Energy Build. 2015, 95, 57–69. [Google Scholar] [CrossRef]
  5. Pylsy, P.; Lylykangas, K.; Kurnitski, J. Buildings’ energy efficiency measures effect on CO2 emissions in combined heating, cooling and electricity production. Renew. Sustain. Energy Rev. 2020, 134, 110299. [Google Scholar] [CrossRef]
  6. Popescu, R.S.; Popescu, L.; Preda, A.; Limam, K. Using a geothermal heat pump for an office building with low energy consumption. Balt. J. 2020, 33, 39–45. [Google Scholar]
  7. Passive House Requirements. Available online: https://passiv.de/en/02_informations/02_passive-house-requirements/02_passive-house-requirements.htm (accessed on 1 December 2021).
  8. Primary Energy Renewable. Available online: https://passipedia.org/basics/energy_and_ecology/primary_energy_renewable_per (accessed on 1 December 2021).
  9. Molinari, M.; Lazzarotto, A.; Bjork, F. The Application of the Parametric Analysis for Improved Energy Design of a Ground Source Heat Pump for Residential Buildings; Elsevier: Amsterdam, The Netherlands, 2013; Volume 63. [Google Scholar]
  10. Casasso, A.; Sethi, R. Sensitivity Analysis on the Performance of a Ground Source Heat Pump Equipped with a Double U-Pipe Borehole Heat Exchanger. Energy Procedia 2014, 59, 301–308. [Google Scholar] [CrossRef] [Green Version]
  11. Michopoulos, A.; Kyriakis, N. The influence of a vertical ground heat exchanger length on the electricity consumption of the heat pumps. Renew. Energy 2010, 35, 1403–1407. [Google Scholar] [CrossRef]
  12. Blum, P.; Campillo, G.; Kölbel, T. Techno-economic and spatial analysis of vertical ground source heat pump systems in Germany. Energy 2011, 36, 3002–3011. [Google Scholar] [CrossRef]
  13. DesignBuilder Simulation Software. Available online: http://www.designbuilder.co.uk (accessed on 1 December 2021).
  14. ORDIN nr. 386 din 28 Martie 2016 Pentru Modificarea şi Completarea Reglementării Tehnice “Normativ Privind Calculul Termotehnic al Elementelor de Construcţie ale Clădirilor”, Indicativ C 107-2005, Aprobată Prin Ordinul Ministrului Transporturilor, Construcţiilor şi Turismului nr. 2.055/2005; Ministry of Transport, Constructions and Tourism: Bucharest, Romania, 2016.
  15. The Law Concerning the Buildings Energy Performance, no.372/2005 Re-Casted by the Law 101/2020, nr.868/23.09.2020; Romanian Official Monitor Part I: Bucharest, Romania, 2020.
  16. The Law no.121/2014 Concerning the Energy Efficiency, Recasted by the Law no.160/2016; Ministry of Transport, Constructions and Tourism: Bucharest, Romania, 2016.
  17. Order no.2641/2017 Concerning the Modification and Completion of the “Romanian Methodology for the Calculation of Buildings Energy Performance”—Mc001/1,2,3-2007; Ministry of Transport, Constructions and Tourism: Bucharest, Romania, 2017.
  18. Romanian Methodology for the Calculation of Buildings Energy Performance”—Mc001/1,2,3-2007, Approved by the Order of the Ministry of Transport, Constructions and Tourism no.157/2007; Ministry of Transport, Constructions and Tourism: Bucharest, Romania, 2007.
  19. Efficient Energy House Guide. Available online: https://www.afm.ro/casa_eficienta_energetic_ghid_finantare.php (accessed on 1 December 2021).
Figure 1. Basic structural principles for the construction of passive houses (with permission from [7]).
Figure 1. Basic structural principles for the construction of passive houses (with permission from [7]).
Applsci 11 12150 g001
Figure 2. (a) Real building photo; (b) DesignBuilder model.
Figure 2. (a) Real building photo; (b) DesignBuilder model.
Applsci 11 12150 g002
Figure 3. Measured U-value for different walls of the house with TESTO 435.
Figure 3. Measured U-value for different walls of the house with TESTO 435.
Applsci 11 12150 g003
Figure 4. Thermal image from the living room, from the inside of the house.
Figure 4. Thermal image from the living room, from the inside of the house.
Applsci 11 12150 g004
Figure 5. Thermal image from outside, ground floor area.
Figure 5. Thermal image from outside, ground floor area.
Applsci 11 12150 g005
Figure 6. (a) Heating of the initial case with wood boiler and radiators in Designbuilder; (b) Domestic hot water initial scheme in Designbuilder.
Figure 6. (a) Heating of the initial case with wood boiler and radiators in Designbuilder; (b) Domestic hot water initial scheme in Designbuilder.
Applsci 11 12150 g006
Figure 7. Heating and hot water supply systems schema used in Designbuilder for the third and fourth scenarios.
Figure 7. Heating and hot water supply systems schema used in Designbuilder for the third and fourth scenarios.
Applsci 11 12150 g007
Table 1. Thermal resistance for exterior walls.
Table 1. Thermal resistance for exterior walls.
Envelope’s ComponentThermal Resistance [m2K/W]
Initial CaseRetrofit Case
Insulated wall2.815.63
Not insulated wall0.915.63
Last floor ceiling0.925.11
Table 2. Final energy, primary energy, and CO2 emissions.
Table 2. Final energy, primary energy, and CO2 emissions.
Initial CaseScenario 1Scenario 2Scenario 3Scenario 4NZEB [13]
Romanian Climatic Zone II
Thermal energy consumption (kWh/m2 an)163.6140.8116.0108.0108.0
Thermal energy decrease compared to initial case (%)-14%29%33.95%33.95%
Electrical energy consumption (kWh/m2 year)32.3632.2932.247.990.04
Electrical energy decrease compared to initial case (%)-0.21%0.37%75.32%99.88%
Final energy specific economy (%)-11.63%24.35%40.78%44.84%
Conversion to primary energy
Fossil fuel (1) (kWh/m2 year)
176.7152.1125.3114.1116.7
Conversion to primary energy
Electric energy (2) (kWh/m2 year)
84.884.684.546.30.1
Yearly primary energy consumption
Total (1) + (2) (kWh/m2 year)
261.4236.7209.7160.4116.8111.0
Primary energy economy compared to initial case (%)-9.46%19.78%38.66%55.33%
CO2 emission (kg CO2/year)189217141521990837
Specific CO2 emission (kg CO2/m2 year)8.807.987.084.613.8930
CO2 emission decrease (%)-9%20%48%56%
Publisher’s Note: MDPI stays neutral with regard to jurisdictional claims in published maps and institutional affiliations.

Share and Cite

MDPI and ACS Style

Popescu, L.L.; Popescu, R.S.; Catalina, T. Improving the Energy Efficiency of an Existing Building by Dynamic Numerical Simulation. Appl. Sci. 2021, 11, 12150. https://doi.org/10.3390/app112412150

AMA Style

Popescu LL, Popescu RS, Catalina T. Improving the Energy Efficiency of an Existing Building by Dynamic Numerical Simulation. Applied Sciences. 2021; 11(24):12150. https://doi.org/10.3390/app112412150

Chicago/Turabian Style

Popescu, Lelia Letitia, Razvan Stefan Popescu, and Tiberiu Catalina. 2021. "Improving the Energy Efficiency of an Existing Building by Dynamic Numerical Simulation" Applied Sciences 11, no. 24: 12150. https://doi.org/10.3390/app112412150

APA Style

Popescu, L. L., Popescu, R. S., & Catalina, T. (2021). Improving the Energy Efficiency of an Existing Building by Dynamic Numerical Simulation. Applied Sciences, 11(24), 12150. https://doi.org/10.3390/app112412150

Note that from the first issue of 2016, this journal uses article numbers instead of page numbers. See further details here.

Article Metrics

Back to TopTop