Research on Real-Time Monitoring and Performance Optimization of Suspension System in Maglev Train
Abstract
:1. Introduction
- A framework for performance monitoring and performance optimization of the suspension system in maglev train is proposed. The framework consists of a nominal controller, a residual generator and a dynamic compensator. The nominal controller is used to stabilize the system and achieve tracking performance. The residual generator realizes the performance monitoring of the system and the dynamic compensator is used to realize the performance compensation and recovery;
- The observer-based residual generator is identified offline based on the data-driven method. The offline identification method does not need to know the accurate model of the system. During the operation of the system, the residual signal generated by the residual generator is monitored to distinguish disturbances and degradations of the suspension system, which provides strong support for performance evaluation and performance optimization;
- A data-driven performance optimization algorithm for the suspension system is designed. The algorithm can optimize the control performance of the system online when the system performance is unsatisfactory or even degraded;
- The validity of the proposed framework and algorithm is verified on a single suspension experimental platform.
2. Preliminaries
2.1. Data-Driven Residual Generator
2.2. Controller Based on Residual Generator
- The residual generator is integrated in the system and residual signal is generated in the operation, which can be used for process monitoring and further optimization of the controller;
- guarantees the stability of the closed-loop system. When is stable, the design of does not affect the stability of the system;
- When the system is subjected to unmodeled disturbances that cause changes in the input structure, will be activated to compensate system disturbance. When the system performance is degraded, is updated iteratively to restore the performance loss of the system.
3. Modelling and Nominal Controller of Suspension System
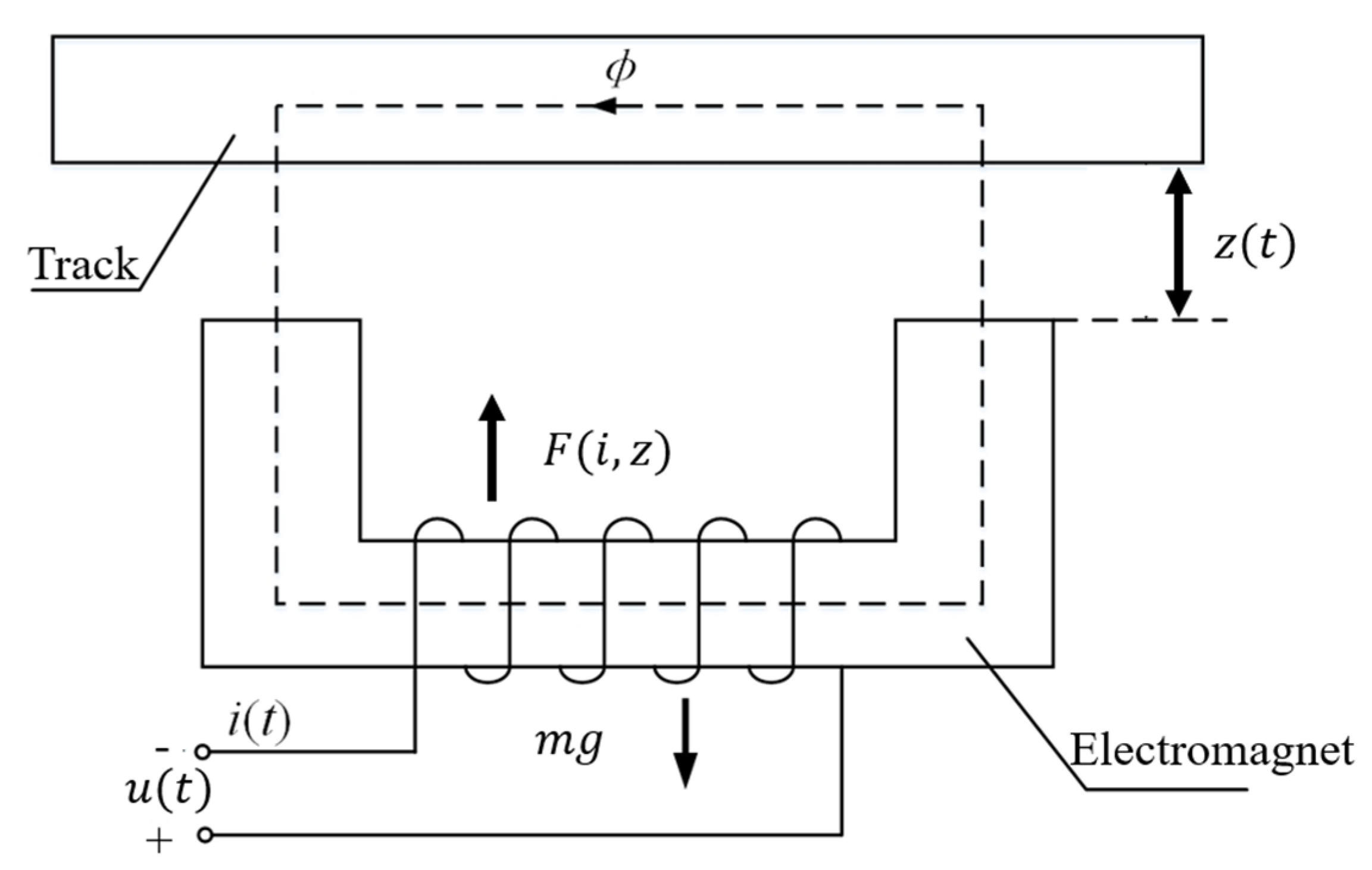
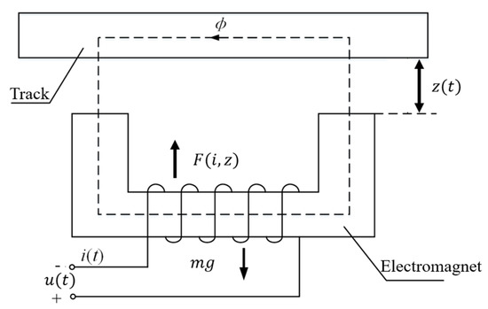
3.1. Model of Suspension System
3.2. Nominal Controller
4. Real-Time Performance Monitoring and Performance Evaluation
4.1. Problem Formulation
4.2. Realization of Data-Driven Residual Generator
4.3. Performance Evaluation and Classification
- Tiny degradation:. The degradation may be caused by parameter changes or external interference. Through the feedback control of the nominal controller, the train can still run safely and stably without any additional measures;
- Medium degradation: . This may be caused by changes in the component parameters of the suspension system (such as large load fluctuations, track irregularities, etc.). If medium degradation occurs, there is no need to stop the maglev train for overhaul, and one only needs to activate the online performance optimization algorithm;
- Severe degradation: or . This may be caused by component failure of the suspension system. At this stage, the train is very prone to breakdowns. At this time, the maglev train should be stopped and overhauled as soon as possible to prevent major safety accidents.
5. Control Performance Optimization Architecture
5.1. Quadratic Performance Index
5.2. Iterative Update of Parameter
6. Experimental Verification and Analysis
6.1. Experimental Device
6.2. Observer and Performance Optimization
7. Conclusions
Author Contributions
Funding
Institutional Review Board Statement
Informed Consent Statement
Conflicts of Interest
References
- Liu, Z.; Long, Z.; Li, X. Maglev Trains; Springer Tracts in Mechanical Engineering; Springer: Berlin, Germany, 2015. [Google Scholar]
- Wang, Z.; Long, Z.; Li, X. Levitation control of permanent magnet electromagnetic hybrid suspension maglev train. Proc. Inst. Mech. Eng. I J. Syst. Control Eng. 2018, 232, 315–323. [Google Scholar] [CrossRef]
- Domański, P.D.; Golonka, S.; Jankowski, R.; Kalbarczyk, P.; Moszowski, B. Control rehabilitation impact on production efficiency of ammonia synthesis installation. Ind. Eng. Chem. Res. 2016, 55, 10366–10376. [Google Scholar] [CrossRef]
- Ordys, A.; Uduehi, D.; Johnson, M. Process Control Performance Assessment from Theory to Implementation; Springer: London, UK, 2007. [Google Scholar]
- Bauer, M.; Horch, A.; Xie, L.; Jelali, M.; Thornhill, N. The current state of control loop performance monitoring a survey of application in industry. J. Process Control 2016, 38, 1–10. [Google Scholar] [CrossRef]
- Bazanella, A.S.; Campestrini, L.; Eckhard, D. Data-Driven Controller Design: The H2 Approach; Springer: Dordrecht, The Netherlands, 2012. [Google Scholar]
- Bendtsen, J.; Trangbaek, K.; Stoustrup, J. Plug-and play control—Modifying control systems online. IEEE Trans. Control Syst. Technol. 2013, 21, 79–93. [Google Scholar] [CrossRef] [Green Version]
- Ma, M.; Wong, D.; Jang, S.; Tseng, S. Fault detection based on statistical multivariate analysis and microarray visualization. IEEE Trans. Ind. Inform. 2010, 6, 18–24. [Google Scholar]
- Yao, Y.; Chen, T.; Gao, F. Multivariate statistical monitoring of two-dimensional dynamic batch processes utilizing non-Gaussian information. J. Process Control 2010, 20, 1188–1197. [Google Scholar] [CrossRef] [Green Version]
- Gong, R.; Huang, S.; Chen, T. Robust and efficient rule extraction through data summarization and its application in welding fault diagnosis. IEEE Trans. Ind. Inform. 2008, 4, 198–206. [Google Scholar] [CrossRef]
- Russell, E.; Chiang, L.; Braatz, R. Data-Driven Methods for Fault Detection and Diagnosis in Chemical Processes; Springer: London, UK, 2000. [Google Scholar]
- Chiang, L.; Russell, E.; Braatz, R. Fault Detection and Diagnosis in Industrial Systems; Springer: London, UK, 2001. [Google Scholar]
- Zhang, Y.; Dudzic, M.S. Online monitoring of steel casting processes using multivariate statistical technologies: From continuous to transitional operations. J. Process Control 2006, 16, 819–829. [Google Scholar] [CrossRef]
- Qin, S.J. Data-driven fault detection and diagnosis for complex industrial processes. In Proceedings of the IFAC SAFEPROCESS Symposium, Barcelona, Spain, 30 June–3 July 2009; pp. 1115–1125. [Google Scholar]
- Qin, S.J. Survey on data-driven industrial process monitoring and diagnosis. Annu. Rev. Control 2012, 36, 220–234. [Google Scholar] [CrossRef]
- Gao, Z.; Dai, X. From model, signal to knowledge: A data-driven perspective of fault detection and diagnosis. IEEE Trans. Ind. Inform. 2013, 9, 2226–2238. [Google Scholar]
- Drath, R.; Horch, A. Industrie 4.0: Hit or hype? [industry forum]. IEEE Ind. Electron. Mag. 2014, 8, 56–58. [Google Scholar] [CrossRef]
- Luo, H.; Yang, X.; Kruger, M.; Ding, S.; Peng, K. A Plug-and-Play monitoring and control architecture for disturbance compensation in rolling mills. IEEE/ASME Trans. Mechatron. 2016, 23, 200–210. [Google Scholar] [CrossRef]
- Yang, X.; Lin, Z.; Ding, J.; Long, Z. Lifetime prediction of IGBT modules in suspension choppers of medium/low-speed maglev train using an energy-based approach. IEEE Trans. Power Electron. 2019, 34, 738–747. [Google Scholar] [CrossRef]
- Xu, Z.; Wang, W.; Sun, Y. Performance degradation monitoring for onboard speed sensors of trains. IEEE Trans. Intell. Transp. Syst. 2012, 13, 1287–1297. [Google Scholar] [CrossRef]
- Chen, D.; Yin, J.; Chen, L.; Xu, H. Parallel control and management for high-speed maglev systems. IEEE Trans. Intell. Transp. Syst. 2016, 18, 431–440. [Google Scholar] [CrossRef]
- Long, Z.-Q.; Lv, Z.-G.; Chang, W.-S. Fault diagnosis to suspension system of maglev train based on fuzzy fault tree. Control Decis. 2004, 19, 139–142. [Google Scholar]
- Åström, K.J.; Hägglund, T. PID Controllers: Theory, Design, and Tuning, 2nd ed.; The Instrumentation, Systems, and Automation Society: Research Triangle Park, NC, USA, 1995. [Google Scholar]
- Esch, J.; Konings, T.; Ding, S.X. Optimal performance tuning of a PI-controller for an integrator plant with uncertain parameters as a convex optimisation problem. In Proceedings of the IEEE 52nd Conference on Decision and Control, Florence, Italy, 10–13 December 2013; pp. 1977–1982. [Google Scholar]
- O’Dwyer, A. Handbook of PI and PID Controller Tuning Rules, 3rd ed.; Imperial College Press: Hackensack, NJ, USA, 2009. [Google Scholar]
- Yu, C.-C. Autotuning of PID Controllers: Relay Feedback Approach; Springer: London, UK, 1999. [Google Scholar]
- Hao, H. Key Performance Monitoring and Diagnosis in Industrial Automation Processes. Ph.D. Thesis, University of Duisburg-Essen, Duisburg, Germany, 2014. [Google Scholar]
- Huang, B.; Kadali, R. Dynamic Modeling, Predictive Control and Performance Monitoring: A Data-Driven Subspace Approach; Springer: London, UK, 2008. [Google Scholar]
- Xue, T.; Ding, S.X.; Zhong, M.; Li, L. A distribution independent data-driven design scheme of optimal dynamic fault detection systems. J. Process Control 2020, 95, 1–9. [Google Scholar] [CrossRef]
- Yin, S.; Luo, H.; Ding, S.X. Real-time implementation of fault-tolerant control systems with performance optimization. IEEE Trans. Ind. Electron. 2014, 61, 2402–2411. [Google Scholar] [CrossRef]
- Ding, S.X.; Yin, S.; Peng, K.; Hao, H.; Shen, B. A novel scheme for key performance indicator prediction and diagnosis with application to an industrial hot strip mill. IEEE Trans. Ind. Inform. 2012, 9, 2239–2247. [Google Scholar] [CrossRef]
- Luo, H.; Krueger, M.; Koenings, T.; Ding, S.X.; Dominic, S.; Yang, X. Real-time optimization of automatic control systems with application to BLDC motor test rig. IEEE Trans. Ind. Electron. 2017, 64, 4306–4314. [Google Scholar] [CrossRef]
- Zhang, Y.; Yang, Y.; Ding, S.X.; Li, L. Optimal design of residual driven dynamic compensator using iterative algorithms with guaranteed convergence. IEEE Trans. Syst. Man Cybern. Syst. 2016, 46, 548–558. [Google Scholar] [CrossRef]
- Zhang, Y.; Yang, Y.; Ding, S.X.; Li, L. Data-driven design and optimization of feedback control systems for industrial applications. IEEE Trans. Ind. Electron. 2014, 61, 6409–6417. [Google Scholar] [CrossRef]
- Yan, L. Development and application of the maglev transportation system. IEEE Trans. Appl. Supercond. 2008, 18, 92–99. [Google Scholar]
- Zhai, M.; Long, Z.; Li, X. Fault-Tolerant Control of Magnetic Levitation System Based on State Observer in High Speed Maglev Train. IEEE Access 2019, 7, 31624–31633. [Google Scholar] [CrossRef]
- Safaei, F.; Suratgar, A.A.; Afshar, A.; Mirsalim, M. Characteristics optimization of the Maglev train hybrid suspension system using genetic algorithm. IEEE Trans. Energy Convers. 2015, 30, 1163–1170. [Google Scholar] [CrossRef]
- Xu, Y.; Long, Z.; Zhao, Z.; Zhai, M.; Wang, Z. Real-Time Stability Performance Monitoring and Evaluation of Maglev Trains’ Levitation System: A Data-Driven Approach. IEEE Trans. Intell. Transp. Syst. 2020, 1–12. [Google Scholar] [CrossRef]
- Ding, S.X. Data-Driven Design of Fault Diagnosis and Fault-Tolerant Control Systems; Springer: New York, NY, USA, 2014. [Google Scholar]
- Ding, S.X.; Yang, Y.; Zhang, Y.; Li, L. Data-driven realizations of kernel and image representations and their application to fault detection and control system design. Automatica 2014, 50, 2615–2623. [Google Scholar] [CrossRef]
- Xu, Y.; Ding, S.X.; Luo, H.; Yin, S. A real-time performance recovery framework for vision-based control systems. IEEE Trans. Ind. Electron. 2020, 68, 1571–1580. [Google Scholar] [CrossRef]
- Ruder, S. An overview of gradient descent optimization algorithms. arXiv 2016, arXiv:1609.04747. [Google Scholar]











| Time | Peak | Dead Time | Adjustment Time | |
|---|---|---|---|---|
| 0.00749 | 3.140 | 3.642 | 0.1576 | |
| 0.00743 | 3.069 | 3.592 | 0.1444 | |
| 0.00740 | 3.256 | 3.781 | 0.3617 | |
| 0.00742 | 2.954 | 3.491 | 0.1320 |
Publisher’s Note: MDPI stays neutral with regard to jurisdictional claims in published maps and institutional affiliations. |
© 2021 by the authors. Licensee MDPI, Basel, Switzerland. This article is an open access article distributed under the terms and conditions of the Creative Commons Attribution (CC BY) license (https://creativecommons.org/licenses/by/4.0/).
Share and Cite
Zhou, X.; Wen, T.; Long, Z. Research on Real-Time Monitoring and Performance Optimization of Suspension System in Maglev Train. Appl. Sci. 2021, 11, 11952. https://doi.org/10.3390/app112411952
Zhou X, Wen T, Long Z. Research on Real-Time Monitoring and Performance Optimization of Suspension System in Maglev Train. Applied Sciences. 2021; 11(24):11952. https://doi.org/10.3390/app112411952
Chicago/Turabian StyleZhou, Xu, Tao Wen, and Zhiqiang Long. 2021. "Research on Real-Time Monitoring and Performance Optimization of Suspension System in Maglev Train" Applied Sciences 11, no. 24: 11952. https://doi.org/10.3390/app112411952
APA StyleZhou, X., Wen, T., & Long, Z. (2021). Research on Real-Time Monitoring and Performance Optimization of Suspension System in Maglev Train. Applied Sciences, 11(24), 11952. https://doi.org/10.3390/app112411952
