A Graph Theory-Based Method for Dynamic Modeling and Parameter Identification of 6-DOF Industrial Robots
Abstract
:1. Introduction
2. Dynamic Modeling of 6R Robot System
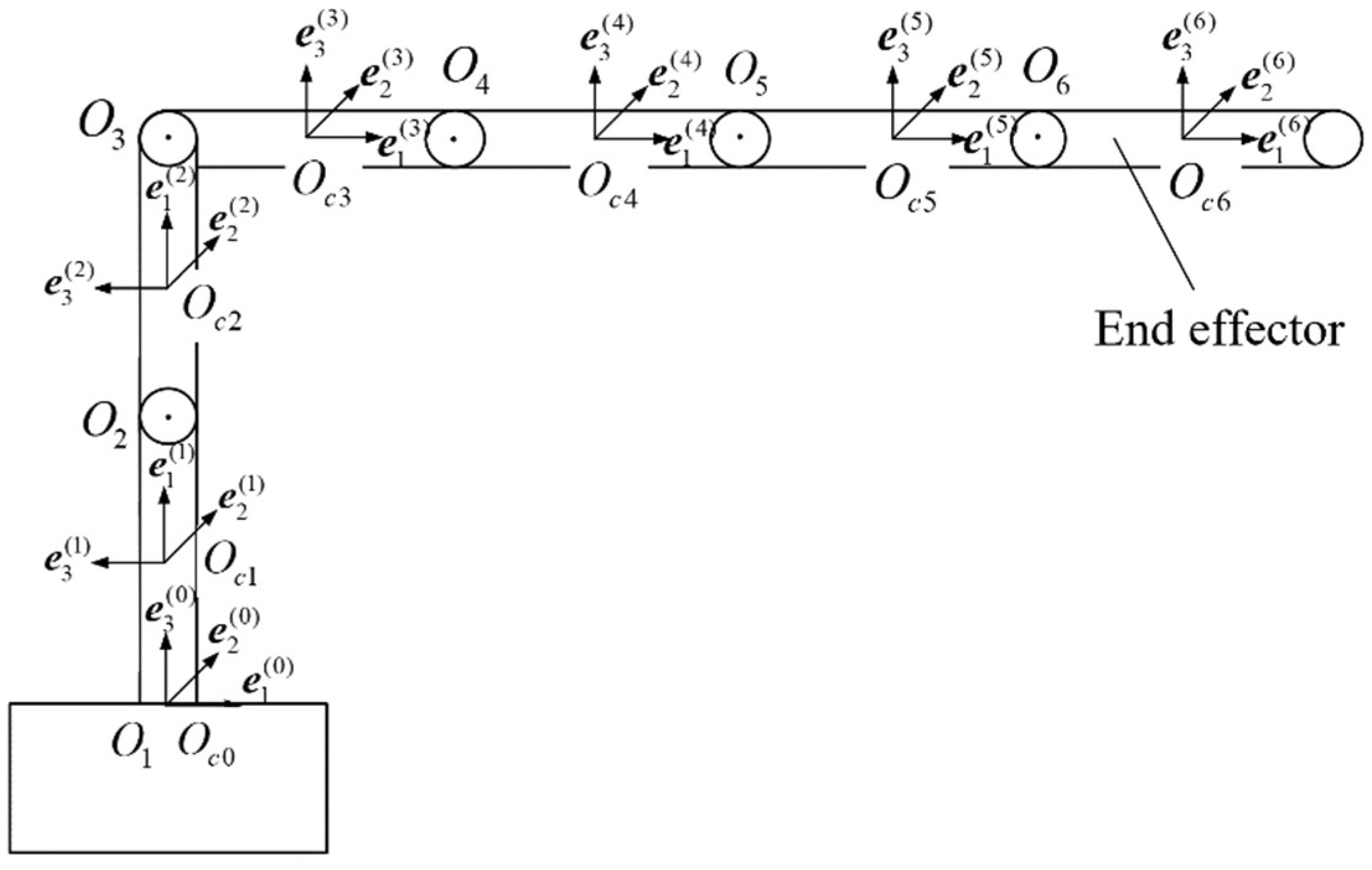
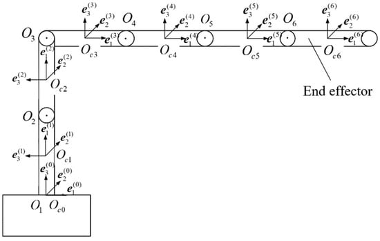
2.1. Graphical Description of the 6R Robot System
2.2. Dynamical Modeling of Unconstrained 6R Robot System
2.3. Dynamic Parameter Identification of 6R Robot System
2.4. Constraint Equations for 6R Robotic Systems
- (1)
- The joint point on rigid body coincides with the joint point on its inside connecting body as a point.
- (2)
- The base vector of shaft axis of rigid body coincides with the base vector of shaft axis of its inside connecting body as the same vector .
2.5. Dynamic Modeling of Constrained 6R Robot System
3. ADAMS Simulation Verification and Calculation Example of 6R Robot System Dynamics Model
3.1. Simulation Verification of Dynamic Parameter Identification Model
- 1.
- The three components of the Cardano angles of relative to ,
- 2.
- The three components of in ,
- 3.
- The three components of in ,
- 4.
- The three components of the acceleration of rigid body’s center of mass in ,
- 5.
- The three components of the angular velocity of rigid body in ,
- 6.
- The three components of the angular acceleration of rigid body in .
3.2. A simulation Example of the Dynamic Equation of the Constrained 6R Robot System
4. Conclusions
Author Contributions
Funding
Acknowledgments
Conflicts of Interest
References
- Pham, A.-D.; Ahn, H.-J. High Precision Reducers for Industrial Robots Driving 4th Industrial Revolution: State of Arts, Analysis, Design, Performance Evaluation and Perspective. Int. J. Precis. Eng. Manuf.-Green Technol. 2018, 5, 519–533. [Google Scholar] [CrossRef]
- Menon, M.; Asada, H. Design and Control of Paired Mobile Robots Working Across a Thin Plate with Application to Aircraft Manufacturing. IEEE Trans. Autom. Sci. Eng. 2011, 8, 614–624. [Google Scholar] [CrossRef]
- Verl, A.; Valente, A.; Melkote, S.; Brecher, C.; Ozturk, E.; Tunc, L.T. Robots in machining. CIRP Ann.-Manuf. Technol. 2019, 68, 799–822. [Google Scholar] [CrossRef]
- Kim, S.H.; Nam, E.; Ha, T.I.; Hwang, S.-H.; Lee, J.H.; Park, S.-H.; Min, B.-K. Robotic Machining: A Review of Recent Progress. Int. J. Precis. Eng. Manuf. 2019, 20, 1629–1642. [Google Scholar] [CrossRef]
- Kheddar, A.; Caron, S.; Gergondet, P.; Comport, A.; Tanguy, A.; Ott, C.; Henze, B.; Mesesan, G.; Englsberger, J.; Roa, M.A.; et al. Humanoid Robots in Aircraft Manufacturing: The Airbus Use Cases. IEEE Robot. Autom. Mag. 2019, 26, 30–45. [Google Scholar] [CrossRef] [Green Version]
- Summers, M. Robot Capability Test and Development of Industrial Robot Positioning System for the Aerospace Industry. SAE Trans. 2005, 114, 1108–1118. [Google Scholar] [CrossRef]
- Yun, Y.; Li, Y. Design and analysis of a novel 6-DOF redundant actuated parallel robot with compliant hinges for high precision positioning. Nonlinear Dyn. 2010, 61, 829–845. [Google Scholar] [CrossRef]
- Shirinzadeh, B.; Teoh, P.L.; Tian, Y.; Dalvand, M.M.; Zhong, Y.; Liaw, H.C. Laser interferometry-based guidance methodology for high precision positioning of mechanisms and robots. Robot. Comput. Manuf. 2010, 26, 74–82. [Google Scholar] [CrossRef]
- Nubiola, A.; Bonev, I.A. Absolute calibration of an ABB IRB 1600 robot using a laser tracker. Robot. Comput. Integr. Manuf. 2013, 29, 236–245. [Google Scholar] [CrossRef]
- Pan, Z.; Zhang, H.; Zhu, Z.; Wang, J. Chatter analysis of robotic machining process. J. Mater. Process. Technol. 2006, 173, 301–309. [Google Scholar] [CrossRef]
- Swevers, J.; Verdonck, W.; De Schutter, J. Dynamic Model Identification for Industrial Robots. IEEE Control Syst. Mag. 2007, 27, 58–71. [Google Scholar] [CrossRef]
- Guo, Y.; Dong, H.; Wang, G.; Ke, Y. Vibration analysis and suppression in robotic boring process. Int. J. Mach. Tools Manuf. 2016, 101, 102–110. [Google Scholar] [CrossRef]
- Zhang, L.; Wang, J.; Chen, J.; Chen, K.; Lin, B.; Xu, F. Dynamic modeling for a 6-DOF robot manipulator based on a centrosymmetric static friction model and whale genetic optimization algorithm. Adv. Eng. Softw. 2019, 135, 102684. [Google Scholar] [CrossRef]
- Koopaee, M.J.; Pretty, C.; Classens, K.; Chen, X. Dynamical Modeling and Control of Modular Snake Robots with Series Elastic Actuators for Pedal Wave Locomotion on Uneven Terrain. J. Mech. Des. 2020, 142, 1–46. [Google Scholar] [CrossRef]
- Cui, M.-Y.; Xie, X.-J.; Wu, Z.-J. Dynamics Modeling and Tracking Control of Robot Manipulators in Random Vibration Environment. IEEE Trans. Autom. Control. 2012, 58, 1540–1545. [Google Scholar] [CrossRef]
- Liu, S.; Wu, L.; Lu, Z. Impact dynamics and control of a flexible dual-arm space robot capturing an object. Appl. Math. Comput. 2007, 185, 1149–1159. [Google Scholar] [CrossRef]
- Xu, W.; Meng, D.; Chen, Y.; Qian, H.; Xu, Y. Dynamics modeling and analysis of a flexible-base space robot for capturing large flexible spacecraft. Multibody Syst. Dyn. 2014, 32, 357–401. [Google Scholar] [CrossRef]
- Wu, H.; Wang, Y.; Li, M.; Alsaedi, M.; Handroos, H. Chatter suppression methods of a robot machine for ITER vacuum vessel assembly and maintenance. Fusion Eng. Des. 2014, 89, 2357–2362. [Google Scholar] [CrossRef]
- Armstrong, B.; Khatib, O.; Burdick, J. The explicit dynamic model and inertial parameters of the PUMA 560 arm. In Proceedings of the IEEE International Conference on Robotics and Automation, San Francisco, CA, USA, 7–10 April 1986; pp. 510–518. [Google Scholar]
- Zhou, Y.; Luo, J.; Wang, M. Dynamic coupling analysis of multi-arm space robot. Acta Astronaut. 2019, 160, 583–593. [Google Scholar] [CrossRef]
- Khalil, W.; Dombre, E. Modeling, Identification and Control of Robots; Hermes Penton Ltd.: London, UK, 2002. [Google Scholar]
- Wu, J.; Wang, J.; You, Z. An overview of dynamic parameter identification of robots. Robot. Comput.-Integr. Manuf. 2010, 26, 414–419. [Google Scholar] [CrossRef]
- Liu, W.; Huo, X.; Liu, J.; Wang, L. Parameter identification for a quadrotor helicopter using multivariable extremum seeking algorithm. Int. J. Control Autom. Syst. 2018, 16, 1951–1961. [Google Scholar] [CrossRef]
- Urrea, C.; Saa, D. Design and Implementation of a Graphic Simulator for Calculating the Inverse Kinematics of a Redundant Planar Manipulator Robot. Appl. Sci. 2020, 10, 6770. [Google Scholar] [CrossRef]
- Urrea, C.; Pascal, J. Parameter identification methods for real redundant manipulators. J. Appl. Res. Technol. 2017, 15, 320–331. [Google Scholar] [CrossRef]
- Garcia, R.R.; Bittencourt, A.C.; Villani, E. Relevant factors for the energy consumption of industrial robots. J. Braz. Soc. Mech. Sci. Eng. 2018, 40, 1–15. [Google Scholar] [CrossRef]
- Gaz, C.; Cognetti, M.; Oliva, A.; Giordano, P.R.; De Luca, A. Dynamic Identification of the Franka Emika Panda Robot with Retrieval of Feasible Parameters Using Penalty-Based Optimization. IEEE Robot. Autom. Lett. 2019, 4, 4147–4154. [Google Scholar] [CrossRef] [Green Version]
- Urrea, C.; Pascal, J. Dynamic Parameter Identification Based on Lagrangian Formulation and Servomotor-type Actuators for Industrial Robots. Int. J. Control. Autom. Syst. 2021, 19, 2902–2909. [Google Scholar] [CrossRef]
- Olsen, M.M.; Swevers, J.; Verdonck, W. Maximum Likelihood Identification of a Dynamic Robot Model: Implementation Issues. Int. J. Robot. Res. 2002, 21, 89–96. [Google Scholar] [CrossRef]
- Gautier, M.; Janot, A.; Vandanjon, P.-O. A New Closed-Loop Output Error Method for Parameter Identification of Robot Dynamics. IEEE Trans. Control. Syst. Technol. 2012, 21, 428–444. [Google Scholar] [CrossRef] [Green Version]
- Featherstone, R.; Orin, D. Robot dynamics: Equations and algorithms. In Proceedings of the 2000 ICRA. Millennium Conference. IEEE International Conference on Robotics and Automation. Symposia Proceedings (Cat. No.00CH37065), San Francisco, CA, USA, 24–28 April 2002; Volume 1, pp. 826–834. [Google Scholar] [CrossRef] [Green Version]
- Williams, J.H. Fundamentals of Applied Dynamics; John Wiley and Sons Inc.: New York, NY, USA, 1996. [Google Scholar]
- Selig, J.M. Geometrical Methods in Robotics; Springer: Singapore, 1996. [Google Scholar]
- Josephs, H.; Huston, R.L. Dynamics of Mechanical Systems; CRC Press: New York, NY, USA, 2002. [Google Scholar]
- Hamilton, S.W.R. On a General Method in Dynamics; Philosophical Transactions of the Royal Society: London, UK, 1834; p. 247. [Google Scholar]
- Hamilton, W.R. Second essay on a general method in dynamics. Philos. Trans. R. Soc. Lond. 1835, 125, 95–144. [Google Scholar] [CrossRef]
- Udwadia, F.E.; Kalaba, R.E. Analytical Dynamics: A New Approach; Cambridge University Press: Cambridge, UK, 2007. [Google Scholar]
- Birkhoff, G.D. Dynamical Systems; American Mathematical Society: Providence, RI, USA, 1927; Volume 9. [Google Scholar]
- Kane, T.R. Dynamics of nonholonomic systems. J. Appl. Mech. 1961, 28, 574–578. [Google Scholar] [CrossRef]
- Khalil, W.; Guegan, S. Inverse and Direct Dynamic Modeling of Gough–Stewart Robots. IEEE Trans. Robot. 2004, 20, 754–761. [Google Scholar] [CrossRef] [Green Version]
- Shao, P.; Wang, Z.; Yang, S.; Liu, Z. Dynamic modeling of a two-DoF rotational parallel robot with changeable rotational axes. Mech. Mach. Theory 2019, 131, 318–335. [Google Scholar] [CrossRef]
- Mancisidor, A.; Zubizarreta, A.; Cabanes, I.; Bengoa, P.; Jung, J.H. Kinematical and dynamical modeling of a multipurpose upper limbs rehabilitation robot. Robot. Comput. Manuf. 2018, 49, 374–387. [Google Scholar] [CrossRef]
- Huang, P.; Hu, Z.; Zhang, F. Dynamic modelling and coordinated controller designing for the manoeuvrable tether-net space robot system. Multibody Syst. Dyn. 2016, 36, 115–141. [Google Scholar] [CrossRef]
- Nielsen, M.C.; Eidsvik, O.A.; Blanke, M.; Schjølberg, I. Constrained multi-body dynamics for modular underwater robots—Theory and experiments. Ocean Eng. 2018, 149, 358–372. [Google Scholar] [CrossRef] [Green Version]
- Xu, F.; Wang, H.; Au, K.W.S.; Chen, W.; Miao, Y. Underwater Dynamic Modeling for a Cable-Driven Soft Robot Arm. IEEE/ASME Trans. Mechatron. 2018, 23, 2726–2738. [Google Scholar] [CrossRef]
- Djuric, A.M.; ElMaraghy, W.H. Automatic separation method for generation of reconfigurable 6R robot dynamics equations. Int. J. Adv. Manuf. Technol. 2010, 46, 831–842. [Google Scholar] [CrossRef]
- Introduction of KUKA KR500 Robot System and Its Structural Parameters. Available online: https://www.kuka.com/en-cn/products/robotics-systems/industrial-robots/kr-500-fortec (accessed on 15 October 2021).











| Physical Quantity | Length | Mass | Force | Time | Angle | Frequency |
|---|---|---|---|---|---|---|
| Unit | m | kg | N | s | 1 (rad) | Hz |
| Length () | 1.045 | 1.245 | 1.21 | 0.315 | 0.29 | 0.3 |
| Radius () | 0.5 | 0.3 | 0.2 | 0.2 | 0.2 | 0.3 |
| () | 6402.6012 | 2746.0726 | 1186.1661 | 308.7953 | 284.2877 | 661.7042 |
| () | 800.3251 | 123.5733 | 23.7233 | 6.1759 | 5.6858 | 29.7767 |
| () | 982.8126 | 416.4934 | 156.5838 | 5.6413 | 4.8353 | 19.8511 |
| () | 982.8126 | 416.4934 | 156.5838 | 5.6413 | 4.8353 | 19.8511 |
| ()() | 6402.6000 | 2746.0720 | 1186.1658 | 308.7958 | 284.2875 | 661.7041 |
| ()() | — | 2746.0723 | 1186.1661 | 308.7955 | 284.2875 | 661.7043 |
| ()() | 6402.5942 | 2746.0723 | 1186.1660 | 308.7955 | 284.2877 | 661.7042 |
| () | 800.3252 | 123.6157 | 23.7206 | 6.1761 | 5.6856 | 29.7769 |
| () | 982.8120 | 416.4683 | 156.5821 | 5.6412 | 4.8348 | 19.8511 |
| () | 982.8120 | 416.5109 | 156.5722 | 5.4619 | 4.8353 | 19.8514 |
| Rigid Body | Absolute Error | |||||
|---|---|---|---|---|---|---|
| −0.0001 | 0.0001 | 0 | 0.0002 | 0 | 0.0003 | |
| −0.0002 | −0.0002 | 0 | −0.0002 | −0.0005 | 0 | |
| 0.0005 | 0.0002 | 0.0002 | 0.0002 | −0.0001 | 0.0006 | |
| −0.0002 | 0 | −0.0001 | −0.0027 | −0.0017 | −0.0116 | |
| −0.0006 | −0.0003 | −0.0003 | 0.0424 | −0.0251 | 0.0175 | |
| −0.0012 | — | −0.0070 | 0.0001 | −0.0006 | −0.0006 | |
Publisher’s Note: MDPI stays neutral with regard to jurisdictional claims in published maps and institutional affiliations. |
© 2021 by the authors. Licensee MDPI, Basel, Switzerland. This article is an open access article distributed under the terms and conditions of the Creative Commons Attribution (CC BY) license (https://creativecommons.org/licenses/by/4.0/).
Share and Cite
Cheng, J.; Bi, S.; Yuan, C.; Chen, L.; Cai, Y.; Yao, Y. A Graph Theory-Based Method for Dynamic Modeling and Parameter Identification of 6-DOF Industrial Robots. Appl. Sci. 2021, 11, 10988. https://doi.org/10.3390/app112210988
Cheng J, Bi S, Yuan C, Chen L, Cai Y, Yao Y. A Graph Theory-Based Method for Dynamic Modeling and Parameter Identification of 6-DOF Industrial Robots. Applied Sciences. 2021; 11(22):10988. https://doi.org/10.3390/app112210988
Chicago/Turabian StyleCheng, Jun, Shusheng Bi, Chang Yuan, Lin Chen, Yueri Cai, and Yanbin Yao. 2021. "A Graph Theory-Based Method for Dynamic Modeling and Parameter Identification of 6-DOF Industrial Robots" Applied Sciences 11, no. 22: 10988. https://doi.org/10.3390/app112210988
APA StyleCheng, J., Bi, S., Yuan, C., Chen, L., Cai, Y., & Yao, Y. (2021). A Graph Theory-Based Method for Dynamic Modeling and Parameter Identification of 6-DOF Industrial Robots. Applied Sciences, 11(22), 10988. https://doi.org/10.3390/app112210988
