Next Article in Journal
Study on Nanosecond Laser Ablation of 40Cr13 Die Steel Based on ANOVA and BP Neural Network
Next Article in Special Issue
Robotic Device for Out-of-Clinic Post-Stroke Hand Rehabilitation
Previous Article in Journal
The Effects of Exergames on Muscle Architecture: A Systematic Review and Meta-Analysis
Previous Article in Special Issue
Flexible Covariance Matrix Decomposition Method for Data Augmentation and Its Application to Brainwave Signals
 
 
Font Type:
Arial Georgia Verdana
Font Size:
Aa Aa Aa
Line Spacing:
Column Width:
Background:
Article

A Self-Adaptive-Coefficient-Double-Power Sliding Mode Control Method for Lower Limb Rehabilitation Exoskeleton Robot

1
Guangdong Key Laboratory of Electromagnetic Control and Intelligent Robots, College of Mechatronics and Control Engineering, Shenzhen University, Shenzhen 518060, China
2
Institute of Nanosurface Science and Engineering (INSE), Guangdong Provincial Key Laboratory of Micro/Nano Optomechatronics Engineering, Shenzhen University, Shenzhen 518060, China
*
Author to whom correspondence should be addressed.
Appl. Sci. 2021, 11(21), 10329; https://doi.org/10.3390/app112110329
Submission received: 29 September 2021 / Revised: 31 October 2021 / Accepted: 1 November 2021 / Published: 3 November 2021
(This article belongs to the Special Issue Robotic-Based Technologies for Rehabilitation and Assistance)

Abstract

:
Lower limb rehabilitation exoskeleton robots have the characteristics of nonlinearity and strong coupling, and they are easily disturbed during operation by environmental factors. Thus, an accurate dynamic model of the robot is difficult to obtain, and achieving trajectory tracking control of the robot is also difficult. In this article, a self-adaptive-coefficient double-power sliding mode control method is proposed to overcome the difficulty of tracking the robot trajectory. The method combines an estimated dynamic model with sliding mode control. A nonlinear control law was designed based on the robot dynamics model and computational torque method, and a compensation term of control law based on double-power reaching law was introduced to reduce the disturbance from model error and environmental factors. The self-adaptive coefficient of the compensation term of the control law was designed to adaptively adjust the compensation term to improve the anti-interference ability of the robot. The simulation and experiment results show that the proposed method effectively improves the trajectory tracking accuracy and anti-interference ability of the robot. Compared with the traditional computed torque method, the proposed method decreases the tracking error by more than 71.77%. The maximum absolute error of the hip joint and knee joint remained below 0.55° and 1.65°, respectively, in the wearable experiment of the robot.

1. Introduction

Stroke and spinal cord injury (SCI) are the main causes of human lower limb motor dysfunction [1,2,3]. Motion disability not only causes difficulties with physical control, but also serious psychological problems to the patient, which greatly reduce the quality of life of the patient. Rehabilitation training can effectively help patients with lower limb motor dysfunction improve muscle strength, restore walking ability, and reduce complications [4]. In terms of the rehabilitation process, the training mode of the robot can be divided into passive training and active training. Passive training requires the robot to drive the patient into predetermined trajectory movement, and the robot usually adopts the control method of trajectory tracking. In this article, aiming at the challenge of low tracking accuracy in trajectory tracking control, research on control methods was carried out to improve the performance of trajectory tracking control.
In the early stage of rehabilitation training, the patient’s lower limbs are almost completely paralyzed (bed-ridden) and rely on external assistance to complete the training action. Traditional rehabilitation gait therapy requires multiple therapists to manually drive the patient’s legs, which increases labor costs [5], or uses auxiliary equipment connected to the hospital bed to achieve rehabilitation training [6,7]. In the early stage of treatment, these approaches are effective, but when the patient leaves the bed for overground gait training, they cannot guarantee better results.
With the emergence of lower limb rehabilitation exoskeleton robots including LOKOMAT [8] in 2005, HAL [9] in 2008, ReWalk [10] in 2010, and ExoMotus [11] in 2018, a large number of clinical applications have shown that lower limb rehabilitation exoskeleton robots can play good auxiliary roles for patients with different degrees of injury [12,13]. Trajectory tracking control, which is one of the main control strategies in the control method of lower limb rehabilitation exoskeleton robots, is the basis and key to realizing different training modes.
The lower limb rehabilitation exoskeleton robot is a multiple-degree-of-freedom open-chain mechanism composed of irregular links that have complex nonlinearity and strong coupling characteristics [12,13]. These robots are vulnerable to disturbances from the patient and the ground during the control process. Therefore, it is difficult to establish a complete and accurate mathematical model of the robot, which leads to difficulties in robot motion control and poor trajectory tracking accuracy. Traditional control methods including proportional-integral-derivative (PID) control [14], computed torque method [15], adaptive control [16], and robust control [17] have difficulty in meeting the actual needs of patients using lower limb rehabilitation exoskeleton robots because their trajectory tracking abilities are limited.
The sliding mode control does not depend on a mathematical model of the controlled object and has strong anti-interference ability and good robustness [18,19], consequently, sliding mode controls are widely used in robot control systems [20]. A sliding mode control divides the motion process of the robot system state into two stages. The first stage is from the initial state to the sliding surface, and the second stage gradually converges to an equilibrium point in the sliding surface [21]. However, after the system state reaches the sliding surface, it is difficult to strictly slide along the sliding surface to the equilibrium point. Instead, the system state moves back and forth across the sliding surface to approach the equilibrium point, which results in buffeting [22].
Many researchers have designed reaching laws to change the reaching speed and weaken the chattering of sliding mode controls. Islam et al. [23] and Nair et al. [24] proposed a sliding mode control based on the constant velocity reaching law for a lower limb rehabilitation exoskeleton robot. Hao et al. [25] proposed an adaptive neural network sliding mode control based on the exponential reaching law. Long et al. [26] proposed a terminal sliding mode control based on the exponential reaching law, and Chen et al. [27] proposed a terminal sliding mode control based on the exponential reaching law. Devika et al. [28] proposed a sliding mode control based on the power rate exponential reaching law by combining exponential reaching law and power reaching law. Xia et al. [29] and Kang et al. [30] proposed a terminal sliding mode control based on the double-power reaching law. The above studies revealed that the double-power reaching law had a better dynamic quality. In the double-power reaching law, the higher-order power term enables the system state to quickly reach the sliding mode surface when it is far from the surface. Additionally, the lower-order power term enables the approaching speed to decrease gradually as the system states approach the sliding mode surface, which can effectively reduce chattering. The double-power reaching law both weakens the chattering and increases the reaching speed of the system state.
In this article, a self-adaptive-coefficient double-power sliding mode control method was proposed to improve the trajectory tracking accuracy and anti-interference ability of the lower limb rehabilitation exoskeleton robot. The method combines the estimated dynamics model of the robot with sliding mode control based on the double-power reaching law to weaken chattering, and obtains an appropriate reaching speed through a designed self-adaptive-coefficient. First, based on the estimated dynamic model, the estimated control torque of the robot was obtained. Second, based on the double-power reaching law, a compensation term was designed and applied to the estimated control torque to reduce the influence of model error and environmental disturbance. Then, according to the Lyapunov function, a self-adaptive-coefficient of the compensation term was designed to achieve the compensation term following the model error, and a self-adaptive adjustment occurred, which improved the robust performance of the robot. Finally, taking the lower limb rehabilitation exoskeleton robot prototype in laboratory conditions as the controlled object, a co-simulation and a wearable experiment demonstrated that the self-adaptive-coefficient double-power sliding mode control method effectively improved the trajectory tracking accuracy and anti-interference ability of the robot.

2. Structure and Dynamics Model of Lower Limb Rehabilitation Exoskeleton Robot

2.1. Robot Mechanical Structure

The mechanical structure of the lower limb rehabilitation exoskeleton robot built in the laboratory is shown in Figure 1. The robot is mainly composed of the control system, torso, hip joint, thigh, knee joint, shank, ankle joint, foot, and fixative belt.
Each leg of the robot has three degrees of freedom to enable flexion or extension movements of the hip joint, knee joint, and ankle joint in the sagittal plane. The flexion or extension movements of the hip and knee joints are active movements driven by motors. In contrast, the ankle joints did not have active movement capabilities. By controlling the flexion or extension movement of the hip and knee joints of the lower limb rehabilitation exoskeleton robot, auxiliary exercises can be realized for the patient.
The parameters of each component of the lower limb rehabilitation exoskeleton robot are shown in Table 1. Among them, the torso can be adjusted by adjusting the distance between the connecting rods on both sides, and the thigh and the shank can be adjusted in length by adjusting the position of the assembly hole to adapt to the body characteristics of different patients.

2.2. Robot Dynamic Model

According to the dynamic model of the lower limb rehabilitation exoskeleton robot, the mathematical relationship between the motion of the hip, knee joints, and the control torque can be obtained. Ignoring the influence of environmental interference on the lower limb rehabilitation exoskeleton robot, a simplified structure diagram of the unilateral lower limb was established in the sagittal plane, as shown in Figure 2. The physical parameters of the simplified structure are shown in Table 2.
The Lagrange method is used to establish the dynamic model of the lower limb rehabilitation exoskeleton robot, which can be expressed by a second-order nonlinear differential Equation [27].
M ( θ ) θ ¨ + C ( θ , θ ˙ ) θ ˙ + G ( θ ) = τ
where θ = θ 1 θ 2 T is the angular displacement of the hip and knee joints; θ ˙ is the angular velocity; θ ¨ is the angular acceleration; M ( θ ) = [ M i j ] is an inertia matrix; and C ( θ , θ ˙ ) = [ C i j ] is a centrifugal force and Coriolis force matrix, and it has a strong coupling term, i = 1 2 , j = 1 2 . G ( θ ) = G 11 G 21 T is a gravity term [27,31], and τ = τ 11 τ 21 T is the control torque of the hip and knee joints. Among them,
M 11 = I 1 + I 2 + m 1 ( h 1 2 + l c 1 2 ) + m 2 ( h 2 2 + l 1 2 + l c 2 2 + 2 l 1 l c 2 cos θ 2 2 l 1 h 2 s i n θ 2 )   M 12 = M 21 = I 2 + m 2 ( h 2 2 + l c 2 2 + l 1 l c 2 cos θ 2 l 1 h 2 s i n θ 2 ) M 22 = I 2 + m 2 ( h 2 2 + l c 2 2 ) C 11 = 2 m 2 l 1 ( h 2 cos θ 2 + l c 2 s i n θ 2 ) m 2 l 1 ( h 2 cos θ 2 + l c 2 s i n θ 2 ) θ ˙ 1 θ ˙ 2 C 12 = C 21 = 0 C 22 = m 2 l 1 ( h 2 cos θ 2 + l c 2 s i n θ 2 ) G 11 = m 2 g l c 2 cos ( θ 1 + θ 2 ) h 2 s i n ( θ 1 + θ 2 ) + l 1 cos θ 1 + m 1 g h 1 s i n θ 1 + l c 1 cos θ 1 G 21 = m 2 g l c 2 cos ( θ 1 + θ 2 ) h 2 s i n ( θ 1 + θ 2 )
where l i ( i = 1 , 2 ) is the length of the thigh and shank links; l c i ( i = 1 , 2 ) and h i ( i = 1 , 2 ) is the centroid position of the links; m i ( i = 1 , 2 ) is the mass of the links; I i ( i = 1 , 2 ) is the inertia of the links. The parameters in Equation (2) were obtained from the 1:1 three-dimensional model constructed by the commercial software Solidworks.
For Equation (1), there are three properties of the dynamic model of the lower limb rehabilitation exoskeleton robot as follows [13,32].
Property 1.
M ( θ ) is a symmetric positive definite matrix and is bounded.
Property 2.
The matrix M ˙ ( θ ) 2 C ( θ , θ ˙ ) is skew-symmetry [13,32,33], and satisfies the following relationship:
ξ T M ˙ ( θ ) 2 C ( θ , θ ˙ ) ξ = 0 , ξ R 2 × 2
Property 3.
A constant parameter vector describes the quality characteristics of the robot  P R l [34] and a known regression matrix about the function of robot joint variables Y ( θ , θ ˙ , ρ , ϑ ) R 2 × l , making  M ( θ ) , C ( θ , θ ˙ ) , and G ( θ ) satisfy the following relationship.
M ( θ ) ϑ + C ( θ , θ ˙ ) ρ + G ( θ ) = Y ( θ , θ ˙ , ρ , ϑ ) P

3. Self-Adaptive-Coefficient Double-Power Sliding Mode Control Algorithm

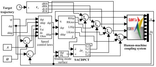
The control block diagram of the self-adaptive-coefficient double-power sliding mode control method is shown in Figure 3. The design is mainly divided into three parts. Part (I): the dynamic model of the lower limb rehabilitation exoskeleton robot shown in Equation (1) is regarded as an estimated dynamic model. The estimated control torque u ¯ is obtained to reduce the nonlinear and strong coupling influences on the robot. Part (II): based on a double-power reaching law, we designed a compensation term τ c , the sum of the compensation term τ c , and the estimated control torque u ¯ is used as the actual control torque τ of the robot to reduce the effects of model error and environmental interference. Part (III): a self-adaptive coefficient λ was designed for the compensation term τ c , and the self-adaptive-coefficient double-power compensation term (SACDPCT) λ τ c adjusts adaptively, improving the robust performance of the robot trajectory tracking control.

3.1. Design of Control Law Based on Estimated Model

The patient and the ground environment inevitably interfere with the lower limb rehabilitation exoskeleton robot, which leads to the model error between the established dynamic model and the actual dynamic model. Therefore, this paper regards the established dynamic model as an estimated dynamic model. Using the computed torque method, we designed an estimated control torque based on the estimated dynamic model.
The established dynamic model of the lower limb rehabilitation exoskeleton robot in this paper is shown in Equation (1). Taking the established dynamic model as an estimated dynamic model, we rewrite Equation (1) as follows.
M ¯ ( θ ) θ ¨ + C ¯ ( θ , θ ˙ ) θ ˙ + G ¯ ( θ ) = τ ¯
where M ¯ ( θ ) is an estimate of the actual inertia matrix M ( θ ) ; C ¯ ( θ , θ ˙ ) θ ˙ is an estimate of the actual centrifugal force and Coriolis force matrix C ( θ , θ ˙ ) ; G ¯ ( θ ) is an estimate of the actual gravity term G ( θ ) ; and τ ¯ is an estimate of the actual control torque τ . Therefore, it can be seen from Equation (6):
M ¯ 11 M ¯ 12 M ¯ 21 M ¯ 22 θ ¨ + C ¯ 11 C ¯ 12 C ¯ 21 C ¯ 22 θ ˙ + G ¯ 11 G ¯ 21 = τ ¯ 11 τ ¯ 21
Considering that the patient and the ground environment will inevitably interfere with the lower limb rehabilitation exoskeleton robot, the actual dynamic model of the lower limb rehabilitation exoskeleton robot can be expressed as follows.
M ( θ ) θ ¨ + C ( θ , θ ˙ ) θ ˙ + G ( θ ) + τ d = τ
where τ d = τ d 11 τ d 21 T is interference, which reflects the interference from the patient and the ground. τ d f , and f is a positive constant matrix.
Because the actual inertial parameters of the lower limb rehabilitation exoskeleton robot cannot be accurately obtained. The actual inertia matrix M ( θ ) , the actual centrifugal force, and Coriolis force matrix C ( θ , θ ˙ ) , the actual gravity term G ( θ ) , and the actual interference τ d are unknown. Based on the computed torque method, a nonlinear feedback control law was designed as the estimated control torque u ¯ for each joint of the robot and expressed as follows.
u ¯ = M ¯ ( θ ) θ ¨ r + C ¯ ( θ , θ ˙ ) θ ˙ r + G ¯ ( θ )
where θ ˙ r and θ ¨ r are the speed control laws to be designed. During the trajectory tracking control of the lower limb rehabilitation exoskeleton robot, the robot needs to track a time-varying target trajectory θ d ( t ) . To perform the trajectory tracking of the robot, the speed control laws θ ˙ r and θ ¨ r were designed as follows
θ ˙ r = θ ˙ d + Λ e θ ¨ r = θ ¨ d + Ω e ˙
where θ ˙ d is the target angular velocity; θ ¨ d is the target angular acceleration; Λ and Ω are the positive diagonal matrix; Λ = diag ( Λ 1 , , Λ n ) ; Ω = diag ( Ω 1 , , Ω n ) ; e is the trajectory tracking error; and e = θ d θ .
According to Equations (6), (8) and (9), based on the computed torque method and the estimated dynamic model, the estimated control torque for each joint of the lower limb rehabilitation exoskeleton robot was designed as follows:
u ¯ = M ¯ 11 M ¯ 12 M ¯ 21 M ¯ 22 θ ¨ d + Ω e ˙ + C ¯ 11 C ¯ 12 C ¯ 21 C ¯ 22 θ ˙ d + Λ e + G ¯ 11 G ¯ 21

3.2. Design of Compensation Item Based on Double-Power Reaching Law

A sliding mode control allows a robot to maintain system stability under the conditions in which parameters change and environmental interference occurs through the switching of the self-adaptive control [35]. To reduce the influence of model error and environmental interference on the trajectory tracking of the lower limb rehabilitation exoskeleton robot, its trajectory tracking was achieved by combining the estimated control torque with the sliding mode control method based on a double-power reaching law.
The sliding mode surface s R n for the sliding mode control was designed as follows:
s = θ ˙ r θ ˙ = e ˙ + Λ e
where the interference τ d is bounded. Based on the double-power reaching law, the compensation term τ c for the actual control torque was designed as follows:
τ c = k α s α sgn ( s ) + k ¯ β s β sgn ( s )
where k ¯ β = k β + f s β ; sgn ( s ) is the symbolic function; and k α 1 , k β 1 , α > 1 , 0 < β < 1 .
Because α > 1 and 0 < β < 1 , during the entire sliding phase ( s 0 ), when the system state of the lower limb rehabilitation exoskeleton robot is far from the equilibrium point (e.g., s > 1 ), the compensation term τ c is determined by the higher-order power term k α s α sgn ( s ) . At this time, α > 1 makes the high-order power term larger, which effectively increases the approach speed. However, when the system state of the robot is close to the sliding mode surface (e.g., s < 1 ), the compensation term τ c is determined by the low-order power term k β s β sgn ( s ) . At this point, 0 < β < 1 makes the low-order power term smaller and reduces the reaching speed, which effectively avoids an excessive reaching speed and reduces chattering of the system state.

3.3. Design of Self-Adaptive-Coefficient-Double-Power Sliding Mode Control Method

According to Equations (10) and (12), combining the estimated dynamic model of the lower limb rehabilitation exoskeleton robot and the compensation term based on the double-power reaching law, the control law of the double-power sliding mode control method can be expressed as follows.
τ = u = u ¯ + τ c = M ¯ ( θ ) θ ¨ r + C ¯ ( θ , θ ˙ ) θ ˙ r + G ¯ ( θ ) + τ c = M ¯ 11 M ¯ 12 M ¯ 21 M ¯ 22 θ ¨ r + C ¯ 11 C ¯ 12 C ¯ 21 C ¯ 22 θ ¨ r + G ¯ 11 G ¯ 21 + k α s α sgn ( s ) + k ¯ β s β sgn ( s )
We defined the Lyapunov function as follows.
V ( t ) = 0.5 s T M ( θ ) s
According to Equations (3), (7) and (13), the derivative of Equation (14) with respect to time t is expressed as follows:
V ˙ ( t ) = s T M ( θ ) s ˙ + 1 2 s T 2 C ( θ , θ ˙ ) s = s T M ( θ ) ( θ ¨ r θ ¨ ) + C ( θ , θ ˙ ) ( θ ˙ r θ ˙ ) = s T M ( θ ) θ ¨ r + C ( θ , θ ˙ ) θ ˙ r + G ( θ ) + τ d u = s T M ( θ ) M ¯ ( θ ) θ ¨ r + C ( θ , θ ˙ ) C ¯ ( θ , θ ˙ ) θ ˙ r + G ( θ ) G ¯ ( θ ) + τ d τ c = s T M ˜ ( θ ) θ ¨ r + C ˜ ( θ , θ ˙ ) θ ˙ r + G ˜ ( θ ) + τ d τ c
where M ˜ ( θ ) is the inertial matrix error and M ˜ ( θ ) = M ( θ ) M ¯ ( θ ) . C ˜ ( θ , θ ˙ ) is the centrifugal and Coriolis forces error, and C ˜ ( θ , θ ˙ ) = C ( θ , θ ˙ ) C ¯ ( θ , θ ˙ ) . Here, G ˜ ( θ ) is the gravity term error, where G ˜ ( θ ) = G ( θ ) G ¯ ( θ ) .
Equations (4) and (15) can be expressed as follows.
V ˙ ( t ) = s T M ˜ ( θ ) θ ¨ r + C ˜ ( θ , θ ˙ ) θ ˙ r + G ˜ ( θ ) + τ d τ c = s T Y ( θ , θ ˙ , θ ˙ r , θ ¨ r ) p ˜ + τ d τ c
where Y ( θ , θ ˙ , θ ˙ r , θ ¨ r ) p ˜ is the linear expression of the model error; Y ( θ , θ ˙ , θ ˙ r , θ ¨ r ) is a known regression matrix about the function of robot joint variables; Y ( θ , θ ˙ , θ ˙ r , θ ¨ r ) = [ Y i j r ] ; Y i j r Y ¯ i j r ; and p ˜ is a constant parameter vector that describes the quality characteristics of the robot, where p ˜ = [ p ˜ 1 , , p ˜ j ] T , p ˜ j ε j , i = 1 , 2 , and j = 1 , , l . Therefore,
Y ( θ , θ ˙ , θ ˙ r , θ ¨ r ) p ˜ = [ Y i j r ] [ p ˜ 1 , , p ˜ j ] T = Y 11 r Y 1 l r Y i j r Y n 1 r Y n l r p ˜ 1 p ˜ l Y ¯ 11 r Y ¯ 1 l r Y i j r Y ¯ n 1 r Y ¯ n l r ε 1 ε l = Y ¯ i j r ε j
From Equation (16), Y ( θ , θ ˙ , θ ˙ r , θ ¨ r ) p ˜ , τ c , and τ d determine whether the control system of the lower limb rehabilitation exoskeleton robot is closed-loop stable. To ensure the stable convergence of the control system, it is necessary to be satisfied as follows.
V ˙ ( t ) = s T Y ( θ , θ ˙ , θ ˙ r , θ ¨ r ) p ˜ τ c τ d 0
To enhance the stable convergence of the control system and ensure that the compensation term follows the model error, adjusts adaptively, and improves the anti-interference ability of the robot control system, a self-adaptive-coefficient λ was designed for the compensation term τ c and λ as follows.
λ = [ λ 1 , λ n ] T , λ i = j = 1 l Y ¯ i j r ε j , λ i 1 1 , λ i < 1
According to Equations (12) and (19), we rewrite Equation (16) as follows.
V ˙ ( t ) = s T Y ( θ , θ ˙ , θ ˙ r , θ ¨ r ) p ˜ λ τ c τ d = i = 1 n j = 1 l s i Y i j r p ˜ j i = 1 n s i λ i k α i s i α sgn ( s i ) λ i k β i s i β sgn ( s i ) λ i f i sgn ( s i ) τ d = i = 1 n j = 1 l Y i j r p ˜ j s i k α i i = 1 n j = 1 l Y ¯ i j r ε j s i α + 1 k β i i = 1 n j = 1 l Y ¯ i j r ε j s i β + 1 i = 1 n λ i f i s i τ d i s i k β i i = 1 n j = 1 l Y ¯ i j r ε j s i β + 1 = k β i i = 1 n λ i s i β + 1 i = 1 n λ i s i β + 1 0
From Equation (20), we can see that V ˙ ( t ) 0 . According to LaSalle’s theorem [36], when V ˙ 0 , s 0 . Thus e ˙ 0 , e 0 . Therefore, the introduction of the self-adaptive-coefficient λ can make V ˙ ( t ) 0 and ensure that the control system of the lower limb rehabilitation exoskeleton robot is closed-loop stable.
In addition, the self-adaptive-coefficient λ is determined by the model error Y ( θ , θ ˙ , θ ˙ r , θ ¨ r ) p ˜ . Therefore, λ τ c can follow the model error and self-adaptive adjustment, thereby enhancing the anti-interference ability of the control system.
In summary, the control law of the self-adaptive-coefficient double-power sliding mode control method proposed in this paper is shown in Equation (21) where u is the actual control torque for each joint of a lower limb rehabilitation exoskeleton robot.
τ = u = u ¯ + λ τ c = M ¯ ( θ ) θ ¨ r + C ¯ ( θ , θ ˙ ) θ ˙ r + G ¯ ( θ ) + λ τ c = M ¯ 11 M ¯ 12 M ¯ 21 M ¯ 22 θ ¨ r + C ¯ 11 C ¯ 12 C ¯ 21 C ¯ 22 θ ˙ r + G ¯ 11 G ¯ 21 + λ 1 k α 1 s 1 α sgn ( s 1 ) + k ¯ β 1 s 1 β sgn ( s 1 ) λ 2 k α 2 s 2 α sgn ( s 2 ) + k ¯ β 2 s 2 β sgn ( s 2 )

4. Simulation and Experimental Analysis

To verify the effectiveness of the self-adaptive-coefficient double-power sliding mode control method proposed in this paper, we conducted a simulation and an experimental analysis. First, a joint simulation model of the lower limb rehabilitation exoskeleton robot and the patient was established using MATLAB/Simulink and RecurDyn dynamics software. Then, the simulation analysis of the robot trajectory tracking control was carried out under interference from the patient. We compared the control accuracy and anti-interference ability of the three control methods (i.e., the self-adaptive-coefficient double-power sliding mode control method, the double-power sliding mode control method, and the traditional computed torque method). Finally, an experiment was conducted on the lower limb rehabilitation exoskeleton robot prototype with selected healthy testers.

4.1. Simulation Model

An adult male with a height of 1755 mm and a weight of 70 kg was selected as a representative patient for the lower limb rehabilitation exoskeleton robot. The patient and the robot were rigidly connected, and their movements were identical. As shown in Figure 4, we utilized MATLAB/Simulink and RecurDyn dynamics software to build a human–machine coupling system simulation model.
The human-machine coupling system has five segments: the torso, the right thigh, the left thigh, the right shank and foot, and the left shank and foot. The parameters of each body segment are shown in Table 3. Among these, the parameters of the right thigh and the left thigh were the same, and the parameters of the right shank and foot and left shank and foot were the same.

4.2. Simulation Parameters

The simulation time was 5 s, the simulation step length was 0.001 s, and the gait period was 2 s. The walking gait data of a normal person with a walking speed of 1.2 m/s was selected as the expected trajectory of each joint. The fitting curve is as follows.
θ R H = 7.52 12.94 sin 2 π t 0.29 + 4.78 sin 4 π t 0.64 , θ R K = 22.7 + 23.69 sin 2 π t + 1.02 18.54 sin 4 π t 0.41 , θ L H = 7.52 + 12.94 sin 2 π t 0.29 + 4.78 sin 4 π t 0.64 , θ L K = 22.7 23.69 sin 2 π t + 1.02 18.54 sin 4 π t 0.41 .
where θ R H is the desired trajectory of the right hip joint; θ R K is the desired trajectory of the right knee joint; θ L H is the desired trajectory of the left hip joint; and θ L K is the desired trajectory of the left knee joint.
From Equation (21), the self-adaptive-coefficient double-power sliding mode control method proposed in this paper was recorded as SACDP-SMC. We set Y ¯ i j r = Y i j r + 0.1 , ε j = p ˜ j + 0.5 , p ˜ j = 0.05 p j , p ¯ j = 0.95 p j   f = τ d + 0.5 , and the control parameter as the optimal parameter obtained after 120 online optimizations. Λ = diag [ 100 , 100 , 100 , 100 ] , Ω = diag [ 15 , 15 , 15 , 15 ] , k α = [ 6 , 6.5 , 6 , 6.5 ] T , α = [ 5 / 3 , 5 / 3 , 5 / 3 , 5 / 3 ] T , k β = [ 1 , 1.5 , 1 , 1.5 ] T , and β = [ 3 / 5 , 3 / 5 , 3 / 5 , 3 / 5 ] T .
To demonstrate the superiority of SACDP-SMC, we named it Method 1 and compared it with the following two control methods:
Method 2: To highlight the effect of the self-adaptive-coefficient λ , the double-power sliding mode control method was adopted and recorded as DP-SMC. The actual control torque of each joint of the robot is shown in Equation (13); the control parameters were the same as those described for SACDP-SMC.
Method 3: To highlight the compensation effect of the double-power sliding mode control, a traditional computed torque method based on PID was adopted, and recorded as PID-CTM. The actual control torque of each joint of the robot is expressed as follows.
u = M ¯ ( θ ) θ ¨ d + K P e + K D e ˙ + K I 0 t e d t + C ¯ ( θ , θ ˙ ) θ ˙ + G ¯ ( θ )
where K P , K D , and K I are control parameters of the computed torque method. K P = [ 5500 , 6500 , 5500 , 6500 ] T , K I = [ 200 , 200 , 200 , 200 ] T , K D = [ 80 , 80 , 80 , 80 ] T .

4.3. Simulation Results and Discussion

To compare the performances of the control algorithms, the patient’s interference with the lower limb rehabilitation exoskeleton robot was regarded as step interference. At 1.5 s and 3.5 s, τ d 1 = 50 N m and τ d 2 = 75 N m were applied to each joint of the robot for a duration of 0.2 s. These interferences also represent strong environmental interference to the lower limb rehabilitation exoskeleton robot.
The trajectory tracking curve and tracking error curve of each joint of the lower limb rehabilitation exoskeleton robot are shown in Figure 5, Figure 6, Figure 7 and Figure 8. RHq, RKq, LHq, and LKq are the desired trajectories of the right hip, right knee, left hip, and left knee joints. All three control methods can achieve robot trajectory tracking to a certain extent, and the maximum tracking error occurs during the interference period. The following is a detailed analysis of the control accuracy and anti-interference performances.
To compare the control accuracy of the three control methods, the maximum absolute tracking error e a , the average absolute tracking error e m , and the root mean square error r e were used as measurement indicators. When the control system is stable, the tracking error is calculated between 1 s and 5 s. The maximum absolute tracking error, average tracking absolute error, and root mean square error of the three control methods are shown in Table 4. Compared with the errors when using the traditional computed torque, the percentage of tracking error reduction is shown in Table 4.
In terms of Table 4, it is clear that the maximum absolute error, average absolute error, and root mean square error of the DP-SMC were reduced by 16.54%, 15.54%, and 16.22%, respectively, compared with the PID-CTM under the interference of the patient. In addition, the maximum absolute error of the SACDP-SMC, the mean absolute error, and the root mean square error were reduced by 76.61%, 71.77%, and 73.44%, respectively. Both the DP-SMC and SACDP-SMC effectively reduce the trajectory tracking error and improve control accuracy, but the SACDP-SMC achieves the best control accuracy. Even if the patient simultaneously generates 75 Nm of interference torque on each joint of the robot, the maximum absolute error of the proposed SACDP-SMC was only 0.5474°.
Based on the maximum absolute error e a ; the average absolute error e m ; and the root and mean square error r e ; the SACDP-SMC proposed in this paper sharply reduced the trajectory tracking error of the lower limb rehabilitation exoskeleton robot and improved the control accuracy.
To compare the anti-interference capabilities of the three control methods, the error variation Δ e and the interference adjustment time Δ t were used as measurement indicators. Under patient interference, the maximum error variations of the three control methods are shown in Table 5.
In terms of Table 5, compared with PID-CTM, the maximum error variation of DP-SMC was reduced by 34.29% and 17.13%, and the maximum error variation of SACDP-SMC was reduced by 73.03% and 76.77%. Both the DP-SMC and SACDP-SMC effectively reduced the impact of interference, but the SACDP-SMC achieved the best anti-interference effect. When the patient simultaneously generated 75 Nm of interference torque on each joint, the maximum error variation of SACDP-SMC was 0.5425°.
Table 6 shows the adjustment times Δ t d 1 and Δ t d 2 of the three control methods for interference τ d 1 and τ d 2 . Compared with the PID-CTM, the maximum adjustment time of the DP-SMC was reduced by 16.61% and 14.46%, and the maximum adjustment time of the SACDP-SMC was reduced by 33.19% and 30.54%. Both the DP-SMC and SACDP-SMC effectively reduced the interference adjustment time and accelerated the error convergence speed, however, the convergence speed of SACDP-SMC was the best.
It can be seen from the error variation Δ e and the interference adjustment time Δ t that the proposed SACDP-SMC improves the anti-interference ability of the lower limb rehabilitation exoskeleton robot by a large margin.

4.4. Wearable Experimental Results and Discussion

To verify the effectiveness of the self-adaptive-coefficient double power sliding mode control method, a wearable experiment was conducted on the lower limb rehabilitation exoskeleton robot prototype using selected healthy testers. The gait trajectory tracked by the lower limb rehabilitation exoskeleton robot still adopted the trajectory curve shown in Equation (21), and during the experiment, the lower limb of the tester was completely driven by the lower limb rehabilitation exoskeleton robot. Figure 9 shows the seven intermediate motion states taken from the video of a complete gait cycle recorded in the experiment. The tracking trajectory curve of each robot joint is shown in Figure 10, Figure 11, Figure 12 and Figure 13, and the tracking error curve is shown in Figure 14.
Figure 9, Figure 10, Figure 11, Figure 12 and Figure 13 show that based on the self-adaptive-coefficient double power sliding mode control method, the trajectory tracking error of the left and right hip joints ranged from −0.55° to 0.2°, and the trajectory tracking error of the left and right knee joints ranged from −1.5° to 1.65° when the lower limb rehabilitation exoskeleton robot prototype drives the tester to track the gait trajectory. Compared with the previous simulation results, the tracking error change of the hip joint was unobvious. The tracking error of the knee joint was increased, but it still had good tracking accuracy. Human gait movement was uncertain. Therefore, the movement of the tester wearing the lower limb rehabilitation exoskeleton robot can be regarded as a random disturbance. When the human wearing the exoskeleton carries out the gait experiment, the tracking error was very small. This shows that the self-adaptive-coefficient double power sliding mode control method proposed in this paper not only achieved good control accuracy, but also had good robustness. In this analysis, the tester was wearing the lower limb rehabilitation exoskeleton robot while walking on the ground, thus, when the legs were grounded, they were greatly disturbed by the ground, which increased the tracking error of the knee joint. In the follow-up research, we will deeply analyze the impact of the ground on the lower limb rehabilitation exoskeleton robot, establish the corresponding mathematical model, and design a controller with better performance.

5. Conclusions

In this article, a self-adaptive-coefficient double-power sliding mode control was proposed for trajectory tracking control of the lower limb rehabilitation exoskeleton robot. This method combines the estimated dynamic model of the robot and the sliding mode control based on the double-power reaching law. A nonlinear control law was designed based on the dynamic model of the robot and the method of calculating torque. The compensation term of the control law was introduced and the self-adaptive-coefficient of the compensation term of the control law was designed to reduce the interference of model error and environmental factors and improved the anti-interference ability of the robot.
Simulation analyses of the self-adaptive-coefficient double-power sliding mode control method, the double-power sliding mode control method, and the traditional computed torque method were performed. The results show that the self-adaptive-coefficient double-power sliding mode control method greatly improved the trajectory tracking accuracy and anti-interference ability.
The simulation showed that the self-adaptive-coefficient double-power sliding mode control method could reduce the trajectory tracking error by more than 71.77% compared with the traditional computed torque method. Even under strong environmental interferences (50 Nm and 75 Nm), the maximum absolute tracking error of the robot remained below 0.5474°. The wearable experiment shows that the lower limb rehabilitation exoskeleton robot had good robustness, and the maximum absolute error of the hip joint and knee joint remained below 0.55° and 1.65°, respectively.

Author Contributions

Conceptualization, Y.Z. and G.C.; Methodology, Y.Z. and G.C.; Software, Y.Z.; Validation, Y.Z., W.L., and L.L.; Investigation, Y.Z.; Writing—original draft preparation, Y.Z.; Writing—review and editing, Y.Z., G.C., D.D., and J.C.; Visualization, Y.Z., L.L., and W.L.; Supervision, G.C.; Project administration, G.C. All authors have read and agreed to the published version of the manuscript.

Funding

This research was funded by the National Natural Science Foundation of China under Grant NSFC (grant number U1813212) and the Shenzhen Government Fund (grant number JSGG20200701095406010).

Institutional Review Board Statement

The study was conducted according to the guidelines of the Declaration of Helsinki, and approved by the Institutional Review Board (or Ethics Committee) of Shenzhen University (protocol code PN-2021-018 and date of approval 2021-5-8).

Informed Consent Statement

Informed consent was obtained from all subjects involved in the study. Written informed consent has been obtained from the patient(s) to publish this paper.

Data Availability Statement

Not applicable.

Conflicts of Interest

The authors declare no conflict of interest.

References

  1. Vaida, C.; Carbone, G.; Major, K.; Major, Z.; Plitea, N.; Pisla, D. On human robot interaction modalities in the upper limb rehabilitation after stroke. Acta Tech. Napoc. Ser. Math. Mech. Eng. 2017, 60, 91–102. [Google Scholar]
  2. Tucan, P.; Vaida, C.; Plitea, N.; Pisla, A.; Carbone, G.; Pisla, D. Risk-based assessment engineering of a Parallel Robot used in post-stroke upper limb rehabilitation. Sustainability 2019, 11, 2893. [Google Scholar] [CrossRef] [Green Version]
  3. Benson, I.; Hart, K.; Tussler, D.; Van Middendorp, J.J. Lower-limb exoskeletons for individuals with chronic spinal cord injury: Findings from a feasibility study. Clin. Rehabil. 2016, 30, 73–84. [Google Scholar] [CrossRef] [PubMed]
  4. Li, N.; Yang, T.; Yu, P.; Chang, J.; Zhao, L.; Zhao, X.; Elhajj, I.H.; Xi, N.; Liu, L. Bio-inspired upper limb soft exoskeleton to reduce stroke-induced complications. Bioinspir. Biomim. 2018, 13, 1–25. [Google Scholar] [CrossRef]
  5. Hobbs, B.; Artemiadis, P. A review of robot-assisted lower-limb stroke therapy: Unexplored paths and future directions in gait rehabilitation. Front. Neurorobot. 2020, 14, 1–16. [Google Scholar] [CrossRef] [Green Version]
  6. Pisla, D.; Nadas, I.; Tucan, P.; Albert, S.; Carbone, G.; Antal, T.; Banica, A.; Gherman, B. Development of a control system and functional validation of a parallel robot for lower limb rehabilitation. Actuators 2021, 10, 277. [Google Scholar] [CrossRef]
  7. Vaida, C.; Birlescu, I.; Pisla, A.; Ulinici, I.M.; Tarnita, D.; Carbone, G.; Pisla, D. Systematic design of a parallel robotic system for lower limb rehabilitation. IEEE Access 2020, 8, 34522–34537. [Google Scholar] [CrossRef]
  8. Bernhardt, M.; Frey, M.; Colombo, G.; Riener, R. Hybrid force-position control yields cooperative behaviour of the rehabilitation robot LOKOMAT. In Proceedings of the 9th International Conference on Rehabilitation Robotics, Chicago, IL, USA, 28 June–1 July 2005; pp. 536–539. [Google Scholar]
  9. Kawabata, T.; Satoh, H.; Sankai, Y. Working posture control of robot suit HAL for reducing structural stress. In Proceedings of the 2009 IEEE International Conference on Robotics and Biomimetics (ROBIO), Guilin, China, 19–23 December 2009; pp. 2013–2018. [Google Scholar]
  10. Talaty, M.; Esquenazi, A.; Briceno, J.E. Differentiating Ability in users of the ReWalkTM Powered Exoskeleton: An analysis of walking kinematics. In Proceedings of the 2013 IEEE 13th International Conference on Rehabilitation Robotics (ICORR), Seattle, WA, USA, 24–26 June 2013; pp. 1–5. [Google Scholar]
  11. Zhou, S.H.; Tan, Y.; Oetomo, D.; Freeman, C.; Burdet, E.; Mareels, I. Modeling of endpoint feedback learning implemented through point-to-point learning control. IEEE Trans. Control Syst. Technol. 2017, 25, 1576–1585. [Google Scholar] [CrossRef] [Green Version]
  12. Campbell, S.M.; DIduch, C.P.; Sensinger, J.W. Autonomous Assistance-as-needed control of a lower limb exoskeleton with guaranteed stability. IEEE Access 2020, 8, 51168–51178. [Google Scholar] [CrossRef]
  13. Chen, C.; Zhang, S.; Zhu, X.; Shen, J.; Xu, Z. Disturbance observer-based patient-cooperative control of a lower extremity rehabilitation exoskeleton. Int. J. Precis. Eng. Manuf. 2020, 21, 957–968. [Google Scholar] [CrossRef]
  14. Amiri, M.S.; Ramli, R.; Ibrahim, M.F. Hybrid design of PID controller for four DoF lower limb exoskeleton. Appl. Math. Model. 2019, 72, 17–27. [Google Scholar] [CrossRef]
  15. Han, S.; Wang, H.; Tian, Y. Adaptive computed torque control based on RBF network for a lower limb exoskeleton. In Proceedings of the 2018 IEEE 15th International Workshop on Advanced Motion Control (AMC), Tokyo, Japan, 9–11 March 2018; pp. 35–40. [Google Scholar]
  16. Sun, W.; Lin, J.-W.; Su, S.-F.; Wang, N.; Er, M.J. Reduced Adaptive fuzzy decoupling control for lower limb exoskeleton. IEEE Trans. Cybern. 2020, 51, 1099–1109. [Google Scholar] [CrossRef]
  17. Han, S.; Wang, H.; Tian, Y.; Christov, N. Time-delay estimation based computed torque control with robust adaptive RBF neural network compensator for a rehabilitation exoskeleton. ISA Trans. 2020, 97, 171–181. [Google Scholar] [CrossRef]
  18. Ahmed, S.F.; Raza, Y.; Mahdi, H.F.; Wan Muhamad, W.M.; Kamran Joyo, M.; Shah, A.; Koondhar, M.Y. Review on sliding mode controller and its modified types for rehabilitation robots. In Proceedings of the 2019 IEEE 6th International Conference on Engineering Technologies and Applied Sciences (ICETAS), Kuala Lumpur, Malaysia, 20–21 December 2019. [Google Scholar]
  19. Brahmi, B.; Bojairami, I.E.; Saad, M.; Driscoll, M.; Zemam, S.; Laraki, M.H. Enhancement of sliding mode control performance for perturbed and unperturbed nonlinear systems: Theory and experimentation on rehabilitation robot. J. Electr. Eng. Technol. 2021, 16, 599–616. [Google Scholar] [CrossRef]
  20. Liu, J.; Zhang, Y.; Wang, J.; Chen, W. Adaptive sliding mode control for a lower-limb exoskeleton rehabilitation robot. In Proceedings of the 2018 13th IEEE Conference on Industrial Electronics and Applications (ICIEA), Wuhan, China, 31 May–2 June 2018; pp. 1481–1486. [Google Scholar]
  21. Du, F.; Sun, Y.; Li, G.; Jiang, G.; Kong, J.; Jiang, D.; Li, Z. Adaptive fuzzy sliding mode control algorithm simulation for 2-DOF articulated robot. Int. J. Wirel. Mob. Comput. 2017, 13, 306–313. [Google Scholar] [CrossRef]
  22. Teng, L.; Bai, S. Fuzzy sliding mode control of an upper-limb exoskeleton robot. In Proceedings of the 2019 IEEE International Conference on Cybernetics and Intelligent Systems (CIS) and IEEE Conference on Robotics, Automation and Mechatronics (RAM), Bangkok, Thailand, 18–20 November 2019; pp. 12–17. [Google Scholar]
  23. Islam, M.R.; Rahmani, M.; Rahman, M.H. A novel exoskeleton with fractional sliding mode control for upper limb rehabilitation. Robotica 2020, 38, 2099–2120. [Google Scholar] [CrossRef]
  24. Nair, A.S.; Ezhilarasi, D. Performance Analysis of super twisting sliding mode controller by ADAMS–MATLAB Co-simulation in lower extremity exoskeleton. Int. J. Precis. Eng. Manuf. Green Technol. 2020, 7, 743–754. [Google Scholar] [CrossRef]
  25. Hao, Z.; Liu, K.; Wei, Q. Adaptive Neural Network Control of Lower Limb Exoskeleton Robots Using Disturbance Observer. In Proceedings of the 2020 5th International Conference on Advanced Robotics and Mechatronics (ICARM), Shenzhen, China, 18–21 December 2020; pp. 246–251. [Google Scholar]
  26. Long, Y.; Peng, Y. Extended State observer-based nonlinear terminal sliding mode control with feedforward compensation for lower extremity exoskeleton. IEEE Access 2021, 1. [Google Scholar] [CrossRef]
  27. Chen, C.F.; Du, Z.J.; He, L.; Wang, J.Q.; Wu, D.M.; Dong, W. Active disturbance rejection with fast terminal sliding mode control for a lower limb exoskeleton in swing phase. IEEE Access 2019, 7, 72343–72357. [Google Scholar] [CrossRef]
  28. Devika, K.B.; Thomas, S. Power rate exponential reaching law for enhanced performance of sliding mode control. Int. J. Control. Autom. Syst. 2017, 15, 2636–2645. [Google Scholar]
  29. Xia, Y.; Xie, W.; Ma, J. Research on trajectory tracking control of manipulator based on modified terminal sliding mode with double power reaching law. Int. J. Adv. Robot. Syst. 2019, 16, 1–10. [Google Scholar] [CrossRef] [Green Version]
  30. Kang, Z.; Yu, H.; Li, C. Variable-parameter double-power reaching law sliding mode control method*. Automatika 2020, 61, 345–351. [Google Scholar] [CrossRef]
  31. Hernández, J.H.; Cruz, S.S.; López-Gutiérrez, R.; González-Mendoza, A.; Lozano, R. Robust nonsingular fast terminal sliding-mode control for Sit-to-Stand task using a mobile lower limb exoskeleton. Control Eng. Pract. 2020, 101, 104496. [Google Scholar] [CrossRef]
  32. Van, M.; Do, X.P.; Mavrovouniotis, M. Self-tuning fuzzy PID-nonsingular fast terminal sliding mode control for robust fault tolerant control of robot manipulators. ISA Trans. 2020, 96, 60–68. [Google Scholar] [CrossRef] [PubMed]
  33. Ren, T.; Dong, Y.; Wu, D.; Chen, K. Collision detection and identification for robot manipulators based on extended state observer. Control Eng. Pract. 2018, 79, 144–153. [Google Scholar] [CrossRef]
  34. Reppa, V.; Tzes, A. Fault detection based on orthotopic set membership identification for robot manipulators. IFAC Proc. Vol. 2008, 17, 7344–7349. [Google Scholar] [CrossRef] [Green Version]
  35. Xie, Y.; Zhang, X.; Meng, W.; Zheng, S.; Jiang, L.; Meng, J.; Wang, S. Coupled fractional-order sliding mode control and obstacle avoidance of a four-wheeled steerable mobile robot. ISA Trans. 2021, 108, 282–294. [Google Scholar] [CrossRef]
  36. La Salle, J.P. The Stability of Dynamical Systems; SIAM: Philadelphia, PA, USA, 1976; ISBN 0898710227. [Google Scholar]
Figure 1. The prototype of the lower limb rehabilitation exoskeleton robot.
Figure 1. The prototype of the lower limb rehabilitation exoskeleton robot.
Applsci 11 10329 g001
Figure 2. Simplified structural diagram of a unilateral lower limb.
Figure 2. Simplified structural diagram of a unilateral lower limb.
Applsci 11 10329 g002
Figure 3. The control block diagram.
Figure 3. The control block diagram.
Applsci 11 10329 g003
Figure 4. The control simulation in MATLAB/Simulink.
Figure 4. The control simulation in MATLAB/Simulink.
Applsci 11 10329 g004
Figure 5. The tracking curve and error of the right hip. (a) The tracking curve of the right hip; (b) The tracking error of the right hip.
Figure 5. The tracking curve and error of the right hip. (a) The tracking curve of the right hip; (b) The tracking error of the right hip.
Applsci 11 10329 g005
Figure 6. The tracking curve and error of the right knee. (a) The tracking curve of the right knee; (b) The tracking error of the right knee.
Figure 6. The tracking curve and error of the right knee. (a) The tracking curve of the right knee; (b) The tracking error of the right knee.
Applsci 11 10329 g006
Figure 7. The angle tracking curve and error of the left hip. (a) The tracking curve of the left hip; (b) The tracking error of the left hip.
Figure 7. The angle tracking curve and error of the left hip. (a) The tracking curve of the left hip; (b) The tracking error of the left hip.
Applsci 11 10329 g007
Figure 8. The angle tracking curve and error of the left knee. (a) The tracking curve of the left knee; (b) The tracking error of the left knee.
Figure 8. The angle tracking curve and error of the left knee. (a) The tracking curve of the left knee; (b) The tracking error of the left knee.
Applsci 11 10329 g008
Figure 9. Motion states of the tester in complete gait cycle.
Figure 9. Motion states of the tester in complete gait cycle.
Applsci 11 10329 g009
Figure 10. Trajectory tracking curve of the right hip joint.
Figure 10. Trajectory tracking curve of the right hip joint.
Applsci 11 10329 g010
Figure 11. Trajectory tracking curve of the right knee joint.
Figure 11. Trajectory tracking curve of the right knee joint.
Applsci 11 10329 g011
Figure 12. Trajectory tracking curve of the left hip joint.
Figure 12. Trajectory tracking curve of the left hip joint.
Applsci 11 10329 g012
Figure 13. Trajectory tracking curve of the left knee joint.
Figure 13. Trajectory tracking curve of the left knee joint.
Applsci 11 10329 g013
Figure 14. Trajectory tracking error curve of the (a) hip joint and (b) knee joint.
Figure 14. Trajectory tracking error curve of the (a) hip joint and (b) knee joint.
Applsci 11 10329 g014
Table 1. Parameters of each component of the exoskeleton robot for lower limb rehabilitation.
Table 1. Parameters of each component of the exoskeleton robot for lower limb rehabilitation.
ComponentDiagramMass/kgAdjustable Range/mmSize/mm
Torso Applsci 11 10329 i0011.750High: 100~190189
Width: 350~500
Thigh Applsci 11 10329 i0023.850400~500418
Shank Applsci 11 10329 i0033.650360~500378
Foot Applsci 11 10329 i0041.450-High: 102
Length: 299
Table 2. The physical parameters of the simplified structure.
Table 2. The physical parameters of the simplified structure.
NomenclatureDescription
θiThe rotation angles of the hip and knee joints in the sagittal plane
liThe lengths of the thigh and shank segments
lciThe distance from the driving joint of the segment to the centroid of the segment
hiThe position offset of the centroid of thigh and shank segments
miThe masses of the thigh segment and shank segments
IiThe inertia of the thigh segment and shank segments
τiThe driving torque of the hip and knee joints
Table 3. The parameters of each body segment.
Table 3. The parameters of each body segment.
SegmentsMassLengthCentroid PositionInertia
mi/kgli/mmlci/mmhi/mmIi/(kg·m2)
Torso48.21874.0358.816.32.4093
Thigh14.05418.0178.514.60.2440
Shank & Foot6.72481.0281.817.80.2142
Table 4. The metrics of control accuracy.
Table 4. The metrics of control accuracy.
IndicatorsPID-CTMDP-SMCSACDP-SMC
Value/°Value/°ReductionValue/°Reduction
ea2.34051.953316.54%0.547476.61%
em0.16790.141815.54%0.047471.77%
re0.50120.419916.22%0.133173.44%
Table 5. The error variation of the three control methods.
Table 5. The error variation of the three control methods.
ΔePID-CTMDP-SMCSACDP-SMC
Value/°Value/°ReductionValue/°Reduction
Δed11.54001.012034.29%0.415373.03%
Δed22.33501.935017.13%0.542576.77%
Table 6. The adjusting time of the three control methods.
Table 6. The adjusting time of the three control methods.
ΔtPID-CTMDP-SMCSACDP-SMC
Value/sValue/sReductionValue/sReduction
Δtd10.22570.188216.61%0.150833.19%
Δtd20.27800.237814.46%0.193130.54%
Publisher’s Note: MDPI stays neutral with regard to jurisdictional claims in published maps and institutional affiliations.

Share and Cite

MDPI and ACS Style

Zhang, Y.; Cao, G.; Li, W.; Chen, J.; Li, L.; Diao, D. A Self-Adaptive-Coefficient-Double-Power Sliding Mode Control Method for Lower Limb Rehabilitation Exoskeleton Robot. Appl. Sci. 2021, 11, 10329. https://doi.org/10.3390/app112110329

AMA Style

Zhang Y, Cao G, Li W, Chen J, Li L, Diao D. A Self-Adaptive-Coefficient-Double-Power Sliding Mode Control Method for Lower Limb Rehabilitation Exoskeleton Robot. Applied Sciences. 2021; 11(21):10329. https://doi.org/10.3390/app112110329

Chicago/Turabian Style

Zhang, Yuepeng, Guangzhong Cao, Wenzhou Li, Jiangcheng Chen, Linglong Li, and Dongfeng Diao. 2021. "A Self-Adaptive-Coefficient-Double-Power Sliding Mode Control Method for Lower Limb Rehabilitation Exoskeleton Robot" Applied Sciences 11, no. 21: 10329. https://doi.org/10.3390/app112110329

APA Style

Zhang, Y., Cao, G., Li, W., Chen, J., Li, L., & Diao, D. (2021). A Self-Adaptive-Coefficient-Double-Power Sliding Mode Control Method for Lower Limb Rehabilitation Exoskeleton Robot. Applied Sciences, 11(21), 10329. https://doi.org/10.3390/app112110329

Note that from the first issue of 2016, this journal uses article numbers instead of page numbers. See further details here.

Article Metrics

Back to TopTop