Effect of Magnetic Field on the Corrosion of API-5L-X65 Steel Using Electrochemical Methods in a Flow Loop
Abstract
1. Introduction
2. Experimental
2.1. Materials and Solution
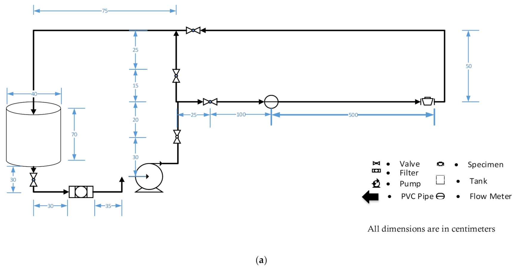
2.2. Experimental Setup
2.3. Electrochemical Measurements
2.4. Surface Analysis
3. Results
3.1. Polarization Curves Measurements
3.2. Electrochemical Impedance Spectroscopy (EIS)
3.3. Surface Roughness and Profile Roughness
3.4. SEM
4. Discussion
4.1. Effect of Magnetic Field on the Corrosion Mechanism of API 5L X65
4.2. Effect of Flow Velocity on the Corrosion Mechanism of API 5L X65
5. Conclusions
Author Contributions
Funding
Institutional Review Board Statement
Informed Consent Statement
Data Availability Statement
Conflicts of Interest
References
- Biezma, M.; Andrés, M.; Agudo, D.; Briz, E. Most fatal oil & gas pipeline accidents through history: A lessons learned approach. Eng. Fail. Anal. 2020, 110, 104446. [Google Scholar] [CrossRef]
- Alawadhi, K.; Aloraier, A.S.; Joshi, S.; Alsarraf, J.; Swilem, S. Investigation on Preferential Corrosion of Welded Carbon Steel Under Flowing Conditions by EIS. J. Mater. Eng. Perform. 2013, 22, 2403–2410. [Google Scholar] [CrossRef]
- Vanaei, H.; Eslami, A.; Egbewande, A.J. A review on pipeline corrosion, in-line inspection (ILI), and corrosion growth rate models. Int. J. Press. Vessel. Pip. 2017, 149, 43–54. [Google Scholar] [CrossRef]
- Khaliq, A. Analysis of steel pipeline corrosion in the context of oil and gas industry. Sci. Int. 2021, 33, 29–32. [Google Scholar]
- Wang, B.; Wang, Y.; Li, Q.; Li, H.; Zhang, L.; Lu, M. Effect of chromium on the corrosion behavior of low Cr-bearing alloy steel under an extremely high flow rate. RSC Adv. 2020, 10, 35302–35309. [Google Scholar] [CrossRef]
- Zhang, G.; Zeng, Y.; Guo, X.; Jiang, F.; Shi, D.; Chen, Z.J. Electrochemical corrosion behavior of carbon steel under dynamic high pressure H2S/CO2 environment. Corros. Sci. 2012, 65, 37–47. [Google Scholar] [CrossRef]
- Utanohara, Y.; Murase, M. Influence of flow velocity and temperature on flow accelerated corrosion rate at an elbow pipe. Nucl. Eng. Des. 2019, 342, 20–28. [Google Scholar] [CrossRef]
- Liu, A.Q.; Bian, C.; Wang, Z.M.; Han, X.; Zhang, J.J. Flow dependence of steel corrosion in supercritical CO2 environments with different water concentrations. Corros. Sci. 2018, 134, 149–161. [Google Scholar] [CrossRef]
- Liu, J.; BaKeDaShi, W.; Li, Z.; Xu, Y.; Ji, W.; Zhang, C.; Cui, G.; Zhang, R.J. Effect of flow velocity on erosion–corrosion of 90-degree horizontal elbow. Wear 2017, 376, 516–525. [Google Scholar] [CrossRef]
- Zhang, G.; Zeng, L.; Huang, H.; Guo, X. A study of flow accelerated corrosion at elbow of carbon steel pipeline by array electrode and computational fluid dynamics simulation. Corros. Sci. 2013, 77, 334–341. [Google Scholar] [CrossRef]
- Zhang, N.; Zeng, D.; Zhang, Z.; Zhao, W.; Yao, G. Effect of flow velocity on pipeline steel corrosion behaviour in H2S/CO2environment with sulphur deposition. Corros. Eng. Sci. Technol. 2018, 53, 370–377. [Google Scholar] [CrossRef]
- Ajmal, T.; Arya, S.B.; Udupa, K.R. Effect of hydrodynamics on the flow accelerated corrosion (FAC) and electrochemical impedance behavior of line pipe steel for petroleum industry. Int. J. Press. Vessel. Pip. 2019, 174, 42–53. [Google Scholar] [CrossRef]
- Xu, L.; Cheng, Y. Effect of fluid hydrodynamics on flow-assisted corrosion of aluminum alloy in ethylene glycol–water solution studied by a microelectrode technique. Corros. Sci. 2009, 51, 2330–2335. [Google Scholar] [CrossRef]
- Rachmawati, I.D.; Nurdin, I.; Widiatmoko, P.; Devianto, H.; Irmayanti, F.; Saptohadi, S. The Effect of Flow Rate and NaCl Concentration on the Corrosion Behavior of Carbon Steel in NaCl Solutions Containing H2S; IOP Conference Series; Materials Science and Engineering 778: Bristol, UK, 2020. [Google Scholar] [CrossRef]
- Balogun, A.-L.; Matori, A.-N.; Hamid-Mosaku, I.A. A fuzzy multi-criteria decision support system for evaluating subsea oil pipeline routing criteria in East Malaysia. Environ. Earth Sci. 2015, 74, 4875–4884. [Google Scholar] [CrossRef]
- Hossam-Eldin, A.A.; Mokhtar, W. Electromagnetic Interference between Electrical Power Lines and Neighboring Pipelines; IEEE: Piscataway, NJ, USA, 2008; pp. 97–102. [Google Scholar]
- Sawma, E.; Zeitoun, B.; Harmouche, N.; Georges, S.; Hamad, M.; Slaoui, F. Electromagnetic Induction in Pipelines due to Overhead High Voltage Power Lines; IEEE: Piscataway, NJ, USA, 2010; pp. 1–6. [Google Scholar]
- Li, Y.; Dawalibi, F.P. Effects of Current Unbalance and Transmission Line Configuration on the Interference Levels Induced on Nearby Pipelines. In Proceedings of the CORROSION 2004, New Orleans, LA, USA, 28 March –1 April 2004. [Google Scholar]
- Gouda, O.E.; EL Dein, A.Z.; El-Gabalawy, M.A. Effect of electromagnetic field of overhead transmission lines on the metallic gas pipelines. Electr. Power Syst. Res. 2013, 103, 129–136. [Google Scholar] [CrossRef]
- Ouadah, M.; Touhami, O.; Ibtiouen, R.; Benlamnouar, M.; Zergoug, M. Corrosive effects of the electromagnetic induction caused by the high voltage power lines on buried X70 steel pipelines. Int. J. Electr. Power Energy Syst. 2017, 91, 34–41. [Google Scholar] [CrossRef]
- Hu, J.; Dong, C.; Li, X.; Xiao, K. Effects of Applied Magnetic Field on Corrosion of Beryllium Copper in NaCl Solution. J. Mater. Sci. Technol. 2010, 26, 355–361. [Google Scholar] [CrossRef]
- Chiba, A.; Ogawa, T.J. Effects of magnetic field direaction on the dissolution of copper, zinc, and brass in nitric acid. Corros. Eng. 1988, 37, 531. [Google Scholar]
- Lu, Z.; Yang, W. In situ monitoring the effects of a magnetic field on the open-circuit corrosion states of iron in acidic and neutral solutions. Corros. Sci. 2008, 50, 510–522. [Google Scholar] [CrossRef]
- Sueptitz, R.; Tschulik, K.; Uhlemann, M.; Schultz, L.; Gebert, A. Effect of high gradient magnetic fields on the anodic behaviour and localized corrosion of iron in sulphuric acid solutions. Corros. Sci. 2011, 53, 3222–3230. [Google Scholar] [CrossRef]
- Zheng, B.; Li, K.; Liu, H.; Gu, T. Effects of Magnetic Fields on Microbiologically Influenced Corrosion of 304 Stainless Steel. Ind. Eng. Chem. Res. 2014, 53, 48–54. [Google Scholar] [CrossRef]
- Hinds, G.; Coey, J.M.D.; Lyons, M. Influence of magnetic forces on electrochemical mass transport. Electrochem. Commun. 2001, 3, 215–218. [Google Scholar] [CrossRef]
- Shinohara, K.; Aogaki, R. Magnetic Field Effect on Copper Corrosion in Nitric Acid. Electrochemistry 1999, 67, 126–131. [Google Scholar] [CrossRef]
- Aaboubi, O.; Chopart, J.-P.; Douglade, J.; Olivier, A.; Gabrielli, C.; Tribollet, B. Magnetic Field Effects on Mass Transport. J. Electrochem. Soc. 1990, 137, 1796–1804. [Google Scholar] [CrossRef]
- Costa, I.; Oliveira, M.; De Melo, H.; Faria, R.J. The effect of the magnetic field on the corrosion behavior of Nd–Fe–B permanent magnets. J. Magn. Magn. Mater. 2004, 278, 348–358. [Google Scholar] [CrossRef]
- Pondichery, S. A Study on the Effect of Magnetic Field on the Corrosion Behavior of Materials. Master of Science Thesis, The University of Texas, Arlington, TX, USA, December 2014. [Google Scholar]
- Li, X.; Zhang, M.; Yuan, B.; Li, L.; Wang, C.J. Effects of the magnetic field on the corrosion dissolution of the 304 SS│ FeCl3 system. Electrochim. Acta 2016, 222, 619–626. [Google Scholar] [CrossRef]
- Ručinskien, A.; Bikulčius, G.; Gudavičiūt, L.; Juzeliūnas, E. Magnetic field effect on stainless steel corrosion in FeCl3 solution. Electrochem. Commun. 2002, 4, 86–91. [Google Scholar] [CrossRef]
- Chiba, A.; Ogawa, T.J. Influence of angle of the line of magnetic force on the dissolution of copper, zinc and brass in nitric acid solution. Corros. Eng. 1988, 37, 595–600. [Google Scholar] [CrossRef]
- Zhang, X.; Wang, Z.; Zhou, Z.; Yang, G.; Cai, X. Impact of magnetic field on corrosion performance of Al–Mg alloy with different electrode potential phases. Intermetallics 2021, 129, 107037. [Google Scholar] [CrossRef]
- Ravikumar, A.; Rostron, P.; Vahdati, N.; Shiryayev, O. Parametric Study of the Corrosion of API-5L-X65 QT Steel Using Potentiostat Based Measurements in a Flow Loop. Appl. Sci. 2021, 11, 444. [Google Scholar] [CrossRef]
- Almahmoud, S.; Shiryayev, O.; Vahdati, N.; Rostron, P. Pipeline Internal Corrosion Sensor Based on Fiber Optics and Permanent Magnets; International Society for Optics and Photonics: Bellingham, WA, USA, 2018; p. 1059836. [Google Scholar]
- AlMahmoud, S.; Shiryayev, O.; Vahdati, N.; Rostron, P. Detection of Internal Metal Loss in Steel Pipes and Storage Tanks via Magnetic-Based Fiber Optic Sensor. Sensors 2018, 18, 815. [Google Scholar] [CrossRef]
- Aljarah, A.; Vahdati, N.; Butt, H. Magnetic Internal Corrosion Detection Sensor for Exposed Oil Storage Tanks. Sensors 2021, 21, 2457. [Google Scholar] [CrossRef]
- Han, J.; Carey, J.W.; Zhang, J. Effect of sodium chloride on corrosion of mild steel in CO2-saturated brines. J. Appl. Electrochem. 2011, 41, 741–749. [Google Scholar] [CrossRef]
- May, M.J. Corrosion behavior of mild steel immersed in different concentrations of NaCl solutions. J. Sebha Univ. 2016, 15, 1–12. [Google Scholar]
- Fontana, M.G. Corrosion Engineering; Tata McGraw-Hill Education: New York, NY, USA, 2005. [Google Scholar]
- Sherif, E.-S.M.; Almajid, A.A.; Khalil, K.A.; Junaedi, H.; Latief, F.J. Electrochemical studies on the corrosion behavior of API X65 pipeline steel in chloride solutions. Int. J. Electrochem. Sci. 2013, 8, 9360–9370. [Google Scholar]
- Sherif, E.-S.M.; Almajid, A.A. Anodic Dissolution of API X70 Pipeline Steel in Arabian Gulf Seawater after Different Exposure Intervals. J. Chem. 2014, 2014, 1–7. [Google Scholar] [CrossRef]
- Sherif, E.-S.M.; Erasmus, R.; Comins, J.J. In situ Raman spectroscopy and electrochemical techniques for studying corrosion and corrosion inhibition of iron in sodium chloride solutions. Electrochim. Acta 2010, 55, 3657–3663. [Google Scholar] [CrossRef]
- Sherif, E.-S.M.J. A comparative study on the electrochemical corrosion behavior of iron and X-65 steel in 4.0 wt% sodium chloride solution after different exposure intervals. Molecules 2014, 19, 9962–9974. [Google Scholar] [CrossRef]
- Gilberg, M.R.; Seeley, N.J.J. The identity of compounds containing chloride ions in marine iron corrosion products: A critical review. Stud. Conserv. 1981, 26, 50–56. [Google Scholar]
- Jiles, D.J. Magnetic properties and microstructure of AISI 1000 series carbon steels. J. Phys. D Appl. Phys. 1988, 21, 1186. [Google Scholar] [CrossRef]
- Wilson, E.J.N. Magnetic Induction in Iron and other Metals. Nature 1893, 47, 460–461. [Google Scholar] [CrossRef][Green Version]
- Callister, W.D., Jr.; Rethwisch, D.G. Callister’s Materials Science and Engineering; John Wiley & Sons: Hoboken, NJ, USA, 2020; p. 2020. [Google Scholar]
- Zhao, S.; You, Z.; Zhang, X.; Li, J. Magnetic field effects on the corrosion and electrochemical corrosion of Fe83Ga17 alloy. Mater. Charact. 2021, 174, 110994. [Google Scholar] [CrossRef]
- Zhao, S.; Bai, J.; You, Z.; Li, J. Effect of a magnetic field on stress corrosion cracking of Fe83Ga17 alloy. Corros. Sci. 2020, 167, 108539. [Google Scholar] [CrossRef]
- Zhang, G.; Liu, D.; Li, Y.; Guo, X.J. Corrosion behaviour of N80 carbon steel in formation water under dynamic supercritical CO2 condition. Corros. Sci. 2017, 120, 107–120. [Google Scholar] [CrossRef]












| C | Mn | Si | P | S | Cr | Ni | Mo | Cu | V | Ti | Nb | B |
|---|---|---|---|---|---|---|---|---|---|---|---|---|
| 0.11 | 1.06 | 0.21 | 0.012 | 0.0017 | 0.06 | 0.09 | 0.02 | 0.23 | 0.004 | 0.016 | 0.002 | 0.0002 |
| Sample Name | Flow Vel. (m/s) | Magnet Orientation | βa (V/decade) | |βc| (V/decade) | Icorr (µAcm−2) | Ecorr (mV vs. Ag/Agcl) | Rp (Ωcm2) | Corrosion Rate (mmpy) |
|---|---|---|---|---|---|---|---|---|
| A1 | 0 | No Magnet | 5.76 × 10−1 | 2.13 × 10−1 | 19.4 | −478 | 2879 | 0.28 |
| A2 | 0 | N–S | 3.71 × 10−1 | 1.94 × 10−1 | 21.4 | −505 | 1998 | 0.33 |
| A3 | 0 | N–N | 5.43 × 10−1 | 5.04 × 10−1 | 62.3 | −485 | 1337 | 1.00 |
| B1 | 1 | No Magnet | 3.04 × 10−1 | 2.94 × 10−1 | 25.5 | −715 | 1438 | 0.70 |
| B2 | 1 | N–S | 4.79 × 10−1 | 3.73 × 10−1 | 65.5 | −762 | 906.3 | 1.11 |
| B3 | 1 | N–N | 5.76 × 10−1 | 3.27 × 10−1 | 90.1 | −809 | 734.6 | 1.54 |
| C1 | 2 | No Magnet | 5.30 × 10−1 | 3.73 × 10−1 | 97.7 | −412 | 776.8 | 0.78 |
| C2 | 2 | N–S | 6.45 × 10−1 | 4.34 × 10−1 | 112 | −486 | 690 | 1.47 |
| C3 | 2 | N–N | 7.91 × 10−1 | 6.02 × 10−1 | 149 | −595 | 702.5 | 2.39 |
| Sample Name | Rs (Ωcm2) | Qdl (snΩ−1cm−2) | n1 | Rct (Ωcm2) | Rf (Ωcm2) | Cf (Fcm−2) |
|---|---|---|---|---|---|---|
| A1 | 71.2 | 2.55 × 10−4 | 5.29 × 10−1 | 3.31 × 10−3 | 490.3 | 3.65 × 10−7 |
| A2 | 51.19 | 3.15 × 10−4 | 5.74 × 10−1 | 2.33 × 10−3 | 373.8 | 2.67 × 10−6 |
| A3 | 54.95 | 6.79 × 10−4 | 4.93 × 10−1 | 1.80 × 10−3 | 100.3 | 2.86 × 10−6 |
| B1 | 49.62 | 1.34 × 10−4 | 6.40 × 10−1 | 1.42 × 10−3 | 4.295 | 1.10 × 10−6 |
| B2 | 42.3 | 1.93 × 10−4 | 6.41 × 10−1 | 870.4 | 4.375 | 1.78 × 10−7 |
| B3 | 49.73 | 3.92 × 10−4 | 5.38 × 10−1 | 698.5 | 13.54 | 5.49 × 10−7 |
| C1 | 5.702 | 7.62 × 10−4 | 6.48 × 10−1 | 723.9 | 4.778 | 2.10 × 10−5 |
| C2 | 10.18 | 5.99 × 10−4 | 6.33 × 10−1 | 683.7 | 4.735 | 1.38 × 10−5 |
| C3 | 5.733 | 5.35 × 10−3 | 4.98 × 10−1 | 304.2 | 5.127 | 6.92 × 10−5 |
| Sample Number | 3D View | 3D View with Distribution | Top View with Selection (500 µm) | Top View Filtered Area 3 mm × 3 mm (200 µm) |
|---|---|---|---|---|
| Before Corrosion | ![]() | ![]() | ![]() | ![]() |
| A1 | ![]() | ![]() | ![]() | ![]() |
| A2 | ![]() | ![]() | ![]() | ![]() |
| A3 | ![]() | ![]() | ![]() | ![]() |
| B1 | ![]() | ![]() | ![]() | ![]() |
| B2 | ![]() | ![]() | ![]() | ![]() |
| B3 | ![]() | ![]() | ![]() | ![]() |
| C1 | ![]() | ![]() | ![]() | ![]() |
| C2 | ![]() | ![]() | ![]() | ![]() |
| C3 | ![]() | ![]() | ![]() | ![]() |
| Sample Number | Sa(µm) | Vmp (mL/m2) | Vmc (mL/m2) | Vvv (mL/m2) | Ra(nm) |
|---|---|---|---|---|---|
| Before Corrosion | 3.3984 | 0.1914 | 3.7594 | 0.3698 | 131.9685 |
| A1 | 7.4325 | 0.5562 | 8.1134 | 0.5903 | 234.0398 |
| A2 | 8.3968 | 0.3755 | 9.1289 | 0.5769 | 117.2709 |
| A3 | 8.4291 | 0.5501 | 9.8871 | 0.408 | 109.5201 |
| B1 | 6.4986 | 0.2549 | 7.6842 | 0.5426 | 108.5177 |
| B2 | 8.2364 | 0.4605 | 9.5185 | 0.6602 | 241.608 |
| B3 | 9.2522 | 0.5572 | 10.403 | 0.4405 | 245.7435 |
| C1 | 3.4676 | 0.3517 | 3.8541 | 0.2111 | 70.1792 |
| C2 | 7.0254 | 0.7044 | 7.4242 | 0.4545 | 312.4567 |
| C3 | 7.7112 | 1.1774 | 7.8804 | 0.7421 | 63.16683 |
| Sample Number | 3D View 50× | 3D View Distributed 50× | Location 1 (100 µm) |
|---|---|---|---|
| Before Corrosion | ![]() | ![]() | ![]() |
| A1 | ![]() | ![]() | ![]() |
| A2 | ![]() | ![]() | ![]() |
| A3 | ![]() | ![]() | ![]() |
| B1 | ![]() | ![]() | ![]() |
| B2 | ![]() | ![]() | ![]() |
| B3 | ![]() | ![]() | ![]() |
| C1 | ![]() | ![]() | ![]() |
| C2 | ![]() | ![]() | ![]() |
| C3 | ![]() | ![]() | ![]() |
| Sample Name | 500 µm | 20 µm | SEM EDX | ||
|---|---|---|---|---|---|
| Before Corrosion | ![]() | ![]() | Element C K O K MnK FeK | Wt % 1.28 1.57 1.86 95.29 | At % 5.48 5.05 1.74 87.73 |
| A1 | ![]() | ![]() | Element C K O K NaK ClK MnK FeK | Wt % 1.24 2.52 0.41 0.30 1.51 94.02 | At % 5.16 7.90 0.88 0.42 1.29 84.35 |
| A2 | ![]() | ![]() | Element C K O K NaK ClK MnK FeK | Wt % 2.61 3.07 0.63 0.37 1.56 91.77 | At % 10.27 9.04 1.28 0.50 1.34 77.57 |
| A3 | ![]() | ![]() | Element C K O K NaK ClK MnK FeK | Wt % 1.69 13.20 0.29 0.38 1.42 83.01 | At % 5.64 32.98 0.50 0.43 1.04 59.42 |
| B1 | ![]() | ![]() | Element C K O K NaK ClK MnK FeK | Wt % 3.73 2.10 0.33 0.10 1.61 92.14 | At % 14.51 6.15 0.67 0.13 1.37 77.17 |
| B2 | ![]() | ![]() | Element C K O K NaK ClK MnK FeK | Wt % 2.95 2.73 0.45 0.22 1.99 91.66 | At % 11.59 8.04 0.93 0.29 1.71 77.45 |
| B3 | ![]() | ![]() | Element C K O K NaK ClK MnK FeK | Wt % 2.90 9.54 0.22 0.36 2.27 84.72 | At % 9.99 24.69 0.40 0.42 1.71 62.80 |
| C1 | ![]() | ![]() | Element C K O K NaK ClK MnK FeK | Wt % 2.21 4.33 0.47 0.30 1.81 90.87 | At % 8.59 12.63 0.96 0.40 1.54 75.89 |
| C2 | ![]() | ![]() | Element C K O K NaK ClK MnK FeK | Wt % 1.60 6.38 0.73 0.43 1.83 89.03 | At % 6.04 18.11 1.44 0.55 1.51 72.35 |
| C3 | ![]() | ![]() | Element C K O K NaK ClK MnK FeK | Wt % 1.81 16.41 0.37 0.52 1.62 79.28 | At % 5.66 38.61 0.61 0.55 1.11 53.45 |
Publisher’s Note: MDPI stays neutral with regard to jurisdictional claims in published maps and institutional affiliations. |
© 2021 by the authors. Licensee MDPI, Basel, Switzerland. This article is an open access article distributed under the terms and conditions of the Creative Commons Attribution (CC BY) license (https://creativecommons.org/licenses/by/4.0/).
Share and Cite
Parapurath, S.; Ravikumar, A.; Vahdati, N.; Shiryayev, O. Effect of Magnetic Field on the Corrosion of API-5L-X65 Steel Using Electrochemical Methods in a Flow Loop. Appl. Sci. 2021, 11, 9329. https://doi.org/10.3390/app11199329
Parapurath S, Ravikumar A, Vahdati N, Shiryayev O. Effect of Magnetic Field on the Corrosion of API-5L-X65 Steel Using Electrochemical Methods in a Flow Loop. Applied Sciences. 2021; 11(19):9329. https://doi.org/10.3390/app11199329
Chicago/Turabian StyleParapurath, Shahid, Arjun Ravikumar, Nader Vahdati, and Oleg Shiryayev. 2021. "Effect of Magnetic Field on the Corrosion of API-5L-X65 Steel Using Electrochemical Methods in a Flow Loop" Applied Sciences 11, no. 19: 9329. https://doi.org/10.3390/app11199329
APA StyleParapurath, S., Ravikumar, A., Vahdati, N., & Shiryayev, O. (2021). Effect of Magnetic Field on the Corrosion of API-5L-X65 Steel Using Electrochemical Methods in a Flow Loop. Applied Sciences, 11(19), 9329. https://doi.org/10.3390/app11199329



























































































