Abstract
This paper proposes an Adaptive Neural Fuzzy Inference System (ANFIS) model for diagnosis of combined Inter Turn Short Circuit (ITSC) and Broken Rotor Bar (BRB) faults in a Squirrel Cage Induction Motor (SC-IM). The signal of the stator current is obtained from a really healthy and faulty SC-IM. Experimental tests have been set up using a 1.5 Hp/380 V three-phase SC-IM with different combined ITSC and BRB faults under different loading conditions. Before entering the model, the Discrete Wavelet Transform (DWT) pre-processes the stator current signal. The DWT generates data sets in order to evaluate the proposed technique. ANFIS based on DWT is used successfully to diagnose the most relevant faults very effectively. In addition, ANFIS based on the DWT method has been compared to ANFIS and ANFIS based on an auto-regressive model, finding that the proposed method achieves higher efficiency than the previous one. The proposed ANFIS based on the DWT model classifies entirely different states of combined ITSC and BRB faults with high accuracy.
1. Introduction
A Squirrel Cage Induction Motor (SC-IM) is a vital electrical machine in industrial plants. Although the SC-IM is one of the normally used machines, for various technical, extraordinarily reliable, and economic reasons, the SC-IM faces various stresses throughout operation states which cause many varieties of faults. It is therefore helpful to research automatic machine fault diagnosis techniques. The SC-IM faults are varied. The common faults are stator winding faults [1], bearing faults [2], and broken rotor bar faults [3]. The Inter Turn Short Circuit (ITSC) occurred due to insulation faults. The winding can be damaged when a high current flows in the short-circuited coils. The Broken Rotor Bar (BRB) fault is catastrophic. It can harm other SC-IM components. For this reason, the detection of ITSC and BRB faults improves the reliability of the system. Recently, several researchers have focused on BRB and ITSC faults. The stator current is analyzed to detect BRB faults [4]. The analysis shows that the presence of unbalanced current in a three-phase induction motor affects the amplitude of the characteristic frequencies of broken bars fault on the stator current spectrum. The analysis of permanent magnet synchronous machines’ stator winding impedance variation in ITSC and eccentricity faults are studied in [5]. The impedance difference of healthy and faulty motors is used to detect and classify these faults, and the results are verified through finite element analysis simulations and experimental analysis. The Hilbert transformation is used to locate and detect BRB faults [6]. The proposed method is based on monitoring specific statistical parameters derived from a start-up stator current envelope study. The validation of the proposed method is implemented for direct line start and inverter fed operations. The induction motor model was investigated in the case of no-load and full load at various fault severity levels. Mathematical modelling of ITSC of permanent magnet synchronous motor windings using a multiple-coupled circuit has been developed in [7]. In this study, power spectral density was used to detect stator winding short circuit faults and estimate the fault severity. The stator current frequency spectrum was analyzed to diagnose the fault and location of ITSC. It was identified that the amplitude of the third harmonic of the current was the most distinguishing characteristic for detecting the ITSC fault ratio of a permanent magnet synchronous motor. Many researchers use artificial intelligence techniques to increase the accuracy of diagnosing ITSC or BRB faults: the Artificial Neural Network (ANN) is used to diagnose ITSC faults [1], and BRB faults are detected and classified using the Adaptive Neural Fuzzy Inference System (ANFIS) [2]. The common techniques are ANN, fuzzy logic, and ANFIS. In [8], the authors proposed the radial basis function multilayer perceptron cascade neural network-based stator winding inter-turn short and rotor eccentricity faults detection for three-phase induction motors. Simple statistical characteristics of stator current are extracted to be input features. The principal component analysis is used to select appropriate input features for the classifier. In [9], a feed-forward neural network technique for diagnosing stator inter-turn faults is developed. The current signals are obtained using the finite element model for interior mount line-start permanent magnet synchronous motors. An experimental test rig was implemented to validate the finite element model. The input to the neural network is a group of statistical and frequency-based features extracted from the steady-state three-phase stator current signals. In [10], the efficacy of fuzzy logic is presented for the detection and diagnosis of faults for induction motor drive systems. The root-mean-square value and total harmonic distortion of the stator currents can accurately diagnose different drive fault conditions. The developed algorithm is verified using simulation in MATLAB Simulink. The main drawback of fuzzy logic is that the membership functions and the amount of overlap between linguistic variables must be properly chosen while fuzzifying them [11]. ANN is not easily explainable, despite the superior performance that may be associated with it. It is difficult to compare it to the human brain’s inference function [12]. ANFIS is a hybrid of ANN and fuzzy logic that can incorporate important features of both techniques [13]. The ANN’s learning ability and the fuzzy system’s logical reasoning ability have been combined in ANFIS [14]. ANFIS takes into account the positive features of ANN and fuzzy logic techniques for classifying and detecting different rotating machinery faults [15]. A Discrete Wavelet Transform (DWT) is used to analyze the raw currents in the time domain [16]. The DWT method is very significant for extracting features of the measured stator current signal where it was revealed in the performance of the fault diagnostic model [17]. The DWT is studied for the Park’s vector modulus of current signals to detect ITSC fault [18]. The abnormal signals are used to detect different states of faults. Wavelets are employed to extract fault features [19]. The DWT is a much stronger and more efficient technique compared to Fourier transform techniques [19]. The stator current is analyzed based on DWT to detect and classify the stator faults in IM. The detection and classification are based on the Euclidean Distance of the Wavelet Energy Coefficient of the stator current [20]. The Auto-Regressive (AR) model relied on the auto-correlation approach to extract the signal’s hidden features. The AR model is a widely used technique in applied research. The AR model’s coefficients are computed using linear prediction coding [21]. The most related references are included in the literature review.
In this research work, the stator currents are acquired from a real SC-IM. The abc stator currents are converted to qd stationary axes to enhance the prospects of IM faults diagnosis. ANFIS has a fundamental limitation, which is the fact that it is computationally expensive when the size of the input vector is large. When the number of inputs is large, the number of rules and their tenable parameters increase exponentially. Hence, the three-phase stator currents are converted to Iq and Id frame using Clark’s transformation to simplify the number of inputs. The DWT pre-processes the qd signals to get the characteristics of the signal. The ANFIS model studies the extracted features in order to give high accuracy and overcome the drawbacks of the traditional techniques. The ANFIS model based on the extracted features from DWT is performed to detect and classify the combined ITSC and BRB faults. Therefore, the proposed classifier is trained and tested with a data set obtained from the extracted features. The experimental tests are implemented on a 1.5 Hp SC-IM with different states of combined ITSC and BRB faults under different loading conditions. The experimental results demonstrate that the proposed method can accurately analyze and recognize two SC-IM faults simultaneously. The performance of ANFIS based on DWT has been compared to ANFIS. Furthermore, ANFIS based on DWT is compared to ANFIS based on the AR model. ANN plays a main role in determining the correct input–output fault diagnosis relation. Furthermore, ANN has the advantage of self-learning from available data. Fuzzy logic presents heuristic reasoning about the fault diagnosis process. ANFIS is a hybrid of ANN and fuzzy logic; ANFIS takes the advantage of both techniques. The effectiveness of using ANFIS are successfully investigated using experimental tests. The experimental results give evidence of the robustness and scalability of ANFIS. The obtained results illustrate that ANFIS has the ability to diagnose two different SC-IM faults at the same time accurately. In future research work, the comparison between ANFIS, PCA and machine learning techniques will be done. It was observed that ANFIS based on DWT achieved better performance. Therefore, the DWT is recommended for pre-processing of input data to ANFIS to diagnose SC-IM faults.
The rest of the paper is organized as follows: Section 2 offers features extraction, whereas Section 3 provides an adaptive neural fuzzy inference system. In Section 4, the proposed method is discussed and outlined. The experimental setup of the SC-IM along with the control arrangements are investigated in Section 5. In Section 6, the results and their discussions are illustrated. The main conclusion points are drawn in Section 7.
2. Features Extraction
Wavelet transforms are divided into continuous wavelet transform (CWT) and DWT. The CWT of the signal is expressed as follows [22]:
where ψ(t) is the mother wavelet that represents a contentious function in the time domain and frequency domain, ψ*(t) is the complex conjugates of the mother wavelet, is the scale value, and is the translation value. The normalized wavelet function is defined more compactly as:
The integral equation is rewritten as:
DWT is presented to address the weaknesses of CWT. The mother wavelet is dilated discretely in DWT by changed = = where parameters and are constants, and Here, is the set of positive integers. The mother wavelet is detailed as the following [23]:
The DWT can be defined as:
The DWT analyses the signal by decomposing the signal into an approximation and detail coefficients. Figure 1 shows the first level decomposition filter process. The original signal x[n] is passed through a digital low-pass filter g[n] and a digital high-pass filter h[n].
Figure 1.
The first level decomposition filter process.
Approximation coefficients of the signal are the low-pass filter outputs. Detail coefficients of the signal are the high-pass filter outputs. The first level decomposition can be defined as [23]:
In this study, the qd signals are decomposed by DWT for feature extraction. The Haar mother wavelet and maximum decomposition level are obtained in DWT. The qd signals are passed in two DWT high-pass and low-pass filters to analyze the signal frequency. The high-pass filter is used to examine the high frequency, and the low-pass filter is used to examine the low frequency. Then, the approximation component (low frequency) is used as input data in the ANFIS model.
3. Adaptive Neural Fuzzy Inference System
ANFIS is a hybrid of ANN and fuzzy logic to apply the learning ability to the fuzzy system. ANFIS is composed of five layers [24], as presented in Figure 2.
Figure 2.
Equivalent ANFIS architecture.
Layer 1 represents the fuzzification layer. It calculates the membership function:
where the and are the bell function parameters.
Layer 2 defines the rules layer. The output is the firing strength of each node:
Layer 3 denotes the normalization layer. It normalizes the calculated firing strength:
Layer 4 represents the consequent layer. The output of this layer is the product of normalized firing strength and the fuzzy rules consequent polynomial:
where , , and are the consequent parameter sets.
Layer 5 defines the defuzzification layer. Its output is the overall ANFIS output:
Tuning all the adaptable parameters is the task of the learning algorithm in order to make the training data match the ANFIS output. The ANFIS model is trained to obtain the minimum Root Mean Square Error (RMSE) between the predicted values and actual measurements. RMSE can be defined as [25]:
where denotes the actual measurement, is the predicted value and n presents the number of samples.
4. Proposed Method
The intelligent fault diagnosis real-time procedure starts with obtaining the abc stator currents from SC-IM with various states of combined ITSC and BRB faults. The SC-IM operates at 10%, 20%, 30%, 40%, 50%, 60%, 70%, 80%, 90%, and 100% of loading conditions with one BRB, two BRB and different ITSC faults: 2%, 5%, 7%, and 10% of ITSC faults. The abc currents are converted to qd signals. DWT pre-processed the qd signals. The low-frequency component is used as input data in the ANFIS model. The target of faults is shown in Table 1. The data set is used to train and test the ANFIS technique. A full schematic illustration of the work is given in Figure 3. A Fuzzy Logic Controller (FLC) model is built on Matlab Simulink to diagnose the SC-IM faults. The ANFIS based on the DWT method is compared to ANFIS without data pre-processing and ANFIS based on an auto-regressive model. ANFIS based on DWT realized higher performance. Several experimental tests are performed to diagnose combined ITSC and BRB faults in SC-IM under different loading conditions.
Table 1.
Combined BRB and ITSC faults.
Figure 3.
Schematic of the proposed method.
5. Experimental Setup
The experimental setup in the laboratory is implemented on a 1.5 Hp/380 V SC-IM. The specification of the SC-IM is depicted in Table 2. A three-phase voltage source is equipped with the SC-IM, as shown in Figure 4. A specific connected point is supplied to various turns of stator coil windings to indicate the different states of ITSC faults. In phase “A”, 7, 17, 24, and 35 turns represent 2%, 5%, 7%, and 10% of the turns as presented in Figure 5.
Table 2.
SC-IM specifications.
Figure 4.
Experimental setup.
Figure 5.
ITSC faults schematic.
The switches on the printed circuit board are used to select the variety of ITSC faults. The first SC-IM is drilled in one rotor bar to present one BRB fault. The second SC-IM is drilled in two rotor bars to present two BRB faults as shown in Figure 6. A DC generator is coupled to SC-IM; that is, the load of the motor. The selector switch in the printed circuit board is used to vary the resistance in order to change the SC-IM load. The scope and Current/Voltage isolator are connected to measure the abc stator currents. The measurements are obtained for healthy and different combined BRB and ITSC faults under different loading conditions. The broken rotor bar faults affect the stator current profiles. The amplitude of the signal decreases when the number of broken rotor bars decreases. Therefore, ANFIS based on DWT can diagnose faults in the early stage.
Figure 6.
Broken rotor bar faults.
6. Results and Discussions
Several experimental tests are performed on SC-IM with healthy and faulty working conditions under different loading conditions. The abc stator currents are converted to qd signals (e.g., Iq and Id) using Clark’s Transformation. The number of samples obtained is 125,000 samples for every signal. The qd signals are pre-processed using DWT. The mother wavelet “haar” is selected, and the maximum decomposition level was obtained to perform DWT analysis. The data set generated from DWT is used to train and test the ANFIS model. The testing procedure is utilized to assess the performance of the ANFIS model.
6.1. Diagnosis of Combined BRB and 2% of ITSC Faults Using ANFIS Based on DWT
The test is implemented on SC-IM with one BRB, two BRB, and 2% of ITSC faults at No load. The training data set is 500 samples, and the testing data set 500 is samples. The ANFIS program is designed in MATLAB software. The sub-clustering is developed. The ANFIS output of training is shown in Figure 7. The solid line is the target values: ‘0’ for healthy condition, ‘1’ for one BRB fault, ‘2’ for two BRB faults, ‘3’for 2% of ITSC fault, ‘4’ for combined two BRB, and 2% of ITSC faults. The circles are the index of faults, which is the ANFIS output.
Figure 7.
The training ANFIS output for combined BRB and 2% of ITSC faults.
The testing data set, which is different to the holdout dataset from the training data set, is applied to ANFIS to evaluate the performance of ANFIS. Figure 8 presents the testing ANFIS output. The solid line represents the target values, and the circles represent the index of faults. The testing ANFIS output is “0” from 501 to 600 samples for healthy condition, “1” from 601 to 700 samples for one BRB fault, “2” from 701 to 800 samples for two BRB faults, “3” from 801 to 900 samples for 2% of ITSC fault and “4” from 901 to 1000 samples for combined two BRB and 2% of ITSC faults with good accuracy.
Figure 8.
The testing ANFIS output for combined BRB and 2% of ITSC faults.
The RMSE is calculated to evaluate the performance of ANFIS based on DWT. The training RMSE is 5.6073 × 10−7 and the testing RMSE is 5.5547 × 10−7. ANFIS achieved high performance and learned the test data for all the samples with reasonable accuracy.
As a result, ANFIS based on DWT features is a well-structured tool for diagnosing the combined BRB and 2% of ITSC faults.
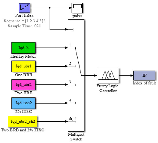
The FLC model is implemented on MATLAB Simulink for diagnosing combined BRB and 2% of ITSC faults of SC-IM. Figure 9 shows the FLC Model to diagnose combined BRB and 2% of ITSC faults. Five signals are the input of the multiport switch.
Figure 9.
FLC model to diagnose combined BRB and 2% of ITSC faults.
These signals are the Iqd_h of a healthy motor, Iqd_ubr1 of one BRB fault, Iqd_ubr2 of two BRB faults, Iqd_ubr2 of a 2% of ITSC fault, and Iqd_ubr2_sh2 for a combined two BRB and 2% of ITSC faults condition.
The fuzzy logic controller is connected directly to the output multiport switch. The designed ANFIS program is stored in FLC. FLC output gives the index of faults. The duration of the operating process of FLC is 0.1 s. In order for the multiport switch to select the input signals, the sample time of the port index is adjusted to 0.021 s. At the start, the multiport switch selects 25,000 samples for the healthy condition. After 0.021 s, 25,000 samples for one BRB fault are selected. After 0.021 s, 25,000 samples for two BRB faults are selected. After 0.021 s, 25,000 samples for 2% of the ITSC fault are selected. After 0.021 s, 25,000 samples for a combined two BRB and 2% of ITSC faults are selected as shown in Figure 10.
Figure 10.
The index of fault for combined BRB and 2% of ITSC Faults.
A Wavelet packet transform is used for the detection of bearing failures via stator current analysis [26]. In all stages, both low-pass and high-pass, bands are split in wavelet packet transform. The stator current is decomposed by the Meyer wavelet. Afterward, energy is calculated. Energy is used as a fault index. It is increased in the case of bearing faults compared with a health condition. In this paper, the DWT is used to extract features from qd signals. The low-frequency component is used as input data in the ANFIS model to detect and classify combined ITSC and BRB faults in SC-IM. RMSE scores are used to evaluate the diagnostic model. That means both techniques are combined to get better results.
6.2. Diagnosis of Combined BRB and 2% of ITSC Faults Using ANFIS
This experimental test is implemented to diagnose one BRB, two BRB, and 2% of ITSC faults in SC-IM at No load using ANFIS only. DWT is not applied to the qd signals. Thus, the data set is generated from Id and Iq signals. Figure 11 and Figure 12 illustrate the training and testing outputs of ANFIS. It was observed that the training and testing errors are high. The ANFIS’ performance is evaluated by its RMSE score. A comparative study is performed by ANFIS based on DWT and ANFIS, as presented in Table 3. It was observed that ANFIS based on DWT gives a higher performance as compared to ANFIS. Moreover, it demonstrates that better classification performance requires feature extraction from input signals. Therefore, the following experimental tests will be performed to diagnose SC-IM faults using ANFIS based on DWT features extraction since this method achieves a higher accuracy.
Figure 11.
The training ANFIS output for combined BRB and 2% of ITSC faults without using DWT.
Figure 12.
The testing ANFIS output for combined BRB and 2% of ITSC Faults without using DWT.
Table 3.
The ANFIS based on DWT performance evaluation.
6.3. Diagnosis of Combined BRB and 2% of ITSC Faults Using ANFIS Based on AR Model
The qd signals are applied to the Auto-Regressive (AR) model for feature extraction. The number of parameters of the AR model is 5. Therefore, the number of features is 10; 5 features for Iq signal and 5 features for Id signal. The length of Iq and Id signals is 125,000 samples in each winding condition. The 125,000 samples are divided into 200 sections, with 625 samples for each section which are used to compute AR features in each winding condition. Thus, feature samples are equal to 200 samples for one winding condition. The data set is the summation of all feature samples. It is equal to 1000 samples. The training data set is 500 samples, and the testing data set is 500 samples, as shown in Table 4.
Table 4.
Data set description.
This data set is applied to the ANFIS model. The training and testing ANFIS outputs are given in Figure 13 and Figure 14. The RMSE is analyzed to assess the models’ performance as given in Table 5.
Figure 13.
The training ANFIS output for combined BRB and 2% of ITSC faults based on the AR model.
Figure 14.
The testing ANFIS output for combined BRB and 2% of ITSC faults based on the AR model.
Table 5.
The ANFIS based on DWT and AR model performance evaluation.
It is observed that ANFIS based on the AR model gives a lower performance than ANFIS based on DWT. ANFIS based on the AR model has a limitation. The input data to ANFIS are high, which are 10 features. ANFIS takes a long time for training because the number of rules and its tenable parameters increase exponentially when the number of inputs is large. While the input data to ANFIS have 2 features, in the case of ANFIS based on DWT, it achieves high accuracy.
6.4. Diagnosis of Combined BRB and 5%, 7%, and 10% of ITSC Faults
The first experiment was implemented to diagnose one BRB, two BRB, and 5% of ITSC faults. The second experiment was executed for the diagnosis of one BRB, two BRB, and 7% of ITSC faults. The third experiment was performed to diagnose one BRB, two BRB, and 10% of ITSC faults. The SC-IM is operated at No load. The RMSE is developed to evaluate the performance of ANFIS as given in Table 6.
Table 6.
The ANFIS performance for diagnosis combined BRB and 5%, 7%, and 10% of ITSC faults.
It was proved that the ANFIS based DWT achieves better performance in diagnosing combined BRB faults and 5%, 7%, and 10% of ITSC faults. The index of faults generated from the FLC model for diagnosis of different BRB and 5%, 7%, and 10% of ITSC faults is shown in Figure 15.

Figure 15.
The Index of fault for combined BRB and ITSC faults: (a) Combined BRB, and 5% of ITSC faults; (b) Combined BRB, and 7% of ITSC faults; (c) Combined BRB, and 10% of ITSC faults.
6.5. Diagnosis of Combined Different BRB and ITSC Faults
The test is performed to diagnose one BRB, two BRB, 2%, 5%, 7%, and 10% of ITSC faults in SC-IM under No load. The training data set is 1100 samples. The testing data set is 1100 samples. The training ANFIS output is presented in Figure 16. The solid line is the target value, ‘0’ for healthy condition, ‘1’ for one BRB, ‘2’ for two BRB, ‘3’ for 2% of ITSC, ‘4’ for combined two BRB and 2% of ITSC, ‘5’ for 5% of ITSC, ‘6’ for combined two BRB and 5% of ITSC, ‘7’ for 7% of ITSC, ‘8’ for combined two BRB and 7% of ITSC, ‘10’ for 10% of ITSC and ‘11’ for combined two BRB and 10% of ITSC faulty conditions. The circle is the index of faults.
Figure 16.
The training ANFIS output for combining different BRB and ITSC faults.
The testing ANFIS output is “0” from 1101 to 1200 samples for a healthy condition, “1” from 1201 to 1300 samples for one BRB fault, “2” from 1301 to 1400 samples for two BRB faults, “3” from 1401 to 1500 samples for 2% of an ITSC fault, “4” from 1501 to 1600 samples for a combined two BRB and 2% of ITSC faults, “5” from 1601 to 1700 samples for 5% of an ITSC fault, “6” from 1701 to 1800 samples for a combined two BRB and 5% of ITSC faults, “7” from 1801 to 1900 samples for 7% of an ITSC fault, “8” from 1901 to 2000 samples for a combined two BRB and 7% of ITSC faults, “10” from 2001 to 2100 samples for 10% of an ITSC fault and “11” from 2101 to 2200 samples for a combined two BRB and 10% of ITSC faults as presented in Figure 17. It is observed that the testing error is small.
Figure 17.
The testing ANFIS output for combining different BRB and ITSC faults.
The RMSE of ANFIS training is 4.2003 × 10−4 and the RMSE of ANFIS testing is 4.1605 × 10−4. It is observed that the performance of ANFIS based on DWT is very high. Hence, ANFIS based on DWT can correctly diagnose a combination of different BRB and ITSC faults.
The FLC is implemented to diagnose a combination of different BRB faults and ITSC faults as given in Figure 18. The inputs connected to the multiport switch are Iqd_h for a healthy motor, Iqd_ubr1 for one BRB fault, Iqd_ubr2 for two BRB faults, Iqd_ush2 for 2% of an ITSC fault, Iqd_ubr2_sh2 for a combined two BRB and 2% of ITSC faults, Iqd_ush5 for 5% of an ITSC fault, Iqd_ubr2_sh5 for a combined two BRB and 5% of ITSC faults, Iqd_ush7 for 7% of an ITSC fault, Iqd_ubr2_sh7 for a combined two BRB and 7% of ITSC faults, Iqd_ush10 for 10% of an ITSC and Iqd_ubr2_sh10 for a combined two BRB and 10% of ITSC faults. The duration time of the FLC model operating process is 0.1 s. The sample time in the port index is adjusted to 0.0091 s for each input to the multiport switch.
Figure 18.
FLC Model to diagnose a combination of different BRB and ITSC faults.
The index of faults started in a healthy way with 11,363 samples for healthy. After 0.0091 s, 11,363 samples for one BRB fault are selected. After 0.0091 s, 11,363 samples for two BRB faults are selected. After 0.0091 s, 11,363 samples for the 2% of an ITSC fault are selected. After 0.0091 s, 11,363 samples for a combined two BRB and 2% of ITSC faults are selected. After 0.0091 s, 11,363 samples for the 5% of an ITSC fault are selected. After 0.0091 s, 11,363 samples for a combined two BRB and 5% of an ITSC fault are selected. After 0.0091 s, 11,363 samples for the 7% of ITSC faults are selected. After 0.0091 s, 11,363 samples for a combined two BRB and 7% of ITSC faults are selected. After 0.0091 s, 11,363 samples for the 10% of an ITSC fault are selected. After 0.0091 s, 11,363 samples for a combined two BRB and 10% of an ITSC fault are selected, as shown in Figure 19.
Figure 19.
The Index of fault for combined different BRB and ITSC faults.
6.6. Diagnosis of Combined Two BRB and Different ITSC Faults
The experimental tests are executed on SC-IM with a combined two BRB and different ITSC faults under different loading conditions. The first test is implemented in the case of SC-IM under 10% of load with a combined two BRB, 2%, 5%, 7%, and 10% of ITSC faults. The second test is performed in the case of SC-IM under 20% of load with a combined two BRB, 2% ITSC, 5% ITSC, 7% ITSC, and 10% ITSC faults. Then, the other tests are performed in the case of SC-IM under 30%, 40%, 50%, 60%, 70%, 80%, 90%, and 100% of load. Figure 20 shows the index of faults to diagnose combined two BRB and different ITSC faults under different loading conditions.

Figure 20.
The index of fault for combined different BRB and ITSC faults under different loading conditions: (a) 10% of the load; (b) 20% of the load; (c) 30% of the load; (d) 40% of the load; (e) 50% of the load; (f) 60% of the load; (g) 70% of the load; (h) 80% of the load; (i) 90% of the load; (j) 100% of the load.
From Table 7, the training and testing RMSE are acquired. It is proven that the ANFIS based DWT achieves high performance for diagnosis of a combined two BRB and different ITSC faults in SC-IM under different loading conditions.
Table 7.
The ANFIS evaluation for diagnosis combined two BRB and different ITSC faults under different loading conditions.
From the previous discussion, it is clear that ANFIS based on DWT provides higher performance than all other techniques; the testing RMSE is 5.5547 × 10−7 in diagnosis of combined BRB and 2% of ITSC faults; while the worst output is obtained by ANFIS without data pre-processing, where the testing RMSE is 2.1271. The result of the analysis proves that DWT improved the ANFIS performance. It plays a very important role in extracting the features of input data. The proposed method provides better generalization capability, faster learning speed and easier implementation when it is compared to other techniques. The proposed method can accurately detect and classify two different SC-IM faults at the same time.
7. Conclusions
This paper proposes a new method of ANFIS based on feature extraction for diagnosing ITSC and BRB faults in SC-IM. The motor operates with one BRB, two BRB and 2% ITSC, 5% ITSC, 7% ITSC, and 10% ITSC faults under different loading conditions. The feature extraction is obtained from the qd signal using DWT. The experimental test is performed on SC-IM with combined BRB and 2% ITSC faults at No load using ANFIS based on DWT. The proposed method has been compared to ANFIS and ANFIS based on an auto-regressive model. The evaluation analysis of the results proves that the proposed method archives higher accuracy, the testing RMSE is 5.5547 × 10−7. While the weak output is given by ANFIS without data pre-processing, the testing RMSE is 2.1271. Many experimental tests are implemented on SC-IM with combined different ITSC and BRB faults under different loading conditions. The experimental tests verify the proposed technique’s efficiency for detection and classification of fully different states of combined ITSC and BRB faults. In future research the following work may be considered: Open-phase, phase-to-phase, and phase-to-ground faults, as well as bearing failures, are examples of SC-IM faults; implementation of time-domain features for pre-processing of input data and comparing them to wavelet transform and autoregressive model.
Author Contributions
M.A.M. and M.A.M.H. designed the problem under study; M.D. performed the simulations and obtained the results; Z.M.A. analyzed the obtained results; F.A. wrote the paper, which was further reviewed by S.S.M.G., M.A.M.H., M.D., F.A., and Z.M.A. All authors have read and agreed to the published version of the manuscript.
Funding
The authors appreciate the Taif University Researchers Supporting Project TURSP-2020/97 for funding this research.
Institutional Review Board Statement
Not applicable.
Informed Consent Statement
Not applicable.
Data Availability Statement
The data presented in this study are available on request from the corresponding author. The data are not publicly available due to their large size.
Acknowledgments
This research was funded by the TAIF UNIVERSITY RESEARCHERS SUPPORTING PROJECT, grant number “TURSP 2020/97”. The authors appreciate the Taif University Researchers Supporting Project TURSP 2020/97 for funding this research.
Conflicts of Interest
The authors declare no conflict of interest.
References
- Menshawy, A.M.; Al-Attar, A.M.; Mohamed, A.; Essam, E.M.M.; Mohamed, A.M.H. Detection of inter turn short circuit faults in induction motor using artificial neural network. In Proceedings of the 26th Conference of FRUCT Association, Yaroslavl, Russia, 20–24 April 2020; pp. 297–304. [Google Scholar]
- Menshawy, A.M.; Al-Attar, A.M.; Mohamed, A.; Essam, E.M.M.; Mohamed, A.M.H. Induction motor broken rotor bar faults diagnosis using ANFIS-based DWT. Int. J. Model. Simul. 2021, 41, 220–233. [Google Scholar]
- Toma, R.N.; Prosvirin, A.E.; Kim, J.M. Bearing fault diagnosis of induction motors using a genetic algorithm and machine learning classifiers. Sensors 2020, 20, 1884. [Google Scholar] [CrossRef] [PubMed] [Green Version]
- Maouche, Y.; Oumaamar, M.E.K.; Khezzar, A.; Razik, H. Analysis of stator current of dual-three phase induction motor drive under broken bar fault condition. In Proceedings of the 13th IEEE Conference on Industrial Electronics and Applications (ICIEA), Wuhan, China, 31 May–2 June 2018; pp. 560–564. [Google Scholar]
- Yuan, Q.I.; Mohsen, Z.; Bilal, A.; Stephen, E.F. Analysis and detection of inter-turn short-circuit fault through extended self-commissioning. IEEE Trans. Ind. Appl. 2016, 53, 2730–2739. [Google Scholar]
- Abd-el-Malek, M.; Abdelsalam, A.K.; Hassan, O.E. Induction motor broken rotor bar fault location detection through envelope analysis of start-up current using Hilbert transform. Mech. Syst. Signal Process. 2017, 93, 332–350. [Google Scholar] [CrossRef]
- Yassa, N.; Rachek, M. Modeling and detecting the stator winding inter turn fault of permanent magnet synchronous motors using stator current signature analysis. Math. Comput. Simul. 2020, 167, 325–339. [Google Scholar] [CrossRef]
- Ghate, V.N.; Dudul, S.V. Cascade neural network based fault classifies for three-phase induction motor. IEEE Trans. Ind. Elect. 2011, 58, 1555–1563. [Google Scholar] [CrossRef]
- Maraaba, L.S.; Al-Hamouz, Z.M.; Milhem, A.S.; Abido, M.A. Neural network-based diagnostic tool for detecting stator inter-turn faults in line start permanent magnet synchronous motors. IEEE Access 2019, 7, 89014–89025. [Google Scholar] [CrossRef]
- Mayadevi, N.; Mini, V.P.; Kumar, R.H.; Prins, S. Fuzzy-based intelligent algorithm for diagnosis of drive faults in induction motor drive system. Arab. J. Sci. Eng. 2020, 45, 1385–1395. [Google Scholar] [CrossRef]
- Deepa, N.; Ganesan, K. Multi-class classification using hybrid soft decision model for agriculture crop selection. Neural Comput. Appl. 2018, 30, 1025–1038. [Google Scholar] [CrossRef]
- Wang, J.; Li, P.; Deng, X.; Li, N.; Xie, X.; Liu, H.; Tang, J. Evaluation on partial discharge intensity of electrical equipment based on improved ANFIS and ultraviolet pulse detection technology. IEEE Access 2019, 7, 126561–126570. [Google Scholar] [CrossRef]
- Dias, C.G.; De Sousa, C.M. A neuro-fuzzy approach for locating broken rotor bars in induction motors at very low slip. J. Control Autom. Electr. Syst. 2018, 29, 489–499. [Google Scholar] [CrossRef]
- Mola, M.; Reihaneh, A. ANFIS model based on fuzzy C-mean, grid partitioning and subtractive clustering to detection of stator winding inter-turn fault for PM synchronous motor. Int. Trans. Electr. Energy Syst. 2021, 31, e12770. [Google Scholar] [CrossRef]
- Mohamed, A.M.H. Effect of pre-processing on using ANN and ANFIS. In Proceedings of the 26th Conference of FRUCT Association, Yaroslavl, Russia, 20–24 April 2020; pp. 589–603. [Google Scholar]
- Almounajjed, A.; Sahoo, A.K.; Kumar, M.K. Diagnosis of stator fault severity in induction motor based on discrete wavelet analysis. Measurement 2021, 182, 109780. [Google Scholar] [CrossRef]
- Priyandoko, G.; Istiadi, I.; Siswanto, D.; Effendi, D.U.; Naufal, E.R. Diagnosis of induction motor bearing defect using discrete wavelet transform and artificial neural network. Sinergi 2021, 25, 33–42. [Google Scholar] [CrossRef]
- Sonje, D.M.; Kundu, P.; Chowdhury, A. A novel approach for sensitive inter-turn fault detection in induction motor under various operating conditions. Arab. J. Sci. Eng. 2019, 44, 6887–6900. [Google Scholar] [CrossRef]
- Dash, R.N.; Panigrahi, C.; Subudhi, B.; Sahoo, S.P. Induction motor health identification using wavelet transform technique. In Proceedings of the 2018 Technologies for Smart-City Energy Security and Power (ICSESP), Bhubaneswar, India, 28–30 March 2018; pp. 1–6. [Google Scholar]
- Abdullateef, A.I.; Fagbolagun, O.S.; Sanusi, M.F.; Akorede, M.F.; Afolayan, M.A. Detection and classification of stator short-circuit faults in three-phase induction motor. J. Appl. Sci. Environ. Manag. 2020, 24, 417–424. [Google Scholar] [CrossRef]
- Mostafa, M.; Galal, H.; Mohamed, A.M.H. Diagnosis of rotating machines faults using artificial intelligence based on preprocessing for input data. In Proceedings of the 26th Conference of FRUCT Association, Yaroslavl, Russia, 20–24 April 2020; pp. 572–582. [Google Scholar]
- Purushotham, V.; Narayanana, S.; Prasad, S.A.N. Multi-fault diagnosis of rolling bearing elements using wavelet analysis and hidden Markov model based fault recognition. NDTE Int. 2005, 38, 654–664. [Google Scholar] [CrossRef]
- Addison, P.S. The Illustrated Wavelet Transform Handbook; Institute of Physics Publishing: Bristol, UK, 2002. [Google Scholar]
- Menshawy, A.M.; Mahmoud, A.S.; Essam, H.A.; Mohamed, A.M.H. Detection and classification of broken rotor bars faults in induction motor using adaptive neuro-fuzzy inference system. In Proceedings of the MEPCON ‘14, Cairo, Egypt, 23–25 December 2014. [Google Scholar]
- Zarei, J.; Hassani, H.; Wei, Z.; Karimi, H.R. Broken rotor bars detection via Park’s vector approach based on ANFIS. In Proceedings of the 2014 IEEE 23rd International Symposium on Industrial Electronics (ISIE), Istanbul, Turkey, 1–4 June 2014; pp. 2422–2426. [Google Scholar]
- Zarei, J.; Javad, P. Bearing fault detection using wavelet packet transform of induction motor stator current. Tribol. Int. 2007, 40, 763–769. [Google Scholar] [CrossRef]
Publisher’s Note: MDPI stays neutral with regard to jurisdictional claims in published maps and institutional affiliations. |
© 2021 by the authors. Licensee MDPI, Basel, Switzerland. This article is an open access article distributed under the terms and conditions of the Creative Commons Attribution (CC BY) license (https://creativecommons.org/licenses/by/4.0/).